高级维修电工实操试卷
- 格式:doc
- 大小:74.00 KB
- 文档页数:2
高级汽车维修电工实操考试题目汽车修理工(高级)模拟考试考前必练!安全生产模拟考试一点通每个月更新汽车修理工(高级)实操考试视频题目及答案!1、【单选题】汽车空调转速控制的信号取自()。
(A)A、点火线圈B、曲轴位置传感器C、凸轮轴位置传感器D、发动机转速传感器2、【单选题】属于形状公差的是()。
(D)A、平行度B、垂直度C、倾斜度D、直线度3、【单选题】()是轮胎异常磨损的原因。
(D)A、减振器性能减弱B、连接销松动C、减振器损坏D、单侧悬挂弹簧弹力不足4、【单选题】丰田凌志400装备()式空气流量计。
(D)A、翼板B、热线C、热膜D、卡尔曼涡旋5、【单选题】汽车变速器变速叉轴与盖或壳体承孔的配合间隙为()mm。
(B)A、0.02~0.04B、0.04~0.20C、0.15~0.25D、0.10~0.206、【单选题】待修件是指具有较好()的零件。
(B)A、修理工艺B、修理价值C、使用价值D、几何形状7、【单选题】无轨电车属于()。
(C)A、轿车B、货车C、商用车D、乘用车8、【单选题】夏利轿车采用()点火线圈。
(B)A、开磁路B、闭磁路C、半开磁路D、半闭磁路9、【单选题】更换踏板时,必须测量调整制动踏板的。
(B)A、自由间隙B、自由行程C、1:作行程大于D、以上均正确10、【单选题】车辆技术状况等级评定每年进行()次。
(B)A、一B、两C、三D、四11、【单选题】能把微弱的电信号放大,转换成较强的电信号的电路称为()。
(A)A、放大电路B、滤波电路C、稳压电路D、整流电路12、【单选题】检查分电器轴与衬套之间的间隙,分电器轴与衬套的正常配合间隙为()mm,最大不得超过0.07mm。
(B)A、0.01~0.02B、0.02~0.04C、0.04~0.06D、0.06~0.0813、【单选题】爱岗敬业的具体要求是()。
(C)A、看效益决定是否爱岗B、转变择业观念C、提高职业技能D、增强把握择业的机遇意识14、【单选题】解放CA1092型汽车变速器壳体()误差可用百分表测得。
高级电工实操考试题目及答案解析一、选择题1. 电路中电流的单位是:A. 伏特(V)B. 欧姆(Ω)C. 安培(A)D. 瓦特(W)答案:C2. 以下哪个不是电工安全操作的基本要求?A. 断电操作B. 穿戴绝缘手套C. 使用湿布擦拭电器D. 正确使用电工工具答案:C二、判断题1. 所有电工操作都必须在断电状态下进行。
()答案:错误2. 使用万用表测量电阻时,应先进行欧姆调零。
()答案:正确三、简答题1. 简述三相交流电的特点。
答案:三相交流电是由三个频率相同、振幅相等、相位差120度的正弦波组成的电能形式。
它具有结构简单、传输效率高、功率因数高等特点。
2. 说明电工在进行电路维修时应注意的安全事项。
答案:电工在进行电路维修时应注意以下安全事项:确保断电操作,穿戴绝缘防护装备,使用合适的工具,遵循操作规程,注意周围环境,避免触电和火灾等危险。
四、计算题1. 已知一个电阻为100Ω,通过它的电流为2A,求该电阻两端的电压。
答案:根据欧姆定律,U = I * R,所以电压U = 2A * 100Ω =200V。
2. 一个电路的总功率为1000W,已知电路的电压为220V,求电路的总电流。
答案:根据功率公式P = U * I,可得电流I = P / U = 1000W / 220V ≈ 4.55A。
五、实操题1. 请描述如何使用万用表测量一个未知电阻的阻值。
答案:首先,将万用表调至电阻测量模式。
然后,将万用表的两个探头分别接触电阻的两端。
观察万用表的读数,即为电阻的阻值。
2. 描述如何安全地更换一个烧毁的保险丝。
答案:首先,确保断电操作,然后打开保险丝盒。
使用合适的工具,如螺丝刀,取出烧毁的保险丝。
检查新的保险丝规格,确保与烧毁的保险丝相同。
然后,将新保险丝安装到位,并关闭保险丝盒。
最后,恢复电源,检查电路是否正常工作。
六、案例分析题1. 某工厂的电动机突然停止工作,电工需要进行故障排查。
请列出可能的原因及排查步骤。
考件编号: 试卷编码:1800181103011011(湘潭湘钢)湖南省人力资源和社会保障厅职业技能鉴定中心监制注 意 事 项 一、本试卷依据2009年颁布的《维修电工》国家职业标准命制。
二、请根据试题考核要求,完成考试内容。
三、请服从考评人员指挥,保证考核安全顺利进行。
试题1、PLC 恒液位控制系统 (1)考试时间:240分钟 (2)考核方式:实操 (3)本题分值:60分 (4)具体考核要求:PLC 恒液位控制系统考生答题不准超过此线地区姓名 单位名称 准 考 证 号考件编号:(5)考核要求:a) 正确绘制用PLC的I/O接线图;b) 按技术要求正确编制、录入PLC程序,按技术要求正确编制触摸屏画面;c) 正确完成触摸屏与PLC间的通讯;d) 按技术要求、操作规范、工艺要求完成用触摸屏、PLC控制系统的安装、调试任务;e) 试运行良好,符合技术要求。
(6)技术要求:a) 系统采用PLC控制,触摸屏作为操作和监控界面;b) 加热器为电加热器,功率为200W;c) 触摸屏组态画面要求:系统的启动、停止按钮,液位设定、液位实时显示,磁力泵由变频器控制;d) 液体高度由液位传感器测出,经液位变送器送给PLC的A/D模块,液位为0~100cm变化时,变送器输出为0~20mA;e) 按下启动键(上位机组态操作),电磁阀打开,磁力泵按设定的30cm恒液位运行,当容器B、C中的液位到达20cm高度时,加热器全压启动运行。
B到C的放液阀处于打开状态,当液位到达设定的30cm时,磁力泵停止运行。
f) 停止操作按下停止按键,本工序结束后系统停止运行,但再次按下启动按钮,系统能正常运行。
笔答部分答题纸系统接线图试卷编码:1800181103011011(湘潭湘钢)湖南省人力资源和社会保障厅职业技能鉴定中心监制考件编号:试题2、自动化系统远程控制的安装与调试(1)考试时间:120分钟(2)考核方式:实操(3)本题分值:20分(4)具体考核要求:自动化系统远程控制的安装与调试(5)考核要求:a) 正确绘制用PLC的I/O接线图;b) 按技术要求正确编制、录入PLC程序,按技术要求正确编制触摸屏画面;c) 正确完成触摸屏与PLC间的通讯;d) 按技术要求、操作规范、工艺要求完成系统的安装、调试任务;e) 试运行良好,符合技术要求。
高级维修电工实操试题一、单选题1. 维修电工在处理电气故障时,下列哪项工作是第一步?A. 切断电源B. 使用万用表测试电压C. 检查电路图D. 定位故障点2. 维修电工应该具备的基本技能包括下列哪些?A. 阅读电路图和线路图B. 使用维修工具C. 进行绝缘测试D. 进行电气安装3. 当维修电工遭遇那些情况时应该穿戴个人防护装备?A. 进行高空作业B. 进行绝缘测试C. 需要接触有毒物质D. 执行带电作业4. 在进行电气维修时,下列哪种措施是错误的?A. 遵守安全操作规程B. 使用压力装置进行绝缘测试C. 使用绝缘胶带包裹线路D. 使用标准工具和设备5. 哪种情况下需要立即报修或报告上级领导?A. 发现电气设备过热B. 发现电路图错误C. 进行应急维修D. 维修工作已完成二、填空题1. 定期对电气设备进行 __________ 可以减少故障发生的可能性。
2. 在进行带电作业时,维修电工应该穿戴 __________ 进行保护。
3. 在进行高空作业时,维修电工应该使用__________ 进行安全保护。
4. 维修电工应该定期检查电气设备的 __________。
5. 在处理电气故障时,维修电工应该使用__________ 进行测量。
三、问答题1. 请简要介绍维修电工进行电气维修时的安全措施。
2. 维修电工应该如何进行电气设备的定期检查和维护?3. 当维修电工遭遇带电作业时,应该如何确保自己的安全?四、实操题请根据以下情景回答相应问题:维修电工在处理一台机械设备时发现电路板出现故障。
请描述你会如何检查并修复这个问题。
五、总结本文章通过单选题、填空题、问答题和实操题等形式考察了维修电工在实操中所需的知识和技能。
维修电工在处理电气故障时需要具备阅读电路图和线路图、使用维修工具、进行绝缘测试等基本技能。
同时,他们还需要遵守安全操作规程,穿戴个人防护装备,并定期检查和维护电气设备。
通过不断提高自身技能和严格遵守安全规程,维修电工能够高效处理电气故障,并确保安全。
高级维修电工PLC实操试题
姓名:座号:开考时间: 交卷时间: : 成绩: [font=]
试题1: 用步进指令或功能指令编写3台电机的顺序控制程序
评分标准
要求:
1.画出PLC 的接线图,填写I/O分配表,写出正确的流程图。
2.按下列要求用步进指令或功能指令编程,并将写好的程序传入PLC,然后运行及调试。
最后将正确的程序写在试卷上。
有3台电机,控制要求为:
(1)顺序起动:按下起动按钮SB1(X0),M1电机启动, 经2秒延时后M2电机才能启动; M2电机启动, 经4秒延时后M3电机才能启动;(控制M1电机接触器的线圈接Y1点;控制M2电机接触器的线圈接Y2点;控制M3电机接触器的线圈接Y3;)
(2)顺序停止:按下停止按钮SB2(X2), M3电机先停, 经3秒延时后M2电机才能停止; M2电机停止后, 经5秒延时后M1电机才能停止;
(3)电机运行中有故障时, 按下故障停止按钮SB3(X4)可随时将3台电机同时停止;电机停止后,可以按要求(1)重新起动。
(4) 每台电机在运行过程中,如电机发生过流故障,可自动停止该台电机运行, 同时该台电机报警指示灯亮;当故障排除及复后,其报警指示灯灭, 而故障电机仍保持在停止状态。
(M1电机热继电器KH1接X11、报警指示灯HL1接Y11;M2电机热继电器KH2接X12、报警指示灯HL2接Y12;M3电机热继电器KH3接X13、报警指示灯HL3接Y13。
)。
建筑 12GS14000000-60706050030001 第1页 共4页注 意 事 项 一、本试卷依据2009年颁布的《维修电工》国家职业标准命制。
二、请根据试题考核要求,完成考试内容。
三、请服从考评人员指挥,保证考核安全顺利进行。
试题1、PLC 控制多种液体混合系统的设计、安装与调试 考试时间:150分钟 考核方式:实操+笔试 本题分值:40分 具体考核要点:PLC 控制多种液体混合系统的设计、安装与调试 (1)任务: 如图所示为多种液体混合系统参考图。
a) 初始状态,容量是空的,Y1,Y2,Y3,Y4为off , L1,L2,L3 为 off , 搅拌机M 为off 。
b) 启动按钮按下,Y1=ON ,液体A 进容器,当液体达到L3时,L3=ON ,Y1=OFF ,Y2=ON ,液体B 进入容器,当液体达到L2时,L2=ON ,Y2=OFF ,Y3=ON ,液体C 进入容器,当液面达到L1时,L1=ON ,Y3=OFF ,M 开始搅拌。
c) 搅拌到10秒后,M=OFF ,H=ON ,开始对液体加热。
d) 当温度达到一定时,T=ON ,H=OFF ,停止加热,Y4=ON ,放出混合液体。
e) 液面下降到L3后,L3=OFF ,过5秒,容器空,Y4=OFF 。
f) 要求中间隔5秒时间后,开始下一周期,如此循环。
图1.1.2-2 (2)要求:a) 工作方式设置:按下启动按钮后自动循环,按下停止按钮要在一个混合过程结束后才可停止。
b) 有必要的电气保护和互锁。
笔试部分:(1)PLC 从规模上分哪三种?考生答题不准超过此线地区姓名 单位名称 准 考 证 号();();()。
(2)正确使用工具;冲击电钻装卸钻头时有什么注意事项?(3)正确使用仪表;简述指针式万用表电阻挡的使用方法。
答:(4)安全文明生产,回答何为安全电压?答:操作部分:(5)电路绘制:根据控制要求,在答题纸上正确设计PLC梯形图及按规范绘制PLC控制I/O口(输入/输出)接线图。
注 意 事 项 一、本试卷依据2001年颁布的《维修电工》国家职业标准命制。
二、请根据试题考核要求,完成考试内容。
三、请服从考评人员指挥,保证考核安全顺利进行。
试题1、按图进行双闭环三相异步电动机调压调速系统的安装与调试 考核要求: (1)接线:按电路图及电气系统互连图及其他有关技术资料,正确连接主回路及各控制环节。
(2)调试:调试前,对照电路图及电气系统互连图熟悉装置,查寻关键元件安装的位置及有关线端标记;调试中,按考评员提出的要求,进行功能调试,达到性能指标。
(3)工作原理分析:根据使用说明书及电路图叙述系统各控制环节的作用、工作原理及动作情况,回答考评员提出的两个问题。
(4)做通电试验时,注意人身及设备安全。
(5)满分40分,考试时间240分钟。
试题2、检修继电—接触式控制的大型设备局部电气线路 1 检修龙门刨床的局部电气线路故障。
在龙门刨床主拖动电气线路(包括:主交流电动机星—三角启动控制线路和电机扩大机调速控制电路)的控制回路设隐蔽故障2处。
考生向考评员询问故障现象时,故障现象可以告诉考生,考生必须单独排除故障。
考核要求: (1)正确使用电工工具、仪器和仪表。
(2)根据故障现象,在电气控制电路图上分析故障可能产生的原因,确定故障发生的范围。
(3)在考核过程中,带电进行检修时,注意人身和设备的安全。
(4)满分40分,考试时间60分钟。
否定项:故障检修得分未达20分者,本次鉴定操作考核视为不通过。
试题3、用晶体管特性图示仪观察二极管的特性曲线 考核要求: (1)按照晶体管特性图示仪使用说明书,调整各旋纽,使荧光屏上显示出被测晶体二极管的特性曲线。
(2)满分10分,考核时间20分钟。
否定项:损坏仪器、仪表,扣10分。
试题4、讲述三相异步电动机的正反转控制线路工作原理考核要求:(1)准备工作:教具、演示工具准备齐全。
(2)讲课:① 主题明确、重点突出。
② 语言清晰、自然,用词正确。
济南市高级维修电工职业技能鉴定技能试题A卷姓名:______ 准考证号:__________ 单位:__________
一、(50分)
(1)画出三相鼠笼式异步电动机正、反转的控制电路原理图。
(分值:20分)
(2)三相鼠笼式异步电动机定子绕组的接法改接,并画出接线图。
(用时:40分钟;分值:30分)
二、三极管的极性判别。
(用时:40 分钟;分值:50分)
1、找出基极,写出过程。
(分值:30分)
2、判别集电极和发射极,写出过程。
(分值:20分)
济南市高级维修电工职业技能鉴定技能试题B卷姓名:______ 准考证号:__________ 单位:__________
技术标准:
一、(50分)
(1)测量电动机的工作电流。
(用时20钟;分值30分)
1)、写出所用仪表:
2)、记录测量结果:
(2)画出三相鼠笼式异步电动机正、反转的控制电路原理图。
(分值:20分)
二、三相鼠笼式异步电动机定子绕组的接法改接,并画出接线图。
(用时:40分钟;分值:30分)
三、测量电动机的绝缘电阻。
(用时:20分钟;分值:20分)
1、写出所用仪表:
2、记录测量结果:。
高级电工实操考试题目及答案解析一、选择题1. 电流通过导体时,导体发热的原因是:A. 导体的电阻B. 电流的大小C. 电压的高低D. 导体的材料答案:A解析:根据焦耳定律,电流通过导体时,导体发热的原因是导体的电阻。
公式为 \( Q = I^2 R t \),其中 \( Q \) 是产生的热量,\( I \) 是电流,\( R \) 是电阻,\( t \) 是时间。
2. 星型连接的三相电路中,线电流与相电流的关系是:A. 相电流是线电流的1/√3倍B. 三相电流相等C. 线电流是相电流的√3倍D. 线电流与相电流无关答案:C解析:在星型连接的三相电路中,线电流等于相电流的√3倍。
这是因为星型连接中,每条线电流等于其对应相电流与另外两相电流的矢量和。
二、判断题1. 交流电的频率越高,其变化速度越快。
答案:正确解析:交流电的频率是指单位时间内电流方向变化的次数,频率越高,电流变化的速度越快。
2. 并联电路中,各支路的电压相等。
答案:正确解析:在并联电路中,各支路两端的电压是相等的,因为它们共享相同的电源电压。
三、简答题1. 简述三相异步电动机的工作原理。
答案:三相异步电动机的工作原理基于电磁感应和旋转磁场。
当三相交流电通过定子绕组时,会在定子内产生旋转磁场。
这个旋转磁场与转子绕组相互作用,产生感应电流,进而产生力矩,使转子转动。
2. 什么是安全电压?为什么需要安全电压?答案:安全电压是指在人体接触时不会引起电击伤害的电压。
通常,安全电压被定义为不超过36V的电压。
需要安全电压是为了防止在电气设备使用过程中发生电击事故,保障人身安全。
四、实操题1. 请描述如何使用万用表测量电阻。
答案:使用万用表测量电阻的步骤如下:a. 将万用表选择到电阻测量模式。
b. 将待测电阻的两端分别连接到万用表的红色和黑色探头上。
c. 观察万用表的读数,即为待测电阻的阻值。
2. 描述如何安全地更换熔断器。
答案:更换熔断器的安全步骤如下:a. 确保电源已关闭,避免带电操作。
维修电工等级鉴定--高级电工实操试题高级电工实操试题一、制作户内低压电缆终端头二、安装单相电度表三、高压柜验电、挂接地线四、测量10kv电力电缆绝缘电阻五:单股线与多股线的连接一:制作户内低压电缆终端头1、准备要求 (1)材料准备 (2)工用具准备 序 号 名 称 规 格 数 量 备 注1 电工刀、钢丝钳、尖嘴钳各1把 2 擦布 1块 3 绝缘胶带 A 级 1卷 4防水胶带1卷2、操作考核规定及说明 (1)操作程序说明: 1)准备工作; 2)剖削电缆绝缘层;3)制作电缆头并作绝缘处理;4)清理现场。
(2)考核规定说明:序号名 称 规 格 数 量 备 注1低压四芯电缆16 mm2及以上1m1)如操作违章或未按操作程序执行操作,将停止考核;2)考核采用百分制,考核项目得分按鉴定比重进行折算。
(3)考核方式说明:该项目为实际操作(过程型),考核过程按评分标准及操作过程进行评分。
(4)测量技能说明:本项目主要测量考生对制作低压电缆头的熟练程度。
3、考核时限(1)准备时间:1min(不计入考核时间)。
(2)正式操作时间15min。
(3)提前完成操作不加分,到时停止操作考核。
4、评分记录表试题名称:制作户内低压电缆终端头考核时间15min 序号 考核 内容 评 分 要 素 配分 评 分 标 准 检测 结果 扣分 得 分备注1 准备 工作工用具准备 6 少选或错选一件扣1分 2 剖削电缆护套 用电工刀具45°角切入; 25°角平推剖削电缆绝缘层 21 未45°角切入导线扣7分 未25°角平推剖削电缆绝缘层扣7分 导线绝缘层剖削过长或过短扣7分3 制作 电缆头 制作电缆头 31 钢铠未处理干净扣10分 未保留内衬垫层扣10分 未制作成伞形扣11分4 恢复 绝缘 恢复绝缘 42 包缠绝缘未采用斜叠法扣 7分包缠时绝缘带未在绝缘层前15~30毫米处开始扣7分 未从左向右,每圈压叠半幅带宽扣7分绝缘胶带包缠不紧密扣7分 里层未用绝缘胶带缠绕7分 外层未用防水胶带缠绕扣7分5 清理现场清理现场未清理现场从总分中扣5分6 安全文明操作按国家或企业颁发有关安全规定执行操作每违反一项规定从总分中扣5分,严重违规取消考核7 考核时限在规定时间内完成到时停止操作考核合计100二:安装单相电度表1、准备要求(1)设备准备序号名称规格数量备注1 单相电度表DD862 1块2 高分断小型断路器NB1-63 10A2极1个3 灯泡220V 15W 1只4 灯座10A 1只5 三相四线插头NO:199 1个6 数字式万用表DT890 1块(2)材料准备序号名称规格数量备注1 塑铜线 1.5 mm2 10米2 多股绝缘塑料导线 2.5 mm2各5米黄、绿、红、蓝色3 细木工板40cm×50cm 1块4 自攻螺丝长度20 mm 20个5 端子排JD-1020 30节380 V、10 A (3)工用具准备序号名称规格数量备注1 一字螺钉旋具1把2 十字螺钉旋具1把3 尖嘴钳1把4 剥线钳1把5 低压验电器500V 1个6 线手套1副2、操作考核规定及说明(1)操作程序说明:1)安装电路;2)通电试验;3)清理现场;4)安全文明操作。
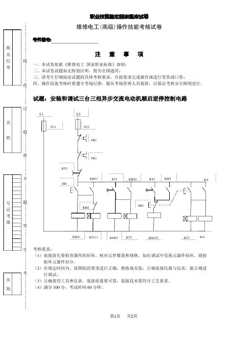
称名位线单此过名超姓准不号题证考准答生考区地考件编号:注意事项一、本试卷依据《维修电工国家职业标准》命制;二、本试卷试题如无特别注明,则为全国通用;三、请考生仔细阅读试题的具体考核要求,并按要求完成操作或进行笔答或口答;四、操作技能考核时要遵守考场纪律,服从考场管理人员指挥,以保证考核安全顺利进行。
试题:安装和调试三台三相异步交流电动机顺启逆停控制电路L1L2FU1FU2FR1FR2KT3KM11KT1KM22KT2KM3KA SB1KM2SB2KM11KT111KM22KT2KM333KT3KA 考核要求:(1)装接前先要检查器件的好坏,核对元件数量和规格,如在调试中发现元器件损坏,则按损坏元器件扣分。
(2)在规定时间内,按图纸的要求进行正确、熟练地安装,正确连接仪器与仪表,能正确进行调试。
(3)正确使用工具和仪表,装接质量要可靠,装接技术要符合工艺要求。
(4)满分100分,考试时间60分钟。
考件编号:实操评分标准及现场记录考号:单位:姓名:得分:序号1试题试题:安装和调试三台三相异步交流电动机顺启逆停控制电路考核要求1.器件损坏一个扣10分。
评分标准配分扣分得分2(1)装接前先要检查器件的好2.导线颜色连接不规范一坏,核对元件数量和规格,如处扣1分。
在调试中发现元器件损坏,则按损坏元器件扣分。
3.通电不能正常运行扣20(2)在规定时间内,按图纸的要求进行正确、熟练地安装,分。
正确使用仪表检测电路,能正100确进行调试。
(3)正确使用工具和仪表,装4、安装布线不规范扣5分接质量要可靠,装接技术要符合工艺要求。
(4)满分100分,考试时间5、安装接头松动一处扣160分钟。
分6、选用元器件错误每个扣5分文明操作指操作过程中注意保护各工具,按使考评员签字:备注用方法使用,不乱摆乱放乱摔工具,节省原材年月日料。
高级电工实操试题一、制作户内低压电缆终端头二、安装单相电度表三、高压柜验电、挂接地线四、测量10kv电力电缆绝缘电阻五:单股线与多股线的连接一:制作户内低压电缆终端头1、准备要求(1)材料准备2、操作考核规定及说明(1)操作程序说明:1)准备工作;2)剖削电缆绝缘层;3)制作电缆头并作绝缘处理;4)清理现场。
(2)考核规定说明:1)如操作违章或未按操作程序执行操作,将停止考核;2)考核采用百分制,考核项目得分按鉴定比重进行折算。
(3)考核方式说明:该项目为实际操作(过程型),考核过程按评分标准及操作过程进行评分。
(4)测量技能说明:本项目主要测量考生对制作低压电缆头的熟练程度。
3、考核时限(1)准备时间:1min(不计入考核时间)。
(2)正式操作时间15min。
(3)提前完成操作不加分,到时停止操作考核。
4、评分记录表试题名称:制作户内低压电缆终端头考核时间15min二:安装单相电度表1、准备要求(1)设备准备(2)材料准备(2(1)操作程序说明:1)安装电路;2)通电试验;3)清理现场;4)安全文明操作。
(2)考核规定说明:1)如操作违章或未按操作程序执行操作,将停止考核;2)考核采用百分制,考核项目得分按鉴定比重进行折算。
(3)考核方式说明:该项目为实际操作(结果型),考核过程按评分标准及操作过程进行评分。
(4)测量技能说明:本项目主要测量考生对安装单相电度表的熟练程度。
3、考核时限(1)准备时间:1min(不计入考核时间)。
(2)正式操作时间:15min。
(3)提前完成操作不加分,到时停止操作考核。
4、评分记录表附图单相电度表试题名称:安装单相电度表考核时间:15min三:高压柜验电、挂接地线1、准备要求(1)工具、仪器准备(1)操作程序说明:1)准备工作;;2)听指令检查验电器、接地线;3)开高压柜;4)验电;5)挂接地线;6)拆接地线;7)清理现场。
(2)考核规定说明:1)如操作违章或未按操作程序执行操作,将停止考核;2)考核采用百分制,考核项目得分按评定比重进行折算。
高级电工实操试题及答案一、选择题(每题2分,共10分)1. 电流通过电阻时,电阻会产生热量,这种热量称为:A. 电能B. 电热C. 电势D. 电势能答案:B2. 以下哪种工具不适用于测量电流?A. 万用表B. 钳形电流表C. 电压表D. 电阻表答案:D3. 电容器在交流电路中的作用是:A. 滤波B. 整流C. 放大D. 振荡答案:A4. 在三相交流电路中,线电压与相电压的关系是:A. 相等B. 线电压是相电压的√3倍C. 相电压是线电压的√3倍D. 无法确定答案:B5. 以下哪种材料不适合用作绝缘材料?A. 橡胶B. 塑料C. 玻璃D. 铁答案:D二、填空题(每题2分,共10分)1. 欧姆定律的公式是_________。
答案:V=IR2. 交流电的频率是指交流电在单位时间内完成的_________。
答案:周期数3. 电流的单位是_________。
答案:安培(A)4. 电能的单位是_________。
答案:焦耳(J)5. 三相交流电的相位差是_________。
答案:120度三、简答题(每题5分,共20分)1. 解释什么是短路,并说明短路的危险性。
答案:短路是指电路中两个或多个本不应直接相连的导体之间发生直接连接的现象。
短路会导致电流急剧增加,可能会引起电器设备损坏、火灾甚至爆炸,对人员和设备的安全构成严重威胁。
2. 描述三相交流电的工作原理。
答案:三相交流电由三个相位差为120度的交流电组成,它们在时间上相互错开,共同构成一个周期。
这种供电方式能够提供更稳定的电力输出,适用于大型工业设备。
3. 什么是接地?接地的作用是什么?答案:接地是指将电气设备的非带电部分与大地连接起来的做法。
接地的作用是防止电气设备因绝缘损坏而带电,从而保护人身安全和设备安全。
4. 列举两种常见的电工测量工具及其用途。
答案:万用表用于测量电压、电流和电阻;钳形电流表用于测量通过导线的电流,无需断开电路。
四、操作题(每题10分,共30分)1. 请描述如何正确使用万用表测量电阻。
高级维修电工实操 The pony was revised in January 2021国家职业技能鉴定统一试卷高级维修电工技能试卷姓名:学号:单位:成绩:时间:120分钟一、利用PLC指令设计十字交通灯控制程序,如图所示。
(55分)控制要求如下:(1)汽车道:横向绿灯(G)亮30S→绿灯闪3秒,每次1S→黄灯(Y)亮2S→红灯(R)亮35S;纵向红灯(R)亮35S →纵向绿灯(G)亮30S→绿灯闪3次,每次1S→黄灯亮2S。
(2)人行道:横向绿灯(G)亮30S→绿灯闪5次,每次1S→红灯(R)亮35S;纵向红灯(R)亮35S→绿灯(G)亮30S→绿灯闪5次,每次1S。
按题目要求得交通灯的工作时序如图3-27所示。
要求:1、根据十字交通灯控制要求画出I/O分配图。
(10分)2、画出梯形图。
(15分)3、写出指令表。
(10分)4、将程序送入PLC,并试运行。
(20分)二、变频器控制电动机运行(45分)1、请画出变频器外部操作的接线图(按钮用SB)。
(7分)2、画出变频器15段多段速运行接线图。
(8分)3、填写变频器15段多段速运行参数表(8分).4、变频器技能操作(22分)(以下题目只完成其中1题)A题:利用PU面板控制电动机45Hz运行,加速时间为10秒,减速时间为3秒(17分).写出变频器参数输入的步骤(5分).B题:利用外部按钮SB和电位器控制电动机以45Hz运行,并设置频率跳变区,当运行频率在15--30Hz时以30Hz运行。
试题1 PLC控制电动机自动正反转的设计、安装与调试(1)考试时间:150min(2)考核方式:实操+笔试(3)本题分值:40分1)任务:当按下启动按钮,KM1线圈通电,电动机正转;经过5S延时,线圈KM1断电,同时KM2线圈通电,电动机反转;再经过3S延时,线圈KM2断电,线圈KM1通电。
这样反复10次后电动机停止运行。
2)要求:a.工作方式设置为自动循环b.有必要的电气保护和连锁【笔试部分】(1)正确识读电路图,写出下列图形文字符号的名称。
QS( );FU1();KM1( )。
(2)正确使用工具,简述剥线钳使用注意事项。
答:(3)正确使用仪表;简述指针式万用表测试二极管的方法。
答:(4)安全文明生产,回答何谓安全电压答:【操作部分】(5)电路绘制:根据控制要求,在答题纸上正确设计PLC梯形图及按照规范绘制PLC的I/O(输入/输出)口接线图。
1)PLC接线图2)PLC梯形图(6)安装与接线按照电气安装规范:1)将熔断器、接触器、继电器、PLC安装在一块配线板上,而将方式转换开关、行程开关、按钮等装在另一块培训板上。
2)按PLC控制I/O口接线图在配线板上正确安装元件,元件安装要合理,安装要准确、牢固,配线导线要紧固、美观,导线要垂直进行线槽,导线要有端子标号,引出线要用接线端头。
(7)正确地将所编程序输入PLC,安装被控设备的动作要求进行模拟操作调试,达到设计要求。
(8)通电试验:通电前正确使用电工工具及万用表,进行仔细检查。
试题2 PLC控制直流能耗制动的Y-△起动电路用PLC设计通电延时带直流能耗制动的Y-△起动电路,并进行安装调试(1)电路图【笔试部分】(1)正确使用工具,简述电工刀使用注意事项(方法)答:(2)正确使用仪表:简述万用表检测无标志二极管的方法答:(3)安全文明生产:回答合闸后可送电到作业地点的刀闸操作把手上应悬挂什么文字标示牌。
答:(4)简述功率表的使用方法答:(5)简述电烙铁使用注意事项答:(2)操作步骤1)原理分析。
国家职业技能鉴定统一试卷高级维修电工技能考试说明(0903132-002)1.本试卷组卷目的是用于高级维修电工国家职业技能鉴定。
本试卷适用于使用电工工具和仪器、仪表,对设备电气部分(含机电一体化)进行安装、调试、维修的人员,本试卷所考核的内容无地域限制。
2.本试卷整卷试题(项目)共有4题,其中安装、改装、调试、试验技能1题,分析故障,检修及编写检修工艺技能1题, 工具、仪器、仪表的使用与维护技能1题,安全文明生产1题。
3.本试卷整体考核时间共计310分钟。
4.其它主要特点说明:(1)本试卷试题的考核要求、评分标准、配分、扣分、得分和现场记录均以表格的形式表示,各项试题配分累计为100分。
(2)技能考试中笔试的部分主要是绘图和在故障排除试题中用笔在图纸上标出故障的范围。
(3)技能试卷中工具、设备的使用与维护第2小题和安全文明生产试题,贯穿于整个技能考试中。
(4)技能试卷中各项技能考试时间均不包括准备时间,准备通知书中的考试时间也是如此。
在具体的考试中,各鉴定单位一定要把每一试题的考试准备的时间考虑进去。
(5)维修电工国家职业技能鉴定统一技能试卷每一道试题必须在规定的时间内完成,不得延时;在某一试题考试中节余的时间不能在另一试题考试中使用。
国家职业技能鉴定统一试卷高级维修电工技能考试组卷计划书(0903132-002)一、说明1.本试卷组卷目的是用于高级维修电工国家职业技能鉴定。
本试卷适用于使用电工工具和仪器、仪表,对设备电气部分(含机电一体化)进行安装、调试、维修的人员,本试卷所考核的内容无地域限制。
2.本试卷整卷试题(项目)共有4题,其中安装、改装、调试、试验技能1题,分析故障,检修及编写检修工艺技能1题, 工具、仪器、仪表的使用与维护技能1题,安全文明生产1题。
3.本试卷整体考核时间共计310分钟。
4.其它主要特点说明:(1)本试卷试题的考核要求、评分标准、配分、扣分、得分和现场记录均以表格的形式表示,各项试题配分累计为100分。
考件编号: 注 意 事 项 一、本试卷依据《维修电工 国家职业标准》命制; 二、本试卷试题如无特别注明,则为全国通用; 三、请考生仔细阅读试题的具体考核要求,并按要求完成操作或进行笔答或口答; 四、操作技能考核时要遵守考场纪律,服从考场管理人员指挥,以保证考核安全顺利进行。
试题:安装和调试三台三相异步交流电动机顺启逆停控制电路
考核要求: (1)装接前先要检查器件的好坏,核对元件数量和规格,如在调试中发现元器件损坏,则按损坏元器件扣分。
(2)在规定时间内,按图纸的要求进行正确、熟练地安装,正确连接仪器与仪表,能正确进行调试。
(3)正确使用工具和仪表,装接质量要可靠,装接技术要符合工艺要求。
(4)满分100分,考试时间60分钟。
考
生
答
题
不
准
超
过
此
线
考件编号:
实操评分标准及现场记录
考号:单位:姓名:得分:。