维修电工高级操作技能考核习题
- 格式:doc
- 大小:378.00 KB
- 文档页数:6
维修电工高级测试题(附答案)一、单选题(共44题,每题1分,共44分)1.他励直流电动机在所带负载不变的情况下稳定运行。
若此时增大电枢电路的电阻,待重新稳定运行时,电枢电流和电磁转矩( )。
A、增加B、不变C、一个增D、减少正确答案:B2.绝缘监视装置的作用是判别小电流接地系统的( )故障。
A、三相短路B、两相接地短路C、单相接地D、两相接地正确答案:C3.变频器中采用输入电抗器的主要目的不是为了( )。
A、改善功率因素B、减少高次谐波的不良影响C、实现变频器和电源的匹配D、降低电动机的运行噪音正确答案:D4.分相式单相异步电动机改变转向的方法是( )。
A、对调相线与零线B、两绕组首、末端同时对调C、无须对调D、对调两绕组之一的首、末端正确答案:D5.单相异步电动机根据启动方法不同可分为分相式电动机、罩极式电动机和( )电动机。
A、鼠笼式B、电容式C、串励式D、深槽式正确答案:B6.在三相四线制供电系统中,中性线是( )装熔断器的。
A、可以B、不可以D、必要时可以正确答案:B7.为满足变压器经济运行的目的,电力变压器正常使用时负荷率不应低于( )。
A、30%B、60%C、40%D、50%正确答案:A8.工作地点应悬挂的标示牌是( )。
A、“止步,高压危险!”B、“禁止合闸,有人工作!”C、“在此工作!”D、“禁止合闸,线路有人工作!”正确答案:C9.下列特点中,不属于采用强触发脉冲优点的是( )。
A、可以改变晶闸管的开通时间B、有利于改善串并联器件的动态均压和均流C、提高晶闸管的承受(di/dt)能力D、不可以改变晶闸管的开通时间正确答案:A10.增加测量次数,可以减少的误差是( )。
A、疏失误差B、系统误差C、偶然误差D、责任误差正确答案:C11.关于脚扣的使用,错误的说法是( )。
A、木杆脚扣可用于木杆登高B、水泥杆脚扣可用于水泥杆登高C、木杆脚扣可用于水泥杆登高D、水泥杆脚扣可用于木杆登高正确答案:C12.光电耦合电路的输入、输出具有很高的绝缘电阻,能承受( )V 以上的电压而不被击穿。
维修电工高级技师考试题库及答案一、选择题(每题2分,共40分)1. 以下哪种电气设备不属于维修电工高级技师的维修范围?A. 低压配电柜B. 高压变压器C. 电动机D. 电子仪器答案:B2. 下列哪种故障不属于维修电工高级技师的职责范围?A. 电气设备短路B. 电气设备漏电C. 电气设备损坏D. 水管爆裂答案:D3. 维修电工高级技师在维修过程中,以下哪项操作是错误的?A. 断开电源B. 使用绝缘工具C. 随意更改电气设备的接线方式D. 检查设备的绝缘电阻答案:C4. 以下哪个参数不是衡量电动机性能的重要指标?A. 额定功率B. 额定电压C. 额定转速D. 额定电流答案:D5. 在下列情况下,维修电工高级技师应采取哪种措施?A. 电气设备发生短路B. 电气设备过载C. 电气设备漏电D. A、B、C均正确答案:D6. 以下哪个部件是电力系统中用于补偿无功功率的?A. 电容器B. 电感器C. 变压器D. 电动机答案:A7. 以下哪种故障会导致电气设备无法启动?A. 电源故障B. 电动机损坏C. 控制电路故障D. A、B、C均正确答案:D8. 维修电工高级技师在检查电动机时,以下哪项操作是错误的?A. 检查电动机的绝缘电阻B. 检查电动机的接线盒C. 检查电动机的轴承D. 用手拨动电动机转子答案:D9. 以下哪种设备不属于维修电工高级技师的维修范围?A. 低压配电柜B. 高压开关柜C. 电缆D. 电子仪器答案:D10. 在下列情况下,维修电工高级技师应采取哪种措施?A. 电气设备发生短路B. 电气设备过载C. 电气设备漏电D. A、B、C均正确答案:D二、判断题(每题2分,共30分)1. 维修电工高级技师负责电气设备的安装、调试、维修和保养。
(正确)2. 维修电工高级技师在维修过程中,可以随意更改电气设备的接线方式。
(错误)3. 维修电工高级技师需要具备较强的理论知识,包括电路原理、电气设备原理等。
(正确)4. 维修电工高级技师在进行电气设备维修时,可以不佩戴安全帽、绝缘手套等防护用品。
高级维修工试题及答案1. 单选题:下列哪个选项是电动机的启动电流?A. 低于额定电流B. 等于额定电流C. 大于额定电流D. 远大于额定电流答案:C2. 判断题:在进行电气维修时,可以不关闭电源直接进行维修。
答案:错误3. 多选题:以下哪些工具是维修电工常用的?A. 螺丝刀B. 万用表C. 扳手D. 电烙铁答案:A、B、C、D4. 填空题:在进行电气设备维修时,应首先执行的操作是______。
答案:断开电源5. 简答题:请简述三相异步电动机的工作原理。
答案:三相异步电动机的工作原理是利用三相交流电流在定子绕组中产生的旋转磁场与转子绕组中的感应电流相互作用,产生电磁转矩,从而驱动转子旋转。
6. 计算题:一台三相异步电动机的额定功率为10kW,额定电压为380V,额定电流为20A,请计算其功率因数。
答案:功率因数 = 额定功率 / (额定电压 * 额定电流* √3) = 10,000 / (380 * 20 * √3) ≈ 0.927. 操作题:请描述如何使用万用表测量电阻值。
答案:首先将万用表调至电阻档,然后断开被测电阻的电源,将万用表的两个探头分别接触到电阻的两端,读取万用表上显示的电阻值。
8. 案例分析题:一台电动机在运行过程中突然停止,但电源指示灯仍然亮着,请分析可能的原因。
答案:可能的原因包括:电动机过载、电机内部短路、控制电路故障、接触器或继电器故障、热继电器动作等。
9. 论述题:论述在电气维修中,如何确保个人安全。
答案:确保个人安全的方法包括:穿戴适当的防护装备、使用绝缘工具、遵守操作规程、确保断电操作、使用个人防护设备如绝缘手套和护目镜、定期进行安全培训等。
10. 绘图题:请绘制一个简单的星-三角启动电路图。
答案:(此处应绘制电路图,但因文本限制无法展示)以上为高级维修工试题及答案的示例排版。
维修电工高级技师习题及答案单项选择题1.职业道德是指从事一定职业劳动的人们,在长期的职业活动中形成的( A )。
A、行为规范B、操作程序C、劳动技能D、思维习惯2.严格执行安全操作规程的目的是( C )。
A、限制工人的人身自由B、防止发生触电事故C、保证人身和设备的安全以及企业的正常生产D、增强领导的权威性3.使用电解电容时( B )。
A、负极接高电位,正极接低电位B、正极接高电位,负极接低电位C、负极接高电位,负极也可以接低电位D、不分正负极4.下列需要每半年做一次耐压试验的用具为( D )。
A、绝缘棒B、绝缘夹钳C、绝缘罩D、绝缘手套4.根据实物测绘电气控制电路图前要准备好绘图工具和纸张,首先绘制出各部分的草图,将几部分合并、整理、核实和(D )后,就得到了完整的线路图。
A、CAD 制图B、存档C、描图D、标准化5.市场经济条件下,职业道德最终将对企业起到( B )的作用。
A、决策科学化B、提高竞争力C、决定经济效益D、决定前途与命运6.作为一名工作认真负责的员工,应该是( B )。
A、领导说什么就做什么B、工作不分大小,都要认真去做C、面上的工作要做仔细一些,看不到的工作可以快一些D、领导亲自安排的工作认真做,其他工作可以马虎一点7.企业员工违反职业纪律,企业( D )。
A、不能做罚款处罚B、因员工受劳动合同保护,不能给予处分C、警告往往效果不大D、视情节轻重,做出恰当处分8.有关文明生产的说法, ( A )是不正确的。
A、为了及时下班,可以直接拉断电源总开关B、下班前搞好工作现场的环境卫生C、工具使用后应按规定放置到工具箱中D、电工一般不允许冒险带电作业9.在正弦交流电路中,电路的功率因数取决于( B )。
A、电路外加电压的大小B、电路各元件参数及电源频率C、电路流过电流的大小D、电路的连接形式10.盗窃电能的,由电力管理部门责令停止违法行为,追缴电费并处应交电费( C )以下的罚款。
A、一倍B、十倍C、五倍D、三倍11.绘制电气控制电路图时,强电和弱电可以分开画,( B )可以分开画,主电路和控制电路可以分开画。
考件编号:注 意 事 项 一、本试卷依据2001年颁布的《维修电工》国家职业标准命制。
二、请根据试题考核要求,完成考试内容。
三、请服从考评人员指挥,保证考核安全顺利进行。
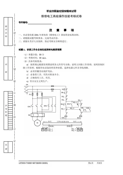
试题1、识读工作台自动往返控制电路原理图 (1)本题分值:50分 (2)考核时间:30 min 。
(3)具体考核要求: a) 按照规定根据原理图说明各元件符号名称;说明主回路工作原理;说明控制回路工作原理;根据用电设备的性质和容量,选择电器元件及导线规格。
b) 必须穿戴劳动保护用品。
c) 必备的工具、用具应准备齐全。
d) 正确使用工具、用具。
e) 符合安全文明生产。
考生答题不准超过此线考件编号:主回路工作原理一、正向启动:1、合上空气开关QS接通三相电源2、按下正向启动按钮SB1,KM1通电吸合并自锁,主触头闭合接通电动机,电动机这时的相序是L1、L2、L3,即正向运行。
考件编号:二、反向启动:1、合上空气开关QS接通三相电源2、按下反向启动按钮SB2,KM2通电吸合并通过辅助触点自锁,常开主触头闭合换接了电动机三相的电源相序,这时电动机的相序是L3、L2、L1,即反向运行。
控制回路工作原理先合上开关QS。
按下SB1,KM1线圈得电,KM1自锁触头闭合自锁,KM1主触头闭合,同时KM1联锁触头分断对KM2联锁,电动机M启动连续正转,工作台向左运动,移至限定位置时,挡铁1碰撞位置开关SQ1,SQ1-1常闭触头先分断,KM1线圈失电KM1自锁触头分断解除自锁,KM1主触头分断,KM1联锁触头恢复闭合解除联锁,电动机M失电停转,工作台停止左移,同时SQ1-2后闭合,使KM2自锁触头闭合自锁,KM2主触头闭合,同时KM2联锁触头分断对KM1联锁,电动机M启动连续反转,工作台右移(SQ1触头复位),移至限定位置时,挡铁2碰撞位置开关SQ2,SQ2-1先分断,KM2线圈失电,KM2自锁触头分断解除自锁,KM2主触头分断,KM2联锁触头恢复闭合解除联锁,电动机M失电停转,工作台停止左移,同时SQ2-2后闭合,使KM1自锁触头闭合自锁,KM1主触头闭合,同时KM1联锁触头分断对KM2联锁。
技能认证维修电工高级考试(习题卷27)第1部分:单项选择题,共60题,每题只有一个正确答案,多选或少选均不得分。
1.[单选题]641·在整流电路中,当工作电压超过每只二极管承受电压限度时,可以采用两个以上同型号二极管( )使用。
A)并联B)串联C)混联D)并联电阻答案:B解析:2.[单选题]同一走行线上的两台起重机同时作业时,一般相距间距应不小于( )。
A)1mB)2C)3mD)4m答案:C解析:3.[单选题]T68镗床进给电动机的 动由( )控制。
A)行程开关SQ7和SQ8B)按钮SB1~SB4C)时间继电器KTD)中间继电器KA1和KA2答案:A解析:4.[单选题]288·工厂变配电所对电气主接线的要求是( )、灵活性、操作方便、经济性。
A)可靠性B)便于巡视检查C)选择性D)扩展性答案:A解析:5.[单选题]741·压缩空气储罐若操作不当,有( )的可能。
为防止人员受到伤害,在没有收到指令的情况下,严禁任何人对其进行操作。
A)坍塌B)触电C)爆炸D)高出坠落答案:C解析:B)接地保护C)过载保护D)过电压保护答案:C解析:7.[单选题]表示编程语言的( )。
A)转换B)编译C)注释D)改写答案:A解析:8.[单选题]16·一台Y/dll连接组别的变压器,若改换并标定为Y/yn0连接,当原边仍施加原来额定电压,而副边仍输出原来的额定功率时,则副边电流将是原来额定电流的( )倍。
A)l/3B)l/√3C)lD)√3/2答案:B解析:9.[单选题]V带传动时,一般传动比( )。
A)i≤3B)i≤5C)i≤7D)i≤9答案:C解析:10.[单选题]用晶体管图示仪观察二极管正向特性时,应将( )。
A)X轴作用开关置于集电极电压,Y轴作用开关置于集电极电流B)X轴作用开关置于集电极电压,Y轴作用开关置于基极电流C)X轴作用开关置于基极电压,Y轴作用开关置于集电极电流D)X轴作用开关置于基极电压,Y轴作用开关置于集电极电流答案:A解析:11.[单选题]在三相半波可控整流电路中,当负载为电感性时,负载电感量越大,则( )A)输出电压越高B)输出电压越低C)导通角θ越小D)导通角θ越大答案:D解析:12.[单选题]雷电的危害主要包括( )D)选项A、B和C答案:D解析:13.[单选题]下列关于 PLC 编程软件安装方法的描述中,不正确的是( )A)安装选项中,所有选项都要打钩B)先安装通用环境,解压后,进入相应文件夹,点击安装C)在安装时,最好把其他应用程序关掉,包括杀毒软件D)安装前,请确定下载文件的大小及文件名称答案:A解析:14.[单选题]三相桥式可控整流电路电阻性负载,输出电流波形在控制角α>( )时出现断续。
维修电工培训考试题库(高级工)一、填空题1、开关电器中的灭弧罩,是采用绝缘栅片组成的灭弧栅,即是利用()灭弧法原理。
2、开关电器常利用()为灭弧介质,是因为:当触头间电弧产生于油中时,油被电弧热量分解成以氧气为主的气体,该气体能将电弧吹灭,故()为优良的灭弧介质。
3、迅速拉长电弧,可使弧隙的电场强度()降,离子负荷迅速(),从而加速电弧的熄灭。
这种灭弧方法是开关设备中普遍采用的最基本的一种灭弧法。
4、高压负荷开关虽有简单的灭弧装置,但它不能断开()电流,因此它必须与()来切断短路故障。
5、灭弧能力越强,越存在操作过电压。
真空断路器的灭弧能力很强,但由于其触头分断时,还存在热电子发射,从而形成金属蒸发电弧,并能在交流电流过零时熄灭,故真空断路器不存在()。
6、大容量真空断路器,为了提高开断能力,增强灭弧的效果和灭弧能力,一般在触头的周围装上旋弧盘或在电极上开以()槽,形成()及()的磁吹灭弧结构形式。
7、在采用真空断路器单独作为旋转电动机、干式变压器的保护开关时,都需要在断路器的负荷侧装设()保护装置。
8、真空断路器的真空开关管可长期使用而无需()维护。
9、分闸线圈的电源电压过低,往往使高压断路器发生()失灵的故障。
10、3~35Kv电压互感器高压熔断器熔丝熔断时,为防止继电器保护(),应先停止有关保护,再进行处理。
11、电压互感器一次熔丝连接熔断时,可更换()容量的熔丝。
12、电流互感器接线端子松动或回路断线造成开路,处理时应带()手套,使用()工具,并站在()垫上进行处理。
如消除不了,应停电处理。
13、更换电压互感器时,要核对二次电压()、()及计量表计的()。
当电压比改变时,应改变计量表计的()及继电保护定值。
14、35Kv变压器有载调压操作可能引起()保护动作。
15、并联电容器的运行电压超过其额定电压()倍时,或室内温度超过()o C时,都应将电容器停止运行。
16、并联电容器故障掉闸后,值班人员应检查电容器有无外部放电()、()、()、过热等现象。
维修电工高级考试试题库及答案1、下列金属及合金的熔点最低的是()。
A、铝B、铜C、纯铁D、锡答案:D2、20/5t桥式起重机通电调试前的绝缘检查,应用()兆欧表测量设备的绝缘电阻。
A、250VB、500VC、1000VD、2500V答案:B3、高频电源设备四周应铺一层宽lm、耐压()kV的绝缘橡胶板。
A、6.6B、10C、22D、35答案:D4、空间交错轴之间的运动转换,在要求大传动比的同时,又希望传动机构的结构紧凑,采用()传动机构则可以满足上述要求。
A、齿轮B、链C、带D、蜗杆答案:D5、20/5t桥式起重机的移动小车上装有主副卷扬机、小车前后运动电动机及()等。
A、小车左右运动电动机B、下降限位开关C、断路开关D、上升限位开关答案:D6、职业道德是人的事业成功的()。
A、重要保证B、最终结果C、决定条件D、显著标志答案:A7、直流电动机滚动轴承发热的主要原因有()等。
A、轴承磨损过大B、轴承变形C、电动机受潮D、电刷架位置不对答案:A8、X6132型万能铣床主轴停车时没有制动,若主轴电磁离合器YCl两端无直流电压,则检查熔断器()是否熔断。
A、FUlB、FU3C、FU4D、FU5答案:D9、在机床电气控制线路中用的变压器一般具有()作用。
A、升压、隔离B、降压、隔离C、电流变换D、电阻变换答案:B10、JWK一15T型机床数控系统调试的通电前检查内容包括:检查、确认变压器的()是否能满足控制单元和伺服系统的电能消耗。
A、功率B、效率C、容量D、电压答案:C11、爱岗敬业作为职业道德的重要内容,是指员工()。
A、热爱自己喜欢的岗位B、热爱有钱的岗位C、强化职业责任D、不应多转行答案:C12、数字式触发电路是为了提高触发脉冲的对称度而设计的,其不对称度不超过()。
A、±B、±C、±D、±答案:B13、MOSFET适用于()。
A、8~50KHzB、50~200KHzC、50~400KHzD、50~5MHz答案:C14、()适用于8~50kHz频率范围。
维修电工高级习题库+答案一、单选题(共70题,每题1分,共70分)1、JwK系列经济型数控机床通电试车不包含()内容。
A、接通强电柜交流电源B、手动操作C、直流电源的检查D、数控系统参数核对正确答案:C2、在MGBl420型万能磨床晶闸管直流调速系统控制回路的辅助环节中,由R29、()、R28组成电压负反馈电路。
A、R27B、R26C、R36D、R37正确答案:C3、下列故障原因中,()会导致直流电动机不能启动。
A、励磁回路电阻过大B、电动机过载C、电刷架位置不对D、电源电压过高正确答案:B4、20/5t桥式起重机安装前检查各电器是否良好,其中包括检查()、电磁制动器、凸轮控制器及其他控制部件。
A、时间继电器B、中间继电器C、电动机D、过电流继电器正确答案:C5、电动机润滑剂的作用是()。
A、降低轴承的工作温度B、降低摩擦力,减少磨损,还可以防锈蚀、降噪声、减振并利于散热C、降低轴承运行的速度D、提高电动机的工作速度正确答案:B6、交磁电机扩大机在运转前应空载研磨电刷接触面,使磨合部分(镜面)达到电刷整个工作面80%以上为止,通常需空转()。
A、1~2hB、2~3hC、0.5~1hD、4h正确答案:A7、直流单臂电桥适用于测量阻值为()的电阻。
A、10Ω~1MΩB、0.1Ω~1MΩC、1Ω~1MΩD、100Ω~1MΩ正确答案:C8、空间交错轴之间的运动转换,在要求大传动比的同时,又希望传动机构的结构紧凑,采用()传动机构则可以满足上述要求。
A、带B、齿轮C、链D、蜗杆正确答案:D9、由一组逻辑电路判断控制整流器触发脉冲通道的开放和封锁,这就构成了()可逆调速系统A、可控环流B、可控无环流C、逻辑环流D、逻辑无环流正确答案:D10、X6132A型万能铣床启动主轴时,先接通电源,再把换向开关SA3转到主轴所需的旋转方向,然后按启动按钮SB3或SB4接通接触器KMl,即可启动主轴电动机()。
A、MlB、M2C、M3D、M4正确答案:A11、下列电磁污染形式不属于人为的电磁污染的是()。
维修电工高级操作技能考核训练题试题1、继电—接触式控制线路的设计、安装与调试有一台生产设备用双速三相异步电动机拖动,双速三相异步电动机型号为YD123M-4/2,根据加工工艺要求电动机自动切换运转,并且具有过载保护、短路保护、失压保护和欠压保护,试设计出一个具有自动变速双速运转电气控制线路,并且进行安装与调试。
考核要求:(1)电路设计:根据提出的电气控制要求,正确绘出电路图。
按你所设计的电路图,提出主要材料单。
(2)元件安装:按所给的材料和图绘图纸的要求,正确利用工具和仪表,熟练地安装电气元件,元件在配线板上,布置要合理,安装要准确、紧固,按钮盒不固定在板上。
(3)布线:接线要求美观、紧固、无毛刺,导线要进行线槽。
电源和电动机配线、按钮接线要接到端子排上,进出线槽的导线要有端子标号,引出端要用别径压端子。
(4)通电试验:正确使用电工工具及万用表,进行仔细检查,最好通电试验一次成功,并注意人身和设备安全。
(5)满分40分,考试时间240分钟。
试题2、用双踪示波器测量交流信号的峰-峰值考核要求:(1)用双踪示波器测量由低频信号发生器发出的1000赫兹交流信号的峰—峰值。
(2)满分10分,考核时间20分钟。
否定项:损坏仪器、仪表,扣10分。
试题3、写出三相异步电动机的工作原理考核要求:(1)准备工作:教具、演示工具准备齐全。
A4纸一张。
(2)讲课:①主题明确、重点突出。
②语言清晰、自然,用词正确。
(3)满分10分,考核时间45分钟。
否定项:指导内容不正确或不能正确表达其内容,扣10分。
试题4、用PLC改造三相异步电动机星三角电路控制电路,并且进行安装与调试考核要求:(1)电路设计:根据给定的继电控制电路图,列出PLC控制I/O口(输入/输出)元件地址分配表,设计梯形图及PLC控制I/O口(输入/输出)接线图,根据梯形图,列出指令表。
(2)安装与接线:①按PLC控制I/O口(输入/输出)接线图在模拟配线板上正确安装,元件在配线板上布置要合理,安装要准确、紧固,配线导线要紧固、美观,导线要进行线槽,导线要有端子标号,引出端要用别径压端子。
技能认证维修电工高级考试(习题卷5)第1部分:单项选择题,共63题,每题只有一个正确答案,多选或少选均不得分。
1.[单选题]三相对称电路是指( )A)三相电源对称的电路B)三相负载对称的电路C)三相电源和三相负载都是对称的电路D)三相电源对称和三相负载阻抗相等的电路答案:C解析:2.[单选题]国家鼓励和支持利用可再生能源和( )发电。
A)磁场能B)机械能C)清洁能源D)化学能答案:C解析:3.[单选题]17·为了降低铁芯中的( ),叠片间要互相绝缘。
A)涡流损耗B)空载损耗C)短路损耗D)无功损耗答案:A解析:4.[单选题]390·一个人在无人监督的情况下,能够自觉按道德要求行事的修养境界是( )。
A)诚信B)仁义C)反思D)慎独答案:D解析:5.[单选题]电工高空作业必须要借助于专用的登高工具.正确选择登高工具,熟练掌握各种登高工具的使用方法,是确保电工安全作业的重要条件之一.常用的登高工具有( )。
A)梯子、腰带、脚扣B)腰带、保险绳、腰绳C)梯子、脚踏板、保险绳D)梯子、脚踏板、脚扣答案:D解析:答案:D解析:7.[单选题]电流型变频器中间直流环节采用( )。
A)高阻抗电感B)大电容C)阻容D)π型答案:A解析:8.[单选题]变频器按控制方式分为:U/F控制变频器;( );VC控制变频器、A)PAM变频器B)SF控制变频器C)PWM变频器D)交交变频器答案:B解析:9.[单选题]若在C.PU属性中将周期/时钟存储器的地址设为100字节,则M100.3所存储的时钟脉冲频率是( )。
A)1B)2C)5D)10答案:B解析:10.[单选题]单相可控整流电路调试中要注意输出、输入回路的( )变化是否对应、有无局部短路及发热现象。
A)电压B)电流C)触发电压D)关断时间答案:B解析:11.[单选题]电气设备的巡视一般应由( )进行。
A)1人B)2人C)3人D)4人答案:B解析:12.[单选题]起重作业时,遇到超过( )级以上的大风或大雨、大雪、大雾等恶劣天气时,应停止露天作业。
维修电工高级模考试题与参考答案一、单选题(共80题,每题1分,共80分)1、在以下FX2N PLC程序中,X0闭合后经过( )时间延时,Y0得电。
A、3000SB、300SC、30000SD、3100S正确答案:C2、欧陆514双闭环直流调速系统运行中,测速发电机反馈线松脱,系统会出现( )。
A、转速先升高后恢复正常B、转速迅速升高到最大、报警并跳闸C、转速保持不变D、转速迅速下降后停车、报警并跳闸正确答案:B3、测量电流时应将电流表( )电路。
A、并联接入B、并联接入或串联接入C、串联接入D、混联接入正确答案:C4、常见的电伤包括( )。
A、电弧烧伤B、电烙印C、皮肤金属化D、以上都是正确答案:D5、变频器轻载低频运行,启动时过电流报警。
此故障的原因可能是( )。
A、电动机故障B、电动机参数设置不当C、U/f比设置过高D、电动机容量小正确答案:C6、实际的直流测速发电机一定存在某种程度的非线性误差,CYD系列永磁式低速直流测速发电机的线性误差为( )。
A、1%~5%B、0.5%~1%C、0.1%~0.25%D、0.01%~0.1%正确答案:B7、由与非门组成的基本 RS触发器,当 RS为( )时,触发器处于不定状态。
A、00B、10C、11D、01正确答案:A8、控制电缆的布线应尽可能远离供电电源线,( )。
A、用屏蔽电缆且单独的走线槽B、用双绞线且汇入走线槽C、用平行电缆且单独的走线槽D、用屏蔽电缆且汇入走线槽正确答案:A9、单相桥式可控整流电路大电感负载有续流管的输出电压波形中,在控制角α=( )时,有输出电压的部分等于没有输出电压的部分。
A、90°B、120°C、150°D、180°正确答案:A10、处于截止状态的三极管,其工作状态为( )。
A、射结反偏,集电结正偏B、射结正偏,集电结正偏C、射结反偏,集电结反偏D、射结正偏,集电结反偏正确答案:C11、三相双三拍运行,转子齿数ZR=40的反应式步进电动机,转子以每拍( )的方式运转。
维修电工高级练习题与答案一、单选题(共40题,每题1分,共40分)1、单向晶闸管可靠导通后,降低控制极电流,晶闸管将( )。
A、永远导通B、关断C、视阳、阴极电压极性而定D、仍然导通正确答案:D2、下列不属于IGBT开关器件特点的是( )。
A、高电压,大电流B、开关频率高C、驱动电路简单D、驱动功率低正确答案:A3、下列特点中,不属于采用强触发脉冲优点的是( )。
A、可以改变晶闸管的开通时间B、有利于改善串并联器件的动态均压和均流C、提高晶闸管的承受(di/dt)能力D、不可以改变晶闸管的开通时间正确答案:A4、三相异步电动机的能耗制动是利用( )相配合完成的。
A、直流电源和转子回路电阻B、直流电源和定子回路电阻C、交流电源和定子回路电阻D、交流电源和转子回路电阻正确答案:B5、绝缘监视装置的作用是判别小电流接地系统的( )故障。
A、两相接地短路B、两相接地C、单相接地D、三相短路正确答案:C6、在直流电机中,电枢的作用是( )。
A、实现直流电能和机械能之间的转换B、将直流电流变为交流电流C、在气隙中产生主磁通D、将交流电变为直流电正确答案:A7、组合逻辑门电路在任意时刻的输出状态只取决于该时刻的( )。
A、输入状态B、电路状态C、电流大小D、电压高低正确答案:A8、测量电流互感器极性的目的是为了( )。
A、满足负载的要求B、检查电流互感器的质量C、保证外部接线正确D、提高保护装置动作的灵敏度正确答案:C9、近年来由于大容量晶闸管整流装置的大量应用,( )成为电网的一大“公害”。
A、低频谐波B、电压波形畸变C、高次谐波D、电网附加损耗增大正确答案:C10、( )输出型是利用继电器线圈与输出触点,将PLC内部电路与外部负载电路进行电气隔离。
A、继电器B、晶闸管C、晶体管D、单结晶体管正确答案:A11、测量接地装置的接地电阻采用( )仪表。
A、电桥B、绝缘电阻表C、电阻表D、接地摇表正确答案:D12、万用表可测量电阻范围是( )A、绝缘电阻;B、接地电阻;C、微小电阻D、一般电阻;正确答案:D13、可编程序控制器编程灵活性。
高级电工实操试题一、制作户内低压电缆终端头二、安装单相电度表三、高压柜验电、挂接地线四、测量10kv电力电缆绝缘电阻五:单股线与多股线的连接一:制作户内低压电缆终端头1、准备要求(1)材料准备2、操作考核规定及说明(1)操作程序说明:1)准备工作;2)剖削电缆绝缘层;3)制作电缆头并作绝缘处理;4)清理现场。
(2)考核规定说明:1)如操作违章或未按操作程序执行操作,将停止考核;2)考核采用百分制,考核项目得分按鉴定比重进行折算。
(3)考核方式说明:该项目为实际操作(过程型),考核过程按评分标准及操作过程进行评分。
(4)测量技能说明:本项目主要测量考生对制作低压电缆头的熟练程度。
3、考核时限(1)准备时间:1min(不计入考核时间)。
(2)正式操作时间15min。
(3)提前完成操作不加分,到时停止操作考核。
4、评分记录表试题名称:制作户内低压电缆终端头考核时间15min二:安装单相电度表1、准备要求(1)设备准备(2)材料准备(2(1)操作程序说明:1)安装电路;2)通电试验;3)清理现场;4)安全文明操作。
(2)考核规定说明:1)如操作违章或未按操作程序执行操作,将停止考核;2)考核采用百分制,考核项目得分按鉴定比重进行折算。
(3)考核方式说明:该项目为实际操作(结果型),考核过程按评分标准及操作过程进行评分。
(4)测量技能说明:本项目主要测量考生对安装单相电度表的熟练程度。
3、考核时限(1)准备时间:1min(不计入考核时间)。
(2)正式操作时间:15min。
(3)提前完成操作不加分,到时停止操作考核。
4、评分记录表附图单相电度表试题名称:安装单相电度表考核时间:15min三:高压柜验电、挂接地线1、准备要求(1)工具、仪器准备(1)操作程序说明:1)准备工作;;2)听指令检查验电器、接地线;3)开高压柜;4)验电;5)挂接地线;6)拆接地线;7)清理现场。
(2)考核规定说明:1)如操作违章或未按操作程序执行操作,将停止考核;2)考核采用百分制,考核项目得分按评定比重进行折算。
注 意 事 项 一、本试卷依据2009年颁布的《维修电工》国家职业标准命制。
二、请根据试题考核要求,完成考试内容。
三、请服从考评人员指挥,保证考核安全顺利进行。
试题1、PLC 控制三电机顺序启停的设计、安装与调试 考试时间:150分钟 考核方式:实操+笔试 本题分值:40分 具体考核要点:PLC 控制三电机顺序启停的设计、安装与调试 1、任务: 某一生产线的末端有一台三级皮带运输机,分别由M1、M2、M3三台电动机拖动,启动时要求按10s 的时间间隔,并按M1→M2→M3的顺序启动;停止时按15s 的时间间隔,并按M3→M2→M1的顺序停止。
皮带运输机的起动和停止分别由起动按钮和停止按钮来控制。
三级皮带运输机如下图所示。
M3M2M1.... 图 1.1.2-6 2、要求: ①工作方式设置:手动时要求按下手动启动按钮,做一次上述过程。
自动时要求按下自动按钮,能够重复循环上述过程。
②有必要的电气保护和互锁 笔试部分: (1)正确识读给定的电路图;写出下列图形文字符号的名称。
QS ( );FU1( );KM1( )。
(2)正确使用工具;简述螺丝刀使用注意事项。
(3)正确使用仪表;简述指针式万用表电阻挡的使用方法。
答:
考
生
答
题
不
准
超
过
此
线
(4)安全文明生产,标示牌是何种安全用具?
答:
操作部分:
(5)电路绘制:根据控制要求,在答题纸上正确设计PLC梯形图及按规范绘制PLC 控制I/O口(输入/输出)接线图。
(6)安装与接线:
按照电气安装规范
①将熔断器、接触器、继电器、PLC装在一块配线板上,而将方式转换开关、行程开关、按钮等装在另一块配线板上。
②按PLC控制I/O口(输入/输出)接线图在配线板上正确安装,元件在配线板上布置要合理,安装要准确、紧固,配线导线要紧固、美观,导线要垂直进行线槽,导线要有端子标号,引出端要用接线端头。
(7)正确地将所编程序输入PLC,按照被控设备的动作要求进行模拟操作调试,达到设计要求。
(8)通电试验:通电前正确使用电工工具及万用表,进行仔细检查。
笔答部分答题纸
1、PLC接线图
2、PLC梯形图
试题2、全数字直流调速装置外围电路故障维修
考试时间:60分钟
考核方式:实操+笔试
试卷抽取方式:由考生随机抽取故障序号
本题分值:30分
检修全数字直流调速装置外围电路故障,在其电气线路上,设隐蔽故障3处,其中主电路1处(如电源故障等),控制回路2处(如给定、速度反馈等),考场中各工位故障清单提供给考评员。
具体考核要点:全数字直流调速装置外围电路故障维修
图2.2.1-3
笔试部分:
(1)正确识读给定的电路图,简述A、B端子的作用。
答:
(2)简述螺丝刀使用注意事项。
答:
(3)正确使用仪表,简述功率表的使用方法。
答:
(4)安全文明生产,回答照明灯的电压为什么采用24V?
答:
操作部分:排除3处故障,主电路1处,控制回路2处。
(5)在不带电状态下查找故障点并在原理图上标注。
(6)排除故障,恢复电路功能。
试题3、数字秒表电路测试与维修
考试时间:60分钟
考核方式:实操+笔试
试卷抽取方式:由考生随机抽取故障序号
本题分值:30分
检修数字秒表电路故障,在其电路上,设隐蔽故障3处,其中电路1处(如焊接接触不良等),器件2处(如C1短路、IC2损坏等),考场中各工位故障清单提供给考评员。
具体考核要点:数字秒表电路测试与维修
图3.2.2-1
排除3处故障,线路故障1处,器件故障2处。
笔试部分:
(1)正确使用工具,简述剥线钳的使用方法。
答:
(2)正确使用仪表;简述万用表检测无标志二级管的方法。
答:
(3)安全文明生产,回答电气安全用具使用注意事项?
答:
操作部分:排除3处故障,其中线路故障1处,器件故障2处。
(4)在不带电状态下查找故障点并在原理图上标注。
(5)排除故障,恢复电路功能。
(6)通电运行,实现电路的各项功能。