园艺机械设备习题解答资料
- 格式:ppt
- 大小:689.00 KB
- 文档页数:42
园艺设施复习题答案复习题一答案一名词解释(15分)1设施园艺栽培学*:指在不适宜作物生长的季节或地区,利用特定的设施创造适宜作物生长发育的环境条件以求获得园艺产品。
又称“不时栽培”或“反季节栽培”、“错季栽培”等。
2**现代化温室:现代化温室主要指大型的(覆盖面积多为1hm2),环境基本不受自然气候的影响、可自动化调控、能全天候进行园艺作物生产的连接屋面温室,是园艺设施的最高级类型。
3**聚氯乙烯(PVC):普通聚氯乙烯薄膜是由聚氯乙烯树脂添加树脂或线型低密增塑剂经高温压延而成,比较厚,天蓝色。
4*园艺设施内的日温差:是指内最高温度与最低温度之差。
其最高温出现在午后14时左右,最低温度出现在日出前1小时。
5***风荷载:风吹到园艺设施上会产生一种压力,即为风荷载,也称为风压。
温室大棚向风面为正压;背风面为负压。
二填空题(20分)1**.中国花卉栽培的历史悠久,早在(2000多)年前汉高祖建造的“未央宫”中有温室殿用于陈列花卉。
南宋有(“堂花”)促成栽培技术。
我国花卉的现代设施栽培与蔬菜相比相对较晚,(20世纪80年代)才开始大面积种植。
2***(荷兰)号称“Greenhouse Kingdom”,是当今世界温室业最发达的国家之一。
3.***铺设砂田时底田要平整,并要做到(三犁三耙),选用含土少、色深、松散的适宜沙子和表面棱角少而圆滑、直径在8cm以下的卵石,沙、石比例以(6:4或5:5)为宜。
4***浮动覆盖主要形式有(露地浮动覆盖)、(小拱棚浮动覆盖)、(温室和大棚浮动覆盖)等三种。
浮动覆盖常用的覆盖材料主要有(不织布)、(遮阳网)等。
采用浮动覆盖可使温度提高(1~3℃)。
5**单位面积上苗床所铺设的电热线功率为(功率密度),总功率为(功率密度)与(苗床面积)的乘积。
6**创建园艺作物标准园的目标“三提高”:一是提高(新产品质量安全水平),二是提高(产业发展质量效益),三是提高(市场竞争力)。
填空题1 悬挂式机组的优点是机运性能高,结构简单,重量轻。
2.犁体曲面是由犁铧和犁构成的曲面,犁体的切土、碎土和翻土作用都是由该曲面来完成的。
3.圆盘式耕作机械中,偏角@的大小对圆盘的切土、碎土、堆土和翻土有重要影响,该角较大时,圆盘的翻土、碎土能力增强,耕锂亦较大,但牵引助力亦随之增大。
4.种子的流动性用种子的自然止角@来表示,该角越小,表示流动性越好。
5.播种机按机械结构及作业特征来分,主要有谷物条播机、中耕作物点播机两大类。
6 .涡流式喷头的结构特点是有一个诱导药液形成旋涡的液流。
常用的涡流式喷头有切向料孔式、涡流芯式、涡流片式和斜孔盘式等几种形式。
7.往复式切割器由往复运动的切割和固定不动的支承部分组成。
其传动机构按结构原理的不同,可分为曲柄连杆机构、摆环结构、行星齿轮结构等三种。
{8.链齿式拨禾器由带拨齿的链条组成,常见者有拨禾带、拨禾链、拨禾器等三种。
9.双带卧式割台中,禾秆的放铺角可看作是三个转角的合成,三个转角分别是@1台上转角、@2拖带转角和@3抛落转角。
10.谷物脱离穗轴的原理有打击、梳刷和揉搓及碾压等四种。
11、减少犁的牵引阻力的新原理和新方法有(选择耕期)、(在犁曲面上加润滑剂)、(减小摩擦力)、(正确装配零件)。
12、中耕机上锄铲的仿形机构有(平行四杆式)、(框架铰链式)、(双自由度式)。
13、喷施化学药剂的机械有(喷烟机械)、(喷粉机械)、(多功能药剂喷酒机械)以及(喷雾机械)等。
14、对于一种新的农业机械的开发,通常要经历以下的程序(可行性分析)、(确定具体的开发途径)、(部件试验研究)、(样机试制)、(样机性能试验)、(新产品的试验研究)。
15、收割谷物、牧草的切割器常见的有(往复式) 、(圆盘式) 、(甩刀式) 。
:16、稻麦脱粒装置通常利用以下几种原理(打击)、(梳刷)、(揉搓)、(搓擦)来使谷粒脱离穗轴。
17、对往复式切割器,当割刀进距增大时,空白区( 增加 ),重切区(减小 )。
2023年园林绿化作业人员《农机修理工》考试历年真题摘选附带答案第1卷一.全考点综合测验(共20题)1.【判断题】编制维修计划的原因之一,使维修人员的停工时间达到最小。
2.【单选题】曲轴磨床工作时,当自第一轴柄移向第二轴曲柄颈时,应回转横梁,将砂轮架()并将中心加移至第二曲柄颈。
A.左移B.右移C.推入D.退出3.【单选题】废气涡轮增压器按是否利用发动机排气管内废气的脉冲能量可分为: 恒压式、A.轴流式B.高压式C.混流式D.脉冲式4.【单选题】对于基本尺寸小于500毫米的配合,当公差等级小于1T8时,选择孔的公差等级比轴低()级。
A.一B.二C.三D.四5.【判断题】尺寸链的特性是不具有封闭性。
6.【单选题】液压泵盖端面磨损后,应该以()或研磨的方法正平。
B.铣削C.镀铬D.磨削7.【判断题】夹紧力作用的方向与夹角效果关系不大。
8.【单选题】立式金刚石镗床,应检查工作台在纵向移动时其工作面的A.水平B.垂直C.倾斜D.变形9.【判断题】以平面定位的元件,工件以平面做为定位基准,常把工件支承在定位元件上。
10.【判断题】劳动定额,是实行目标管理,推行经济责任制的最终数据。
11.【单选题】常用夹紧机构有斜楔加紧机构,()和定心加紧机构A.一般夹紧机构B.正心加紧机构C.偏信加紧机构D.三抓加紧机构12.【判断题】维修作业计划的编制,只要具有先进性,方能保证计划的落实。
13.【判断题】公差等级的选择必要时可考虑使用的要求。
14.【单选题】铸100焊条的特点之一是:易开裂,()冷焊。
A.最好B.不易C.可以D.必训15.【判断题】分臵式液压系统农具提升时抖动的原因之一,是油路轻微漏油。
16.【单选题】液压油泵齿轮的齿侧间隙超过()的允许值0.35mm时,应更换新品。
A.一般B.最小D.规定17.【单选题】分臵式液压系统农具降不下去的原因之一,是摆动杆()调整不当。
A.支点位臵B.长度C.距离D.紧度18.【单选题】晶体管调压器的适宜工作温度在()范围内。
园艺设施作业一1、设施园艺在农业生产的作用是什么答:设施园艺在农业生产的作用是在人为的设备条件下,调节土地和大气的环境条件栽培作物,无疑向耕地投入了较大的能量,必然带来高的生产能力;设施园艺不仅是一种最新能源的投入形态,而且是能够调节地上和地下部环境条件进行生产的,其本质是将农业从自然生态中脱离出来,产生更高的生产能力;2、我国设施农业面临的问题是什么答:设施农业数量较大,质量较差;设施种类齐全,内部功能较差;种植种类较多,栽培技术不规范;生产面积大,社会化服务体系与市场发育不健全;3、温室建设场地选择的基本条件是什么答:1为了多采光要选择南面开阔无遮阳的平坦矩形地块;2为了减少炎热和风压对结构的影响,要选择避风的地带;3温室和大棚主要是利用人工灌水,要选择靠近水源近,水源丰富,水质好的地方;水质不好不仅影响作物的生育,而且也影响锅炉的寿命;4要选择土质好,地下水位低,排水良好的地方;地下水位高,不仅影响作物的生育,还能造成高温条件,易使作物发病,也比利于建锅炉房;5为了使基础坚固,要选择地基土质坚实的地方;否则修建在地基土质软,即新填土的地方或沙丘地带,基础容易动摇下沉,须加大基础或加固地带面增加造价;6为了便于运输建造材料,应选离居民点,高压线,道路较近的地方;7温室和大棚地区的土壤水源空气如果受到污染,会给蔬菜生产带来很大危害,影响人民群众的健康;因此,在有污染的大工厂附近最好不要建造温室和大棚,特别是这些工厂的下风和河道下游处;若果这些厂对污水排出的有害气体进行了处理,那么依然可以建造温室和大棚;8在现代化大型温室和大棚的实际生产中常常需要用电,因此,应考虑电力供给,线路架设等问题,要力争进电方便,路线简捷,并能保证电力供应,在有条件的地方,可以准备两路电或自备一些发电设施,供临时应急使用;4、温室布局的基本要求是什么答:1集中管理连片配置;2因时因地,选择方位;3邻栋间隔,合理设计;4温室的出入口和畦的配置;5、试述温室和大棚设计的主要步骤;其主要作用是什么答:设计常包括结构计划结构计算,完成设计文件和进行工程造价计算等四个步骤;结构计划是按给定的条件对温室结构及形式等作初步选择工作;结构计算是根据民用与工业建筑规范进行的;设计文件包括设计图说明书和结构计算书等,是指导施工和签订施工合同的主要依据;一般把计算工程造价的工作叫做预算;6、试述温室的承重结构是怎样传递荷载的答温室的承重结构是由檩条屋架柱基础等部分组成;屋架承受风荷载雪荷载以及屋面材料的重量;屋架受力后,连同它本身自重把力传给柱子;最后由柱子再传给基础,由基础再传给地基;7、什么叫恒载和活载集中荷载和分布荷载答:恒载永久性荷载:指作用在结构上长期不变的荷载;活载可变性荷载:指作用在结构上可变的荷载;集中荷载:当横向荷载在梁上的分布范围远小于梁的长度时,便可简化为作用于一点的集中力;分布荷载:沿梁的全长或部分长度连续分布的横向荷载;8、温室和大棚的荷载组合有哪几种结构设计采用荷载组合的原则是什么答:温室塑料棚设计荷载的组合有以下几种情况:1恒载+雪载;2恒载+风载;3恒载+活载建筑物施工或维修时的吊重荷载;4恒载+作物吊重;结构设计采用荷载组合的原则是以上四种组合形式,应全部分别组合计算,然后取其最不利的情况进行设计;园艺设施作业二1、温室采暖有哪些方式各有何特点答:温室的采暖按热媒不同可分为:热水式采暖系统,热风采暖系统,电热采暖系统和其它型式采暖系统;热水式采暖系统特点:稳定均匀系统热惰性大,节能;热风式采暖系统特点:温度分布比较均匀,热惰性小,易于实现温度调节,设备投资少;电热采暖系统:投资低,2、影响温室通风量的因素有哪些答:室外风速风向通风窗位置通风窗面积及温室的室内外温差;3、温室降温方式依其利用的物理条件可分为哪几类各有何特点答:1加湿蒸发降温法采用室内喷雾喷水或设置蒸发器湿墙湿帘,通过水分蒸发“消除”大阳辐射热能;2遮光法在屋顶以一定间隔设置遮光被覆物,可减少太阳净辐射约50%,室内平均温度约降低2℃;3通风换气法利用换气扇等人工方法进行强制换气,降低温室内空气温度;4、试述设施内滴灌毛管与滴头有哪几种布置形式对于不同种类蔬菜应如何布置为最好答:有四种布置形式1单行毛管直线布置2单行毛管带环状管布置3双行毛管平行布置4单行毛管带微管布置根据不同蔬菜的需水特性,沿行向布置,需水量越多,布置点越多;5、试述对微灌灌水器的基本要求你认为应如何选用灌水器答:对灌水器的基本要求1灌水器要求的工作压力低,一般为30~150kPa3~15m工作水头;出水流量小;对于滴头,滴孔出水应呈滴水状,流量一般约为20~50L/h,常用的滴头出流量大约在50L/h左右;对于微喷头,应依栽种植物类别,要求雾化指标适当,出流量一般小于200L/h;2出水均匀而稳定;3抗堵塞抗老化性能好;4制造精度高;5结构简单,便于装卸;6坚固耐用,价格低廉;6、灌水方式有哪几类各有何优缺点论述各种灌水方法的适用范围;答:分为全面灌溉与局部灌溉两大类;一全面灌溉灌溉时湿润整个农田根系活动层的土壤,传统的常规灌水方法都属于这一类;比较适合于密植作物;主要有地面灌溉和喷灌两类;1地面灌溉灌溉水从地表面进入田间并借重力和毛细管作用浸润土壤,所以也称重力灌水法,是最古老的也是目前应用最广泛最主要的一种灌水方法;按其湿润土壤的方式不同,又可分为畦灌沟灌和淹灌;2喷灌是利用专门设备将有压力的水输送到灌溉地段,并喷射到空中分散成细小的水滴,象天然降雨一样进行灌溉;其突出优点是对地形的适应性强,机械化程度高,灌水均匀,灌溉水利用系数高,尤其适合于透水性强的土壤,并可调节空气湿度和温度;但基建投资较高,而且受风的影响大;二局部灌溉这类灌溉方法的特点是灌溉时只湿润植物周围的土壤,远离植物根部的行间或棵间的土壤仍保持干燥;一般灌溉流量都比全面灌溉小得多,因此又称微量灌溉,简称微灌;其主要优点是:灌水均匀,节约能量,灌水流量小;对土壤和地形的适应性强;能提高作物产量,增强耐盐能力;便于自动控制,明显节省劳力;比较适合于灌溉宽行距作物果树葡萄瓜类等;局部灌溉或微灌主要有以下五类;1渗灌;2滴灌;3微喷灌;4涌泉灌;5膜上灌等;上述灌水方法各有优缺点,都有其一定的适用范围,在选择时主要应考虑植物地形土壤和水源等条件;对于水源缺乏地区应优先采用滴灌渗灌微喷灌和喷灌;在地形坡度较陡而且地形复杂的地区以及土壤透水性大的地区,应考虑采用喷灌;对于宽行距植物可用沟灌;密植植物则以采用畦灌为宜;果树和瓜类等可用滴灌;水稻水生植物主要用淹灌;在地形平坦,土壤透水性不大的地方,为了节约投资,可考虑用畦灌沟灌或淹灌;7、试述压力罐的工作原理及其适用条件答:压力罐俗称无塔供水器,主要由电机水泵密封压力钢罐电接点压力表继电器磁力起动器或交流接触器等部件组成;保护地蔬菜种植品种繁多,需水规律和施肥的规律各异,因而供水的时间和流量是随时变化的;为了便于管理,很多集中供水的农业设施和保护地都采用压力罐;压力罐的原理是利用罐内空气的可压缩性来贮存和调节配水;压力罐安装在泵和管网之间,水泵启动后,即向管网供水,而一部分多余的水则贮存到压力罐内,使罐内空气压缩,水位上升,罐内的压力随之上升;当罐内压力达到上限值时最高水位,电触点压力表接触上限触点,发出信号,切断电源停泵,这时罐内的压缩空气将罐内的水压入管网继续供水,当罐内的压力下降至下限压力值时,电触点压力表接触下限触点,水泵重新启动;正常情况下,水泵可在无人控制情况下工作,保证管网连续供水;8、微灌系统有哪几种类型试述各种类型微灌系统的特点答:微灌主要有以下五类;1渗灌渗灌是利用修筑在地下的专门设施地下管道系统将灌溉水引入田问耕作层借毛细管作用自上而下湿润土壤,所以又称地下灌溉;近年来也有在地表下埋设塑料管,由专门的渗头向植物根区渗水;其优点是灌水质量好,蒸发损失少,少占耕地便于机耕,但地表湿润差,地下管道造价高,容易淤塞,检修困难;2滴灌滴灌由地下灌溉发展而来,是利用一套塑料管道系统将水直接输送到每棵植物的根部,水由每个滴头直接滴在根部上的地表,然后渗人土壤并浸润作物根系最发达的区域;其突出优点是非常省水,自动化程度高,可以使土壤湿度始终保持在最优状态;但需要大量塑料管,投资较高,滴头极易堵塞;把滴灌毛管布置在地膜的下面,可基本上避免地面无效蒸发,称之为膜下滴灌;3微喷灌微喷灌又称微型喷灌;微喷灌是用很小的喷头微喷头将水喷洒在土壤表面;微喷头的工作压力与滴头大致相同,但喷洒孔l:I稍大,出流流速比滴头大,所以堵塞的可能性大大减小;4涌泉灌,是通过置于植物根部附近开izl的小管向上涌出的/J-,水流或小涌泉将水灌到土壤表面;灌水流量较大但一般也不大于220L/h,远远超过土壤的渗吸速度,因此通常需要在地表形成小水洼以控制水量的分布;适用于地形平坦的地区,其特点是工作压力很低,与低压管道输水的地面灌溉相近,出流孔El较大,不易堵塞;5膜上灌膜上灌是近几年我国新疆试验研究的灌水方法,它是将灌溉水在地膜表面的凹形沟内借助重力流动,并从膜上的出苗孔渗人土壤进行灌溉;膜上灌地膜减少了渗漏损失,又可减少地面无效蒸发;园艺设施作业三1、为什么要在温室内施用CO2气肥答:1解决温室内二氧化碳不足的问题,尤其是二氧化碳饥饿状态对作物生长发育影响的问题; 2供给作物最适宜的二氧化碳含量,以便获得高产优质;2、哪几种C02施肥方式简便易行答:施用二氧化碳气体主要有直接利用液化二氧化碳气的方式和燃烧白灯油丙烷气或利用化学反应法而产生的二氧化碳气体等方式;3、从安全角度出发,用电设备的供电电压选择原则是什么答:1在无危险的场所,固定安装的单相用电设备,选用对地不大于250伏的电压供电;三相用电设备选用线电压为380伏以下的电压供电;2在较危险和特别危险的场所,当用电设备安装高度距地面小于24米时,应采用难以触及用电器的保防护装置,或选用低于36伏的供电电压;3在特殊的环境下,如工作面狭窄,工作者要与大块金属接触,环境潮湿等,移动式用电设备应采用不超过36伏,甚至不超过12伏的供电电压4、现代大型温室的配电电压有哪几种类型各有何有缺点答:温室内配电的电压主要有两种:1交流220伏单相制:一般小型电气设备不多温室,可采用220伏单相交流供电制;它由室外供电线路中的一根相线俗称火线和一根中线俗称零线组成,各个用电设备额定电压为220伏并联接在两根配电线路上;2380/220伏三相四线制:就我国情况,380/220伏的三相四线制电压系统是工农业生产生活中应用最为广泛的,它以其能保证功率损耗少,照明负荷和电力负荷用三相电有可能实行混合配电及导线与大地间的电压为220伏等缘故,而能满足低压配电的一切基本要求,故定为我国低压配电的基本电压;单相用电设备平均地分接在一根相线和中线间,承受220伏的电压;三相动力负荷接在三根相线上,承受380伏的线电压;这样配电制,当三相负荷均衡时称为对称,中线内将无电流,使线路功耗很小;所以在配线设计时应在尽可能的范围内,保持各相负载对称;5、选用光源时,应综合考虑的因素是什么答:光源的选用,应综合考虑的因素是不同类的光源,其初装费使用寿命光效光谱特性可用能量等均不相同,选用时应综合考虑;一般而言,光效高的光源,初装费较高,但经多年运行后,其年均费用却比较低,这是因为光源的光效愈高,相同的照度水平消耗的电能愈小,综合经济效益就愈高;因此,对于长期运行的光源,应选取光效高者为宜;6、说明碘钨灯充碘的目的及如何安装碘钨灯管才能延长它的使用寿命答:充碘的目的是利用碘循环而提高发光效率和延长灯丝寿命;安装碘钨灯时,必须把灯管装得与地面平行,一般要求倾斜度不大于4度此外,碘钨灯工作时,灯管的温度很高,管壁可高达500~700℃,因此,灯管必须安装在专用的有隔热装置的金属灯架上,切不可安装在非专用的,易燃材料制成的灯架上;同时,灯架也不可贴装在建筑面上,以免因散热不畅而影响灯管寿命;7、简述人工补光光源的主要类型及其性能特点答:人工补光光源的主要类型有白炽灯碘钨灯萤光灯利用气体放电发光原理制成的气体放电灯等,白炽灯的光谱是连续光谱,能量主要是红外线辐射占总能量的80“90%,生理辐射只占总辐射能的10~20%,其中主要是橙红光,蓝紫光很少,几乎无紫外线;萤光灯发光光谱主要集中在可见光区域,其成份一般为蓝紫光16126黄绿光393%红橙光446%;萤光灯光谱可通过改变萤光粉成份,以获得所需要的光谱,如用于育苗的萤光灯,需加强蓝色和红色部分;碘钨灯功率大,发光效率高,为20~30流明/瓦,构造简单,使用可靠,体积小,装修方便,故障少,寿命长;为温室常用光源之一;利用气体放电发光原理制成的灯就叫气体放电灯;主要有水银灯汞灯钠灯氙灯金属卤化物灯生物效应灯等;8、温室自动调控系统的功能通常主要包括哪些答:调控系统的功能应包括如下几个方面:1保温控制:被检测的因子是室内温度室外太阳能辐射量保温幕上部气温室外气温室内外湿度;当超过或低于设给定值时,保温幕启闭装置便自动投入工作;2换气检制:被检测的因子是室内温度和室外太阳辐射量,室外气温风向和风速降雨和降雪量;当超过或低于设定值时,天窗侧窗通风扇等拖动电动机启动工作;3加温控制:被检测因子是室内温度室外气温室内外大气湿度;当超过或低于设定值时,加温设施动作或停止;4遮光控制:被检测因子是室外太阳辐射能室内温度;按设定值控制遮光幕电动机动作;5C02施用控制:检测因子为室内C02浓度;按设定值控制C02发生器的C02施放量;6降温控制:检测因子为室内温度和湿度;按设定值控制喷雾雾化喷嘴的开度或湿帘抽风机的启动或停止;7警报系统控制:当各被控因子的设定值发生异常变化时,保温换风加温传感器调节器等工作异常时,停电或过载和欠压时等,警报灯警铃应发出报警信号;8记录显示和打印功能:按需要检测记录耗电量工作时间耗水量燃料耗量以及其它各种物理因子的当前值和累计值,并可打印输出;9、温室综合调控的控制方案有哪几类各有什么特点答:温室综合调控系统从控制方案上可分为两大类:一类是根据作物最适的生长发育环境条件调控室内各个环境因子如温度湿度光照C02气肥浓度等;二类是事先把农作物生长发育各阶段所需的最适环境因子THLC02等作为“文件”贮存起来,在运行时把各种检测传感器所提供的环境因子的实际信息与设定值相比较,得出相应的偏差值,去命令相应的执行机构动作,调节实际环境的诸因子,以满足作物生长发育的需求;园艺设施作业四1、PE膜根据功能不同可分为哪些类型各有什么用途答:聚乙烯PE棚膜:聚乙烯棚膜是聚乙烯树脂经挤出吹塑成膜;质地轻柔软易造型透光性好无毒,适于作各种棚膜地膜,是我国当前主要的农膜品种;其缺点是:耐候性差,保温性差,不易粘接;如果生产大棚薄膜必须加入耐老剂无滴剂保温剂等添加剂改性,才能适合生产的要求;目前PE的主要原料是高压聚乙烯LDPE和线性低密度聚乙烯L-LDPE等;主要产品有:1普通PE棚膜:它是不加耐老化助剂等功能性助剂所生产的“白膜”,目前在大棚和中小拱棚上应用仍占有较大比例,一般在春秋季扣棚,使用期4~6个月;普通PE棚膜仅可种植1茬作物,目前已逐步被淘汰;2PE防老化膜:在PE树脂中加入防老化助剂,如GW-540,经吹塑成膜;厚度008~012mm;使用期12~18个月,可用于2~3茬作物栽培,不仅可延长使用期,降低成本,节省能源,而且使产量产值大幅度增加,是目前设施栽培中重点推广的农膜品种;3PE耐老化无滴膜双防农膜:是在PE树脂中加入防老化剂和流滴剂等功能助剂,通过三层共挤加工工艺生产的农膜,同时具有流滴性耐候性透光性增温性防雾滴效果可保持2~4个月,耐老化寿命达12~18个月,是目前性能安全适应性较广的农膜品种,不仅对大中小棚而且对节能型日光温室早春茬栽培也较为适应;4PE保温箱:在PE树脂中加入无机保温剂经吹塑成膜;这种覆盖材料能阻止远红外线向大气中的长波辐射,可提高保温效果1~2℃,在寒冷地区应用效果好;5PE多功能复合膜:是在PE树脂中加入耐老化剂保温剂流滴剂等多种功能性助剂,通过三层共剂加工生产的多功能复合膜,具有无滴保温耐候等多种功能,有的可阻隔紫外光,抑制菌核病子囊盘和灰霉菌分生孢子的形成,对于防治茄子和黄瓜的菌核病黄瓜灰霉病都有明显效果,使用期可达12~18个月;2、如何根据用途选择合适的农膜答:1根据农膜的性质选择;2根据栽培季节与目地选择;3根据特殊生产要求选择;3、槽培结构组成规格是什么答:槽培所用的培养槽可分为永久性的水泥槽半永久性的木板槽砖槽竹板槽等,以固定基质栽培作物,为防止营养液向外泄漏,其下方应垫敷1~2层塑料薄膜,栽培槽一般长20~30m,宽48cm,深15~20cm;槽的坡度最小应为04%,槽内铺放基质,布设滴灌软管,栽植2行作物,营养液由水泵自贮液池中提出,通过干管支管及滴灌软管灌滴于作物根际刚近,也可用贮液池与根际部位的落差自动供液,营养液不回收,属开放式供液法;4、有机型无土栽培与常规基质栽培有什么区别答:第一,由于采用了有机固态肥料,取代了纯化肥配制的营养液肥,因而能全面而充分地满足作物对多种营养元素的需求;第二,省略了营养液检测调试补充等烦琐的技术环节,使有基质无土栽培技术简单化省力化,提高了可操作性,更利于普及推广;第三,不仅可以明显降低一次性设施设备的投入,而且使运作投入也明显降低,其肥料费用可降低60%~80%;第四,因系有机栽培,生产产品为自然食品,洁净卫生,可达到农业部绿色食品发展中心规定的绿色食品标淮产品按程序申报并经检定确认,生产过程中不会对生态环境造成污染;5、NFT与DFT两者有什么差异性答:DFT与NFT水耕装置的不同点是:流动的营养液层深度5~10cm,植物的根系大部分可浸入营养液中,吸收营养和氧气,同时装置可向营养液中补充氧气;6、有机生态型无土栽培管理中水肥是如何管理的答:为确保有机生态型无土栽培生育期中能处在最佳的养分供给状态,可于前茬收获后或者后茬定植前,向槽内基质施入基础肥料,追肥次数根据生育期和作物生育状况而定;水分管理上要根据作物的种类确定灌水定额,再根据不同生育阶段基质的含水量,确定灌水量和灌水次数;7、无土栽培的意义及优点是什么答:意义:1在没有可能进行土壤栽培的情况下,作为一种适宜的设施栽培,而有效地发挥其优点;2同时作为一种省力的可能设施;3可作为避免连作障碍的设施而得到发展;优点:1产量高,2产品质量好,营养价值高,3节省水分,4节约养分,5清洁卫生,可生产保健食品,6劳动强度小,7可作为科研者的研究手段,8有利于蔬菜进行工业化生产;。
园艺设施复习题答案复习题一答案一名词解释(15分)1设施园艺栽培学*:指在不适宜作物生长的季节或地区,利用特定的设施创造适宜作物生长发育的环境条件以求获得园艺产品。
又称“不时栽培”或“反季节栽培”、“错季栽培”等。
2**现代化温室:现代化温室主要指大型的(覆盖面积多为1hm2),环境基本不受自然气候的影响、可自动化调控、能全天候进行园艺作物生产的连接屋面温室,是园艺设施的最高级类型。
3**聚氯乙烯(PVC):普通聚氯乙烯薄膜是由聚氯乙烯树脂添加树脂或线型低密增塑剂经高温压延而成,比较厚,天蓝色。
4*园艺设施内的日温差:是指内最高温度与最低温度之差。
其最高温出现在午后14时左右,最低温度出现在日出前1小时。
5***风荷载:风吹到园艺设施上会产生一种压力,即为风荷载,也称为风压。
温室大棚向风面为正压;背风面为负压。
二填空题(20分)1**.中国花卉栽培的历史悠久,早在(2000多)年前汉高祖建造的“未央宫”中有温室殿用于陈列花卉。
南宋有(“堂花”)促成栽培技术。
我国花卉的现代设施栽培与蔬菜相比相对较晚,(20世纪80年代)才开始大面积种植。
2***(荷兰)号称“Greenhouse Kingdom”,是当今世界温室业最发达的国家之一。
3.***铺设砂田时底田要平整,并要做到(三犁三耙),选用含土少、色深、松散的适宜沙子和表面棱角少而圆滑、直径在8cm以下的卵石,沙、石比例以(6:4或5:5)为宜。
4***浮动覆盖主要形式有(露地浮动覆盖)、(小拱棚浮动覆盖)、(温室和大棚浮动覆盖)等三种。
浮动覆盖常用的覆盖材料主要有(不织布)、(遮阳网)等。
采用浮动覆盖可使温度提高(1~3℃)。
5**单位面积上苗床所铺设的电热线功率为(功率密度),总功率为(功率密度)与(苗床面积)的乘积。
6**创建园艺作物标准园的目标“三提高”:一是提高(新产品质量安全水平),二是提高(产业发展质量效益),三是提高(市场竞争力)。
园艺设施课程作业及参考答案精选文档TTMS system office room 【TTMS16H-TTMS2A-TTMS8Q8-园艺设施作业一1、设施园艺在农业生产的作用是什么?答:设施园艺在农业生产的作用是在人为的设备条件下,调节土地和大气的环境条件栽培作物,无疑向耕地投入了较大的能量,必然带来高的生产能力。
设施园艺不仅是一种最新能源的投入形态,而且是能够调节地上和地下部环境条件进行生产的,其本质是将农业从自然生态中脱离出来,产生更高的生产能力。
2、我国设施农业面临的问题是什么?答:设施农业数量较大,质量较差;设施种类齐全,内部功能较差;种植种类较多,栽培技术不规范;生产面积大,社会化服务体系与市场发育不健全。
3、温室建设场地选择的基本条件是什么?答:(1)为了多采光要选择南面开阔无遮阳的平坦矩形地块。
(2)为了减少炎热和风压对结构的影响,要选择避风的地带。
(3)温室和大棚主要是利用人工灌水,要选择靠近水源近,水源丰富,水质好的地方。
水质不好不仅影响作物的生育,而且也影响锅炉的寿命。
(4)要选择土质好,地下水位低,排水良好的地方。
地下水位高,不仅影响作物的生育,还能造成高温条件,易使作物发病,也比利于建锅炉房。
(5)为了使基础坚固,要选择地基土质坚实的地方。
否则修建在地基土质软,即新填土的地方或沙丘地带,基础容易动摇下沉,须加大基础或加固地带面增加造价。
(6)为了便于运输建造材料,应选离居民点,高压线,道路较近的地方。
(7)温室和大棚地区的土壤水源空气如果受到污染,会给蔬菜生产带来很大危害,影响人民群众的健康。
因此,在有污染的大工厂附近最好不要建造温室和大棚,特别是这些工厂的下风和河道下游处。
若果这些厂对污水排出的有害气体进行了处理,那么依然可以建造温室和大棚。
(8)在现代化大型温室和大棚的实际生产中常常需要用电,因此,应考虑电力供给,线路架设等问题,要力争进电方便,路线简捷,并能保证电力供应,在有条件的地方,可以准备两路电或自备一些发电设施,供临时应急使用。
《农业机械》习题集第一章耕地机械一、单项选择题:1、三角形犁铧的特点是()A、不带刃口B、有三个刃口C、有两个刃口D、只有一个刃口2、犁壁按结构可分为多种类型,其中组合式是为了()A、降低犁的工作阻力B、提高犁壁的刚度C、便于安装D、降低使用成本3、悬挂犁的耕幅调整是通过转动悬挂轴而实现的,悬挂轴的形式是()A、偏心曲拐式B、偏心式C、偏心转轴式D、曲拐式4、使用小前犁主要是为了提高主犁体的()A、碎土质量B、覆盖质量C、耕深稳定性能D、耕宽稳定性能5、使用铧式犁开荒时应采用()A、窜垡型犁体B、通用型犁体C、翻垡型犁体D、滚窜结合型犁体6、栅条式犁壁适用于耕()A、粘性土壤B、中性土壤C、沙性土壤D、荒地7、在工作状态时,牵引犁的尾轮()A、与地轮机构不联动B、仅与地轮机构联动C、仅与沟轮机构联动D、与地轮机构和沟轮机构联动8、采用高度机构调节法的铧式犁,其耕深由()A、限深轮控制B、耕深调节手柄控制C、液压系统自动控制D、限深轮和液压系统共同控制9、悬挂犁耕幅调整的目的是为了()A、稳定耕幅B、增加耕幅C、减少耕幅D、保护沟壁10、切削过程有利于切断杂草的旋耕机是()A、弯刀B、直角刀C、刚性凿形刀D、弹性凿形刀11、犁侧板的主要作用是()A、降低犁耕阻力B、提高犁体刚性C、平衡犁体工作时产生的侧压力D、平衡犁体工作时产生的垂直压力12、采用万向节传动的旋耕机,万向节的倾角应()A、小于30度B、大于30度C、大于45度D、大于60度13、国产轮式拖拉机与悬挂犁的联接采用()A、一点悬挂机构B、二点悬挂机构C、三点悬挂机构D、四点悬挂机构14、对于由三个翻垡型犁体构成的三铧犁,如果需要加长犁侧板,则一般是加长()A、最前一个犁体的犁侧板B、前面两个犁体的犁侧板C、中间一个犁体的犁侧板D、最后一个犁体的犁侧板15、国产手扶拖拉机与旋耕机的联接方式是()A、直联式B、悬挂式C、半悬挂式D、牵引式、二、填空题:1、刀有直犁刀和圆犁刀两类。
机械制造与自动化专业技能考试大纲
一、钳工常用设备及工量具识别(满分20分)
常用设备类:台虎钳,钳台,砂轮机,钻床
常用工具类:划针,划针盘,划规(圆规),中心冲(样冲);
錾削用手锤,錾子,锉刀,锯弓和锯条,麻花钻,丝锥和板牙,各种扳手和螺丝刀。
常用量具类:钢尺,游标卡尺,千分尺,直角尺,百分表,厚薄规,量角器。
二、CA6140车床结构认知与使用(满分30分)
(1)了解CA6140车床基本构造及各部分作用(10分);
(2)能够正确安装工件(5分);
(3)能够正确安装刀具(5分);
(3)能够正确对刀(5分);
(4)45度车刀,直角刀,切断刀,外螺纹刀认知。
(5分)
三、零件测量(满分10分)
(1)使用游标卡尺读取零件的直径,长度,宽度(5)
(2)使用百分表读取零件的直径(5)
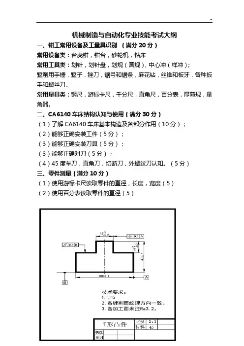
四、T型凸件识读和制作(满分40分)与第五题任选其一(1)能够认识并说明T型凸件图尺寸和各符号含义。
(基本尺寸,偏差,公差,基准,技术要求等)(2)完成T型凸件尺寸的制作(划线操作,锯削方法等)五、阶梯轴识读和制作(满分40分)与第四题任选其一(1)能够认识并说明阶梯轴零件图尺寸和各符号含义。
(基本尺寸,偏差,公差,基准,技术要求等)(2)完成阶梯轴零件的制作。
农机类试题及答案一、单项选择题(每题2分,共10分)1. 拖拉机的传动方式主要有哪两种?A. 齿轮传动和链传动B. 液压传动和机械传动C. 皮带传动和齿轮传动D. 液压传动和皮带传动答案:B2. 下列哪种不是农业机械的分类?A. 耕作机械B. 收割机械C. 运输机械D. 建筑机械答案:D3. 农业机械化对农业生产的影响主要体现在哪些方面?A. 提高劳动效率B. 降低劳动强度C. 提高作物产量D. 以上都是答案:D4. 农业机械中,哪种类型的机械是用于作物收获的?A. 播种机B. 收割机C. 拖拉机D. 喷雾机答案:B5. 农业机械化发展的主要目的是什么?A. 减少人工成本B. 提高作物产量C. 改善农民生活水平D. 促进农业现代化答案:D二、多项选择题(每题3分,共15分)1. 农业机械化的主要优点包括哪些?A. 提高作业效率B. 减少作业成本C. 减少作业时间D. 提高作物品质答案:ABCD2. 农业机械的维护保养包括哪些方面?A. 清洁B. 润滑C. 检查D. 修理答案:ABCD3. 下列哪些因素会影响农业机械的性能?A. 机械设计B. 操作人员的技能C. 机械材料D. 使用环境答案:ABCD4. 农业机械化发展面临的主要挑战有哪些?A. 技术更新换代B. 资金投入C. 农民培训D. 政策支持答案:ABCD5. 农业机械化对环境的影响主要表现在哪些方面?A. 减少土壤侵蚀B. 提高土地利用率C. 减少农药使用D. 增加能源消耗答案:ABC三、判断题(每题2分,共10分)1. 农业机械化可以完全替代人工劳动。
(×)2. 农业机械化可以提高作物的产量和质量。
(√)3. 农业机械化只适用于大规模农场。
(×)4. 使用农业机械可以减少农药和化肥的使用。
(√)5. 农业机械化对环境没有任何负面影响。
(×)四、简答题(每题5分,共20分)1. 简述农业机械化在现代农业生产中的作用。
设施一、填空1、温室按透光材料分为哪几类玻璃温室,塑料温室,硬质塑料板温室.2、温床有哪几个类型酿热温床、电热温床、火炕温床和太阳能温床3、阳畦的类型:抢阳畦和槽子畦4、河南目前冬春生产时保温措施有哪些塑料大棚、日光温室5、设施通风方式:自然通风、强制通风6、夏季保护设施:遮阳网、防雨棚、防虫网7、哪种条件下会加剧病虫害的传播:高温高湿 8、阳畦由哪几部分构成:风障、畦框、覆盖物9、塑料大棚按棚顶形状分为哪几类拱圆形和屋脊形 10、完全风障由哪几部分构成篱笆,披风、土背11、塑料大棚按连接方式分为哪几类单栋大棚、双连栋大棚及多连栋大棚12、塑料大棚按照骨架材料分为哪几类竹木结构、钢架混凝土柱结构、钢架结构、钢竹混合结构等.13、荫棚分类:临时性荫棚,永久性荫棚. 14、地膜覆盖方式:平畦,高畦,高垄沟畦15、我国第一栋现代化连栋温室的出现时间、地点:1977年中国第一栋现代化连栋加温温室在北京市玉渊潭公社建成16、我国第一栋塑料大棚的时间地点 1965年吉林省长春市英俊乡创建了我国第一座竹木骨架的塑料薄膜大棚.17、温室的演化和发展:原始型、温室型、改良型、发展型、现代型18、温室按照透明屋面分为:单屋面温室、双屋面温室、拱圆屋面温室、连接屋面温室、多角屋面温室 .单屋面形式分为:单屋面玻璃温室、单屋面塑料薄膜温室 .双屋面温室可分为:硬质塑料板材温室、塑料薄膜温室.连接屋面温室可分为:屋脊形、拱圆形温室屋面特点;硬质塑料板材温室、塑料薄膜温室覆盖材料.按照建筑材料分为:①竹木结构温室②钢筋混凝土结构温室③钢架结构温室④铝合金温室等.按照加热时的能源分为:加热温室分为:①加温温室②日光温室20、温室按照用途分为:花卉温室、蔬菜温室、果树温室、育苗温室等21、土壤和基质的消毒方法:物理消毒法、化学消毒法22、物理消毒方法:高温蒸汽消毒,热风消毒,太阳能消毒,微波消毒.23、温室的五度是指:角度、高度、跨度、长度、厚度 24、角度分为:屋面角、后面仰角、方位角25四比三材:前后坡比,高跨比、保温比、遮阴比建筑材料、透光材料、保温材料.26、可控降解的地膜分为哪几种:光降解地膜、生物降解地膜、光生可控双降解地膜.调光膜主要有:漫反射膜、转光膜、紫色膜和蓝色膜.特殊功能地膜有:耐老化长寿地膜、除草地膜、白黑双面地膜、黑白相间地膜、可控性降解地膜.27、硬质塑料板材分为:玻璃纤维增强聚丙烯树脂板FRA聚丙烯树脂板MMA聚碳酸酯树脂板PC玻璃纤维增强聚酯树脂板FRP28、根据纤维的长短,无纺布分为:长纤维无纺布,短纤维无纺布.29、无纺布根据重量分为:薄型、厚型 30、传统外覆盖材料分为:蒲席、草帘、棉被、纸被31、园艺设施热支出:①贯流放热②通风换气放热③土壤传导失热土壤加温方法:酿热物加温、电热加温、水暖加温.32、灌溉方式:喷灌、沟灌、滴灌、喷灌洒水、水龙浇水、地下灌溉温室大棚加湿方法:喷雾加湿、湿帘加湿、温室内顶部安装喷雾系统.33、温室中常见的有害气体:氨NH3、二氧化氮 NO2、乙烯C2H4、氟化氢HF 、臭氧03等.34、土壤药剂消毒常用的药剂:①甲醛②硫磺粉③氯化苦35、适于设施栽培的蔬菜种类:茄果类、瓜类、豆类、绿叶菜、芽菜类、食用菌36、黄瓜嫁接方法:靠接、插接 37、芽菜种类:豌豆、萝卜、首猎、香椿、花生、荞麦、葵花籽38、设施栽培花卉种类:切花花卉、盆栽花卉、室内观叶植物、花坛花卉、39、设施栽培非洲菊常用方法:播种、分株、组培40、切花百合的栽培方式:促成栽培和抑制栽培41:我国北方设施栽培果树种类:草莓、葡萄、樱桃、李、桃、枣、柑橘、无花果、番木瓜、批把等42、二氧化碳气肥来源途径:液态二氧化碳、燃料燃烧、二氧化碳颗粒气肥、化学反应.种子处理意义:提高种子的发芽率和出苗率,促进幼苗生长,减少作物病虫为害,作物高产稳产.蔬菜常用嫁接方法靠接、插接、双根嫁接.43、适用于机械作业的嫁接方法:套管式、单子叶切除式、平面嫁接44、嫁接成活机理及其影响因素:嫁接亲和力、砧木与接穗的生活力、环境条件、嫁接技术及嫁接后管理水平45、嫁接成活后管理分为:断根、去荫孽、其他①定植②环境控制③肥水管理④CO2⑤植株调整⑥病虫害防治二、判断我国设施栽培起源于西汉芬洛型温室是由荷兰芬洛研发的1EVC 代表醋酸乙烯薄膜错 2PVC聚氯乙烯薄膜对 3阳畦保温效果比风障好√4面积大于50平米的塑料拱棚可以称作塑料大棚对 5设施内补充二氧化碳气肥多在晴天上午对6在早春连续阴天的早上容易出现温度逆转现象对 7保护设施的保温比大于一错,等于18保护设施容积越小其内部的温差越大对 8宽度在10米以上的大棚可称为塑料大棚错9要达到合理的屋面角高跨比1:3为宜错 1比2.2 10设施内高温高湿会加剧病虫害传播对1 设施内施用二氧化碳时间是日出后1到2小时2 设施环境密闭性越好,设施内空气湿度度越低错,高3 开启湿帘时,要开启自然通风阀对4 EVA薄膜的保温性显着高于聚乙烯薄膜对5 番茄上常用2.4 ﹌D和赤霉素进行授粉保果错,防落素6 日光温室保温比越小保温能力越强错,越弱聚乙烯薄膜比聚氯乙烯薄膜寿命长错,短设施内环境湿度的特点之一是夜晚湿度比白天高对7 ++降温系统是利用水的快速蒸发降温对8 日光温室的后屋面越短保温性能越好错,后坡长保温效果好使用漫反射薄膜可以使设施内作物受光变得一致温度变化减小对9一天当中温室二氧化碳浓度日出前最高对10 聚氯乙烯薄膜的保温性能高于聚乙烯对11使用一段时间后聚氯乙烯薄膜的透光率比聚乙烯低12温室内的光照在空间上...分布不均匀嫁接后,保持苗较高的温度,可以加速愈合对一般现在的外遮阳设施可以使设施内温度降低7-10℃对13、番茄在植株调整的时候一般进行... 正确14、日光温室的保温比越小保温性越好错误15、日光温室后屋面越长采光能力越好而保温性越差错,采光能力越差,保温效果好16 、单面温室通常坐西朝东南北延长错,坐南朝北东西延长17、在特定情况下设施内温度可能低于陆地温度对 18日光温室内日温差大于陆地错,小于19、转光膜保温性能优于普通薄膜对聚氯乙烯薄膜的紫外线吸收率比聚乙烯薄膜的低对20、二氧化碳施肥要在通风换气之后结束错21、设施栽培是一种可控农业也叫环境调控农业对三、选择依据覆盖材料的不同,温室可以分为玻璃温室和塑料薄膜温室和硬质塑料板材温室PC板一般可以使用多少年15年以上一天内塑料大棚内最低地温比最低气温出现时间晚多少小时2h直射光的透过率随温室屋面直射光的入射角的增大而增大还是减小减小在相同条件下,设施环境密闭性越好,内部空气湿度的情况越高在不加温条件下,温室内温度增加主要靠太阳的直接辐射还有什么散射辐射设施内湿度对作物发育的影响主要表现在土壤水分和哪几个方面空气湿度现代温室得加热系统主要有热风加热还有什么加热热水蒸汽电热辐射火炉在晴朗的冬夜,盖内遮阳的幕布,不加温的温室比不盖改保温的幕布平均增加几度3-5℃黄瓜从播种到采摘需要多长时间50天聚乙烯聚氯乙烯乙烯醋酸乙烯三种薄膜紫外光透过率相比是哪几种情况聚乙烯最多,聚氯乙烯居中,最后一个最少在温室栽培中,不需要吊蔓的是栽培黄瓜施肥的原则少施勤施前三天嫁接苗应该控制到什么湿度前3d 90~95% 4~6d 85%~90%深冬季节降低日光温室湿度的方法是薄膜覆盖长纤维无纺布比短纤维无纺布使用寿命长还是短短温室内的光照分布在水平和垂直两个方向表现均匀还是不均匀不均匀二氧化碳施肥的最适宜时期是作物光合作用的哪个时期最旺盛日光温室适宜的高跨比是多少1:2.2 番茄的脐腐病是缺少哪种营养元素钙下列设施中性能最优的设施低温季节设施内相对湿度较高温季节是什么情况低温湿度大嫁接育苗目的之一是提高抗病性,黄瓜嫁接育苗主要是抵抗哪一种病害枯萎病涝害条件下作物受害的原因主要是根系缺什么氧北方日光温室越冬生产中温度和湿度调控的主要方向保温增湿下列设施中传统性能最强的是哪一种设施简易的保护设施中,抢阳畦是哪一种情况北墙高,南墙低的阳畦一般情况,塑料薄膜的透光率下降,下降多少40-60%新膜的透光率60%-80%节能日光温室的缺点环境的调控能力和抗御自然灾害的能力较差在单向电路使用电加温线时连结方式并联日光温室适宜保温比等于1没有外覆盖情况下小拱棚温度变化比大棚相比是那种情况...剧烈黄瓜嫁接适宜得枕木是黑籽南瓜一般而言日光温室适宜长度为50~60m 设施内温度较低的部位相对湿度较高影响嫁接成活率的决定性因素是嫁接亲和力空气中的水分主要影响园艺作物气孔开闭和啥叶片蒸腾作用一日中二氧化碳施肥最适时间是光合作用最旺盛一日中光照条件最好番茄水肥最敏感的时期是花芽分化临界期经过一段使用时间聚乙烯比聚氯乙烯薄膜长短,短促进坐果最常用的植物激素2.4~D 10~20mgL 防落素20~40四、名词解释设施园艺:在陆地不适于园艺作物生长的季节或地区,利用温室、大棚等特定设施,人为创造适于作物生长的环境,根据人们的需求,有计划的生产安全,优质,高产,高效的蔬菜花卉水果,等园艺产品的一种环境调控农业.贯流放热:透过覆盖材料或围护结构传出热量.换气放热:温室内自然通风或强制通风、建筑材料缝隙、覆盖物破损等传出热量CO2饱和点:当空气中二氧化碳浓度较低时,植物的光合速率会随二氧化碳浓度增加而提高,当二氧化碳浓度增大到一定程度后,光合速率不再为二氧化碳浓度增加而提高,这时空气中的二氧化碳浓度称为二氧化碳饱和点.温室效应:大气能使太阳短波辐射到达地面,但地表受热后向外放出的大量长波热辐射线却被大气吸收,这样就使地表与低层大气温作用类似于栽培农作物的温室相对湿度:一定温度条件下,空气中水汽压与该温度下饱和水汽压之比.风障:是设置在栽培畦北面按当地季候风垂直的方向设置的防风屏障物阳畦:又叫冷床,它是一种以太阳辐射作为热源的简易保护措施.温度逆转:温室内气温低于外界气温的现象.温床:与阳畦基本相同,只是在阳畦的基础上增加了人工热源来补充阳光蓄热增温的不足. 后屋面仰角:后坡两侧与地面的夹角. 功率密度:单位苗床面积需铺设的电热线的功率.矢高:从地面到屋脊顶最高处的高度跨度:温室后墙内侧到前屋面南底角的距离. 前后坡比:前坡和护坡的垂直投影宽度的比例.高跨比:日光温室的高度与宽度的比例.保温比:日光温室的贮热面积与放热面积的比例.遮荫比:在建造多栋温室或在高大建筑物北侧建造时,前面地物对建造温室的遮阳影响. 露点温度:在固定气压和水汽含量下,温度降低至空气达到饱和时的温度.显热失热:温差引起的热量传递. 潜热失热:水的相变引起的热量传递.综合环境调节:以实现作物的增产稳产为目标.把关系到作物生长的多种环境要素,都维持在适于作物生长的水平,而且要求使用最少量的环境调节装置,既省工又节能,便于生产人员管理的一种环境控制方法.饱和水气压:水汽达到饱和时的水汽压强.简答及问答:1、塑料薄膜的性能:透光性、强度、耐候性、防雾防滴性、保温性2、改善设施透光率措施:a、改善园艺设施结构提高透光率.选择适宜的建筑场地及合理的建筑方位.设计合理的屋面角度,选择合理的透明屋面形状.骨架材料.选用透光率高且透光保持率高的透明覆盖材料.b、改进管理措施.保持透明屋面干净.增加光照时间.合理密植,合理安排种植行向.加强植株管理.选用耐弱光品种地膜覆盖,利用反光.C、遮光.人工补光.3、酿热温床原理:酿热温床是利用微生物分解有机物质时所产生的热量来进行加温的,这种被分解的有机物质称为酿热物.酿热物的酿热原理如下:碳水化合物十氧气微生物二氧化碳十水十热量CH2O+O2微生物 H2O+CO2+Q4、地膜覆盖技术问题:1、精细整地,提高质量,2、适时播种和定植,增加施肥量,均衡施肥,适时追肥,防止早衰3、提高灌水质量,田间管理,及时回收旧膜4、保温措施减少贯流放热和通风换气量.保温覆盖材料与方法.增大保温比.增大地表热流量5、制取二氧化碳气体方法有机肥和作物秸秆发酵.燃烧碳氢化合物.燃烧普通燃煤和焦炭.液态二氧化碳.化学药剂发生二氧化碳:石灰石和盐酸.5、设施园艺在园艺作物周年生产中的作用1、育苗2、越冬栽培3、早熟栽培,4、延后栽培,5、炎夏栽培.6、促成栽培,7,软化栽培,8,假植栽培,9、利用设施园艺进行无土栽培10、为种株进行越冬贮藏或采种.6、对日光温室前景的看法:温室是园艺设施中性能最为完善的类型,可以进行冬季生产,世界各国都很重视温室的建造与发展.我国温室的发展是由地级初级到高级,温室类型繁多.主观题,自己发挥吧7、单屋面温室空气湿度:①空气湿度②空气相对湿度的日变化大③局部湿差大④作物易于沾湿10、温室土壤环境特点:①土壤养分转化和有机质分解速度加快②肥料的利用率高③土壤盐分浓度大④土壤湿度稳定⑤土壤中病原菌集聚⑥盲目施肥导致土壤营养失衡11、温室和大棚场地选择要求:1、选择南面开阔无遮阴的平坦矩形地块.2、选择避风地带.3、选择靠近水源水质较好的地方.4、土壤肥沃,有机质含量高.5、交通便利6、远离污染源.7、电力供给方便.12、遮阳网性能:1、遮光率与透射光照强度2、地面降温效应3、减少增单量4、减轻暴雨冲击,5、减弱台风袭击,6、避虫防病.13、园艺设施光照环境调节:光照强度、光照时数、光质、光分布这个不确定14、改进园艺设施以提高透光率的方法:1、选择适宜建筑场位及合理建筑方位.2、设计合理屋面坡度.3、合理的透明屋面形状.4、减少骨架材料遮阴.5、选用透光率高的透明覆盖材料.15、改进管理措施提高透光率的方法:保持透明屋面干洁净;覆盖材料早揭晚盖;合理密植;加强植株管理;地膜覆盖,利用反光膜园艺设施热量支出:贯流放热+潜热消耗+换气放热+地中传热16、温室调控中保温措施:①减少贯流放热和通风换气量②保温覆盖的材料与方法③增大保温比④增大地表热流量17、温湿调控中降温措施1.遮光降温法2 .屋顶喷淋降温法 3.蒸发冷却法 4.通风换气降温18、温室大棚的除湿方法①通风换气②加温除湿③覆盖地膜④科学灌溉⑤采用吸湿材料园艺设施内土壤环境特点:设施内土壤盐分积聚现象突出.过量施肥导致土壤酸化.土传病虫害严重.土壤连作障碍问题突出.土壤有机质含量高.设施土壤氮磷钾浓度变化与露地不同.19、土壤蒸汽消毒优点:消毒速度快;更均匀更有效;无残留药害;对人,畜安全;无有害生物的抗药问题20、设施园艺中计算机综合环境管理趋势:1、智能化2、网络化3、分布式系统4、多样化和综合性应用21、工厂化育苗基质选择原则:①尽量选择当地资源丰富、价格低廉的物料;②育苗基质不带病菌、虫卵,不含有毒物质;③基质随幼苗植入生产田后不污染环境与食物链;④能起到土壤的基本功能与效果;⑤有机物与无机材料复合基质为好;⑥比重小,便于运输.22、工厂化育苗具有什么特点:1.节省能源与资源2.提高秧苗素质3.提高种苗生产效率4.商品种苗适于长距离运输23、蔬菜设施栽培现状1、设施种植面积增长幅度大,现代化程度低,调控能力差.2、蔬菜种植方式单调,种类品种单一,效益低.3、病虫严重造成不合理用药.4、设施栽培的土壤结构变差.24、番茄落花落果原因及防治原因:如土壤养分、水分不足,根系发育不良,伤根过重,温度过低,光照不足,整枝打杈不及时,夜温过高,空气相对湿度过大,等均易引起落花落果.防治方法:1、培育壮苗,适时定植,保护根系,加强水肥管理,防止土壤干旱,保证充足营养,防止过多偏食氮肥,及时进行植株调整,2、及时擦净棚膜,增强光照,后墙挂反光膜,4、激素应用.25、番茄产生空洞果原因及防治病因:生长调节剂使用浓度过大,光照不足,日温超过35℃,且持续时间长,四穗果以上的果实或同一穗果中迟开花的果实,营养供不应求,易形成空洞果,结果后期肥水不足.防治:选用心室多的品种,作好光温调控,避免长时间10摄氏度以下或35℃以上的温度,合理使用生长调节剂,加强肥水管理.26、我国果树栽培存在问题 1、树种品种结构不尽合理,2、设施结构和原材料尚需改善,3、果品商品化处理和产业化经营滞后 4、生产技术和管理水平有待改善27、日光温室黄瓜栽培技术1.茬口安排与播种期确定:日光温室黄瓜栽培的茬口主要有秋冬茬、越冬茬、冬春茬几种类型.不同栽培茬口的播种期也不相同.确定播种期的原则,要根据产品供应期来决定.2、品种选择:节能日光温室选用耐低温弱光,抗寒抗病、生长势强,连续结瓜能力也强,早熟性好的品种;日光温室要求黄瓜品种根系发达3.嫁接育苗:①砧木选择嫁接育苗应选择与接穗亲和力强的南瓜品种做砧木.②嫁接方法常用的方法有靠接和插接.4.栽培管理:①定植②环境控制③肥水管理④CO⑤植株调整⑥病虫害防治 5.采收228、什么日光温室算个合理的算个合理的日光温室1、必须适合于作物的生长和发育.要求具有白天能充分利用太阳光能,获得大量光和热的结构,高温时应用通风换气等降温设备,夜间有密闭度高、保温性较好的结构.2、严格调控环境,为了取得高产优质的产品,要随着作物的生育和天气的变化,不断的调控室内的小气候.3、良好的生产条件,内部环境要适于作为生育,便于劳动作业和保护劳动者的身体健康.4、要求结构简单,材料系小体轻,强度坚固.5、设计参数要严格的遵照五度四比三材。
园艺设施复习题答案复习题一答案一名词解释(15分)1设施园艺栽培学*:指在不适宜作物生长的季节或地区,利用特定的设施创造适宜作物生长发育的环境条件以求获得园艺产品。
又称“不时栽培”或“反季节栽培”、“错季栽培”等。
2**现代化温室:现代化温室主要指大型的(覆盖面积多为1hm2),环境基本不受自然气候的影响、可自动化调控、能全天候进行园艺作物生产的连接屋面温室,是园艺设施的最高级类型。
3**聚氯乙烯(PVC):普通聚氯乙烯薄膜是由聚氯乙烯树脂添加树脂或线型低密增塑剂经高温压延而成,比较厚,天蓝色。
4*园艺设施内的日温差:是指内最高温度与最低温度之差。
其最高温出现在午后14时左右,最低温度出现在日出前1小时.5***风荷载:风吹到园艺设施上会产生一种压力,即为风荷载,也称为风压。
温室大棚向风面为正压;背风面为负压.二填空题(20分)1**。
中国花卉栽培的历史悠久,早在(2000多)年前汉高祖建造的“未央宫”中有温室殿用于陈列花卉。
南宋有(“堂花”)促成栽培技术。
我国花卉的现代设施栽培与蔬菜相比相对较晚,(20世纪80年代)才开始大面积种植。
2***(荷兰)号称“Greenhouse Kingdom”,是当今世界温室业最发达的国家之一。
3。
***铺设砂田时底田要平整,并要做到(三犁三耙),选用含土少、色深、松散的适宜沙子和表面棱角少而圆滑、直径在8cm以下的卵石,沙、石比例以(6:4或5:5)为宜.4***浮动覆盖主要形式有(露地浮动覆盖)、(小拱棚浮动覆盖)、(温室和大棚浮动覆盖)等三种。
浮动覆盖常用的覆盖材料主要有(不织布)、(遮阳网)等。
采用浮动覆盖可使温度提高(1~3℃)。
5**单位面积上苗床所铺设的电热线功率为(功率密度),总功率为(功率密度)与(苗床面积)的乘积。
6**创建园艺作物标准园的目标“三提高":一是提高(新产品质量安全水平),二是提高(产业发展质量效益),三是提高(市场竞争力)。
国家开放大学电大专科《园艺设施》筒答题题库及答案(试卷号:2706)一、筒答题1. 确定锅炉容量和台数的基本原则是什么?(8分)答:在确定锅炉容量和台数时,应掌握下列几个原则:(1)锅炉的容量和台数,对用户负荷变化适应性强。
(2分)(2)锅炉容量和台数的确定,应有利于节省人力、物力和基建投资。
(2分)(3)锅炉容量和台数,应保证供暖的安全可靠性。
(2分)(4)尽量选用同容量、同型号的锅炉设备,以利管理,提高管理人员操作水平和备件互换容易。
(2分)2.你认为应如何选用灌水器?(8分)答:适于设施内使用的灌水器种类和形式繁多,使用时应考虑以下条件:(1)设施的规模尺寸和结构形式。
(2分)(2)设施内植物的种类、品种以及其对设施环境状况和土壤水分状况的要求。
(2分)(3)设施内植物种植状况和栽培技术要求。
(2分)(4)符合灌水器的基本要求。
(2分)3.温室降温的目的是什么?常用那些方法来实现温室的降温?(6分)答:温室生产为了保证其良好的经济效益,必须保证一年四季都进行生产。
当温室内温度超过35℃时,温室内就不能正常生产。
为了维持温室内气温、地温在作物生长发育适温范围内,需将流人温室内的热量强制排除,以达到降温的目的。
(3分)温室降温方式依其利用的物理条件可分为以下几类:加湿(蒸发)降温法(1分);遮光法(1分);通风换气法。
(1分)4. NFT与DFT两者有什么差异性?(6分)答:DFT与NFT水耕装置的不同点是:流动的营养液层深度5~10cm,(2分)植物的根系大部分可浸入营养液中,吸收营养和氧气,(2分)同时装置可向营养液中补充氧气。
(2分)5.温室布局的基本要求是什么?(8分)答:(一)集中管理、连片配置。
(2分)(二)因时因地,选择方位。
(2分)(三)邻栋间隔,合理设计(2分)(四)温室的出入口和畦的配置(2分)6.温室通风的目的是什么?(6分)答:温室等设施通风的目的有三个:①排除设施内的余热,使室内的环境温度保持在适于植物生长的范围内。
《园艺机械与应用》主要知识点提示1.内燃机的分类;型号编制识别;发动机常用基本术语(名词概念)。
内燃机的分类:汽油机、柴油机、煤油机型号编制:内燃机型号由阿拉伯数字和汉语拼音字母组成。
内燃机型号由以下四部分组成:1E65F:表示单缸,二行程(不加E表示四行程),缸径65mm,风冷通用型(不加F表示水冷).术语:1. 上止点:活塞在气缸里作往复直线运动,当活塞向上运动到最高位置,即活塞顶部距离曲轴旋转中心最远的极限位置,称为上止点。
2. 下止点:活塞在气缸里作往复直线运动,当活塞向下运动到最低:位置,即活塞顶部距离曲轴旋转中心最近的极限位置,称为下止点。
3. 活塞行程:活塞从一个止点到另一个止点移动的距离,即上、下止点之间的距离称为活塞行程。
一般用s表示,对应一个活塞行程,曲轴旋转180°。
4.曲柄半径:曲轴旋转中心到曲柄销中心之间的距离称为曲柄半径,一般用R表示。
通常活塞行程为曲柄半径的两倍,即s=2R 。
5. 气缸工作容积:活塞从一个止点运动到另一个止点所扫过的容积,称为气缸工作容积。
一般用Vh表示。
6.燃烧室容积:活塞位于上止点时,其顶部与气缸盖之间的容积称为燃烧室容积。
一般用Vc表示。
7. 气缸总容积:活塞位于下止点时,其顶部与气缸盖之间的容积称为气缸总容积。
一般用V a表示,显而易见,气缸总容积就是气缸工作容积和燃烧室容积之和,即V a=Vc+Vh。
2.汽油机与柴油机在工作原理上的本质区别之处(理解要点)。
1.进气方式:汽油机进气采用先将汽油和空气混合化为气体再喷入气缸的方式;柴油机进气行程进入的是空气,柴油在压缩行程末尾喷入。
(吸入的气体不同;压缩的气体不同)2.点火方式:汽油机采用火花塞点燃的方式;柴油机采用压燃的方式。
3.发动机活塞环的类型及其作用;发动机飞轮的作用。
活塞环:气环 1.密封;2.传热油环1.刮油;2.润滑飞轮作用:(1)储存动能,克服阻力使发动机的工作循环周而复始,使曲轴转速均匀,并使发动机具有短时间超载的能力;(2)驱动其它辅助装置;(3)传递扭矩给汽车传动系,是离合器的驱动件;(4)飞轮上正时刻度记号作为配气机构、供油系统(柴油机)、点火系统(汽油机)正时调整角度用。
第一章耕整地机械使用与维护一、填空题1、耕整地机械种类很多,按耕作的基本原理分有__________、__________、__________和__________;按与拖拉机的挂结方式分有__________、__________和__________;按用途不同可分为__________、__________、__________。
2、整地机械是用于__________、__________整地的机械,包括各种__________、__________、__________及__________等。
3、耕地是__________和_____________的主要措施,是农业生产的基本环节。
4、耕地有__________、__________、__________等基本方式。
5、普通耕翻是指用不带__________的犁翻地,垡片翻转小于__________度,适用于熟地。
复式耕翻是指用带小铧的__________耕地,小铧将地表层土壤翻到沟底,主犁体再将土垡覆盖其上,因此耕后地表__________,__________,有利于消灭杂草和防治病重虫害。
6、旋耕是一种新的耕作方式,用__________进行耕作。
工作部件是高速旋转的__________,按__________原理切削土壤。
7、犁是一种__________工具,它的主要作用是__________和__________,以犁铧为主要工作部件的犁称为__________。
8、悬挂犁主要是由__________和__________组成。
9、悬挂犁通过悬挂架的__________和两个__________与拖拉机悬挂机构相连接构成一个机组,工作时根据拖拉机液压系统的不同形式,犁的耕深可由__________或_____________来控制。
10、犁在总体安装时应确定各犁体在犁架上的安装位置,保证__________、__________和__________。
题目:园艺设施专用机械特点是体积较小、操作灵活。
()选项A:对选项B:错答案:对题目:铧式犁是温室大棚中土壤耕作最常用的机具。
()选项A:对选项B:错答案:对题目:铧式犁适用于多石、多草和潮湿粘重的土壤以及高产绿肥田的秸秆还田后的耕翻作业。
()选项A:对选项B:错答案:错题目:圆盘犁在一般土壤条件下,其翻土.碎土和覆盖性能均不如铧式犁。
()选项A:对选项B:错答案:对题目:圆盘犁又称凿式松土机,具有凿形工作部件,只松土而不翻土。
()选项A:对选项B:错答案:错题目:微耕机小巧轻便,功能多样,耗油少,维修方便,是理想的微型农业机械。
()选项A:对选项B:错答案:对题目:亚洲国家的微耕机主要以农业作业为主,主要用于播种、起垄、翻地、旋耕、水田平整等作业。
()选项A:对选项B:错答案:错题目:中国农业大学张铁中教授率先在国内开展蔬菜嫁接机的研究,1998年成功研究制出2JSZ-600型蔬菜自动嫁接机。
()选项A:对选项B:错答案:对题目:2005年中国农业大学研制出2JC-350型插接式自动嫁接机。
()选项A:对选项B:错答案:错题目:2JC-350型嫁接机适用多种瓜科蔬菜嫁接,嫁接成功率达93%。
()选项A:对选项B:错答案:对题目:挠性圆盘式移栽机的应用较少,有被淘汰的趋势。
()选项A:对选项B:错答案:错题目:挠性圆盘式移栽机代表机型有黑龙江农垦科学院的2Z-2型钵苗移栽机。
()选项A:对选项B:错答案:错题目:吊杯式移栽机主要适合钵苗和纸筒苗栽植。
()选项A:对选项B:错答案:对题目:园艺设施专用机械的特点是什么?答案:(1)体积较小、操作灵活.(2)智能化、自动化程度高。
题目:园艺设施专用机械按照用途可以分为哪几种?答案:园艺设施专用机械按照用途可以分为土壤耕作机械、种植和施肥机械、植物保护机械、作物收获机械、农产品加工机械等。
题目:园艺设施常见耕作机械有哪几种?答案:园艺设施常见耕作机械有:铧式犁、圆盘犁、凿式犁、微耕机和圆盘耙等。