钳工实训任务书
- 格式:rtf
- 大小:2.61 MB
- 文档页数:19
《钳工》实训任务书范文模板 (二)- 任务书的基本内容- 实训课程名称:钳工- 实训任务书编号:XXX- 实训任务书名称:XXX- 实训任务书制定日期:XXXX年XX月XX日- 实训任务书制定单位:XXX学校- 实训任务书制定人:XXX老师- 实训任务书的目的- 帮助学生掌握钳工的基本理论和技能- 培养学生的实际操作能力和实验探究精神- 培养学生的安全意识和团队协作精神- 实训任务书的要求- 学生应按时参加实训课程,完成实训任务书规定的实验和作业 - 学生应认真学习钳工的基本理论和技能,掌握相关工具的使用方法- 学生应遵守实验室安全规定,注意个人和他人的安全- 学生应积极参与团队合作,共同完成实训任务- 实训任务书的内容- 实验一:钳工基本工具的使用- 实验目的:掌握钳工基本工具的名称、用途和使用方法 - 实验步骤:学生应逐一介绍钳工基本工具的名称、用途和使用方法,并进行实际操作演示- 实验要求:学生应熟练掌握钳工基本工具的使用方法,注意安全操作- 实验二:钳工基本操作技能的练习- 实验目的:熟练掌握钳工基本操作技能,如切割、钻孔、螺纹加工等- 实验步骤:学生应按照实验要求进行操作练习,并进行实际操作演示- 实验要求:学生应熟练掌握钳工基本操作技能,注意安全操作- 实验三:钳工实际应用案例分析- 实验目的:了解钳工的实际应用场景,掌握解决实际问题的方法和技巧- 实验步骤:学生应分组进行案例分析和解决方案制定,并进行实际操作演示- 实验要求:学生应熟练掌握钳工实际应用的方法和技巧,注意团队合作- 实训任务书的评分标准- 实验操作技能得分:60分- 实验报告质量得分:20分- 团队合作精神得分:20分- 实训任务书的提交要求- 学生应按时完成实验和作业,并提交实验报告- 实验报告应包括实验目的、实验步骤、实验结果和分析、实验心得等内容- 实验报告应按照规定格式撰写,字迹清晰,内容完整- 实训任务书的附录- 钳工基本工具名称和用途表- 钳工实验操作技能要求表- 钳工实际应用案例分析表。
钳工工艺训练策划书3篇篇一《钳工工艺训练策划书》一、引言二、训练目标1. 使学生掌握钳工基本工具的使用方法和安全操作规程。
2. 培养学生的钳工操作技能,包括锯割、锉削、钻孔、攻丝、套丝等。
3. 提高学生的工艺分析和问题解决能力,能够独立完成简单的钳工工件制作。
三、训练内容1. 钳工基础知识钳工工具和设备的认识与使用方法。
钳工安全操作规程的讲解与演示。
钳工工艺的基本概念和流程。
2. 锯割练习学习手锯的构造和使用方法。
进行直线锯割和曲线锯割的练习,掌握锯割的技巧和注意事项。
3. 锉削练习了解锉刀的种类和用途。
进行平面锉削、曲面锉削和角度锉削的练习,提高锉削的精度和表面质量。
4. 钻孔练习掌握麻花钻的结构和使用方法。
进行钻孔的练习,包括钻孔的位置精度和孔径的控制。
5. 攻丝和套丝练习学习丝锥和板牙的使用方法。
进行攻丝和套丝的练习,掌握螺纹的加工工艺和注意事项。
6. 工件制作根据给定的工件图纸,学生独立完成钳工工件的制作。
在制作过程中,注重工艺的合理性和精度的控制。
四、训练安排1. 训练时间本次钳工工艺训练为期[X]周,每周[X]天,每天[X]节课。
2. 训练地点学校钳工实训室。
3. 训练人员机械制造相关专业的学生。
4. 训练分组将学生分成若干小组,每组[X]人左右,便于小组合作和交流。
5. 训练进度安排第一周:钳工基础知识讲解和工具设备认识。
第二周:锯割练习和锉削练习。
第三周:钻孔练习和攻丝、套丝练习。
第四周:工件制作和考核。
五、训练方法1. 理论讲解与实践操作相结合在训练开始前,进行钳工基础知识的理论讲解,让学生了解钳工工艺的基本原理和操作方法。
然后通过实际操作,让学生亲身体验钳工工具的使用和工艺的实施过程,加深对知识的理解和掌握。
2. 示范与指导相结合教师进行示范操作,展示正确的操作方法和技巧,让学生有直观的感受。
同时,教师在学生操作过程中进行指导,及时纠正学生的错误动作和操作方法,提高学生的操作水平。
钳工实训教学计划第一篇:钳工实训教学计划《钳工实习》教学大纲一、实习性质、任务和基本要求: 性质:钳工实习是工程技术类专业的重要实训课,能够培养学生钳工操作的基本技能,是学生初步具备安全生产和文明生产的良好意识,养成良好的职业道德。
任务:通过实训,使学生掌握钳工基本操作技能,为今后机械设备的安装和检修,保证各种机械设备的正常运转,打下扎实的基础。
要求: 1.了解钳工的工作范围及安全技术。
2.了解钳工常用的设备构造,使用方法及安全操作规程。
3.初步掌握钳工主要工序的基本操作方法,正确使用钳工的常用工具、量具。
4、能够按图样要求独立加工简单零件。
二、时间分配: 本实习共1周,具体课时安排可参照下表:三、实训内容: 项目一、钳工工艺理论及安全操作规程介绍钳工技能在工程中的重要性,介绍钳工常用设备、量具和工具极其特点;介绍钳工安全操作技术规程。
重点:介绍钳工安全操作技术规程项目二、划线划线的概念;作用和基本步骤;常用划线工具的正确使用;划线基准的选择;平面划线和简单零件的立体划线方法。
重点:常用划线工具的正确使用;平面划线和简单零件的立体划线方法项目三、锯削锯条的种类和选择方法;锯割方法和常用型材的下料方法;锯条损坏和拆断的原因。
重点:锯割方法和常用型材的下料方法;锯条损坏和拆断的原因项目四、錾削錾削的基本概念与錾削的工具的种类;用途和操作要领;平面錾削、板料錾削。
重点:平面錾削、板料錾削方法;项目五、锉削锉削的概念;锉刀的种类、规格和用途;锉刀的选择及操作;掌握平面、曲面的锉削方法。
重点:握平面、曲面的锉削方法项目六、钻孔钻孔的基本知识及设备;麻花钻的几何形状和各部分的作用以及相互关系;麻花钻的钻孔方法;钻床的使用安全操作规程。
重点:麻花钻的刃磨和钻孔方法项目七、攻螺纹和套螺纹螺纹的形成,各部分名称;丝锥,板牙的构造,规格和用途;攻螺纹,套螺纹的操作方法重点:攻螺纹,套螺纹的操作方法项目八小结及成绩评定对学生在实训过程中的劳动态度、劳动纪律,操作技能,基本知识等方面的收获和存在问题进行总结讲评,按照相关规定给予成绩评定,指出今后的努力方向《钳工实习》教学实施性教学计划一、钳工实习课程的性质和教学目的:1、实习是一门必修的技术基础课,通过实习,使学生初步接触以机械制造生产为主,使学生学习机械制造工艺、机电一体化等实践知识,为后续课程学习和从事机械工程工作准备必要的机械制造知识,着重加强实际动手能力的培训,加强技能教育,使学生成为既懂理论又能动手的全能型人才。
第一篇:钳工实训教案课题五:锯削的基本操作方法教学目标:1、知识目标:①、知道锯条的安装要求②、掌握起锯、收锯方法③掌握锯削过程中的压力、速度及锯削的纠偏2、能力目标:①、掌握锯削的正确姿势和操作要领②、提高动手操作能力③、锻炼互相帮助协作的能力3、情感目标①、培养吃苦耐劳的精神②、增强团结协作的意识③、树立良好的竞争意思、学习态度教学重点:锯条的安装要求、起锯方法、收锯技巧教学难点:锯削方式、对锯的压力掌握、锯速以及纠偏学情分析:大部分学生通过前面的学习基本能完成基础件的加工。
课时:1课时教学班级:16级机电海员班教学方法:讲练结合、演示法、讲解法、激励法教学用具:台虎钳、手锯、钢板、高度尺、黑板等教学过程:课前准备:进车间要求:让学生谨记6S管理制度(整理、整顿、清扫、清洁、素养、安全)一、组织教学:②、出勤情况检查及记录②、加强安全教育二、新课引入在日常生活中,很多东西需要切断或切槽,那么我们怎样去进行?--------引入锯削三、新课内容(讲授)一、锯削的定义及加工范围1、定义:用锯对材料或工件进行切断或切槽等的加工方法称为锯削。
(问:同学们想想锯削的工作范围都包括哪些操作?)2、工作范围:①、分割材料②、锯掉工件上多余的余量④在工件上锯槽二、锯削的工具1、锯弓:用于安装和张紧锯条2、锯条:起切削作用3、锯弓的握法(握锯自然舒展、右手握柄,左手扶弓)4、起锯方法:近起锯、远起锯。
起锯角均为15°左右,不宜过大或过小。
四、评分标准1.平面度小于0.06,超差0.01扣1分(28分)四处2.垂直度小于0.06,超差0.01扣1分(28分)四处3.平行度小于0.10,超差0.01扣1分(10分)两处4.尺寸精度在39.94-40.04之间满分,超差0.01扣2分(30)两处5.安全文明生产(4分)五、车间巡查指导六、集合点评,强调工艺流程,强调车间劳动纪录,注重学生动手能力及突发问题处理的能力培养。
四川三河职业学院《钳工工艺与技能训练》实训指导书机械工程系实训中心编目录一、钳工实训要求﹣﹣﹣﹣﹣﹣﹣﹣﹣﹣﹣﹣﹣﹣﹣﹣﹣﹣﹣﹣﹣﹣﹣﹣二、钳工安全操作规程﹣﹣﹣﹣﹣﹣﹣﹣﹣﹣﹣﹣﹣﹣﹣﹣﹣﹣﹣﹣﹣﹣﹣三、钳工实训方案﹣﹣﹣﹣﹣﹣﹣﹣﹣﹣﹣﹣﹣﹣﹣﹣﹣﹣- - - - - - -1、目的与要求﹣﹣﹣﹣﹣﹣﹣﹣﹣﹣﹣﹣﹣﹣﹣﹣﹣﹣﹣﹣﹣- - - -2、教学设备﹣﹣﹣﹣﹣﹣﹣﹣﹣﹣﹣﹣﹣﹣﹣﹣﹣﹣﹣﹣﹣﹣﹣﹣- - -3、时间及进行方式﹣﹣﹣﹣﹣﹣﹣﹣﹣﹣﹣﹣﹣﹣﹣﹣﹣﹣﹣﹣﹣﹣- - -4、教学内容、方法及步骤﹣﹣﹣﹣﹣﹣﹣﹣﹣﹣﹣﹣﹣﹣﹣﹣﹣﹣﹣- - - 项目1:基础知识﹣﹣﹣﹣﹣﹣﹣﹣﹣﹣﹣﹣﹣﹣﹣﹣- - -(1)、划线的基本知识和方法﹣﹣﹣﹣﹣﹣﹣﹣﹣﹣﹣﹣﹣﹣﹣﹣﹣﹣- - (2)、锯削的基本知识和方法﹣﹣﹣﹣﹣﹣﹣﹣﹣﹣﹣﹣﹣﹣﹣﹣﹣﹣- - (3)、锉削的基本知识和方法﹣﹣﹣﹣﹣﹣﹣﹣﹣﹣﹣﹣﹣﹣﹣﹣﹣﹣- - (4)、钻削的基本知识和方法﹣﹣﹣﹣﹣﹣﹣﹣﹣﹣﹣﹣﹣﹣﹣﹣﹣﹣- - (5)、攻螺纹和套螺纹的基本知识和方法﹣﹣﹣﹣﹣﹣﹣﹣﹣﹣﹣﹣ - - 项目2、现场操作指导﹣﹣﹣﹣﹣﹣﹣﹣﹣﹣﹣﹣﹣﹣﹣- - -(1)、设备认识﹣﹣﹣﹣﹣﹣﹣﹣﹣﹣﹣﹣﹣﹣﹣﹣﹣﹣﹣﹣﹣﹣- - - (2)、台钻及摇臂钻操作与使用﹣﹣﹣﹣﹣﹣﹣﹣﹣- - -(3)、操作及安全﹣﹣﹣﹣﹣﹣﹣﹣﹣﹣﹣﹣﹣﹣﹣﹣﹣﹣﹣﹣﹣﹣- - - 项目3、操作训练——学生独立操作﹣﹣﹣﹣﹣﹣﹣﹣﹣﹣- - -(1)、样板练习﹣﹣﹣﹣﹣﹣﹣﹣﹣﹣﹣﹣﹣﹣﹣﹣﹣﹣﹣﹣﹣﹣- - - - - (2)、技能训练﹣﹣﹣﹣﹣﹣﹣﹣﹣﹣﹣﹣﹣﹣﹣﹣﹣﹣﹣﹣﹣﹣- - - - - 四、总结和考评﹣﹣﹣﹣﹣﹣﹣﹣﹣﹣﹣﹣﹣﹣- - - - - -(1)、学生总结讨论﹣﹣﹣﹣﹣﹣﹣﹣﹣﹣﹣﹣﹣﹣﹣- - - - - - -(2)、老师对学生进行总结考评﹣﹣﹣﹣﹣﹣﹣﹣﹣﹣﹣﹣﹣﹣﹣﹣﹣﹣-一、钳工实训要求适用专业:机械类相关各专业1.了解钳工装配在机器制造过程中的作用。
钳工实训实验报告书(精选5篇)钳工实训实验报告书篇1上周我们进行了钳工实训课,总的来说受益匪浅。
刚开始我的心情是充满了疑问,不解的是,我们学计算机的,怎么会干钳工这样的活呢!但现在想一想,学了不少的课外知识,有些东西能让我终身受益。
这是多么可贵的呀!从安全教育,动作要领和工具的使用到拿起锉刀的实际操作,这无疑是一个理论与实际的过渡。
有些东西是要自己去摸索的,有些东西是要从理论中去发现用于实际。
从开始的打磨平面,就让我学到了要想做好一件事并不是那么的简单,要用实际去证实它。
眼见的不一定真实(平面看上去很平,但经过测光就能发现它的不足);这让我想到了学校为什么要我们来这里实习,是要我们懂得学习的可贵,学习和打磨平面一样要有一丝不苟的精神才能做到最好,同时还要让我们认识到动手的重要性。
只是一味的学习理论,那也是远远不够的,没有实际的体验,发现不了自己的动手能力,这都需要理论与实际相结合。
更需要头脑和双手的配合。
从平面打磨到划线、打点;从修整理状到钻孔;从铰孔到攻螺纹,每一步让我学到的东西是别人拿不走的。
从这里我知道了,什么是钳工,知道了钳工的方要内容是为划线、錾削、锉削、研磨、钻孔、扩孔、铰孔、攻螺纹等等。
了解了锉刀的构造;分类、选用、锉削姿势、锉削方法和质量的检测。
钳工实习锻炼了我们,提高了我们的整体综合素质,使我们不但对钳工实习的重要意义有了深刻的认识,而且提高了我们的实践动手能力,使我们更好的将理论与实际相结合。
巩固了我们所学的知识,同时让我们学到了老师的敬业精神。
老师不厌其烦的给我们查找操作中的错误。
我们还发扬了团结互助的精神,促进了同学们之间的友谊。
在实习过程中我们取得了劳力成果精美的螺母。
看着这精美的工件竟然是我亲手磨制而成的,这种自豪感、成就感是难以用语言表达的。
没有想到当初那么大的东西现在变成了一个精美的工件是一下一下磨出来的,这也是就人们说的“只要功夫深,铁杵也能磨成针”吧!这一周的实习是短暂和辛苦的,但是我学到的东西是保贵的,让我体会到了做一个工人的辛苦与快乐,同时也巩固了自己的知识,这一切都给我留下了美好的回忆。
钳工实训指导书一、实训目的和要求1、了解钳工工作特点和应用2、了解钳工常用工具、量具和普通钳工的基本操作技能。
3、通过零件加工实训操作,初步掌握锯削、锉削、钻孔、攻螺纹和套螺纹的基本操作技能。
4、初步掌握钳工操作的安全生产知识。
二、钳工实训安全须知1、实习时应穿工作服,不准穿拖鞋或高跟鞋,长发者应将长发盘在工作帽内。
2、工作前应严格检查所使用工具是否符合安全要求,锉刀、刮刀、手锤应装有牢固的手柄,冲子、錾子(凿子)等工具的被打击面不准有淬火或裂纹、卷边、飞刺。
3、钳工台应保持清洁,工具、量具及工件应摆放整齐合理、便于取用,保证操作过程中的方便和安全。
4、握锤时不得戴手套,否则锤子容易飞出。
锤头、锤柄、錾尖不得有油。
握锤前要环视四周,以防伤人。
5、锯条不得装得太松或太紧,否则锯条容易折断伤人。
6、在钳工台上进行錾削时,应有防护网,尤其注意不能对人,以防錾屑飞出伤人;清除锉屑、锯屑等切屑时要用刷子,不得直接用手清洗或用嘴吹。
7、工件装夹时要牢固,加工通孔时要把工件垫起或让刀具对准工件台槽。
8、使用钻床时,不得戴手套,不得手拿棉纱操作或用手接触钻头和钻床主轴,严防衣袖、头发被卷到钻头上;更换钻头等工具时应使用专用工具,不得用锤子击打钻夹头。
9、使用电钻等电动工具时,要有绝缘防护和安全接地措施。
10、使用砂轮时,操作者应戴好防护眼镜,并站在砂轮侧面,不得正对砂轮,以防发生事故。
11、禁止用工具、夹具、量具敲击工件和其他物体,以防损坏其精度。
12、工件场地应保持整齐清洁,做到文明生产。
工作完毕后,工作场地要保持干净,设备、工具需进行清洁并归回原位,始终保持文明、整洁、安全、卫生的良好工作环境。
三、钳工基本知识钳工是利用手工工具和钻床对工件进行切削加工或对机械进行拆卸、装配、调试和修理等操作的工种。
钳工的种类比较多,有普通钳工、划线钳工、机修钳工、装配钳工、工模具钳工、钣金钳工等。
这里主要介绍普通钳工。
钳工工作与机械加工相比,具有工具简单、操作灵活等优点,可以完成某些机械加工不便加工或难以完成的工作。
《钳工》实训指导书班级:姓名:时间:地点:实训基地指导老师:实训中心(一)实训内容利用相关工具对坯料进行锯切、锉削、钻孔、攻丝等操作,制作一个六角螺母。
(二)实训报告应包括的主要内容及要求1、实训的目的和意义。
2、制作螺母过程的具体操作步骤、使用的工具、材料、操作要领及注意事项等。
3、本次实训的总结。
(三)实训纪律1、要求学生对本次实训在思想上要重视,并做好实训前的准备工作。
2、实训期间必须严格执行学校的作息时间。
3、实训期间严格遵守实训制度及纪律,不准随意离开实训地点,有事须向教师请假。
4、听从指挥和安排,团结协作,注意安全,爱护公物。
5、实训期间必须保质保量完成指导老师布置的实训任务。
6、凡违反纪律者,视情节轻重给予相应的纪律处分,造成后果由本人负责,造成经济损失的由当事人赔偿。
(四)钳工有关知识介绍一、钳工实训的目的和要求了解钳工在机械制造生产过程中和机械维修中的作用。
要求熟悉常用的钳工设备。
基本掌握钳工的基本操作法,对简单部件能进行拆装的操作了解,并严格遵守钳工安全技术规则。
钳工是手持工具对工件进行切削加工的方法。
由于钳工工具简单,操作灵活方便,可以完成用机械加工不方便或难于完成的工作。
因此,尽管钳工主要是手工操作,生产率低,劳动强度大,对工人的技术要求也较高,但是目前在机械制造和修配中,仍是不可缺少的重要工种。
钳工的基本操作有划线、錾削、锯切、锉削、钻孔铰孔、攻丝、套扣、刮削及研磨等。
这些操作主要是在钳工台和虎钳上进行。
二、钳工工作台和虎钳1、钳工工作台钳工工作台是木制的坚实的桌子,桌面一般用铁皮包裹,台面高度为800~900mm,其上装有防护网。
2、虎钳虎钳固定在钳工工作台上,用来夹持工件,其大小用钳口的宽度来表示的,常用的为100~150mm。
使用虎钳时应注意事项:1)工件应夹在虎钳钳口中部,以使钳口受力均匀。
2)当转动手柄来夹紧工件时,手柄上不准套上管子或用锤敲击,以免虎钳丝杠或螺母上的螺纹损坏。
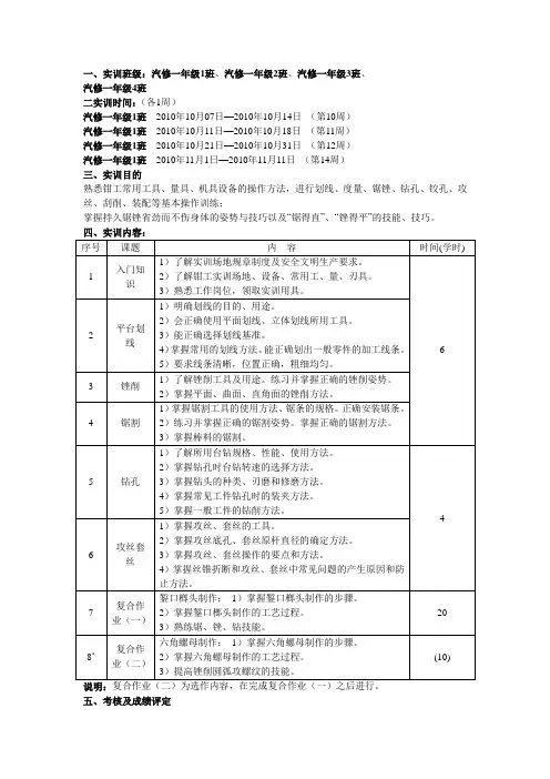
一、实训班级:汽修一年级1班、汽修一年级2班、汽修一年级3班、汽修一年级4班二实训时间:(各1周)汽修一年级1班2010年10月07日—2010年10月14日(第10周)汽修一年级1班2010年10月11日—2010年10月18日(第11周)汽修一年级1班2010年10月21日—2010年10月31日(第12周)汽修一年级1班2010年11月1日—2010年11月11日(第14周)三、实训目的熟悉钳工常用工具、量具、机具设备的操作方法,进行划线、度量、锯锉、钻孔、铰孔、攻丝、刮削、装配等基本操作训练;掌握持久锯锉省劲而不伤身体的姿势与技巧以及“锯得直”、“锉得平”的技能、技巧。
四、实训内容:序号课题内容时间(学时)1 入门知识1)了解实训场地规章制度及安全文明生产要求。
2)了解钳工实训场地、设备、常用工、量、刃具。
3)熟悉工作岗位,领取实训用具。
62 平台划线1)明确划线的目的、用途。
2)会正确使用平面划线、立体划线所用工具。
3)能正确选择划线基准。
4)掌握常用的划线方法。
能正确划出一般零件的加工线条。
5)要求线条清晰,位置正确,粗细均匀。
3 锉削1)了解锉削工具及用途。
练习并掌握正确的锉削姿势。
2)掌握平面、曲面、直角面的锉削方法。
4 锯割1)掌握锯割工具的使用方法、锯条的规格。
正确安装锯条。
2)练习并掌握正确的锯割姿势。
掌握正确的锯割方法。
3)掌握棒料的锯割。
5 钻孔1)了解所用台钻规格、性能、使用方法。
2)掌握钻孔时台钻转速的选择方法。
3)掌握钻头的种类、刃磨和修磨方法。
4)掌握常见工件钻孔时的装夹方法。
5)掌握一般工件的钻削方法。
46 攻丝套丝1)掌握攻丝、套丝的工具。
2)掌握攻丝底孔、套丝原杆直径的确定方法。
3)掌握攻丝、套丝操作的要点和方法。
4)掌握丝锥折断和攻丝、套丝中常见问题的产生原因和防止方法。
7复合作业(一)錾口榔头制作:1)掌握錾口榔头制作的步骤。
2)掌握錾口榔头制作的工艺过程。
钳工工艺训练策划书3篇篇一钳工工艺训练策划书一、训练目标本次钳工工艺训练的目标是让学员掌握钳工基本技能,提高实际操作能力,培养学员的耐心、细心和团队合作精神。
二、训练内容1. 钳工基础知识讲解包括钳工工具的使用、安全操作规程等。
2. 基本技能训练进行划线、锯削、锉削、钻孔、攻丝等基本操作的训练。
3. 实际项目制作根据学员的实际情况,安排适当的实际项目制作,如制作小型零件、装配简单机械等。
4. 团队合作训练组织学员进行团队合作项目,培养团队协作能力。
三、训练方法1. 讲解示范由专业钳工师傅进行讲解和示范,让学员了解钳工工艺的基本操作方法和注意事项。
2. 实践操作学员在师傅的指导下进行实际操作,逐步掌握钳工技能。
3. 小组讨论组织学员进行小组讨论,分享经验和心得,共同解决问题。
四、训练时间和地点1. 训练时间:[具体日期]2. 训练地点:[详细地址]五、训练材料和设备1. 训练材料包括钢材、铝材、木材等。
2. 训练设备包括钳工工作台、台虎钳、锯床、锉刀、钻头、丝锥等。
六、训练人员1. 培训师:[姓名]2. 助理培训师:[姓名]3. 学员:[具体人数]七、训练注意事项1. 安全第一,学员必须严格遵守安全操作规程,确保训练过程中的安全。
2. 认真听讲,积极参与实践操作,按时完成训练任务。
3. 爱护工具和设备,保持训练场地的整洁和卫生。
4. 遵守纪律,不得擅自离开训练场地,如有特殊情况需请假。
八、训练效果评估1. 考核方式采用实际操作考核和理论考核相结合的方式,对学员的学习成果进行评估。
2. 评估标准根据学员的操作技能、工作态度、团队合作能力等方面进行综合评估。
3. 证书颁发对考核合格的学员颁发钳工工艺训练结业证书。
篇二钳工工艺训练策划书一、训练目标本次钳工工艺训练的目标是让学员掌握钳工基本技能,提高实际操作能力,培养学员的耐心、细心和责任心,为今后的工作和学习打下坚实的基础。
二、训练内容1. 钳工基础知识讲解包括钳工工具的使用、安全操作规程、量具的使用等。
钳工工艺训练策划书3篇篇一《钳工工艺训练策划书》一、训练背景与目标随着现代工业的发展,钳工工艺在机械制造等领域仍具有不可替代的重要地位。
本次钳工工艺训练旨在让学员掌握钳工的基本技能和工艺知识,培养其动手能力、耐心和细致的工作态度,同时提高学员对机械加工的理解和实践能力。
二、训练内容1. 钳工基础知识讲解,包括钳工工具的认识、使用方法和安全注意事项。
2. 划线、锯削、锉削、钻孔、攻丝等基本操作技能的训练。
3. 进行简单工件的制作,如小锤子、角尺等,让学员在实践中掌握钳工工艺。
4. 对学员的作品进行检验和评估,指出存在的问题和改进方向。
三、训练安排1. 时间:[具体训练时间段]2. 地点:钳工实训室3. 人员:[参与训练的人员]四、训练资源需求1. 钳工工具及设备,如锉刀、锯弓、钻床等。
2. 足够数量的训练材料,如钢材、铝板等。
3. 防护用品,如护目镜、手套等。
五、训练实施步骤1. 第一天讲解钳工工艺的重要性和应用领域。
详细介绍各种钳工工具的名称、用途和使用方法。
让学员进行简单的工具操作练习,熟悉工具手感。
2. 第二天至第四天学习划线操作,掌握正确的划线方法和技巧。
进行锯削和锉削训练,逐渐提高操作精度和速度。
穿插讲解锯削和锉削过程中的注意事项和常见问题。
3. 第五天至第六天学习钻孔和攻丝技术,了解不同钻头和丝锥的使用。
学员开始制作简单工件,在实践中综合运用所学技能。
4. 第七天学员完成工件制作,进行作品展示。
六、考核与评估1. 在训练过程中,观察学员的操作规范和技能掌握程度。
2. 根据学员最终完成的作品质量进行评估。
3. 结合学员的学习态度和团队合作能力进行综合评价。
七、注意事项1. 强调安全操作规范,确保学员正确使用工具和设备,避免意外发生。
2. 指导教师要密切关注学员的训练情况,及时给予指导和纠正。
3. 保持实训室的整洁和卫生,训练结束后及时清理工具和场地。
通过本次钳工工艺训练,期望学员们能够真正掌握钳工技能,为今后的学习和工作打下坚实的基础,同时也培养他们严谨、细致的工作作风和团队合作精神。
钳工实训大纲一、钳工实训性质和任务1、钳工实训课是一门培养学生全面掌握钳工所需技术操作技能技巧的课程。
2、钳工实训课的任务和要求是:培养学生全面牢固地掌握本工种的基本操作技能、技巧;能够完成本工种中级技术等级工作的技术操作;能对本院(厂)产品有一定的装配工艺分析能力和操作技能;能熟练使用、调整和维护保养本工种的主要设备;正确使用工、夹、量、刃具;具有安全生产和文明生产习惯,养成良好的职业道德。
二、钳工实训的目的和要求1、认识性实训(1)讲解钳工工作在机器装配和维修中的作用,示范钳工工具的使用和基本操作方法;(2)讲解机床构造,示范操作钻孔、扩孔、铰孔工序;(3)讲解丝锥板牙的构造、操作示范;(4)学生独立完成锉削、锯削、錾削、平面划线、钻孔等。
2、专业性实训(1)讲解部分量具,如高度游标尺、角度尺、千分尺、百分表的正确使用及保养;(2)讲解和示范麻花钻头的刃磨;(3)分度头的使用;(4)学生独立完成钻孔、锪孔、铰孔、攻内螺纹、套外螺纹、弯曲、拉直、立体划线、刮研等。
3、强化性实训(1)初步了解部分机床的结构及操作;(2)进行零件的钳工加工,并进行一般夹具制作。
三、课时分配四、课题内容及要求 课题一 入门知识1、介绍钳工工作范围及其在工业生产中的作用。
2、了解钳工实训工场设备和本工种操作中常用的工、量具。
3、了解实训工场规则和安全、文明生产。
4、分配学生实训位置,并进行台虎钳的拆装和保养。
课题二 平面划线 1、明确划线的作用。
2、正确使用一般平面划线的工具并会刃磨和热处理。
课 题 1 2 3 4 5 6 7 8 9 10 11 12 13 14内 容 入门知识 平面划线 錾削 锯割 锉削钻孔、锪孔、铰孔、攻丝和套丝 复合作业(一) 矫正与弯曲 锉配(镶嵌) 复合作业(二) 立体划线 刮削复合作业(三)时数2 2 4 8 12 14 2 20 4 4 83、零件的清理及划线表面的涂色。
4、掌握基本线条的划线方法和在线条上正确冲点。
钳工实训任务书目录项目二锯削技能任务二梳子的锯削 (2)项目三锉削技能任务四车形样板的锉削 (5)项目四孔加工技能任务二上模架制作 (7)项目五螺纹加工任务二六角螺母螺栓的制作 (10)项目六典型工件锉配任务一锉凹凸配组件 (12)任务二锉六角镶配组件 (15)项目八复合工件的制作任务一燕尾锉配与总装 (18)项目二锯削技能任务书班级_____队名_____名字___一、项目零件图量具___________________________供参考。
锯完后可打磨光整。
3、检测方法三、项目实施步骤四、项目考核表项目三锉削技能任务一班级_____队名_____名字___一、项目零件图二、项目分析锉削姿势(1)将实习件正确装夹在虎钳中间,锉削面高出钳口面约15㎜。
(2)用旧的300㎜粗扁锉,在实习件凸起的阶台上作锉削姿势练习。
开始采用慢动作练习,初步掌握后再作正常速度练习,要求全部采用一种握法,做顺向锉削。
(3)应自然地将锉刀握正、握稳,眼睛的视线要对着工件的锉削部位,锉削时主要应靠掌握和控制好手的运动轨迹及其位置来达到。
(4)要及时纠正自已的错误姿势,不能让不正确的姿势成为习惯,否则以后再纠正就困难了。
下面所列几种错误姿势,必须注意避免。
注意:1.握锉刀柄握得过紧与锉削速度太快。
2.锉削时由于左手、右手、身体、两脚动作不协调,操作易疲劳。
3.锉削时两手用力变化没有配合好,手握锉刀运动不平稳4.站立位置和身体姿势不正确1、图样分析尺寸公差________________________形位公差_________________________2、所需工量具工具___________________________量具___________________________3、检测方法三、项目实施步骤四、项目考核表目四孔加工技能任务书班级_____队名_____名字___一、项目零件图12、所需工量具工具___________________________量具___________________________3、检测方法三、项目实施步骤四、项目考核表项目五螺纹加工任务书班级_____队名_____名字___一、项目零件图六角螺母螺栓是标准件,从图样看此工件主要质量要求为:1、六角对边为19mm,对角为21.9mm,厚12mm,内螺纹公称直径12mm。
任务书任务名称导滑板制作工件图样:一、任务目的1、能够正确掌握锉削的姿势、动作声自然、协调、自然。
2、掌握锉削的操作要领,能够加工工件,并能达到一定精度要求。
3、掌握万能角度尺和高度游标卡尺的使用方法。
二、任务内容根据图样进行分析、了解相关工艺:1、公差等级:锉削IT82、时间定额:180分钟3、工、量具的准备:90°角尺、高度游标卡尺、钢直尺、刀口尺、游标卡尺、万能角度尺、锉刀(粗、中、细)、手锯。
4、材料:毛坯料三、实习的具体步骤:1、备料(下料)41×16×8一块。
2、按图样要求锉削好外轮廓基准面,达到尺寸39±0.10,14±0.10及垂直度和平面度要求。
3、加工导滑板(1)按要求划出导滑板加工线。
(2)锉削斜面达到要求(3)检查尺寸精度。
四、注意事项:1、在加工垂直面时,要防止锉刀侧面碰坏另一垂直侧面,因此必须将锉刀一侧在砂轮上进行修磨,并使其与锉刀面夹角略小于90°(锉内垂直面时),刃磨后最好用油石磨光。
2、遵守钳工安全操作规程。
五、任务目标1、掌握具有角度要求的工件划线;2、正确使用和保养游标卡尺、高度游标卡尺和万能角度尺;3、初步掌握具有角度要求的工件加工和测量方法;4、熟练锉、锯削的技能,并达到一定的加工精度要求,为钳工工件的制作打下必要的基础。
六、任务完成要求1、严格遵守课程实训纪律,把课程实训表现列入考核范围。
2、写出课程实训报告。
3、成绩评定:学生的考勤20分,课程实训表现20分,课程实训报告60分,成绩按优秀(100~88)、良好(87~75)、中(74~65)、合格(64~55)、差(≤54)。
七、任务分解1、读图,分析图样,下料、确定划线基准,正确安放和装夹工件进行划线、打样冲眼2、选用锉削工具3、锉削4、检查工件尺寸精度八、任务成果1、实训报告2、个人、小组及教师评价表3、学生对教师评价表辽中县职业教育中心机械加工技术专业2015年4月22日。
目录第一章钳工实训大纲ﻩ1第一节实训目得1第二节实训条件1第三节实训要求注意事项ﻩ1第四节实训内容与时间安排1第五节实训顺序1第六节考核方式1第二章钳工实训内容ﻩ1实训一钳工基本知识ﻩ1实训二划线ﻩ1实训三錾削、锉削1实训四孔加工1实训五锯削1实训六螺纹加工ﻩ1实训七小手锤1实训八拆装1第一章钳工实训大纲第一节实训目得一、知识掌握点1、掌握部分:钳工基本工艺得特点与应用,以及所用工具得构造、材料、与特点。
2、熟悉部分:装配得概念,简单部件得装拆方法。
3、了解部分:钳工得实质、特点以及在机械装配与维修中得作用;刮削、扩孔、绞孔、錾削得加工方法与应用。
4、熟悉掌握部分:掌握钳工基本工艺得操作方法;独立完成含有划线、锯削、锉削、钻孔、攻螺纹与套螺纹得钳工作业件。
5、基本掌握部分:刮削、扩孔、铰孔与錾削等工艺得操作方法。
6、加深理解有关刀具知识与加工工艺知识。
7、接受有关生产劳动纪律及安全生产教育,熟悉钳工加工得安全操作规程,培养学生良好得得职业素质。
8、训练学生得实际操作技能,熟悉钳工基本操作方法步骤,掌握钳工加工零件得工艺过程。
第二节实训条件1、场地条件:供学生编写加工工艺与写实验报告用得桌椅。
2、设备条件:台虎钳、台钻等。
3、工具及材料条件:(1)工具:装拆刀具专用板手、榔头、一(十)字刀、校表、三级划线平板、铜皮若干。
(每组1套)(2)量具:千分尺、游标卡尺、0~150钢尺。
0---300高度划线尺、100﹡63刀口角尺(每组一套)(3)刀具:400中齿锉刀、200细齿锉刀、150什锦锉刀刀、¢1----¢20麻花钻、M12丝锥(每组一套)(4)材料:20#钢(尺寸规格:¢25×100)(每人一件)。
第三节实训要求注意事项1、完成相应项目得加工工艺编写与台虎钳拆装。
2、熟悉台虎钳、台钻床得基本操作,对刀与深度设置方法,要求学生都能独立操作台钻Z525。
3、每个学生独立完成实训报告得撰写。
中侨职业技术学院机电工程系钳工实训指导书专业班级:汽车运用、汽车检测学号:姓名:实训成绩:指导老师:蒋建国日期:一、钳工实训的目的:钳工是利用各种手用工具以及一些简单设备进行操作为主的切削加工的方法,通过钳工实训使学生基本掌握常用手工操作工具、量具的正确使用,并掌握一定的钳工基本功操作技巧,能够看懂机械加工图纸,并能根据图纸要求加工零件,学会对零件进行正确测量、是检验学生对理论知识学习情况的有效方法,能够培养学生分析问题解决问题的能力,把所学到的知识灵活地运用到实践中去,培养学生的动手能力,提高学生的工作竞争力,适应社会的发展。
二、钳工实训的任务及钳工的操作安全知识1、实训课题:根据图纸要求加工一把小锤的锤头。
2、钳工基本操作技能包括划线、錾削(凿削)、锯割、钻孔、扩孔、锪孔、铰孔、攻丝和套丝、矫正和弯曲、铆接、刮削、研磨以及基本测量技能和简单的热处理等。
不论哪种钳工,首先都应掌握好钳工的各项基本操作技能,然后再根据分工不同进一步学习掌握好零件的钳工加工及产品和设备的装配,修理等技能。
3、钳工的操作安全知识①工作前先检查工作场地及工具是否安全,若有不安全之处及损坏现象,应及时清理和修理,并安放妥当。
全部②使用錾子,首先应将刃部磨锋,尾部毛头磨掉,錾切时严禁錾口对人,并注意铁屑飞溅方向,以免伤人,使用榔头首先要检查把柄是否松脱,并擦净油污。
握榔头的手不准带手套。
③使用的锉刀必须带锉刀柄,锉刀不得沾油,存放时不得互相叠放。
④使用扳手要符合螺帽的要求,站好位置,同时注意旁人,以防扳手滑脱伤人,扳手不允许当榔头使用。
⑤使用虎钳,应根据工件精度要求加放钳口铜,不允许在钳口上猛力敲打工件,板紧虎钳时,用力应适当,不能加加力杆,虎钳使用完毕,须将虎钳打扫干净,并将钳口松开。
⑥游标卡、千分尺等精密量具,测量时均应轻而平稳,不可在毛坯等粗糙表面上测量,不许测量正在发热的工件,以免卡脚磨擦损坏。
⑦攻丝与铰孔时,丝攻与铰刀中心均要与孔中心一致,用力要均匀,并按先后顺序进行,攻、套丝时,应注意反转,并根据材料性质,必要时加润滑油,以免损坏板牙和丝锥,铰孔时不准反转,以免刀刃崩坏。
钳工实训任务书
目录
项目二锯削技能
任务二梳子的锯削 (2)
项目三锉削技能
任务四车形样板的锉削 (5)
项目四孔加工技能
任务二上模架制作 (7)
项目五螺纹加工
任务二六角螺母螺栓的制作 (10)
项目六典型工件锉配
任务一锉凹凸配组件 (12)
任务二锉六角镶配组件 (15)
项目八复合工件的制作
任务一燕尾锉配与总装 (18)
项目二锯削技能
任务书
班级_____
队名_____名字___
一、项目零件图
量具___________________________供参考。
锯完后可打磨光整。
3、检测方法
三、项目实施步骤
四、项目考核表
项目三锉削技能
任务一
班级_____
队名_____名字___
一、项目零件图
二、项目分析
锉削姿势
(1)将实习件正确装夹在虎钳中间,锉削面高出钳口面约15㎜。
(2)用旧的300㎜粗扁锉,在实习件凸起的阶台上作锉削姿势练习。
开始采用慢动作练习,初步掌握后再作正常速度练习,要求全部采用一种握法,做顺向锉削。
(3)应自然地将锉刀握正、握稳,眼睛的视线要对着工件的锉削部位,锉削时主要应靠掌握和控制好手的运动轨迹及其位置来达到。
(4)要及时纠正自已的错误姿势,不能让不正确的姿势成为习惯,否则以后再纠正就困难了。
下面所列几种错误姿势,必须注意避免。
注意:
1.握锉刀柄握得过紧与锉削速度太快。
2.锉削时由于左手、右手、身体、两脚动作不协调,操作易疲劳。
3.锉削时两手用力变化没有配合好,手握锉刀运动不平稳
4.站立位置和身体姿势不正确
1、图样分析
尺寸公差________________________
形位公差_________________________
2、所需工量具
工具___________________________
量具___________________________
3、检测方法
三、项目实施步骤
四、项目考核表
目
四
孔
加
工
技
能
任务书
班级_____
队名_____名字___一、项目零件图
1
2、
所
需
工
量
具
工
具
_
__________________________
量具___________________________
3、检测方法
三、项目实施步骤
四、项目考核表
项目五螺纹加工
任务书
班级_____
队名_____名字___一、项目零件图
六角螺母螺栓是标准件,从图样看此工件主要质量要求为:
1、六角对边为19mm,对角为21.9mm,厚12mm,内螺纹公称直径12mm。
2、六角外形两面需倒300角,攻丝前应在底孔上倒1.5X450角。
3、螺母两底面和螺纹面有Ra≤1.6μm,其余Ra≤3.2μm的公差要求。
4、螺栓头部也为六角形,制作方法与螺母同,螺栓为外螺纹应套丝。
1、图样分析
尺寸公差________________________
形位公差_________________________
2、所需工量具
工具___________________________
量具___________________________
3、检测方法
三、
目
实
施
步
骤
四、
项
目
考核表
项目六典型工件锉配
任务书一
班级_____
队名_____名字___一、项目零件图
二、项目分析
此件是一个综合性锉配工件,整体难度较大,但真正做好了这个工件,则钳工锉配基本功也就差不多了。
此件虽难,但将其拆解,其实就是凹凸配、燕尾配、六边形镶配三个典型锉配,然后将其装配在一起。
此件制作时应按三种配合类型分开加工。
此件对各配合精度和装配精度要求都较高,这就要求在单件制作时对每个工件的尺寸公差和形位公差都要严格达标,否则整体上就会有很大误差,会使工件不达标,甚至无法装配到位。
1、图样分析
尺寸公差________________________
形位公差_________________________
项目实施所需工量具
3、检测方法
三
、项目实施步骤
四、项目考核表
项目六典型工件锉配
任务二
班级_____
队名_____名字___
一、项目零件图
二、项目分析
凹凸配是标准件,从图样看此工件主要质量要求为:
1、凹件对边为19mm,对角为21.9mm,厚12mm,内螺纹公称直径12mm。
2、凸件外形两面需倒300角,攻丝前应在底孔上倒1.5X450角。
3、凹凸配有Ra≤1.6μm,其余Ra≤3.2μm的公差要求。
1、图样分析
尺寸公差________________________
形位公差_________________________
2、所需工量具
工具___________________________量具___________________________3、检测方法
三、项目实施步骤
四、项目考核表
项目八复合工件的制作
任务书
班级_____
队名_____名字___
技术要求:
1.件Ⅱ为型接件Ⅰ配件。
2.翻转180°结合单边间隙不大于0.05.
3.加工面粗糙度<=1.6.
4.倒棱,孔口倒棱。
入门指导:
关于曲面圆弧件的划线,特别是确立以中心线划各R圆弧线的方法,以及曲面锉削方法的指导。
注意事项:
1.划线要清晰,按要求不要敲检验样冲。
2.锉外圆弧面时,不要只注意锉圆而忽略了基准面的重点度,以及横向
的直线度。
3.在顺着圆弧锉时,锉刀翘下要大,才易于锉圆。
4.锉内圆弧时,横向锉削一定要把形体锉正,便于推锉圆弧面时锉光。
推锉圆弧时,锉刀要作一些转动,防止端部塌角。
圆弧锉削中常出现以下几种形体误差:不呈多角形,半径过大过小,与基准面的垂直度误差大,加工位置尺寸不正确,表面粗糙度大,纹理不整齐。
练习时应该注意避免。
一、项目零件图
二、项目分析
1)对称度的控制,应以外形基准面作测量基准,先加工一边,再加工另一边(特别注意强调),一步一步达到图纸要求的精度。
2)角度斜面尺寸控制,应借用辅助工具测量棒间接测量,得相关的计算方法。
用测量棒间接测量,得相关的计算方法
B=A-ctg(a/2)×C M=B+d/2ctg(a/2)+d/2 N=M-(E-M)
1、图样分析
尺寸公差________________________
形位公差_________________________
2、所需工量具
工具___________________________
量具___________________________
3、检测方法
三、项目实施步骤
四、项目考核表。