高速铁路路基分解
- 格式:ppt
- 大小:261.50 KB
- 文档页数:16
高速铁路路基结构
高速铁路路基一般由基床表层、基床底层、路堤和地基等部分组成。
其中,基床表层是轨道的直接基础,是基床的重要组成部分,受到列车动荷载的剧烈作用,对轨道的平顺性和稳定性影响很大,通常称为承载层和持力层,是高速铁路路基结构中最为重要的部分之一。
基床表层除了为轨道提供坚实、稳定的基础,还必须具有以下特点:
(1)较大的强度,以抵御外力作用,避免破坏。
(2)足够的刚度,以抵抗变形。
(3)较好的稳定性,以免基床的表层刚度与强度在外界不利因素的作用下发生改变。
(4)为路基提供保护,具有良好的扩散应力的能力。
不良基床表层产生的轨道变形是好的基床表层的数倍,而且差距会随着行车速度的提高而增大。
因此,为了给高速铁路提供较大的路基刚度和强度,需对基床表层进行特别的加强。
无砟轨道正线曲线地段的路基面不应加宽,如果轨道结构和接触网支柱等设施的设置有特殊要求,则应根据具体情况进行分析和确定;有砟轨道正线曲线地段的路基面应在曲线外侧按规定加宽,曲线加宽值应在缓和曲线内渐变。
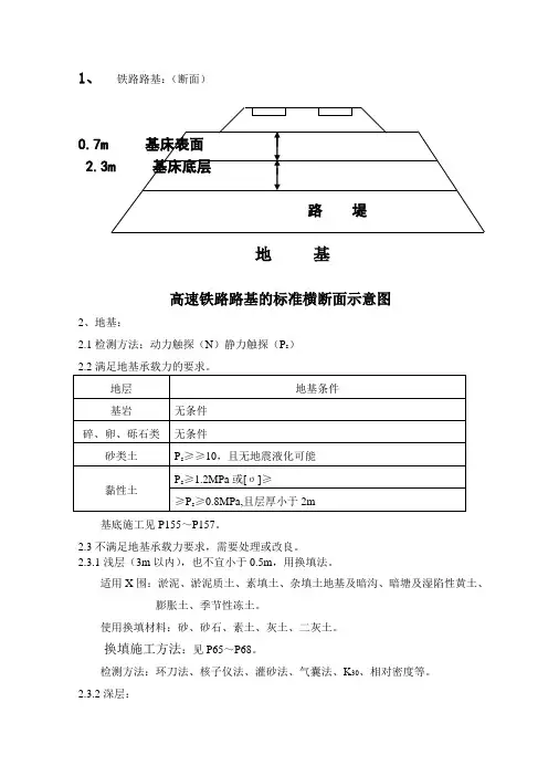
1、铁路路基:(断面)地基高速铁路路基的标准横断面示意图2、地基:2.1检测方法:动力触探(N)静力触探(P s)基底施工见P155~P157。
2.3不满足地基承载力要求,需要处理或改良。
2.3.1浅层(3m以内),也不宜小于0.5m,用换填法。
适用X围:淤泥、淤泥质土、素填土、杂填土地基及暗沟、暗塘及湿陷性黄土、膨胀土、季节性冻土。
使用换填材料:砂、砂石、素土、灰土、二灰土。
换填施工方法:见P65~P68。
检测方法:环刀法、核子仪法、灌砂法、气囊法、K30、相对密度等。
2.3.2深层:施工方法:爆破:高压压力波,使土结构液化,形成密实(P69)。
夯实(指的是强夯):强力夯击达到密实(P70~P72)。
挤密(挤压和振动):指的是砂桩、碎石桩(P72~P82)、土桩(灰土、二灰土)(P82~P86)、石灰桩、粉喷桩、水泥粉煤灰碎石桩(CFG 桩)(P86~P87)。
检测方法:小应变排水固结法:排水系统:水平排水:砂垫层施工(P88~P89)。
竖向排水:砂井(P90~P91)、袋装砂井(P92~P93)、塑料排水板(P94~P96)。
加压系统:堆载法(P96~P97)、真空预压法(P97~P99)、降水法、电渗法、联合法。
图4-14 排水固结系统图4-16 堆载预压施工工艺流程图检测方法:砂井成孔垂直度、深度、砂井装砂是否饱满。
灌浆法:材料要求、施工工艺、施工注意事项、常见问题及对策见P100~P107。
图4-18 灌浆施工工艺流程高压喷射注浆法:浆材选择、施工机械、施工工艺、施工注意事项见P107~P112。
水泥土搅拌法:湿法见P113~P116,干法见P116~P122。
检测方法:荷载板、小应变。
3、路堤3.1填料选择(P30~P31)表我国路基填料分类标准高速铁路最好选择A、B料,C组和改良土也可。
施工要点:土方路堤填筑见P157~P160。
土石路堤填筑见P160~P163。
石质路堤填筑见P163~P165。
简述高速铁路路基结构
高速铁路路基结构是支撑和保护高速铁路铺轨的重要组成部分。
它一般由路堤、路基和道床三部分构成。
首先,路堤是高速铁路路基的主要承载部分,是由填方或者挖方得到的土石料构成的人工土体。
为了确保路堤的稳定性和强度,通常需要进行地基处理,如软土地区的加固、土体加固等。
此外,路堤还需要考虑水文要求,例如排水设施的设置,以防止长期积水对路基造成影响。
其次,路基是高速铁路路基结构的中间层,主要由砂、砾石等材料构成。
路基的作用是分散路堤的荷载,保证高速铁路的平稳运行。
它还可以承受一定的水平和垂直变形,降低因地震、温度等因素引起的影响。
最后,道床是高速铁路路基结构的最上层,是铺设轨道的基础。
道床通常由石子、碎石等材料构成,通过压实和振实来提高强度和稳定性。
道床的设计还需考虑排水、防冻和隔音等因素,以确保高速铁路的安全和舒适性。
除了上述三个部分,高速铁路路基结构还包括边坡、排水设施和防护结构。
边坡的设计和施工是为了防止土体滑坡和侵蚀,同时也能保护
铁路线路的稳定性。
排水设施的设置可以有效排除降雨和地下水对路基的影响,保持路基的干燥和稳定。
防护结构主要包括挡墙、挡土墙等,用于抵抗外部荷载和确保路基的完整性。
总而言之,高速铁路路基结构是确保铁路线路平稳运行和安全的重要组成部分。
它的设计和施工需要考虑各种因素,如土质条件、水文要求、地震影响等,以确保高速铁路的稳定性和舒适性。
同时,路基结构中的边坡、排水设施和防护结构也起到重要的保护作用。
高速铁路软土路基地基处理3.1 软土地基的工程特性软土地基一般是指抗剪强度较低,天然含水率高,天然孔隙比较大,压缩性高,渗透性较小的淤泥及淤泥质土、饱和软黏土、冲填土、杂填土、松散沙土及其他高压缩土层工程的地基。
软土地基的工程特性如下。
1.含水率较高,空隙比较大软土含水率为35%~80%,孔隙比一般为1.0~2.0。
软土的这一特性反映了土中矿物成分与介质相互作用的性质。
在软土中黏土粒组和粉土粒组的含量相对较高,会加剧土粒与水的作用,使含水率较高;土颗粒粒组较小,易形成具有较大孔隙的各种絮状结构,高含水率、大孔隙比是软土的基本物理特征,直接影响到土的压缩性和抗剪强度,含水率越大,土的抗剪强度越小,压缩性越大。
因此,降低含水率和缩小孔隙比是软土地基处理的重要内容。
2.抗剪强度低我国软土的天然不排水抗剪强度一般为C u =5~25kPa ,且正常固结软弱土的不排水抗剪强度,往往随距地表深度的增加而增大,一般每米深度增长率为1~2kPa/m 。
在外荷载作用下,软土的渗透固结,会使其强度显著增长。
因此,加速软土层渗透固结的速率,是改善软土强度特征的一项有效途径。
软土抗剪强度试验值与试验方法、排水条件等密切相关,如采用固结不排水抗剪,黏聚力c 值将有所增大。
因此试验方法、条件应密切联系工程实际及地基的具体条件等,除室内试验之外,还可补充现场原位测试方法,以得到较正确的结果。
3.压缩性高淤泥的压缩系数a 0.1-0.2一般为0.5~2.5MPa-1,最大可达2.95MPa-1,属高压缩性土;淤泥质土的压缩系数a 0.1-0.2一般为0.4~1.0MPa-1,最大可达1.6MPa-1,也属高压缩性土。
压缩系数随着土的液限和天然含水量的增大而增高。
软土的高压缩性是引起地基下沉变形的主要原因,软土的压缩系数具有随着土层埋深的增加而减小的特点。
4.渗透性很小淤泥及淤泥质土的渗透系数一般为2×10-7~3×10-8cm/s 。