物料编码编写规则管理规范-2019-01-23
- 格式:docx
- 大小:56.77 KB
- 文档页数:10
1.目的:建立物料代码和进厂编号的编制程序,便于企业物料现代化管理,以利物料质量的可追溯性,避免和减少差错。
2.范围:生产用原料、辅料、包装材料验收、入库、登记、保管、贮存、使用全过程。
3.责任:供应、仓贮、质量、生产及所有相关部门的人员本规定的实施负责。
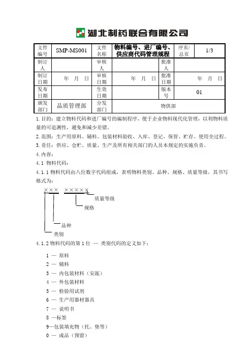
4.内容:4.1 物料代码:4.1.1 物料代码由八位数字代码组成,表明物料类别、品种、规格、质量等级,其书写格式为:4.1.2物料代码的第1位—类别代码的定义如下:1 —原料2 —辅料3 —内包装材料(安瓿)4 —外包装材料5 —检验用试剂6 —生产用器材器具7 —说明书8 —标签9—包装填充物(托、垫等)0 —成品(预留)4.1.3物料代码第2、3位是品种代码:从00~~99,同一类别下的品种代号是唯一的,不可重复,如纯水—20;注射用水—10。
4.1.4 物料代码第4、5、6、7位是规格代码,编号规则为:第4 位表示整数个位有效数字,第5位表示小数点后第1位有效数字,第6位表示小数点后第2位有效数字,第7位代表前3位有效数字后面乘以10的n次方数,例如:一种单位容积为2ml的物料的规格编号为:2000,表示2.00ml×100,一种单位重量为2500g的物料的规格编号为:253,表示2.5×103;一些规格不容易定量描述的物料规格编码由编制者自行定义,原则是:可以识别同一种类别、品种而不同形状、颜色、体积或应用于不同的产品的物料。
4.1.5 第8位代码在物料中表示的是质量等级代码,表示质量等级,例如:1表示优质纯或最高质量等级的物料,2表示比1级低一级质量等级的物料,以此类推;0表示没有等级要求;在成品中表示的是容量代码,表示成品的容量,例如:1表示1ml,2表示2ml,依此类推。
4.1.6 物料代码编号举例:1种规格为1ml的药用级安瓿,物料代码可编为:301 100014.1.7 物料代码对照表(附表1)由供应部门管理人员依据质管部提供的生产用物料一览表来编制成册(一览表应注明物料的品种、规格、性状、质量级别、国别、贮存条件、用途等相关内容),并发放到所有相关部门和人员。
物料编码规则物料编码规则一、编码体系的建立应遵循的五大设计原则:1、唯一性:保证编码的唯一性,是编码的根本原则,其他原则都是可考虑的;2、通用性:代码结构要简单明了,位数少;3、使用性:便于使用,容易记忆;4、扩展性:便于追加,追加后不引起体系混乱;5、效率性:适宜计算机处理、适宜快速录入、适宜辨认。
二、编码中易犯的错误:1、同物异码,异码同物,不唯一现象;2、总是想将信息的各种属性都在编码中体现;3、将编码设计的很长三、编码的类型:1、数字码:全部代码均用数字0-9组成,使用方便,简单易记,首选方法;2、连续码:项目按数字顺序编号,优点:简单明了,易于追加,但代码无分类功能,其组织和体系较差。
四、建议采用的编码规则:企业采用了计算机管理后,计算机本身并不能理解像传统编码那些隐含意义。
因此完全可以用单独的一些数据场分别描述产品和零件的有关属性,而不必将这些信息强行纳入零件号的各位字符中去。
在erp系统物料中已经有足够的字段来另外描述各类物品的有关意义,如分类,类别,类型,用途、、、、、、等。
1、物品(零件)的编码的功能就是唯一识别这个物品(零件)。
2、零件号应当是一个唯一的识别码,而不是描述符。
3、尽量不要在编码中描述这个物品(零件)的任何属性;4、每一个需要计划排产的项目(产品、部件、零件毛坯、材料等)要有一个零件号;5、物品(零件)号的长度应当尽量的短;6、具有适当的助记和简单分类的功能。
五、物料规则参考:1、物料编码规则之一:一义性,同一个物料编码号只能代表一个物料编号,不能由两个或多个物料编号共用一个编号。
2、物料编码规则之二:整体性,物料编号必须覆盖所有的物料,有物料就必须有编号,在将来增加物料时,必须可以扩充。
3、物料编号规则之三:易用性,物料编号最好易于识别,看到物料编号就能知道该物料编码所代表的实际物料。
六、建议方案:物料编码由六位数,三部分组成:从左起第一位为物品的分类代码,第二位为物品的类别代码,第三位到第五位为物品的顺序号。
物料编码规则物料编码系统是统一物料编号的基本规则,是物料识别、排序和查找的有力工具。
主要内容是物料分类和编码、存储要求、查询要求等。
2.物料编码系统的建立原则(1)规范性原则:应具备规范性,各料号应均具有明确的意义和实质内涵;(2)管理性原则:料号设计要易于管理,编码要便于记忆和理解,以及进行可靠的识别、对比、查找和排序;(3)科学性原则:编码应以科学的原理进行设计,具有一般通用的特征,体现物料的准确性和通用性;(4)合理性原则:应与物料资料的保管、管理、储存等各方面的需要相协调,同时还要节约物料的使用、投资和储存空间;(5)单一性原则:物料编码不能具有重叠性,不能使用重复的编号,必须保证唯一性;(6)可拓展性原则:料号编码应考虑预留功能,便于将来的扩展,保证编码的完整性。
二、物料编码系统的分类物料编码系统可根据物料类别和其他特点进行分类。
常见的物料编码分类有:类别编码、区分编码、规格编码、属性编码、历史编码、区域编码、功能编码等。
1.别编码类别编码是将物料根据类别、系列、结构等归类编号,划分了物料类别的不同维度,主要有以下几类:(1)物料类别编号:按物料的大类编号;(2)物料系列编号:按物料的系列划分编号;(3)物料结构编号:按物料的结构特征编号;(4)物料成份编号:按物料的成份属性编号。
2.分编码区分编码是按物料的功能、用途、应用特性等分类划分的编号。
主要有以下几类:(1)物料用途编号:按物料的用途特征编号;(2)物料应用编号:按物料的应用特征编号;(3)物料功能编号:按物料的功能性特征编号。
3.格编码规格编码是按物料的规格、尺寸、材质等分类编号,主要有以下几类:(1)物料规格编号:按物料的规格参数编号;(2)物料尺寸编号:按物料的尺寸参数编号;(3)物料材质编号:按物料的材质参数编号。
4.性编码属性编码是按物料的外形属性,特性、型号、灯具型号等分类编号,主要有以下几类:(1)物料外形编号:按物料的外形特征编号;(2)物料特征编号:按物料的特性特征编号;(3)物料型号编号:按物料的型号特征编号;(4)灯具型号编号:按灯具的型号特征编号。
物料编码原则及规则指导说明书第一节物料编码的意义物料编码是以简短的文字、符号或数字、号码来代表物料、品名、规格或类别及其他有关事项的一种管理工具。
在物料极为单纯、物料种类极少的工厂或许有没有物料编码都无关紧要,但在物料多到数百种或数千、数万种以上的工厂,物料编码就显得格外重要了。
此时,物料的领发、验收,请购、跟催、盘点、储存等工作极为频紧,而藉着物料编码,使各部门提高效率,各种物料资料传递迅速、意见沟通更加容易。
物料编码之功能如下:Ø 增强物料资料的正确性物料的领发、验收、请购、跟催、盘点、储存、记录等一切物料之活动均有物料编码可以查核,因此物料数据更加正确。
至于一物多名,一名多物或物名错乱之现象不致于发生。
Ø提高物料管理的工作效率物料既有系统的排列,以物料编码代替文字的记述,物料管理简便省事,效率因此提高。
Ø利于电脑的管理物料管理在物料编码推行彻底之后,方能进一步利用电脑作更有效的处理,以达到物料管理之效果。
Ø降低物料库存、降低成本物料编码利于物料库存量的控制,同时利于呆料的防止,并提高物料管理工作的效率,因此可减轻资金的积压,降低成本。
Ø防止物料舞弊事件之发生物料一经编码后,物料记录正确而迅速,物料储存井然有序,可以减少舞弊事件之发生。
Ø便于物料之领用库存物料均有正确的统一的名称及规格予以编码。
对用料部门的领用以及物料仓库的发料都十分方便。
第二节物料编码的原则物料编码必须合乎物料编码的原则,合理的物料编码,必须具备下列基本原则:简单性、分类展开性、完整性、单一性、一贯性、可伸缩性、组织性、适应电脑管理、充足性、易记性。
一、简单性编码的目的在于将物料化繁为简,便于物料的管理,如果编码过于繁杂,则违反了编码之目的。
因切此物料编码在应用文字符号或数字上应力求简单明了,这样可节省阅读、填写、抄录的时间与手续,并可减少其中的错误机会。
物料相当单纯时,只要将物料简单分类为几项即可,物料分类项目多了,就显得很不方便。
目的:建立一个物料代号及编码管理规程,便于物料管理,防止混淆。
范围:本规程适用于所有物料代号及编码的管理。
产管生产管理部经理、质量管理部经理、仓库主管、车间主任、仓管员。
职责:规程:1 根据GMP的要求,结合本公司的实际情况,确立本公司的成品代号、试剂代号、物料代号及物料编码的编写规定。
2物料分类:3.1.1 试剂代号组成:分类号+顺序号,顺序号由3位数组成。
3.1.2 物料与成品代号组成:分类号+顺序号,顺序号由3位数组成,顺序号的第一位数为品种代号,第4、5位表示产品序号。
“1”代表前处理,“2”代表胶囊剂,“3”代表口服液,4代表各车间共用物料。
3.1.3 举例:WLC2001表示胶囊剂的第一个成品; WLF4002 表示各车间共用的第二个辅料。
4物料进厂编码的编写4.1 所有购进物料必须给定一物料进厂编码,物料进厂编码由12数组成。
根据编码能控制物料的先进先出。
4.2 编码格式按如下顺序:代号年份月份顺序4.2.1 “1”-“6”位即物料代号。
4.2.2“7”-“12”位表示如下:年份“7、8”位表示物料入库年份;月份“9、10”位表示物料入库月份;顺序“11、12”位表示物料每月入库顺序号。
4.2.3 举例:WLF2001-041101表示2004年11月进库的胶囊剂车间使用的第一个辅料的第一批;WLB4002-041102 表示表示2004年11月进库的各车间共用的第二个包装材料的第二批。
5仓库应根据本规程制定公司所有物品的代号表及编号表。
6附件附件一:原料代号表;附件二:辅料代号表;附件三:包装材料代号表;附件四:中间产品代号表;附件五:成品代号表;附件六:试剂代号表;附件七:其他材料代号表;。
物料编码规则物料编码是按照一定的规则编制编号的一种技术。
它被用于在物料管理、物料标准化、仓库管理等活动中,将物料划分成不同类别和子类别,进行标识、统计和管理。
物料编码可以帮助使用者更轻松地跟踪物料、查找物料、记录物料的变更和替换等。
物料编码的编制规则有很多,但通常由一组特定的字符构成,如字母、数字、符号等。
然而,要制定一个有效的物料编码,就必须考虑到数据的可阅读性、记忆性和容易使用性。
一般来说,物料编码可以由6至8个字符组成,但最合适的规格要根据不同情况而定。
物料编码规则一般分为以下四个部分:1、前缀:前缀是一组字符,用来识别物料的类别和子类别,例如塑料制品、金属制品、服装等。
这些字符可以是字母、数字或符号,可以是任何具有特殊含义的字符。
2、编码:编码用来识别物料的子类别,一般是以字母或数字的组合组成,例如无烟钢的编码为45,碳钢的编码为55,耐磨钢的编码为05等。
3、次码:次码用来识别物料的明细,包括材质、形状、长度等,也可以用上述方法进行编码,例如长度为6厘米的无烟钢条的次码应为6CM-45。
4、后缀:后缀可以添加一些额外的信息,比如物料的批次、年份、规格等,一般由数字或字母组成,例如2019年生产的无烟钢条,其次码应为_____-45-2019。
物料编码的设计不仅仅是技术上的问题,同时也是一个组织的管理思想和管理结构的反映。
物料编码的制定,必须考虑到企业的基本管理需要,如企业的物料类别、存放地点、日常管理需要等。
只有深入地了解企业管理情况,才能设计出最恰当的物料编码,为企业的物料管理提供更有效、高效的支持。
总之,物料编码规则是企业物料管理的基础,有效的物料编码有利于信息管理的高效性,必须按照一定的规则,有效地构建企业的物料编码体系,以便基于企业的物料管理需要,实施有效的物料管理。
物料编码管理制度模板一、目的为了规范公司物料管理,提高物料识别效率,确保物料信息的准确性和一致性,特制定本物料编码管理制度。
二、适用范围本制度适用于公司内所有物料的编码工作,包括原材料、半成品、成品、辅助材料等。
三、编码原则1. 唯一性:每种物料的编码必须唯一,不得重复。
2. 稳定性:编码一旦确定,不得随意更改。
3. 可扩展性:编码系统应具备一定的扩展性,以适应公司发展需要。
4. 简单性:编码应简洁明了,便于理解和记忆。
5. 通用性:编码应具备一定的通用性,便于内外部交流。
四、编码结构物料编码由以下几部分组成:1. 类别码:表示物料的类别。
2. 系列码:表示物料的系列或产品线。
3. 规格码:表示物料的具体规格或型号。
4. 版本码:表示物料的版本或修订状态。
五、编码规则1. 类别码:由2位数字或字母组成,代表物料的大类。
2. 系列码:由2位数字或字母组成,代表物料所属的系列或产品线。
3. 规格码:由3位数字组成,代表物料的具体规格或型号。
4. 版本码:由1位字母组成,代表物料的版本或修订状态。
六、编码流程1. 提交申请:需要编码的物料由使用部门填写《物料编码申请表》。
2. 审核评估:物料管理部门对申请表进行审核,评估物料编码的必要性和合理性。
3. 编码分配:审核通过后,物料管理部门根据编码规则进行编码分配。
4. 通知确认:将分配的编码通知使用部门,并确认无误。
5. 系统录入:将确认的编码录入物料管理系统。
七、编码变更管理1. 变更申请:若需变更物料编码,由使用部门提出申请,并说明变更原因。
2. 审核批准:物料管理部门对变更申请进行审核,必要时组织相关部门讨论。
3. 变更实施:审核批准后,由物料管理部门负责实施编码变更,并更新系统信息。
4. 通知相关部门:变更完成后,通知所有相关部门,并确保变更信息的传达。
八、监督与执行1. 物料管理部门负责本制度的执行监督,确保编码的正确使用。
2. 对违反编码管理制度的行为,物料管理部门有权要求其改正,并记录在案。
仓库物料条码编制规则1. 范围本标准规定了产品零部件物料条码的编制规则。
本标准适用于电三轮、四轮产品物料条码的管理。
2. 定义及术语2.1 条码由一组规则排放的条、空及对应字符组成,表示一定信息;条、空组合部分称为条码符号,对应符号部分由一组阿拉伯数字、字母或符号组成称为条码代码。
2.2 一对一的管理的关重件指对每一件关重件,按其制造完工或交货顺序编制独立的顺序码,实行采购、贮存、装配、检测、销售及服务全过程单件管理。
3. 要求3.1 所有产品零部件及物料均应进行条码管理,其中一对一管理的关重件实行采购、贮存、装配、检测、销售及服务全过程单件条码管理与控制;其他产品实行库房进、出料条码管理与控制。
4. 条码编码规则4.1 物料条码外购物料:公司代码为ZM8,对于自制物料:公司代码为ZM8+自制代码0304.1.1 (采购关重件物料)物料条码中的识别码由(公司字母代码+供应商字母代码)+ LOT NO批次/单件码 + 零部件编码共三部分(不包括“* ”)组成。
采购关重件:电机、控制器等。
下图规定,其中“* ”必须有。
4.1.2 正民车业公司采购件代码:ZM8 + 供应商厂商代码:字母6,供应商代码由有供应商关键字字母简称+06数字组成,供应商代码由采购部定义并负责授,共计6位。
4.1.3 批次/单件码由 LOT NO:由供应商提供,要求:比如说巨杰公司2013年6月28日送货电机500W的2批,第一批LOT NO:2013062801,第二批为:2013062802,以此类推....型式按图规定,共计10位。
4.1.4 零部件编码:由仓库负责提供,在可知零部件编码的状态下,可以通过仓库系统或台账调出此零部件:具体的名称、型号、供应厂商、入库日期、批次号、入库数量等,共计10-12位。
4.1.5零部件编码基本建立之后,后续维护和添加统一由技术部进行编制。
备注:1、公司代码为:字母+数字,6位;2、LOT NO/批次码:年月日+流水号:10位;3、零部件编码:10-12位。
物料编码管理规程1. 目的:建立物料的编码管理规程,规范物料管理。
2. 范围:进厂原料、辅料、包装材料的编码。
3. 责任:仓库管理员、质量部QA、QC人员、物流部门负责人。
4. 内容:4.1 由授权仓库保管员担任编码工作。
4.2 该保管员经过编码培训,了解编码原则、含义,掌握编码方法,可对物料进行正确编码。
4.3 所有进厂的原料、辅料、包装材料均应给出一个编号,此编号独一无二、一经确立,绝不重现。
4.4物料分类码编码原则:按物料的种类分为:原料(原药材)、辅料、包装材料。
4.5 物料识别码编码原则:识别码按物料的使用频率编码。
每种物料有一个特别的识别码,不能因为物料的有无而随意更改变换。
4.6 进厂编号原则4.6.1 进厂编号应该表示出物料的进厂时间、次数。
4.6.2 进厂编号应该表示出物料的类别。
4.6.3根据进厂编号应能控制物料的先进先出。
4.6.4每种物料有一特定的识别码,此码一经确立,不再改变。
4.7 编号方法4.7.1 识别码编号公式物料识别码,可根据该类物料的使用频率排序号。
(如:0017表示频率排序为17的物料。
)4.7.2 进厂编号方法4.7.2.1 编码分四部分:物料分类码、物料识别码、物料进厂日期、流水号。
4.7.2.1.1 物料分类码------指物料的分类类别,如原料(原药材)、辅料、包材、特殊材料等。
4.7.2.1.2 物料识别码------每种物料均有一定固定的识别码,此码一经确立不再改变。
4.7.2.1.3 物料进厂日期------为各种物料接收日期,编码以到月为止。
一个月内同时接收多种物料时,均为同一日期,此码可重复使用。
4.7.2.1.4 月流水号----------此码为企业接收物料的先后次序号;从每月中的首批进料顺序编至最后一批;在同一月度内,各种物料或同种物料,既使在同一时刻接收必须顺序编码,不准重复;每月首批进料均编为1号,余者下推。
4.7.2.2 举例说明:物料分类码----物料识别码---物料进厂日期---月流水号例1:Y------0001--------0106---------168原料---淀粉--------2001年6月----2001年6月进厂的第168次物料。
物料编码管理程序1.0 目的为了在保证物料管理连续性的基础上,进一步完善物料的管理,以使所有的物料料号命名得到规范和统一,特编写此规则,力争做到:1.1反映材料的主要特征;1.2能区别同类物件的不同物料;1.3易懂,易记忆1.4方便书写、记录和计算机输入。
2.0 范围适用于本公司原料、采购件、自制件、产成品的编码。
3.0 术语物料:该物料是指对原料、辅料、外购件、自制件、成品车件、退回品/不良品的统称。
4.0 职责1.1 技术部负责公司物料的编码添加,确保不重码、确保及时性。
1.2 原料、辅料、外购件由采购部向技术部申请编码,自制件、成品车件、退回品/不良品由仓库向技术部申请编码,然后技术部负责将制订的编码通知各相关部门。
5.0 工作程序5.1 物料编码规则的基本原则及运作方式5.1.1 编码应体现科学化、标准化、规范化、合理化。
5.1.2 具备唯一性:所有物料均应按照本编码规则编制物料编码。
每种物料的编码是唯一的。
5.1.3 可以扩充:适当留下可扩充之流水号,避免新增料号无法加入而致使料号重编。
5.1.4 反映重要属性:需加以大中分类以利于以后报表的整理。
物料编码应具有一定的意义,但又不能包含太多的意义,以免影响编码的通用性与适用性。
5.1.5 变动属性不纳入:属于部门、供应商、客户、员工等属性不纳入编码。
物料编码中包含的含义只是一些不会变的属性。
5.1.6 物料编码在物料整个流程是不变的。
5.1.7 码长定为10位,用阿拉伯数字表示,0-9个数字组成。
5.1.8 物料代码的分配、添加,统一由公司技术部负责,并及时通知相关部门,做信息反馈。
5.1.9 物料将以其编码为主体运作,各相关受控或不受控的文件、业务单据、BOM等均使用物料编码。
5.1.10 物料编码的大、中各类及明细可随公司的需要而增加,但不可删改。
5.2 物料编码结构编码结构——由10位码构成5.3 码位说明5.3.1 一级编码(二位):可以建立19个库,一般7-8库就可以满足生产用物件的库名。
物料编码规则范文一、前言:物料编码是企业在管理物料和产品过程中的重要环节,它直接关系到企业的物料管理效率和准确性。
为了规范企业的物料编码,提高物料管理的效率和准确性,特制定此物料编码规则。
二、编码原则:1.唯一性原则:物料编码必须具有唯一性,任何两个物料的编码不得相同。
2.结构化原则:物料编码应具有明确的结构,能够反映物料的属性和特征。
3.便捷性原则:物料编码应简洁明了,方便使用和记忆。
4.可扩展性原则:物料编码应具备扩展性,能够适应企业发展和业务变化的需要。
三、编码结构:1.主码段:主码段用于表示物料的大类或类别。
主码段长度为3位,分为数字和字母两种编码方式。
2.子码段:子码段用于表示物料的细分类或型号。
子码段长度为6位,只使用数字编码方式。
3.扩展码段:扩展码段用于表示物料的其他属性或特征,如颜色、尺寸、材料等。
扩展码段长度根据需要确定,可使用数字或字母编码方式。
四、编码示例:1.主码段示例:-A01:原材料-B02:半成品-C03:成品-D04:辅助材料-E05:包装材料2.子码段示例:3.扩展码段示例:-01:红色-02:蓝色-03:绿色-04:黄色-05:白色五、编码管理:1.编码分配:企业应设立专门的编码管理部门或岗位,负责物料编码的分配和管理。
2.编码维护:编码管理部门或岗位应定期对物料编码进行维护和更新,确保编码的准确性和完整性。
3.编码查询:企业应建立物料编码库,方便员工查询和使用物料编码。
4.编码变更:如有特殊情况需要更改物料编码,应经过编码管理部门或岗位的审批和记录。
六、编码应用:1.采购管理:物料编码可用于采购需求的申请和审批过程中,提高采购效率和准确性。
2.入库管理:物料编码可用于入库操作中,快速识别物料并录入系统。
3.出库管理:物料编码可用于出库操作中,方便快速拣货和发货。
4.盘点管理:物料编码可用于库存盘点过程中,提高盘点的准确性和效率。
5.销售管理:物料编码可用于销售订单的生成和处理过程中,方便产品的销售和跟踪。
精品文档(可编辑)——欢迎下载物料编号方法与规定1. 总则1.1 制定目的将公司各种物料依其性质归类并予以编号,以利治理方便及电脑处理作业方便。
1.2 适用范围本公司原材料、零件、组件、在制品、成品之编号,悉依本原则执行。
2. 编号原则2.1 责任单位(1)项目部(技术部)负责物料编号原则的制定与修改工作。
(2)工程部(生技部)负责物料的编号工作,一般在产品用料明细表制定及技术变更过程。
2.2 编号总体规则(1)物料的编号只采用“字母”、“阿拉伯数字”和DASH符号(一),不可使用其他符号(包括中文),以方便电脑作业。
(2)编号总字符数,包含DASH 符号(一)在内,不可超过18 个,在可识别的情况下,编码可少则少。
(3)相同物料只对应一个料号,一个料号也只对应一种物料。
(4)制品经过一个加工工程再入库时,其料号应发生变化。
如:塑料制品成型后有料号,随后送往电镀厂,则电镀后的制品料号与电镀前的料号不同。
3. 成品编号规定公司成品编号采用13 个字符编列且缺一不可,其外形如下:C P□□□-□□□□-□□3.1 第一、二码“CP”代表成品的缩写。
3.2 第三、四、五码属公司产品类型编码,不同类别产品有不同的编码,用阿拉伯数字表示,此码不可缺少,如“235”3.3 第六、十一码“-”区隔号3.4 第七、八、九、十码为客户代码,用阿拉伯数字表示。
(1)第七码代表客户所在洲别,如:1 代表亚洲,2 代表欧洲,3 代表北美洲,4 代表南美洲,5 代表非洲,6 代表大洋洲。
(2)第八、九、十码代表客户,依该地区客户开发先后顺序从001 开始编排。
3.5 第××、十三码规格代码,用阿拉伯数字表示(〔注〕也可用字母表示,请参照本公司产品的特性来处理,如有些公司产品以颜色的不同来区分,故用英文“R”表示红色,“W”表示白色等等)。
依客户对该型号产品先后下单的不同规格用01、02 流水号表示。
4. 原材料、在制品(半成品)编号规定原材料、在制品编号采用 18 个字符编制,但不一定要编满 18 个字符。
物料编码规则
物料编码,又称“物料号码”或“物料代号”,是企业物流管理的基础工具,它可以帮助企业更快捷的维护、查询、统计和管理企业内部物料信息,便于企业实施更加高效的物流管理。
物料编码规则,是企业设立物料编码的标准。
物料编码规则应该满足企业对物料信息管理的需求,以及对物料编码格式的要求,保证物料编码能够符合企业未来业务发展的需求。
企业物料编码规则应该满足以下要求:
一、物料编码内容及格式
1、物料编码应能清晰的表达物料的类别,形态、规格等信息,并且物料编码的格式应能明确的表示物料的信息,能够满足企业物料管理的需求。
2、物料编码的长度要根据企业的业务需要而定,编码的长度不宜过长,也不宜过短。
3、物料编码中不能出现单个字母或单个数字,并且不能出现重复的部分,以免造成混淆。
二、物料编号规则定制
1、编号规则定制时,应根据企业业务的需求而定,要求编号简洁清晰,结构完整,可根据企业需求定义编号规则。
2、编号规则定制需要考虑物料的类型,来源和用途,并考虑物料的衍生和变化,以便能够满足企业的物料管理和信息追溯的要求。
三、物料编码设计
1、物料编码设计要求编码的内容及格式要合理、完整,编码要有一定的结构性,能够更好的管理物料信息。
2、物料编码设计应遵循“稳定、靠前、标准化、精简”的原则,并且要尽可能的简短,以方便企业的物料编号的使用和查询。
总之,企业物料编码规则是企业物流管理的基础工具,设置和定制合理的物料编码规则,可以有效的提升企业的物料管理水平,节省成本,提高物料的生产效率和物料管理的效率,实现企业的高效管理。
如此,企业在设置、定制物料编码时,一定要认真细致、规范完善,保证物料编码的质量。
物料编码管理规程
1.目的:建立物料的编码管理规程,清楚辨别各种物料品名及进库日期。
2.职责:进库原料、辅料、包装材料。
3.范围:仓库保管员。
4.内容:
4.1.由仓库保管员担当编码工作,对进库物料正确编码。
4.2.全部进库的原料、辅料、包装材料均应给出一个物料识别码,此编码独一无二,一经确立,绝不重现。
4.3.编码原则:
4.3.1.进库物料编号须表示物料的进库时间、次序。
4.3.2.依据进库物料编号,应能把握物料的先进先出。
4.3.3.每种物料有一特定的识别码,此码一经确立,不再转变。
4.3.4.同一品种使用不同包装规格的物料及同一物料规格不同的包装材料,应分别给出不同的编号。
4.4.编码内容:
4.4.1.编码分二部分:分类代号、物料编号(流水号)。
4.4.2.物料识别码每种物料均有一个固定的识别码,此码一经确立,不再转变。
4.4.3. 物料分类编号格式
□□□——□□□□□□
———————
分类代号物料编号(流水号)
例:Y006-----101205
6号原料是10年12月累计第5批次。
4.4.4.流水号为仓库接收同一物料在同一月内的先后次序号;从每月中的首批进料挨次编起编制到当
月最终一批;流水号每月一排列。
4.5. 编码后填写物料总帐、请验单。
4.6. 质管部取样员须将编号填写在取样证及检验报告单上。
附:物料编码名目
一、原料编码
二、辅料编码
三、包材编码
四、中间产品编码。
一、目的为配合公司资源规划(后续 ERP)系统操作,联合公司此刻使用的物料状况,一致拟订物料分类、编码规则及保护文件,用于规范物料的领发、查收,采买、跟催、清点、生产、储藏、核算、统计报表等全部物料活动。
防止出现一物多名、一物多码或物名错杂之现象。
二、合用范围本公司成品、在制品(半成品)、原资料、协助物质、客供物料、外协产品之编码均悉依本管理规范履行。
三、职责权限、研发中心负责本规范的拟订、改正、取消之草拟工作。
、总经理负责本本规范的拟订、改正、取消之批准。
四、编码规则、物料编码的独一性,一个物料编码只好对应一个物料,相同一个物料也只好对应一个物料编码。
、物料编码按其在整个生产过程中所处的地点、物料的材质与用途进行分类编码,同类物件每次编写格式应一致相同,比方小类资料长、宽、高度、直径或厚度,别乱序。
、在制(半成品)原则上每经过一道加工工序都要有一个物料编码,但不需要入库或有必需时入库。
、物料编码所有采纳“阿拉伯数字”进行编写,不行使用其余符号(包含中英文)编码,以方便后续推行电脑条码作业。
、物料编码按物件环保性质划分,办公耗材、非 ROHS产品波及的物件编码开头为“ 0”,ROHS产品波及的物件编码开头为“ 9”;物料编码按类型分六大类为一级编码。
、原资料、协助物质与客供物料的编码按类型由一级编码( 大类 ) 2 位、二级编码(中类)2 位、三级编码(供给商或客户代码) 3 位及四级编码(小类) 2 位及物料辨别码7 位构成,物料编码长度共16 位数字。
、物料编码之代码因为物料过多没法所有编写在册,产品新增或不停升级致使物料编码也在不停增添,只要在其归属一级编码( 大类 ) 2 位、二级编码(中类) 2 位、三级编码(供应商或客户代码) 3 位、四级编码(小类) 2 位及物料辨别码7 位构成;列表中增添即可,编码以其归属栏位末位递加进行增添。
、一级编码大类规定代码明细表一级原材协助客供外协半成成品不决编码料物质物料产品品义非01 02 03 04 05 06 00 ROHSROHS 91 /93 94 95 96 90二级二级编名称码0塑胶件10硅胶软2胶0五金件30机电类40电子类50包材60附件70辅料8供给三商级编(客码户)名称四应用单级编四级名称名称位码01 外观塑胶件手柄外个壳02 注塑后无加工塑个胶件03 原料克01 硅胶仿真外形个02 按钮按键个03 其余个01 轴类根02 轴承铜套个03 弹簧个04 法兰类个5弹介6平垫07螺母个8梅花介9铜柱10螺丝11散热器12 外壳个01 磁铁块02 矽钢片组03 电机马达(外购)个01 模块块02 接插件个03 电池个04 导线米05 电子元气件个6充电器01 外箱、彩盒、胶袋套02 说明书、保修卡、个标贴01 无需组装的完整润滑剂瓶配件手套包USB充电根线01 装机辅料扎带条热缩管cm生产胶克水封箱胶cm双面胶cm焊锡克热熔胶克绝缘油克02 擦机辅料酒精克抹布克天那水克03 注塑辅料防锈剂克脱模剂克04 周转辅料泡泡袋个塑料袋个0 3D 打印01 套91 办公用01 办公器具计算器0 品类02 钉书机03 文件夹04 打孔机05 墙纸刀1 办公用06 办公低值易耗品笔类0 品类07 纸类08 档案袋09 钉书针11 请柬贺卡1 劳保卫01 手套1 生类02 口罩03 工衣04 洗手液05 碎布06 肥皂1 外发加01 贴片2 工 / 二次加02 喷涂工03 加工1 工具类01 手动工具刀具3 02 手持电动工具03 工具附件1 工装夹01 工装夹具定位夹套4 具模具类具定形夹套具02 注塑模具套03 五金模具套04 外发模具套05 周转器具周转箱套周转小车06模具配件套7工装、模具维修制造原资料08 工装、模具维修制造辅料1 量具类01 卡尺5 万用表钢尺卷尺湿度计噪声仪1 设备设01 生产设备超声波6 施类机砂轮机测试机仪器绕线机02 检测设备仪器03 办公设备电脑办公桌文件柜电扇椅子开关插04 设备设施维修配座件资料电线05 设备设施维修辅电工胶料布机油油漆、电子元器件物料辨别码定义明细表特材封代功代误代规代代性质或颜装码率码差值码格码码色金直11/81 % 1 1 欧0011插W属膜碳04021/42 1% 210010 22 W 欧膜水06031/23 5% 3100101 电33 W 欧泥阻线0804 1W 4 10% 4 1K 10245绕热1205 2W 5 15% 5 10K 10356敏可1216 3W 6 20% 6 10010460 K 调压7 1817 5W 7 25% 7 1M 105敏 2排8 2518 10W 8 10M 106阻 22529 20W 9 1001070 M普1 直1 1 % 1 1PF 001通插涤2 0402 10V 2 1% 210010沦 2 PF电电3 0603 25V 3 5% 3100101容解 3 PF线4 0804 50V 4 10% 4 1nF 102绕 5云5 1205 63V 5 15% 510n103母 6 F钽 6 12161006 20% 6100104 0 V nF独7 18172507 25% 7 1UF 105电石 2 V容磁8 2518400810106片 2 V UF防9 25291009100107爆0 0V UF自1 玻150m112V 1复式璃 a快2 陶2100224V 2熔瓷ma慢3 直3500335V 3熔插ma贴1a4 50V 4规格型号定义保片以电流、电压及长险管5a 5 100 5度为代码V10a 6 250 6V20a 7 380 7V30a 850a 9骨 1 直 1 1% 2 10 00架插uh 10电磁 2 040 2 5% 3 100 01 部分电感以漆芯 2 uh 01 包线线芯规格定义感绕 3 060 3 10% 4 1 01 代码线 3 mh 02端子、插座PC B 属膜 5工 5 120字 66 25127 2528 大贴片白 1直插弯黑2插红3米4白镀单1铜面镀2双锡面mh 035 20%6 100 01mh 046 25%7 1 h 01057 10 01h 068 100 01h 071 2P 112 3P 224P 3 3 规格型号代码8P44 定义以插座颜色、位数及脚距及大10P 5 5 小,不足部分前缀12P 6 6 以 0 填充14P 7 716P 820P 91 12 2 规格型号代码定义以产品实质规格型号、厚度,足部分前缀以0 填充四 3 3层P 4 规格型号代码定义以产品实CB 5际规格型号,足部分前缀以 0 填充NP1 直1N 插三PN2 塑2极管、P 封规格型号代码定义以实质规格型号,不足部分场效金3 前缀以 0 填充应管属贴4片无1 贴1晶源片规格型号代码定义以晶振频次、电压及实质规振有2 直2格型号,不足部分前缀以 0 填充源插普 1 直 1二通插规格型号代码定义以颜色、封装、实质规格型极管稳 2 CO 2 号,不足部分前缀以0 填充肖 3 06 3 特基03白 4 08 4 色05双 5 12 5 色06叁 6 12 6 色10红718 7 12绿825 8 12蓝925 9 20I贴1片规格型号代码定义以 IC 脚位数目、实质规格型号,不足部分前C、直 2 缀以 0 填充光耦插船1形开拔2 规格型号代码定义以开关脚位数目、实质规格型号,不足部分前关动缀以 0 填充编3码直1蜂插规格型号代码定电压及实质规格型号,不足部分前缀以0 填充鸣器贴 2片、在物料编码编写过程中出现不波及项次或还不决义编码时,暂定为不决义以“00”代替。
物料编码管理制度第一章总则第一条为了规范物料编码管理,提高物料管理效率,确保物料信息的准确性和一致性,特制定本制度。
第二条本制度适用于公司所有物料的编码管理,包括原材料、成品、半成品、配件、工具、消耗品等。
第三条物料编码管理的目标是实现物料的唯一性、标准化、规范化,确保物料信息的可追溯性和一致性。
第四条物料编码管理遵循以下原则:(一)唯一性原则:每个物料必须有一个唯一的编码。
(二)标准化原则:物料编码应遵循国家或行业标准。
(三)规范化原则:物料编码应规范、简洁、易于识别。
(四)可追溯性原则:物料编码应能追溯到物料的来源、生产、流通等信息。
第二章物料编码的编制和维护第五条物料编码的编制应由相关部门共同参与,包括采购、生产、质量、仓储等部门。
第六条物料编码的编制应遵循以下步骤:(一)确定物料分类:根据物料的属性、用途、生产工艺等因素,将物料进行分类。
(二)确定编码规则:根据物料分类和编码原则,制定统一的编码规则。
(三)编制物料编码:根据编码规则,为每个物料编制唯一的编码。
(四)发布物料编码:将编制好的物料编码发布给相关部门,并进行培训和宣传。
第七条物料编码的维护包括物料编码的更新、撤销和查询等功能。
第八条物料编码的更新:当物料的属性、用途、生产工艺等因素发生变化时,应及时更新物料编码。
第九条物料编码的撤销:当物料被淘汰或停用时,应及时撤销相应的物料编码。
第十条物料编码的查询:相关部门可以通过物料编码查询到物料的详细信息,包括物料的名称、规格、生产厂家、库存情况等。
第三章物料编码的使用和管理第十一条物料编码的使用应遵循以下规定:(一)物料编码应在采购、生产、仓储、销售等环节中统一使用。
(二)物料编码应在所有相关文档、报表、系统中统一使用。
(三)物料编码应由相关部门共同使用,确保物料信息的准确性和一致性。
第十二条物料编码的管理应由相关部门共同负责,包括物料编码的编制、更新、撤销和查询等工作。
第十三条物料编码的管理应建立相应的数据库或信息系统,实现物料编码的信息化管理。
一、目的
为配合企业资源规划(后续ERP)系统操作,结合公司现在使用的物料情况,统一制定物料分类、编码规则及维护文件,用于规范物料的领发、验收,采购、跟催、盘点、生产、储存、核算、统计报表等一切物料活动。
避免出现一物多名、一物多码或物名错乱之现象。
二、适用范围
本公司成品、在制品(半成品)、原材料、辅助物资、客供物料、外协产品之编码均悉依本管理规范执行。
三、职责权限
3.1、研发中心负责本规范的制定、修改、废止之起草工作。
3.2、总经理负责本本规范的制定、修改、废止之核准。
四、编码规则
4.1、物料编码的唯一性,一个物料编码只能对应一个物料,同样一个物料也只能对应一个物料编码。
4.2、物料编码按其在整个生产过程中所处的位置、物料的材质与用途进行分类编码,同类物品每次编写格式应一致相同,比如小类材料长、宽、高度、直径或厚度,别乱序。
4.3、在制(半成品)原则上每经过一道加工工序都要有一个物料编码,但不需要入库或有必要时入库。
4.4、物料编码全部采用“阿拉伯数字”进行编写,不可使用其它符号(包括中英文)编码,以方便后续实行电脑条码作业。
4.5、物料编码按物品环保性质区分,办公耗材、非ROHS产品涉及的物品编码开头为“0”,
ROHS产品涉及的物品编码开头为“9”;物料编码按类别分六大类为一级编码。
4.6、原材料、辅助物资与客供物料的编码按类别由一级编码(大类) 2位、二级编码(中类)2位、三级编码(供应商或客户代码)3位及四级编码(小类)2位及物料识别码7位组成,物料编码长度共16位数字。
4.7、物料编码之代码由于物料过多无法全部编写在册,产品新增或不断升级导致物料编码也在不断增加,只需在其归属一级编码(大类) 2位、二级编码(中类)2位、三级编码(供应商或客户代码)3位、四级编码(小类)2位及物料识别码7位组成;列表中增加即可,
编码以其归属栏位末位递增进行增加。
4.11、在物料编码编写过程中出现不涉及项次或还未定义编码时,暂定为未定义以“00”代替。
当一级编码的半成品或成品涉及外协时,都统一归属于外协产品,代码“04”或“94”。
五、原材料、辅助物资与客供物料的编码规则:
5.1、原材料、辅助物资与客供物料的识别码7位,可以由颜色、材质、规格、电压或
电流、功率或功能、误差值等组成,关键参数不足7位的前缀以0填补。
5.2、设施设备、工治具、半成品、成品及外协产品的物料编码按类别由一级编码(大类) 2位、二级编码(产品型号)2位、三级编码(供应商或客户代码)2位、四级编码(产品识别码)2位、五级编码(生产批号4位)及4
位序列号)组成。
编码长度共16位字符。
XX XX XXX XX XXXXXXX
5.7、六级编码为序列号4位数字,从0001开始、以此类推至9999。
六、设施设备、工治具、半成品、成品与外协产品的物料编码规则:
七、编码示例:
7.1、客供物料说明书(无供应商)编码:03 06 000 02 0502503,解释:0为非ROHS、3为客供物料、06为中类、000为无供应商、02为说明书、0502503为物料识别码(说明书规格)。
7.2、外协产品非ROHS绝缘子MCU半成品编码:04 03 01 04 1901 0027,解释:0为非ROHS、4为外协、03为产品型号、01为客户、04为部件识别、1901为生产批号、0027为产品序列号。
7.3、ROHS绝缘子成品编码: 96 03 01 00 1901 0028解释:9为非ROHS、6为成品、03为产品型号、01为客户、00无部件识别、1901为生产批号、0028为产品序列号。
7.4、超声波设备编码:02 16 01 000000、1901,解释:0为不涉及ROHS、2为辅助物资、16为中类、01为(小类)生产设备、000000为设备机身码后6位(不足五位前缀以0填补)、1901为购买日期(年/月)。
7.5、ROHS产品MCU模块工治具编码: 92 03 01 00 1901 0001解释:9为非ROHS、2为辅助物资、03为产品型号、01为供应商、04为部件识别、1901为使用日期、0001为工治具序列号。
说明:
1、各类成品、在制品(半成品)、原材料、辅助物资、客供物料、外协产
品的其他属性要在现有电子文档中加特征栏(颜色标注),研发中心也
可对相关物料进行详细的物料规格描述。
2、客户下订单时半成品、成品或外协产品的最后四位物料编码默认为“0000”,
为了方便产品质量可追溯及制造过程的数据管控,制造过程中才会生成产
品序列号从“0001”开始、以此类推至“9999”,贴于产品机身或外包装箱。