公司物料编码规则
- 格式:doc
- 大小:76.50 KB
- 文档页数:6
物料编码、BOM 规则
一、 物料编码规则:
整体规则:1-2-6
规则描述:
1)、编码全部采取阿拉伯数字;
2)、整体原则是3级9位,具体原则是:1-2-6
第一位:代表大类,按照公司目前的物料类别进行如下定义: 1:代表PCB ;
2:代表IC ;
3:代表SMT XX;
4:代表DIP电子料;
5:代表DIP CONNECTOR接插件;
6:代表包材;
7:代表成品/半成品;
8:代表辅料
9,0:暂时预留;
第二位,第三位:代表大类下的小类,比如:100:代表PCB大类下的MB小类;
101:代表PCB大类下的VGA小类;
102:代表PCB大类下的LAN小类;
其他依此类推;
特别说明:7代表成品/半成品,作如下规定:700:代表包装完成后的成品;
701:代表SMT完成后的半成品;
702:代表插件完成后的半成品;
第四位到第九位:表示流水号:
二、BOM创建规则:
1、BOM模型:
1
A1
2
A2 3
A
4
5
其中;
A1:代表SMT完成后的半成品;1,2代表完成SMT需要的原材料;A2:代表插件完成后的半成品;3,4代表插件类原材料;
A :代表包装完成后的成品;5代表包装材料。
公司物料编号管理制度第一章总则为规范公司物料编号管理工作,提高物料管理效率,确保物料信息的准确性和及时性,特制定本制度。
第二章责任部门1. 公司物料编号管理工作由财务部门负责统一管理,具体执行由物料管理部门负责。
2. 财务部门负责审核、审批公司物料编号的设置和变更,并进行维护管理。
3. 物料管理部门负责具体执行物料编号的填写、修改和查询工作,并协助财务部门进行审核。
第三章物料编号的设置和命名规则1. 公司物料编号采用数字代号组成,每一个物料拥有唯一的物料编号。
2. 物料编号由财务部门统一设置和审核,符合以下命名规则:(1)首位数字代表所属类别,如1代表原材料,2代表半成品,3代表成品,4代表辅助耗材等;(2)接下来的数字代表物料的具体种类和规格;(3)最后一位数字为校验位,用于防止物料编号重复或错误。
3. 物料编号设置后不得随意更改,如需修改,需经财务部门审批并进行相应修改记录。
第四章物料编号的管理流程1. 新物料的申请与设置:(1)物料管理部门收到新物料的申请后,填写新物料编号申请表,提交给财务部门审核;(2)财务部门审核通过后,将新物料编号录入系统,并通知物料管理部门进行填写;(3)物料管理部门将新物料编号填写在相应的物料清单中,并通知相关部门关于新物料编号的信息。
2. 物料编号的修改与删除:(1)物料管理部门如需修改或删除物料编号,需填写修改或删除申请表,提交给财务部门审批;(2)财务部门审核通过后,根据实际情况进行相应的修改或删除操作,并通知相关部门进行调整。
3. 物料编号的查询与监控:(1)物料管理部门负责对物料编号进行定期检查和监控,确保物料编号的准确性和完整性;(2)对于异常情况或错误物料编号,需及时进行纠正和处理,并通知相关部门注意。
第五章物料编号的使用要求1. 严格按照物料编号管理制度执行,不得私自设置、修改或删除物料编号。
2. 物料管理部门负责对相关人员进行物料编号管理培训,确保他们理解并遵守公司的物料编号管理制度。
物料编码规则及方法
物料编码规则是指公司或组织内部对物料进行编码的一套规则和方法。
它可以帮助企业管理物料,并能通过编码快速识别物料的属性和特点。
以下是一些常见的物料编码规则和方法:
1. 层次编码法:采用层次结构对物料进行编码。
例如,可以使用一位数字表示大类,两位数字表示中类,三位数字表示小类,后面的位数表示具体物料。
2. 组合编码法:将物料的各种特性和属性组合起来作为编码。
例如,可以使用字母表示物料的大类,数字表示物料的型号、颜色等特征。
3. 功能编码法:将物料的功能作为编码的一部分。
例如,可以使用字母表示物料的功能,数字表示具体物料。
4. 时间编码法:将物料的生产时间作为编码的一部分。
例如,可以使用年份和月份作为编码,以识别物料的生产时间和周期。
5. 基于条码编码法:利用条码技术对物料进行编码。
条码可以包含物料的基本信息,如品名、规格、批次等。
物料编码规则和方法应根据企业的实际需要和管理要求进行设计和制定。
不同企业可能采用不同的编码规则和方法,但目标都是为了提高物料管理的效率和准确性。
公司物料编码规则公司物料编码规则是指在企业中对物料进行编码的规则和方法。
通过对物料进行编码,可以实现物料的分类、管理、统计和溯源等目的,有助于提高物料管理的效率和准确性。
下面是一个公司物料编码规则的详细说明,包括编码层次、编码构成和编码规则等方面。
一、编码层次在公司物料编码规则中,通常会划分为多个层次。
常见的编码层次包括大类、小类、品牌、型号等,也可以根据实际情况进行灵活划分。
不同层次的编码可以根据需要进行扩展和调整,以满足公司的业务需求。
二、编码构成1.大类编码:通常使用一个字母或数字表示。
大类是对物料进行初步分类的层次,根据物料的属性、功能或用途进行划分。
例如,可以将所有金属材料归为大类“M”,将所有电子元器件归为大类“E”等。
2.小类编码:通常使用两个字母或数字表示。
小类是对大类进行进一步细分的层次,可以根据物料的细分属性或特点来划分。
例如,在金属材料大类中,可以用小类编码“11”表示钢材,用小类编码“12”表示铝材等。
3.品牌编码:通常使用一个字母或数字表示。
品牌是指物料的生产厂家或供应商的标识,通过品牌编码可以方便对不同品牌的物料进行管理和统计。
例如,可以用品牌编码“A”表示品牌A的物料,用品牌编码“B”表示品牌B的物料等。
4.型号编码:通常使用一个字母或数字表示。
型号是指物料的具体规格或型号,通过型号编码可以对不同规格的物料进行区分和管理。
例如,可以用型号编码“1”表示规格为1的物料,用型号编码“2”表示规格为2的物料等。
三、编码规则1.顺序编码:通过给每个物料分配一个独立的数字或字母来进行编码。
顺序编码可以按照物料的进货顺序、字母表顺序或其他合理的顺序进行分配。
例如,按照字母表顺序,可以分别给物料分配编码“A01”、“A02”、“A03”等。
2.分类编码:通过根据物料的分类属性来进行编码。
分类编码可以根据不同的分类维度进行组合,例如使用大类编码+小类编码+品牌编码+型号编码等。
例如,可以将分类编码“M11A1”表示金属材料中的钢材A型1规格。
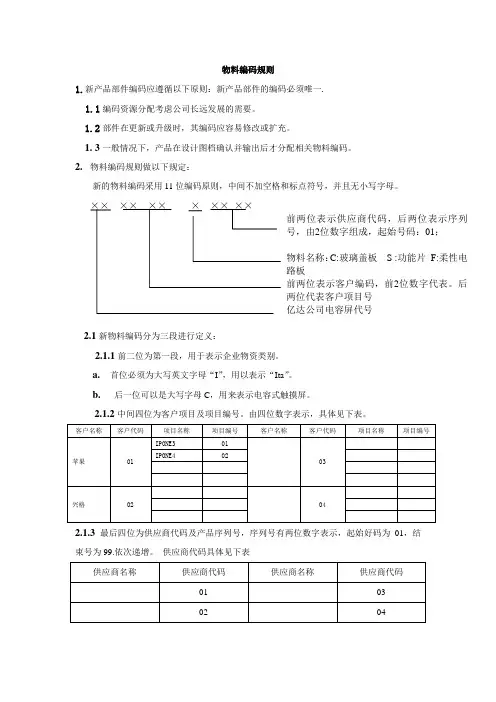
物料编码规则
1.新产品部件编码应遵循以下原则:新产品部件的编码必须唯一.
1.1编码资源分配考虑公司长远发展的需要。
1.2部件在更新或升级时,其编码应容易修改或扩充。
1. 3一般情况下,产品在设计图档确认并输出后才分配相关物料编码。
2.物料编码规则做以下规定:
新的物料编码采用11位编码原则,中间不加空格和标点符号,并且无小写字母。
×××××××××××
前两位表示供应商代码,后两位表示序列
号,由2位数字组成,起始号码:01;
物料名称:C:玻璃盖板S :功能片F:柔性电
路板
前两位表示客户编码,前2位数字代表。
后
两位代表客户项目号
亿达公司电容屏代号
2.1新物料编码分为三段进行定义:
2.1.1前二位为第一段,用于表示企业物资类别。
a.首位必须为大写英文字母“I”,用以表示“Ita”。
b.后一位可以是大写字母C,用来表示电容式触摸屏。
2.1.2中间四位为客户项目及项目编号。
由四位数字表示,具体见下表。
2.1.3 最后四位为供应商代码及产品序列号,序列号有两位数字表示,起始好码为01,结
束号为99.依次递增。
供应商代码具体见下表。
公司仓库物料编码规则公司仓库物料编码规则是指对于公司仓库中所存放的各种物料进行编码的一套规则和标准,以便于管理、查询和统计。
一个好的物料编码规则可以提高仓库物料管理的效率和准确性。
下面是一个公司仓库物料编码规则的示例,供参考:1.编码组成-类别代码:表示物料所属的类别,比如原材料、成品、备件等。
通常使用字母来表示,比如A代表原材料,B代表成品,C代表备件,依此类推。
-子类代码:表示物料所属类别的子类别,比如原材料中的金属、塑料等。
通常使用字母或数字来表示,比如1代表金属,2代表塑料,依此类推。
-品牌代码:表示物料的品牌,如果有多个品牌,可以用不同的字母或数字来表示,比如A代表品牌A,B代表品牌B,依此类推。
-规格代码:表示物料的具体规格,比如长度、重量、尺寸等。
通常使用数字来表示,比如1代表长度1米,2代表重量2吨,依此类推。
-序号:表示物料在同类物料中的顺序,通常使用数字来表示,比如001代表第一个物料,002代表第二个物料,依此类推。
2.编码规则-类别代码:A-Z的字母,可以根据实际情况进行调整和扩展。
-子类代码:数字或特定的字母,根据不同类别来定义,比如原材料中的金属可以用1表示,塑料可以用2表示。
-品牌代码:字母或数字,根据实际情况来定义,比如A表示品牌A,B表示品牌B。
-规格代码:数字,根据实际情况来定义,比如1表示长度1米,2表示重量2吨。
-序号:数字,根据实际情况来定义,通常从001开始递增。
3.示例编码根据以上的规则,以下是一些示例编码:-A1A101:代表原材料中的金属,品牌A,长度1米,第一个物料。
-B2B202:代表成品中的塑料,品牌B,重量2吨,第二个物料。
-C3C303:代表备件中的其他物料,品牌C,长度3米,第三个物料。
4.编码管理为了方便管理和查询,公司可以建立一个物料编码管理系统或数据库。
在这个系统中,可以记录和查询物料的编码、名称、规格、供应商、库存数量等信息。
常见物料分类及编码规则物料管理通常是组织和管理一个企业的物料流程,确保所需物料供应和流动的顺畅。
在物料管理中,准确分类和编码物料是非常重要的,它可以提高物料的管理效率和准确性。
下面将介绍常见的物料分类及编码规则。
一、物料分类1.根据物料属性分类:-原材料:用于生产过程中的原始物质,如木材、金属等。
-成品:生产过程结束后的产品,可以直接交付给客户。
-半成品:生产过程中的中间产品,需要经过进一步加工才能变为最终产品。
-消耗品:用于支持生产过程的办公用品、清洁用品等。
-辅助物料:用于辅助生产过程的工具、设备等。
-工具:专为生产或维修而设计的设备或工具。
2.根据需求特性分类:-主供物料:在该物料上公司具有控制权且需要进行优化管理。
-刚需物料:公司具有一定的控制权,但不容易替代。
-柔需物料:公司控制权相对较低,可以通过使用垫底物料或寻找替代品来解决供应问题。
-非关键物料:公司的控制权很低,供应方面出现问题时可以替代。
3.根据物料用途分类:-生产物料:用于生产过程的原材料、成品和半成品。
-保修物料:用于维修和保养公司产品和设备。
-间接物料:用于维持企业内部运营,如办公用品、清洁用品等。
-包装物料:用于包装和运输产品的材料。
二、物料编码规则物料编码是为了区分和标识不同物料,并方便在系统中进行管理。
以下是常见的物料编码规则:1.通用编码:采用数字和字母的组合表示,例如A001、B002等。
这种编码适用于多种物料的情况,不容易混淆。
2.分类编码:按照物料的分类进行编码,例如按照物料的属性、用途、规格等进行编码。
这种编码可以根据具体需要进行扩展和调整,易于管理和查找。
3.层次编码:采用数字和点的组合表示,例如1.1、1.2.2等。
这种编码可以表示物料之间的层次关系,方便进行结构化管理和查找。
4.单位编码:采用相同单位的物料进行编码,例如计算机配件可以用CP001、CP002等表示。
这种编码方便了物料的管理和统计。
5.地理编码:根据物料的产地或分布地区进行编码,例如国内物料编码以CN开头,国际物料编码以INT开头。
物料编码规则模板一、概述本文为公司物料编码规则的指南,旨在建立一个完整、简洁、易维护的物料编码体系。
通过统一规范编码方式,进一步提高物料信息管理的效率与准确性。
二、编码基础1.编码原则(1)数字和字符组合,不含特殊字符和符号;(2)编码长度一般不超过20位,避免重复和混淆;(3)同一类别物料尽量接近编码,方便归类;(4)编码应当具有唯一性,不重复。
2.编码组成(1)物料编码由数字和字符组合,数字代表种类、规格、尺寸、容量等物理属性,字符则为物料类别、供应商或特殊标识;(2)以物料类别作为编码体系的大类,再细分为小类;(3)标记不同的物料属性应当采用不同的字母组合或数字组合,以保证编码的唯一性。
3.编码体系(1)按物料类别划分:每个大类代表一个物料类别,如电子元器件、机械部件、办公用品等,具体编码方式参考下文。
(2)按供应商划分:每个供应商都有其唯一的供应商编码,以字母或数字的形式表现,如A01、B02等。
(3)按规格型号划分:对于不同规格型号相同的物料,可以以“-”或“/”分隔,其中“-”表示从细到粗的规格范围,“/”则表示特定的规格型号。
三、编码方式1.电子元器件编码(1)大类:01(2)小类:01xx(集成电路)02xx(二极管)08xx(变压器)09xx(磁珠)11xx(链接器)(3)编码举例:01xx01:CMOS数字电路2.机械部件编码06xx(润滑油)07xx(回形针)02xx01:电机螺丝3.办公用品编码04xx(文件夹)01xx01:A4白纸四、总结本文主要介绍了公司物料编码规则及编码方式的基本要求和流程。
通过这样的规范化方式,可以提高物料采集、分类、统计等工作的效率,为公司物料管理带来更多的优势。
在具体实施过程中,可以根据不同的实际需求进行调整和优化,以适应公司业务变化和发展。
公司物料编码规则1.编码分类物料编码的第一位可以用于标识不同的物料分类,比如产品、原材料、半成品、备件等。
可以根据不同物料的特点和管理需求进行分类,方便后续的物料管理和查询。
2.编码长度物料编码的长度可以根据公司的实际情况而定。
一般来说,编码长度越短,可以减少人工录入的时间,提高效率;编码长度越长,可以提高物料的唯一标识性,减少编码重复的可能性。
一般建议物料编码长度在8到12位之间。
3.编码规则物料编码的规则可以根据公司的实际情况而定,通常包括以下几个方面的内容。
a.物料属性:可以根据物料的属性进行编码,比如材料、尺寸、颜色、重量等。
例如,A代表材料为金属,B代表材料为塑料,C代表材料为玻璃等。
b.物料类型:根据物料的种类进行编码,比如电子产品、机械设备、服装类物料等。
可以用字母或数字表示不同的物料类型,例如1代表电子产品,2代表机械设备,3代表服装类物料等。
c.物料组别:根据物料的组别进行编码,比如手表、手机、衣服等。
可以用字母或数字表示不同的物料组别,比如A代表手表,B代表手机,C代表衣服等。
d.物料序号:在物料属性、类型和组别确定后,可以使用数字进行物料的唯一序号编码,确保物料的唯一性。
4.编码示例根据以上规则,一个物料的编码示例如下:金属类机械设备的编码:2A001塑料类电子产品的编码:1B002玻璃类服装类物料的编码:3C003根据物料编码规则,员工可以通过物料编码迅速确定物料的属性、类型和组别,提高物料查询和操作的效率。
同时,物料编码还可以用于物料的库存管理、采购和销售等业务流程中,方便系统的自动化处理和数据统计分析。
总结起来,公司物料编码规则是为了管理和识别物料,提高物料管理和操作效率,可以根据实际情况和需求进行定制。
编码规则通常包括编码分类、编码长度、编码规则等方面的内容。
物料编码可以帮助员工快速准确地查询和操作物料,提高工作效率,并且方便物料的库存管理、采购和销售等业务流程的自动化处理和数据统计分析。
编码规则说明一.本套物料编码规则由深圳市和信通讯技术有限公司制订,适用于公司生产过程中所应用到的所有原材料(不含辅助材料)。
二.编码原则(一)物料,共12位1、第1位:码首2/3/5,代表物料的大类。
2_电子类,3结构料,5_包材;2、第2-3位:代表物料的中类。
如:01_IC,02_电阻,03_电容……详见细则;3、第4-11位:物料规格和流水号,详见细则;4、第12位:环保1_环保物料,0_非环保物料.物料编码格式:X XX XXXXXXXX X环保类型物料规格或流水号物料中类物料大类特别注意:一款物料只有一个编码,不考虑供应商的区别,没有供应商代码。
(二部)半成品,共12位1、第1位:码首8,代表半成品。
2、第2-3位:半成品类别,详见细则3、第4-7位:代表产品型号,如525,868P等,不足位数前面加零,有+的机型,用X 表示4、第8位:代表方案,1_信太和,2_普鸿,3_大友,4_摩本,5_闻泰,虚拟件用X表示5、第9-10位:表示颜色,详见颜色代码表6、第11位:屏类型,1_CSTN1.44″,2_1.8″TFT,3_2.6″TFT,4_2.8″TFT,5_3.2″TFT7、第12位:环保1_环保物料,0_非环保物料特别注意:半成品虚拟件的第8位用X表示,第11位用0表示;PCBA的第9-10位用XX表示PCBS的每9-10位用XY表示壳体组件第8位是表面处理,第11位是流水码半成品编码格式:8XX XXXX X XX X X环保类型屏类型(三)成品,共13位成品的定义:A类--已经包装,待客户检验/出货的产品(900-909)1、第1位:码首9,代表成品2、第2-3位:成品类别,详见细则3、第4-7位:代表产品型号,如525,868P等,不足位数前面加零,有+的机型,用X 表示4、第8位:代表方案,1_信太和,2_普鸿,3_大友,4_摩本,5_闻泰5、第9-10位:表示颜色,详见颜色代码表6、第11位:屏类型,1_CSTN,2_1.8″TFT,3_2.6″TFT,4_2.8″TFT,5_3.2″TFT7、第12位:环保1_环保物料,0_非环保物料成品编码格式:9XX XXXX X XX X X环保类型屏类型产品颜色产品方案产品型号成品类别成品三.制定物料编码必须遵守以下基本原则:1. 2. 3. 4. 5.核查物料编码数据库,只增加新物料的编码;提倡标准化设计,新产品设计时尽量采用数据库里的编码所对应的物料;遵循《物料编码规则》,确保编码的唯一识别性;按《物料名称标准化清单》,物料规格描述应准确、规范和统一;《物料编码规则》之外的新物料,应及时补充和修订《物料编码规则》。
编写说明根据我司物类别特点来进行分大致分为电子电器、五金类、型材、橡塑、包材、玻璃类、化工、易耗品及辅助工具、设备九大类别。
每个大类别中根据本司使用频次,对使用频次较多的物料单独作为一个子类别列出。
零件图号与物料编码相应对,原则上物料编码前6-8位生成零件图号后1-3位物料编号。
(编码规则中黄色方框表示需生成图纸并作为零件图号)。
一、D电子电器部分大类识别码D电子原器件驱动器(变压器部件)光源部件灯泡、LED灯珠电线F.接线端子类G.PCB板采购自制1.电子元器件子类识别码A.电阻.二极管.三极管.电容.MOS管.IC.桥堆.电感09.电子变压器10.光耦11.磁珠12.稳压管13.保险丝…采购自制A.电子原器件B.2.驱动器(变压器)部件子类识别码B流水号1采购2自制3.PCBA子类识别码C流流流1流流2流流01流A 流02流B 流4. 灯泡、灯珠 子类识别码D流水号1采购2自制传统灯5. 电线类 子类识别码E W :外用电源线(含插头) D :单根电子线P :排线(含公母插)流水号1采购2自制W 外用电源线D 单根电子线P 排线…6. 接线端子类(包括成套接线盒) 子类识别码F流水号1采购2自制1:端子接2:接线帽(UL)3:接线奶嘴4:公母插头7. PCB 板 子类识别码G采购自制树脂板铝基板8. 灯头 子类识别码H流流流流9. 开关 子类识别码I流流流流二、五金类 大类识别编J流水号1采购2自制压铸类冲压类数控机加工类平板类(已成型)弹片类进线嘴类(含单个、成套)螺丝类M 螺母类B 六角扳手类R 金属软管类D 垫片类1. 压铸类 子类识别码Y1采购2自制为同模零件1为同模零件22. 冲压类(旋压) 子类识别码C流水号1采购2自制同模识别码默认不填01.为同模零件102.为同模零件23. 数控机加工类 子类识别码S采购自制4. 平板类(面板) 子类识别码P采购自制5. 弹片(弹夹类)类 子类识别码T采购自制6. 金属进线嘴类(单个及成套) 子类识别码 J采购自制7. 螺丝类 子类识别码 L采购自制8. 螺母类 子类识别码 M采购自制9. 六角扳手类 子类识别码 B采购自制10.金属软管类 子类识别码 R流水号1采购2自制11.垫片类(含带齿垫片) 子类识别码 D流水号1采购2自制12.牙管类 子类识别码 G流水号1采购2自制三、型材类 大类识别码X采购自制管材棒材板材锭材异形金属型材橡塑型材XJ .金属型材 子类识别码J采购自制管材棒材板材锭材Y 异形...铁铝不锈钢铜材XX .塑料型材类 子类识别码X采购自制管材棒材板材异形...其它XG .套管线材类流水号1采购2自制G 套管(防火管、收缩管)X 线材(电线)...规格1.套管类(包括热缩管、防火管、PCV管、硅胶管套电器套管)采购自制2.线材类(成圈电线)采购自制四、橡塑类 大类识别码 S流水号1采购2自制Q 胶圈D 胶垫T 胶条H 塑料成型件(盒、壳等类)B 平板类(已成型加工)S 数控机加工类1.胶圈类 子类识别码 Q采购自制2.胶垫 子类识别码 D采购自制3.胶带(条) 子类识别码 T采购自制4.塑料成型件(模具成型盒、壳等类) 子类识别码 H采购自制5.平板类(已加工成型) 子类识别码B采购自制6.数控机加工类 子类识别码S采购自制7.透镜类 子类识别码M采购自制8.塑料进线嘴类 子类识别码J采购自制五、包材物料流流流流流流(流流流流流流流流流流流流流流流流流流Z 流流S 流流流G 流流流六、玻璃类大类识别码P采购自制普通玻璃钢化玻璃水晶玻璃七、化工类大类识别码H采购自制粉末树脂油漆酒精清洗剂助焊剂稀释剂08脱模剂09胶水10冷却液11腊制品(黄腊、紫腊等)…八、易耗品及辅助用品类采购自制办公用品劳保用品夹具常用工具(包括仪器锡丝锡条麻轮布轮09尼龙轮10抛光砂11砂带...九、设备类采购自制压铸车间设备数控车间设备总装车间设备电子车间设备仓库设备开发部设备G品质部设备H喷涂设备…01。
关于物料编码一、物料编码概述物料编码是唯一标识物料的代码,通常用字符串(定长或不定长)或数字表示。
物料编码是计算机系统对物料的惟一识别代码,它用一组代码来代表一种物料。
物料编码必须是惟一的,也就是:一种物料不能有多个物料编码,一个物料编码不能有多种物料。
现存编码是一种在企业当中现存的编码资源,但是同一物料在企业中可能存在多种编码,应此,需要对不同种类物料的编码进行一个分析,确定分段选取策略。
物料的种类大致可以划分为原料(黑色、有色)、毛胚(锻件、铸件)、标准件、辅料、自制件、组件、半成品、成品、定制品,甚至还包括工装工具、劳保用品、能源等等。
物料的编码大致可以划分为储位码、技术图号、分类加流水号、物料属性号、国标加规格号。
顺序编码是更简单的一种编码,计算机也可以提供流水编码的功能。
在没有现存的编码可利用的前提下,可以考虑顺序编码,或者称谓流水号编码。
赋义编码顾名思义是赋于编码一定含义。
这种编码常用的是层次码和属性码。
层次码可以表达物料的统计上的卷叠要求;属性码可以表达物料的配置要求。
好的编码方案应该是简单的,同时对编码的认识应该是细致的,如果没有很好的理由不要把资料的属性含义放到编码中。
二、物料编码的原则1、统一性原则:一个集团内只能使用一套物料编码,以方便集团内不同企业间的数据交换;2、通用性:同一编码原则应能涵盖所有物料,新增加的品种也能够适应3、严谨性原则:所有物料编码的建立需要授权专人负责,以便保证其正确性;4、终身制原则:即使某物料以后不再使用,其编码也不能重新分配给其他物料使用;5、唯一性:同一种物料只能对应一个编码,同一编码只能代表一个物料,绝不能出现一个物料多个编码,或多个物料的情况。
6、可使用性:编码的长度应在6-20之间,不宜过长,易识别,提高日常操作的效率,最好全部采用数字,而不要用字母与数字混排,以方便软件系统的使用。
7、规则性:编码应当是按照一定的编码原则编制出来的,并配合对描述进行规范。
物料编码规则
1.说明:
1.物料编码由数字或字符组成,编码总长度为10位;
2.编码原则按照大类、中类、小类、流水号进行排列;
3.大类分为:1原材料,2成品,3外购半成品,4生产低值易耗品,5工具,
6固定资产,7临时编码;
4.大类由1位数字表示,中类由1位数字或字母表示,小类也就是物料的特征
码,由2位数字表示,其余为物料的流水编号。
5.中类占0或1位,0位的表示大类后面全部为流水编号;
6.小类占0或3位,小类后面全部为流水编号;
7.例:某一物料编码1D00500001,第一个1为原材料大类,第二个D为电子
元器件中类,接下来005为小类,表示直插电阻类,00001为流水号。
8.临时编码就是放置一些临时的物料,只有一个大类。
2编码规则表:
1
3。
物料编码规则
物料编码,又称“物料号码”或“物料代号”,是企业物流管理的基础工具,它可以帮助企业更快捷的维护、查询、统计和管理企业内部物料信息,便于企业实施更加高效的物流管理。
物料编码规则,是企业设立物料编码的标准。
物料编码规则应该满足企业对物料信息管理的需求,以及对物料编码格式的要求,保证物料编码能够符合企业未来业务发展的需求。
企业物料编码规则应该满足以下要求:
一、物料编码内容及格式
1、物料编码应能清晰的表达物料的类别,形态、规格等信息,并且物料编码的格式应能明确的表示物料的信息,能够满足企业物料管理的需求。
2、物料编码的长度要根据企业的业务需要而定,编码的长度不宜过长,也不宜过短。
3、物料编码中不能出现单个字母或单个数字,并且不能出现重复的部分,以免造成混淆。
二、物料编号规则定制
1、编号规则定制时,应根据企业业务的需求而定,要求编号简洁清晰,结构完整,可根据企业需求定义编号规则。
2、编号规则定制需要考虑物料的类型,来源和用途,并考虑物料的衍生和变化,以便能够满足企业的物料管理和信息追溯的要求。
三、物料编码设计
1、物料编码设计要求编码的内容及格式要合理、完整,编码要有一定的结构性,能够更好的管理物料信息。
2、物料编码设计应遵循“稳定、靠前、标准化、精简”的原则,并且要尽可能的简短,以方便企业的物料编号的使用和查询。
总之,企业物料编码规则是企业物流管理的基础工具,设置和定制合理的物料编码规则,可以有效的提升企业的物料管理水平,节省成本,提高物料的生产效率和物料管理的效率,实现企业的高效管理。
如此,企业在设置、定制物料编码时,一定要认真细致、规范完善,保证物料编码的质量。
物料编码、BOM 规则
一、 物料编码规则:
整体规则:1-2-6
规则描述:
1)、编码全部采取阿拉伯数字;
2)、整体原则是3级9位,具体原则是:1-2-6
第一位:代表大类,按照公司目前的物料类别进行如下定义: 1:代表PCB ;
2:代表IC ;
3:代表SMT XX;
4:代表DIP电子料;
5:代表DIP CONNECTOR接插件;
6:代表包材;
7:代表成品/半成品;
8:代表辅料
9,0:暂时预留;
第二位,第三位:代表大类下的小类,比如:100:代表PCB大类下的MB小类;
101:代表PCB大类下的VGA小类;
102:代表PCB大类下的LAN小类;
其他依此类推;
特别说明:7代表成品/半成品,作如下规定:700:代表包装完成后的成品;
701:代表SMT完成后的半成品;
702:代表插件完成后的半成品;
第四位到第九位:表示流水号:
二、BOM创建规则:
1、BOM模型:
1
A1
2
A2 3
A
4
5
其中;
A1:代表SMT完成后的半成品;1,2代表完成SMT需要的原材料;A2:代表插件完成后的半成品;3,4代表插件类原材料;
A :代表包装完成后的成品;5代表包装材料。
物料编码规则
1. 说明:
1. 物料编码由数字或字符组成,编码总长度为 10位;
2. 编码原则按照大类、中类、小类、流水号进行排列;
3. 大类分为:1原材料, 2成品, 3外购半成品, 4生产低值易耗品, 5工具, 6固定资产, 7临时编码;
4. 大类由 1位数字表示, 中类由 1位数字或字母表示, 小类也就是物料的特征码,由 2位数字表示,其余为物料的流水编号。
5. 中类占 0或 1位, 0位的表示大类后面全部为流水编号;
6. 小类占 0或 3位,小类后面全部为流水编号;
7. 例:某一物料编码 1D00500001,第一个 1为原材料大类,第二个 D 为电子元器件中类,接下来 005为小类,表示直插电阻类, 00001为流水号。
8. 临时编码就是放置一些临时的物料,只有一个大类。
2编码规则表:
1
3。
一.目的:为规范公司信息化管理,实现ERP经营管理与生产控制系统,统一本公司的物料信息编码,制定本规则.二.适用范围:适用于本公司所有原材料、成品、半成品及其它物料,任何涉及到物料的管理、业务、单证、合同等必须统一执行物料编码.三.职责:工程部负责公司产品BOM表的编写与物料的编码工作;其它物料(设备\办公\辅助料)编码按编码规则由物控部货仓按ERP系统自动编写核定.物控部负责按核定的编码表对物料进行具体出入仓数据管理.其它部门负责物料使用过程中按公司规定的物料编号统一称呼与使用.四.定义编码:是指为了实现计算机管理,对公司的相关管理对象用数字或者字母给与规则定义,以便于计算机的识别和管理.代码:是指原材料、半成品、产成品以及为生产服务的任何物料,都有唯一的用数字或者字母表示其属性的代码, 如超市货品的条形码.半成品:又称中间产品,是指已经过一定生产过程并已检验合格交付半成品仓库,但尚未制造完成的商品,仍须继续加工的中间产品.五.编码规则说明:5.1编码遵循一个物料对应一个编号的原则,也就是物料编号唯一原则,此编码原则一经通过,则不准改动.5.2新增客户、供应商、物料、会计科目、仓库、产品大类,必须由专人负责,其他人员不得增删及修改.5.3公司物料编码统一用数字表示,编码总长度为10位.一级分类(1位) 二级分类(1位) 三级分类(2位) 四级分类(2或4位), 五级分类为流水编号(4或2位),每级分层用“.”号来区分;5.4公司物料分四大类:第一大类为成品代码数字为8-9、第二大类为原材料代码数字为1-3、第三大为半成品代码数字为4-6;第四大类为其它类--固定资产、低值易耗品、生产辅助料用数字7表示。
5.5在ERP系统中所有物料会构成金字塔形,最高一层为成品编号、第二层为半成品编号、第三层为原材料及其它物料,物料清单的输入严格按工程技术部核定的BOM表操作.5.6本编码规则所编物料编号同样适用于公司内部条形码(即条形码采用物料编号)、公司对外的商品条形码按商检局批准号码。
六.成品编码程序: 成品编码采用十码制,分为五阶.6.1第一阶为第一码,按客户类型进行区分,公司出口部或国内销售成品统一代码用数字9表示、外销代理商公司成品统一代码用数字8表示;6.2第二阶为第二码,按产品分类区分:木床类-5、铁床-6、学步车类-7、餐椅类-8、其它类-9(三轮车、推车、摇椅);6.3第三阶为第三至四码,按客户名称区分,用数字01-99表示;;;6.4第四阶为第五至八码,按产品编号区分,用四位数字表示,不够四位的后面用0补充,超过四位的取前四位数字;6.5第四阶为第五至八码,按产品编号区分,用四位数字表示,不够四位的后面用0补充,超过四位的取前四位数字,如821B ,取0821,9272A 取9272、B901-1取9010、W290取0290;6.6第五阶为第九至十码,为成品流水号,如9272成品有不同类型按流水01-99表示。
6.7具体成品编码图示如下:例如: 9272A 外销A 公司产品编码表示为七.原材料编码规则:原材料编码采用十码制,分五阶,用数字1-3表示.具体按原材料属性与加工性质区分主要类别有:7.1 A 类为没有加工的外购原材料用数字-1表示,其二级分类有:铁管类-0、铝管类-1、 铁线类-2、原木类-3、板材类-5、布匹类-6、其它类-7;7.2 B 类为外购已加工的零配件或半成品用数字-2表示,其二级分类有:塑胶类-0、五金类-1、木制品类-2、软件类-3、包装材料类-5、化工油漆类-6、其它类-7等;7.3 C 类为工厂自制半成品直接物料用数字-3表示,其二级分类有:铁床类-1、木制品类-2、软件类-3、学步车类-5、其它类-6。
7.4编码方法:,用一位数字(1-3)表示物料一级分类;,表示物料二级分类用一位数字(0-9)表示;,表示物料三级分类用二位数字(00-99)表示;,表示物料四级分类用二位数字(00-99)表示;,表示物料五级分类用四位流水号数字(0000-9999)表示。
7.5 A 类原材料编码方法;第一级大类编号二位编1.0、第二级按管材类型编二位:圆管01、方管02、半旦管03、不锈钢管05、其它料管06、第三级按管材直径或方管宽高编二位(ф 6计06、ф 9.8计98、ф 13计13、其它依次类推,方管14X20计14、15X20计15、半旦管20X40计20、15X25计15)第四级按管壁厚度计二位(如0.4mm 计04、0.35mm 计35、0.15mm 计15、其它依次类推),第五级按管材的长度计四位。
示例:铁圆管ф 16mm*0.4 mm*5570 mm 编号为16计06、ф17计17、ф 19计19、其它依次类推,方管16mm 计16、19mm 计19),第四级按管壁厚度计二位(如0.4mm 计04、0.35mm 计35、0.15mm 计15、其它依次类推),第五级按管材的长度计四位、如有铝材表面处理颜色,将长度最后一位加上颜色编号(亮光1、哑光2、木纹色3、红色4、黄色5、蓝色6、黑色7、其它色8)。
示例:铝圆管¢25mm*0.7mm*3000mm 编号为,铝圆管ф12mm*0.7mm*3000mm (亮光)编号为,铝方管19mm*0.7mm*5000 mm 编号为客户代码 流水号 成品代码 产品分类 产品名称 流水号 原材料代码 二级分类 三级分类 四级分类6计06、ф9.5计95、其它依次类推),第四级按铁线的长度计四位(350 mm计0350、1500mm 计1500其它依次类推)。
示例:铁线4.2*110(双搓牙)编号,铁线4*2080编号,第三级按木材厚度编二位(25mm计25、30mm计30、其它依次类推)、第四级按木材长度编四位(1040mm计1040)。
示例:如木地松4000mm*45mm编号为,杉木方500mm*25mm*20mm编号为,第三级按板材厚度编二位(7mm计07、6.5mm计65、其它依次类推),第四级前二位按板材长宽计二位(通用规格2440 mm*1220 mm计10,2440 mm*1200 mm计20、其它规格计30-50按流水号编),后二按板材单双面是否贴纸及不同巾纸颜色编二位流水号,三夹板按不同长宽规格按编四位流水号。
示例:3厘双面中纤板2440mm*1220mm*3mm原木色(双面)编号为,三夹板460mm*260mm*6mm编号为皮革类01、化纤布类02、涤棉布类03、其它布类04,第三级布匹类型分编二位:皮革01、化纤02、纯棉03、特多龙05、乌里布06、素色布07、提花布08、蓝圈布09、蚊帐布10、无纺布11、其它12,第四级同类型按颜色或规格编流水号四位。
示例:化纤布A78(黑底白点)编号为,涤棉布墨绿编号为7.6 B类原材料编码方法;,其下级分类主要有:原料类00、童床塑料类01、学步车塑料类02、三轮车(推车)塑料类03、其它04;,第二级按材质编三位:PP料01、PA料02、PE料03、ABS料04、其它料05、再生料06、第三级按料颜色或厂家编三位流水号0001。
示例:如PP料N-T30S编号为:,第二级按童床头不同物料类型编二位(01、02、03、),第三级按不同规格编四位流水号。
示例:22封顶胶编号,第二级按学步车不同物料型号编二位(如:面板、底盘、轮子等按顺序编01、02、、),第三级按不同规格或颜色编四位流水号。
示例:W0040海豚学步车面板大红编号,第二级按三轮车不同物料型号编二位(如:推把、底面壳、座椅等按顺序编01、02、),第三级按不同规格或颜色编四位流水号01。
示例:JX-06-012三轮车座椅兰色编号,其下级分类主要有:螺丝类;示例:十字槽圆头螺栓M4*35编号为示例:五金电镀件--轴承丝杆大垫片编号为示例:五金配件17#(右)编号为,其下级分类主要有:床头(尾)类;示例:木算珠编号为示例:12MM紧口胶编号为示例:封边带棕色0.4*16编号:,其下级分类主要有:海棉(发泡管)类示例:发泡管38mm*20mm*510mm编号,第三级按同类型物料不同规格或颜色编四位流水号示例:包边布38mm深蓝色,第三级按同类型物料不同规格或颜色编三位流水号示例:788布套(外销)米黄拼大红编号,第三级按同类型物料不同长度或颜色编四位。
示例:尼龙拉链1M 编号,第三级按同类型物料规格或颜色编四位流水号。
示例:安全扣3CM 米黄编号,第二级按不同物料编二位主要有:纸箱,第三级按不同规格编二位(01、02、03),第四级按同类型物料不同规格编四位流水号(0001-9999)示例:木床外箱5277(117*76*18CM ),第二级按不同物料编四位主要有:油漆类-,第四级按同类型物料不同规格编四位流水号(0001-9999)示例:粉沫3500果绿7.7 C 类为工厂自制半成品直接物料用数字-3表示,其二级分类有:铁床类-3.1、木制品类-3.2、软件类-3.3、学步车类-3.5、其它类-3.6。
7.7.1 铁床半成品物料编码方法:公司所有铁床半成品生产,用管材直接加工而成,五金件通过开料、弯管、冲孔、焊接等工序完成,编码按产品型号与物料规格顺序编号。
示例:9297产品有带座直管16*0.4*475,编号为,八.半成品编码规则:半成品编码采用十码制,分四阶,用数字4-6表示.具体按物料属性与加工性质区分主要类别有:8.1本公司半成品生产分为二大类别:D 类为经过一道或多道加工工序(如开管、钻孔等)生产后的半成品,其本身物理特性没有多大变化,E 类为将多个加工后半成品拚装或焊接或针车成另一大配件,其物理特性与功能进行了变化,简单讲本公司所有进入喷涂车间的五金加工完工件简称“五金半成品”,所有进入针车车间的针车加工完工件简称“软件半成品”,“所有进入木分 厂拚装完工件简称“木床半成品”8.2针车软件类本厂加工的半成品用数字-4表示,其二级分类有--D 类:床头软件类-4.0、床尾软件类-4.1、边框软件类-4.2、底座软件类-4.3、其它软件类-4.4;---E 类:床头半成品类-4.5、床尾半成品类-4.6、边框半成品类-4.7、底座半成品类-4.8、其它半成品类-4.9;8.3 木制品类本厂加工的半成品用数字-5表示,其二级分类有--D 类:床头配件类-5.0、床尾配件类-5.1、边框配件类-5.2、底座配件类-5.3、其它配件类-5.4;---E 类:床头半成品类-5.5、床尾半成品类-5.6、边框半成品类-5.7、底座半成品类-5.8、其它半成品类-5.9;8.4 五金制品本厂加工的半成品用数字-6表示,其二级分类有---D 类:床头配件类-6.0、床尾配件类-6.1、边框配件类-6.2、底座配件类-6.3、其它配件类-6.4;---E 类:床头半成品类-6.5、床尾半成品类-6.6、边框半成品类-6.7、底座半成品类-6.8、其它半成品类-6.9;8.5编码方法:,用二位数字(00-99)表示半成品大类;,表示半成品加工工序用二位数字(00-99)表示;,表示该半成品所属成品编号统一用四位数字(0000-9999)表示;,表示该半成品不同规格区分用二位流水号数字(00-99)表示。