电泳涂装面积计算公式
- 格式:xls
- 大小:26.50 KB
- 文档页数:1
常熟电泳方案收费标准1. 引言电泳是一种常用的涂装技术,主要适用于金属、塑料等材料的表面涂装。
常熟电泳公司提供专业的电泳方案,包括电泳涂装、前处理、后处理等服务。
本文将介绍常熟电泳公司的收费标准。
2. 收费标准2.1 电泳涂装收费电泳涂装是常熟电泳公司的主要服务之一,收费根据涂装面积和涂装颜色分类计算。
2.1.1 涂装面积分类•小尺寸(面积小于1平方米): 100元/平方米•中尺寸(面积1平方米以上但小于5平方米): 80元/平方米•大尺寸(面积5平方米以上): 60元/平方米2.1.2 涂装颜色分类•黑色: 无额外费用•白色、灰色、银色: 每平方米额外加收30元•其他颜色: 每平方米额外加收50元2.2 前处理收费前处理是电泳涂装的重要环节之一,常熟电泳公司提供以下前处理服务:2.2.1 酸洗•小尺寸:30元/次•中尺寸:50元/次•大尺寸:80元/次2.2.2 磷化•小尺寸:40元/次•中尺寸:60元/次•大尺寸:100元/次2.3 后处理收费为了提供更完善的电泳服务,常熟电泳公司还提供以下后处理服务:2.3.1 烘干烘干是电泳后的必要环节,常熟电泳公司提供以下烘干服务:•小尺寸:20元/次•中尺寸:40元/次•大尺寸:60元/次2.3.2 包装为了保护涂装物品,在完成电泳后,常熟电泳公司提供以下包装服务:•小尺寸:20元/次•中尺寸:40元/次•大尺寸:60元/次3. 如何计算收费为了方便客户了解收费情况,以下是一个示例计算:假设需要电泳涂装一个面积为3平方米的金属制品,且需要使用白色进行涂装,且进行酸洗和烘干。
•电泳涂装费用:3平方米 \* 80元/平方米 = 240元•白色额外费用:3平方米 \* 30元/平方米 = 90元•酸洗费用:50元/次•烘干费用:40元/次所以,总计费用为 240元 + 90元 + 50元 + 40元 = 420元。
4. 注意事项•收费标准随时根据市场变化进行调整,请以公司最新公布的标准为准。
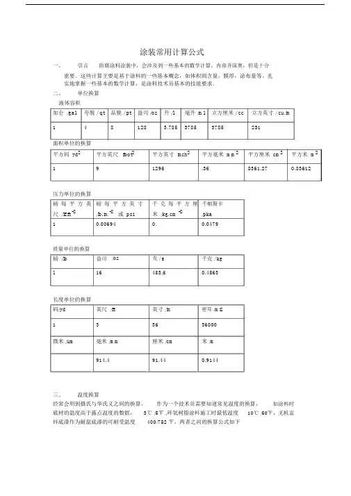
涂装常用计算公式一、引言防腐涂料涂装中,会涉及到一些基本的数学计算,内容并深奥,但是十分重要。
这些计算主要是基于涂料的一些基本概念,如体积固含量,膜厚,涂布量等。
扎实地掌握一些基本的数学计算,是涂料技术员基本的技能要求。
二、单位换算液体容积加仑 /gal 夸脱 / qt 品脱 / pt 盎司 /oz 升 /l 毫升 /ml 立方厘米 / cc 立方英寸 / cu.in1 4 8 128 3.785 3785 3785 231面积单位的换算平方码 yd2 平方英尺 foot2 平方英寸 inch2 平方毫米 mm2 平方厘米 cm2 平方米 m2 1 9 1296 .36 8361.27 0.83612压力单位的换算磅每平方英磅每平方英寸千克每平方厘千帕斯卡尺 /lf.ft -2 /lb.in -2或 psi 米 /kg.cm -2 /pka1 0.00694 0. 0.0479质量单位的换算磅 /lb 盎司/oz 克 / g 千克 / kg1 16 453.6 0.4563长度单位的换算码/yd 英尺 /ft 英寸 /in 密耳 /mil1 3 36 36000微米 /um 毫米 /mm 厘米 /cm 米 /m914.4 91.44 0.9144三、温度换算经常会用到摄氏与华氏义之间的换算。
作为一个技术员需要知道常见温度的换算,如涂料时底材的温度高于露点温度的数据,3℃ /5℉ ,环氧树脂涂料施工时最低温度10℃ /50℉,无机富锌底漆作为耐温底漆的可耐受温度400/752 ℉,两者之间的换算公式如下F-32从华氏度到摄氏度=-------------1.8从摄氏度到华氏度F=1.8C+32四、膜厚的计算1、涂料的体积固体含量在中国涂料工业中,目前还习惯采用质量固体份来衡量一个涂料品质。
但是欧美国家体积固体含量,实际上更为科学和实用。
涂料的体积固体含量即为涂料中非挥发性成分与液态漆料的体积比。
这是一个非常重要的概念,液态涂料中的溶剂挥发后,真正留在被涂物表面成为漆膜的就是涂料中的非挥发分,即体含量。
涂装常用计算公式 Prepared on 22 November 2020涂装检查计算一、引言防腐涂料涂装中,会涉及到一些基本的数学计算,内容并深奥,但是十分重要。
这些计算主要是基于涂料的一些基本概念,如体积固含量,膜厚,涂布量等。
扎实地掌握一些基本的数学计算,是涂料技术员基本的技能要求。
二、单位换算液体容积面积单位的换算压力单位的换算质量单位的换算长度单位的换算三、温度换算经常会用到摄氏与华氏义之间的换算。
作为一个技术员需要知道常见温度的换算,如涂料时底材的温度高于露点温度的数据,3℃/5℉,环氧树脂涂料施工时最低温度10℃/50℉,无机富锌底漆作为耐温底漆的可耐受温度400/752℉,两者之间的换算公式如下F-32从华氏度到摄氏度=-------------从摄氏度到华氏度 F=+32四、膜厚的计算1、涂料的体积固体含量在中国涂料工业中,目前还习惯采用质量固体份来衡量一个涂料品质。
但是欧美国家体积固体含量,实际上更为科学和实用。
涂料的体积固体含量即为涂料中非挥发性成分与液态漆料的体积比。
这是一个非常重要的概念,液态涂料中的溶剂挥发后,真正留在被涂物表面成为漆膜的就是涂料中的非挥发分,即体含量。
大多数涂料生产商采用的计算方法是在实验室条件下,按照《油漆及颜料化学师(occa)》单行本中所述,即《涂料固体成分的含量确定(按体积计算)》来进行的,这个方法是测量漆膜干燥前的湿膜厚度(WFT)和干燥后的干膜厚度(DFT ),按以下公式来计算:干膜厚度体积固体含量=------------------------------------湿膜厚度例:某涂料产品,测得其湿膜厚度为200微米,干膜厚度为80微米,计算其体积固体含量:干膜厚度 80体积固体含量=-------------------------------=----------------------= 40%湿膜厚度 200即体积固体含量为40%.2、干膜厚度和湿膜厚度涂层厚度可在施工过程中进行测定,无论涂层是处于湿膜还是干膜状态。
电泳涂装技术一概述电泳涂装是将具有导电性的被涂工件,浸渍在装水稀释的、浓度比较低的电泳涂料槽中作为阴极(或阳极),在槽中另投置与其相对应的阳极(或阴极),在两极间通一定时间的直流电,通过物理化学作用将漆沉积在被涂工件上,形成、水不溶性膜的一种涂装方法。
1.阴极电泳涂装的特点:高效——从漆前处理到电泳底漆烘干可实现生产线化,可适用于大流水线生产。
优质——其泳透力好,提高了工件内的防腐蚀性;(其对工件内腔、焊缝、边缘等的防腐能力是其它涂装法所不能比拟的,漆膜耐盐雾试验可达成1000小时)可得到均一的膜厚,外观好。
安全——属低公害水溶性涂料,溶剂含量少,无火灾危险,尤在采用UF装置后,涂料回收好,大大减少了对水质和大气污染。
经济——指涂料利用率高,可达%952电泳涂装的种类:电泳涂装根据涂料树脂所带电荷的种类分阴极电泳和阳极电泳。
1)阳极电泳——所用涂料树脂是由带羟基团的聚合物经胺中和成盐再水溶,树脂及颜料粒子带负电荷。
常见的有聚丁二烯阳极电泳涂料等。
2)阴极电泳——所用涂料树脂是由带胺基的碱性树脂经酸中和成盐再水溶,树脂及颜料粒子带正电荷。
常见的有环氧树脂、聚胺脂等阴极电泳涂料。
3)阴极电泳漆比较于阳极电泳漆,具有以下优点:(1)具有优良的防腐性能,对底材的附着力高,对焊缝、锐边保护更好。
根据资料统计,阴极漆膜的抗蚀能力优于阳极漆膜5~6倍。
从成本角度考虑,膜厚为10μm的阴极电泳漆漆膜,其耐盐雾试验>=400h,而膜厚为20μm的阳漆膜,其耐雾试验仅达到240-360h。
(2)阴极电泳涂料的库仑效率为阳极电泳涂料的二倍,可使耗电量减少于30% (3)阴极电泳的泳透力高,一般为阳极电泳的1.3-1.5倍,更适宜于形状复杂的工件涂装。
(4)阴极电泳漆的利用率高,可达95%。
(5)阴极电泳漆漆漆膜外观必须有足够的膜厚,这对涂料耗用有负面影响。
二、电泳涂装基本原理阴极电泳涂料所含的树脂带有碱性基团,经酸中和后成盐而溶于水。
电泳漆涂装漆量计算公式电泳涂装是一种常用的涂装工艺,它能够在金属表面形成均匀、致密、耐腐蚀的涂层。
在进行电泳涂装时,需要计算涂装所需的漆量,以确保涂装质量和经济效益。
本文将介绍电泳漆涂装漆量计算的公式和相关计算方法。
涂装漆量计算公式。
电泳漆涂装漆量的计算公式为:涂料用量(kg)=(涂装面积(m²)×涂料干膜厚度(μm)×涂料密度(kg/m³))÷1000。
其中,涂装面积是指需要进行涂装的表面积,涂料干膜厚度是指涂装后涂料形成的干燥膜的厚度,涂料密度是指涂料的密度。
涂装面积的计算可以根据实际情况进行测量,涂料干膜厚度一般根据涂装要求确定,涂料密度可以从涂料的技术资料中获取。
通过以上公式,可以计算出电泳漆涂装所需的涂料用量。
涂装漆量计算方法。
1.测量涂装面积。
在进行电泳涂装前,首先需要测量涂装面积。
涂装面积可以根据涂装对象的形状和尺寸进行测量,一般可以使用测量工具如卷尺、测量仪等进行测量。
在测量时,需要考虑到涂装对象的各个部位,确保测量准确。
2.确定涂料干膜厚度。
涂料干膜厚度是指涂装后涂料形成的干燥膜的厚度,它是影响涂料用量的重要因素。
一般情况下,涂料干膜厚度可以根据涂装要求确定。
在确定涂料干膜厚度时,需要考虑到涂装对象的使用环境和要求,选择合适的涂料干膜厚度。
3.获取涂料密度。
涂料密度是指涂料的密度,它是影响涂料用量的重要参数。
一般情况下,涂料密度可以从涂料的技术资料中获取。
在获取涂料密度时,需要选择与实际使用的涂料相对应的密度数据。
4.计算涂料用量。
通过以上步骤获取涂装面积、涂料干膜厚度和涂料密度后,就可以使用上述公式进行涂料用量的计算。
将涂装面积、涂料干膜厚度和涂料密度代入公式中,即可计算出电泳漆涂装所需的涂料用量。
涂装漆量计算实例。
为了更好地理解电泳漆涂装漆量计算的方法,我们举一个实际的涂装漆量计算实例。
假设有一批金属零件需要进行电泳涂装,其涂装面积为100m²,涂料干膜厚度为50μm,涂料密度为1.2kg/m³。
涂料和涂装过程中涉及到的计算主要有:1 体积固体份 %VS (Volume Solids )2 漆膜厚度2.1 干膜厚度 DFT (Dry Film Thickness ) 2.2 湿膜厚度 WFT (Wet Film Thickness )3 涂料的理论涂布率 TSR (Theoretical Spreading Rate )4 涂料的实际涂布率 PSR (Practical Spreading Rate )5 涂料的实际用量6 表面粗糙度涂料损耗 DV (Dead Volume )7 每平方米单价8 公升和公斤的价格换算9 面积计算9.1 各种形状的表面积 9.2 钢板表面积 9.3 型材表面积 9.4 水塔内外表面积 注:1.以上某些英文缩写,会在下文中广泛引用2.下文中的计算,会介绍公制和英制两种方法,需要仔细区别体积固体份的计算体积固体份(% Volume Solids ):涂料中非挥发性成分与液态涂料的体积比。
这是一个非常重要的概念,液态涂料中的溶剂挥发后,真正留在被涂物表面成为漆膜的就是涂料中的非挥发份,即固体份。
国际油漆公司和其它大多数涂料生产商采用的计算方法,是在实验室条件下,按照《油漆及颜料化学师(OCCA )》单行本第四册中所述,即《涂料固体成份的含量确定(按体积计算)》来进行的。
这个方法是测量漆膜干燥前的湿膜厚度和干燥后的干膜厚度,按下以下公式来计算:湿膜厚度干膜厚度体积固体份=(1)例:某涂料产品,测得其湿膜厚度为200微米,干膜厚度为100微米,计算其体积固体份?%50200100===湿膜厚度干膜厚度体积固体份答案:该涂料产品的体积固体份为50%从干膜厚度计算湿膜厚度涂层厚度可在施工过程中进行测定,无论涂层是处于湿膜还是干膜状态。
干膜厚度(DFT) 通常在涂装合同予以规定。
湿膜厚度(WFT)的测定可有助于确定必须施工多少厚的涂层才能达到规定的干膜厚度。
湿膜的测定有利于及时发现每一道施工涂层在厚度上的差错,以便纠正。
防腐施工中涂装面积的计算
一、钢架的涂装面积计算钢架多由各种型钢、钢板和管材等组成,根据各种钢材的外型尺寸、吨位数等计算出面积,累加即可得出涂装面积:
1、常型钢面积计算
2、钢板厚度与面积计算
3、管材面积计算
钢架用钢管通常只需涂装外表面,涂装面积可由下式计算而得:
涂装面积(外表面)= 管口周长X 长度= πd X L
二、储罐涂装面积的计算储罐有圆柱体形、球形、方形等,分内外壁,
而管道涂装亦分内外壁。
1、圆柱体形储罐内外壁面积计算
内壁面积=两个内底面积(视为圆形)+柱体表面积(视为长方形)外壁面积=两个外底面积(2πr2)+柱体表面积(πX 柱体外直径X 柱体外高)圆形面积= πr2 =π(d/2)2 , d 为圆形直径,r 为圆形半径
柱体表面积=πX 柱体直径X 柱体高对于拱顶储罐,拱
顶内外壁面积按球体面积的一部分计算。
2、球形罐涂装面积计算
球体面积= πd2 = 4πr2 ,d 为球体直径,r 为球体半径,π≈3.14
3、方形罐内外壁面积计算
内外表面均由长方形组成,计算各长方形面积累加即可。
注:根据储罐的储量(内空体积)和大致尺寸亦可推算出涂装面积。
球体直径= (4πr3/3),可推算出球体半径,从而推算出涂装面积。
圆柱体体积= 底面积X 高= πr2 X h, 如果再知道柱体高度或直径,可推算出涂装面积。
长方体(或正方体)体积= 长X 宽X 高。
三、管道内外壁面积计算
外壁面积= 管口外周长X 长度= πX 管外径X 长度
内壁面积= 管口内周长X 长度= πX 管内径X 长度。
二、槽液热平衡的计算1.计算依据1)按涂漆表面积计算的生产率(m2/h)1200.002)按重量计算的生产率(kg/h)540000.003)最大件面积(m2)100.004)最大件重量(kg)4500.005)液槽容积 m385.456)液槽壁表面积(m2)(含溢流槽)131.367)槽液表面积(m2)34.008)槽液工作温度(℃)65.009)车间温度(℃)15.0010)工件初始温度(℃)15.0011)槽液比重(kg/l) 1.0012)槽液比热(kcal/kg·℃) 1.00 2.热力计算1)工作时即热平衡状态下总热量的计算⑴槽液工作时:Q h加热=K(Q h1+Q h2+Q h3+Q h4)=3741687.84式中:Q h — 工作时的总热量(kcal/h)Q h1 — 槽壁传热(kcal/h)6568.00Q h2 — 加热工件(kcal/h)3105000.00Q h3 — 槽液蒸发(kcal/h)3665.20Q h4 — 补充新鲜槽液(kcal/h)2840.00K — 系数 1.20① Q h1—槽壁传热(kcal/h)Q h4= KF1(t e-t e0)=6568.00式中:K — 槽壁的传热系数(kcal/m2·h·℃),80~100岩棉,K=0.7~1.0 1.00 F1— 槽壁的表面积(m2)131.36t e1— 工作温度(℃)65.00t e0— 车间温度(℃)15.00② Qh2 — 加热工件(kcal/h)Q h3= GC(t e1-t e)=3105000.00式中:G — 按重量计算的生产率(kg/h)540000.00 C— 工件的比热(kcal/kg℃)0.115t e1— 工作温度(℃)65.00t e — 车间温度(℃)15.00③ Q h3 — 槽液蒸发(kcal/h)Q h5= g w F2r=3665.20式中:g w — 每平方米漆液面每小时蒸发的水分量(kg/m2h)0.20一般g w = 0.18~0.22F2— 槽液表面积(m2)34.000r — 水的汽化潜热(kcal/kg)539.00④ Q h4 — 补充新鲜槽液(kcal/h)Q h4= V1γy c(t e-t e0)=2840.00式中:V1— 每小时补充新鲜槽液的容量(l)(工件带走+槽液蒸发)56.80γy— 槽液比重 1.00c — 槽液比热 1.00t e1— 工作温度(℃)65.00t e — 车间温度(℃)15.00 2)槽中漆液初始温度与工作温度差值的热焓量计算(升温时热量)Q h'=[ Vγy c1Δt e/t] +[(Q h1+Q h2)/2]=717199.93式中:Q h' — 漆液初始温度与工作温度差值的热焓量(kcal/h)V— 槽的有效容积(l)85450.00γy — 槽液的比重(kg/l) 1.00c1 — 槽液的比热(kcal/kg·℃) 1.00Δt e — 槽液初始温度与工作温度的差值(℃),当槽液加50.00热时,Δt e应为槽液工作温度与初始温度的差值。
船体涂装面积计算公式下面的经验公式来自于交通部1993年版《修船价格手册》:1、轻重载水线以下总面积=船总长*(平均吃水*2+船宽)* 0.82、轻重水线间总面积=船总长*轻重平均吃水差*23、重载水线以上至主甲板总面积=船总长*平均高*2(计算平均高不包括船楼外板及舷墙外侧)4、舷墙外侧面积按实际计算;舷墙内侧面积按外侧面积的1.4倍计算5、各类水、油舱均以容积“吨”计算面积。
1)前后尖舱、双层底及日用柜按1吨=6平方米计算2)深水、油舱按1吨=2.2平方米计算3)边水舱按1吨=3.4平方米计算6、上层建筑内部总面积=(顶面积+四周面积)*1.4另一种经验公式:1.重载水线以下面积A1=2.6(D*L的平方根)D--满载排水量(T) L--船长(M)2.轻重载水线之间面积A2=2.03L(Ta-Tb)L--船长(M)Ta--满载吃水(M) Tb--空载吃水(M)3.船底面积A3=A1-A24.重载水线以上面积A4=0.6LB+2LhL--船长(M) B--船宽(M)h--重载水线至上甲板高度(M)经验公式,仅供参榷。
新船报价经常要估算涂装面积,有时修理船舶也需计算涂装面积1.重载水线以下面积A1=2.6(D*L的平方根)D--满载排水量(T)L--船长(M)2.轻重载水线之间面积A2=2.03L(Ta-Tb)L--船长(M)Ta--满载吃水(M)Tb--空载吃水(M)3.船底面积A3=A1-A24.重载水线以上面积A4=0.6LB+2LhL--船长(M)B--船宽(M)h--重载水线至上甲板高度(M)经验公式,仅供参榷。
下面的经验公式来自于交通部1993年版《修船价格手册》:1、轻重载水线以下总面积=船总长*(平均吃水*2+船宽)*0.82、轻重水线间总面积=船总长*轻重平均吃水差*23、重载水线以上至主甲板总面积=船总长*平均高*2(计算平均高不包括船楼外板及舷墙外侧)4、舷墙外侧面积按实际计算;舷墙内侧面积按外侧面积的1.4倍计算5、各类水、油舱均以容积“吨”计算面积。
涂装常用计算公式涂装是一个包含多个环节的复杂过程,其中计算公式是关键因素之一。
在涂装过程中,各种参数都需仔细测量和计算,以获得最佳的涂装效果和质量。
本文将讨论一些涂装常用的计算公式。
涂料用量涂装时涂料用量的计算直接关系到成本和效果。
下面是计算常用涂料用量的公式:1. 涂料总用量涂料总用量是指完成一次涂装所需的总量。
它由涂装材料的密度,表面积和厚度决定,其计算公式为:涂料总用量 (L) = 单位面积用量 (kg/m2) × 用量系数 × 表面积 (m2)其中,单位面积用量是指涂料在1平方米面积上的涂料用量,一般在涂料技术资料中给出;用量系数是考虑烘干后涂层的厚度和损耗等因素的调整系数。
2. 底漆用量底漆用量是指在涂装前需要上底漆层的涂料用量。
其计算公式为:底漆用量 (L) = 底漆层厚度 (mils) × 1.6 / 所选涂料各项数据3. 非镀金漆用量非镀金漆用量是指色漆或面漆的涂料用量。
其计算公式为:非镀金漆用量 (L) = (表面积+涂层附加损耗) × 标称干膜厚度 / 0.75/非溶剂型涂料的标称干膜厚度其中,涂层附加损耗是指底漆或中涂层、面漆涂料上的额外用量。
涂料施工在涂料施工中,需要考虑多种公式及参数。
下面是一些施工中常用的计算公式。
1. 涂料喷枪涂料喷枪是涂料施工的关键工具,其喷出的喷头口径和压力都会直接影响涂层的质量和效果。
下面给出涂料喷枪相关的计算公式:涂胶喷嘴流量 = 喷嘴口径 (英寸) × 压力差 (psi) × 0.0565涂胶施工速度 = 60 / 喷嘴速率其中,涂胶喷嘴流量是指喷嘴每分钟涂胶量,单位为gpm(每分钟加仑),喷嘴速率是指喷嘴每秒钟喷出的涂胶量,单位为cm3/s。
2. 施工温度及湿度温度和湿度是影响涂层干燥和硬化的主要因素,下面给出一些涂料施工中常用的计算公式:相对湿度 (RH) = (实际水汽压 / 饱和水汽压) × 100%饱和水汽压 = 0.6108 × exp [17.27 × (温度 / (温度 + 237.3))]涂胶干燥时间 (min) = 并成时间 / 干膜厚度 × 干燥修正系数 × 酱/湿度调整系数其中,涂胶干燥时间是指涂胶完成后开始干燥所需的时间,其单位为分钟;并成时间是指涂层硬化完全所需时间,其单位为小时。
涂装检查基本数学计算0 引言涂料涂装中,会涉及到一些基本的数学计算,内容并不深奥,但是十分重要。
这些计算主要是基于涂料的一些基本概念,如体积固含量,膜厚,涂布量等。
扎实地掌握一些基本的数学计算,是涂料技术员基本的技能要求。
1 单位换算液体容积面积单位的换算压力单位的换算质量单位的换算长度单位的换算2 温度换算经常会用到摄氏与华氏义之间的换算.作为一个技术员需要知道常见温度的换算,如涂装时底材的温度高于露点温度的数据,3℃/5℉,环氧树脂涂料施工时最低温度10℃/50℉,无机富锌底漆作为耐温底漆的可耐受温度400℃/752℉,两者之间的换算公式如下F—32从华氏度到摄氏度=—-—--—-—-----1。
8从摄氏度到华氏度F=1.8C+323 膜厚的计算4 涂料的体积固体含量在中国涂料工业中,目前还习惯采用质量固体份来衡量一个涂料品质。
但是欧美国家体积固体含量,实际上更为科学和实用。
涂料的体积固体含量即为涂料中非挥发性成分与液态漆料的体积比。
这是一个非常重要的概念,液态涂料中的溶剂挥发后,真正留在被涂物表面成为漆膜的就是涂料中的非挥发分,即体含量。
大多数涂料生产商采用的计算方法是在实验室条件下,按照《油漆及颜料化学师(occa)》单行本中所述,即《涂料固体成分的含量确定(按体积计算)》来进行的,这个方法是测量漆膜干燥前的湿膜厚度(WFT)和干燥后的干膜厚度(DFT ),按以下公式来计算:干膜厚度体积固体含量=—-—-—--——----—--———-—-——-—-——---——--湿膜厚度例:某涂料产品,测得其湿膜厚度为200微米,干膜厚度为80微米,计算其体积固体含量:干膜厚度 80体积固体含量=—---—--—--—---—---———---——-—--—=----——-—---———--——----= 40%湿膜厚度 200即体积固体含量为40%。
5 干膜厚度和湿膜厚度涂层厚度可在施工过程中进行测定,无论涂层是处于湿膜还是干膜状态。
涂装常用计算公式引言防腐涂料涂装中,会涉及到一些基本的数学计算,内容并深奥,但是十分重要。
这些计算主要是基于涂料的一些基本概念,如体积固含量,膜厚,涂布量等。
扎实地掌握一些基本的数学计算,是涂料技术员基本的技能要求。
单位换算三、温度换算经常会用到摄氏与华氏义之间的换算。
作为一个技术员需要知道常见温度的换算,如涂料时底材的温度高于露点温度的数据,3 C 15 T,环氧树脂涂料施工时最低温度10 C /50 T,无机富锌底漆作为耐温底漆的可耐受温度400/752 两者之间的换算公式如下F-32从华氏度到摄氏度= ---------------1.8从摄氏度到华氏度F=1.8C+32四、膜厚的计算1、涂料的体积固体含量在中国涂料工业中,目前还习惯采用质量固体份来衡量一个涂料品质。
但是欧美国家体积固体含量,实际上更为科学和实用。
涂料的体积固体含量即为涂料中非挥发性成分与液态漆料的体积比。
这是一个非常重要的概念,液态涂料中的溶剂挥发后,真正留在被涂物表面成为漆膜的就是涂料中的非挥发分,即体含量。
大多数涂料生产商采用的计算方法是在实验室条件下,按照《油漆及颜料化学师(occa)》单行本中所述,即《涂料固体成分的含量确定(按体积计算)》来进行的,这个方法是测量漆膜干燥前的湿膜厚度(WFT)和干燥后的干膜厚度(DFT ),按以下公式来计算:干膜厚度体积固体含量= -------------------------------------湿膜厚度例:某涂料产品,测得其湿膜厚度为200 微米,干膜厚度为80微米,计算其体积固体含量:干膜厚度80体积固体含量= -------------------------------- = --------------------- = 40%湿膜厚度200即体积固体含量为40%.2、干膜厚度和湿膜厚度涂层厚度可在施工过程中进行测定,无论涂层是处于湿膜还是干膜状态。
干膜的厚度通常在涂装合同予以规定。
1.固体分的测量固体份是指电泳涂料在105℃时加热3小时后,剩余的干燥树脂和颜料份的百分含量。
测定方法如下:①称取约2g的槽液存于干燥洁净的小蒸发皿中,在105℃下,烘干3小时,称量。
②计算:NV%=(W2/W1)×100%式中:NV%—固体份值W2 —烘干后残留物重量W1 —样品起始称量③测定时,可取2—3个平行实验计算平均值。
2.PH值的测定测定pH值,可采用一般pH计。
测定前,先按pH计的说明书校准计。
测定温度控制在25℃。
其中槽液、极液、超滤液、去离子水可直接取样测定,而乳液和色浆则必须先用去离子水稀释一倍后再测定。
3.电导率的测定电导率的测定可采用一般的电导仪测定。
具体步骤如下:①先按电导仪的使用说明书预热,调试仪器。
②再根据说明分别测定待测液体的电导率。
注意温度控制在25℃。
4.MEQ值的测定电泳涂料的MEQ值=中和剂/胺值(酸值),也可用中和100g涂料固体份所需中和剂的毫克量来表示。
MEQ值的测定方法如下(仅适用于槽液):①取10g电泳涂料槽液(精确到1mg)放入250ml烧杯中,加入50ml四氢呋喃,用电磁搅拌充分搅拌均匀。
②用0.1N氢氧化钠,3ml以/分的速度(自动或手动滴定均可)进行滴定。
③将所有测定的数据记作消耗碱的函数。
④经所测定的各点圆滑连接,用平行尺根据曲线的拐点找出曲线与拐点的两条平行切线的垂线相交二分之一点,此点即为中和点。
此点对应值即为消耗的碱量。
⑤计算:MEQ=(V-V")×N×100/WS式中:V—等当点时耗碱量(ml)V"—四氢呋喃耗碱量(ml)N—氢氧化钠溶液的浓度S—试样的固体份(%)W—试样重(g)5.库仑效率的测定库仑效率是指消耗单位库仑的电量沉积的采用一般的库仑计漆膜的重量,以毫克/库仑来表示。
阴极电泳涂料槽液的库仑效率测定:(采用一般的库仑计)①磷化钢板称量,在标准电泳条件下,制备样板。
在泳板过程中记录库仑计上的库仑数值Q。