强条培训记录教程文件
- 格式:doc
- 大小:127.00 KB
- 文档页数:23
强制性条文培训学习计划
一、目的及意义
《工程建设标准强制性条文》的内容,是工程建设现行国家和行业标准中直接涉及人民生命财产安全,人身健康,环境保护和公众利益的,必须严格执行的强制性规定。
不执行工程建设标准强制性条文就是违法。
为保证XX工程质量达标投产和创优质工程的要求,结合我公司承担的施工项目,特制订了本条文的学习计划,要求我们在施工过程中能够认真贯彻和执行《工程建设标准强制性条文》的有关标准、规范和规程,使工程质量得到有效的保障。
自XXXX年XX月XX日起,每一周的星期日下午六点半至八点在项目部现场会议室进行学习《强制性条文》内容。
要求各部门及施工队的第一负责人和班组长必须到场,根据每一周的学习内容,再组织各相关专业的施工人员到场学习。
二、培训学习文献:
1、国务院《建设工程质量管理条例》
2、〈实施工程建设强制性标准监督规定〉(建设部令第81号)
3、《工程建设标准强制性条文》电力工程部
4、〈电力建设安全工作规程〉第一部分火力发电厂DL5009.1-2002
三、培训学习计划:
1、培训项目:《工程建设标准强制性条文》
2、培训对象:项目部施工管理人员及队伍、班组负责人
3、培训方式:授课、集中自学、相互交流、考试:
4、计划安排:见下表
计划安排:
强制性条文培训学习培训记录
编制:批准:
强制性条文培训学习培训记录
强制性条文培训学习培训记录
强制性条文培训学习培训记录。
水利工程建设标准强制性条文培训记录表工程名称:湖北省鄂北地区水资源配置工程单位名称:河南华北水电工程监理有限公司教育内容:水利工程建设标准强制性条文土石方工程开挖《水工建筑物岩石基础开挖工程施工技术规范》SL47—941、严禁在设计建基面、设计边坡附近采用洞室爆破法或药壶爆破法施工。
2、未经安全技术论证和主管部门批准严禁采用自下而上的开挖方式。
《水工建筑物地下开挖工程施工技术规范》SL378—20071、地下洞室洞口削坡应自上而下进行,严禁上下垂直作业。
进洞前,应做好危石清理和排水工作,按设计要求进行边坡面加固。
2、当特大断面洞室设有拱座,采用先拱后墙法开挖时,应注意保护和加固拱座岩体。
拱脚下部的岩体开挖,应符合下列条件:⑴拱脚下部开挖面至拱脚线最低点的距离不应小于。
⑵顶拱混凝土衬砌强度不应低于设计强度的75%。
3、相向开挖的两个工作面相距小于30m或5倍洞径距离爆破时,双方人员均须撤离工作面,相距15m时,应停止一方工作,单向开挖贯通。
警戒线应设置围栏和明显的警戒标志,施工区出入口应设专人看守。
6、施工升降机应有可靠的安全保护装置,运输人员的提升设备的钢丝绳的安全系数不应小于12,同时,应设置两套互相独立的防坠落保护装置,形成并联的保险。
极限开关也应设置两套。
7、滑模施工现场的场地和操作平台上应分别设置配电装置。
附着在操作平台上的垂直运输设备应有上下两套紧急断电装置。
总开关和集中控制开关应有明显标志。
《水工混凝土施工规范》SL677--20141、不承重的侧面模板,混凝土强度达到以上,保证其表面及棱角不因拆模而损坏时,方可拆除。
2、钢筋混凝土结构的承重模板,混凝土达到下列强度后(按混凝土设计强度标准值的百分率计),方可拆除。
1悬臂板、梁:跨度L≤2m ,75%;跨度L>2m ,100%2其他梁、板、拱:跨度L≤2m , 50%;跨度2~8m ,75%;跨度L>8m, 100% 。
《水工建筑物水泥灌浆施工技术规范》SL62-20141、接缝灌浆应库水位低于灌区底部高程的条件下进行。
水利工程建设标准强制性条文培训记录表
工程名称:湖北省鄂北地区水资源配置工程
单位名称:河南华北水电工程监理有限公司
教育内容:水利工程建设标准强制性条文
土石方工程开挖
《水工建筑物岩石基础开挖工程施工技术规范》SL47—94
1、严禁在设计建基面、设计边坡附近采用洞室爆破法或药壶爆破法施工。
2、未经安全技术论证和主管部
《水工建筑物地下开挖工程施工技术规范》SL378—2007
1、地下洞室洞口削坡应自上而下进行,严禁上下垂直作业。
进洞前,应做好危石清理和排水工作,按设计要求进行边坡面加固。
2、当特大断面洞室设有拱座,采用先拱后墙法开挖时,应注意保护和加固拱座岩体。
拱脚下部的岩体开挖,应符合下列条件:
⑴拱脚下部开挖面至拱脚线最低点的距离不应小于1.5m
⑵顶拱混凝土衬砌强度不应低于设计强度的75%
、不承重的侧面模板,混凝土强度达到2.5Mpa以上,保证其表面及棱角不因拆模而损坏时,方可拆除。
、钢筋混凝土结构的承重模板,混凝土达到下列强度后(按混凝土设计强度标准值的百分率计),方可拆除。
1:跨度L≤2m,75%;跨度L>2m,100%
2:跨度L≤2m,50%;跨度2~8m,75%;
>8m,100%。
《水工建筑物水泥灌浆施工技术规范》SL62-2014
接缝灌浆应库水位低于灌区底部高程的条件下进行。
蓄水前应完成蓄水初期最低库水位以下各灌区的接缝灌浆及其验收工作。
质量检查
《水利水电工程施工质量评定规程》试行SL176—2007
、对涉及工程结构安全的试块、试件及有关材料,应被告见证取样。
见。
强制性条文培训记录华能镇赉马力风电厂二期工程风机安装工程强制性条文学习记录长春市风润电力工程有限公司/ 1强制性条文培训记录强制性条文学习记录批准:审核:编写:长春风润电力工程有限责任公司华能镇赉马力风电厂工程项目部二O一一年五月/ 2强制性条文培训记录风机安装工程强制性条文学习记录培训主风机安装强制性条文学主讲张立培训地华能镇赉马力风电场工程风机安装12010培训时程长春风润工程项目培训内组织全体员工学习国家建设工程相关管理条例,具体如下1《建设工程质量管理条例国务院令27)2《实施工程建设强制性标准监督规定(建设部令8,2000.8.23《建设工程勘察设计管理条例国务院令29)4《特种设备安全监察条例国务院令37)5《建设工程安全生产管理条例国务院令39)6《生产安全事故报告和调查处理条例国务院令49)17/ 3强制性条文培训记录培训签到签序签序序签31116322173318334419355203662137227388233992440102541112642122743132844142945153017/ 4强制性条文培训记录风机安装工程强制性条文学习记录17/ 5强制性条文培训记录17/ 6强制性条文培训记录17/ 7强制性条文培训记录风机安装工程强制性条文学习记录培训主风机安装强制性条文学主讲张立培训地华能镇赉马力风电场工程风机安装02201培训时程长春风润工程项目培训内组织全体员工学习适用于本工程的强制性条文《风力发电场安全规程79200中对强制性条文的规定如下风电机组安装安全措风电机开始安装前,施工单位应向建设单位提交安全措施、组织措施、技术措施,审查批准后方可开始施工。
安装现场应成立安全监察机构,并设安全监督员风电机安装之前应制定施工方案施工方案应符合国家及上级安全生产规定并报关部门审批风电机安装现场道路应平整、通畅,所有桥涵、道路能够保证各种施工车辆安通行风电机安装场地应满足吊装需要,并应有足够的零部件存放场地施工现场临时用电应采取可靠的安全措施施工现场应根据需要设置警示性标牌、围栏等安全设施风电机安装的吊装设备应符4040电力工业电安[1994]22《业安全工作规程热力和机械部的规定安装现场应准备常用的医药用品安装现场应配备对讲机1风电机安装之前必须先完成风电机基础验收,并清理风电机基础1吊装前吊装人员必须检查吊车各零部件,正确选择吊具1起吊前应认真检查风电机设备,防止物品坠落1吊装现场必须设专人指挥。
《工程建设标准强制性条文》相关内容学习记录时间:2015年7月1日组织单位:酒泉市顺帆工程监理公司第十三项目监理部主持人:张振宇参加学习人员:蔡建国董志刚董汉书陈怀兰学习地点:碧玉佳苑住宅小区项目监理部办公室基本规定:《民用建筑设计通则》GB50352—20056.3.3阳台、外廊、室内回廊、内天井、上人屋面及室外楼梯等临空处应设置防护栏杆,并应符合下列规定:1栏杆应以坚固、耐久的材料制作,并能承受荷载规范规定的水平荷载;4住宅、托儿所、幼儿园、中小学及少年儿童专用活动场所的栏杆必须采用防止少年儿童攀登的构造,当采用垂直杆件做栏杆时,其杆件净距不应大于0.11m。
《中小学建筑设计规范》GB50099--20118.1.5临空窗台的高度不应低于0.90 m。
8.1.6上人屋面、外廊、楼梯、平台、阳台等临空部位必须设防护栏杆,防护栏杆必须牢固、安全,高度不应低于1.10 m。
防护栏杆最薄弱处承受的最小水平推力应不小于1.5KN/m。
《住宅设计规范》GB50096—20115.5.2卧室、起居室(厅)的室内净高不应低于2.40m,局部净高不应低于2.10m,且其面积不应大于室内使用面积的1/3。
5.5.3利用坡屋顶内空间作卧室、起居室(厅)时,其1/2面积的室内净高不应低于2.10m。
5.6.2阳台栏杆设计应采用防止儿童攀登的构造,栏杆的垂直杆件间净距不应大于0.11m;放置花盆处必须采取防坠落措施。
5.6.3住宅的阳台栏板或栏杆净高,六层及六层以下的不应低于1.05m,七层及以上的不应低于1.10m。
5.8.1外窗窗台距楼面、地面的净高低于0.90m时,应有防护设施。
6.1.1 楼梯间、电梯厅等公共部分的外窗窗台距楼面、地面的净高小于0.90m时,应有防护设施。
注:窗外有阳台或平台时可不受此限制。
窗台的净高或防护栏杆的高度均应从可踏面起算,保证净高达到0.90m。
6.1.2 住宅的公共入口台阶高度超过0.70m并侧面临空时,应设防护设施,防护设施净高不应小于1.05m。
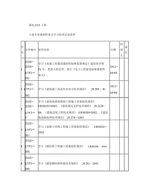
国电 XXX工程土建专业强制性条文学习培训记录清单培序备文件编号培训内容日期训号注人JXSD-学习《实施工程建设强制性标准监督规定》建设部令第JXSD- 2011-1 81 号,更深入的宣贯、执行《电力工程建设标准强制性08-05 QTPX--条文》。
001JXSD-2011-2 QTPX-- 学习《建筑施工高处作业安全技术规范》JGJ80— 9108-05 002JXSD- 学习《建筑地基础基础工程施工质量验收规范》JXSD- GB50202-2002;《建筑基坑支护技术规程》 JGJ120—399;《建筑边坡工程技术规范》 GB50330-2002;《建筑QTPX--3地基础处理技术规范》 JGJ79—2002JXSD-学习《混凝土结构工程施工质量验收规范》GB50204—4QTPX--2002004JXSD-5 QTPX--学习《钢结构工程施工质量验收规范》GB50205— 2001005JXSD-6 QTPX--学习《建筑钢结构焊接技术规程》JGJ81—2002006JXSD-7 QTPX-- 学习《砌体工程施工质量验收规范》 GB50203—2002007JXSD-8 QTPX-- 学习《屋面工程质量验收规范》 GB50207—2002008JXSD-GB50209— 9 学习《建筑地面工程施工质量验收规范》 QTPX--2002009JXSD-10 学习《建筑给排水及采暖工程施工质量验收规范》 QTPX--GB50242—2002010JXSD-GB50243— 11 学习《通风与空调工程施工质量验收规范》 QTPX--2002011JXSD-GB50303— 12 学习《建筑电气工程施工质量验收规范》 QTPX--2002012国电 XXX 工程《强制性条文》学习培训记录编号:学习培训时间学习培训辅导人学习培训内容:学习培训地点记 录 人学习《实施工程建设强制性标准监督规定》建设部令第81 号,更深入的宣贯、执行《电力工程建设标准强制性条文》。
施工强制性条文培训记录培训日期:XXXX年XX月XX日培训地点:XXX公司会议室培训主题:施工强制性条文培训培训内容和安排:1.介绍施工强制性条文的背景和意义;2.详细解释施工强制性条文的具体内容;3.强调施工强制性条文的重要性和遵守的必要性;4.引导参训人员理解施工强制性条文的目的和原则;5.解答参训人员提出的问题。
培训人员:1.公司高层管理人员;2.相关部门经理及员工;3.施工现场工作人员。
培训记录:一、会议开始现场工作人员签到,确认参训人员,开始会议。
二、施工强制性条文的背景和意义介绍培训讲师对施工强制性条文的背景和意义进行了详细介绍。
他指出,施工强制性条文是为了保障施工过程中的安全、质量和环境要求而制定的。
它们是法律法规的规范性文件,对所有参与施工的人员都具有约束力。
三、施工强制性条文的具体内容解释培训讲师逐条解释施工强制性条文的具体内容,包括施工过程中的技术要求、操作规范、安全防护措施等方面。
他强调每一条的重要性,并提醒参训人员务必牢记并遵守。
四、施工强制性条文的重要性和遵守的必要性讲师从施工强制性条文对工程项目的安全、质量和环境保护方面的影响,以及不遵守施工强制性条文可能带来的法律风险等方面,强调了施工强制性条文的重要性和遵守的必要性。
他鼓励参训人员将施工强制性条文融入到实际工作中,确保施工过程的安全、质量和环境符合相关要求。
五、施工强制性条文的目的和原则培训讲师解读施工强制性条文的目的和原则,包括保护工人安全,提高工程质量,保护环境等方面,要求参训人员深入理解和贯彻。
六、解答参训人员提出的问题在讲解完整个培训内容后,讲师对参训人员提出的问题逐一进行了解答。
问题涉及施工强制性条文的具体操作等方面,讲师耐心解释并给予指导。
七、总结和结束培训讲师对本次培训进行了总结,并对参训人员提出了要求。
他要求参训人员要加强对施工强制性条文的学习和理解,做到知识转化为行动,确保施工过程的安全、质量和环境达到相关要求。
强条培训记录
国电XXX工程
土建专业强制性条文学习培训记录清单
国电XXX工程
《强制性条文》学习培训记录
编号:
国电XXX工程
《强制性条文》学习培训记录
编号:
国电XXX工程
《强制性条文》学习培训记录
编号:
国电XXX工程
《强制性条文》学习培训记录续表编号:
国电XXX工程
《强制性条文》学习培训记录编号:
国电XXX工程
《强制性条文》学习培训记录续表编号:
国电工程
《强制性条文》学习培训记录
编号: 5
国电XXX工程
《强制性条文》学习培训记录续表编号:
国电XXX工程
《强制性条文》学习培训记录
编号:
国电XXX工程
《强制性条文》学习培训记录
编号:
国电XXX工程
《强制性条文》学习培训记录
编号:
国电XXX工程
《强制性条文》学习培训记录
编号:
国电XXX工程
《强制性条文》学习培训记录
编号:
国电XXX工程
《强制性条文》学习培训记录
编号:
国电XXX工程
《强制性条文》学习培训记录
编号:。