污染治理设施维修保养制度
- 格式:doc
- 大小:55.50 KB
- 文档页数:4
环保设施检修与管理制度1、目的为了加强环保设备的检修与管理,及时排除环保设备各种故障,提高环保设备运转率,保障环境不受污染,制定本管理制度。
2、适用范围2.1本规定适用于夏河安多水泥有限责任公司生产各环保设备检修与管理。
2.2环保设备检修管理是指检修维护单位人员在检维修过程中的环境行为进行监督管理,对外协技术改造人员的环境行为监督管理。
3、环保设备的范围3.1废水处理设备、废水处理回收设备、废水循环利用设备。
3.2废气处理设备,除尘设备、余热发电设备、废气回收设备。
3.3废渣、固体废弃物等综合利用设备。
3.4噪音防治设施及设备。
3.5凡属于以治理污染为主要目的进行技术改造所增加的收尘设备。
4、职责4.1验收合格的环保设备,转入生产车间的固定资产管理,由相关部门(车间)负责环保设备的运行和管理,建立本部门(车间)的环保设备台帐;每月将环保设备的运行情况报安全生产部。
4.2技术动力部负责环境保护设备工艺条件的控制管理,以确保环境保护设备正常运行。
4.3技术动力部负责监督、检查各车间环保设备的管理,并建立公司环保设备台帐。
4.4技术动力部按照年度环境监测计划对有关环保设备的运行情况进行监督性监测,监测结果报安全生产部、环保设备所属车间,并存档和留存各一份。
4.5各使用车间和动力车间负责对环保设备的维护、检修,以确保环保设备的长期稳定运行。
4.6安全生产部负责对维护检修施工过程中的环保工作实施全面监督管理。
4.7技术动力部对公司人员在检维修过程中的环境行为进行监督管理,对外协技术改造人员的环境行为具体负责。
4.8技术动力部下发设备检修计划时,应包括环保设备的检修计划及环保措施的内容,在检修费用中列支。
4.9各车间负责对管辖区内环保设备进行检修,并对检修过程进行管理。
5、一般规定5.1环保设备正式投运前,应按照环保设备竣工验收的有关规定和程序进行验收,经验收合格后方可投入运行。
5.2环保设备所属车间要执行技术动力部下发的生产设备管理和运行相关指标,确保环保设备与主机设备同时投入运行。
环境污染治理设施维修与保养规范一、前言环境污染治理设施的维修与保养是确保设施高效运行和有效治理环境污染的重要环节。
本文将就环境污染治理设施的维修与保养规范展开论述,包括设施维修与保养的目的、原则和具体操作等。
二、设施维修与保养的目的环境污染治理设施的维修与保养旨在确保设施的正常运行和处理效果的稳定性。
具体而言,其目的主要包括以下几个方面:1. 保障设施的可靠性和安全性:通过定期检修和维护,保障设施的各项功能完好,减少故障和事故的发生,确保设施运行的稳定性和安全性。
2. 维持设施的处理效率:定期的维护和保养可以解决设施中的各种问题,如管道堵塞、设备老化等,保持设施的处理效率和运行效果。
3. 延长设施的使用寿命:正确的维修和保养措施可以有效延长设施的使用寿命,增加设施的经济效益。
4. 提高环境治理的效果:设施的维修和保养能够保证设施运行的稳定性和处理效果的稳定性,从而提高环境治理的效果。
三、设施维修与保养的原则设施维修与保养应遵循以下原则:1. 预防性维修与保养:预防性维修和保养是设施维护工作中最为重要的原则之一。
通过定期检查和维护,提前发现问题并解决,防止故障的发生,确保设施始终处于良好的运行状态。
2. 定期维修与保养:按照制定的保养计划进行定期的维修和保养工作,明确维修和保养的内容、周期和标准。
3. 行为规范性:设施维修与保养人员应按照相关的操作规范和安全操作流程进行工作,防止操作失误和事故发生。
4. 数据化管理:建立设施维修和保养的数据化管理系统,记录设施的运行情况、维修和保养记录等,为设施管理提供依据。
四、设施维修与保养的操作步骤设施维修与保养的具体操作步骤可按以下方式进行:1. 设施的日常巡检:设立巡检制度,定期对设施进行巡检,检查设备和管道的运行情况,记录设施的异常情况,并及时处理。
2. 设施的维修与更换:根据设施的维修计划,定期对设备进行检修和更换老化部件,保持设备的正常运行。
3. 设施的清洁保养:定期对设施进行清洁保养,清除沉积物和堵塞,保持设施的通畅和处理效果。
XX公司污染物治理设施运行管理制度1目的为了加强我公司环保设施管理,保证环保设施与主设备同步、有效投运,结合公司实际情况,制定本管理制度。
2适用范围办法适用于XX公司环保设施管理。
按照委托管理要求,也适用于XX公司、运灰队伍等有关单位。
按照本规定要求,必须执行的国家标准、行业标准、法律法规均为现行有效版本,如版本有更新,以最新版本为准。
3定义和缩略语3.1定义XX热电公司环保设施(即污染治理设施):是指废气处理设施(包括电袋除尘器、石灰石系统等烟气超低排放系统),固废处理系统(包括除灰除渣系统、输煤储煤系统的抑尘喷淋设施、灰场抑尘碾压设备等)。
4职责4.1XX热电公司职责4.1.1XX公司环保设施管理工作实行三级管理,第一级为XX热电公司,第二级为涉及环保设施管理工作的各部门及各委托管理单位,第三级为各部门所属班组及各委托管理单位的专业部门或班组。
4.1.2公司生产副总经理是环保设施管理的第一责任人,公司生技部是环保设施管理的归口管理部门。
4.1.3贯彻执行国家法律法规、集团公司、地方环保部门等各级主管部门下发的有关规章制度、监督考评标准,结合公司实际情况,制订本公司环保设施管理制度。
4.2生产技术部职责4.2.1负责全公司环保设施的技术管理工作。
4.2.2负责检查各项环保指标完成情况和环保设施运行维护情况,督促责任单位和专责人,及时调整设备运行工况,及时组织消缺,保证环保设施正常、有效地投入运行。
对各单位处理不了的重大缺陷及时组织召开专题会议,协调解决。
4.2.3随时检查督办运检各单位责任制的落实情况,负责对各托管单位环保设施日常管理工作的检查、督办和考核。
4.2.4负责组织各托管单位共同配合上级部门组织的专业检查、评比等活动。
4.2.5负责督办、检查各托管单位专业人员的岗位培训,按照有关规定必须持证上岗的岗位,随时检查其人员的培训、考核、取证工作,对无岗位证书的人员有权要求其辞退并及时更换符合岗位资质要求的人员。
污染治理设施管理制度在现代产业活动中,伴随生产过程产生的各类污染物需要通过专业的治理设施进行处理,以达到国家环保标准。
为了保障这些设施的有效运行和维护,制定一套详尽的管理制度至关重要。
以下是一个针对污染治理设施管理的基本制度框架。
一、组织架构与责任分配建立一个由高层领导牵头,专职环保部门负责执行的管理组织结构。
明确各级管理人员的职责,从公司领导到一线操作工,每个人的环保职责都应具体化、明确化。
二、设施运行管理对于污染治理设施的日常运行,应制定详细的操作规程和流程图,保证设施按照设计要求稳定运行。
同时,建立设备档案,记录设备的购置、使用、维护等全过程信息。
三、维护保养制度定期对污染治理设施进行保养和检修,预防设备故障的发生。
制定年度或季度的保养计划,并详细记录每次的保养和维修情况。
四、监测与报告实施定期的环境监测,并对数据进行分析评估,确保污染物排放持续达标。
所有监测结果应当及时整理成报告,向管理层和相关环保部门汇报。
五、应急响应机制制定应急预案,面对突发环境污染事件时能够迅速有效地处置。
预案应包括潜在风险评估、应急措施、资源调配等内容。
六、员工培训与发展定期对员工进行环保知识和技能培训,提高他们的环保意识和操作水平。
通过考核和激励机制,鼓励员工积极参与环境保护工作。
七、法律法规遵循密切关注国家及地方环保法律法规的变化,确保企业的污染治理工作符合最新的法规要求。
八、持续改进机制建立环境管理体系的持续改进机制,根据内外部环境变化和管理评审的结果,适时调整和完善管理制度。
XXXXXXXXXX有限公司
污染防治设施运行保养管理制度
为加强环境污染防治设施的管理,保证污染防治设施有效地运行,根据《中华人民共和国环境保护法》及有关法律和法规的规定,结合本公司实际情况,制定本办法:
1、本办法所称污染防治设施,是指为防治环境污染而建设的各种处理、净化、控制和综合利用污染物及防治其他公害的设施。
2、公司负责污染防治设施的部门,应根据公司管理制度,认真加以落实,将防治设施的管理纳入本部门的重要工作之中。
3、负责污染防治设施的部门应做到:
(1)经污染防治设施处理后的排放物达到规定的排放标准,防治设施的实际处理能力符合相关要求;
(2)污染防治设施与产生污染物的相应设施同时运转,同时维护;
(3)有专门操作污染防治设施的人员和管理人员,有健全的岗位责任制、设备维修保养制度、操作规程、监视监测等制度;
(4)建立防治设施日常运行情况记录台帐,并按规定定期向公司主管部门填报污染防治设施运行情况表。
4、需暂停、拆除、闲置、改造或更新的污染防治设施,应经设备部审核后报安全环保部审批。
5、污染防治设施因事故停止运转,应立即采取措施排除故障,
并在二十四小时内向当地主管部门或环保部门进行报告,防治设施停运可
能对环境造成污染的,应立即停止排放污染物。
6、有下列行为之一者,除责令整改外,还要对责任部门领导进行处罚,处罚金额在100-300之间。
(1)拒报或谎报污染防治设施运行情况,或者在被检查时弄虚作假的;
(2)未经环保部门同意,擅自停用污染防治设施,污染排放物超出规定的排放标准;
(3)违反本办法规定,造成污染事故的。
XXXXXXXXXX有限公司
20XX年XX月。
污染治理设施管理岗位责任制度和维修保养制度污染治理设施管理岗位责任制度和维修保养制度一、岗位责任制度1. 岗位职责负责污染治理设施的日常管理和运维工作;确保污染治理设施的正常运行;监督并保证设施维修保养工作的有效进行;汇报设施运行状况,及时反馈问题。
2. 岗位要求具备相关专业知识,熟悉污染治理设施的工作原理和操作方法;具备一定的技术操作能力,能够独立完成设施的运行和维护工作;具备团队合作意识,能够与其他相关岗位协作,解决设施运维问题;具备责任心和敬业精神,能够按时完成工作,并主动报告工作进展。
3. 岗位考核考核指标包括设施运行状况、维护保养情况、工作积极性等;考核结果将作为晋升、奖惩等方面的依据;考核结果将定期向上级汇报。
二、维修保养制度1. 设备维护保养定期检查设施的运行状况,发现问题及时维修;做好设备的定期保养工作,延长设备的使用寿命;维护设施的外观和环境,保持整洁有序。
2. 维修记录和报告维修保养工作需要做好记录,包括设备损坏情况、维修时间和方式等;维修保养工作需要及时报告,向上级进行汇报。
3. 维修保养培训培训员工,提高维修保养的技术水平;培训内容包括设备的维修方法、常见问题处理等。
三、污染治理设施管理岗位的责任制度和维修保养制度是保证污染治理设施正常运行和提高设施维护工作效率的重要保障。
通过明确岗位职责、要求和考核,可以有效激发员工的责任心和工作积极性,提高设施的运行质量和效率。
维修保养制度的建立和培训,可以确保设施维修工作按照规范进行,减少故障发生率,延长设备的使用寿命。
建立健全的管理岗位责任制度和维修保养制度对于污染治理设施的管理和维护来说至关重要。
环境污染治理设施运行保养管理制度一、目的本制度的目的是为了规范环境污染治理设施的运行和保养工作,确保设施的正常运行,减少环境污染的发生,保护环境。
二、适用范围本制度适用于所有涉及环境污染治理设施的运行和保养工作。
三、责任与义务1. 环境污染治理设施管理部门负责设施的日常运行和保养工作,及时发现和解决设施故障和问题。
2. 设施操作人员应按照设施操作手册进行操作,保证设施的正常运行。
3. 技术人员应定期检查设施的运行状况,及时维修和更换设施的部件和设备。
4. 其他相关部门应提供必要的支持和协助。
四、运行管理1. 设施操作人员应按照设施操作手册执行操作程序,确保设施按规定运行。
2. 设施操作人员应进行设施性能监测,及时发现设施异常情况,并及时采取措施处理。
3. 设施操作人员应密切关注设施运行指标,记录设施运行数据,定期向上级汇报设施运行情况。
4. 设施管理部门应制定设施运行保养计划,并指导操作人员按计划执行。
五、保养管理1. 设施保养包括日常保养和定期保养。
日常保养主要包括设施清洁、设施部件检查和维护等工作。
定期保养主要包括设施设备维修、更换和更新等工作。
2. 设施管理部门应根据设施的实际情况制定保养计划,并组织实施。
3. 设施保养工作应定期进行,并记录保养过程、内容和结果。
4. 设施保养工作应由专业人员进行,并严格按照标准操作。
六、故障处理1. 设施管理部门应建立设施故障处理机制,确保故障能够得到及时解决。
2. 设施操作人员应及时报告设施故障,并配合技术人员进行故障诊断和维修。
3. 技术人员应及时到场处理设施故障,并记录故障处理过程和结果。
七、培训与交流1. 设施管理部门应定期组织设施操作人员进行培训,提升其操作技能和维修能力。
2. 设施管理部门应与相关部门进行交流,共享经验和技术,提高设施管理水平。
八、违规行为处理对于违反本制度规定的行为,将依据相关规定进行处理,并追究相应责任。
九、附则本制度的解释权归环境污染治理设施管理部门所有。
污染治理设施管理岗位责任制度和维修保养制度一、岗位责任制度1.1 目标确保污染治理设施管理岗位的责任明确,工作内容和标准清晰,确保设施有效运营和维护。
1.2 职责和权限在污染治理设施管理岗位中,各级岗位的职责和权限如下:1.2.1 设施经理负责制定污染治理设施的管理政策、制度和工作计划;负责设施的维护保养和日常管理工作,包括设施设备的巡检、维修、清洁等;负责设施的改造升级和技术更新;组织开展设施的安全培训和演练;负责设施管理人员的培训、考核和绩效评估。
1.2.2 设施维护人员负责设施设备的日常巡检、维修、保养和清洁工作;及时发现设备故障和隐患,做好记录并及时报告设施经理;参与设施的安全培训和演练。
1.2.3 设施管理员负责设施设备的资料整理、档案管理和统计分析工作;提供必要的技术支持和数据分析报告;协助设施经理做好安全培训和演练的组织工作。
1.3 工作流程污染治理设施管理岗位的工作流程如下:1. 确定设施经理和设施管理员;2. 设施经理制定设施的管理政策、制度和工作计划;3. 设施维护人员按计划进行设备的巡检、维修、保养和清洁;4. 设施管理员对设施设备进行资料整理、档案管理和统计分析工作;5. 设施经理和设施管理员组织开展设施的安全培训和演练;6. 设施经理定期对设施管理人员进行培训、考核和绩效评估。
二、维修保养制度2.1 目标确保污染治理设施的维护保养工作有序进行,设施设备能够长期稳定运行。
2.2 要求在维修保养制度中,对设施维修保养的要求如下:2.2.1 检修计划制定设施设备的定期检修计划,按照计划进行设备的检修和维护工作。
2.2.2 检修记录做好设施设备的检修记录,包括设备的维修情况、故障处理过程等信息,便于日后查阅和分析。
2.2.3 保养工作制定设施设备的保养工作标准和频次,确保设备的正常运行和寿命延长。
2.2.4 维修要求对设施设备的维修要求,包括维修人员的技能要求、修复工艺规范、维修工具和设备要求等。
环保设施检修与管理制度范文一、总则1. 为加强对环保设施的检修与管理工作,提高环保设施的使用效率和安全性,制定本制度。
2. 本制度适用于本单位所有环保设施的检修与管理工作。
3. 环保设施检修与管理工作应遵循“安全、高效、环保”的原则。
二、环保设施检修与管理的责任1. 部门领导应制定相关工作方针与目标,并确保其有效实施。
2. 环保设施检修与管理责任由设备管理部门具体负责。
3. 设备管理部门应派遣专职人员负责日常检修与管理工作,并建立相应的管理制度和档案。
三、环保设施的维护与保养1. 每个使用单位应按照规定对环保设施进行定期维护与保养,保证其正常运行。
2. 维护与保养工作应由专职人员或具备相应资质的人员进行。
3. 维护与保养工作应遵循设备制造单位提供的维护手册或相关规范。
四、环保设施故障处理1. 遇到环保设施故障时,使用单位应立即报告设备管理部门。
2. 设备管理部门接到故障报告后应及时组织人员进行故障处理。
3. 故障处理过程中,应确保操作人员的人身安全和设备的正常运行。
五、环保设施的定期检修1. 每个使用单位应按照规定对环保设施进行定期检修,确保其性能正常和安全可靠。
2. 设备管理部门应组织专业人员对环保设施进行定期检修,保证其在检修期间不会影响正常的生产生活秩序。
3. 检修期间,应采取临时措施保证环保设施的正常运行。
六、环保设施的保险与备用件储备1. 使用单位应购买相应的保险,确保环保设施在意外事故中得到及时赔偿和维修。
2. 设备管理部门应根据设备使用情况,建立备用件储备制度,保证设备故障时能及时更换备用件。
七、环保设施的追踪与记录1. 设备管理部门应建立环保设施的档案,包括设备安装资料、维护记录和故障处理记录等。
2. 档案应按照规定进行分类存档,确保档案的安全和完整。
3. 设备管理部门应定期对档案进行检查与整理,及时更新相关资料。
八、环保设施的更新与淘汰1. 使用单位应根据环保设施的使用寿命和技术更新情况,制定相应的更新计划。
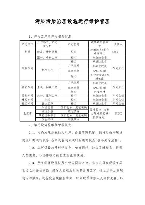
污染污染治理设施运行维护管理1、产污工序及产污相关信息:2、治污设施检维修管理规定2.1、污染治理设施纳入生产、设备管理轨道,保持污染治理设施良好的运行状态,备用设备达到随时启用的状态(含各处除尘器)。
2.2、各环保设施及标识齐全,如有损坏、缺失及时联系、协调人员恢复,不得影响各级检查及正常使用。
2.3、所有环保设施按照主设备同样对待。
当班人员发现设备异常应立即分析判断,操作人员应及时调整设备工况,使之尽快达到理想治污效果;设备发生缺陷应在第一时间联系维修人员到位处理,环保设施缺陷按照主设备缺陷对待处理。
2.4、为保证消缺及时,各产污单位应提前向采购人员提供易损件、易耗材料清单,保证现场有足够的库存备件,防止由于备品备件不足延迟消缺时间,确保环保设施全年投入率不低于95%。
2.5、各产污单位应保证环保设施正常、有效运行,暂时无法消除的缺陷,必须经过生产经理的签字确认,各产污单位负责应及时督促、交接设备缺陷消除和运行工况调整,保证污染治理设备有效、安全运行。
2.6、各产污单位负责的排放污染物的设备、系统或运行方式有重大变更(如除尘脱硫脱硝设施系统停运等)或因事故临时采取措施可能造成环境污染时,均应事先向安环部提出申请,安环部汇报行政副总后向地方环保部门提出申请。
事故情况时来不及申请,紧急采取措施后也应在30分钟内报告。
生产现场环保设备停运,污染物非正常外排时(含除尘器运灰)由生产部提出申请;烟气在线监测系统停用由运营商提出申请。
2.7、治污设施异常情况,必须及时在运行日志上进行记录,并将处理情况进行交接班,直至恢复正常,确保闭环管理。
2.8、主装置停产时,做好污染治理设施的检修计划,及时协调人员、备品备件进行检修工作。
3、可预见性的影响环保在线监测数据的必须提前通知(例如:窑炉、干燥塔的计划停车等),可以在“内部环保工作群”、微信告知、电话联系等方式通知车间主任、分管负责人,分管负责人做好与运维公司、环保局的沟通工作,并及时将停产的书面报告送交环保局、运维公司,避免因工作疏忽造成环保问责。
环保设施检修与管理制度范文第一章总则第一条为了加强环保设施的检修与管理,提高环保设施的运行效率并保障环境的安全与可持续发展,制定本制度。
第二条本制度适用于全公司范围内的所有环保设施的检修与管理工作。
第三条环保设施包括但不限于废气处理设施、废水处理设施、固体废物处理设施、噪声治理设施等。
第四条环保设施的检修与管理工作应当遵守国家和地方有关环保法规、技术标准、行业规范以及公司的相关规定。
第五条公司应当建立健全环保设施的检修与管理制度,并将其纳入公司的环境管理体系。
第二章环保设施检修与管理的组织架构第六条公司应当建立环保设施检修与管理的组织架构,明确各级负责人的职责和权限。
第七条公司应当设立环保设施检修与管理部门,负责环保设施的日常检修与管理工作。
第八条环保设施检修与管理部门的主要职责包括但不限于:(一)制定环保设施的检修计划并进行实施;(二)组织环保设施的日常巡查和定期检修;(三)维护环保设施的运行记录和维修记录;(四)及时处理环保设施的故障和事故,并报告有关部门;(五)定期对环保设施的使用情况进行评估和分析;(六)加强环保设施的培训与管理,提高操作人员的技术水平。
第九条公司各级负责人应当履行以下职责:(一)明确环保设施的责任分工和管理要求;(二)全面落实环保设施的检修与管理制度;(三)定期检查环保设施的运行状态,及时处理问题;(四)组织开展环保设施的技术培训和操作人员的岗前培训;(五)配合环保设施的日常巡查和定期检修工作;(六)汇报环保设施的运行状况和维修情况。
第三章环保设施的检修与维护第十条环保设施的检修与维护工作应当按照以下原则进行:(一)预防为主,重视日常巡查和定期检修;(二)及时维修,发现问题立即处理;(三)整体管理,综合考虑设施的使用寿命和运行效率。
第十一条环保设施的检修计划应当根据设施的类型、规模和运行情况确定,包括但不限于年度检修计划、季度检修计划、月度检修计划等。
第十二条环保设施的巡查应当按照预定的时间和路线进行,并记录巡查情况。
污染治理设施管理岗位责任制度和维修保养制度范文精简处理污染治理设施管理岗位是负责监督和管理污染治理设施的人员,他们必须负责设施的维护保养和管理工作。
为了确保设施的正常运行和有效治理污染的能力,以及降低设施故障和事故的风险,可以制定一套规范的岗位责任制度和维修保养制度。
以下是一份范文,供参考。
一、污染治理设施管理岗位责任制度1.主要职责:1.1监督和管理污染治理设施的运行情况;1.2制定和实施设施的维护保养计划;1.3负责设施的巡查和检测,及时发现并排除问题;1.4提供污染治理设施运行数据和日常巡查报告。
2.日常工作:2.1监测设施的运行状况,包括设施的温度、压力、流量等关键参数,及时处理设施故障;2.2协调维修人员对设备进行保养和维修工作;2.3检查设施的安全性和环保合规性,确保设施符合相关法规和标准;2.4建立设备档案,包括设备信息、维修记录等,做好设施的管理和归档工作;2.5提供设施运行数据和巡查报告给上级管理层。
3.应急处理:3.1在设施故障和事故发生时,迅速组织人员进行应急处理,确保设施能够及时恢复正常运行;3.2协调相关部门进行事故调查和报告,提出改进建议。
4.岗位要求:4.1具备较好的沟通协调能力和团队合作能力,能够与维修人员、监管部门等进行有效的沟通和合作;4.2具备一定的技术知识和专业背景,了解污染治理设施的工作原理和常见故障;4.3具备较强的应急处理能力和解决问题的能力,能够在紧急情况下做出正确的决策;4.4具备较好的工作责任心和维护设施安全的意识,能够严格执行相关管理制度。
二、污染治理设施维修保养制度1.维护保养计划:1.1制定设施的维护保养计划,包括日常巡检、定期保养和年度大修等;1.2根据设施的实际情况和运行需求,合理安排保养时间和频率;1.3确保保养工作的落实和记录,及时更新设施的维护保养档案。
2.维修保养工作:2.1按照保养计划,对设施进行定期巡检和维护,包括设备清洁、润滑、更换磨损件和调整;2.2及时记录设施的维修和保养情况,包括故障原因、维修方法和维修人员等;2.3对设施的维修和更换部件进行管理,确保原始设备和备件的完整性;2.4根据设施运行数据和维修记录,制定设备更新和改进方案。
污染治理设施管理岗位责任制度和维修保养制度精简版范文一、岗位职责1.污染治理设施管理人员应负责监督和管理公司内的污染治理设施的运行及维护保养工作。
2.污染治理设施管理人员应协调公司内各相关部门,制定并实施治理设施的管理、维护保养计划。
3.污染治理设施管理人员应记录、汇总并及时上报有关治理设施的运行状态、维护保养情况以及存在的问题并提出改进建议。
4.污染治理设施管理人员应定期组织治理设施的巡检工作,及时发现设施问题并进行处理。
5.污染治理设施管理人员应负责协调、组织设备维修、翻新等相关工作,及时维修设施故障,确保设施正常运行。
6.污染治理设施管理人员应监督设备使用情况,及时提醒、督促相关人员保养设备,防止设备因没有及时保养而导致故障。
二、工作流程1.初步了解污染治理设施的基本情况,包括设备的种类、功能、运行原理等。
2.制定治理设施的管理、维护保养计划,确定巡检频次和巡检内容。
3.定期组织治理设施的巡检,记录设备运行状况、维护保养情况和存在的问题,并及时进行整理和上报。
4.根据巡检结果,制定设备维修计划,组织相关人员进行设备维修工作。
5.监督设备保养情况,提醒相关人员按时进行设备保养,确保设备正常运行。
6.定期对设备进行翻新和改进,提高设备的性能和效率。
7.组织设备维修和翻新工作,确保设备及时修复并恢复正常运行。
三、绩效考核1.巡检及时性:根据巡检计划,及时组织巡检工作,确保设备运行状况及时掌握。
2.故障处理能力:对设备故障能够及时发现并处理,减少设备停机时间。
3.设备维修质量:设备维修工作质量达标,确保设备修复后能够正常运行。
4.设备维护保养情况:设备保养工作按时完成,确保设备长期稳定运行。
5.维修翻新管理:设备维修和翻新工作按计划进行,确保设备处于良好状态。
4.能力提升:参加培训学习,不断提升专业能力和管理水平。
维修保养制度一、管理范围维修保养制度适用于公司内所有污染治理设施及相关设备。
二、维修保养责任1.污染治理设施管理人员有维修保养设备的责任,包括定期维护、事故维修和设备翻新等工作。
污染治理设施管理岗位责任制度和维修保养制度污染治理设施管理岗位责任制度和维修保养制度1. 引言这是指导污染治理设施管理岗位责任和维修保养工作的制度,旨在保障污染治理设施的正常运行和维护,提高管理效率和设施使用寿命。
2. 责任制度2.1 设施管理岗位职责负责设施的日常管理和维护保养工作;制定设施管理计划,并组织实施;做好设施使用记录和维修保养记录,并及时上报;及时响应和处理设施故障和突发状况;定期参加设施管理培训,提升工作技能和知识水平。
2.2 部门协作配合各相关部门要积极配合设施管理岗位的工作;提供必要的支持和协助;做好设施使用的统计和信息共享。
3. 维修保养制度3.1 维修保养计划定期制定设施维修保养计划,并按计划实施;维修保养计划应包括设施维护周期、方法和所需资源。
3.2 维修保养流程设施出现故障或需保养时,设施管理岗位负责人应及时上报;维修保养工作由专业人员或技术人员负责;维修保养过程中,必须按照相关安全规范操作,确保安全性。
3.3 维修保养记录维修保养记录应详细记录维修保养项目、时间、人员和所使用的工具和材料等信息;维修保养记录应保存并定期进行归档。
4. 监督和评估4.1 监督机制监督机制由设施管理岗位负责人、相关部门和领导层共同组成;定期进行设施管理工作的检查和监督,确保责任制度的有效执行。
4.2 评估和改进定期对设施管理工作进行评估,发现问题及时改进;收集相关数据和反馈意见,完善责任制度。
5. 结论通过建立和执行污染治理设施管理岗位责任制度和维修保养制度,能够有效提高设施管理效率,延长设施使用寿命,保障环境污染治理的顺利进行。
所有相关人员和部门都应遵守和执行该制度,保证设施管理工作的顺利进行。
污染治理设备维护保养管理制度1. 简介本文档旨在制定污染治理设备的维护保养管理制度,以确保设备的正常运行和延长使用寿命,进而提高治理效果。
2. 维护保养计划2.1 定期检查:对污染治理设备进行定期检查,包括设备的外观、管道连接、电器设备等方面,确保设备的完好无损。
2.2 日常保养:按照设备的使用规程和操作手册进行日常保养,包括清洁、润滑等。
2.3 检修和更换:定期检修设备,发现问题及时修复,必要时更换老化严重的部件或设备。
3. 维护保养人员3.1 组织结构:设立专门的维护保养部门或组织维护保养小组,负责设备的维护保养工作。
3.2 岗位职责:明确维护保养人员的职责,包括设备的定期检查、日常保养、检修和更换等任务。
3.3 培训计划:对维护保养人员进行必要的培训,提高其维护保养技能和知识水平。
4. 维护保养记录4.1 记录内容:对每次设备的维护保养进行详细记录,包括日期、维护保养内容、维护保养人员等信息。
4.2 存档管理:将维护保养记录进行存档管理,确保记录的完整和可追溯性。
5. 问题处理5.1 故障报告:维护保养人员在发现设备故障时,应及时向上级报告,并采取必要的措施进行处理。
5.2 故障分析:对设备故障进行分析,找出故障原因,以防止类似故障再次发生。
6. 安全防护6.1 安全操作:维护保养人员在进行维护保养工作时,必须按照安全操作规程进行,确保人身安全。
6.2 防护装备:配备必要的防护装备,如手套、口罩等,减少维护保养过程中的安全风险。
7. 运行监测7.1 监测方法:采用合适的监测方法对设备的运行情况进行监测,及时发现异常情况。
7.2 监测频率:根据设备的特点和运行情况确定监测的频率,确保监测效果的及时性和准确性。
以上是污染治理设备维护保养管理制度的基本内容,具体实施应根据实际情况进行调整和完善。
治污设施维修制度范本一、总则为确保治污设施的正常运行,提高治污效果,降低环境污染,制定本制度。
本制度适用于公司范围内所有治污设施的维修保养工作。
二、职责与分工1. 环保部门负责治污设施的日常检查、维修保养及故障处理工作。
2. 设备管理部门负责治污设施的定期检修、大修及更新改造工作。
3. 各部门应积极配合,确保治污设施的正常运行。
三、维修保养内容与要求1. 日常检查(1)环保部门应定期对治污设施进行日常检查,确保设施运行正常。
(2)检查内容包括:设备运行状况、参数监测、设备完整性、安全防护设施等。
(3)发现异常情况,应及时处理并记录。
2. 维修保养(1)环保部门应根据设备运行状况,制定维修保养计划,确保设施正常运行。
(2)维修保养内容主要包括:清洗、更换磨损部件、调整设备参数、检查电气系统等。
(3)维修保养过程中,应严格遵守操作规程,确保人身安全和设备完好。
3. 故障处理(1)设备发生故障时,环保部门应立即进行排查,找出故障原因。
(2)对于一般故障,应在24小时内恢复正常运行;对于重大故障,应及时报告设备管理部门。
(3)设备管理部门应组织专业技术人员,尽快解决故障,确保治污设施正常运行。
四、检修与大修1. 设备管理部门应根据治污设施的运行状况,制定定期检修、大修计划。
2. 检修、大修工作应按照相关规程和标准进行,确保设备质量和安全。
3. 更新改造工作应结合公司生产发展和环保要求,提高治污效果。
五、培训与考核1. 环保部门和设备管理部门应定期组织培训,提高员工的操作技能和维修保养水平。
2. 各部门应建立健全考核制度,对治污设施的维修保养工作进行定期评估。
3. 对维修保养工作中表现突出的个人和部门,给予表彰和奖励。
六、附则1. 本制度自发布之日起实施。
2. 本制度的解释权归公司环保部门。
治污设施是保护环境的重要手段,维修制度是确保治污设施正常运行的关键。
各部门应认真执行本制度,共同为公司的环境保护工作贡献力量。
污染防治设施维护保养管理制度1. 引言本文档旨在制定一套污染防治设施维护保养管理制度,以确保设施的正常运行和持久性能。
该制度适用于所有相关设施的管理和使用,旨在促进环境保护和污染防治工作的可持续发展。
2. 设施维护保养责任2.1 上级主管部门应明确设施的维护保养责任,并指定专门的管理人员负责设施的日常维护保养工作。
2.2 管理人员应遵守相关法律法规和技术要求,保障设施的正常运行和安全性,定期进行设施巡查和维护保养工作,并做好记录。
2.3 设施使用单位应积极配合管理人员的工作,及时报告设施故障和异常情况,并按照要求参与设施的维护保养工作。
3. 设施维护保养内容3.1 定期维护保养:根据设施的特点和工作情况,制定定期的维护保养计划,包括日常清洁、设备检查、润滑和更换部件等工作。
3.2 预防性维护保养:根据设施的使用寿命和维护保养需求,定期进行设备更换和改进,以减少故障和事故的发生。
3.3 应急维护保养:及时处理设施故障和异常情况,确保设施的安全运行和避免对环境造成进一步的污染和危害。
4. 维护保养记录和评估4.1 设施管理人员应及时记录设施的维护保养情况,包括维护保养日期、内容、人员和所用工具等,并建立健全的档案管理制度。
4.2 定期对设施的维护保养工作进行评估,检查设备的运行情况和维护保养效果,及时调整和改进维护保养计划。
5. 管理制度的执行和监督5.1 设施管理人员应按照本制度的要求执行维护保养工作,并及时报告上级主管部门和使用单位。
5.2 上级主管部门应加强对设施管理人员的培训和监督,确保管理制度的有效执行和维护保养工作的质量。
5.3 使用单位应配合管理人员的工作,按照管理制度的要求参与设施的维护保养工作,并及时报告设施的异常情况和问题。
6. 附则本管理制度自颁布之日起生效,并根据实际情况和需要进行修订和完善。
对于违反管理制度的行为,将依法追究相应责任。
以上为《污染防治设施维护保养管理制度》的主要内容,旨在确保设施的正常运行和长期性能,促进环境保护和污染防治工作的可持续发展。
污染治理设施维修保养制度
一、油烟净化器的维修与保养:
1、只有风机和其辅助设备完全正常的情况下才能投入运行。
2、在风机开机、停机或运转过程中,如发现不正常现象时应立即断电检查,检查发现的小故障应查明原因并设法消除,如发现大故障应立即停机全面检查
3、风机在运行过程中,应经常查看风机的振动,电机的电流、电压、功率是否正常。
如果发现风机有剧烈的振动、撞击、电流过大或偏小等反常现象,应立即停机检查,予以排除后才允许重新启动运行。
4、经常检查轴承的润滑情况,定期补充或更换润滑脂。
润滑脂采用钙钠基润滑脂。
5、轴流或混流风机、电机在管道中应经常维护保养和清洗。
6、为了不影响叶轮的平衡精度,应定期清除叶轮及风机内外表面的积灰、污垢、特别是油污等杂质,防止风机锈蚀。
7、定期排出油烟净化器的油污,否则会堵塞。
8、定期进行油烟净化器清洗,特别是静电式很有可能引起触电的引发火灾等安全问题。
9、需清洗干净,设备长久放置时,保证净化器处于干燥通风的良好环境。
二、抽排风系统的维修与保养:
1、对送风阀的维护保养:
(1)排烟口、送风口有无变形、损伤,周围有无影响使用的障碍物;
(2)风管与排烟口连接部位的法兰有无损伤,螺栓是否松动;
(3)阀件是否完整,易熔片是否脱落,动作是否正常;
(4)旋转机构是否灵活,每年对机械传送机构加适量润滑剂;
(5)制动机构、限位器是否符合要求;
(6)进行手动、远程启闭操作,检查是否可完全打开。
2、对送风机的维护保养:
(1)风机房周围有无可燃物;安装螺栓是否松动、损伤;
(2)传动机构是否变形、损伤;叶轮是否与外壳接触;
(3)电动机的接线是否松动;电动机的外壳有无腐蚀现象;
(4)电源供电是否正常(检查电压表或电源指示灯)。
(5)检查轴承部分润滑油状态是否异常(脏污、混入泥沙、尘等);
(6)检查电动机的轴承部位润滑油液位是否正常;
(7)检查传动皮带是否松动,联轴器是否牢固;
(8)启动电动机,旋转时有无异常振动、杂音。
3、对风机电柜的维护保养:
(1)控制柜是否设置在易于操作、检查、维修方便的位置。
(2)控制柜有无变形、损伤、腐蚀。
(3)线路图及操作说明是否齐全。
(4)电压、电流表的指针是否在规定的范围内。
(5)开关是否有变形、损伤、标志脱落、处于正常状态。
(6)操作开关,检查开关性能,检查指示灯显示状态是否正常。
(7)继电器是否脱落、松动,接点是否烧损,转换开关能否正常切换。
4、每年应对抽排风系统的风量进行测定。
5、正压送风阀:检查其送风阀是否完好,能否完成送风功能。
三、活性炭吸附过滤器设备的定期保养与维护:
1.此设备工作运行过程中是绝对禁止打开检修门,如要检修关闭风机后进行。
2.设备使用一个月后应检查设备内部。
1)检查活性炭过滤盒是否有破裂、损坏,否则应给予修正。
2)检查设备外部是否有损伤,破裂,否则应给予修正。
3)检查设备门螺丝是否松脱,否则需给予修正。
活性炭过滤箱安全注意事项:
1.使用人员如果打开设备门,请先关掉风机,否则对人体会造成伤害。
2.不可用水冲洗设备内部。
3.非工程技术人员,请勿自行改装,以免发生不能正常工作。
四、隔油隔渣池维修与保养:
1、定期清理积聚在隔油池内的油垢,防止油垢积聚在厨房和的去水管内。
2、隔油池每周检查一次,如发现油垢积聚超过液体的三成,要立刻清理。
3、在无废水排入池内时才可作出清理。
要小心不应在池中留下任何油脂块,否则会造
成淤塞。
4、处理油脂废物时应小心谨慎,以免污染食物及环境。
5、清理后迅速把隔油池的盖子盖好,并用消毒剂清洁周围的环境。
6、清理出来的废物应小心密封,然后和其它厨房废物一走处理。
7、不可将隔油池的废物弃置于厕所、雨水口、明渠或沙井内。
五、三级化粪池维修与保养
1、新池建成确认无渗漏,并养护两周后正式启用。
2、使用中要控制用水量。
3、每年清理粪皮和粪渣,在粪池内取出的粪渣须经堆肥法或化学法处理后再作肥料,
第三池取出的粪水可直接用作肥料。
4、保持化粪池盖板的密封性,在清渣或取粪水时,不得在池边点灯、吸烟等,以防发
酵产生的沼气遇火爆炸。