英威腾CHV100变频器参数设置
- 格式:pdf
- 大小:47.29 KB
- 文档页数:1
CHV100系列高性能矢量变频器[:产品详细:]一、真正的矢量控制CHV系列变频器采用ARM(32位)+DSP(16位)双CPU控制系统,完成真正的电流矢量控制,与V/F控制相比,矢量控制有更大的优越性。
二、模块化结构CHV系列变频器,遵循模块化设计理念,为客户营造个性化的使用选择;根据不同的行业应用的特点,设计不同的多功能扩展卡,将行业应用的解决方案内置于扩展卡中,用户仅需要一块扩展卡,便能获得行业专用变频器的功能,真正做到低成本实现用户定制的系统。
三、主要技术参数1、输出频率范围:0.00~600.00Hz2、速度控制方式:无PG矢量控制(SVC)、有PG矢量控制(VC)、V/F控制3、指令通道方式:操作面板、端子控制、远程通讯控制4、频率给定方式:数字键盘给定、模拟量给定(电流、电压信号)、脉冲频率给定、远程通讯给定、多段速给定、简易PLC给定、PID闭环给定等。
可实现给定的组合和给定方式的相互切换,方便现场调试及复杂工艺的要求5、起动转矩大:0.5Hz/150% (SVC)、0Hz/180% (VC)6、载波频率范围:1.0K~16.0KHz;可根据温度和负载特性自动调整7、速度控制精度:±0.5%最高速度(SVC);±0.1%最高速度(VC)8、自动电压调整(AVR):当电网电压变化时,能自动保持输出电压恒定9、转矩控制:多种转矩指令设定方式,可实现真正的张力控制10、摆频控制:多种三角波频率曲线,满足纺织行业的个性化需求11、多功能QUICK/JOG键:可做多功能按键使用,满足用户的多种应用要求12、所有的输入、输出端子皆为可编程的,方便用户的使用13、高速脉冲输入、输出功能:可实现定长控制和脉冲计数四可靠性设计1、全系列独立风道设计全系列独立风道散热器安装方式为柜体内、柜体外可选,风扇更换方便,变频器维护简单极大提高了变频器在纺织、印染、化纤、造纸、拉丝、水泥制造等行业不同的应用环境下长期运行的可靠性2、宽电网电压设计电网输入电压在-15%~15%,变频器可安全运行,用户无须其他处理3、18.5KW~90KW变频器标准配备直流电抗器提高输入侧功率因数提高整机效率及热稳定有效消除输入侧的高次谐波对变频器的影响,减少对外围的干扰4、超强的保护功能为用户提供多达20多种的故障保护功能,可实现从变频器到电机、到外围设备的全方位保护提供故障自动复位功能,方便常规故障的自动排除内置雷击过流保护装置,有效提高对于感应雷的自我保护功能 5、标准的制造平台专业化流水生产线严格的生产管理制度。
英威腾chf100变频器说明书步骤
1、将PC上DRIVE MONITOR软件与变频器正确联接并实现通讯;
2、对变频器进行快速参数化;
3、对变频器进行专家应用参数化;
4、对变频器进行各种优化;
5、通过简单参数设定实现端子控制变频器启停;
6、联接并实现两台变频器SIMOLINK连接,主从控制;
7、对练习过程及总结进行记录,定期上交检查。
故障原因:输入三相电压波动过大或偏低、直流母线检测电压严重偏低或缺相检测板故障。
对策:先测量输入主回路电压及直流母线电压是否太低,英威腾变频器,380V的输入电压一般直流母线电压在350V以下;220V的输入的直流母线电压一般在180V以下才会跳此故障。
如果电压都正常,说明此故障来自缺相检测电路,用万用表测量输入缺相检测电路D1、D2、D3二极管及51K贴片电阻是否烧坏;510K直流母线检测电阻烧坏也会跳PoFF。
英威腾100变频器说明书范文变频器功能参数很多,实际应用中,没必要对每一参数都进行设置和调试,多数只要采用出厂设定值即可。
但有些参数由于和实际使用情况有很大关系,且有的还相互关联,因此要根据实际进行设定和调试。
由于类型变频器功能有差异,而相同功能参数的名称也不一致,为叙述方便,下面以变频器基本参数(基本参数是各类型变频器几乎都有的)名称叙述为例:1、加减速时间加速时间就是输出频率从0上升到最大频率所需时间,减速时间是指从最大频率下降到0所需时间。
在电动机加速时须限制频率设定的上升率以防止过电流,减速时则限制下降率以防止过电压。
加速时间设定要求:将加速电流限制在变频器过电流容量以下,不使过流失速而引起变频器跳闸;减速时间设定要点是:防止平滑电路电压过大,不使再生过压失速而使变频器跳闸。
加减速时间可根据负载计算出来,但在调试中常采取按负载和经验先设定较长加减速时间,通过起、停电动机观察有无过电流、过电压报警,然后将加减速设定时间逐渐缩短,以运转中不发生报警为原则,重复操作几次,便可确定出最佳加减速时间。
2、转矩提升又叫转矩补偿,是为补偿因电动机定子绕组电阻所引起的低速时转矩降低,而把低频率范围f/V增大的方法。
设定为自动时,可使加速时的电压自动提升以补偿起动转矩,使电动机加速顺利进行。
如采用手动补偿时,根据负载特性,尤其是负载的起动特性,通过试验可选出较佳曲线。
对于变转矩负载,如选择不当会出现低速时的输出电压过高,而浪费电能的现象,甚至还会出现电动机带负载起动时电流大,而转速上不去的现象。
3、电子热过载保护本功能为保护电动机过热而设置,它是变频器内CPU根据运转电流值和频率计算出电动机的温升,从而进行过热保护。
本功能只适用于“一拖一”场合,而在“一拖多”时,则应在各台电动机上加装热继电器。
电子热保护设定值(%)=[电动机额定电流(A)/变频器额定输出电流(A)]某100%。
4、频率限制即变频器输出频率的上、下限幅值。
英威腾变频器怎么调试!英威腾变频器参数重新设定-奕灿网一、英威腾变频器参数重新设定断开启动端子,恢复出厂设置之后,重新设置参数即可。
二、英威腾变频器调什么可以看到转速以英威腾CHF系列变频器为例,在变频器运行状态中,循环按压操作面板上面的S HIFT按键,当变频器面板数码显示屏幕右边的三个红灯第一个和第二个亮的时候,此时屏幕显示的就是变频器通过计算得出的电动机的实际转速。
三、英威腾变频器设置求助可以这么切换,控制15千瓦的罗茨风机,用S曲线,加速时间设置为10S左右都可以,停车方式用自由停车就好,减速时间不用设置。
四、英威腾变频器初始化调哪一个CHF100系列的是P0.13=1,变频器将所有参数恢复缺省值。
不能保证所有的系列都一样啊,最好是自己找一下使用手册,看一下。
五、英威腾CHF100A变频器,如何设置高中低3段频率,分别为50、40、30Hz,设置哪几个参数?P0.07-5P5.02-16 P5.03-17 P5.04-18PA.06-60 PA.10-80 PA.18-100六、英威特变频器如何调速英威腾变频器啊,最简单的办法就是按上面的上下键,出厂设置就是的,如果不管用的话,请查看参数P0.06(频率给定方式),改成0就能够了。
七、变频器怎么调试1.首先通过漏电保护开关将变频器的电源输入端子连接到电源,然后将变频器的接地端子接地。
2.确认变频器名牌标签的电压频率等级是否与电网一致,无误后开始送电。
3.当主接触器接合且风扇运转时,使用万用表ac测试输入电源电压是否在标准规格范围内。
4.设置变频器工作频率为50hz,测试变频器U、V、W相输出电压平衡,断电完全不显示后连接电机线。
参考文档下载:《英威腾变频器怎么调试.pdf》下载:《英威腾变频器怎么调试.doc》更多关于《英威腾变频器怎么调试》的文档...声明:本文来自网络,不代表【奕灿网】立场,转载请注明出处。
功能码名称参数详细说明设定范围缺省值更改序号P0组基本功能组P0.00 速度控制模式选择0:V/F控制1:无PG矢量控制2:转矩控制(无PG矢量控制)0~2 0 ◎0.P0.01 运行指令通道0:键盘指令通道(LED熄灭)1:端子指令通道(LED闪烁)2:通讯指令通道(LED点亮)0~2 0 ◎ 1.P0.02 键盘及端子UP/DOWN设定0:有效,且变频器掉电存储1:有效,且变频器掉电不存储2:无效3:运行中有效,停机清零0~3 0 ○ 2.P0.03 最大输出频率10.00~400.00Hz 10.00~400.00 50.00Hz ◎ 3. P0.04 运行频率上限P0.05~P0.03(最大频率)P0.05~P0.03 50.00Hz ○ 4.P0.05 运行频率下限0.00 Hz~P0.04(运行频率上限)0.00~P0.04 0.00Hz ○ 5.P0.06 键盘设定频率0.00 Hz~P0.03(最大频率)0.00~P0.03 50.00Hz ○ 6.P0.07A频率指令选择0:键盘设定1:模拟量AI1设定2:模拟量AI2设定3:高速脉冲HDI设定4:简易PLC程序设定5:多段速运行设定6:PID控制设定7:远程通讯设定0~7 0 ○7.P0.08B频率指令选择0:模拟量AI1设定1:模拟量AI2设定2:高速脉冲HDI设定0~2 0 ○8.P0.09 B频率指令参考对象选择0:最大输出频率1:A频率指令0~1 0 ○9.P0.10设定源组合方式0:A1:B2:A+B3:Max(A,B)0~3 0 ○10.P0.11 加速时间0 0.1~3600.0s 0.1~3600.0 机型确定○11. P0.12 减速时间0 0.1~3600.0s 0.1~3600.0 机型确定○12.P0.13 运行方向选择0:默认方向运行1:相反方向运行2:禁止反转运行0~2 0 ◎13.P0.14 载波频率设定 1.0~15.0kHz 1.0~15.0 机型确定○14.P0.15 AVR功能选择0:无效1:全程有效2:只在减速时无效0~2 1 ○15.P0.16电机参数自学习0:无操作1:全面参数自学习2:静止参数自学习0~2 0 ◎16.P0.17 功能参数恢复0:无操作1:恢复缺省值2:清除故障档案0~2 0 ◎17.P1组起停控制组P1.00 起动运行方式0:直接起动1:先直流制动再起动2:转速追踪再起动0~2 0 ◎18.P1.01直接起动开始频率0.00~10.00Hz 0.00~10.00 1.50Hz ◎19.P1.02起动频率保持时间0.0~50.0s 0.0~50.0 0.0s ◎20.P1.03起动前制动电流0.0~150.0% 0.0~150.0 0.0% ◎21.P1.04起动前制动时间0.0~50.0s 0.0~50.0 0.0s ◎22.P1.05 加减速方式选择0:直线型1:保留0~1 0 ◎23.P1.06 停机方式选择0:减速停车1:自由停车0~1 0 ○24.P1.07 停机制动开始频率0.00~P0.03 0.00~P0.03 0.00Hz ○25.P1.08 停机制动等待时间0.0~50.0s 0.0~50.0 0.0s ○26.P1.09 停机直流制动电流0.0~150.0% 0.0~150.0 0.0% ○27.P1.10 停机直流制动时间0.0~50.0s 0.0~50.0 0.0s ○28.P1.11正反转死区时间0.0~3600.0s 0.0~3600.0 0.0s ○29.P1.12 运行频率低于频率下限动作(频率下限大于0有效)0:以频率下限运行1:停机2:休眠待机0~2 0 ◎30.P1.13 休眠唤醒延时时间0.0~3600.0s(P1.12为2有效)0.0~3600.0 0 ◎31.P1.14停电再起动选择0:禁止再起动1:允许再起动0~1 0 ○32.P1.15再起动等待时间0.0~3600.0s(P1.14为1有效)0.0~3600.0 0.0s ○33.P1.16上电时端子功能检测选择0:上电时端子运行命令无效1:上电时端子运行命令有效0~1 0 ○34.P1.17 保留保留◎35. P1.18 保留保留◎36. P1.19 保留保留◎37. P2组电机参数组P2.00 变频器类型0:G型机1:P型机0~1 机型设定◎38.P2.01 电机额定功率0.4~3000.0kW 0.4~3000.0 机型确定◎39.P2.02 电机额定频率10.00Hz~P0.03(最大频率)10.00~P0.03 50.00Hz ◎40.P2.03 电机额定转速0~36000rpm 0~36000 机型确定◎41. P2.04 电机额定电压0~800V 0~800 机型确定◎42. P2.05 电机额定电流0.8~6000.0A 0.8~6000.0 机型确定◎43. P2.06 电机定子电阻0.001~65.535Ω0.001~65.535 机型确定○44. P2.07 电机转子电阻0.001~65.535Ω0.001~65.535 机型确定○45.P2.08电机定、转子电感0.1~6553.5mH 0.1~6553.5 机型确定○46.P2.09电机定、转子互感0.1~6553.5mH 0.1~6553.5 机型确定○47.P2.10 电机空载电流0.1~6553.5A 0.1~6553.5 机型确定○48. P3组矢量控制功能组P3.00速度环比例增益10~100 0~100 20 ○49.P3.01速度环积分时间10.01~10.00s 0.01~10.00 0.50s ○50.P3.02 切换低点频率0.00Hz~P3.05 0.00~P3.05 5.00Hz ○51.P3.03速度环比例增益20~100 0~100 25 ○52.P3.04速度环积分时间20.01~10.00s 0.01~10.00 1.00s ○53.P3.05 切换高点频率P3.02~P0.03(最大频率)P3.02~P0.03 10.00Hz ○54.P3.06VC转差补偿系数50%~200% 50~200 100% ○55.P3.07 转矩上限设定0.0~200.0%(变频器额定电流)0.0~200.0G型机:150.0%P型机:120.0%○56.P3.08转矩设定方式选择0:键盘设定转矩(对应P3.09)1:模拟量AI1设定转矩2:模拟量AI2设定转矩3:高速脉冲HDI设定转矩4: 多段转矩设定5:远程通讯设定转矩(1~5:100%相对于2倍变频器额定电流)0~5 0 ○57.P3.09 键盘设定转矩-200.0%~200.0%(变频器额定电流)-200.0~200.0 50.0% ○58.P3.10上限频率设定源选择0:键盘设定上限频率(P0.04)1:模拟量AI1设定上限频率2:模拟量AI2设定上限频率3:高速脉冲HDI上限频率4:多段设定上限频率5:远程通讯设定上限频率(1~4:100%对应最大频率)0~5 0 ○59.P4组V/F控制功能组P4.00 V/F曲线设定0:直线V/F曲线1:多点V/F曲线2:1.3次幂降转矩V/F曲线3:1.7次幂降转矩V/F曲线4:2.0次幂降转矩V/F曲线0~4 0 ◎60.P4.01 转矩提升0.0%:(自动)0.1%~10.0% 0.0~10.0 0.0% ○61.P4.02 转矩提升截止0.0%~50.0%(相对电机额定频率)0.0~50.0 20.0% ◎62.P4.03 V/F频率点1 0.00Hz~P4.05 0.00~P4.05 0.00Hz ○63.P4.04 V/F电压点1 0.0%~100.0%(电机额定电压)0.0~100.0 00.0% ○64.P4.05 V/F频率点2 P4.03~P4.07 P4.03~P4.07 00.00Hz ○65.P4.06 V/F电压点2 0.0%~100.0%(电机额定电压)0.0~100.0 00.0% ○66.P4.07 V/F频率点3 P4.05~ P2.02(电机额定频率)P4.05~P2.02 00.00Hz ○67.P4.08 V/F电压点3 0.0%~100.0%(电机额定电压)0.0~100.0 0.0% ○68.P4.09 V/F转差补偿限定0.0~200.0% 0.0~200.0 0.0% ○69.P4.10 节能运行选择0:不动作1:自动节能运行0~1 0 ◎70.P4.11电机低频抑制振荡因子0~10 0~10 2 ○71.P4.12电机高频抑制振荡因子0~10 0~10 0 ○72.P4.13电机抑制振荡分界点0.00Hz~P0.03(最大频率)0.00~P0.03 30.00 Hz ○73.P5组输入端子组P5.00 HDI输入类型选择0:HDI为高速脉冲输入1:HDI为开关量输入0~1 0 ◎74.P5.01S1端子功能选择0~39 1 ◎75.P5.02S2端子功能选择0~39 4 ◎76.P5.03S3端子功能选择0~39 7 ◎77.P5.04S4端子功能选择0~39 0 ◎78.P5.05S5端子功能选择0~39 0 ◎79.P5.06S6端子功能选择0~39 0 ◎80.P5.07S7端子功能选择0~39 0 ◎81.P5.08HDI端子开关量输入功能选择0:无功能1:正转运行2:反转运行3:三线式运行控制4:正转寸动5:反转寸动6:自由停车7:故障复位8:运行暂停9:外部故障输入10:频率设定递增(UP)11:频率设定递减(DOWN)12:频率增减设定清除13:A设定与B设定切换14:(A+B)设定与A设定切换15:(A+B)设定与B设定切换16:多段速端子117:多段速端子218:多段速端子319:多段速端子420:多段速暂停21:加减速时间选择122:加减速时间选择223:简易PLC停机复位24:简易PLC暂停25:PID控制暂停26:摆频暂停(停在当前频率)27:摆频复位(回到中心频0~39 0 ◎82.率)28:计数器复位29:转矩控制禁止30:加减速禁止31:计数器触发32:频率增减设定暂时清除33~39:保留P5.09开关量滤波次数1~10 1~10 5 ○83.P5.10端子控制运行模式0:两线式控制11:两线式控制22:三线式控制13:三线式控制20~3 0 ◎84.P5.11端子UP/DOWN频率增量变化率0.01~50.00Hz/s 0.01~50.00 0.50Hz/s ○85.P5.12 AI1下限值-10.00V~10.00V -10.00~10.00 0.00V ○86.P5.13 AI1下限对应设定-100.0%~100.0% -100.0~100.0 0.0% ○87.P5.14 AI1上限值-10.00V~10.00V -10.00~10.00 10.00V ○88.P5.15 AI1上限对应设定-100.0%~100.0% -100.0~100.0 100.0% ○89.P5.16 AI1输入滤波时间0.00s~10.00s 0.00~10.00 0.10s ○90.P5.17 AI2下限值0.00V~10.00V 0.00~10.00 0.00V ○91.P5.18 AI2下限对应设定-100.0%~100.0% -100.0~100.0 0.0% ○92.P5.19 AI2上限值0.00V~10.00V 0.00~10.00 10.00V ○93.P5.20 AI2上限对应设定-100.0%~100.0% -100.0~100.0 100.0% ○94.P5.21 AI2输入滤波时间0.00s~10.00s 0.00~10.00 0.10s ○95.P5.22 HDI下限频率0.00kHz ~50.00kHz 0.00~50.00 0.00kHz ○96.P5.23 HDI下限频率对应设定-100.0%~100.0% -100.0~100.0 0.0% ○97.P5.24 HDI上限频率0.00kHz~50.00kHz 0.00~50.00 50.00kHz ○98.P5.25 HDI上限频率对应设定-100.0%~100.0% -100.0~100.0 100.0% ○99.P5.26 HDI频率输入滤波时间0.00s~10.00s 0.00~10.00 0.10s ○100.P6组输出端子组P6.00 HDO输出选择0:开路集电极高速脉冲输出1:开路集电极输出0~1 0 ○101.P6.01 HDO开路集电极输出选择0~20 1 ○102.P6.02 继电器1输出选择0~20 4 ○103.P6.03 继电器2输出选择0:无输出1:变频器运行中2:变频器正转运行中3:变频器反转运行中4:故障输出5:频率水平检测FDT输出6:频率到达7:零速运行中8:设定记数值到达9:指定记数值到达10:过载预报警11:简易PLC阶段完成12:简易PLC循环完成13:运行时间到达14:上限频率到达15:下限频率到达16:运行准备就绪17~20:保留0~20 0 ○104.P6.04 AO1输出选择0~10 0 ○105. P6.05 AO2输出选择0~10 0 ○106.P6.06 HDO开路集电极高速脉冲输出选择0:运行频率1:设定频率2:运行转速3:输出电流4:输出电压5:输出功率6:设定转矩7:输出转矩8:模拟AI1输入值9:模拟AI2输入值10:脉冲频率HDI输入值0~10 0 ○107.P6.07 AO1输出下限0.0%~100.0% 0.0~100.0 0.0% ○108.P6.08下限对应AO1输出0.00V ~10.00V 0.00~10.00 0.00V ○109.P6.09 AO1输出上限0.0%~100.0% 0.0~100.0 100.0% ○110.P6.10上限对应AO1输出0.00V ~10.00V 0.00~10.00 10.00V ○111.P6.11 AO2输出下限0.0%~100.0% 0.0~100.0 0.0% ○112.P6.12下限对应AO2输出0.00V ~10.00V 0.00~10.00 0.00V ○113.P6.13 AO2输出上限0.0%~100.0% 0.0~100.0 100.0% ○114.P6.14上限对应AO2输出0.00V ~10.00V 0.00~10.00 10.00V ○115.P6.15 HDO输出下限0.00%~100.0% 0.00~100.00 0.00% ○116.P6.16下限对应HDO输出0.000~ 50.00kHz 0.000~50.000 0.00kHz ○117.P6.17 HDO输出上限0.00%~100.0% 0.000~100.00 100.0% ○118.P6.18上限对应HDO输出0.0 ~ 50.00kHz 0.000~50.000 50.00kHz ○119.P7组人机界面组P7.00 用户密码0~65535 0~65535 0 ○120. P7.01 保留保留保留保留○121. P7.02 保留保留保留保留◎122.P7.03 QUICK/JOG键功能选择0:左移位键切换显示状态1:寸动运行2:正转反转切换3:清除UP/DOWN设定4:快速调试模式(按非出厂参数调试)0~4 0 ○123.P7.04 STOP/RST键停机功能选择0:只对键盘控制有效1:对键盘和端子控制同时有效2:对键盘和通讯控制同时有效3:对所有控制模式均有效0~3 0 ○124.P7.05 键盘显示选择0:外引键盘优先使能1:本机、外引键盘同时显示,只外引按键有效2:本机、外引键盘同时显示,只本机按键有效3:本机、外引键盘同时显示且按键均有效(两者为或的逻辑关系)0~3 0 ○125.P7.06 运行状态显示的参数选择10~0XFFFFBIT0:运行频率BIT1:设定频率(Hz闪烁)BIT2:母线电压BIT3:输出电压BIT4:输出电流BIT5:运行转速BIT6:线速度BIT7:输出功率0~0XFFFF 0X07FF ○ 1.BIT8:输出转矩BIT9:PID给定值BIT10:PID反馈值BIT11:输入端子状态BIT12:输出端子状态BIT13:转矩设定值BIT14:计数值BIT15:PLC及多段速当前段数P7.07 运行状态显示的参数选择20~0XFFFFBIT0:模拟量AI1值BIT1:模拟量AI2值BIT2:高速脉冲HDI频率BIT3:电机过载百分比BIT4:变频器过载百分比BIT5~15:保留0~0XFFFF 0 ○126.P7.08 停机状态显示的参数选择0~0XFFFFFBIT0:设定频率BIT1:母线电压BIT2:输入端子状态BIT3:输出端子状态BIT4:PID给定值BIT5:PID反馈值BIT6:模拟量AI1值BIT7:模拟量AI2值BIT8:高速脉冲HDI频率BIT9:PLC及多段速当前段数BIT10:转矩设定值BIT11~ BIT15:保留0~0XFFFF 0x00FF ○127.P7.09 转速显示系数0.1~999.9%机械转速=120*运行频率*P7.09/电机极对数0.1~999.9 100.0% ○128.P7.10线速度显示系数0.1~999.9%线速度=机械转速x P7.100.1~999.9 1.0% ○129.P7.11整流桥模块温度0~100.0℃●130.P7.12 逆变模块温度0~100.0℃●131. P7.13 软件版本●132.P7.14变频器额定功率0.4~3000.0kW 0.4~3000.0 机型确定●133.P7.15变频器额定电流0.0~6000.0A 0.0~6000.0 机型确定●134.P7.16本机累积运行时间0~65535h ●135.P7.17前两次故障类型●136.P7.18前一次故障类型●137.P7.19 当前故障类型0:无故障1:逆变单元U相保护(Out1)2:逆变单元V相保护(Out2)3:逆变单元W相保护(Out3)4:加速运行过电流(OC1)5:减速运行过电流(OC2)6:恒速运行过电流(OC3)7:加速运行过电压(OV1)8:减速运行过电压(OV2)9:恒速运行过电压(OV3)10:母线欠压故障(UV)11:电机过载(OL1)12:变频器过载(OL2)13:输入侧缺相(SPI)14:输出侧缺相(SPO)15:整流模块过热(OH1)16:逆变模块过热(OH2)●138.17:外部故障(EF)18:通讯故障(CE)19:电流检测故障(ItE)20:自学习故障(tE)21:EEPROM读写故障(EEP)22:PID反馈断线故障(PIDE)23:制动单元故障(bCE)24:厂家运行时间到达(END)25:过转矩故障(OL3)P7.20 当前故障运行频率●139.P7.21 当前故障输出电流●140.P7.22 当前故障母线电压●141.P7.23当前故障输入端子状态●142.P7.24当前故障输出端子状态●143.P8组增强功能组P8.00 加速时间1 0.1~3600.0s 0.1~3600.0 机型确定○144. P8.01 减速时间1 0.1~3600.0s 0.1~3600.0 机型确定○145. P8.02 加速时间2 0.1~3600.0s 0.1~3600.0 机型确定○146. P8.03 减速时间2 0.1~3600.0s 0.1~3600.0 机型确定○147. P8.04 加速时间3 0.1~3600.0s 0.1~3600.0 机型确定○148. P8.05 减速时间3 0.1~3600.0s 0.1~3600.0 机型确定○149. P8.06 寸动运行频率0.00~P0.03(最大频率)0.00~P0.03 5.00Hz ○150.P8.07 寸动运行加速时间0.1~3600.0s 0.1~3600.0 机型确定○151.P8.08 寸动运行减速时间0.1~3600.0s 0.1~3600.0 机型确定○152.P8.09 跳跃频率1 0.00~P0.03(最大频率)0.00~P0.03 0.00Hz ○153. P8.10 跳跃频率2 0.00~P0.03(最大频率)0.00~P0.03 0.00Hz ○154. P8.11 跳跃频率幅度0.00~P0.03(最大频率)0.00~P0.03 0.00Hz ○155.P8.12 摆频幅度0.0~100.0%(相对设定频率)0.0~100.0 0.0% ○156.P8.13 突跳频率幅度0.0~50.0%(相对摆频幅度)0.0~50.0 0.0% ○157.P8.14 摆频上升时间0.1~3600.0s 0.1~3600.0 5.0s ○158. P8.15 摆频下降时间0.1~3600.0s 0.1~3600.0 5.0s ○159.P8.16故障自动复位次数0~3 0~3 0 ○160.P8.17 故障自动复位间隔时间设置0.1~100.0s 0.1~100.0 1.0s ○161.P8.18 设定记数值P8.19~65535 P8.19~65535 0 ○162. P8.19 指定记数值0~P8.18 0~P8.18 0 ○163. P8.20 设定运行时间0~65535h 0~65535 65535h ○164.P8.21 FDT电平检测值0.00~ P0.03(最大频率)0.00~ P0.03 50.00Hz ○165.P8.22 FDT滞后检测值0.0~100.0%(FDT电平)0.0~100.0 5.0% ○166.P8.23 频率到达检出幅度0.0~100.0%(最大频率)0.0~100.0 0.0% ○167.P8.24 下垂控制0.00~10.00Hz 0.00~10.00 0.00Hz ○168.P8.25 制动阀值电压115.0~140.0%(标准母线电压)115.0~140.0 130.0%○169.(380V机型)115.0~140.0%(标准母线电压)(220V机型)115.0~140.0 120.0%P8.26 冷却散热风扇运行模式0:正常运行模式1:上电一直运行0~1 0 ○170.P8.27过调制功能选择0:过调制功能无效1:过调制功能有效0~1 0 ○171.P8.28 PWM选择0:PWM模式11:PWM模式22:PWM模式30~2 0 ◎172.P9组PID控制组P9.00PID给定源选择0:键盘给定(P9.01)1:模拟通道AI1给定2:模拟通道AI2给定3:脉冲频率给定(HDI)4:多段给定5:远程通讯给定0~5 0 ○173.P9.01键盘预置PID给定0.0%~100.0% 0.0~100.0 0.0% ○174.P9.02PID反馈源选择0:模拟通道AI1反馈1:模拟通道AI2反馈2:AI1+AI2反馈4:脉冲频率反馈(HDI)3:远程通讯反馈0~3 0 ○175.P9.03PID输出特性选择0:PID输出为正特性1:PID输出为负特性0~1 0 ○176.P9.04 比例增益(Kp)0.00~100.00 0.00~100.00 0.10s ○177. P9.05 积分时间(Ti)0.01~10.00s 0.01~10.00 0.10s ○178. P9.06 微分时间(Td)0.00~10.00s 0.00~10.00 0.00s ○179.P9.07 采样周期(T)0.00~100.00s 0.00~100.00 0.10s ○180.P9.08 PID控制偏差极限0.0~100.0% 0.0~100.0 0.0% ○181.P9.09 反馈断线检测值0.0~100.0% 0.0~100.0% 0.0% ○182.P9.10 反馈断线检测时间0.0~3600.0s 0.0~3600.0 1.0s ○183.PA组简易PLC及多段速控制组PA.00 简易PLC方式0:运行一次后停机1:运行一次后保持最终值运行2:循环运行0~2 0 ○184.PA.01 简易PLC记忆选择0:掉电不记忆1:掉电记忆0~1 0 ○185.PA.02 多段速0 -100.0~100.0% -100.0~100.0 0.0% ○186. PA.03 第0段运行时间0.0~6553.5s(min)0.0~6553.5 0.0s ○187. PA.04 多段速1 -100.0~100.0% -100.0~100.0 0.0% ○188. PA.05 第1段运行时间0.0~6553.5s(min)0.0~6553.5 0.0s ○189. PA.06 多段速2 -100.0~100.0% -100.0~100.0 0.0% ○190. PA.07 第2段运行时间0.0~6553.5s(min)0.0~6553.5 0.0s ○191. PA.08 多段速3 -100.0~100.0% -100.0~100.0 0.0% ○192. PA.09 第3段运行时间0.0~6553.5s(min)0.0~6553.5 0.0s ○193. PA.10 多段速4 -100.0~100.0% -100.0~100.0 0.0% ○194. PA.11 第4段运行时间0.0~6553.5s(min)0.0~6553.5 0.0s ○195. PA.12 多段速5 -100.0~100.0% -100.0~100.0 0.0% ○196. PA.13 第5段运行时间0.0~6553.5s(min)0.0~6553.5 0.0s ○197. PA.14 多段速6 -100.0~100.0% -100.0~100.0 0.0% ○198. PA.15 第6段运行时间0.0~6553.5s(min)0.0~6553.5 0.0s ○199.PA.16 多段速7 -100.0~100.0% -100.0~100.0 0.0% ○200. PA.17 第7段运行时间0.0~6553.5s(min)0.0~6553.5 0.0s ○201. PA.18 多段速8 -100.0~100.0% -100.0~100.0 0.0% ○202. PA.19 第8段运行时间0.0~6553.5s(min)0.0~6553.5 0.0s ○203. PA.20 多段速9 -100.0~100.0% -100.0~100.0 0.0% ○204. PA.21 第9段运行时间0.0~6553.5s(min)0.0~6553.5 0.0s ○205. PA.22 多段速10 -100.0~100.0% -100.0~100.0 0.0% ○206.PA.23第10段运行时间0.0~6553.5s(min)0.0~6553.5 0.0s ○207.PA.24 多段速11 -100.0~100.0% -100.0~100.0 0.0% ○208.PA.25第11段运行时间0.0~6553.5s(min)0.0~6553.5 0.0s ○209.PA.26 多段速12 -100.0~100.0% -100.0~100.0 0.0% ○210.PA.27第12段运行时间0.0~6553.5s(min)0.0~6553.5 0.0s ○211.PA.28 多段速13 -100.0~100.0% -100.0~100.0 0.0% ○212.PA.29第13段运行时间0.0~6553.5s(min)0.0~6553.5 0.0s ○213.PA.30 多段速14 -100.0~100.0% -100.0~100.0 0.0% ○214.PA.31第14段运行时间0.0~6553.5s(min)0.0~6553.5 0.0s ○215.PA.32 多段速15 -100.0~100.0% -100.0~100.0 0.0% ○216.PA.33第15段运行时间0.0~6553.5s(h)0.0~6553.5 0.0s ○217.PA.34简易PLC第0~7段的加减速时间选择0~0XFFFF 0~0XFFFF 0 ○218.PA.35简易PLC第8~15段的加减0~0XFFFF 0~0XFFFF 0 ○219.速时间选择PA.36 PLC再启动方式选择0:从第一段开始重新运行1:从中断时刻的阶段频率继续运行0~1 0 ◎220.PA.37 多段时间单位选择0:秒1:分钟0~1 0 ◎221.Pb组保护参数组Pb.00 输入缺相保护0:禁止1:允许0~1 1 ○222.Pb.01 输出缺相保护0:禁止1:允许0~1 1 ○223.Pb.02电机过载保护选择0:不保护1:普通电机(带低速补偿)2:变频电机(不带低速补偿)0~2 2 ◎224.Pb.03电机过载保护电流20.0%~120.0%(电机额定电流)20.0~120.0 100.0% ○225.Pb.04瞬间掉电降频点70.0~110.0%(标准母线电压)70.0~110.0 80.0% ○226.Pb.05瞬间掉电频率下降率0.00~P0.03(最大频率)0.00~P0.03 0.00Hz/s ○227.Pb.06 过压失速保护0:禁止1:允许0~1 1 ○228.Pb.07过压失速保护电压110~150% 110~150 130% ○229.Pb.08 自动限流水平50~200% 50~200 G型机:160%P型机:120%○230.Pb.09 限流时0.00~100.00Hz/s 0.00~100.00 10.00Hz/s ○231.频率下降率Pb.10 限流动作选择0:限流一直有效1:限流恒速时无效0~1 0 ○232.Pb.11过转矩动作选择(OL3)0:不检测1:运行中过转矩检出有效,检出后继续运行2:运行中过转矩检出有效,检出后报警(OL3)并停机3:恒速运行中过转矩检出有效,检出后继续运行4:恒速运行中过转矩检出有效,检出后报警(OL3)并停机0~4 1 ○233.Pb.12过转矩检出水平1.0%~200.0%(相对于变频器的额定电流)1.0~200.0G型机:150.0%P型机:120.0%○234.Pb.13过转矩检出时间0.1~60.0s 0.0~60.0 0.1s ○235.Pb.14 保留●236. Pb.15 保留●237. PC组串行通讯组PC.00 本机通讯地址0~247,0为广播地址0~247 1 ○238.PC.01通讯波特率设置0:1200BPS1:2400BPS2:4800BPS3:9600BPS4:19200BPS5:38400BPS0~5 4 ○239.PC.02数据位校验设置0:无校验(N,8,1)for RTU1:偶校验(E,8,1)for RTU0~5 1 ○240.CHF100A系列矢量通用型变频器功能码名称参数详细说明设定范围缺省值更改序号2:奇校验(O,8,1)for RTU3:无校验(N,8,2)for RTU4:偶校验(E,8,2)for RTU5:奇校验(O,8,2)for RTUPC.03 通讯应答延时0~200ms 0~200 5ms ○241.PC.04通讯超时故障时间0.0(无效),0.1~100.0s 0.0~100.0 0.0s ○242.PC.05 传输错误处理0:报警并自由停车1:不报警并继续运行2:不报警按停机方式停机(仅通讯控制方式下)3:不报警按停机方式停机(所有控制方式下)0~3 1 ○243.PC.06通讯处理动作选择LED个位0:写操作有回应1:写操作无回应LED十位0:通讯设定值掉电不存储1:通讯设定值掉电存储00~11 00 ○244.Pd组预留功能组PE组厂家功能组。
英威腾变频器(INVT)首次上电运行操作
1 确认正确接线后上电。
(与接线图对照)
注意:R,S,T为三相电源进线U,V,W接三相电机(PB和+ )接制动电阻
2 恢复出厂设置P00.18=1
3 按照电机铭牌设定P02.01~P02.05电机参数
P02.01电机额定功率;p02.02 电机额定频率;P02.03 电机额定转速;P02.04 电机额定电压;P02.05 电机额定电流
4 按下快捷多功能键Quick点动运行
5 若电机旋转方向不对,断电后,任意调换两相在上电
6 考虑是否进行自学习,静止自学习还是旋转自学习
7 设置P00.15=1旋转自学习;设置P00.15=2 静止自学习
8 按下RUN键开始自学习,自学习完成后电机自动停止
9 设置预设频率P00.10=10(看情况而定)
10按下RUN键,变频器运行,电机开始旋转
11监控电机运行状态的电流和电压
注意;在停止状态和运行状态下,按SHIFT右移循环选择显示参数12 按下STOP键,变频器停止。
英威腾ch100变频器调试代码【实用版】目录1.英威腾 ch100 变频器概述2.英威腾 ch100 变频器调试代码的作用3.英威腾 ch100 变频器调试代码的获取方法4.英威腾 ch100 变频器调试代码的具体内容5.英威腾 ch100 变频器调试代码的应用实例6.英威腾 ch100 变频器调试代码的注意事项正文一、英威腾 ch100 变频器概述英威腾 ch100 变频器是一款性能优良、操作简便的变频器产品,被广泛应用于工业自动化控制领域。
它能够对交流电机进行精确、可靠的调速,以满足各种工业生产场景的需求。
二、英威腾 ch100 变频器调试代码的作用调试代码是英威腾 ch100 变频器在安装、调试和维护过程中所需的关键数据,通过输入这些代码,可以对变频器的各项参数进行精确调整,以保证其在实际应用中能够达到最佳性能。
三、英威腾 ch100 变频器调试代码的获取方法用户可以通过以下途径获取英威腾 ch100 变频器的调试代码:1.访问英威腾官方网站,下载相关文档;2.咨询英威腾技术支持,获取专业指导;3.参加英威腾举办的技术培训课程,学习相关知识。
四、英威腾 ch100 变频器调试代码的具体内容英威腾 ch100 变频器的调试代码包括但不限于以下几类:1.参数设置代码:用于设定变频器的各项参数,如频率、电压等;2.故障诊断代码:用于检测变频器运行中可能出现的问题;3.保护设置代码:用于设定变频器的保护功能,如过载保护、过热保护等;4.通信设置代码:用于设定变频器与其他设备之间的通信参数。
五、英威腾 ch100 变频器调试代码的应用实例以下是一个英威腾 ch100 变频器调试代码的应用实例:假设需要将一台交流电机的转速从 50Hz 调整至 100Hz,可以使用以下参数设置代码:P00=1(设置基准频率)P01=100(设置最高频率)P02=50(设置最低频率)输入以上代码后,变频器将根据设定的参数对电机转速进行调整。
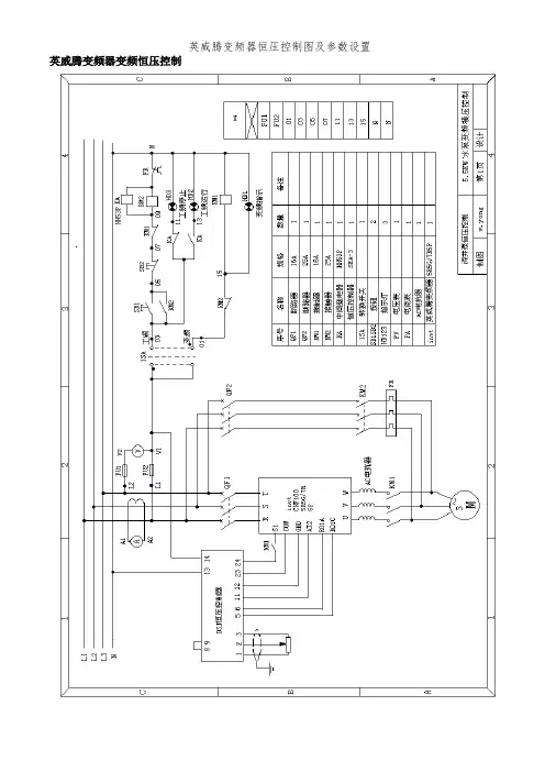
英威腾变频器变频恒压控制
恒压控制参数设置:
变频器参数设定;
P0、03=1
P0、06=15、00
P3、01=2
P5、01=1
P5、16=10、00
P6、02=4
恒压控制器参数设定:在刚上电倒计时没有结束时按F1才能修改参数。
F1=00
F2=01
F3=00
F4=(压力设定值)用户要求的压力值如:1、5Kg就设定为1、5
F5= (压力上限)高于用户要求压力的1Kg如上的1、5Kg,F5设定为2、5Kg F6=00(控制器校零)比如现在F6显示的就是-2,此时就设定成00
F7=(压力校正)如果现在显示的压力与实际压力表显示的压力不一样用F7校成一样的。
F8=10、00
F9=15
注:变频恒压控制供水系统可以做到无人值守自动供水,用水量大时频率增高,用水量少时频率下降始终保持压力恒定,不会出现工频供水时用水量少时管道压力大爆管的可能,在用水量少时变频器低频率运行或休眠(停机)。
使用变频恒压供水后即节能又降低水泵的机械磨损。
由于此用户井深50米需要加装输出电抗器。
此电路为工频,变频两用控制,在变频器出现故障时可以用SA开关切换到工频运行解决零时用水问题。
待变频器修好后再切换到变频运行。
英威腾CHV100变频器变频器基本基本基本参数设置参数设置参数设置功能码功能名称设定值说明设定范围P0.00 速度控制模式 2 2:V/F 控制0~2,[0] P0.01 运行指令通道 1 1:端子指令通道 0~2,[0] P0.02 键盘及端子UP/DOWN 设定具体请参照说明书0~3,[0] P0.03 A 频率指令选择 0或1、5 0:键盘设定,P0.10键盘设定频率1:模拟量AI1设定5:多段速运行设定0~7,[0] P0.06 设定源组合方式 0 0:A,当前频率设定通道为A 频率指令 0~3,[0] P0.07 最大输出频率 0~400Hz,[50.00] 0~400HzP0.08 运行频率上限 P0.09~P0.07,[50.00] P0.09 运行频率下限 0.00~P0.08,[0.00] P0.10 键盘设定频率 0.00~P0.08,[0.00] P0.11 加速时间0 0.0~3600.0s,[20.0s] P0.12 减速时间0 0.0~3600.0s,[20.0s] P0.13 运行方向选择 0:默认方向运行 1:相反方向运行 0 P1.00 起动运行方式 0 0:直接启动,从起动频率 0~2,[0]P1.01 直接起动开始频率 0.00-10.00Hz,[1.5Hz] P1.05 加减速方式选择 1 0:直线型;1:S 曲线型0~1,[0]P2.00 机型选择 0:适用于指定额定参数的恒转矩负载1:适用于指定额定参数的变转矩负载 0~1,[0]P2.01 电机额定频率 0.01~P0.07,[50.00Hz] P2.02 电机额定转速 1~36000rpm,[1460rpm] P2.03 电机额定电压 0~460V,[380V]P2.04 电机额定电流 0.1~2000.0A,[机型设定] P5.01 通讯虚拟端子功能选择0~1,[0] P5.02 S1端子功能选择 1 1:正转运行(FWD) 0~55,[1] P5.03 S2端子功能选择 7 7:故障复位 0~55,[4] P6.04 继电器1输出选择 4 4:故障输出0~31,[3] P6.05 继电器2输出选择 7 7:频率水平检测FDT 到达 0~31,[0]P8.25 FDT 电平检测值 0.00~P0.07,[50.00Hz] P8.26 FDT 滞后检测值0.0~100。
作者:空青山
作品编号:89964445889663Gd53022257782215002 时间:2020.12.13
英威腾变频器变频恒压控制
恒压控制参数设置:
变频器参数设定;
P0.03=1
P0.06=15.00
P3.01=2
P5.01=1
P5.16=10.00
P6.02=4
恒压控制器参数设定:在刚上电倒计时没有结束时按F1才能修改参数。
F1=00
F2=01
F3=00
F4=(压力设定值)用户要求的压力值如:1.5Kg就设定为1.5 F5= (压力上限)高于用户要求压力的1Kg如上的1.5Kg,F5设定为2.5Kg
F6=00(控制器校零)比如现在F6显示的是-2,此时就设定成00 F7=(压力校正)如果现在显示的压力与实际压力表显示的压力不一样用F7校成一样的。
F8=10.00
F9=15
注:变频恒压控制供水系统可以做到无人值守自动供水,用水量大时频率增高,用水量少时频率下降始终保持压力恒定,不会出现工频供水时用水量少时管道压力大爆管的可能,在用水量少时变频器低频率运行或休眠(停机)。
使用变频恒压供水后即节能又降低水泵的机械磨损。
由于此用户井深50米需要加装输出电抗器。
此电路为工频,变频两用控制,在变频器出现故障时可以用SA开关切换到工频运行解决零时用水问题。
待变频器修好后再切换到变频运行。
作者:空青山
作品编号:89964445889663Gd53022257782215002
时间:2020.12.13。
英威腾CHF100系A列变频器,要求:PID恒压控制,压力保持2KG,用4-20mA电流反馈,控制线怎么接,参数如何设置二线制接线:AI2、+24V,J16跳线到导流端子参数设置: P0.01=1 (外部信号控制启动、停止,启动端子指令通道)P0.04=50 (上限频率)P0.05=10-20(下限频率)P0.07=6 (PID控制设定)P0.11=加速时间P0.12=减速时间电机参数电机功率额定电流等P9.00=0P9.01=40%(传感器压力量程0.6MPA)P9.02=1P9.04=1.0KP(比例增益)P9.05=o.5S(积分增益) (如果压力波动较大、适当调大)适当调节比例增益和积分增益可调节压力变化的快慢压力变送器选型要点:1、变送器要测量什么样的压力:先确定系统中要确认测量压力的最大值,一般而言,需要选择一个具有比最大值还要大1.5倍左右的压力量程的变送器。
这主要是在许多系统中,尤其是水压测量和加工处理中,有峰值和持续不规则的上下波动,这种瞬间的峰值能破坏压力传感器,持续的高压力值或稍微超出变送器的标定最大值会缩短传感器的寿命,然而,由于这样做会精度下降。
于是,可以用一个缓冲器来降低压力毛刺,但这样会降低传感器的响应速度。
所以在选择变送器时,要充分考虑压力范围,精度与其稳定性。
2、什么样的压力介质:我们要考虑的是压力变送器所测量的介质,黏性液体、泥浆会堵上压力接口,溶剂或有腐蚀性的物质会不会破坏变送吕中与这些介质直接接触的材料。
以上这些因素将决定是否选择直接的隔离膜及直接与介质接触的材料。
一般的压力变送器的接触介质部分的材质采用的是316不锈钢,如果你的介质对316不锈钢没有腐蚀性,那么基本上所有的压力变送器都适合你对介质压力的测量.如果你的介质对316不锈钢有腐蚀性,那么我们就要采用化学密封,这样不但起到可以测量介质的压力,也可以有效的阻止介质与压力变送器的接液部分的接触,从而起到保护压力变送器,延长了压力变送器的寿命.3、变送器需要多大的精度:决定精度的有,非线性,迟滞性,机电商务网非重复性,温度、零点偏置刻度,温度的影响。
英威腾CHV100变频器变频器基本基本基本参数设置参数设置参数设置功能码功能名称设定值说明设定范围P0.00 速度控制模式 2 2:V/F 控制0~2,[0] P0.01 运行指令通道 1 1:端子指令通道 0~2,[0] P0.02 键盘及端子UP/DOWN 设定具体请参照说明书0~3,[0] P0.03 A 频率指令选择 0或1、5 0:键盘设定,P0.10键盘设定频率1:模拟量AI1设定5:多段速运行设定0~7,[0] P0.06 设定源组合方式 0 0:A,当前频率设定通道为A 频率指令 0~3,[0] P0.07 最大输出频率 0~400Hz,[50.00] 0~400HzP0.08 运行频率上限 P0.09~P0.07,[50.00] P0.09 运行频率下限 0.00~P0.08,[0.00] P0.10 键盘设定频率 0.00~P0.08,[0.00] P0.11 加速时间0 0.0~3600.0s,[20.0s] P0.12 减速时间0 0.0~3600.0s,[20.0s] P0.13 运行方向选择 0:默认方向运行 1:相反方向运行 0 P1.00 起动运行方式 0 0:直接启动,从起动频率 0~2,[0]P1.01 直接起动开始频率 0.00-10.00Hz,[1.5Hz] P1.05 加减速方式选择 1 0:直线型;1:S 曲线型0~1,[0]P2.00 机型选择 0:适用于指定额定参数的恒转矩负载1:适用于指定额定参数的变转矩负载 0~1,[0]P2.01 电机额定频率 0.01~P0.07,[50.00Hz] P2.02 电机额定转速 1~36000rpm,[1460rpm] P2.03 电机额定电压 0~460V,[380V]P2.04 电机额定电流 0.1~2000.0A,[机型设定] P5.01 通讯虚拟端子功能选择0~1,[0] P5.02 S1端子功能选择 1 1:正转运行(FWD) 0~55,[1] P5.03 S2端子功能选择 7 7:故障复位 0~55,[4] P6.04 继电器1输出选择 4 4:故障输出0~31,[3] P6.05 继电器2输出选择 7 7:频率水平检测FDT 到达 0~31,[0]P8.25 FDT 电平检测值 0.00~P0.07,[50.00Hz] P8.26 FDT 滞后检测值0.0~100。
仅供个人参考For personal use only in study and research; not for commercial use英威腾变频器变频恒压控制恒压控制参数设置:变频器参数设定;P0.03=1P0.06=15.00P3.01=2P5.01=1P5.16=10.00P6.02=4恒压控制器参数设定:在刚上电倒计时没有结束时按F1才能修改参数。
F1=00F2=01F3=00F4=(压力设定值)用户要求的压力值如:1.5Kg就设定为1.5F5= (压力上限)高于用户要求压力的1Kg如上的1.5Kg,F5设定为2.5Kg F6=00(控制器校零)比如现在F6显示的是-2,此时就设定成00F7=(压力校正)如果现在显示的压力与实际压力表显示的压力不一样用F7校成一样的。
F8=10.00F9=15注:变频恒压控制供水系统可以做到无人值守自动供水,用水量大时频率增高,用水量少时频率下降始终保持压力恒定,不会出现工频供水时用水量少时管道压力大爆管的可能,在用水量少时变频器低频率运行或休眠(停机)。
使用变频恒压供水后即节能又降低水泵的机械磨损。
由于此用户井深50米需要加装输出电抗器。
此电路为工频,变频两用控制,在变频器出现故障时可以用SA开关切换到工频运行解决零时用水问题。
待变频器修好后再切换到变频运行。
不得用于商业用途仅供个人参考仅供个人用于学习、研究;不得用于商业用途。
For personal use only in study and research; not for commercial use.Nur für den persönlichen für Studien, Forschung, zu kommerziellen Zwecken verwendet werden.Po ur l 'étude et la recherche uniquement à des fins personnelles; pas à des fins commerciales.толькодля людей, которые используются для обучения, исследований и не должны использоваться в коммерческих целях.以下无正文不得用于商业用途。
【精品】INVT英威腾变频器说明书CHE说明书(13版) 目录安全注意事项………………………………………………………………………51 概况…………………………………………………………………………………61.1 变频器的综合技术特性…………………………………………………………61.2 变频器铭牌说明…………………………………………………………………71.3 变频器系列机型…………………………………………………………………71.4 变频器各部件名称说明…………………………………………………………91.5 变频器外形尺寸………………………………………………………………102 开箱检查………………………………………………………………………133 拆卸和安装……………………………………………………………………14 安全警告………………………………………………………………………14 3.1 变频器安装运行环境……………………………………………………15 3.2 变频器安装间隔及距离…………………………………………………16 3.3 外引键盘的安装尺寸……………………………………………………17 3.4 盖板的拆卸和安装………………………………………………………184 接线……………………………………………………………………………20 安全警告………………………………………………………………………20 4.1 与外围设备的连接图……………………………………………………21 4.2 接线端子图………………………………………………………………22 4.3 标准接线图………………………………………………………………23 4.4 断路器、熔断器、电缆、接触器规格一览表…………………………24 4.5 主回路的连接……………………………………………………………25 4.5.1 主回路电源侧的连接…………………………………………… 25 4.5.2 主回路变频器侧的连接…………………………………………25 4.5.3 主回路电机侧的连接回馈单元的连接………………………………………………… 26 4.5.5 共直流母线的连接……………………………………………… 27 4.5.6 接地线的连接………………………………………………………28 4.6 控制回路的连接…………………………………………………………28 4.6.1 注意事项…………………………………………………………28 4.6.2 控制板端子说明…………………………………………………28 4.6.3 控制板跳线说明…………………………………………………29 4.7 符合 EMC 要求的安装指导……………………………………………… 29 4.7.1 EMC 一般常识……………………………………………………… 29 4.7.2 变频器的 EMC 特点…………………………………………………30 4.7.3 EMC 安装指导………………………………………………………305 操作 5.1 操作面板说明……………………………………………………………33 5.1.1 面板示意图………………………………………………………33 5.1.2 按键功能说明……………………………………………………33 5.1.3 指示灯说明………………………………………………………34 5.2 操作流程…………………………………………………………………34 5.2.1 参数设置………………………………………………………… 34 5.2.2 故障复位………………………………………………………… 35 5.2.3 参数拷贝………………………………………………………… 36 5.2.4 电机参数自学习………………………………………………… 36 5.2.5 密码设置………………………………………………………… 37 5.3 运行状态…………………………………………………………………37 5.3.1 上电初始化……………………………………………………… 37 5.3.2 待机……………………………………………………………… 37 5.3.3 电机参数自学习………………………………………………… 37 5.3.4 运行……………………………………………………………… 37 5.3.5 故障……………………………………………………………… 38 5.4 快速调试……………………………………………………………… 386 功能详细说明………………………………………………………………… 39 P0 基本功能组………………………………………………………………39 P1 起停控制组………………………………………………………………45 P2 电机参数组………………………………………………………………48 P3 矢量控制组………………………………………………………………49 P4 V/F 控制组……………………………………………………………… 50 P5 输入端子组………………………………………………………………51 P6 输出端子组………………………………………………………………55 P7 人机界面组………………………………………………………………57 P8 增强功能组………………………………………………………………60 P9 PID 控制组……………………………………………………………… 64 PA 多段速控制组……………………………………………………………67 PB 保护参数组………………………………………………………………68 PC 串行通讯组………………………………………………………………71 PD 保留功能组………………………………………………………………74 PE 厂家功能组………………………………………………………………747 故障与排除……………………………………………………………………75 7.1 故障信息及排除方法…………………………………………………75 7.2 常见故障及其处理方法…………………………………………………768 保养与维护…………………………………………………………………… 78 8.1 日常保养及维护……………………………………………………… 78 8.2 定期维护……………………………………………………………… 78 8.3 变频器易损件更换…………………………………………………… 79 8.4 变频器的保修………………………………………………………… 799 功能参数一览表………………………………………………………………8010 制动电阻/制动单元选型………………………………………………………91 10.1 选型参考………………………………………………………………91 10.2 连接方法………………………………………………………………91 10.2.1 制动电阻连接…………………………………………………91 10.2.2 制动单元连接…………………………………………………92 10.2.3 制动单元并联连接……………………………………………9211 通讯协议………………………………………………………………………93 11.1 协议内容………………………………………………………………93 11.2 应用方式………………………………………………………………93 11.3 总线结构………………………………………………………………93 11.4 协议说明……………………………………………………………93 11.5 通讯帧结构…………………………………………………………94 11.6 命令码及通讯数据描述………………………………………………96 插图图 1-1 变频器铭牌说明……………………………………………………7 图 1-2 15KW 及以下塑料外壳变频器各部件名称……………………………9 图 1-3 18.5KW 及以上金属外壳变频器各部件名称………………………10 图 1-4 15KW 以下机型的外形尺寸…………………………………………11 图 1-5 18.5KW,110KW 以上机型外形尺寸…………………………………11 图 1-6 132KW,315KW 机型有底座和无底座外形尺……………………12 图 3-1 安装地点的海拔高度…………………………………………………15 图 3-2 安装的间隔距离………………………………………………………16 图 3-3 多台变频器的安装……………………………………………………16 图 3-4 外引键盘(小)的安装尺寸…………………………………………17 图 3-5 外引键盘(小)的开孔尺寸…………………………………………17 图 3-6 外引键盘(大)的安装尺寸…………………………………………17 图 3-7 外引键盘(大)的开孔尺寸…………………………………………17 图 3-8 塑胶盖板的拆卸和安装示意图………………………………………18 图 3-9 钣金盖板的拆卸和安装示意图………………………………………18 图 3-10 柜式结构的拆卸和安装示意图……………………………………19 图 4-1 外围设备的连接图……………………………………………………21 图 4-2 主回路接线端子图1.5,2.2kW……………………………………22 图 4-3 主回路接线端子图1.5,2.2kW……………………………………22 图 4-4 主回路接线端子图1.5,2.2kW……………………………………22 图 4 -5 主回路接线端子图 1 8.5 KW, 11 0K W…… …………… ……2 2 图 4 - 6 主回路接线端子图 1 3 2 K W , 3 1 5 K W … … … … …… … … … 2 2 图 4-7 1.5,2.2kW 控制回路接线端子图……………………………………23 图 4-83.7,30kW 控制回路接线端子图……………………………………23 图 4-9 标准接线图……………………………………………………………23 图 4-10 主回路电源侧的连接………………………………………………25图 4-11 主回路电机侧的连接………………………………………………26图 4-12 能量回馈单元连接图………………………………………………27图 4-13 共直流母线的连接…………………………………………………28图 5-1 操作面板示意图……………………………………………………33图 5-2 三级菜单操作流程图………………………………………………35图 5-3 快速调试流程图……………………………………………………38图 6-1 加减速时间示意图…………………………………………………42图 6-2 载频对环境的影响关系图…………………………………………43图 6-3 直流制动示意图……………………………………………………47图 6-4 正反转死区时间示意图……………………………………………47图 6-5 PI 参数示意图…………………………………………………… 49图 6-6 V/F 曲线示意图…………………………………………………… 50图 6-7 手动转矩提升示意图………………………………………………51图 6-8 两线式运转模式 1 示意图…………………………………………53图 6-9 两线式运转模式 2 示意图…………………………………………53图 6-10 三线式运转模式 1 示意图…………………………………………53图 6-11 三线式运转模式 2 示意图…………………………………………54图 6-12 模拟给定与设定量的对应关系……………………………………55图 6-13 给定量与模拟量输出的对应关系…………………………………57图 6-14 跳跃频率示意图……………………………………………………61图 6-15 摆频运行示意图……………………………………………………62图 6-16 FDT 电平示意图…………………………………………………… 63图 6-17 频率到达检出幅值示意图…………………………………………63图 6-18 过程 PID 原理框图…………………………………………………64图 6-19 偏差极限与输出频率的对应关系…………………………………67图 6-20 多段速运行逻辑图…………………………………………………68图 6-21 电机过载保护系数设定……………………………………………69图 6-22 过压失速功能示意图………………………………………………70图 6-23 限流保护功能示意图………………………………………………71图 10-1 制动电阻的安装……………………………………………………92图 10-2 制动单元的连接……………………………………………………92图 10-3 制动单元的并联连接………………………………………………92 安全注意事项安装、运行、维护或检查之前要认真阅读本说明书。
英威腾CHV100变频器变频器基本基本基本参数设置参数设置参数设置
功能码
功能名称
设定值
说明
设定范围
P0.00 速度控制模式 2 2:V/F 控制
0~2,[0] P0.01 运行指令通道 1 1:端子指令通道 0~2,[0] P0.02 键盘及端子UP/DOWN 设定
具体请参照说明书
0~3,[0] P0.03 A 频率指令选择 0或1、5 0:键盘设定,P0.10键盘设定频率
1:模拟量AI1设定
5:多段速运行设定
0~7,[0] P0.06 设定源组合方式 0 0:A,当前频率设定通道为A 频率指令 0~3,[0] P0.07 最大输出频率 0~400Hz,[50.00] 0~400Hz
P0.08 运行频率上限 P0.09~P0.07,[50.00] P0.09 运行频率下限 0.00~P0.08,[0.00] P0.10 键盘设定频率 0.00~P0.08,[0.00] P0.11 加速时间0 0.0~3600.0s,[20.0s] P0.12 减速时间0 0.0~3600.0s,[20.0s] P0.13 运行方向选择 0:默认方向运行 1:相反方向运行 0 P1.00 起动运行方式 0 0:直接启动,从起动频率 0~2,[0]
P1.01 直接起动开始频率 0.00-10.00Hz,[1.5Hz] P1.05 加减速方式选择 1 0:直线型;1:S 曲线型
0~1,[0]
P2.00 机型选择 0:适用于指定额定参数的恒转矩负载
1:适用于指定额定参数的变转矩负载 0~1,[0]
P2.01 电机额定频率 0.01~P0.07,[50.00Hz] P2.02 电机额定转速 1~36000rpm,[1460rpm] P2.03 电机额定电压 0~460V,[380V]
P2.04 电机额定电流 0.1~2000.0A,[机型设定] P5.01 通讯虚拟端子功能选择
0~1,[0] P5.02 S1端子功能选择 1 1:正转运行(FWD) 0~55,[1] P5.03 S2端子功能选择 7 7:故障复位 0~55,[4] P6.04 继电器1输出选择 4 4:故障输出
0~31,[3] P6.05 继电器2输出选择 7 7:频率水平检测FDT 到达 0~31,[0]
P8.25 FDT 电平检测值 0.00~P0.07,[50.00Hz] P8.26 FDT 滞后检测值
0.0~100。
0%,[5.0%]。