市政工程外观、实测实量评定表格
- 格式:doc
- 大小:2.06 MB
- 文档页数:65
混凝土坍落度检测记录□施工自检□平行检验表格编号:说明:1、检验方法:用坍落度检测器和钢尺量测检查。
2、检验数量:施工单位应对每车预拌混凝土坍落度进行检查,监理单位至少每10车随机抽取1次平行检验,且不少于1次。
3、检验时间:混凝土搅拌车到达浇筑现场,浇筑前。
4、本表可用于施工单位自检或监理单位平行检验混凝土坍落度使用。
用于施工单位自检时,监理单位可不签字;用于监理平行检验时,检查人由监理员签字。
5、现场检测坍落度与厂家配合比坍落度差距较大时应及时通知混凝土厂家调整。
表2 钢筋外观质量检测记录表格编号:说明:1、钢筋进场后,外观质量检测应在监理单位的见证下进行。
除本表格外,检测结果同时应在监理见证记录中予以体现。
2、检验频率:以同牌号、同炉号、同规格、同交货状态的钢筋,每60t为一批,不足60t以一批计,每批抽检1次。
3、钢筋重量偏差的测定:(1)测量钢筋重量偏差时,试样应从不同根钢筋上截取,数量不少于5支。
每支试验长度不小于500mm。
长度应逐支测量,精确到1mm。
测量试样总重量时,应精确到不大于总重量的1%。
(2)用钢丝刷清除钢筋试样表面杂物后,称取试样总重量。
用下式计算钢筋实际重量和理论重量的偏差(%):(3)钢筋理论重量可见下表:热轧光圆钢筋:热轧带肋钢筋:(4)允许重量偏差4、外观质量:钢筋应平直、无损伤,钢筋表面不得有裂纹、起皮、油污、颗粒状或片状锈蚀等。
根据检测结果在相应栏内填“有”或“无”,平直栏直接填“平直”或“弯曲”。
5、产品标牌上的标识炉批号应与质量保证书上一致,并做好记录。
当不一致时,应查明材料来源,否则应退货。
6、当钢筋表面存在裂纹、起皮应退货;若存在损伤、不平直应剔出退货;存在油污应清理干净;存在颗粒状或片状老锈应除尽,若影响截面尺寸,应降级处理。
7、外观检查合格后,应及时见证取样送有资质的检测机构进行力学性能检测,检测合格后方可使用。
表3 土方路基(路床)平行检验记录监理单位:编号:说明:1、检验方法:参见下表。
市政道路工程实测实量评分表工程名称认证项目应测点合格点合格率认证单位工程地点面层压实度施工单位面层厚度施工负责人弯沉序号实测项目允许偏差(mm)实测频率1 2 3 4 5 6 7 8 9 10 11 12 13 14 15 16实测点数合格点数合格率%范围点数1 厚度+10,-5 1000M2 12 平整度≤5 20m 路宽<9 19-15 2>15 33 宽度不小于设计值40m 14 纵断高程±15 20m 15 中线偏位≤20 100m 16 横坡±0.3%且不反坡20m路宽<9 19-15 2>15 37 井框与路面差≤5 每座 1平均合格率检验人:年月日工程名称工程地点施工单位施工负责人序号实测项目允许偏差(mm)实测频率各实测点偏差值(mm)实测点数合格点数合格率%范围点数1 2 3 4 5 6 7 8 9 10 11 12 13 14 15 161侧缘石直顺度≤10 100m 12 相邻块高差≤3 20m 13 缝宽±3 20m 14 侧石顶高程±10 20m 15人行道平整度≤5 20m 16 纵缝直顺≤10 40m 17 相邻块高差≤3 20m 18 横坡±0.3% 20m 19 横缝直顺≤10 20m 110 缝宽+3~-2 20m 1平均合格率检验人:年月日工程名称工程地点施工单位施工负责人序号实测项目允许偏差(mm)实测频率各实测点偏差值(mm)实测点数合格点数合格率%范围点数1 2 3 4 5 6 7 8 9 10 11 12 13 14 15 16井框与井篦吻合≤10 每座 1井框与路面高差0~-5 每座 1雨水口位置与道路边线平行≤10 每座 1雨水口井内尺寸长宽:+20,0每座 1雨水口井内尺寸深:0,-20 每座 1检查井轴线位置15 每座 2结构断面尺寸+10,0 每座 2平均合格率检验人:年月日工程名称工程地点施工单位施工负责人序号实测项目允许偏差(mm)实测频率各实测点偏差值(mm)实测点数合格点数合格率%范围点数1 2 3 4 5 6 7 8 9 10 11 12 13 14 15 16井室尺寸±20 每座 2井口高程与道路规定一致每座 1井底高程±10 每座 2踏步安装±10 每座 1流槽宽度±10 每座 1平均合格率检验人:年月日工程名称工程地点施工单位施工负责人序号实测项目允许偏差(mm)实测频率各实测点偏差值(mm)实测点数合格点数合格率%范围点数1 2 3 4 5 6 7 8 9 10 11 12 13 14 15 161侧缘石直顺度≤10 100m 12 相邻块高差≤3 20m 13 缝宽±3 20m 14 侧石顶高程±10 20m 15大理石人行道平整度≤5 20m 16 纵缝直顺≤5 40m 17 相邻块高差≤1 20m 18 横坡±0.3% 20m 19 横缝直顺≤5 20m 110 缝宽+1~-1 20m 1平均合格率检验人:年月日实测实量结果汇总表序号实测项目实测点数合格点数合格率序号实测项目实测点数合格点数合格率1 路面平整度19 雨水口位置与道路边线平行2 路面宽度20 雨水口井内尺寸3 道路纵断高程21 雨水口井内尺寸4 道路中线偏位22 检查井轴线位置5 道路横坡23 结构断面尺寸6 井框与路面差24 检查井井室尺寸7 路缘石直顺度25 检查井井口高程8 路缘石相邻块高差26 检查井井底高程9 路缘石缝宽27 检查井踏步安装10 路缘石侧石顶高程28 检查井流槽宽度11 人行道平整度29 跨径12 人行道纵缝直顺30 桥下净空13 人行道相邻块高差31 混凝土墩台尺寸14 人行道横坡32 混凝土墙面垂直度15 人行道横缝直顺33 混凝土墙面平整度16 人行道缝宽34 蜂麻面积17 井框与井篦吻合3518 井框与路面高差36市政桥梁工程实测实量评分表工程名称认证项目应检点合格点合格率认证单位工程地点桩高程施工单位桩强度施工负责人梁强度铺装强度(压实度)序号实测项目允许偏差(mm)实测频率各实测点偏差值(mm) 应检点数合格点数合格率% 范围点数 1 2 3 4 5 6 7 8 9 10 11 12 13 14 15 16△1 跨径≥设计每跨 3 △2 桥下净空≥设计每墩台 33 砌筑墩台尺寸长+20,-10每墩台2宽±10 24 砌筑墙面垂直度0.5%H且≯30每墩台 15 砌筑墙面平整度30 每墩台 26 混凝土墩台尺寸长±10每墩台2宽+10,-8 27 混凝土墙面垂直度0.25%H且≯25每墩台 18 混凝土墙面平整度 5 每墩台 29 蜂麻≤1%总面积每墩台 110 混凝土墩柱尺寸±5 每根 211 混凝土墩柱垂直度0.25%H且≯25每根 2平均合格率检验人:年月日。
市政道路工程外观评分表xx工程管理中心
2、根据存在问题多少和产生程度,在应得分中酌情扣分。
市政道路工程外观评分表xx工程管理中心
注:1、如有护坡、挡墙、倒虹、涵洞等可根据行标增加项目,人行道和检查井的加权系数同改为0.15增加项目为10。
2、根据存在问题多少和产生程度,在应得分中酌情扣分。
D7-2
市政桥梁工程外观评分表xx工程管理中心
表20xx-*
D7-2
市政桥梁工程外观评分表
xx工程管理中心
注:1、上部构造如是钢结构或是地道桥,外观要求中4代1。
2、侧墙、锥坡、护坡、台阶中,有台阶者,1,2,3小项应得分为40,40,20。
3、依据存在问题多少、严重程度参照外观要求和应得分,酌情扣分。
4、无锥坡、台阶、侧墙、护坡时,地袱、防撞墩、栏杆、人行道项目加权系数为0.30.
D7-3市政排水外观评分表
xx工程管理中心
2、某些项目是在施工过程中检查到的,应有足够数量。
根据存在问题多少和严重程度,参照外观要求和应得分,酌情扣分。
D7-4
绿化工程外观评分表
xx工程管理中心
D7-5
市政亮化工程外观评分表xx工程管理中心
D7-6
市政道路工程交通设施外观评分表
xx工程管理中心
注:1、以上每点,当有一处不符合要求时,扣除1-2分。
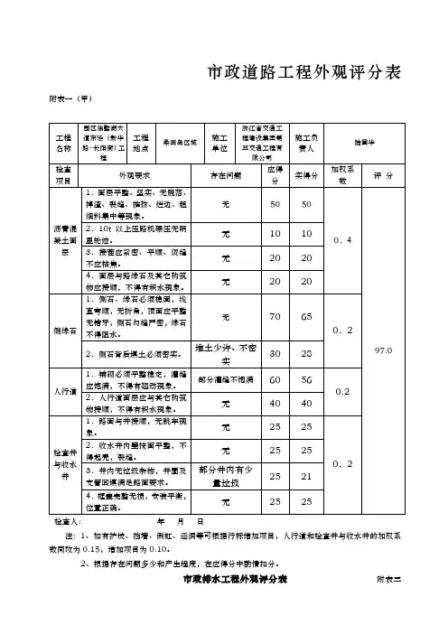
市政道路工程外观评分表附表一(甲)检查人:年月日注:1、如有护坡、挡墙、倒虹、涵洞等可根据行标增加项目,人行道和检查井与收水井的加权系数同改为0.15,增加项目为0.10。
2、根据存在问题多少和产生程度,在应得分中酌情扣分。
市政排水工程外观评分表附表三(甲)检查人:年月日市政排水工程外观评分表附表三(乙)注: 1、如无护坡挡土羊加权系数为排管0.35,检查井0.35,回填0.3。
2、某些项目是在施工过程中检查到的,应有足够数量。
3、根据存在问题多少和严重程度,参照外观要求和应得分,酌情扣分。
市政道路工程实测实量评分表附表四(沥青)检查人: 年月日市政道路工程实测实量评分表附表四(沥青)检查人: 年月日市政道路工程实测实量评分表附表四(沥青)检查人: 年月日市政道路工程实测实量评分表附表四(沥青)市政道路工程实测实量评分表附表四(沥青)检查人: 年月日市政道路工程实测实量评分表附表四(沥青)市政道路工程实测实量评分表附表四(沥青)检查人: 年月日市政道路工程实测实量评分表附表四(沥青)检查人: 年月日市政道路工程实测实量评分表附表四(沥青)检查人: 年月日市政道路工程实测实量评分表附表四(沥青)市政道路工程实测实量评分表附表四(附属)注:如有其它附属工程可依据行标增加实测项目。
市政道路工程实测实量评分表附表四(附属)注:如有其它附属工程可依据行标增加实测项目。
市政道路工程实测实量评分表附表四(附属)注:如有其它附属工程可依据行标增加实测项目。
市政道路工程实测实量评分表附表四(附属)注:如有其它附属工程可依据行标增加实测项目。
市政道路工程实测实量评分表附表四(附属)注:如有其它附属工程可依据行标增加实测项目。
市政道路工程实测实量评分表附表四(附属)注:如有其它附属工程可依据行标增加实测项目。
市政道路工程实测实量评分表附表四(附属)注:如有其它附属工程可依据行标增加实测项目。
市政道路工程实测实量评分表附表四(附属)注:如有其它附属工程可依据行标增加实测项目。
中间结构市政道路工程实测实量记录表月日建设单位代表:监理单位代表:施工单位代表: 其他单位代表:竣工市政道路工程实测实量记录表--年月日施工单位代表: 其他单位代表:竣工市政道路工程实测实量记录表年月日2。
改性(再生)沥青混凝土路面可采用此表进行检验。
施工单位代表:其他单位代表:竣工市政道路工程实测实量记录表月日施工单位代表: 其他单位代表:竣工市政道路工程实测实量记录表(附属构筑物及路灯)备注:1、附属构筑物包括路缘石、雨水支管与雨水口、排(截)水沟、倒虹管及涵洞、护坡、隔离墩、隔离栅、护栏、声屏障、防眩板,如工程中涉及到相关内容详按CJJ1-2008验收规范增加实测项目. 2、带△合格率必须100%。
年月日建设单位代表:监理单位代表:施工单位代表:其他单位代表:中间结构市政桥梁工程实测实量记录表共2页,第1页年月日施工单位代表:其他单位代表:中间结构市政桥梁工程实测实量记录表共2月日2、有水桥桥下净空可用梁底标高代替,带△合格率必须100%。
建设单位代表:监理单位代表:施工单位代表:其他单位代表:竣工市政桥梁工程实测实量记录表共2页,第1页月日2、带△合格率必须100%。
建设单位代表: 监理单位代表:施工单位代表: 其他单位代表:竣工市政桥梁工程实测实量记录表共2页,第2页月日2、带△合格率必须100%。
建设单位代表:监理单位代表:施工单位代表:其他单位代表:注:带△合格率必须100%。
年月日建设单位代表:监理单位代表:施工单位代表: 其他单位代表:。
市政道路工程外观评分表附表一(甲)
年月日检查人:
注:1、如有护坡、挡墙、倒虹、涵洞等可根据行标增加项目,人行道和检查井与收水井的加权系数同改为0.15,增加项目为0.10。
2、根据存在问题多少和产生程度,在应得分中酌情扣分。
市政排水工程外观评分表附表三(甲)
年月日检查人:
市政排水工程外观评分表附表三(乙)
年月日检查人:
注:1、如无护坡挡墙加权系数为排管0.35,检查井0.35,回填0.3。
2、某些项目是在施工过程中检查到的,应有足够数量。
3、根据存在问题多少和严重程度,参照外观要求和应得分,酌情扣分。
市政道路工程实测实量评分表附表四(水泥)
年月日检查人:
市政道路工程实测实量评分表附表四(沥青)
年月日检查人:
市政道路工程实测实量评分表附表四(附属)
年月日检查人:
注:如有其它附属工程可依据行标增加实测项目
市政排水工程实测实量评分表附表六
年月日检查人:注:D为管径,当D<700mm时邻管错口不检查。
沟渠实测实量表可依据行标按此表替代。
市政工程质量保证资料评分表附表七
市政工程质量保证资料评分表附表七(续)
年月日检验人:。
市政道路工程外观评分表附表一(甲)
检查人:年月日
注:1、如有护坡、挡墙、倒虹、涵洞等可根据行标增加项目,人行道和检查井与收水井的加权系数同改为0.15,增加项目为0.10。
2、根据存在问题多少和产生程度,在应得分中酌情扣分。
页脚内容63
市政排水工程外观评分表附表三(甲)
检查人:年月日
页脚内容63
市政排水工程外观评分表附表三(乙)
检查人:年月日
注: 1、如无护坡挡土羊加权系数为排管0.35,检查井0.35,回填0.3。
2、某些项目是在施工过程中检查到的,应有足够数量。
页脚内容63
3、根据存在问题多少和严重程度,参照外观要求和应得分,酌情扣分。
市政道路工程实测实量评分表附表四(沥青)
页脚内容63
检查人: 年月日
市政道路工程实测实量评分表附表四(沥青)
页脚内容63
检查人: 年月日
市政道路工程实测实量评分表附表四(沥青)
页脚内容63
检查人: 年月日
市政道路工程实测实量评分表附表四(沥青)
页脚内容63
检查人: 年月日
市政道路工程实测实量评分表附表四(沥青)
页脚内容63
检查人: 年月日
市政道路工程实测实量评分表附表四(沥青)
页脚内容63
检查人: 年月日
市政道路工程实测实量评分表附表四(沥青)
页脚内容63
检查人: 年月日
市政道路工程实测实量评分表附表四(沥青)
页脚内容63
检查人: 年月日
市政道路工程实测实量评分表附表四(沥青)
页脚内容63
检查人: 年月日
市政道路工程实测实量评分表附表四(沥青)
页脚内容63
检查人: 年月日
市政道路工程实测实量评分表附表四(附属)
页脚内容63
检查人:年月日
注:如有其它附属工程可依据行标增加实测项目。
市政道路工程实测实量评分表附表四(附属)
页脚内容63
检查人:年月日
注:如有其它附属工程可依据行标增加实测项目。
市政道路工程实测实量评分表附表四(附属)
页脚内容63
检查人:年月日
注:如有其它附属工程可依据行标增加实测项目。
页脚内容63
市政道路工程实测实量评分表附表四(附属)
检查人:年月日
注:如有其它附属工程可依据行标增加实测项目。
页脚内容63
市政道路工程实测实量评分表附表四(附属)
检查人:年月日
注:如有其它附属工程可依据行标增加实测项目。
页脚内容63
市政道路工程实测实量评分表附表四(附属)
检查人:年月日
注:如有其它附属工程可依据行标增加实测项目。
页脚内容63
市政道路工程实测实量评分表附表四(附属)
检查人:年月日
页脚内容63
注:如有其它附属工程可依据行标增加实测项目。
市政道路工程实测实量评分表附表四(附属)
检查人:年月日
页脚内容63
注:如有其它附属工程可依据行标增加实测项目。
市政道路工程实测实量评分表附表四(附属)
页脚内容63
检查人:年月日
注:如有其它附属工程可依据行标增加实测项目
市政道路工程实测实量评分表附表四(附属)
页脚内容63
检查人:年月日
注:如有其它附属工程可依据行标增加实测项目
市政道路工程实测实量评分表附表四(附属)
页脚内容63
检查人:年月日
注:如有其它附属工程可依据行标增加实测项目
市政道路工程实测实量评分表附表四(附属)
页脚内容63
检查人:年月日
注:如有其它附属工程可依据行标增加实测项目
市政道路工程实测实量评分表附表四(附属)
页脚内容63
检查人:年月日
注:如有其它附属工程可依据行标增加实测项目
市政道路工程实测实量评分表附表四(附属)
页脚内容63
检查人:年月日
注:如有其它附属工程可依据行标增加实测项目
市政道路工程实测实量评分表附表四(附属)
页脚内容63
检查人:年月日
注:如有其它附属工程可依据行标增加实测项目
市政道路工程实测实量评分表附表四(附属)
页脚内容63
检查人:年月日
注:如有其它附属工程可依据行标增加实测项目
市政道路工程实测实量评分表附表四(附属)
页脚内容63
检查人:年月日
注:如有其它附属工程可依据行标增加实测项目
市政道路工程实测实量评分表附表四(附属)
页脚内容63
检查人:年月日
注:如有其它附属工程可依据行标增加实测项目
市政道路工程实测实量评分表附表四(附属)
页脚内容63
检查人:年月日
注:如有其它附属工程可依据行标增加实测项目
市政道路工程实测实量评分表附表四(附属)
页脚内容63
检查人:年月日
注:如有其它附属工程可依据行标增加实测项目
市政道路工程实测实量评分表附表四(附属)
页脚内容63
检查人:年月日
注:如有其它附属工程可依据行标增加实测项目
市政道路工程实测实量评分表附表四(附属)
页脚内容63
检查人:年月日
注:如有其它附属工程可依据行标增加实测项目
市政道路工程实测实量评分表附表四(附属)
页脚内容63
检查人:年月日
注:如有其它附属工程可依据行标增加实测项目
页脚内容63
市政道路工程实测实量评分表附表四(附属)
检查人:年月日
注:如有其它附属工程可依据行标增加实测项目
页脚内容63
市政道路工程实测实量评分表附表四(附属)
检查人:年月日
注:如有其它附属工程可依据行标增加实测项目
页脚内容63
市政道路工程实测实量评分表附表四(附属)
检查人:年月日
注:如有其它附属工程可依据行标增加实测项目
页脚内容63
市政排水工程实测评分表附表六
页脚内容63
检查人:年月日
注:D为管径,当D<700mm时邻管错口不检查,沟渠实测实量表可依据行标按此表替代。
市政排水工程实测评分表附表六
页脚内容63
检查人:年月日
注:D为管径,当D<700mm时邻管错口不检查,沟渠实测实量表可依据行标按此表替代。
市政排水工程实测评分表附表六
页脚内容63
检查人:年月日
注:D为管径,当D<700mm时邻管错口不检查,沟渠实测实量表可依据行标按此表替代。
市政排水工程实测评分表附表六
页脚内容63
检查人:年月日
注:D为管径,当D<700mm时邻管错口不检查,沟渠实测实量表可依据行标按此表替代。
市政排水工程实测评分表附表六
页脚内容63
检查人:年月日
注:D为管径,当D<700mm时邻管错口不检查,沟渠实测实量表可依据行标按此表替代。
市政排水工程实测评分表附表六
页脚内容63
检查人:年月日
注:D为管径,当D<700mm时邻管错口不检查,沟渠实测实量表可依据行标按此表替代。
市政排水工程实测评分表附表六
页脚内容63
检查人:年月日
注:D为管径,当D<700mm时邻管错口不检查,沟渠实测实量表可依据行标按此表替代。
市政排水工程实测评分表附表六
页脚内容63
检查人:年月日
注:D为管径,当D<700mm时邻管错口不检查,沟渠实测实量表可依据行标按此表替代。
市政排水工程实测评分表附表六
页脚内容63。