实例解析桥梁工程横撑安装施工工艺
- 格式:doc
- 大小:19.00 KB
- 文档页数:5
桥梁现浇桁架施工方案1. 引言桥梁是城市道路交通建设中不可或缺的重要组成部分。
桥梁的施工方案对于保证施工质量和工期具有至关重要的作用。
本文将介绍桥梁施工中常用的现浇桁架施工方案。
2. 方案概述现浇桁架是桥梁施工中常用的一种施工方法。
它的结构形式简单、施工周期短、适应性强等特点使得它成为了桥梁施工中的主要选择。
现浇桁架主要由桁梁支撑架、桁梁模板和桁梁钢筋混凝土等组成。
3. 施工步骤3.1 准备工作在进行桥梁现浇桁架施工之前,需要进行充分的准备工作。
包括但不限于:施工图纸的编制、材料采购、施工设备的准备等。
3.2 桁梁支撑架的搭设桁梁支撑架是现浇桁架施工的基础,它主要用于支撑桥梁的主梁。
搭设桁梁支撑架时,需要根据实际情况选择支撑点和梁墩的位置,并且要确保支撑架的稳定性和平整度。
3.3 桁梁模板的安装安装桁梁模板是现浇桁架施工的关键步骤之一。
在安装时,需要按照设计要求进行模板的定位,并保持模板的水平度和垂直度。
同时,还要注意模板的固定,以免在施工过程中发生位移。
3.4 桁梁钢筋布置桁梁钢筋的布置是保证桁梁强度和稳定性的关键。
在布置钢筋时,需要根据设计要求进行钢筋的确定和定位,并保证钢筋的连接牢固。
此外,还要注意钢筋的防锈处理,以提高桁梁的使用寿命。
3.5 桁梁混凝土浇筑在进行桁梁混凝土浇筑时,需要使用具有良好流动性的混凝土,并严格控制混凝土的浇筑质量。
在浇筑过程中,还要注意混凝土的振捣和充实,以确保混凝土的密实度和强度。
3.6 拆除桁梁模板和支撑架桁梁混凝土浇筑完成后,需要进行桁梁模板和支撑架的拆除。
在拆除过程中,要注意安全,防止对已浇筑混凝土的损坏。
同时,还要保证拆除后的结构的稳定性和整体美观。
4. 施工注意事项在进行桥梁现浇桁架施工时,需要注意以下几个方面: - 施工过程中要严格按照施工图纸要求进行施工,确保施工质量的达标; - 要合理安排施工进度,确保施工周期的压缩; - 桁梁模板和支撑架在搭设和拆除时要注意安全,避免事故的发生;- 在施工过程中要保持施工现场的整洁,确保施工环境的良好。
大跨度钢箱梁桥钢管支撑架施工工法一、前言钢箱梁桥是一种应用广泛的大跨度桥梁结构,它采用钢箱梁作为主梁,具有刚性好、荷载能力大等特点。
为了保证钢箱梁桥梁体的稳定性和安全性,钢管支撑架是必不可少的构件之一。
大跨度钢箱梁桥钢管支撑架施工工法就是在建造大跨度钢箱梁桥过程中,对钢管支撑架的施工所采用的一种工艺方法。
二、工法特点大跨度钢箱梁桥钢管支撑架施工工法具有如下特点:1.技术难度大:钢箱梁桥的跨数较大,且有较高的高度,对钢管支撑架的设计、制作和施工要求较高。
2.施工周期长:钢箱梁桥的跨数和高度影响了钢管支撑架的制作以及调整、安装等过程,需要花费较长时间。
3.适应领域广:在跨度较大和地形复杂的桥梁中,该工法应用广泛,能够满足建造不同类型桥梁的要求。
4.材料成本较高:钢管支撑架需选用高强度的钢管,与制作和安装有技术含量的节点、零部件等,因此成本较高。
5.施工难度大:施工过程中存在着构件或者人员坠落、倒塌风险,必须采取一系列安全措施来保障施工人员的安全。
三、适应范围大跨度钢箱梁桥钢管支撑架施工工法适用于跨度超过100米且地形复杂的钢箱梁桥,如板式悬索桥、斜拉桥、悬臂梁桥、拱桥等。
四、工艺原理大跨度钢箱梁桥钢管支撑架施工工法的核心技术在于钢管支撑架的设计,制造和施工。
具体实施时,需按照工法的要求,对施工进行如下措施:1.设计阶段:对钢管支撑架进行详细的结构分析、固有频率计算和考虑风荷载对结构的影响等分析和设计过程。
2.钢管加工:制定施工图纸,对钢筋、钢管、连接件等进行组装加工。
3.安装调整:对已制造完成的支撑架进行在场二次组装、调整,并考虑到现场安装实际情况的调整。
4.防腐处理:进行针对性的防腐处理,防止在长期使用中由于外部自然环境因素而导致的产生的腐蚀等情况。
五、施工工艺大跨度钢箱梁桥钢管支撑架施工工艺包括钢管支撑架制作、调整、安装、防腐等环节。
1.钢管支撑架制作:首先制定支撑架的制作计划和方案,然后加工成形;2.调整:在现场对支撑架进行再次组装和调整,以满足实际施工需要;3.安装:安装支撑架,要求稳固,保证施工中不发生倒塌和其他不良事件;4.防腐处理:根据现场环境,对支撑架进行针对性的防腐处理,以达到延长使用寿命的目的。
现浇桥梁支架整体横移施工工法现浇桥梁支架整体横移施工工法一、前言现浇桥梁支架整体横移施工工法是一种用于大跨度桥梁的创新施工方法,通过整体横移的方式,将桥梁支架逐渐推进至最终位置。
本文将详细介绍该工法的特点、适应范围、工艺原理、施工工艺、劳动组织、机具设备、质量控制、安全措施、经济技术分析和工程实例。
二、工法特点现浇桥梁支架整体横移施工工法具有以下特点:1. 提高施工效率:通过整体横移方式,避免了传统的逐跨施工,节约了大量时间。
2. 减小对交通的影响:整体横移施工过程中,桥梁支架可以在较短时间内完成从临时位置到最终位置的移动,对交通影响较小。
3. 降低建设成本:整体横移施工工法减少了臂架或支架的使用量,节约了施工材料和人力成本。
4. 适应大跨度桥梁:该工法适用于大跨度桥梁,可以提高施工的稳定性和安全性。
三、适应范围现浇桥梁支架整体横移施工工法适用于以下情况:1. 大跨度桥梁:支架整体横移施工工法适用于大跨度桥梁的施工,可以减少施工周期和成本。
2. 承重条件好:支架整体横移施工需要较好的地基承载能力,以保证横移过程的稳定性。
3. 交通条件允许:支架整体横移施工需要有足够的施工空间和合理的交通组织,以确保施工安全。
四、工艺原理现浇桥梁支架整体横移施工工法依据桥梁支架与横移装置的相互作用关系,通过移动装置对支架进行横移,完成桥梁的整体移动。
该工法采取以下技术措施:1. 设计横移通道:根据实际情况,确定合适的横移通道,并在桥梁两侧设置临时支撑和辅助结构。
2. 使用横移设备:选择适当的横移设备,如液压顶推式或自推式装置,通过对支架施加推力,实现整体横移。
3. 控制横移速度:根据桥梁结构和施工要求,合理控制横移速度,保证施工中的安全和稳定。
五、施工工艺现浇桥梁支架整体横移施工工法包括以下施工阶段:1. 准备工作:清理横移通道,安装支撑结构和辅助设备。
2. 浇筑支墩和承台:根据设计要求,先逐跨浇筑支墩和承台,保证施工的连续性。
某高速公路 D 合同段, K23+340 为一座桥跨结构为 30m 的连续箱梁,桥高21 米,共计 32 片箱梁,单梁约重 80 吨,该桥右侧为一大块麦地,经理部布置为预制场。
确定的预制安装施工方案为:设 32 个台座,全部预制完成后,采用 130 吨吊车装就位。
工程部门作出主要施工方案如下:1、人工清表 10cm,放样 32 个台座,立模,现浇 15m 厚 C20 砼,埋设对拉杆预留孔,台座顶面撒水泥抹光平整。
2、外模采用已经使用过的同尺寸箱梁的定型钢模板,内模采用木模外包镀锌铁皮,所有模板试拼合格。
3、底模上铺一层硬质复合胶板,在胶板上制作钢筋骨架。
为了钢绞线准确定位,将钢绞线绑扎成束,穿入圆形波纹管中,在钢筋骨架制作过程中按设计坐标固定在钢筋骨架上。
钢绞线下料长度考虑张拉工作长度。
4、安装端模板和外侧钢模,监理工程师检查允许后,砼吊装入模。
先浇底板砼,再安装内模,后浇侧墙和顶板,均用插入式振捣棒振捣密实。
满足强度要求时,拆除内模,浇筑封端砼,履盖养生 7 天。
5、强度达到规定要求后,进行张拉%考试大%作业。
千斤顶共 2 台,在另一工地上校验后才使用一个月,可直接进行张拉控制作业。
计划单端张拉,使用一台千斤顶,另一台备用。
6、按设计提供的应力控制千斤顶张拉油压,按理论伸长量进行校核,双控指标严格控制钢绞线张拉。
保证按设计张拉应力匀速缓慢增加,张拉到设计应力相应油表刻度时,即将锚固。
7、拆除张拉设备,将孔道冲洗干净,吹除积水,及早压注水泥浆。
压浆时使用压浆机从梁的一端向另一端压浆,当梁的另一端流出浓浆时,阻塞压浆孔,稳压 1 分钟后,封闭压浆端浆孔。
8、按要求养生,当水泥浆强度满足设计要求后,可移运吊装。
[问题]:请你指出写明的方案中的不当之处,并说明理由。
.[参考答案]:1、人工清表后应当对台座地基夯实,并合理设置排水沟,台座应当按要求设置预饶度。
2、钢筋骨架的保护层应严格控制。
3、砼浇筑时,应以紧固安装在侧模外侧的附着式振捣器为主,插入式振捣棒为辅。
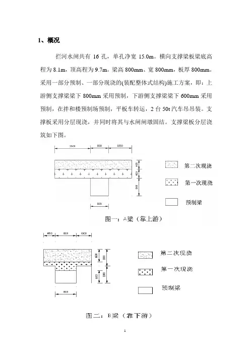
1、概况 、拦河水闸共有 16 孔,单孔净宽 15.0m。
横向支撑梁板梁底高 程为 8.1m,顶高程为 9.7m。
梁高 800mm、宽 800mm,板厚 800mm。
采用一部分预制、一部分现浇的(装配整体式结构)施工方案,即:上 游侧支撑梁梁下 800mm 采用预制,下游侧支撑梁梁下 600mm 采用 预制,在拌和楼预制场预制,平板车转运,2 台 50t 汽车吊吊装。
支 撑板采用分层现浇,并同时将其与水闸闸墩固结。
支撑梁板分层浇 筑如下图。
12、施工程序 、水闸闸墩顶横向支撑梁板采用“先预制、后吊装、再现浇固结” 的施工方法,其具体施工程序如下:横向支撑梁预制横向支撑梁吊装横向支撑梁板现浇固结3、施工方法 、3.1 横向支撑梁预制 横向支撑梁预制梁每孔 2 条,共 32 条,上游侧梁尺寸为 800× 800×16000mm,重量约为 25.6t,满足 50t 汽车起重机吊装要求;下 游侧梁尺寸为 800×600×16000mm,重量约为 19.2t,满足 50t 汽车 起重机吊装要求。
为方便现浇部分施工,在预制梁底上来 300mm 处 按 500mm 间距预埋φ70PVC 管,在管两侧各增加 2φ8 箍筋,尺寸 与支撑梁相同,用于横穿钢管,作现浇部分模板支撑用。
砼强度为 C30,预制梁梁底配筋验算及抗剪验算均满足要求,详见附件。
3.1.1 预制场地及台座施工 预制场场地压实平整后,浇筑 10cmC10 砼,场地内设纵、横伸 缩缝,分缝宽 2cm,采用杉板填缝。
预制梁台座施工先进行测量放样,定位后用砖砌筑预制场台座,2砖面抹水泥砂浆,面铺一层夹板,并做预制梁起拱高度,根据相关设 计规范,起拱度为跨度的 1/600~1/400,即 2.6~4.0cm,本处取 3.0cm; 在台座的施工过程中,应用水平管在台座的两端找平,中间保证起拱 高度,并保证起拱后与两端平滑过度。
桥梁工程施工方法及施工工艺
1.桥墩的施工方法和工艺:
桥墩是桥梁的承重结构,一般采用混凝土浇筑的方式进行施工。
具体步骤如下:
1)桥墩基础施工:首先在桥墩位置挖开河床或地面,然后进行基础的打桩或者灌注桩工作,使桥墩的基础牢固稳定。
2)桥墩模板的搭设:根据桥墩的设计图纸,在基础上进行模板的搭设,用于固定混凝土的浇筑。
3)钢筋的安装:按照设计要求,将预先制作好的钢筋网卷成桥墩形状,安装在模板内。
4)混凝土的浇筑:在钢筋安装完毕后,进行混凝土的浇筑。
一般采用泵车将混凝土运送至模板中,然后通过振动器进行振动,使混凝土充分填充钢筋网,并且排出气泡,提高混凝土的质量。
5)模板拆除:待混凝土养护完毕后,拆除模板,对桥墩进行养护。
2.桥面的施工方法和工艺:
桥面是桥梁上行车的部分,一般采用沥青铺设的方式进行施工。
具体步骤如下:
1)前期准备:确定桥面的设计图纸和厚度要求,清理桥面的杂物,打磨平整坑洼的地面。
2)涂刷底漆:在桥面地面上涂刷一层底漆,提高地面与沥青的黏附性。
3)沥青铺设:将热沥青运送至桥面地面,用推土机均匀地将沥青铺平,然后用辊压机进行整平和压实。
最后使用抹路机将沥青表面进行修整,使其平整光滑。
4)刨花铺装:在沥青表面撒上较厚的刨花,使桥面具有防滑效果。
5)标线标线:桥面完成沥青铺装后,进行标线的绘制,以指导行车。
永胜特大桥边跨现浇支架整体横移施工技术简介摘要:以节约材料,加快施工进度为目的,永胜特大桥边跨现浇段左幅支架施工采用横移,横向方案,直接使用右幅原有支架。
大大加强了施工效率,同时减小了高空作业的危险性。
关键词:钢管支架,整体横移1.工程概述永胜特大桥主跨为(115+206+115)m预应力混凝土连续刚构桥,为广珠西线二期控制性工程。
左右幅分离式,单幅桥宽16.3m。
边跨现浇段长10.51m,截面中心梁高4.5m,重量约488.3t;合拢段长2.5m,截面中心梁高4.5m,重量约90.7t。
边跨现浇段和合拢段均采用钢管支架施工,混凝土分别采用两次和一次浇筑完成。
箱梁分左右幅,工程实际情况为先施工右幅现浇段和边跨合拢段。
在该特大桥的左幅边跨支架现浇施工中,采用了右幅支架横移,成功将右幅支架横向移动17m后就位,进行右幅的边跨施工,减少了施工材料,同时也加快施工进度。
本文就该特大桥的边跨现浇段支架整体横移施工技术进行介绍,并提出在此期间应注意的主要问题。
2.横移支架及加固2.1.横移基础处理该特大桥边跨现浇段和合拢段采用钢管支架施工,钢管支架高度约24m,搭设难度较大,且存在高空作业的危险性。
在该桥右幅边跨现浇段施工时,支架采用纵向两排设置,第一排支架6条钢管,第二排支架4条钢管。
第一排支架的基础采用φ1000×8mm或φ920×8mm或φ820×8mm的打入钢管桩;第二排支架立于边墩的承台上,通过承台上的预埋钢筋混凝土小承台作为基础。
在支架的钢管桩基础两侧浇筑80×80×50cm 的素混凝土作为扩大基础,间隔为1m,标号为C25,扩大基础顶面与牛腿底面间距为60cm左右,可放入45工字钢轨道梁。
混凝土扩大基础要求顶面平整。
根据地质情况,该桥每条钢管桩打入土中平均深度为27m,采用90t振锤施打,以最后的沉桩速度不大于5cm/min的贯入度控制。
2.2.横移支架搭设钢管支架采用φ525×8mm的钢管,单根长度为24m左右,立于基础上,每条支架之间采用2[28槽钢、φ325×7mm的钢管作为横向联系,支架钢管顶放置盖板和工字钢,横、纵向贝雷承重梁,在贝雷梁上铺设分布梁和模板。
桥梁桁架支撑施工方案桥梁桁架支撑施工方案一、施工前准备工作:1. 确定施工图纸和设计方案,了解工程的施工难点和特殊要求。
2. 梳理施工工序和施工流程,编制详细的施工计划。
3. 购买或租赁必要的施工设备和材料,确保施工能够顺利进行。
4. 安排技术人员和施工人员进行培训,确保施工人员熟悉施工流程和操作要求。
二、桁架搭设:1. 桁架的搭设一般采用现场焊接方式,首先搭设主梁桁架,再搭设次梁桁架。
2. 搭设主梁桁架时,先在桥梁两侧设置合适的支撑点,以支撑桁架的重量。
然后按照设计图纸的要求将主梁桁架部件逐个安装,并使用合适的连接件连接起来。
3. 搭设次梁桁架时,首先确定次梁的跨度和位置,然后按照主梁桁架的位置进行搭设,并使用合适的连接件将次梁和主梁连接起来。
4. 在搭设桁架的过程中,应注意工人的安全,严禁高处作业时候没有安全带。
三、桁架支撑:1. 安装支撑设备,根据设计要求选择合适的支撑方式和支撑材料。
2. 根据桥梁结构的形式和要求,选择合适的支撑点,并合理设置支撑件。
3. 桁架支撑在搭设完成后,应进行必要的调整和检查,以确保桥梁的稳定性和安全性。
四、施工完工及交接工作:1. 完工后,进行验收工作,对桥梁的结构和质量进行检查,确保达到设计要求和相关标准。
2. 进行相关整理工作,清理施工现场,恢复原状。
3. 编制施工记录和验收报告,将相关资料归档保存。
总结:桥梁桁架支撑施工方案需要合理安排施工流程,确保施工安全和质量。
施工前需要进行详细的准备工作,包括施工图纸和设计方案的确定,施工计划的编制,设备和材料的准备等。
在桁架搭设过程中,需要注意工人的安全,并按照设计要求进行安装和连接。
桁架支撑要根据桥梁结构的特点选择合适的支撑方式,进行必要的调整和检查。
施工完工后,进行验收和整理工作,保证桥梁的稳定性和安全性。
桥梁现浇箱梁桁架式支撑体系施工工法标题:桥梁现浇箱梁桁架式支撑体系施工工法一、前言桥梁现浇箱梁桁架式支撑体系施工工法是一种用于施工桥梁现浇箱梁的支撑体系工法。
本文将介绍该工法的特点、适应范围、工艺原理、施工工艺、劳动组织、机具设备、质量控制、安全措施、经济技术分析以及工程实例。
二、工法特点1. 施工工期短:该工法采用模块化设计和预制装配的方式,减少现场施工工程量,可显著缩短施工周期。
2. 结构稳定性强:桥梁现浇箱梁桁架式支撑体系能够提供良好的支撑和稳定性,确保施工过程中箱梁的稳定性和安全性。
3. 工法适应性强:适用于各类桥梁现浇箱梁的施工,包括跨度大、高度变化大、梁体截面形状复杂等情况。
4. 施工质量高:工法采用精细化施工和可重复使用的支撑体系,确保施工质量符合设计要求。
三、适应范围该工法适用于各类公路、铁路桥梁的现浇箱梁施工,尤其适用于跨度大、高度变化大、梁体截面形状复杂等情况的桥梁。
四、工艺原理该工法通过预制桁架支撑体系,配合合适的脚手架和支撑装置,提供稳定的支撑体系,将浇筑的箱梁承载到设计位置。
工法采用的技术措施包括钢结构预制、底模安装、箱梁浇筑、脱模、调整、拆除等。
五、施工工艺1. 桁架制作:按照设计要求,预制桁架的构件和节点。
2. 底模安装:搭设合适的脚手架和支撑装置,将底模安装在支撑体系上,保证箱梁的准确定位。
3. 箱梁浇筑:根据设计要求,进行箱梁的混凝土浇筑,并在浇筑过程中进行振捣和养护。
4. 脱模调整:待混凝土达到强度要求后,进行脱模和调整工作,确保箱梁的尺寸和位置符合设计要求。
5. 拆除支撑:经过调整后,拆除桁架支撑体系。
六、劳动组织根据施工工艺和工期要求,合理安排施工人员,制定详细的施工计划,确保各个施工阶段的顺利进行。
七、机具设备该工法所需的机具设备包括:电动齿轮脚手架、液压千斤顶、起重机械、振捣设备、混凝土搅拌站等。
八、质量控制质量控制措施包括首件测量、模板检查、混凝土强度检测、尺寸检测等,确保施工质量符合设计要求。
现浇支架整体横向平移施工工法现浇支架整体横向平移施工工法一、前言现浇支架整体横向平移施工工法是一种在混凝土施工中常用的技术,它通过整体横向移动支架来实现连续施工,提高工程进度和施工效率。
二、工法特点1. 可大幅度提高施工效率:整体平移支架可以在摸模完成前实现连续浇筑,节省了施工时间,缩短了工期。
2. 施工质量可控:施工过程中可以通过调整支架的水平度和垂直度等参数进行精确控制,确保施工质量。
3. 适应不同高度和结构形式:该工法适用于各种高度和结构形式的混凝土构件施工,提高了施工的灵活性和适应性。
4. 减少人工劳动强度:工法中使用的整体平移支架可以减少人工劳动强度,提高工作效率。
5. 减少模板使用:由于整体平移支架有效控制了浇筑的连续性,可以减少模板和支撑材料的使用。
三、适应范围现浇支架整体横向平移施工工法适用于单体建筑物的混凝土结构工程,如高层建筑、桥梁等。
四、工艺原理该工法的原理是将整体平移支架安装在施工现场,通过调节支架的水平度和垂直度,使其与已浇筑的混凝土结构平整相连,然后通过横向平移支架以连续的方式进行混凝土浇筑。
支架的平移可以通过液压和机械传动实现。
五、施工工艺1. 搭设支架:根据设计要求,搭设整体平移支架系统,确保支架的稳定性和完整性。
2. 调整水平度和垂直度:使用水平仪和垂直仪等测量工具对支架进行调整,保证支架与已浇筑的混凝土结构平整相连。
3. 制作浇注模板:根据设计要求制作浇注模板,确保混凝土能够顺利浇注。
4. 进行混凝土浇筑:使用泵车将混凝土送入浇注模板,保证浇注的连续性和稳定性。
5. 横向平移支架:待混凝土达到一定强度后,使用液压或机械设备将支架整体横向平移,为下一次浇筑做准备。
六、劳动组织在施工过程中,需要组织工人进行支架的搭设、浇筑模板的制作、混凝土浇筑等工作。
根据工程规模和进度安排人力资源,确保施工的顺利进行。
七、机具设备该工法所需要的机具设备主要包括整体平移支架、液压设备、泵车、水平仪、垂直仪等。
黄龙特大桥50mT梁墩侧现浇横移架设施工技术摘要:在桥梁工程施工中,T梁预制经常会受到场地狭小或没有吊装设备,而构建重量又特别大的情况,T梁横移技术显示出优越的效益性与适应性。
关键词:预制平台现浇;大跨度T梁;横移技术Abstract: in the bridge construction, T precast beams often get the narrow or not lifting equipment, and building weight and special big, T beam move transversely technology shows superior profitability and adaptability.Keywords: precast platform cast-in-situ; Big span T beam; Move transversely technology随着我国公路桥梁建设的不断发展,一座座大型桥梁应运而生。
而为了保证跨越需求,在技术经济指标取优的前提下常会把结构设计为大跨径T梁,但有许多桥梁T梁总跨数并不多。
通常只有跨路,跨河堤等情况下有小数的几跨。
作为桥梁来说,一般跨径越大单位造价就越高,因为按照常规建设预制场的方法施工,要制作预制场,要投人大型龙门吊及大吨位架桥机。
如预制梁的工程量少,预制场的投入和产出不成正比,成本必然上升。
再加上桥梁建设特别是城市桥梁建设预制场建设场地面积不足的问题经常困扰着施工单位。
为了解决这些问题,这就促使墩顶现浇横移技术的出现并越来越受到人们的重视和运用。
工程概况广东省佛山市顺德区黄龙特大桥属佛山一环南延线跨越顺德水道的特大桥,其中跨越水道北岸河堤引桥为3×50m先简支后连续预应力混凝土T梁,单跨总片数为20片,T梁总数量为60片。
T梁梁高2.8m,混凝土标号为C55,单片T 梁预制最大混凝土方量为64.95m3,重量则约为169t。
黄河特大桥主桥墩横撑施工方案1、工程概况黄河特大桥4#~7#墩设计每墩两道横撑,每道横撑由上下两层,净距2.4m。
5#、6#墩两墩之间横撑尺寸为5.35m×7.6m,墩内部横撑尺寸5.2m×7.6m,均厚60cm。
4#、7#墩两墩之间横撑尺寸为5.35m ×6.1m,墩内部横撑尺寸5.2m×6.1m,均厚60cm。
4#墩第一道横撑设置在距离承台42m处;5#、6#墩第一道横撑设置在距离承台48m处;7#墩第一道横撑设置在距离承台42m。
墩内横撑与墩柱同时施工,模板爬升以后施工墩间横撑,施工时,预留孔洞穿钢棒作为支撑,搭设施工平台,上层施工利用下层作为平台搭设支架支撑。
2、横撑施工方案2.1、墩内横撑施工墩内横撑施工采用液压爬模外模为模板,横撑与墩身砼一起浇筑,施工时分两次浇筑,第一次浇筑至第二层横撑倒角底,浇筑高度3m,第二次浇筑至本次爬模顶,浇筑高度3m。
2.1.1横撑底层施工待上模砼浇筑完成后,绑扎横撑处墩身钢筋,将已经加工好的槽钢桁架吊装,并与主筋焊接。
桁架顺桥向7.6m按照间距40cm均布18道(6.1m均布14道),两端倒角部分焊接钢筋作为底模支撑。
420[14槽钢桁架桁架焊接完成后,铺设竹胶板底模。
安装横撑钢筋,横撑通长主筋N2加工时,单根按照6.9m下料,一端套半丝将套筒拧上并将套筒包住,安装时,套筒端紧靠模板。
倒角钢筋提前预埋并弯折放在墩柱主筋内侧,绑扎横撑钢筋时再将其顺直。
安装模板时注意D80cm 人洞的预留。
之后进行砼浇筑。
横撑与墩身砼同步浇筑,浇筑至横撑第二层倒角底,浇筑高度3m。
2.1.2横撑顶层施工横撑顶层施工时,利用底层作为支撑,搭设钢管架,顺桥向,钢管架间距90cm,横桥向间距60cm,钢管单根长2m,搭设两层水平钢管,层距离1.2m,在四周及中间搭设剪刀撑。
钢管顶端安装顶托,用于支撑方木作为分配梁,调节顶托铺设竹胶板作为底模,注意人洞预留,为了方便竹胶板、钢管等材料吊出,人洞可以适当扩大至D125cm。
通用泊位现浇横撑立柱及横梁施工方案1.1、施工流程图1.2、施工方法横梁底模安装横梁钢筋绑扎横梁侧模安装横梁砼浇筑砼拆模养护测量放线横撑、立柱主筋调直、绑扎模板安装脚手架安装现浇砼砼搅拌、运输砼养护、拆模所有钢筋在现场加工、通过临时施工道路运至各个部位进行绑扎,柱模板采用定型钢模板,横梁模板采用胶合板,砼在现场搅拌站搅拌后用砼运输车运至各浇筑点进行浇筑。
1、钢筋绑扎与安装A、柱钢筋绑扎采用现场绑扎方式,柱钢筋加工好后用人工运至现场,利用门式脚手架进行绑扎。
柱主筋在地梁浇筑前已经预埋,测放桩边线后,要检查柱钢筋的偏位情况,如偏位超出允许范围,要对钢筋进行调整。
柱箍筋的接头要交错排列,垂直放置,箍筋与竖向钢筋交叉点均要扎牢。
柱钢筋极易偏位,施工中要采取措施进行控制,除全部交叉点要扎牢外,严格控制柱钢筋保护层厚度,可在柱上下各用两条互相垂直的长度等于柱直径的Φ12钢筋点焊固定在柱箍筋上,两条Φ12钢筋中心和柱箍筋圆心重合,用于控制柱的钢筋保护层厚度。
B、横梁钢筋绑扎采用现场绑扎方式,钢筋在现场加工好后运至现场用绑扎,梁箍筋的接头交错设置,并与两根架立筋绑扎,支座四分之一范围内接头在下,跨中接头在上,悬臂梁则箍筋接头在下。
C、钢筋连接立柱主筋采用通长钢筋,横梁主筋采用单面焊连接,钢筋焊接和绑扎严格按照设计和规范要求执行。
D、钢筋的保护层保护层厚度设置砼垫块控制,砼垫块的强度和密实性不低于构件本体混凝土。
在浇注砼时注意上部钢筋有否被踏踩造成弯曲下垂或移位,如发现此现象,立即停止砼浇注,采取措施修正后方可继续进行砼浇注。
E、控制要求①检查钢筋出厂合格证及物理性能试验报告,对锈蚀比较厉害或物理性能检验不合格的钢筋不使用。
②钢筋的接头按设计图纸要求,图纸没有提出具体要求的钢筋接头按JTJ268-96中6.5执行。
③采用绑扎接头时,受力钢筋在同一截面内的接头面积占受力钢筋面积的百分数:受压区不得大于25%,而且构件中非同一截面的接头,其距离不得小于搭接长度。
铁路桥梁刚架墩横撑施工方法及工艺施工安全、技术交底记录表工程名称: 编号:分项工程名称交底人交底日期系梁长度4.2m扣件式支架布置立面图交底内容:铁路桥梁刚架墩横撑施工方法及工艺1、本桥X#墩为刚架墩并设置横撑~采用膺架法施工。
采用墩身预埋牛腿支撑。
横撑施工时~临时支墩采用I40a工字钢预埋在墩身内作为牛腿~牛8026080腿在墩身的预埋深度为1.4米~伸出长度为0.6米~I40a工字钢布置间距为152*306*452*30150.75米~主横梁采用I40a工字钢~底模采用15mm厚?类竹胶模板~采用6×8cm方木、10×8cm方木及钢管支架作为支承结构.2、构件详细安装图~如下所示:42080301302020903036040401010140601402020200200注:1、标注单位为厘米。
4.4*4.2扣件式支架横向分配梁布置平面图152*306*452*301517440179*458026080420注:1、标注单位为厘米。
2、横向分配梁采用80mm*100mm方木。
3、预埋件制作与安装临时支墩采用I40a工字钢预埋在墩身内作为牛腿~牛腿在墩身的预埋深度为1.4米~伸出长度为0.6米。
I40a工字钢布置间距为0.75米~预埋孔洞采用全封闭式内径1400×142×400mm的木盒子~墩身混凝土浇注前安装在墩身内~调整每个盒子的间距并加固牢靠~即浇注墩身砼~待墩身砼达到拆模强度后~拆模打通木盒子即可。
4、操作平台搭设纵桥向横撑两侧在主横梁I40a工字钢上焊接钢管搭设平台~在钢管上铺设竹跳板形成工作平台~四周搭设钢管柱并焊接牢固~装好防护网。
横桥向横撑两侧借用两侧的墩身工作平台~并搭设钢管架将两侧墩身平台联系起来形成环绕整个横撑的通道。
5、模板及支架的拆除待横撑砼达到拆模强度后~按照“从上到下~后搭先拆”的原则~按照立模的反程序进行拆除。
拆除作业应至上而下进行~不得上下多层交叉作业~落架后~先拆侧模、底模后拆支架~纵、横桥向两侧均对称拆除~拆除的模板及支架堆码整齐~经检查维修后转到下一个工作面使用。
横抬梁施工方案横抬梁是桥梁施工的一个重要阶段,也是整个桥梁建设过程中的关键环节。
横抬梁施工的质量和效率直接影响到桥梁的安全性和使用寿命。
本文将介绍横抬梁施工的基本内容和方案设计。
概述横抬梁是指将预制好的桥梁构件横向吊装安装到桥墩上的操作过程。
横抬梁施工需要考虑吊装设备、梁体的稳固性、施工安全等因素。
在施工过程中,需要严格按照设计方案进行操作,确保桥梁的施工质量。
施工准备工作在进行横抬梁施工前,需要进行充分的准备工作。
首先要对施工现场进行勘察,确定施工方案。
其次要准备好吊装设备,包括吊车、起重机等。
另外还需要准备好合适的梁体固定和支撑设备。
施工步骤1. 梁体吊装首先将梁体从预制厂家运输到现场,并进行吊装作业。
吊装时要注意吊装点的选择,确保梁体能够平稳、安全地吊装到位。
2. 梁体横移将梁体吊装到适当位置后,需要进行横移操作,将梁体准确地移动到桥墩的预定位置。
在横移过程中要注意避免碰撞和损坏梁体。
3. 梁体安装最后将梁体安装到桥墩上,确保梁体与桥墩之间的连接牢固可靠。
安装完成后,需进行验收检查,确保梁体安装正确、稳固。
施工安全横抬梁施工是一个涉及高空、重物的危险作业,需要严格遵守安全规范和操作规程。
在施工现场要设置安全警示标志,保持施工现场整洁有序,确保作业人员的安全。
结语横抬梁施工是桥梁建设中不可或缺的重要环节,只有做好施工准备、严格按照方案操作,保障施工安全,才能确保桥梁的质量和安全性。
希望通过本文的介绍,能够对横抬梁施工有一个更加全面的了解。
第一部分、概述1.1 工程简介排调河1#特大桥主墩为双肢薄壁墩,两肢间采用二道混凝土横撑进行连接,尺寸为12m×7m×1m,从墩顶至下每35m设置一道。
也送坡特大桥,主墩为双肢薄壁墩,两肢间采用一道混凝土横撑进行连接,横撑设置于桥墩中间高度,尺寸为12m×7m×1m。
由于桥梁施工工期紧张,横撑施工位置高,为保证施工进度的同时,保证施工质量,横撑施工采用栓钉支架法进行施工。
1.2施工前的准备工作1、人员组织横撑施工前首先对所有参与施工的人员进行严格技术交底,其次严格划分人员作业责任表,保证现场每一施工工序都有主要施工负责人进行现场管理和技术指导工作。
每墩施工人员配备2、材料组织在砼灌注前将所有材料按量运送至现场,并保证有一定的富余。
特别是石子,按要求严格控制其含泥量;砂子、水泥、等地材由物资部门提前与生产厂家联系提供保证施工中有充足的供应。
3、机械设备砼施工前对拌和站、砼输送设备、振动棒、电路进行全面检查,并进行调试,保证其在施工过程中的正常运转,并对易损坏部件提前购置备用件。
具体施工机械设备见《横撑施工主要机械一览表》横撑施工主要机械一览表第二部分、施工方案施工中,首先在浇注墩身至横撑底时,预留栓钉孔;安装隔板、横撑托架,浇注混凝土后,再继续施工墩身。
横撑与隔板均为一次灌注成型,灌注高度为1.0米。
(具体内容见附图)1,总体方案1)、浇注横撑下方墩身时,在每肢横撑及隔板底面下方58cm处,于墩身侧壁预埋9cm直径PVC管,预埋PVC管内灌沙,以防止混凝土浇筑时导致PVC管破裂、上浮;并在预留孔处,为保证后期安装的钢棒不至于压裂墩身砼,增加双层网格10cm*cm的Ф12钢筋网对墩身混凝土进行补强。
在穿入钢棒时,钢棒下垫铁楔,以保证施工时钢棒不至于外滑。
2)、利用在已浇墩身段位于隔板底面以下的1.8使用Ф28、长 5.6m螺纹钢,0m处采用PVC管预留的孔洞使用使用Ф28、长5.6m螺纹钢,进行对拉后,上铺竹跳板作为横撑模板安装、拆卸平台。
实例解析桥梁工程横撑安装施工工艺
工程概况
山东省滨州市工业区1桥是跨越纳潮河的一座特大型桥梁,工程范围长约2.35km,其中桥梁工程范围长约2.02km。
主桥为跨径138m+138m的独塔单索面钢箱叠合梁斜拉桥,桥宽40m,采用塔梁分离体系。
索塔总高117.403m,按结构变化可分为塔座(下塔柱底面以下)、下塔柱(横梁顶面以下)、中塔柱(横梁顶面以上、索塔锚固区以下)、上塔柱(索塔锚固区)、塔顶区(索塔锚固区以上)四部分。
斜拉索为平行镀锌高强钢丝,呈扇形布置。
主桥索塔风缆结构,横撑参数。
2横撑安装
根据施工图设计要求,横撑采用优质的钢管加工,在厂内加工完成后进行无损探伤检查,并按照防腐工艺标准进行防腐涂装。
横撑加工过程中结构尺寸的准确性是其关键控制工序,必须确保现场安装、定位顺利进行,满足设计的误差要求。
2.1横撑加工制作技术要求
(1)进场材料必须进行检测,存在质量问题、与设计图纸不符、非国标材料禁止使用。
(2)下料时,随时对下料材料长度进行复查,保证下料长度精确无误。
(3)焊接由有焊接证书的人员进行;焊接前将预埋件表面杂物及横撑环口油漆清理干净;焊接完成后及时对焊缝进行检测、涂装。
(4)防腐涂装时进行喷砂除锈,除锈等级满足防腐涂装工艺要求;不易涂装的部位人工进行涂装。
2.2安装准备
(1)安装前熟悉图纸、了解施工工艺、弄清节点构造、掌握施工方法,注意构件的安装顺序和节点的连接形式及技术要求。
(2)严格执行安全技术交底,并对所有作业人员进行岗前培训,确保安装精度满足设计要求。
(3)安装前将所用材料、设备及临时用机具准备齐全,并吊至安装施工平台。
(4)安装前检测预埋件的中心位置是否准确,以预埋件的中心来控制横撑的空间位置。
(5)安装前将预埋件灰尘及横撑环口油漆清理干净,保证焊接质量达
标。
2.3安装方案
由于风缆结构安装与塔吊的拆除有冲突,风缆横撑结构安装采用两种方案进行:
1)右幅横撑1及左幅横撑1至横撑4采用塔吊直接进行安装;
2)右幅横撑2至横撑4采用塔内安装小型卷扬机、配合滑轮组进行安装,风缆采用卷扬机牵引与汽车吊配合安装。
索塔塔吊1台,规格为350tm,在整个索塔施工过程中利用率较高。
但风缆结构的安装影响到塔吊的拆除。
综合考虑诸多影响因素,塔吊布置在横桥向塔柱西南侧。
2.4安装施工要求
2.4.1焊接施工平台
在横撑预埋件附近搭设站人小平台进行焊接作业,焊接施工平台采用型钢加工而成。
根据该桥索塔横撑的结构特点,焊接作业量较小,故焊接平台无须太大(1.5m2m),满足施工所需空间即可。
焊接施工平台完成后进行安全检查,确认安全可靠后进行横撑焊接作业。
施工平台只是为横撑焊接施工提供一个操作平台,不做任何临时吊装用,需从塔柱施工爬梯或利用塔吊吊篮将作业人员吊上施工平台,搭设的平台必须
安全、稳定并能满足施工所需空间。
2.4.2安装技术要求
(1)安装时横撑与预埋件靠拢时严禁撞击,以免造成横撑晃动、倾斜,测量定位完成后及时进行焊接固定。
(2)为了防止焊接结束横撑略向下挠,安装时横撑另一端头略抬高5mm。
(3)焊接完成后对焊缝进行无损探伤,并作防腐涂装。
(4)风缆结构安装属于高空作业,严禁大风、大雾等天气进行安装作业。
2.5施工工艺流程及步骤
(1)横撑安装、定位。
为了便于横撑精确定位,吊装时要保持横撑水平,提前标出预埋件的中心位置。
横撑与预埋件完全吻合时,检测横撑端口的中心线是否准确、高程是否一致。
为了防止焊接结束横撑略向下挠,安装时横撑的端头略抬高5mm。
测量组要做好现场监控记录,为风缆安装及张拉提供可参考的原始资料。
(2)横撑焊接。
横撑测量定位完成后,为防止其晃动,要及时进行焊
接固定。
为提高作业效率,采用2台焊机同时进行对称焊接作业。
焊接过程中对横撑进行跟踪观测,防止局部受热导致偏移。
大风、大雾、阴雨等天气严禁进行焊接作业。
(3)焊缝检测。
焊接完成后对焊缝进行超声波无损探伤检测,发现问题及时处理,确保焊接质量满足技术要求。
(4)焊缝涂装。
主要针对横撑与预埋件环口焊缝部位及安装过程中漆膜损坏部位进行补涂,涂装前要对焊缝进行除锈处理。
(5)施工记录。
由于横撑安装施工技术要求较高,对施工过程要作记录,包括施工时间、施工人员、施工工序、施工温度、监控数据等,并对特殊情况加以详细说明。
(6)安装完成。
安装完成后及时填写参数表,交工程部保存。
3结语
工业区1桥索塔横撑按上述施工工艺进行安装施工,保证了工程进度,达到了工程质量一次成优的预期目标,也在一定程度上节约了横撑结构施工成本。
通过该工程施工,积累了施工经验,可供类似桥梁工程施工提供借鉴。