泵站设计案例
- 格式:wps
- 大小:871.50 KB
- 文档页数:19
一、佟庄泵站(一)建设概况及缘由侍岭项目区佟庄村地处新沂河南岸,该区地形地势起伏较大,地面高程在22.60m~18.50m之间,现有耕地2008亩,地处灌区末稍,灌溉水源紧缺,用水集中时,区内部分水稻田要等其他区域水稻栽插完成,才有水过来,但水位较低,农民采用小机小泵自提灌溉各家各户农田。
现规划在佟庄排涝沟新建佟庄电灌站,提水灌溉农田,泵站下采用低压管道灌溉区内农田。
因此规划新建佟庄泵站,利用佟庄排涝沟回归水,经泵站提灌后进入管道再入各级田间渠道灌溉区内农田。
(二)设计资料1、设计标准及设计依据根据江苏省水利厅苏水农[2012]32号《关于印发〈江苏省小型灌溉泵站建设标准〉(试行)的通知》查得小型提水泵站的设计灌水率为2.0~4.0 m3/(s·万亩),根据该区实际情况以及区内灌溉经验,取设计灌溉模数q灌=2.9m3/(s·万亩)。
2、设计依据根据《泵站设计规范》(GB 50265-2010)、《灌溉与排水渠系建筑物设计规范》(SL482-2011)等进行本次设计。
3、建筑物级别:根据《水利水电工程等级划分与洪水标准》,佟庄泵站级别为5级,建筑物使用年限为30年。
4、地震设防列度:按《中国地震动参数区划图》(GB 18306-2015)中的《中国地震动反应谱特征周期区划图》(江苏部分)和《中国地震动峰值加速度区划图》(江苏部分)可知,基本地震设计烈度8度,地震峰值加速度0.2g。
5、设计水位:根据5.2.1.2节侍岭佟庄低压灌溉管道工程设计中水位推算成果,选取最不利管线,以此推出的水位31.33m作为泵站出水设计水位,计算泵站扬程。
以排涝沟在灌溉期的低水位作为泵站进水池设计水位,泵站进、出水水位组合如下:管道进口水位: 31.33m 。
进水池:最高水位19.50m ,设计水位19.0m ,最低水位18.80m 。
6、设计流量根据5.2.1.2节确定该站设计流量:Q=0.526m 3/s 。
污水泵站设计实例一、设计步骤1、水泵选择:流量和扬程2、集水池设计:容积、平面尺寸、深度3、泵房布置:机组布置、管道布置、管道敷设4、泵站内部标高确定:集水池池底标高、机器间底板标高、水泵轴线标高等5、绘图:平面图和剖面图二、计算步骤1、水泵设计流量计算2、集水池容积计算3、水泵扬程估算4、选泵5、水泵扬程核算三、设计实例一、自灌式污水泵站(一)设计资料某市新建污水处理厂,经污水泵站将污水提升至沉砂池。
(1)污水最大秒流量为500L/s;(2)进水管管径为800mm,进水管底标高为32.0m,管内污水的充满度为0.7;(3)泵站出水管直接将水送入污水厂的沉淀池,水面标高为41.7m,泵站出水口到沉砂池的距离为80m;(4)泵站选定位置不受附近河道洪水淹没和冲刷的影响,原地面标高为35.8m;(5)地质条件为亚黏土,地下水位标高为30m,冰冻深度为0.75m。
合流制和分流制的比较:环保方面:全部截流式合流制对环境的污染最小;部分截留式合流制雨天时部分污水溢流入水体,造成污染;分流制在降雨初期有污染。
造价方面:合流制管道比完全分流制可节省投资20%~40%,但合流制泵站和污水处理厂投资要高于分流制,总造价看,完全分流制高于合流制。
而采用不完全分流制,初期投资少、见效快,在新建地区适于采用。
维护管理:合流制污水厂维护管理复杂。
晴天时合流制管道内易于沉淀,在雨天时沉淀物易被雨水冲走,减小了合流制管道的维护管理费。
六、排水系统的布置形式(1)正交式地势向水体适当倾斜的地区,各排水流域的干管可以最短距离沿与水体垂直相交的方向布置。
特点:干管长度短,管径小,较经济,污水排出也迅速。
由于污水未经处理就直接排放,会使水体遭受严重污染,影响环境。
适用:雨水排水系统。
(2)截流式沿河岸再敷设主干管,并将各干管的污水截流送至污水厂,是正交式发展的结果。
特点:减轻水体污染,保护环境。
适用:分流制污水排水系统。
(3)平行式:在地势向河流方向有较大倾斜的地区,可使干管与等高线及河道基本上平行,主干管与等高线及河道成一倾斜角敷设。
截污泵站的设计实例一、设计目的及要求在城市污水处理系统中,截污泵站是起到污水收集和输送作用的重要设施。
它能够将污水从低处输送至高处,使得污水能够顺利地流入污水处理厂进行处理。
截污泵站的设计必须要符合相关的要求和标准,以确保其稳定、高效地运行。
二、设计方案1. 泵站选址根据城市污水管网的布局和城市规划,确定截污泵站的选址地点。
选址要考虑到周边的地形和环境条件,以及污水的来源和流向,确保泵站的位置能够最大程度地满足污水收集和输送的需要。
选址还需要考虑到泵站的未来扩建和改造的可能性,以确保选址的合理性和可行性。
2. 泵站结构设计截污泵站的结构设计包括建筑结构、设备安装和管道布置等方面。
建筑结构要满足泵站设备和人员的使用需求,并具有一定的美观性和环保性。
设备安装要考虑到设备的布置和维修保养的便利性,以确保泵站运行的稳定和可靠。
管道布置要合理设计管道走向和连接方式,以降低管道的阻力和能耗,提高泵站的输送效率。
3. 泵的选型根据泵站的设计流量和扬程,选择适合的泵型和规格。
考虑到泵站的运行稳定性和节能性,要选择具有高效、节能、耐磨、抗腐蚀等特点的泵。
要考虑到泵的使用寿命和维护成本,选择具有良好性价比的泵。
在选型过程中,还要考虑到泵的启动方式和自动化程度,以便实现泵站的自动化控制和远程监控。
4. 设备配置截污泵站的设备配置包括主泵、备用泵、电机、控制柜、阀门、仪表等设备。
设备配置要充分考虑设备的性能和稳定性,以及设备的互换性和互补性,确保泵站在发生故障或维修时能够快速切换或替代。
设备配置还要考虑到设备的节能性和环保性,以降低泵站的运行成本和对环境的影响。
5. 自动化控制截污泵站的自动化控制是提高泵站运行效率和节能性的重要手段。
自动化控制包括泵的启停控制、流量调节控制、液位监测控制、故障报警控制等方面。
通过自动化控制,可以实现泵站的远程监控和运行状态的实时监测,及时发现和处理运行异常和故障,确保泵站的安全稳定运行。
泵站设计—以荆门市屈家岭高虎泵站新建工程为例1、兴建缘由屈家岭管理区位于湖北省中心地带,江汉平原北部、大洪山南麓,与京山县、钟祥市、天门市接壤。
屈家岭管理区经济开发区现状防洪靠高湖河和石龙干渠排除洪水,内部排涝通过经济开发区内现有3座排涝泵站将内部雨水排入高湖河。
近几年由于石龙干渠行洪不畅,排洪能力不足,给屈家岭带来了严重的经济损失。
高湖河排区大部涝水为经济开发区,通过对整个排区综合分析,水利局提出在高湖河下游新建一座排涝泵站,重点解决屈家岭开发区的排涝问题,提高整个排区的排水标准。
经政府研究决定,拟实施高虎泵站的建设。
2、设计资料高虎泵站位于屈家岭高湖河与青木垱交汇口,为解决屈家岭开发区内涝问题,拟在高湖河出口新建高虎泵站。
新建的高虎泵站承雨面积为33.24km2,设计流量为20.00m3/s,装机5×280kW,将高湖河涝水通过调蓄后外排至青木垱河入汉北河。
3、水文气象及工程地质屈家岭管理区属亚热带季风气候,温暖多雨,多年平均气温16.2℃,多年平均降雨量1140.2mm,平均降雨日为119.8天,主要集中在5~8月份。
排区十年一遇1日和3日暴雨特征值分别为186.5mm 和230.8mm。
工程地处汉江掩埋二级阶地。
区内地震动峰值加速度为0.05g,地震动反应谱特征周期为0.35s,相应的地震基本烈度为Ⅵ度。
4、工程任务和规模工程任务及主要建设内容本工程主要任务为通过新建高虎泵站提高排区的排涝能力,使城市排涝区达到十年一遇1日暴雨1日排完,农田排涝区达到十年一遇3日暴雨5日排至作物耐淹深度的设计排涝标准。
高虎泵站及配套建筑物全部为新建,包括:进水渠、拦污栅、前池、泵房、电气副厂房、管理房、出水管道、真空破坏阀室、出水池、出水渠道和自排闸、连通闸、连通渠道、南湖围堤。
以及附属设备、辅助设备和电气设备配置、金属结构安装等。
3.2 工程规模按照《治涝标准》(SL723-2016)中关于城市和农田治涝标准的规定:由于排区内已建成开发区面积为12.9km2,占排区总面积比例达38.8%,排区流量分别计算后进行叠加。
污水泵站设计实例一、设计步骤1、水泵选择:流量与扬程2、集水池设计:容积、平面尺寸、深度3、泵房布置:机组布置、管道布置、管道敷设4、泵站内部标高确定:集水池池底标高、机器间底板标高、水泵轴线标高等5、绘图:平面图与剖面图二、计算步骤1、水泵设计流量计算2、集水池容积计算3、水泵扬程估算4、选泵5、水泵扬程核算三、设计实例一、自灌式污水泵站(一)设计资料某市新建污水处理厂,经污水泵站将污水提升至沉砂池。
(1)污水最大秒流量为500L/s;(2)进水管管径为800mm,进水管底标高为32、0m,管内污水得充满度为0、7;(3)泵站出水管直接将水送入污水厂得沉淀池,水面标高为41、7m,泵站出水口到沉砂池得距离为80m;(4)泵站选定位置不受附近河道洪水淹没与冲刷得影响,原地面标高为35、8m;(5)地质条件为亚黏土,地下水位标高为30m,冰冻深度为0、75m。
合流制与分流制得比较:环保方面:全部截流式合流制对环境得污染最小;部分截留式合流制雨天时部分污水溢流入水体,造成污染;分流制在降雨初期有污染。
造价方面:合流制管道比完全分流制可节省投资20%~40%,但合流制泵站与污水处理厂投资要高于分流制,总造价瞧,完全分流制高于合流制。
而采用不完全分流制,初期投资少、见效快,在新建地区适于采用。
维护管理:合流制污水厂维护管理复杂。
晴天时合流制管道内易于沉淀,在雨天时沉淀物易被雨水冲走,减小了合流制管道得维护管理费。
六、排水系统得布置形式(1)正交式地势向水体适当倾斜得地区,各排水流域得干管可以最短距离沿与水体垂直相交得方向布置。
特点:干管长度短,管径小,较经济,污水排出也迅速。
由于污水未经处理就直接排放,会使水体遭受严重污染,影响环境。
适用:雨水排水系统。
(2)截流式沿河岸再敷设主干管,并将各干管得污水截流送至污水厂,就是正交式发展得结果。
特点:减轻水体污染,保护环境。
适用:分流制污水排水系统。
(3)平行式:在地势向河流方向有较大倾斜得地区,可使干管与等高线及河道基本上平行,主干管与等高线及河道成一倾斜角敷设。
城市地埋式雨水泵站设计实例贾彦文(上海市政工程设计研究总院,上海 200092)1 概况浦明雨水泵站位于上海世博会浦东园区,浦明路南侧、白莲泾西侧,服务面积约2.5km2,设计规模为Q=22m3/s,为全地下结构。
泵站设计时,充分利用与地块建筑风格统一协调的设计手段,把通常枯燥、单调的排水泵站结构掩饰于地下,必要的地上辅助建筑也修饰成为景观小品,融入周边绿化丛中,成为世博会的雅致景色。
2 工艺设计泵站内主要构筑物包括进水闸门井、雨水泵房、初雨调蓄池、出水箱涵等,雨水泵站与初雨调蓄池采用分建的形式。
现简述如下:2.1 进水闸门井位于泵房主体结构的外部,起到分流配水的作用。
泵站进水管为DN3500mm,进入闸门井后分为2根3000×3000mm箱涵,接至雨水泵房。
闸门井内设置2套3000×3000mm手电两用方闸门。
2.2 雨水泵房整个泵房下部分为两层,地下一层为格栅间及变配电间,地下二层为雨水泵房及旱流污水截污设施。
格栅间内设移动式格栅除污机1套(2仓6工位,格栅间隙50mm)、螺旋压榨机1台及垃圾小车升降机1套。
雨水通过2根3000×3000mm箱涵进入雨水泵房后,通过格栅将雨水中的垃圾截留,由压榨机压榨,最后经升降机将垃圾提升至地面,外运出站。
格栅间内设置的垃圾升降机,可减少垃圾外运工作中搬运的过程,使泵站设计更人性化。
雨水泵房内设潜水轴流泵(雨水泵)6套,采用钢砼泵井,内衬安装钢套筒,单泵性能参数为Q=3.69m3/s、H=8m、N=484kW。
水泵上部采用压力井盖,出水处采用浮箱拍门,防止出水倒流。
出水压力井与泵房合建,上部设置透气井与人员进出口建筑结合设计。
出水压力井一端接出水箱涵,另一端接初雨调蓄池及回笼水箱涵,出水处均设置闸门。
雨水泵房内还设置了旱流污水截污设施,包括2套粉碎型格栅,2套潜水离心泵(1用1备),单泵性能参数为Q=430m3/hr、H=9.3m、N=24kW。
供水泵站设计计算实例水泵站是以水泵为核心的机电设备和配套建筑物所构成的一个抽水系统。
文章以某小(2)型供水泵站为例,介绍了泵站设计参数的确定方法、水泵及动力机选型的要求,并依据泵型对进出水管道的直径、壁厚进行了选择计算,确定了水泵的安装高程,最终确定了泵房的结构尺寸与布置型式,可以为类似泵站工程设计提供参考和借鉴。
标签:泵站;布置;设计1 工程概况某供水工程设计引水流量为0.202m3/s,项目水源为某小(一)型水库。
根据《泵站设计规范》(GB50265-2010),确定该泵站为Ⅴ等小(2)型(泵站设计流量小于2m3/s),对应的建筑物等别为:主要建筑物为5级,次要建筑物为5级。
泵站的进出水建筑物一般包括引渠、前池、进水池和出水池。
该工程泵房建于水库岸边,直接从水源取水,无需设引渠、前池及进水池;且该工程为泵站出水管道拟直接接输水管道,也无需设出水池。
2 泵站设计参数的确定2.1 设计流量泵站设计引水流量为0.202m3/s,输水过程的漏失率按2%考虑,则泵站的设计流量为:初步拟定使用1台工作水泵,另外配置1台备用泵。
那么工作的单台水泵的设计流量为:2.2 设计扬程设计扬程是水泵型式选择的主要根据。
泵站设计扬程由地形高差和管路损失组成。
本工程为长距离输水,管线长度为7.1km,地形高差为18.5m。
管道水头损失计算公式如下:hi=iL式中:hi-沿程水头损失(m);i-单位管长水头损失(水力坡降);L-计算管段长度(m);单位管长水头损失i计算公式如下:式中:n-管道糙率;R-水利半径A/x;λ-摩阻系数;C-谢才系数;dj-管道内径;v-经济流速;g-重力加速度;i-单位管长水头损失(水力坡降);经计算hi=9.64,则设计扬程H=18.5+9.64=28.14m。
3 水泵及动力机选型水泵的选型应符合下列要求:(1)所选水泵应充分满足泵站的设计流量、设计扬程及不同时期的供水需求。
(2)所选水泵要求在泵站长期运行期间,机组安全、稳定,并且具有较高的效率。
供水泵站主泵房设计实例本工程期终规模为3.0万立方米/日,老配水厂供水泵站设计容量1.4万立方米/日,相应新配水厂供水泵站的设计容量为1.6万立方米/日。
二级供水泵站按最高时工况设计,以最高时+消防时和事故时工况校核。
厂内设置供水泵站一座,根据管网平差结果,采用5台8Sh-13型水泵并联运行,进行工况点校核,对水泵进行调速;泵站按城市供水三种基本工况设计,设计流量为194.4~322.8L/s,设计总容量为300kW。
标签:泵站;流量;设计1 设计资料本工程供水泵房设计容量应达到1.6万立方米/日。
2 扬程(H)扬程H=清水池最低水位与入网点高程的差+入网点自由水压+水厂内管路损失,泵房地面高程962.0m,假定水厂内管路损失为2.0m。
入网点高程为961.0m,最高工况时自由水压为37.288m,最高+消防工况时自由水压为36.555m,事故工况时自由水压为40.500m,由此计算清水池不同水位时的水泵扬程。
3 流量(Q)新水厂的设计供水量为1.6万立方米/日,日变化系数取1.5。
则:(1)最高工况:Q=(16000×1000×1.5)÷24÷3600=277.78L/s(2)最高+消防工况:Q=277.78+45=322.78L/s(3)事故工况:Q=277.78×70%=194.45L/s计算得出:在清水池达到最高水位时,三种工况时的水泵扬程分别为36.459m、35.726m、39.671m;清水池为设计水位时,三种工况时的水泵扬程分别为37.313m、37.941m、41.783m;清水池为最低水位时,三种工况时的水泵扬程分别为38.167m、40.155m、43.895m。
4 水泵选型及组合方式通过查《Sh型双吸离心泵性能曲线图、表》选择以下泵型及组合,方案一:选择8台型号为6Sh-9A的水泵;方案二:选择5台型号为8Sh-13的水泵。
泵站工程施工组织设计案例一、工程地理位置XX泵站位于长江与新闸港交汇处西侧,背靠长江、面接黄石长江大桥桥头。
二、工程概况XX泵站包括排渍泵房一座(Q=20m3/s),前池、格栅间泄污孔,高配电间,综合楼,机修间,仓库,车库,虹吸破坏室,出水池,自流排水闸,结合井,进水主干渠,站区附属工程(道路,围墙,大门,绿化,站区照明,站区上水及雨,污管道)。
2.1地基情况(1)排渍泵房底板座落在第③层粉质粘土土中,局部为第②层粘土,若②层土分部面积较大,应予以挖除式进行地基处理,地基加承载力标准值为210kPa(采用碎石夯实回填)(2)格栅间,前池的坑底土层为第②层土,承载力标准值为80kPa,而设计要求承载力标准值小于130kPa,所以应进行地基处理,采用碎石夯实回填。
(3)综合楼为3层混合结构,高约12米,1-1剖面所示地形起伏较大,相对高差达6.66米,且上部土层地质情况较差,不能满足上部荷载要求,故采用人工挖孔灌注桩基础,从第⑥层砂岩中微风层作桩端持力层。
(4)机修仓库,车库为1层混合结构,高度为9m,跨度为10m,该地基土软,为第②层软粘层湿度较大,采用独立桩基础,从第③层土作为基础持力层。
(5)变配电间为1层混合结构,层高6m,该区段地质情况较好,但该配电间紧靠泵站,因此该地基采用人工挖孔灌注桩,桩端持力层为⑥层土(中微风层)2.2结构形式(1)排渍泵房为混合结构,BxL=36.8x10m,底板与池壁均为钢筋砼结构,底板厚850mm,池壁厚800mm,上部结构为框架结构一层,下部结构高度h=8.950m上部结构h=12.8m(2)格栅间,前池均为钢筋砼结构,格栅间尺寸21.6x8.8m,前池BxL=21.6~31.6x17.25m,格栅间底板厚650mm,壁板分800mm,600mm,400mm三种,前底板厚850mm,壁板厚800mm,顶板厚450mm,中间用450x450mm独立柱支撑。
(3)综合楼为3层框架结构,面积620m3 h=9.8m(4)机修仓库,车库均为1层框架结构,合计500m2 h=9.4m (5)变配电间为1层框架结构,面积280m2 h=5.1m2.3 土建工程建筑结构特点2.3.1排渍泵房(±0.000=19.500m)部位厚度砼标号抗渗等级标高(m)垫层100 C10 / -8.950底板850 C25 S6 -8.100池壁800 C25 S6 -8.100-±0.000 内墙500/300 C25 / -8.100-±0.000 设备层250 C25 / -6.000平台150 C25 / ±0.000装饰池内、外壁,池底抹20mm厚1:2防水砂浆上部结构部位尺寸(厚度)mm 砼标号标高柱1 700*400’600*400 C20 ±0.000-5.700 柱2 500*400 C20 ±0.000-6.350 牛腿350-750*600 C20 5.700100 C20 7.1007.100m平台屋面板110 C20 8.800-12.800 装饰地面浅米色地砖地面,踢脚线200mm高同该处地面.内墙面天棚做白色乳胶漆面.外墙为乳白色涂料.门窗大部份采用乳白色塑钢,5mm厚白色净玻璃.2.3.2格栅间(±0.000=19.500m)部位厚度(mm)砼标号抗渗等级标高(m)垫层100 C10 / -6.650底板650 C25 S6 -6.000池壁800\600\40C25 S6 -6.000---0.15 走道板150 C25 / -0.150装饰内外墙均粉1:2防水砂浆,走道板贴浅米色面砖.2.3.3前池部位厚度砼标号抗渗等级标高(m)垫层100 C10 / -8.950~-6.650 底板300 C25 S6 -8.100~-6.100墙板300 C25 S6 -8.100~-6.100 -1.280~-1.52顶板120 C25 / -1.280~-1.520 装饰池内、外壁,池底抹20mm厚1:2防水砂浆层部位尺寸或厚度(mm)强度等级标高(m)地下部分独立基础1 1400×1400×600 C25 -1.300 独立基础2 1400×1400×900 C25 -1.600 基础粱1 300×700 C25 -0.700基础粱2 300×800 C25 -0.700上部结构柱1 400×400 C25 -0700-柱2 400×600 C25 -0.700-柱3 240×240 C25 -0.700-首层板120 C25 3.300 屋面板120 C25 6.600’9.80砌体砌体1 240 M5混合砂浆砌筑-0.060以上砌体2 240M7.5水泥砂浆砌筑-0.060以下装饰1.外墙采用白色乳胶漆面、女儿墙采用水泥砂浆粉刷;2.地面楼面为米色陶瓷地砖,踢脚为200mm高;3.内墙天棚为混合砂浆粉刷,面刷白色乳胶漆;4.屋面采用高聚改性卷材防水;5.门窗:门窗为塑钢门窗,净白玻璃5mm厚;6.雨水管为白色PVC管。
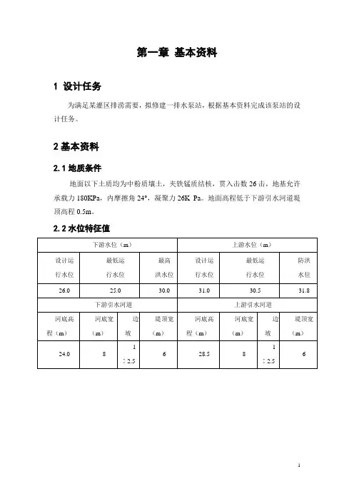
第一章基本资料1 设计任务为满足某灌区排涝需要,拟修建一排水泵站,根据基本资料完成该泵站的设计任务。
2基本资料2.1地质条件地面以下土质均为中粉质壤土,夹铁锰质结核,贯入击数26击,地基允许承载力180KPa,内摩擦角24°,凝聚力26K Pa。
地面高程低于下游引水河道堤顶高程0.5m。
2.2水位特征值下游水位(m)上游水位(m)设计运行水位最低运行水位最高洪水位设计运行水位最低运行水位防洪水位26.0 25.0 30.0 31.0 30.5 31.8下游引水河道上游引水河道河底高程(m)河底宽(m)边坡堤顶宽(m)河底高程(m)河底宽(m)边坡堤顶宽(m)24.0 81∶2.5 6 28.5 81∶2.56第二章 设计内容1 设计流量的确定泵站抽排面积为40+1=41km 2排水率为(3+2)/10+8/100=0.58m 3/s/km 2设计流量为:排水面积*排水率=41 km 2*0.580.58m 3/s/km 2=23.78s m /3 初选7台水泵,则每台水泵流量为q=23.78/7s m /3=3.40s m /32 水位分析及特征扬程的确定设计扬程=出口设计水位—进口设计水位 最大扬程=出口设计水位—进口最低运行水位 最小扬程=出口最低水位—进口最高运行水位31.026.0 5.0m 出设进设设=∇-∇=-=Hmax min 31.025.06m 出设进=∇-∇=-=H min min max 30.530.00.5m 出进=∇-∇=-=H5.00.15 5.0 5.75m 泵设设=+∆=+⨯=H H h3 工程设计等级根据泵站设计规范,装机流量为23.78m 3/s ,属于中型Ⅲ级泵站。
第三章 机组选型1 水泵选型1.1适宜的泵机组台数为4—8台,初步选择n=7台。
1.2.单泵流量:Q 单=n Q=23.787=33.40/m s1.3.根据设计扬程(5.75m )和每台泵的设计流量(3.40s m /3)可以选用900ZLB-2.8~6.8型和1000ZLB-8.7型轴流泵。
水泵站设计案例一、设计依据已知水厂平均供水量为Q=20万m3/d,要求远期发展到30万m3/d。
用水日变化系数Kd = 1.33,时变化系数Kh= 1.57。
水泵来水由河自流入集水井,河流水位最高37.00m(P=1%),最低23.53m(P=97%);送水高池水位高程57.8m,地面高程34.5m;引水管长200m,输水干管从联络阀至净水池长1150m。
如图所示。
该城镇年平均气温12.7°C,最热月平均最高气温为34.2°C,最冷月平均最低气温为-15.4°C。
最大冻土层深度700mm。
取水自流管与输水干管,单根直径按通过最高日水量的75%选取。
二、水泵站工艺计算1.水泵机组的选择1.1水泵设计参数的确定 1.1.1 水泵站设计流量l/s/h m ..TQ αk T αQ Q d d r 2683.3 9660 241016831051 34==⨯⨯⨯===远期流量l/s/h m ..TQαk T αQ Q d d r 4025 14490 241024831051 34==⨯⨯⨯===1.1.2 设计扬程H1.1.2.1 输水干管损失1.1.2.1.1 单管通过的流量一期输水干管通过流量s/2.01225m l/s 2012.252683.375.075Q .0Q 3r G I,==⨯==远期输水干管流量s /3.018m l/s 3018.7575Q .0Q 3r G II,===(应以远期流量确定输水干管直径。
)1.1.2.1.2 经济流速Ve = 2.0—2.5 m/s查手册确定流速与管径:1.1.2.1.3 输水干管管径m 1.38 3.0184v 4Q D eGII,≈⨯==ππ当管径D=1300mm 时,V=2.27m/s 符合经济流速。
1.1.2.1.4 查手册确定输水干管水头损失按长管计算,计入局部损失乘 1.1,流量按一期管中流量计算(1000i=3.938)m 4.981L i 1.1h2d=⨯⨯=∑1.1.2.2 取水管损失1.1.2.2.1 经济流速Ve =1.2—1.6 m/s 1.1.2.2.2 取水管管径 D=1.78m当D=1.6m 时,V=1.5m/s 符合经济流速。
泵站设计实例一、佟庄泵站(一)建设概况及缘由侍岭项目区佟庄村地处新沂河南岸,该区地形地势起伏较大,地面高程在22.60m~18.50m之间,现有耕地2008亩,地处灌区末稍,灌溉水源紧缺,用水集中时,区内部分水稻田要等其他区域水稻栽插完成,才有水过来,但水位较低,农民采用小机小泵自提灌溉各家各户农田。
现规划在佟庄排涝沟新建佟庄电灌站,提水灌溉农田,泵站下采用低压管道灌溉区内农田。
因此规划新建佟庄泵站,利用佟庄排涝沟回归水,经泵站提灌后进入管道再入各级田间渠道灌溉区内农田。
(二)设计资料1、设计标准及设计依据根据江苏省水利厅苏水农[2012]32号《关于印发〈江苏省小型灌溉泵站建设标准〉(试行)的通知》查得小型提水泵站的设计灌水率为2.0~4.0m3/(s·万亩),根据该区实际情况以及区内灌溉经验,取设计灌溉模数q灌=2.9m3/(s·万亩)。
2、设计依据根据《泵站设计规范》(GB 50265-2010)、《灌溉与排水渠系建筑物设计规范》 (SL482-2011)等进行本次设计。
3、建筑物级别:根据《水利水电工程等级划分与洪水标准》,佟庄泵站级别为5级,建筑物使用年限为30年。
4、地震设防列度:按《中国地震动参数区划图》(GB 18306-2015)中的《中国地震动反应谱特征周期区划图》(江苏部分)和《中国地震动峰值加速度区划图》(江苏部分)可知,基本地震设计烈度8度,地震峰值加速度0.2g。
5、设计水位:根据5.2.1.2节侍岭佟庄低压灌溉管道工程设计中水位推算成果,选取最不利管线,以此推出的水位31.33m作为泵站出水设计水位,计算泵站扬程。
以排涝沟在灌溉期的低水位作为泵站进水池设计水位,泵站进、出水水位组合如下:管道进口水位: 31.33m。
进水池:最高水位19.50m,设计水位19.0m,最低水位18.80m。
6、设计流量根据5.2.1.2节确定该站设计流量:Q=0.526m3/s。
一、佟庄泵站(一)建设概况及缘由侍岭项目区佟庄村地处新沂河南岸,该区地形地势起伏较大,地面高程在22.60m~18.50m之间,现有耕地2008亩,地处灌区末稍,灌溉水源紧缺,用水集中时,区内部分水稻田要等其他区域水稻栽插完成,才有水过来,但水位较低,农民采用小机小泵自提灌溉各家各户农田。
现规划在佟庄排涝沟新建佟庄电灌站,提水灌溉农田,泵站下采用低压管道灌溉区内农田。
因此规划新建佟庄泵站,利用佟庄排涝沟回归水,经泵站提灌后进入管道再入各级田间渠道灌溉区内农田。
(二)设计资料1、设计标准及设计依据根据江苏省水利厅苏水农[2012]32号《关于印发〈江苏省小型灌溉泵站建设标准〉(试行)的通知》查得小型提水泵站的设计灌水率为2.0~4.0 m3/(s·万亩),根据该区实际情况以及区内灌溉经验,取设计灌溉模数q灌=2.9m3/(s·万亩)。
2、设计依据根据《泵站设计规范》(GB 50265-2010)、《灌溉与排水渠系建筑物设计规范》(SL482-2011)等进行本次设计。
3、建筑物级别:根据《水利水电工程等级划分与洪水标准》,佟庄泵站级别为5级,建筑物使用年限为30年。
4、地震设防列度:按《中国地震动参数区划图》(GB 18306-2015)中的《中国地震动反应谱特征周期区划图》(江苏部分)和《中国地震动峰值加速度区划图》(江苏部分)可知,基本地震设计烈度8度,地震峰值加速度0.2g。
5、设计水位:根据5.2.1.2节侍岭佟庄低压灌溉管道工程设计中水位推算成果,选取最不利管线,以此推出的水位31.33m作为泵站出水设计水位,计算泵站扬程。
以排涝沟在灌溉期的低水位作为泵站进水池设计水位,泵站进、出水水位组合如下:管道进口水位: 31.33m 。
进水池:最高水位19.50m ,设计水位19.0m ,最低水位18.80m 。
6、设计流量根据5.2.1.2节确定该站设计流量:Q=0.526m 3/s 。
泵站典型设计(灌溉工程)一、正常取水位的确定通过AA县水利局多年观测数据,泉点最枯水位不低于1520m左右,因此取水位定在1520 m。
二、泵站型式选择由于杨箐泉水出露于岩溶低洼地,汛期水位涨幅达1.5m,提水不需考虑泵站防洪问题。
由于泵站附近内地势较平坦,泵站采用离心泵提水,修建地面式砖混结构泵房,有效利用泵站现有的良好交通、电力、通讯等有利条件。
三、泵站水力机械根据灌区需水量计算,换算成泵站16h提水流量为80.49m3/h,考虑烟区灌溉时间短,利用率较低,拟选择安装两台泵(一用一备)。
扬程确定:1、取水高程1520.0m,高位水池底板高程1605.0m,即实际扬程85m.2、上水管长370m,进水管6m,经计算水头损失为4.95m、0.91m。
由实际扬程+水头损失得出总扬程为85+0.91+4.95=91.86m.水泵的选择泵站设计流量Q=80.49m3/h,安装两台多级单吸分段式离心泵,单台设计流量Q=80.49m3/ h。
设计净扬程为:实际扬程85m+水头损失5.86m+余量3m=93.86m。
水泵参数如下表:型号流量Q 转速n(r/min) 扬程H(m) 效率η(%)功率N(kw) 气蚀余量(NPSH)rm³/h L/s 轴功率电动机功率JGGC100 72-20×5 72 20 1480 108 65 32.4 45 2.5100 27.8 100 72 37.8 3126 35 85 70 41.7 `4当扬程为93.86m时,流量为80.49m3/h,效率72.4%,可见泵在高效区运行。
四、水泵安装高程的确定JGGC 100-20×5型水泵必需汽蚀余量△hc为2.5~4.0m,为了泵的安全运行,根据机械工业部部颁标准JB1040-67规定,对一般清水泵的临界气蚀余量基础上再加上0.3m的安全余量,即[△h]=△hc+0.3 =2.8~4.3m。
允许吸上真空高度:式中:pa/γ——吸水面上的实际压头,8.96m;pv/γ——抽水实际温度下的汽化压头,0.24m;Δh——允许气蚀余量,3m;hg——进水管的水头损失,0.86m;经计算,所选择水泵的允许吸上真空高度为3.86m,根据实际地形情况,选定泵房地面高程为1521.50m,水泵安装高程为1521.72m,安装高程与吸水池高差1521.72-1520=1.72m <[Hs] =2.8~4.3m,满足吸上高度要求,因此泵站安装高程定为1521.72m。
目录第一章综合说明……………………………………第二章设计参数的确定……………………………第三章机组选型……………………………………第四章进出水布置及进出水建筑物设计…………第五章站房设计……………………………………第六章出水管路设计………………………………第七章水泵工况点的校核…………………………第八章校核计算…………………………………参考资料………………………………………………课程设计及目的和要求通过泵站工程设计,培养学生应用所学知识解决工程实际问题的能力,具体要求:1.综合运用已学过的专业基础课,专业课的知识,完成所给定的泵站工程初步设计阶段设计任务书。
通过设计进一步巩固、深化已学知识,扩大知识面,了解和初步掌握小型泵站设计的过程、任务要求及设计方法。
2.培养树立正确的设计思想。
3.训练收集、应用资料、计算分析、绘制工程设计图和编写设计说明书的能力。
4.课程设计应各自独立进行,按期完成任务,提交规定的成果,不得抄袭。
第一章综合说明1-1兴建缘由徐州某县为满足向大运河补水要求,计划兴建补水泵站一座。
1-2 工程位置、规模、作用工程位置选在徐州市某县主要河流旁,规模为一般补水型泵站,主要是为了满足该县向大运河的补水。
1-3 基本资料一、地质条件地面以下土质均为中粉质壤土,夹铁锰质结核,贯入击数26击,地基允许承载力180KPa,内摩擦角24°,凝聚力26K Pa。
地面高程低于下游引水河道堤顶高程0.5m。
二、水位特征值下游水位(m)上游水位(m)设计运行水位最低运行水位最高洪水位设计运行水位最低运行水位防洪水位26.0 25.2 30.6 31.2 31.0 31.7下游引水河道上游引水河道河底高程(m)河底宽(m)边坡堤顶宽(m)河底高程(m)河底宽(m)边坡堤顶宽(m)24.2 12 1∶2.5 6 28.3 12 1∶2.5 6第二章设计参数的确定2-1 设计流量的确定设计流量为泵站流量即为17.1sm/3初选7台水泵,则每台水泵流量为q=14.5/7sm/3=2.07sm/32-2 水位分析及特征扬程的确定设计扬程=出口设计水位—进口设计水位最大扬程=出口设计水位—进口最低运行水位最小扬程=出口最低水位—进口最高运行水位2-3 工程设计等级建筑物等级为Ⅲ级第三章机组选型1.适宜的泵机组台数为4—8台,初步选择n=7台。