锚杆张拉与锁定记录表
- 格式:doc
- 大小:58.00 KB
- 文档页数:4
锚杆张拉与锁定一、编制依据1、建筑基坑支护技术规程(JGJ120-2012)2、建筑边坡工程技术规范(GB 50330-2013)3、岩土锚杆与喷射混凝土支护工程技术规范(GB 50086-2015)二、规范要求1、锚杆的施工偏差应符合下列要求:(1)钻孔深度宜大于设计深度0.5m;(2)钻孔孔位的允许偏差应为50mm;(3)钻孔倾角的允许偏差应为3°;(4)杆体长度应大于设计长度;(5)自由端的套管长度允许偏差应为±50mm。
2、锚杆钻孔应符合下列规定:(1)钻孔应按设计图所示位置、孔径、长度和方向进行,并应选择对钻孔周边地层扰动小的施工方法;(2)钻孔应保持直线和设定的方位;(3)向钻孔安装锚杆杆体前,应将孔内岩粉和土屑清洗干净。
3、注浆设备和注浆工艺应符合下列规定:(1)注浆设备应具有1h内完成单根锚杆连续注浆的能力;(2)对下倾的钻孔注浆时,注浆管应插入距孔底300mm~500mm处;(3)对上倾的锚杆注浆时,应在孔口设置密封装置,并应将排气管内端设于孔底。
4、钢绞线锚杆和普通钢筋锚杆的注浆应符合下列规定:(1)注浆液采用水泥浆时,水灰比宜取0.50~0.55,采用水泥砂浆时,水灰比宜取0.40~0.45,灰砂比宜取0.5~1.0,拌和用砂宜选用中粗砂。
(2)水泥浆或水泥砂浆内可掺入能提高注浆固结体早期强度或微膨胀的外掺剂,其掺入量宜按室内试验确定;(3)注浆管端部至孔底的距离不宜大于200mm,注浆及拔管过程中,注浆管口应始终埋入注浆液面内,应在水泥浆液从孔口溢出后停止注浆,注浆后,当浆液液面下降时,应进行孔口补浆;(4)采用二次压力注浆工艺时,二次压力注浆宜采用水灰比0.50~0.55的水泥浆,二次注浆管应牢固绑扎在杆体上,注浆管的出浆口应采取逆止措施,二次压力注浆时,始终注浆的压力不应小于1.5MPa;(5)基坑采用止水帷幕时,地下水位以下的锚杆注浆应采取孔口封堵措施。
项目名称:编号:专业分包施工单位钢筋(钢绞线)进场报验/抽检单号水泥进场报验/抽检单号
锚具进场报验/抽检单号锚杆(锚索)规格
锚杆(锚索)孔定位/倾角设计张拉锁定值 kPa
张拉设备规格、型号标定情况
注浆配合比/压力主要检查项目
最大偏离实测值检查方式锚杆(锚索)入土深度 m
测量
锚杆 (钢索)体制作长度 m
锚杆锚固段长度/
注浆充盈度
观察/看仪表张拉力锁定值 kPa
抗拔试验附件 广东珠江投资股份有限公司
预应力锚杆(锚索)施工旁站监理记录
处理意见:口头指令: 现场整改:
日期及气候:
工程地点:旁站监理的部位或工序:
旁站监理开始时间: 年 月 日 时 分旁站监理结束时间: 年 月 日 时 分施工情况:
旁站监理人员(签字):发现问题:
监理情况:
设计或验收规范要求 年 月 日 年 月 日备注:
施工企业:
项目监理机构:发监理通知单:
回复与整改情况:
质检员(签字):。
锚杆张拉与锁定.锚杆张拉与锁定一、编制依据1、建筑基坑支护技术规程(JGJ120-2012)2、建筑边坡工程技术规范(GB 50330-2013)3、岩土锚杆与喷射混凝土支护工程技术规范(GB 50086-2015)二、规范要求1、锚杆的施工偏差应符合下列要求:(1)钻孔深度宜大于设计深度0.5m;(2)钻孔孔位的允许偏差应为50mm;(3)钻孔倾角的允许偏差应为3°;(4)杆体长度应大于设计长度;(5)自由端的套管长度允许偏差应为±50mm。
2、锚杆钻孔应符合下列规定:(1)钻孔应按设计图所示位置、孔径、长度和方向进行,并应选择对钻孔周边地层扰动小的施工方法;(2)钻孔应保持直线和设定的方位;(3)向钻孔安装锚杆杆体前,应将孔内岩粉和土屑清洗干净。
3、注浆设备和注浆工艺应符合下列规定:(1)注浆设备应具有1h内完成单根锚杆连续注浆的能力;(2)对下倾的钻孔注浆时,注浆管应插入距孔底300mm~500mm处;(3)对上倾的锚杆注浆时,应在孔口设置密封装置,并应将排气管内端设于孔底。
4、钢绞线锚杆和普通钢筋锚杆的注浆应符合下列规定:(1)注浆液采用水泥浆时,水灰比宜取0.50~0.55,采用水泥砂浆时,水灰比宜取0.40~0.45,灰砂比宜取0.5~1.0,拌和用砂宜选用中粗砂。
(2)水泥浆或水泥砂浆内可掺入能提高注浆固结体早期强度或微膨胀的外掺剂,其掺入量宜按室内试验确定;(3)注浆管端部至孔底的距离不宜大于200mm,注浆及拔管过程中,注浆管口应始终埋入注浆液面内,应在水泥浆液从孔口溢出后停止注浆,注浆后,当浆液液面下降时,应进行孔口补浆;(4)采用二次压力注浆工艺时,二次压力注浆宜采用水灰比0.50~0.55的水泥浆,二次注浆管应牢固绑扎在杆体上,注浆管的出浆口应采取逆止措施,二次压力注浆时,始终注浆的压力不应小于1.5MPa;(5)基坑采用止水帷幕时,地下水位以下的锚杆注浆应采取孔口封堵措施。
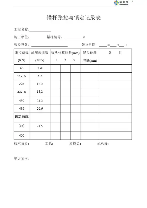
锚杆张拉与锁定记录表
工程名称:
施工单位:锚杆编号:#
张拉设备:张拉日期:年月日
技术负责:工长:质检员:记录员:
甲方签字:
锚杆张拉与锁定记录表工程名称:锚杆工程
施工单位:锚杆编号:#
张拉设备:ZB4-500电动油泵、YCW100千斤顶张拉日期:1999年8 月日
技术负责:工长:质检员:记录员:
甲方签字:
锚杆张拉与锁定记录表工程名称:锚杆工程
施工单位:锚杆编号:#
张拉设备:ZB4-500电动油泵、YCW100千斤顶张拉日期:1999年8 月日
锚杆张拉与锁定记录表工程名称:锚杆工程
施工单位:锚杆编号:#
张拉设备:ZB4-500电动油泵、YCW100千斤顶张拉日期:1999年8 月日
技术负责:工长:质检员:记录员:
甲方签字:。
锚杆张拉与锁定一、编制依据1、建筑基坑支护技术规程(JGJ120-2012)2、建筑边坡工程技术规范(GB 50330-2013)3、岩土锚杆与喷射混凝土支护工程技术规范(GB 50086-2015)二、规范要求1、锚杆的施工偏差应符合下列要求:(1)钻孔深度宜大于设计深度0.5m;(2)钻孔孔位的允许偏差应为50mm;(3)钻孔倾角的允许偏差应为3°;(4)杆体长度应大于设计长度;(5)自由端的套管长度允许偏差应为±50mm。
2、锚杆钻孔应符合下列规定:(1)钻孔应按设计图所示位置、孔径、长度和方向进行,并应选择对钻孔周边地层扰动小的施工方法;(2)钻孔应保持直线和设定的方位;(3)向钻孔安装锚杆杆体前,应将孔内岩粉和土屑清洗干净。
3、注浆设备和注浆工艺应符合下列规定:(1)注浆设备应具有1h内完成单根锚杆连续注浆的能力;(2)对下倾的钻孔注浆时,注浆管应插入距孔底300mm~500mm处;(3)对上倾的锚杆注浆时,应在孔口设置密封装置,并应将排气管内端设于孔底。
4、钢绞线锚杆和普通钢筋锚杆的注浆应符合下列规定:(1)注浆液采用水泥浆时,水灰比宜取0.50~0.55,采用水泥砂浆时,水灰比宜取0.40~0.45,灰砂比宜取0.5~1.0,拌和用砂宜选用中粗砂。
(2)水泥浆或水泥砂浆内可掺入能提高注浆固结体早期强度或微膨胀的外掺剂,其掺入量宜按室内试验确定;(3)注浆管端部至孔底的距离不宜大于200mm,注浆及拔管过程中,注浆管口应始终埋入注浆液面内,应在水泥浆液从孔口溢出后停止注浆,注浆后,当浆液液面下降时,应进行孔口补浆;(4)采用二次压力注浆工艺时,二次压力注浆宜采用水灰比0.50~0.55的水泥浆,二次注浆管应牢固绑扎在杆体上,注浆管的出浆口应采取逆止措施,二次压力注浆时,始终注浆的压力不应小于1.5MPa;(5)基坑采用止水帷幕时,地下水位以下的锚杆注浆应采取孔口封堵措施。
锚杆索检验批质量验收记录及检验规定和说明编号:单位工程名称分部工程分项工程名称验收部位施工总承包单位项目经理专业工长专业承包单位项目经理施工班长施工执行标准名称及编号施工质量验收规范的规定施工单位检查评定记录监理(建设)单位验收记录主控项目1 原材料检验符合设计要求2锚杆(索)安装符合设计要求3 注浆量及注符合设浆压力计要求4 张拉值及锁定值符合设计要求5 插入长度允许偏差±30mm一般项目1锚杆(索)位置±50mm2 钻孔倾斜度±1º3 钻孔深度±50mm施工单位检查评定结果:质量检查员:年月日监理或建设单位验收结论:监理工程师或建设单位项目专业技负责人:年月日检验规定和说明适用范围:本表适用于土层锚杆支护工程的质量验收。
检验批的划分:相同材料、工艺和施工条件的锚杆支护工程按20根划分检验批。
检查数量:主控项目全数检查,其中锚杆(索)抗拉试件宜为总数量的2%,且不少于2根,验收试件宜为总数量的3%,且不少于3根。
主控项目:必须符合验收标准规定,发现问题立即处理直至符合要求。
1. 锚杆(索)工程所用的原材料的品种、规格、质量必须符合设计要求。
检验方法:检查出厂合格证、试验报告。
2. 锚杆(索)的组装安放和注浆必须符合设计要求。
浆体强度必须符合设计要求。
施工单位每检验批取试样2组,每组试件不少于6块;监理单位见证检验或平行检验施工单位检查数量的30%或10%。
,且不少于1组。
检验方法:检查试块强度报告。
3. 锚杆(索)的注浆量及注浆压力必须符合设计要求。
检验方法:检查施工记录。
检查数量:施工单位全部检查。
监理单位见证检验30%。
4. 锚杆(索)的张拉值及锁定值必须符合设计要求。
检验方法:检查施工记录,观察。
检查数量施工单位全部检查。
监理单位见证检验30%。
5.锚杆(索)插入长度:必须符合设计要求。
允许偏差±30㎜。
检验方法:用钢尺量。
锚杆(索)抗拔力检验。
锚杆张拉与锁定文稿归稿存档编号:[KKUY-KKIO69-OTM243-OLUI129-G00I-FDQS58-锚杆张拉与锁定一、编制依据1、建筑基坑支护技术规程(JGJ120-2012)2、建筑边坡工程技术规范(GB 50330-2013)3、岩土锚杆与喷射混凝土支护工程技术规范(GB 50086-2015)二、规范要求1、锚杆的施工偏差应符合下列要求:(1)钻孔深度宜大于设计深度0.5m;(2)钻孔孔位的允许偏差应为50mm;(3)钻孔倾角的允许偏差应为3°;(4)杆体长度应大于设计长度;(5)自由端的套管长度允许偏差应为±50mm。
2、锚杆钻孔应符合下列规定:(1)钻孔应按设计图所示位置、孔径、长度和方向进行,并应选择对钻孔周边地层扰动小的施工方法;(2)钻孔应保持直线和设定的方位;(3)向钻孔安装锚杆杆体前,应将孔内岩粉和土屑清洗干净。
3、注浆设备和注浆工艺应符合下列规定:(1)注浆设备应具有1h内完成单根锚杆连续注浆的能力;(2)对下倾的钻孔注浆时,注浆管应插入距孔底300mm~500mm处;(3)对上倾的锚杆注浆时,应在孔口设置密封装置,并应将排气管内端设于孔底。
4、钢绞线锚杆和普通钢筋锚杆的注浆应符合下列规定:(1)注浆液采用水泥浆时,水灰比宜取0.50~0.55,采用水泥砂浆时,水灰比宜取0.40~0.45,灰砂比宜取0.5~1.0,拌和用砂宜选用中粗砂。
(2)水泥浆或水泥砂浆内可掺入能提高注浆固结体早期强度或微膨胀的外掺剂,其掺入量宜按室内试验确定;(3)注浆管端部至孔底的距离不宜大于200mm,注浆及拔管过程中,注浆管口应始终埋入注浆液面内,应在水泥浆液从孔口溢出后停止注浆,注浆后,当浆液液面下降时,应进行孔口补浆;(4)采用二次压力注浆工艺时,二次压力注浆宜采用水灰比0.50~0.55的水泥浆,二次注浆管应牢固绑扎在杆体上,注浆管的出浆口应采取逆止措施,二次压力注浆时,始终注浆的压力不应小于1.5MPa;(5)基坑采用止水帷幕时,地下水位以下的锚杆注浆应采取孔口封堵措施。
河北省矾山磷矿有限公司砂浆锚杆及树脂锚索拉拔力检验规范为加强井巷工程施工管理,进一步规范锚网喷、锚注及锚索等支护形式的施工行为,搞好工程质量,结合我矿地质条件和施工图设计要求,特制定本拉拨力检查规范。
一、总则根据GB50086-2001《锚杆喷射混凝土支护技术规范》,MT/T879-2000 《煤矿预应力锚固施工技术规范》,MT 5009-1994《煤矿井巷工程质量检验评定标准》,锚杆、锚索支护必须进行拉拔力试验强度检测,质量符合设计要求,才能正常交付使用。
矿山井建工程中的锚杆支护、锚喷支护、锚网喷支护、长锚索支护的拉拔力试验由生产技术处工程质量组负责组织进行,采矿部、安全处、施工单配合工作。
二、检验目的拉拔力测试的目的是判定巷道围岩的可锚性、评价锚杆锚索、树脂、围岩锚固系统的性能和锚固力,检验必须现场进行。
三、检验设备(1)、SW-300 锚杆拉拔仪(工作压力63MPa、测量范围0-300kN)。
(2)主要用于锚杆、钢筋等锚固体的锚固力检测,是锚杆施工支护工程和锚索质量检测的必备仪器。
四、拉拔检验要求1、抗拔力应符合以下规定合格:最低值不小于设计的90%优良:最低值不小于设计值。
检查数量:每安装300根锚杆,抽试三组进行测试,每组不得少于 3 根,其中每组拱顶锚杆 2 根,边帮锚杆 1 根;锚索测试数量取总数的5%。
2、锚杆合格条件为同组锚杆锚固力或拉拔力的平均值,应大于或等于轴向拉力设计值;同组单根锚杆的轴向锚固力或拉拔力,不得低于设计值的90%。
测试要求:ф16mm 左旋无纵筋等强螺纹钢锚杆,抗拔力大于42.5KN。
3、锚索合格条件为首先锚索支护材料要符合施工措施的规定,且最小锚固长度要≥ 1.5米;分级张拉,分级方式为0—30 千牛—60 千牛—90 千牛—130 千牛。
测试要求:ASTMA419-98(1*7 ×15.24mm)单根钢绞线,抗拔力大于120KN。
五、拉拔检验程序1、树脂锚固拉拔测试应在安装后0.5~4.0 小时进行,水泥砂浆锚固拉拔测试应在安装后15 天进行,时间过短影响固化后的强度,时间过长则因巷道围岩发生变形影响测量结果。
锚杆张拉与锁定.————————————————————————————————作者: ————————————————————————————————日期:锚杆张拉与锁定一、编制依据1、建筑基坑支护技术规程(JGJ120-2012)2、建筑边坡工程技术规范(GB 50330-2013)3、岩土锚杆与喷射混凝土支护工程技术规范(GB 50086-2015)二、规范要求1、锚杆的施工偏差应符合下列要求:(1)钻孔深度宜大于设计深度0.5m;(2)钻孔孔位的允许偏差应为50mm;(3)钻孔倾角的允许偏差应为3°;(4)杆体长度应大于设计长度;(5)自由端的套管长度允许偏差应为±50mm。
2、锚杆钻孔应符合下列规定:(1)钻孔应按设计图所示位置、孔径、长度和方向进行,并应选择对钻孔周边地层扰动小的施工方法;(2)钻孔应保持直线和设定的方位;(3)向钻孔安装锚杆杆体前,应将孔内岩粉和土屑清洗干净。
3、注浆设备和注浆工艺应符合下列规定:(1)注浆设备应具有1h内完成单根锚杆连续注浆的能力;(2)对下倾的钻孔注浆时,注浆管应插入距孔底300mm~500mm处;(3)对上倾的锚杆注浆时,应在孔口设置密封装置,并应将排气管内端设于孔底。
4、钢绞线锚杆和普通钢筋锚杆的注浆应符合下列规定:(1)注浆液采用水泥浆时,水灰比宜取0.50~0.55,采用水泥砂浆时,水灰比宜取0.40~0.45,灰砂比宜取0.5~1.0,拌和用砂宜选用中粗砂。
(2)水泥浆或水泥砂浆内可掺入能提高注浆固结体早期强度或微膨胀的外掺剂,其掺入量宜按室内试验确定;(3)注浆管端部至孔底的距离不宜大于200mm,注浆及拔管过程中,注浆管口应始终埋入注浆液面内,应在水泥浆液从孔口溢出后停止注浆,注浆后,当浆液液面下降时,应进行孔口补浆;(4)采用二次压力注浆工艺时,二次压力注浆宜采用水灰比0.50~0.55的水泥浆,二次注浆管应牢固绑扎在杆体上,注浆管的出浆口应采取逆止措施,二次压力注浆时,始终注浆的压力不应小于1.5MPa;(5)基坑采用止水帷幕时,地下水位以下的锚杆注浆应采取孔口封堵措施。
工程名称:闽南古镇桩基围护及边坡锚定工程施工单位:福建省中大工程建设有限公司编号:张拉锚具型号:TYM15 张拉设备:50型电动油泵、GYJ500型挤压机张拉日期:2010年月日工程名称:闽南古镇桩基围护及边坡锚定工程施工单位:福建省中大工程建设有限公司编号:张拉02锚具型号:TYM15 张拉设备:ZB4-500电动油泵、YCW1000千斤顶张拉日期:2010年6月10日工程名称:闽南古镇桩基围护及边坡锚定工程施工单位:福建省中大工程建设有限公司编号:张拉03锚具型号:TYM15 张拉设备:ZB4-500电动油泵、YCW1000千斤顶张拉日期:2010年6月10日工程名称:闽南古镇桩基围护及边坡锚定工程施工单位:福建省中大工程建设有限公司编号:张拉04锚具型号:TYM15 张拉设备:ZB4-500电动油泵、YCW1000千斤顶张拉日期:2010年6月10日工程名称:闽南古镇桩基围护及边坡锚定工程施工单位:福建省中大工程建设有限公司编号:张拉05锚具型号:TYM15 张拉设备:ZB4-500电动油泵、YCW1000千斤顶张拉日期:2010年6月10日工程名称:闽南古镇桩基围护及边坡锚定工程施工单位:福建省中大工程建设有限公司编号:张拉06锚具型号:TYM15 张拉设备:ZB4-500电动油泵、YCW1000千斤顶张拉日期:2010年6月10 日工程名称:闽南古镇桩基围护及边坡锚定工程施工单位:福建省中大工程建设有限公司编号:张拉07锚具型号:TYM15 张拉设备:ZB4-500电动油泵、YCW1000千斤顶张拉日期:2010年6月10日工程名称:闽南古镇桩基围护及边坡锚定工程施工单位:福建省中大工程建设有限公司编号:张拉08锚具型号:TYM15 张拉设备:ZB4-500电动油泵、YCW1000千斤顶张拉日期:2010年6 月11 日工程名称:闽南古镇桩基围护及边坡锚定工程施工单位:福建省中大工程建设有限公司编号:张拉09锚具型号:TYM15 张拉设备:ZB4-500电动油泵、YCW1000千斤顶张拉日期:2010年6月11日工程名称:闽南古镇桩基围护及边坡锚定工程施工单位:福建省中大工程建设有限公司编号:张拉10锚具型号:TYM15 张拉设备:ZB4-500电动油泵、YCW1000千斤顶张拉日期:2010年6月11日工程名称:闽南古镇桩基围护及边坡锚定工程施工单位:福建省中大工程建设有限公司编号:张拉11锚具型号:TYM15 张拉设备:ZB4-500电动油泵、YCW1000千斤顶张拉日期:2010年 6 月11日工程名称:闽南古镇桩基围护及边坡锚定工程施工单位:福建省中大工程建设有限公司编号:张拉12锚具型号:TYM15 张拉设备:ZB4-500电动油泵、YCW1000千斤顶张拉日期:2010年6月11日工程名称:闽南古镇桩基围护及边坡锚定工程施工单位:福建省中大工程建设有限公司编号:张拉13锚具型号:TYM15 张拉设备:ZB4-500电动油泵、YCW1000千斤顶张拉日期:2010年6月11日工程名称:闽南古镇桩基围护及边坡锚定工程施工单位:福建省中大工程建设有限公司编号:张拉14锚具型号:TYM15 张拉设备:ZB4-500电动油泵、YCW1000千斤顶张拉日期:2010年6月11日工程名称:闽南古镇桩基围护及边坡锚定工程施工单位:福建省中大工程建设有限公司编号:张拉15锚具型号:TYM15 张拉设备:ZB4-500电动油泵、YCW1000千斤顶张拉日期:2010年6月11日工程名称:闽南古镇桩基围护及边坡锚定工程施工单位:福建省中大工程建设有限公司编号:张拉16锚具型号:TYM15 张拉设备:ZB4-500电动油泵、YCW1000千斤顶张拉日期:2010年6月12日工程名称:闽南古镇桩基围护及边坡锚定工程施工单位:福建省中大工程建设有限公司编号:张拉17锚具型号:TYM15 张拉设备:ZB4-500电动油泵、YCW1000千斤顶张拉日期:2010年6月12日工程名称:闽南古镇桩基围护及边坡锚定工程施工单位:福建省中大工程建设有限公司编号:张拉18锚具型号:TYM15 张拉设备:ZB4-500电动油泵、YCW1000千斤顶张拉日期:2010年6月12日工程名称:闽南古镇桩基围护及边坡锚定工程施工单位:福建省中大工程建设有限公司编号:张拉19锚具型号:TYM15 张拉设备:ZB4-500电动油泵、YCW1000千斤顶张拉日期:2010年6月12日工程名称:闽南古镇桩基围护及边坡锚定工程施工单位:福建省中大工程建设有限公司编号:张拉20锚具型号:TYM15 张拉设备:ZB4-500电动油泵、YCW1000千斤顶张拉日期:2010年6月12 日工程名称:闽南古镇桩基围护及边坡锚定工程施工单位:福建省中大工程建设有限公司编号:张拉21锚具型号:TYM15 张拉设备:ZB4-500电动油泵、YCW1000千斤顶张拉日期:2010年6 月12日工程名称:闽南古镇桩基围护及边坡锚定工程施工单位:福建省中大工程建设有限公司编号:张拉22锚具型号:TYM15 张拉设备:ZB4-500电动油泵、YCW1000千斤顶张拉日期:2010年6月12日工程名称:闽南古镇桩基围护及边坡锚定工程施工单位:福建省中大工程建设有限公司编号:张拉23锚具型号:TYM15 张拉设备:ZB4-500电动油泵、YCW1000千斤顶张拉日期:2010年6 月12日工程名称:闽南古镇桩基围护及边坡锚定工程施工单位:福建省中大工程建设有限公司编号:张拉锚具型号:TYM15 张拉设备:GYJ500型挤压机张拉日期:2010年6月10日。
浅谈桩锚支护中预应力锚杆的锁定力损失随着城市化进程的加快,建筑项目建设数量不断增多,大型项目也越来越多,因此经常出现深大基坑,而桩锚支护作为一种常见的基坑支护方式。
在完成预应力锚杆施工以后,按照锚杆设计计算的数值进行张拉和锁定。
然而,在锚杆的张拉力和锁定过程中,不可避免出现预应力损失,其中锁定后的损失更加明显,经常达不到设计锁定值的要求。
这严重影响到基坑项目的建设进度和施工安全,因此引起了人们的广泛关注。
1 锚杆张拉和锁定预应力损失分析1.1 锚杆张拉时预应力损失锚杆张拉时的预应力损失表现为锚杆测力计的输出值小于油压千斤顶显示的压力,如表1为某基坑支护工程3根锚杆各级荷载测力计输出值和千斤顶压力值的对比。
通过表1看出,每级荷载下,测力计值均小于千斤顶压力值。
表1锚杆张拉时预应力损失(kN)1.2 锚杆锁定时预应力损失达到锁定值后,千斤顶卸载后预应力有显著的损失,即锁定荷载不足,达不到设计要求,通过下表看出,最大损失值为213kN,最大损失比例高达41.1%。
最大小损失值为168kN,最小损失比例36.8%(表2)。
表2以上两种预应力损失的现象非常普遍,往往被人们忽视,其结果是锁定荷载不足,预应力锚杆没有充分发挥其作用,导致基坑上部变形较大,影响基坑及周边建筑物的安全。
2 锚杆张拉及锁定工艺在基坑支护中一般采用YM系列的自锁锚具,其张拉锁定工艺见图1,其加力装置采用穿心千斤顶,用高压油泵对锚杆施加拉力,当油泵加压后,千斤顶活塞顶向工具锚和夹片1,另一端顶向限位板,压力通过限位板传递给工作锚。
随着张拉千斤顶油缸的运动,工具锚和夹片1夹紧钢绞线向张拉方向运动,同时工作锚中的夹片2也随钢绞线向后移动,当工作夹片2移动到限位板的限位工作面挡住不再继续走了。
此时工作夹片2运动的距离应当是锚具的设计限位尺寸。
达到张拉设计吨位,保持一定时间回顶时,夹片2在弹性圈的弹力所产生的与钢绞线的摩擦力的作用下,随钢绞线一起向前运动到锚环的锥孔中,在锥形所产生的正压力下,夹片牙齿嵌入钢绞线中,锚固。
锚杆张拉与锁定记录表
工程名称:
施工单位:锚杆编号:#
张拉设备:张拉日期:年月日
技术负责:工长:质检员:记录员:
甲方签字:
锚杆张拉与锁定记录表工程名称:锚杆工程
施工单位:锚杆编号:#
张拉设备:ZB4-500电动油泵、YCW100千斤顶张拉日期:1999年8 月日
技术负责:工长:质检员:记录员:
甲方签字:
锚杆张拉与锁定记录表工程名称:锚杆工程
施工单位:锚杆编号:#
张拉设备:ZB4-500电动油泵、YCW100千斤顶张拉日期:1999年8 月日
锚杆张拉与锁定记录表工程名称:锚杆工程
施工单位:锚杆编号:#
张拉设备:ZB4-500电动油泵、YCW100千斤顶张拉日期:1999年8 月日
技术负责:工长:质检员:记录员:
甲方签字:。