市委市政府数据中心机房改造(机房工程)投标报价明细表
- 格式:doc
- 大小:573.00 KB
- 文档页数:13
数据中心工程报价方案范本一、项目概况本项目为某公司新建数据中心工程,位于xx市xx区,总建筑面积约xxx平方米,设计容量为xx台服务器,预计可容纳xx台机柜。
本项目的主要功能包括机房设备安装、服务器架设、成品压铸铝材生产、高压铸铝制品设计和加工、全铝合金车辆制造以及大型压铸机制造等。
二、项目技术要求1、机房设备安装:根据机房设计要求,对空调、UPS、配电柜、机柜等设备进行安装调试,并配合电气专业人员进行配电调试。
2、服务器架设:安装服务器机柜并对服务器进行架设和调试。
3、网络布线:进行数据中心网络布线工作,包括光纤布线和网线布线。
4、监控系统:实施数据中心监控系统的安装和调试工作。
5、安全防护:数据中心安全防护设施的布置。
三、主要工程量清单1、机房设备安装:1000万元2、服务器架设:500万元3、网络布线:300万元4、监控系统:200万元5、安全防护:150万元四、费用构成1、人工费用:根据项目施工周期和人工出勤天数计算,总计300万元。
2、设备及材料费用:根据项目规模和具体设备、材料价格计算,总计100万元。
3、管理费用:根据项目管理要求和相关规定计算,总计50万元。
五、施工方案1、组织建立专门的施工队伍,专业技术人员负责安装工作。
2、按照项目进度计划,合理安排施工顺序,确保项目按期交付。
3、严格遵守相关安全规定,做好安全防护措施,确保施工过程中的安全。
六、服务保障1、提供完善的售后服务,对设备进行定期巡检和维护。
2、设备出现故障时,可及时响应并进行维修处理。
3、相关技术人员可提供技术支持和培训服务。
七、报价说明1、我们提供的报价为含税价,不包括额外的增值税。
2、报价有效期为30天。
3、报价中的费用如有变动,以双方协商后的最终签订合同为准。
4、报价不含项目施工期间的临时设施、水、电、施工机具租赁费、设备运输费等额外费用,如有需要可另行商议。
总结:作为一家拥有丰富施工经验和技术实力的公司,我们能够提供一揽子的数据中心工程解决方案,包括设备安装、网络布线、监控系统、安全防护等一系列服务。
数据中心机房收费标准一、背景介绍数据中心是现代企业和组织中不可或者缺的基础设施,它提供了安全可靠的环境来存储、处理和管理大量的数据。
数据中心机房是数据中心的核心组成部份,为客户提供了机架、服务器等设备的存放和运行环境。
为了确保数据中心机房的正常运行和服务质量,我们制定了以下收费标准。
二、机房租赁费用1. 机架租赁费用:根据机架的大小和配置,收取相应的租赁费用。
例如,标准机架租赁费用为每一个月500元,高密度机架租赁费用为每一个月800元。
2. 服务器租赁费用:根据服务器的配置和性能,收取相应的租赁费用。
例如,普通服务器租赁费用为每一个月200元,高性能服务器租赁费用为每一个月500元。
三、电力费用1. 电力基础费用:根据机房的面积和设备数量,收取相应的电力基础费用。
例如,机房面积在100平方米以下的,收取每月1000元的电力基础费用;机房面积在100平方米以上的,收取每月2000元的电力基础费用。
2. 电力使用费用:根据客户实际使用的电力量,按照每度电0.5元的价格收取电力使用费用。
例如,客户每月使用1000度电,则收取500元的电力使用费用。
四、网络带宽费用1. 基础带宽费用:根据客户所需的基础带宽大小,收取相应的基础带宽费用。
例如,基础带宽为10Mbps的,收取每月1000元的基础带宽费用;基础带宽为100Mbps的,收取每月5000元的基础带宽费用。
2. 超额带宽费用:如果客户超出了基础带宽限制,将按照每Mbps每月100元的价格收取超额带宽费用。
五、其他费用1. 机房维护费用:为了保证机房的正常运行和设备的维护,收取每月500元的机房维护费用。
2. 空调费用:根据机房面积和设备数量,收取相应的空调费用。
例如,机房面积在100平方米以下的,收取每月1000元的空调费用;机房面积在100平方米以上的,收取每月2000元的空调费用。
六、付款方式1. 租赁费用和网络带宽费用按月付款,每月5日前支付上个月的费用。
一、招标公告根据《中华人民共和国招标投标法》及相关法律法规的规定,现就本项目机房施工进行公开招标。
欢迎符合资格条件的施工单位参与投标。
二、项目概况1. 项目名称:XX公司数据中心机房改造项目2. 项目地点:XX市XX区XX路XX号3. 项目规模:总建筑面积约XX平方米,其中机房面积约XX平方米4. 项目内容:包括机房装修、设备安装、布线系统、监控系统、供电系统、消防系统等5. 项目总投资:约XX万元人民币6. 项目工期:XX个月三、投标人资格要求1. 具有独立法人资格,注册资金不少于XX万元;2. 具有机电安装工程施工总承包二级及以上资质;3. 具有良好的商业信誉和健全的财务会计制度;4. 具有类似工程业绩,近三年内完成过XX平方米以上机房的施工;5. 拥有符合项目要求的专业技术力量和施工设备;6. 无不良行为记录。
四、招标文件获取1. 招标文件获取时间:自本公告发布之日起至XX年XX月XX日止,每日上午9:00至11:30,下午14:00至17:00(北京时间)。
2. 招标文件获取地点:XX市XX区XX路XX号XX公司招标办公室。
3. 招标文件售价:人民币XX元/份,售后不退。
五、投标文件编制1. 投标文件应包括以下内容:(1)投标函;(2)法定代表人身份证明或授权委托书;(3)企业法人营业执照副本;(4)资质证书副本;(5)近三年完成的类似工程业绩证明;(6)项目经理资格证明;(7)施工组织设计;(8)投标报价;(9)其他需要提供的材料。
2. 投标文件应按照招标文件的要求装订成册,并加盖公章。
六、投标文件递交1. 投标文件递交截止时间:XX年XX月XX日9:00(北京时间)。
2. 投标文件递交地点:XX市XX区XX路XX号XX公司招标办公室。
七、开标时间及地点1. 开标时间:XX年XX月XX日9:00(北京时间)。
2. 开标地点:XX市XX区XX路XX号XX公司会议室。
八、评标办法1. 采用综合评分法进行评标。
机房建设技术方案/ 工程报价配置清单目录第一章机房工程建设方案 ......................................................1、前言...............................................1.1工程概况 ......................................1.2数据中心机房建设目标 ..........................2、土建建设方案 .......................................2.1设计依据 .....................错误 ! 未定义书签。
2.2设计要求 ......................................2.3地面装修说明 ..................................2.4吊顶装修说明 ..................................2.5隔断墙体装修说明 ..............................2.6墙体装修说明 ..................................2.7门窗装修说明 ..................................3、空调通风系统设计 ...................................3.1设计依据 ......................................3.2空调改造方案 ..................................3.3空调技术要求 .................错误 ! 未定义书签。
3.3室内空调参数 ..................................3.4机房新风系统 ..................................4、电气设计说明 .......................................4.1设计依据 ......................................4.2供电电源 ......................................4.3不间断电源系统设计 . ............................4.4配电设计 ......................................4.5照明设计说明 ..................................5、机房安全系统设计 ...................................5.1设计依据 .....................错误 ! 未定义书签。
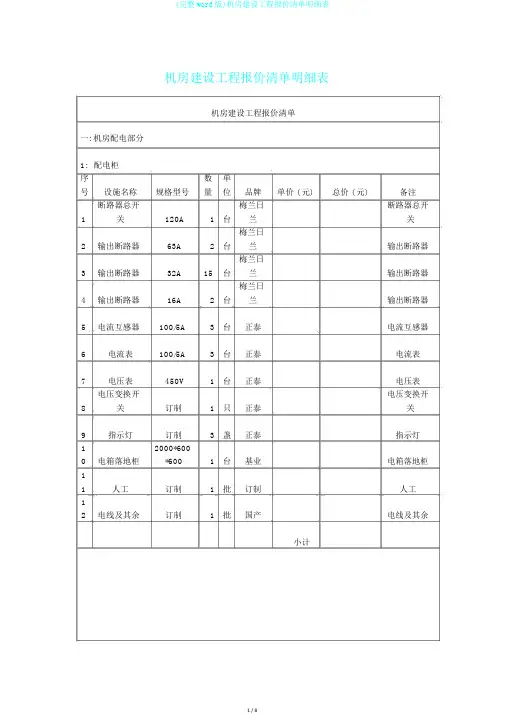
机房建设工程报价清单明细表机房建设工程报价清单一: 机房配电部分1:配电柜序数单号设施名称规格型号量位品牌单价 ( 元) 总价 ( 元) 备注断路器总开梅兰日断路器总开1 关120A 1 台兰关梅兰日2 输出断路器63A 2 台兰输出断路器梅兰日3 输出断路器32A 15 台兰输出断路器梅兰日4 输出断路器16A 2 台兰输出断路器5 电流互感器100/5A 3 台正泰电流互感器6 电流表100/5A 3 台正泰电流表7 电压表450V 1 台正泰电压表电压变换开电压变换开8 关订制 1 只正泰关9 指示灯订制 3 盏正泰指示灯1 2000*6000 电箱落地柜*600 1 台基业电箱落地柜11 人工订制 1 批订制人工12 电线及其余订制 1 批国产电线及其余小计2:电缆序号设施名称规格型号数目单位品牌单价 ( 元 ) 总价 ( 元 ) 备注1 阻燃电缆3*35mm2 300 米珠江阻燃电缆2 阻燃电缆3*16mm2 200 米珠江阻燃电缆3 阻燃电缆3*10mm2 200 米珠江阻燃电缆4 阻燃电缆3*6mm2 100 米珠江阻燃电缆5 阻燃电缆100 米珠江阻燃电缆小计3:应急灯序数单号设施名称规格型号量位品牌单价 ( 元) 总价 ( 元) 备注1 应急照明灯订制 4 盏国产应急照明灯2 应急指示灯订制 2 盏国产应急指示灯小计二: 机房防雷部分序数单号设施名称规格型号量位品牌单价 ( 元) 总价 ( 元) 备注三相电源防三相电源防1 雷器订制 3 个立信雷器单相电源防单相电源防2 雷器订制 3 个立信雷器3 汇流排订制 1 批立信汇流排4 绝缘端子订制80 个立信绝缘端子5 接地铜条订制80 米立信接地铜条多股接地专10 多股接地专6 线订制0 米立信线7 镀锡钢管订制80 米立信镀锡钢管8 铜鼻子订制 1 批立信铜鼻子各项接地处各项接地处9 理订制 1 项立信理机房天花及机房天花及1 地板引线工地板引线工0 程订制 3 项立信程小计三: 机房监控部分1:配电监控序数单号设施名称规格型号量位品牌单价 ( 元) 总价 ( 元) 备注KITOZE1 三相电量仪KTR-200 1 台R 三相电量仪2 互感器订制3 个国产互感器直流电流变直流电流变3 送器12V 1 个正泰送器配电开发协KITOZE 配电协议模4 议模块KTR-05 1 套R 块小计02:UPS 监控序数单号设施名称规格型号量位品牌单价 ( 元) 总价 ( 元) 备注UPS开发协KITOZE UPS开发协1 议模块KTR-03 4 个R 议模块小计3:精细空调监控序数单号设施名称规格型号量位品牌单价 ( 元) 总价 ( 元) 备注通信变换模KITOZE 通信变换模1 块KTR-12 1 套R 块精细空调开KITOZE 精细空调开2 发协议模块KTR-23 1 套R 发协议模块小计4:温湿度监控序号设施名称规格型号数单量位品牌单价 ( 元) 总价 ( 元) 备注温湿度传感KITOZE 温湿度传感1 器 (485) KTR-THwv 3 个R 器(485)温湿度开发KITOZE 温湿度开发2 协议模块KTR-20 1 套R 协议模块小计5:门禁监控序数单号设施名称规格型号量位品牌单价 ( 元) 总价 ( 元) 备注KITOZE1 读卡器JS-1682 台R 读卡器KITOZE2 门禁控制器FC-8012 1 台R 门禁控制器KITOZE3 磁力锁FCL-60KG 1 把R 磁力锁KITOZE4 出门按钮1010 1 个R 出门按钮KITOZE5 电锁电源12V 1 个R 电锁电源KITOZE6 闭门器KTR-10 1 个R 闭门器门禁开发协KITOZE 门禁开发协7 议模块KTR-01 1 套R 议模块小计6:消防监控部分序数单号设施名称规格型号量位品牌单价 ( 元) 总价 ( 元) 备注数字收集模KITOZE 数字收集模1 块KTR-8060 1 套R 块消防监控开KITOZE 视频开发协2 发协议模块KTR-88 1 套R 议模块小计7:机房监控管理中心序数单号设施名称规格型号量位品牌单价 ( 元) 总价 ( 元) 备注TCP/IP 变换`KITOZ TCP/IP 变换1 通信模块ktr-14 1 套ER 通信模块2 电话报警机KTR-09 1 个国产电话报警机ktr-HC-13 声光报警03 1 个国产声光报警机房动力监`KITOZ 机房动力监4 控软件KTR-06 1 套ER 0 控软件机房动力监`KITOZ 机房动力监5 控服务器KTR-20 1 台ER 控服务器网络数字采`KITOZ 网络数字采6 集机KTR-980 1 台ER 集机KTR-RS23 `KITOZ7 警号连结器2-1 1 个ER 警号连结器短信报警服`KITOZ 短信报警服8 务器KTR-NS20 1 个ER 务器小计共计:四: 气体消防序数单号设施名称规格型号量位品牌单价 ( 元) 总价 ( 元) 备注柜式灭火装柜式灭火装1 置GQQ-120 2 台良鋒置HFC-227ea HFC-227e 18 K HFC-227ea 2 药剂 a 0 G HFC 药剂气体灭火控气体灭火控3 制器 2 区 1 台良鋒制器4 手动控制盒QM-AN-01 2 个良鋒手动控制盒5 声光报警器SG-01K 2 台SG 声光报警器6 警铃ES*626 2 个国产警铃7 放气指示灯訂作 2 个国产放气指示灯KITOZE8 感烟探测器KTR-65 4 个R 感烟探测器KITOZE9 感温探测器HM-KI 8 个R 感温探测器1 二氧化碳灭 2 公斤二氧化碳灭0 火器( 手提式 ) 4 个国产火器11 灭火器箱2*2 2 个国产灭火器箱12 防毒面具40min 4 个国产防毒面具断电装置断电装置( 要求空调( 要求空调1 总开关是带总开关是带3 24V 脱扣器 ) 订制 2 个国产24V 脱扣器 )小计五: 以上所有设施共计六: 运输安装调试费 =所有设施共计 *10%七: 税金 =( 所有设施共计 +运输安装调试费 )*6%八: 系统工程总价 =所有设施共计 +运输安装调试费 +税金。
机房建设预算表1. 引言本文档提供了机房建设的预算表。
机房建设是一项重要的投资,需要确保经济合理、高效可靠,并满足业务需求。
本预算表将详细列出机房建设的各项费用,以帮助决策者进行预算和决策。
2. 机房建设费用机房建设费用主要包括以下几个方面的支出。
2.1. 办公设备和家具购置费用项目数量单价(元)总费用(元)机房服务器10 5000 50000交换机 5 10000 50000路由器 2 15000 30000电脑20 2000 40000电源设备10 3000 30000机架 5 500 2500办公家具10 1000 10000防火墙 1 20000 20000 机房空调设备 2 30000 60000 网络布线 1 10000 10000 总计- - 270500 2.2. 网络设备购置费用项目数量单价(元)总费用(元)交换机10 10000 100000路由器 5 15000 75000光纤模块20 2000 40000网络布线 1 10000 10000总计- - 2150002.3. 电力物资购置费用项目数量单价(元)总费用(元)电缆100 100 10000线路保护器10 500 5000电源开关插座20 200 4000线缆夹具20 50 1000电线200 50 10000火灾报警器 5 1000 5000总计- - 340002.4. 施工费用费用项目数量单价(元)总费用(元)拆除工程 1 10000 10000建筑工程 1 50000 50000地板铺设 1 20000 20000防火墙安装 1 10000 10000门窗安装 1 5000 5000空调安装 1 20000 20000网络布线 1 10000 10000总计- - 1750002.5. 其他费用费用项目数量单价(元)总费用(元)咨询费 1 10000 10000保险费 1 5000 5000安全防护费 1 5000 5000总计- - 200003. 总预算费用项目总费用(元)办公设备和家具购置270500网络设备购置215000电力物资购置34000施工费用175000其他费用20000总计7205004. 结论本文档提供了一份机房建设的预算表,总计为720,500元。
一、招标公告根据《中华人民共和国招标投标法》及有关法律法规的规定,现对机房建设工程进行公开招标。
欢迎具有相应资质的企业参加投标。
项目名称:XX公司机房建设工程项目地点:XX市XX区XX路XX号招标单位:XX公司招标代理机构:XX招标代理有限公司招标内容:机房装修、设备采购及安装调试等。
二、项目概况1. 项目背景:为满足公司业务发展需要,提高公司信息化水平,现计划建设一个现代化的机房。
该机房将作为公司数据中心,用于存储、处理和传输公司重要数据。
2. 项目规模:机房面积约为500平方米,包括主机房、辅助机房、办公室等区域。
3. 建设内容:(1)机房装修:包括地面、墙面、天花板的装修,以及门窗、隔断等设施;(2)设备采购及安装调试:包括服务器、存储设备、网络设备、UPS电源、空调等;(3)综合布线:包括电源布线、网络布线、监控布线等;(4)环境监控:包括温度、湿度、烟雾等环境参数的监控;(5)安全系统:包括门禁系统、监控报警系统等。
三、投标人资格要求1. 具有独立法人资格,注册资金不少于1000万元;2. 具有有效的营业执照、税务登记证、组织机构代码证;3. 具有建筑装修装饰工程专业承包二级及以上资质;4. 具有电子与智能化工程专业承包二级及以上资质;5. 具有良好的财务状况和信誉,无不良记录;6. 具有类似项目经验,并在过去三年内完成过至少一个类似规模的机房建设工程。
四、投标文件要求1. 投标书应包括以下内容:(1)投标函;(2)法定代表人身份证明或授权委托书;(3)企业法人营业执照副本复印件;(4)资质证书副本复印件;(5)类似项目业绩证明材料;(6)企业财务报表;(7)项目经理及主要技术人员简历;(8)施工组织设计;(9)投标报价;(10)其他相关材料。
2. 投标文件应密封完好,并在封口处加盖公章。
五、招标程序1. 投标人应于招标文件规定的投标截止时间前递交投标文件;2. 招标代理机构将对投标文件进行初步审查,对符合条件的投标文件进行开标;3. 开标后,招标委员会将根据投标文件的内容、技术方案、报价等因素进行综合评定,确定中标人;4. 中标人应在接到中标通知书后一定时间内与招标单位签订合同。
机房建设方案及报价清单Document number:PBGCG-0857-BTDO-0089-PTT1998机房建设技术方案/工程报价配置清单目录第一章机房工程建设方案1、前言数据中心基础设施的建设,很重要的一个环节就是计算机机房的建设。
计算机机房工程不仅集建筑、电气、安装、网络等多个专业技术于一体,更需要丰富的工程实施和管理经验。
计算机房设计与施工的优劣直接关系到机房内计算机系统是否能稳定可靠地运行,是否能保证各类信息通讯畅通无阻。
计算机机房既要保障机房设备安全可靠的正常运行,延长计算机系统使用寿命,又能为系统管理员创造一个舒适的工作环境,能够满足系统管理人员对温度、湿度、洁净度、电磁场强度、噪音干扰、安全保安、防漏、电源质量、振动、防雷和接地等的要求。
所以,一个合格的现代化计算机机房,应该是一个安全可靠、舒适实用、节能高效和具有可扩充性的机房。
工程概况xxx机房面积大约为50m2左右,拟改造成国家标准机房,作为大楼的数据中心。
中心机房按功能划分配电区、气体灭火区、网络机房、主控间、办公间。
数据中心机房建设目标京南物流供应链信息管理系统机房的需求,将设计目标分析如下:机房建设将以国家A类标准进行建设机房土建装修设计(将满足机房防尘、防潮、抗静电、电磁屏蔽等机房环境需求)机房供配电系统设计(将满足机房高质量、持续、稳定供电需求)机房精密空调系统设计(将满足机房温度调节、湿度调界、风量调节等需求)机房安全系统(将满足机房防盗、门禁、防雷接地、消防灭火等物理安全需求)机房环境监控系统(将满足机房设备运行情况监控)机房KVM管理(将满足机房内服务器、网络设备管理需求)2、土建建设方案设计依据《电子计算机场地通用规范》(GB/T-2887-2000)《电子计算机机房设计规范》(GB50174-93)《计算站场地安全要求》(GB 9391-88)《防静电活动地板通用规范》(GB 6650-86)《高层民用建筑设计防火规范》(GB 50045-95)2001年版《建筑内部装修设计防火规范》(GB 50222-95)《电磁辐射防护规定》(GB8702-88)《电子计算机机房施工及验收规范》(SJ/T 30003-97)《建筑装饰工程施工及验收规范》(JGJ 73-91)《民用建筑工程室内环境污染控制规范》(GB50325-2001)《办公建筑设计规范》(JGJ67-89)设计要求装修需要满足防火、放静电、防尘、防盗、防噪音、屏蔽需求.地面装修说明数据中心机房地板铺设高度为米,为空调下送风和强弱电管道预留空间,机房地板采用华东环球优质600X600全钢耐磨抗静电地板,在支架下边刷粘和漆,在地板下边在UPS区域加固,并做散立支撑,分载UPS承重问题,办公区采用高档木地板。
20XX 专业合同封面COUNTRACT COVER甲方:XXX乙方:XXX2024年机房装修工程预算本合同目录一览第一条工程概述1.1 工程名称:2024年机房装修工程1.2 工程地点:公司机房1.3 工程范围:机房内部装修,包括地面、墙面、天花板装修,电路布线,网络设备安装等第二条预算金额2.1 总预算金额:人民币万元整2.2 预算构成:材料费用、施工费用、设备费用、管理费用等第三条材料及设备3.1 材料要求:符合国家相关标准,具有合格证明第四条施工周期4.1 施工开始日期:2024年X月X日4.2 施工结束日期:2024年X月X日第五条付款方式5.1 付款条件:工程进度按阶段完成,经双方验收合格后支付相应款项5.2 付款比例:合同总额的30%为预付款,工程进度达到50%时支付30%,工程完工并验收合格后支付剩余的40%第六条工程质量保证6.1 质量保证期限:自工程验收合格之日起一年6.2 质量保证内容:工程质量不符合合同约定标准的,施工方负责免费修复或更换第七条违约责任7.1 施工方违约:未能按照约定时间完成工程,或工程质量不符合合同约定标准的,应承担违约责任7.2 甲方违约:未按约定时间支付款项,或未提供施工条件的,应承担违约责任第八条争议解决8.1 双方在履行合同过程中发生的争议,应通过友好协商解决8.2 若协商不成,任何一方均有权向合同签订地人民法院提起诉讼第九条合同的变更和解除9.1 合同的变更:双方同意,可签订补充协议,对合同内容进行变更9.2 合同的解除:因不可抗力或其他无法预见的原因导致合同无法履行,双方协商一致可以解除合同第十条保密条款10.1 双方在合同履行过程中所获悉的对方的商业秘密和机密信息,应予以严格保密10.2 保密期限:自合同签订之日起至合同终止或履行完毕之日止第十一条合同的生效和终止11.1 本合同自双方签字盖章之日起生效11.2 合同终止条件:工程验收合格,甲方支付完毕全部款项第十二条甲方义务12.1 提供施工场地,确保施工顺利进行12.2 按照约定时间支付工程款项第十三条乙方义务13.1 按照合同约定完成工程,保证工程质量13.2 妥善保管甲方提供的施工材料和设备第十四条其他约定14.1 双方同意,本合同未尽事宜,可另行协商补充14.2 本合同一式两份,甲乙双方各执一份,具有同等法律效力第一部分:合同如下:第一条工程概述1.1 工程名称:2024年机房装修工程1.2 工程地点:公司机房位于上海市浦东新区路号,具体位置见附件一1.3 工程范围:机房内部装修,包括地面、墙面、天花板装修,电路布线,网络设备安装等,具体工程内容见附件二第二条预算金额2.1 总预算金额:人民币肆佰万元整(¥4,000,000)2.2 预算构成:材料费用、施工费用、设备费用、管理费用等,具体预算明细见附件三第三条材料及设备3.1 材料要求:所有材料必须符合国家相关标准,具有合格证明,具体要求见附件四第四条施工周期4.1 施工开始日期:2024年4月1日4.2 施工结束日期:2024年6月30日,如因不可抗力因素导致工程延期,双方协商解决第五条付款方式5.1 付款条件:工程进度按阶段完成,经双方验收合格后支付相应款项5.2 付款比例:合同总额的30%为预付款,工程进度达到50%时支付30%,工程完工并验收合格后支付剩余的40%第六条工程质量保证6.1 质量保证期限:自工程验收合格之日起一年6.2 质量保证内容:工程质量不符合合同约定标准的,施工方负责免费修复或更换,具体要求见附件六第七条违约责任7.1 施工方违约:未能按照约定时间完成工程,或工程质量不符合合同约定标准的,应承担违约责任,具体违约责任见附件七7.2 甲方违约:未按约定时间支付款项,或未提供施工条件的,应承担违约责任,具体违约责任见附件七第八条争议解决8.1 双方在履行合同过程中发生的争议,应通过友好协商解决。
市委市政府数据中心机房改造(机房工程)投标报价明细表
(此格式仅作参考,投标文件勿必实质响应招标文件)
投标人名称:采购文件编号:****
包号:单位:元报价项目明细金额备注
设备总报价
交纳国税
交纳地税
运输、装卸费用
安装、调试费用
利润
合计
注:(1)报价明细合计=投标总报价;
(2)报价明细所列项中,未发生费用的项不填写或填“无”,若供应商在销售本项目设备时发生有其他费用,可在报价明细中添加。
附件5:投标分项报价表格式
注明:1、如果按单价计算的结果与投标报价明细表设备总报价不一致,以单价为准修正总价。
2、如果不提供详细分项报价将视为没有实质性响应招标文件。
3、表内应填金额以“元”为单位进行填写。
4、若表内注明数量与“招标需求、技术规范及要求”不一致,以“招标需求、技术规范及要求”为准。
投标分项报价汇总表
机房装饰工程分项报价清单
注:未标明数量的请投标方自行核定
新、排风系统分项报价清单
注:未标明数量的请投标方自行核定
空调系统分项报价清单
注:未标明数量的请投标方自行核定
供配电工程分项报价清单
注:未标明数量的请投标方自行核定
接地防雷工程分项报价清单
注:未标明数量的请投标方自行核定
综合布线系统分项报价清单
注:未标明数量的请投标方自行核定
KVM系统分项报价清单
门禁系统分项报价清单
注:未标明数量的请投标方自行核定
机房集中监控系统分项报价清单
气体消防系统分项报价清单
注:未标明数量的请投标方自行核定
机柜分项报价清单
办公家俱系统分项报价清单。