塔机附着计算书实例
- 格式:docx
- 大小:196.70 KB
- 文档页数:9
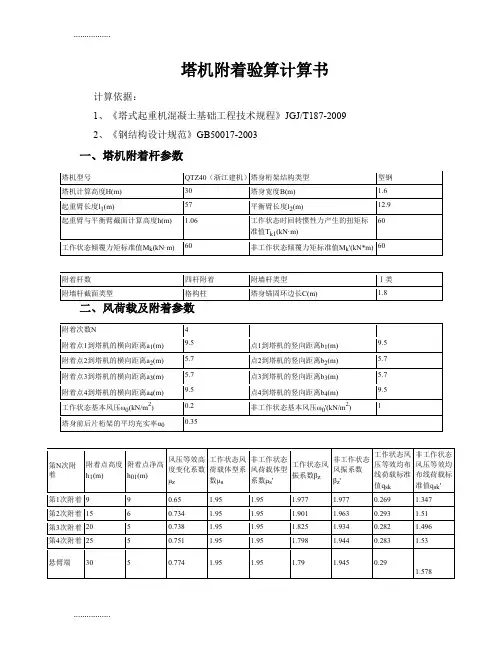
塔机附着验算计算书塔机附着验算计算书计算依据:1、《塔式起重机混凝土基础工程技术规程》JGJ/T187-20092、《钢结构设计规范》GB50017-2003一、塔机附着杆参数塔机型号QTZ40(浙江建机)塔身桁架结构类型型钢塔机计算高度H(m) 30 塔身宽度B(m) 1.6 起重臂长度l1(m) 57 平衡臂长度l2(m) 12.9 起重臂与平衡臂截面计算高度h(m) 1.06 工作状态时回转惯性力产生的扭矩标准值T k1(kN·m)60工作状态倾覆力矩标准值M k(kN·m) 60 非工作状态倾覆力矩标准值M k'(kN*m)60附着杆数四杆附着附墙杆类型Ⅰ类附墙杆截面类型格构柱塔身锚固环边长C(m) 1.8附着次数N 4附着点1到塔机的横向距离a1(m) 9.5 点1到塔机的竖向距离b1(m) 9.5 附着点2到塔机的横向距离a2(m) 5.7 点2到塔机的竖向距离b2(m) 5.7 附着点3到塔机的横向距离a3(m) 5.7 点3到塔机的竖向距离b3(m) 5.7 附着点4到塔机的横向距离a4(m) 9.5 点4到塔机的竖向距离b4(m) 9.5 工作状态基本风压ω0(kN/m2) 0.2 非工作状态基本风压ω0'(kN/m2) 1塔身前后片桁架的平均充实率α00.35第N次附着附着点高度h1(m)附着点净高h01(m)风压等效高度变化系数μz工作状态风荷载体型系数μs非工作状态风荷载体型系数μs'工作状态风振系数βz非工作状态风振系数βz'工作状态风压等效均布线荷载标准值q sk非工作状态风压等效均布线荷载标准值q sk'第1次附着9 9 0.65 1.95 1.95 1.977 1.977 0.269 1.347第2次附着15 6 0.734 1.95 1.95 1.901 1.963 0.293 1.51第3次附着20 5 0.738 1.95 1.95 1.825 1.934 0.282 1.496第4次附25 5 0.751 1.95 1.95 1.798 1.944 0.283 1.53 着悬臂端30 5 0.774 1.95 1.95 1.79 1.945 0.29 1.578 Array塔机附着立面图三、工作状态下附墙杆内力计算1、在平衡臂、起重臂高度处的风荷载标准值q kq k=0.8βzμzμsω0α0h=0.8×1.79×0.774×1.95×0.2×0.35×1.06=0.16kN/m2、扭矩组合标准值T k由风荷载产生的扭矩标准值T k2T k2=1/2q k l12-1/2q k l22=1/2×0.16×572-1/2×0.16×12.92=246.607kN·m集中扭矩标准值(考虑两项可变荷载控制的组合系数取0.9)T k=0.9(T k1+ T k2)=0.9×(60+246.607)=275.946kN·m3、附着支座反力计算计算简图塔身上部第一附着点(塔身悬臂支承端)的支承反力最大,应取该反力值作为附着装置及建筑物支承装置的计算载荷。
塔机附着验算计算书计算依据:1、《塔式起重机混凝土基础工程技术规程》JGJ/T187-20092、《钢结构设计规范》GB50017-2003一、塔机附着杆参数第N次附着附着点高度h1(m)附着点净高h01(m)风压等效高度变化系数μz工作状态风荷载体型系数μs非工作状态风荷载体型系数μs'工作状态风振系数βz非工作状态风振系数βz'工作状态风压等效均布线荷载标准值q sk非工作状态风压等效均布线荷载标准值q sk'第1次附着9 9 0.65 1.95 1.95 1.977 1.977 0.269 1.347 第2次附着15 6 0.734 1.95 1.95 1.901 1.963 0.293 1.51 第3次附着20 5 0.738 1.95 1.95 1.825 1.934 0.282 1.496 第4次附着25 5 0.751 1.95 1.95 1.798 1.944 0.283 1.53悬臂端30 5 0.774 1.95 1.95 1.79 1.945 0.291.578附图如下:塔机附着立面图三、工作状态下附墙杆内力计算1、在平衡臂、起重臂高度处的风荷载标准值q kq k=0.8βzμzμsω0α0h=0.8×1.79×0.774×1.95×0.2×0.35×1.06=0.16kN/m2、扭矩组合标准值T k由风荷载产生的扭矩标准值T k2T k2=1/2q k l12-1/2q k l22=1/2×0.16×572-1/2×0.16×12.92=246.607kN·m集中扭矩标准值(考虑两项可变荷载控制的组合系数取0.9)T k=0.9(T k1+ T k2)=0.9×(60+246.607)=275.946kN·m3、附着支座反力计算计算简图塔身上部第一附着点(塔身悬臂支承端)的支承反力最大,应取该反力值作为附着装置及建筑物支承装置的计算载荷。
塔吊附着计算书1、附着装置布置方案根据塔机生产厂家提供的标准,附着距离一般为3~5 m,附着点跨距为7~8 m[1,2],塔机附着装置由附着框架和附着杆组成,附着框架多用钢板组焊成箱型结构,附着杆常采用角钢或无缝钢管组焊成格构式桁架结构,受力不大的附着杆也可用型钢或钢管制成。
根据施工现场提供的楼面顶板标高,按照QTZ63 系列5013 型塔式起重机的技术要求,需设4道附着装置,以满足工程建设最大高度100 m 的要求。
附着装置布置方案如图2 所示。
图1塔吊简图与计算简图塔吊基本参数附着类型类型1 最大扭矩270.00 kN·m最大倾覆力矩1350.00 kN·m 附着表面特征槽钢塔吊高度110 m 槽钢型号18A塔身宽度1645*1645*2800 mm风荷载设计值(福州地区)0.41附着框宽度 3.00 m 尺寸参数附着节点数 4 附着点1到塔吊的竖向距离 3.00 m第I层附着附着高度附着点1到塔吊的横向距离 3.00 m第8层23.45 m 附着点1到附着点2的距离9.00 m第16层46.65 m 独立起升高度40 m第24层70.85 m 附着起升高度151.2 m第31层95.95 m图2塔吊附着简图三、第一道附着计算塔机按照说明书与建筑物附着时,最上面一道附着装置的负荷最大,因此以此道附着杆的负荷作为设计或校核附着杆截面的依据。
第一道附着的装置的负荷以第四道附着杆的负荷作为设计或校核附着杆截面计算,第一道附着高度计划在第8层楼层标高为23.45米。
(一)、支座力计算附着式塔机的塔身可以简化为一个带悬臂的刚性支撑连续梁,其内力及支座反力计算如下:风荷载取值:Q = 0.41kN;塔吊的最大倾覆力矩:M = 1668.00kN;弯矩图变形图剪力图计算结果: N w = 105.3733kN ;(二)、附着杆内力计算计算简图:计算单元的平衡方程:其中:2.1 第一种工况的计算:塔机满载工作,风向垂直于起重臂,考虑塔身在最上层截面的回转惯性力产生的扭矩合风荷载扭矩。
塔机附着验算计算书计算依据:1、《塔式起重机混凝土基础工程技术规程》JGJ/T187-20092、《钢结构设计规范》GB50017-2003一、塔机附着杆参数塔机附着立面图三、工作状态下附墙杆内力计算1、在平衡臂、起重臂高度处的风荷载标准值q kq k=0.8βzμzμsω0α0h=0.8×1.68×1.291×1.95×0.2×0.35×1.06=0.251kN/m 2、扭矩组合标准值T k由风荷载产生的扭矩标准值T k2T k2=1/2q k l12-1/2q k l22=1/2×0.251×562-1/2×0.251×12.92=372.684kN·m 集中扭矩标准值(考虑两项可变荷载控制的组合系数取0.9)T k=0.9(T k1+ T k2)=0.9×(276.9+372.684)=584.626kN·m3、附着支座反力计算计算简图塔身上部第一附着点(塔身悬臂支承端)的支承反力最大,应取该反力值作为附着装置及建筑物支承装置的计算载荷。
剪力图得:R E=120.106kN在工作状态下,塔机起重臂位置的不确定性以及风向的随机性,在计算支座7处锚固环截面内力时需考虑塔身承受双向的风荷载和倾覆力矩及扭矩。
4、附墙杆内力计算支座7处锚固环的截面扭矩T k(考虑塔机产生的扭矩由支座7处的附墙杆承担),水平内力N w=20.5R E=169.856kN。
计算简图:塔机附着示意图塔机附着平面图α1=arctan(b1/a1)=79.765°α2=arctan(b2/a2)=75.12°α3=arctan(b3/a3)=69.753°β1=arctan((b1+c/2)/(a1+c/2))=74.805°β2=arctan((b2+c/2)/(a2-c/2))=87.728°β3=arctan((b3+c/2)/(a3+c/2))=65.772°各杆件轴力计算:ΣM O=0T1×sin(α1-β1)×(b1+c/2)/sinβ1+T2×sin(α2-β2)×(b2+c/2)/sinβ2-T3×sin(α3-β3)×(b3+c/2)/sinβ3-T k=0ΣM h=0-T2×sinα2×c-T3×sinα3×c+N w×cosθ×c/2-N w×sinθ×c/2-T k=0ΣM g=0T1×sinα1×c+N w×sinθ×c/2+N w×cosθ×c/2-T k=0(1)θ由0~360°循环,当T k按图上方向设置时求解各杆最大轴拉力和轴压力:最大轴压力T1=452.184kN,T2=0kN,T3=260.043kN最大轴拉力T1=0kN,T2=495.56kN,T3=347.043kN(2)θ由0~360°循环,当T k按图上反方向设置时求解各杆最大轴拉力和轴压力:最大轴压力T1=0kN,T2=495.561kN,T3=347.042kN最大轴拉力T1=452.184kN,T2=0kN,T3=260.044kN四、非工作状态下附墙杆内力计算此工况下塔机回转机构的制动器完全松开,起重臂能随风转动,故不计风荷载产生的扭转力矩。
塔吊附墙验算计算书塔机附着验算计算书本文的计算依据为《塔式起重机混凝土基础工程技术标准》/T187-2019和《钢结构设计标准》GB-2017.一、塔机附着杆参数塔机型号为QTZ63(TC5610)-中塔身桁架结构类型,计算高度为98m,起重臂长度为56m,起重臂与平衡臂截面计算高度为1.06m。
塔身宽度为1.6m,平衡臂长度为12.9m。
工作状态时扭矩标准值Tk1为269.3kN·m,包含风荷载。
非工作状态下不平衡自重引起的倾覆力矩标准值Mk'为1940kN·m(反向),工作状态下不平衡自重引起的倾覆力矩标准值Mk为1720kN·m。
附着杆数为四杆附着,附墙杆截面类型为格构柱,附墙杆类型为Ⅰ类,塔身锚固环边长为1.8m。
二、风荷载及附着参数附着次数为2,附着点1到塔机的横向距离为5m,附着点2到塔机的横向距离为2.2m,附着点3到塔机的横向距离为2.2m,附着点4到塔机的横向距离为2.2m。
工作状态基本风压ω为0.2kN/m,塔身前后片桁架的平均充实率α为0.35.点1到塔机的竖向距离为2m,点2到塔机的竖向距离为4.8m,点3到塔机的竖向距离为3.2m,点4到塔机的竖向距离为3.2m。
非工作状态基本风压ω'为0.35kN/m。
工作状态和非工作状态的风压等效高、工作状态和非工作状态的附着点高度、附着点净高、工作状态风压等效均布荷载等参数均有具体数值,这里不再赘述。
285.472kN时,支座6处附墙杆内力计算如下:考虑塔机产生的扭矩由支座6处的附墙杆承担,因此需要计算支座6处锚固环的截面扭矩T。
根据扭矩组合标准值T kTk1269.3kN·m,可得到T的值。
同时考虑塔身承受双向的风荷载和倾覆力矩及扭矩,需要将水平内力Nw计算出来。
根据计算简图和塔机附着示意图、平面图,可以得到α和β的值,并用力法计算各杆件轴力。
最终得到支座6处附墙杆的水平内力Nw20.5RE285.472kN。
塔机附着计算书实例-CAL-FENGHAI.-(YICAI)-Company One1H5810塔式起重机非标附着计算书一、设计依据GB/T 13752-92《塔式起重机设计规范》二、设计说明1、本方案仅适用于我公司QTZ80(H5810)塔机在以下附着示意图方式的使用;2、任何力学或几何方式的改变均不再适用于本方案。
三、QTZ80(H5810)塔机附着平面内的最大载荷见下表:工作状态非工作状态水平力F(KN)0~360°扭矩Mk水平力F(KN)0~360°扭矩Mk125±2202300四、附着示意图各附着杆长度(表二)五、附着杆受力及附着点反力工作状态各附着杆最大受力(表三)非工作状态各附着杆最大受力(表四)通过以上分析,选取以下各附着杆的最大受力工况进行校核:工作状态各附着点最大受力(表五)非工作状态各附着点最大受力(表六)通过以上分析,附着点最大反力见下表:(表七)六、附着杆校核附着杆截面示意图以下仅对附着杆1~4进行分析计算;附着杆主肢:∠50×50×5,Q235,截面积A1=480mm2;附着杆缀条:∠30×30×3,Q235,截面积A2=175mm2;附着杆截面边长a1=(mm)附着杆截面边长a2=(mm)附着杆1重量:G1=210(kg)附着杆2重量:G2=175(kg)附着杆3重量:G2=170(kg)附着杆4重量:G2=206(kg)附着杆最大截面主肢X轴总惯性矩:Imax=(mm^4)附着杆最小截面主肢X轴总惯性矩:Imin=(mm^4)主弦单肢弱轴惯性矩:I1=46400(mm^4) 缀条弱轴惯性矩:Iz=6100(mm^4) 缀条跨距L1=(mm ) 材料安全系数:k=整体惯性半径:r =(mm )主弦单肢惯性半径:1r =mm )缀条惯性半径:r z =(mm ) r= r1= rz= 根据minmaxI I 和附着杆变截面型式确定计算长度系数μ μ= ;附着杆主肢结构长细比:r L μλ= 附着杆主弦单肢长细比:111r L λ=附着杆缀条长细比:z zλ=附着杆换算长细比:λ=换140.69λ=61.07z λ=167.74λ=换;253.02λ=换; 50.31λ=换3;64.96λ=换4附着杆长细比<120,整体刚度满足要求!附着杆主弦单肢长细比≤倍整体长细比,主弦单肢刚度满足要求! 附着杆缀条长细比<120,缀条刚度满足要求! 附着杆1~4整体刚度满足要求! 附着杆1~4主弦单肢刚度满足要求! 附着杆1~4缀条刚度满足要求!查表得附着杆整体受压稳定系数:10.765ψ=;20.842ψ=; 30.855ψ=;20.780ψ=查表得附着杆主弦单肢受压稳定系数:ψ1= 查表得附着杆缀条受压稳定系数:ψz= 附着杆自重产生的弯矩108GLM =(); M1=2083725() M2=() M3=1226975() M4=()附着杆截面远点至弱轴距离h=150(mm ) 附着杆抗弯模量hI W =(mm^3) W=(mm^3)欧拉临界载荷22E EAF πλ=换(N)1850285.16E F N =;21387770.08E F N =; 31541425.93E F N =;4924732.91E F N =1、附着杆整体稳定性验算:1+1-0.9EF M FA W F σϕ⎛⎫⎪⎪= ⎪ ⎪⎝⎭188.55MPa σ=;2139.69MPa σ=; 3141.31MPa σ=;490.29MPa σ=σ<235/=175附着杆1~4整体稳定性满足要求! 2、附着杆主弦单肢稳定性验算:d 1F A σϕ=d166.80MPa σ=;d2124.88MPa σ=; d3128.95MPa σ=;d470.28MPa σ=σd <235/=175附着杆1~4主弦单肢稳定性满足要求! 3、附着杆缀条稳定性校核附着杆侧向力:c F =缀条轴力:z F =zZ z zF A σϕ=18.57Z MPa σ=;213.52Z MPa σ=; 313.68Z MPa σ=;28.74Z MPa σ=σz <235/=175附着杆1~4缀条满足要求!综述:各附着杆经过校核均满足使用要求!。
塔机附着验算计算书计算依据:1、《塔式起重机混凝土基础工程技术标准》JGJ/T187-20192、《钢结构设计标准》GB50017-2017一、塔机附着杆参数塔机附着立面图三、工作状态下附墙杆内力计算1、扭矩组合标准值T k回转惯性力及风荷载产出的扭矩标准值:T k=T k1=234kN·m2、附着支座反力计算计算简图剪力图得:R E=38.033kN在工作状态下,塔机起重臂位置的不确定性以及风向的随机性,在计算支座4处锚固环截面内力时需考虑塔身承受双向的风荷载和倾覆力矩及扭矩。
3、附墙杆内力计算支座4处锚固环的截面扭矩T k(考虑塔机产生的扭矩由支座4处的附墙杆承担),水平内力N w=20.5R E=53.787kN。
计算简图:塔机附着示意图塔机附着平面图α1=arctan(b1/a1)=62.526°α2=arctan(b2/a2)=50.906°α3=arctan(b3/a3)=50.906°α4=arctan(b4/a4)=62.526°β1=arctan((b1-c/2)/(a1+c/2))=49.514°β2=arctan((b2+c/2)/(a2+c/2))=49.514°β3=arctan((b3+c/2)/(a3+c/2))=49.514°β4=arctan((b4-c/2)/(a4+c/2))=49.514°四杆附着属于一次超静定结构,用力法计算,切断T4杆并代以相应多余未知力X1= 1。
δ11× X1+Δ1p=0X1=1时,各杆件轴力计算:T11×sin(α1-β1)×(b1-c/2)/sinβ1+T21×sin(α2-β2)×(b2+c/2)/sinβ2-T31×sin(α3-β3)×(b3+c/2)/sinβ-1×sin(α4-β4)×(b4-c/2)/sinβ4=03T11×cosα1×c-T31×sinα3×c-1×cosα4×c-1×sinα4×c=0T21×cosα2×c+T31×sinα3×c-T31×cosα3×c+1×sinα4×c=0当N w、T k同时存在时,θ由0~360°循环,各杆件轴力计算:T1p×sin(α1-β1)×(b1-c/2)/sinβ1+T2p×sin(α2-β2)×(b2+c/2)/sinβ2-T3p×sin(α3-β3)×(b3+c/2)/sinβ-T k=03T1p×cosα1×c-T3p×sinα3×c-N w×sinθ×c/2+N w×cosθ×c/2-T k=0T2p×cosα2×c-T3p×sinα3×c+T3p×cosα3×c-N w×sinθ×c/2-N w×cosθ×c/2-T k=0δ11=Σ(T12L/(EA))=T112(a1/cosα1)/(EA)+T212(a2/cosα2)/(EA)+T312(a3/cosα3)/(EA)+12(a4/co sα4)/(EA)Δ1p=Σ(T1×T p L/(EA))=T11×T1p(a1/cosα1)/(EA)+T21×T2p(a2/cosα2)/(EA)+T31×T3p(a3/cosα3) /(EA)X1= -Δ1p/δ11各杆轴力计算公式如下:T1= T11×X1+ T1p,T2= T21×X1+T2p,T3=T31×X1+T3p,T4=X1(1)θ由0~360°循环,当T k按图上方向设置时求解各杆最大轴拉力和轴压力:最大轴压力T1=118.751kN,T2=0kN,T3=126.716kN,T4=0kN最大轴拉力T1=0kN,T2=126.801kN,T3=0kN,T4=118.844kN(2)θ由0~360°循环,当T k按图上反方向设置时求解各杆最大轴拉力和轴压力:最大轴压力T1=0kN,T2=126.801kN,T3=0kN,T4=118.844kN最大轴拉力T1=118.751kN,T2=0kN,T3=126.716kN,T4=0kN四、非工作状态下附墙杆内力计算此工况下塔机回转机构的制动器完全松开,起重臂能随风转动,故不计风荷载产生的扭转力矩。
世纪星城12#楼塔式起重机附着计算书建设单位:陕西三雄房地产开发有限公司施工单位:陕西晟泰建筑机械有限公司使用单位:陕西晟方建设工程有限公司设备型号:QTZ80塔式起重机生产厂家:浙江德清华杨科技有限公司设备代码:4310 10B98 2011 0215出厂日期:2011年9月检验日期:3013年8月30日验算人:工程概况世纪星城12#楼位于小区中央,建筑面积14385.79㎡,地下2层,地上18层,剪力墙结构,建筑高度54.45m。
本工程安装一台浙江德清华杨科技有限公司生产的,附着式QTZ80塔式起重机(安装位置—图1)。
附着计算塔机按照说明书与建筑物附着时,最上面一道附着装置的负荷最大,因此以此道附着杆的负荷作为设计或校核附着杆截面的依据。
一、主要参数塔吊型号: QTZ80 塔吊最大起重力矩:M =800kN.m非工作状态下塔身弯矩:M =-200kN.m 塔吊高度:H =70m塔身宽度:B =2.2m 附着框宽度:3m最大扭矩:0kN.m 风荷载设计值:0.84kN/m2附着节点数:3 各层附着高度分别(m):25.2;39.2;53.2 附着杆选用:Φ100,壁厚15钢管附着点1到塔吊的竖向距离:b1=9m附着点1到塔吊的横向距离:a1=2.5m 附着点1到附着点2的距离:a2=3.5m附着点1到附着点3的距离:a3=7.0m 附着点3到塔基的高度:h1=53.2m附着式塔机的塔身可以视为一个带悬臂的刚性支撑连续梁,其内力及支座反力计算如下:1、风荷载计算风荷载标准值应按照以下公式计算W k=W O×U Z×U S×βZ其中W0——风压(kN/m2),按照《建筑结构荷载规范》(GBJ9)的规定采用:W0=0.45kN/m2Uz——风荷载高度变化系数,按照《建筑结构荷载规范》(GBJ9)的规定采用:Uz=2.380U S——风荷载体型系数:U S=2.400βZ——风振系数,依据《建筑结构荷载规范》结构在Z高度处的风振系数按公式7.4.2条规定计算得βz=0.70风荷载标准值验算:W k=W O×U Z×U S×βZ=0.45×2.38×2.4×0.7=1.799 kN/m2风荷载的水平作用力计算:Nw=Wk×B×Ks其中Wk——风荷载水平压力,Wk=1.799kN/m2B——塔吊作用宽度,B=2.0mKs——迎风面积折减系数,Ks=0.20Nw=Wk×B×Ks=1.799×2×0.2=0.72 kN/m2结论:世纪星城12#楼塔吊风水平荷载符合《建筑结构荷载规范》(GBJ9)的规定。
QTZ63塔机附着计算书一、塔机附着架受力情况(按三弯矩方程计算结果):工作工况 :水平力 F h =28.5KN扭矩 Mz=412kN. m非工作工况水平力 F h =107KN扭矩 Mz=0二附着撑杆设计计算整体稳定性校核(计算最长的L撑杆 L2)L1=14130mm、L2=14520mm 、L3=14760mm计算条件:撑杆力: Fmax=189KN撑杆材料:角钢∠ 70×5/Q235B [ λ]=138撑杆力学模型如图1.刚度验算:初选角钢∠ 70× 5/Q235B,四肢构成的截面为 L× L=300mm×300mm 撑杆截面惯性矩I=1.31 × 10 mm84截面回转半径: i= (I/A )1/2 =150.8mm则长细比为:λ =Lo/i=89.5缀条采用∠ 50× 5/Q235B则折算长细比为:λ0=(λ2+40A/A’)1/2 =100.1 < [ λ ]2. 截面验算:四角钢格构式柱属 b 类截面,差表得稳定系数φ=0.555由撑杆重量引起的最大弯矩为:2Mmax=qIo/8=20010538 N.mσ=Fmax/Aφ +k Mmax/W=128.24MPa[ σ]=175.37 MPaσ<[ σ] 整体强度稳定满足。
用同样的方法计算受力最大撑杆 Bσ= Fmax/Aφ+k Mmax/W=103.39MPaσ<[ σ]整体强度稳定满足。
3.单肢稳定性校核:计算长度: I =700mm1回转半径: i 1=14.9mm单肢许用长细比 [ λ1]=120单肢计算长细比:λ1=I o1/i1=47<[λ1]按 b 类截面差表得稳定系数为:φ1=0.87撑杆 B 单肢所受的折算力为: N=Fmax/4+Mmax/(2d)=72394N撑杆 D 单肢所受的折算力为:N=Fmax/4+Mmax/(2d)=75151N应力:σ =N/φ1 A1 =98.19MPa[ σ]=235/1.34=175.37MPaσ<[ σ] 单肢稳定满足。
塔机附着验算计算书一、塔机附着杆参数二、风荷载及附着参数塔机附着立面图三、工作状态下附墙杆内力计算1、在平衡臂、起重臂高度处的风荷载标准值q kq k=0.8βzμzμsω0α0h=0.8×2.21×1.92×1.95×0.2×0.35×0.9=0.417kN/m 2、扭矩组合标准值T k由风荷载产生的扭矩标准值T k2T k2=1/2q k l12-1/2q k l22=1/2×0.417×472-1/2×0.417×12.82=426.416kN·m 集中扭矩标准值(考虑两项可变荷载控制的组合系数取0.9)T k=0.9(T k1+ T k2)=0.9×(110+426.416)=482.774kN·m3、附着支座反力计算计算简图剪力图得:R E=83.222kN在工作状态下,塔机起重臂位置的不确定性以及风向的随机性,在计算支座3处锚固环截面内力时需考虑塔身承受双向的风荷载和倾覆力矩及扭矩。
4、附墙杆内力计算支座3处锚固环的截面扭矩T k(考虑塔机产生的扭矩由支座3处的附墙杆承担),水平内力N w=20.5R E=117.694kN。
计算简图:塔机附着平面图α1=arctan(b1/a1)=41.634°α2=arctan(b2/a2)=37.913°α3=arctan(b3/a3)=39.116°α4=arctan(b4/a4)=44.822°β1=arctan((b1-c/2)/(a1+c/2))=34.177°β2=arctan((b2+c/2)/(a2+c/2))=38.881°β3=arctan((b3+c/2)/(a3+c/2))=39.954°β4=arctan((b4-c/2)/(a4+c/2))=36.845°四杆附着属于一次超静定结构,用力法计算,切断T4杆并代以相应多余未知力X1=1。
塔机附着验算计算书计算依据:1、《塔式起重机混凝土基础工程技术规程》JGJ/T187-20092、《钢结构设计规范》GB50017-2003一、塔机附着杆参数二、风荷载及附着参数第2次附55 24 0.922 1.95 1.95 1.755 1.912 0.339 0.647 着悬臂端121.5 21.5 1.266 1.95 1.95 1.687 1.854 0.448 0.861附图如下:塔机附着立面图三、工作状态下附墙杆内力计算1、在平衡臂、起重臂高度处的风荷载标准值q kq k=0.8βzμzμsω0α0h=0.8×1.687×1.266×1.95×0.2×0.35×1.06=0.247kN/m2、扭矩组合标准值T k由风荷载产生的扭矩标准值T k2T k2=1/2q k l12-1/2q k l22=1/2×0.247×602-1/2×0.247×142=420.394kN·m集中扭矩标准值(考虑两项可变荷载控制的组合系数取0.9)T k=0.9(T k1+ T k2)=0.9×(454.63+420.394)=787.522kN·m3、附着支座反力计算计算简图剪力图得:R E=90.87kN在工作状态下,塔机起重臂位置的不确定性以及风向的随机性,在计算支座3处锚固环截面内力时需考虑塔身承受双向的风荷载和倾覆力矩及扭矩。
4、附墙杆内力计算支座3处锚固环的截面扭矩T k(考虑塔机产生的扭矩由支座3处的附墙杆承担),水平内力N w=20.5R E=128.51kN。
计算简图:塔机附着示意图塔机附着平面图α1=arctan(b1/a1)=56.31°α2=arctan(b2/a2)=49.086°α3=arctan(b3/a3)=49.086°α4=arctan(b4/a4)=56.31°β1=arctan(b1/(a1+20.5c/2))=42.51°β2=arctan((b2+20.5c/2)/a2)=58.679°β3=arctan((b3+20.5c/2)/a3)=58.679°β4=arctan(b4/(a4+20.5c/2))=42.51°四杆附着属于一次超静定结构,用力法计算,切断T4杆并代以相应多余未知力X1=1。
塔机附着验算计算书本计算运用软件为:品茗安控信息技术生产。
本工程为珠江御景花园工程;工程建设地点位于省市。
由中建四局建设。
建筑物为10#楼,地上33层,预计110米高,故设计塔机计算高度为140米,塔机型号为QTZ80(TC5710),省建设机械集团制造。
根据现场实际情况,设有5道附墙。
本计算书主要依据施工图纸及以下规及参考文献编制:《塔式起重机设计规》(GB/T13752-1992)、《建筑结构荷载规》(GB50009-2001)、《建筑安全检查标准》(JGJ59-99)、《建筑施工手册》、《钢结构设计规》(GB50017-2003)等编制。
塔机安装位置至附墙或建筑物距离超过使用说明规定时,需要增设附着杆,附着杆与附墙连接或者附着杆与建筑物连接的两支座间距改变时,必须进行附着计算。
主要包括附着支座计算、附着杆计算、锚固环计算。
注意:所设置附墙撑杆类型、尺寸、安装高度等应严格按照此计算书中给出的相应数据制造,安装。
如有改动,此计算书作废,必须重新进行计算、验算。
附墙因不按此计算书制造、安装而产生的安全事故,本验算单位概不负责。
一、塔机附着杆参数二、风荷载及附着参数塔机附着立面图三、工作状态下附墙杆力计算1、在平衡臂、起重臂高度处的风荷载标准值q kq k=0.8βzμzμsω0α0h=0.8×2.21×1.92×1.95×0.2×0.35×1.06=0.491kN/m 2、扭矩组合标准值T k由风荷载产生的扭矩标准值T k2T k2=1/2q k l12-1/2q k l22=1/2×0.491×572-1/2×0.491×12.92=756.776kN·m 集中扭矩标准值(考虑两项可变荷载控制的组合系数取0.9)T k=0.9(T k1+ T k2)=0.9×(270+756.776)=924.098kN·m3、附着支座反力计算计算简图剪力图得:R E=106.756kN在工作状态下,塔机起重臂位置的不确定性以及风向的随机性,在计算支座6处锚固环截面力时需考虑塔身承受双向的风荷载和倾覆力矩及扭矩。
塔吊附着计算书1、附着装置布置方案根据塔机生产厂家提供的标准,附着距离一般为3~5 m,附着点跨距为7~8 m[1,2],塔机附着装置由附着框架和附着杆组成,附着框架多用钢板组焊成箱型结构,附着杆常采用角钢或无缝钢管组焊成格构式桁架结构,受力不大的附着杆也可用型钢或钢管制成。
根据施工现场提供的楼面顶板标高,按照QTZ63 系列5013 型塔式起重机的技术要求,需设4道附着装置,以满足工程建设最大高度100 m 的要求。
附着装置布置方案如图2 所示。
图1塔吊简图与计算简图塔吊基本参数附着类型类型1 最大扭矩270.00kN·m最大倾覆1350.00 kN·m 附着表面特征槽钢力矩塔吊高度110 m 槽钢型号18A塔身宽度1645*1645*2800 风荷载设计值(福0.41mm 州地区)附着框宽度3.00 m 尺寸参数附着节点数4 附着点1到塔吊的竖向距离3.00 m第I层附着附着高度附着点1到塔吊的横向距离3.00 m第8层23.45 m 附着点1到附着点2的距离9.00 m 第16层46.65 m 独立起升高度40 m第24层70.85 m 附着起升高度151.2 m 第31层95.95 m图2塔吊附着简图三、第一道附着计算塔机按照说明书与建筑物附着时,最上面一道附着装置的负荷最大,因此以此道附着杆的负荷作为设计或校核附着杆截面的依据。
第一道附着的装置的负荷以第四道附着杆的负荷作为设计或校核附着杆截面计算,第一道附着高度计划在第8层楼层标高为23.45米。
(一)、支座力计算附着式塔机的塔身可以简化为一个带悬臂的刚性支撑连续梁,其内力及支座反力计算如下:风荷载取值:Q = 0.41kN;塔吊的最大倾覆力矩:M = 1668.00kN;弯矩图变形图剪力图计算结果: N w = 105.3733kN ;(二)、附着杆内力计算计算简图:计算单元的平衡方程:其中:2.1 第一种工况的计算:塔机满载工作,风向垂直于起重臂,考虑塔身在最上层截面的回转惯性力产生的扭矩合风荷载扭矩。
塔机附着验算计算书计算依据:1、《塔式起重机混凝土基础工程技术规程》JGJ/T187-20092、《钢结构设计规范》GB50017-2003一、塔机附着杆参数附图如下:塔机附着立面图三、工作状态下附墙杆内力计算1、在平衡臂、起重臂高度处的风荷载标准值q kq k=0.8βzμzμsω0α0h=0.8×1.699×1.16×1.95×0.2×0.35×1.06=0.228kN/m 2、扭矩组合标准值T k由风荷载产生的扭矩标准值T k2T k2=1/2q k l12-1/2q k l22=1/2×0.228×572-1/2×0.228×12.92=351.415kN·m 集中扭矩标准值(考虑两项可变荷载控制的组合系数取0.9)T k=0.9(T k1+ T k2)=0.9×(269.3+351.415)=558.644kN·m3、附着支座反力计算计算简图塔身上部第一附着点(塔身悬臂支承端)的支承反力最大,应取该反力值作为附着装置及建筑物支承装置的计算载荷。
剪力图得:R E=194.432kN在工作状态下,塔机起重臂位置的不确定性以及风向的随机性,在计算支座6处锚固环截面内力时需考虑塔身承受双向的风荷载和倾覆力矩及扭矩。
4、附墙杆内力计算支座6处锚固环的截面扭矩T k(考虑塔机产生的扭矩由支座6处的附墙杆承担),水平内力N w=20.5R E=274.968kN。
计算简图:塔机附着示意图塔机附着平面图α1=arctan(b1/a1)=50.107°α2=arctan(b2/a2)=55.84°α3=arctan(b3/a3)=64.132°β1=arctan((b1+c/2)/(a1+c/2))=49.64°β2=arctan((b2+c/2)/(a2-c/2))=62.7°β3=arctan((b3+c/2)/(a3+c/2))=61.834°各杆件轴力计算:ΣM O=0T1×sin(α1-β1)×(b1+c/2)/sinβ1-T2×sin(α2-β2)×(b2+c/2)/sinβ2-T3×sin(α3-β3)×(b3+c/2)/sinβ3+ T k=0ΣM g=0T1×sinα1×c+T2×sinα2×c-N w×cosθ×c/2-N w×sinθ×c/2+T k=0ΣM h=0T3×sinα3×c-N w×sinθ×c/2+N w×cosθ×c/2-T k=0(1)θ由0~360°循环,当T k按图上方向设置时求解各杆最大轴拉力和轴压力:最大轴拉力T1=243.9kN,T2=0kN,T3=560.877kN最大轴压力T1=347.405kN,T2=412.467kN,T3=0kN(2)θ由0~360°循环,当T k按图上反方向设置时求解各杆最大轴拉力和轴压力:最大轴拉力T1=347.404kN,T2=412.467kN,T3=0kN最大轴压力T1=243.902kN,T2=0kN,T3=560.877kN四、非工作状态下附墙杆内力计算此工况下塔机回转机构的制动器完全松开,起重臂能随风转动,故不计风荷载产生的扭转力矩。
塔吊附墙计算书.doc(完整版)编制单位:编制⼈:审核⼈:编制时间:⽬录⼀、塔吊附墙概况⼆、塔吊附墙杆受⼒计算三、结构柱抗剪切验算四、附墙杆截⾯设计和稳定性强度验算⼀、塔吊附墙概况本⼯程结构⾼度53.4 m,另加桅杆15⽶,总⾼度68.4⽶。
本⼯程采⽤FO/23B塔吊,塔吊采⽤固定式现浇砼基础,基础埋设深度-5.35m,塔⾝设两道附墙与结构柱拉结:塔⾝升到12标准节时,设第⼀道附墙于第6标准节(结构标⾼23.47⽶),塔吊升到第17标准节时,设第⼆道附墙于第14标准节(结构标⾼42.8⽶),然后加到第23标准节为⽌。
在加第⼆道附墙之前,第⼀道附墙以上有17-6=11个标准节,⽽第⼆道附墙以上塔⾝标准节数最多为23-14=9节,因此,第⼆道附墙设置之前第⼀道附墙受⼒最⼤。
本计算书将对第⼀道附墙进⾏受⼒计算和构造设计。
为简化计算和偏于安全考虑,第⼆道附墙将采⽤与第⼀道附墙相同的构造形式。
本⼯程计划使⽤⾦环项⽬使⽤过的塔吊附墙杆。
根据塔吊与结构的位置关系,附墙杆夹⾓较⼩,附墙杆与结构柱连接的予埋件分别采⽤不同的形式。
本计算书主要包括四个⽅⾯内容:附墙杆及⽀座受⼒计算,结构柱抗剪切及局部受压验算,附墙杆予埋件锚筋设计,附墙杆型号选⽤。
⼆、塔吊附墙杆受⼒计算(⼀)、塔吊附墙内⼒计算,将对以下两种最不利受⼒情况进⾏:1、塔机满载⼯作,起重臂顺塔⾝x-x轴或y-y轴,风向垂直于起重臂(见图1);2、塔机处于⾮⼯作状态,起重臂处于塔⾝对⾓线,风向由起重臂吹向平衡臂(见图2)。
对于第⼀种受⼒状态,塔⾝附墙承担吊臂制动和风⼒产⽣的扭矩和附墙以上⾃由⾼度下塔⾝产⽣的⽔平剪⼒。
对于第⼆种受⼒状态,塔⾝附墙仅承受附墙以上⾃由⾼度下塔⾝产⽣的⽔平剪⼒。
以下分别对不同受⼒情况进⾏计算:(⼆)、对第⼀种受⼒状态,附墙上⼝塔⾝段⾯内⼒为:弯矩:M=164.83(T.m)剪⼒:V=3.013(T)扭矩:T=12(T.m),则:1、当剪⼒沿x-x轴时(见图a),由∑M B=0,得T+V*L1 -L B0’*N1=0即: N1=(T+ V*L1)/ L B0’=(12+3.013*3.65)/5.932=3.88(T)通过三⾓函数关系,得⽀座A反⼒为:R AY= N1*sin52.3426=3.88*sin52.3426=2.84(T)R Ax= N1*cos52.3426=3.88* cos52.3426=2.64(T)由∑M C=0,得N3*L G0’+T+V*0.8=0’=-(12+3.013*0.8)/0.966=-14.92(T)由∑M0’=0,得 N2*L C0’-(T+V*L6)=0即:N2 =(T+ V*L6)/ L C 0’=(12+3.013*0.027)/0.98=12.33(T)由⼒平衡公式∑N i=0,得R AY+R BY=0和-R AX-R BX +V =0,故R BY= -R AY =-2.84(T)(负值表⽰⼒⽅向与图⽰相反,以下同) R BX = -R AX +V =-2.64+12.33=9.48(T)2、当剪⼒沿y-y轴时(见图b),由∑M B=0,得T-(V*L4+L B0’*N1)=0即: N1=(T-V*L4)/ L B0’=(12-3.013*4.5)/5.932通过三⾓函数关系,得⽀座A反⼒为:R AY= N1*sin52.3426=-0.263*sin52.3426=-0.171(T)R Ax= N1*cos52.3426=-0.263* cos52.3426=-0.2(T)由∑M C=0,得N3*L C0’+T+V*0.8=0’=-(12+3.013*0.8)/0.98=-14.91(T)由∑M0’=0,得 N2*L C0’-(T+V*L5)=0即:N2 =(T+ V*L5)/ L G 0’=(12+3.013*0.2)/0.966=13.05(T)由静⼒平衡公式∑N i=0,得R AY +R BY+V =0和R AX+ R BX =0,故R BY= -(R AY +V)=-(-3.16+12)=-8.84(T)R BX = -R AX =2.93(T)(⼆)、对第⼆种受⼒状态(⾮⼯作状态),附墙上⼝塔⾝段⾯内⼒为:弯矩:M=191.603(T.m)剪⼒:V=10.036(T),剪⼒沿塔⾝横截⾯对⾓线,对图c,由∑M B=0,得V*L BH +L B0’*N1=0即: N1=-V*L BH/ L B0’=-10.036*0.6/5.932=-1.015(T)通过三⾓函数关系,得⽀座A反⼒为:R AY= -N1*sin52.3426=-1.015*sin52.3426=-0.8(T)R Ax= -N1*cos52.3426=-1.015* cos52.3426=-0.62(T)由∑M C=0,得N3*L0’C+ V* L C0=0即:N3=- V* L C0/ L C0’=-10.036*1.132/0.98=-11.6(T)由∑M0’=0,得 N2*L C0’-V*L7=0即:N2 = V*L7/ L C 0’=10.036*0.17/0.98由⼒平衡公式∑N i=0,得R AY +R BY+V*cos450=0和-R AX-R BX +V*sin450 =0,故R BY= -R AY- V*cos450 =0.8-10.036*cos450=-6.3(T)R BX = -R AX +V* sin450 ==0.62+10.036*sin450=7.79(T)对图d,由∑M B=0,得V*L BG +L B0’*N1=0即: N1=-V*L BG/ L B0’=-10.036*5.67/5.932=-9.6(T)由∑M C=0,得N3*0+ V* L C0=0,即N3=0通过三⾓函数关系,得⽀座A反⼒为:R AY = N 1*sin52.3426=-9.6*sin52.3426=-7.6(T )R Ax = -N 1*cos52.3426=-9.6* cos52.3426=-5.87(T )由静⼒平衡公式,得R AY +R BY +V*sin450=0和R AX +R BX +V*cos450 =0,故R BY =-R AY -V*sin450=7.6-10.036*cos450=0.5(T )R BX =-R AX -V*sin450=-5.87-10.036*sin450=-13(T )根据如上计算,附墙杆件和⽀座受⼒最⼤值见下表:三、结构柱抗剪切和局部压⼒强度验算附墙埋件受⼒⾯积为470×470,锚固深度按450计算,最⼩柱断⾯为700×700,柱⼦箍筋为,由上⾯的计算结果可知,⽀座最⼤拉⼒(压⼒)为(R BX 2+R BY 2)1/2=(13 2+0.52)1/2=13.01T=130.1KN 。
塔机附着验算计算书一、编制依据:本方案编制主要依据为:GB/T13752-1992《塔式起重机设计规范》、GB50017《钢结构设计规范》、GB/T3811-2008《起重机设计规范》和百脉QTZ型塔式起重机使用说明书。
一、工程概况项目名称:圣源地毯有限公司公租房项目,施工单位:城西二建,施工地址:西宁市城南新区,安装了塔机一台生产厂家为:山东百脉、型号为:QTZ50的塔机。
二、塔机附着杆参数三、风荷载及附着参数四、工作状态下附墙杆内力计算1、在平衡臂、起重臂高度处的风荷载标准值q kq k=0.8βzμzμsω0α0h=0.8×1.92×2.21×1.95×0.2×0.35×1.06=0.491kN/m2、扭矩组合标准值T k由风荷载产生的扭矩标准值T k2T k2=1/2q k l12-1/2q k l22=1/2×0.491×442-1/2×0.491×11.82=625.182kN·m集中扭矩标准值(考虑两项可变荷载控制的组合系数取0.9)T k=0.9(T k1+ T k2)=0.9×(454.63+625.182)=14079.812kN·m3、附墙杆内力计算支座5处锚固环的截面扭矩T k(考虑塔机产生的扭矩由支座5处的附墙杆承担),水平内力N w=20.5R E=123.311kN。
计算简图:塔机附着平面图α1=arctan(b1/a1)=73.218°α2=arctan(b2/a2)=67.418°α3=arctan(b3/a3)=67.895°α4=arctan(b4/a4)=72.752°β1=arctan((b1-c/2)/(a1+c/2))=63.546°β2=arctan((b2+c/2)/(a2+c/2))=63.197°β3=arctan((b3+c/2)/(a3+c/2))=63.758°β4=arctan((b4-c/2)/(a4+c/2))=63.077°四杆附着属于一次超静定结构,用力法计算,切断T4杆并代以相应多余未知力X1=1。
塔机附着计算书实例 The pony was revised in January 2021
H5810塔式起重机非标附着计算书
一、设计依据
GB/T 13752-92《塔式起重机设计规范》
二、设计说明
1、本方案仅适用于我公司QTZ80(H5810)塔机在以下附着示意图方式的使用;
2、任何力学或几何方式的改变均不再适用于本方案。
三、QTZ80(H5810)塔机附着平面内的最大载荷见下表:
(表一)
四、附着示意图
各附着杆长度(表二)
五、附着杆受力及附着点反力
工作状态各附着杆最大受力(表三)
非工作状态各附着杆最大受力(表四)
通过以上分析,选取以下各附着杆的最大受力工况进行校核:
工作状态各附着点最大受力(表五)
非工作状态各附着点最大受力(表六)
通过以上分析,附着点最大反力见下表:
(表七)
六、附着杆校核
附着杆截面示意图
以下仅对附着杆1~4进行分析计算;
附着杆主肢:∠50×50×5,Q235,截面积A1=480mm2;
附着杆缀条:∠30×30×3,Q235,截面积A2=175mm2;附着杆截面边长a1=(mm)
附着杆截面边长a2=(mm)
附着杆1重量:G1=210(kg)
附着杆2重量:G2=175(kg)
附着杆3重量:G2=170(kg)
附着杆4重量:G2=206(kg)
附着杆最大截面主肢X轴总惯性矩:Imax=(mm^4)
附着杆最小截面主肢X轴总惯性矩:Imin=(mm^4)
主弦单肢弱轴惯性矩:I1=46400(mm^4)
缀条弱轴惯性矩:Iz=6100(mm^4)
缀条跨距L1=(mm)
材料安全系数:k=
整体惯性半径:r=(mm)
r=mm)
主弦单肢惯性半径:
1
缀条惯性半径:r z =(mm ) r=
r1=
rz= 根据min max
I I 和附着杆变截面型式确定计算长度系数μ μ= ; 附着杆主肢结构长细比:r
L μλ= 附着杆主弦单肢长细比:111
r L λ=
附着杆缀条长细比:z z
λ=
附着杆换算长细比:λ=换167.74λ=换;253.02λ=换; 50.31λ=换3;64.96λ=换4
附着杆长细比<120,整体刚度满足要求!
附着杆主弦单肢长细比≤倍整体长细比,主弦单肢刚度满足要求! 附着杆缀条长细比<120,缀条刚度满足要求!
附着杆1~4整体刚度满足要求!
附着杆1~4主弦单肢刚度满足要求!
附着杆1~4缀条刚度满足要求!
查表得附着杆整体受压稳定系数:
10.765ψ=;20.842ψ=; 30.855ψ=;20.780ψ=
查表得附着杆主弦单肢受压稳定系数:ψ1=
查表得附着杆缀条受压稳定系数:ψz= 附着杆自重产生的弯矩108GL M =
(); M1=2083725()
M2=()
M3=1226975()
M4=()
附着杆截面远点至弱轴距离h=150(mm ) 附着杆抗弯模量h I W =
(mm^3) W=(mm^3)
欧拉临界载荷22
E EA
F πλ=换(N) 1850285.16E F N =;21387770.08E F N =; 31541425.93E F N =;4924732.91E F N =
1、附着杆整体稳定性验算:
188.55MPa σ=;2139.69MPa σ=; 3141.31MPa σ=;490.29MPa σ= σ<235/=175
附着杆1~4整体稳定性满足要求!
2、附着杆主弦单肢稳定性验算:
d166.80MPa σ=;d2124.88MPa σ=; d3128.95MPa σ=;d470.28MPa σ= σd <235/=175
附着杆1~4主弦单肢稳定性满足要求!
3、附着杆缀条稳定性校核
附着杆侧向力:c F =缀条轴力:
z F =18.57Z MPa σ=;213.52Z MPa σ=; 313.68Z MPa σ=;28.74Z MPa σ=
σ
<235/=175
z
附着杆1~4缀条满足要求!
综述:各附着杆经过校核均满足使用要求!。