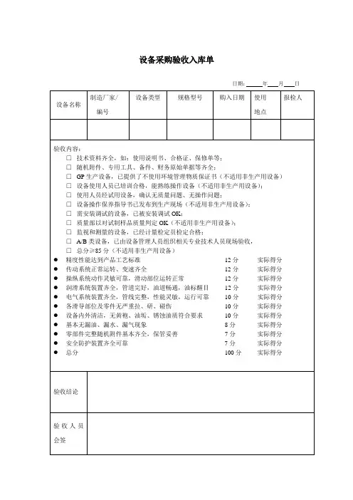
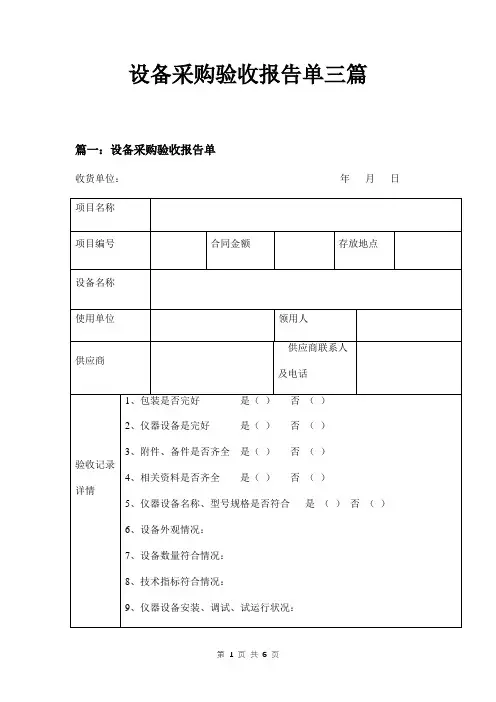
设备采购验收入库单
- 格式:doc
- 大小:33.00 KB
- 文档页数:2
设备采购验收单质量验收记录1.引言本文档旨在记录设备采购验收的质量验收情况,以确保设备的合格交付和使用。
2.设备信息设备名称 | 设备型号 | 供应商 | 采购数量 |设备A。
| A001.| 供应商A | 5.|设备B。
| B002.| 供应商B | 3.|3.验收过程3.1 准备工作在实施设备验收前,相关人员需完成以下准备工作:确认设备清单与验收单内容一致。
确保验收场地符合安全要求。
准备验收所需的测试工具和仪器。
3.2 质量验收标准为了保证设备的质量,制定以下质量验收标准:设备外观:无损坏、划痕,表面光滑,无锈蚀。
设备性能:按照设备说明书要求,能正常启动、运行。
设备安全性:符合国家相关法规,无安全隐患。
设备附件:完整,并与设备型号相匹配。
3.3 质量验收记录按照质量验收标准,进行设备验收,并记录如下质量验收情况:设备名称 | 设备型号 | 状态。
| 备注。
|设备A。
| A001.| 合格。
| 无。
|设备B。
| B002.| 合格。
| 无。
|4.结论根据质量验收记录,设备采购验收的质量验收工作顺利完成,所有设备均合格。
相关人员应严格按照验收标准执行,确保设备的质量和安全。
5.签名验收人员 | 职务。
| 日期。
|张三。
| 验收员 | 2022-01-01 |李四。
| 验收员 | 2022-01-01 |。
设备采购和出入库管理表格1. 引言设备采购和出入库管理是组织和管理设备库存的重要环节。
通过准确记录设备采购和出入库情况,可以确保设备库存的准确性和可追溯性,帮助组织做好设备的管理和调配工作。
本文档将介绍设备采购和出入库管理表格的制作和使用方法。
2. 设备采购和出入库管理表格的结构设备采购和出入库管理表格主要包含以下列:•设备编号:每个设备的唯一标识符。
•设备名称:设备的名称或型号。
•设备类型:设备所属的类型。
•采购日期:设备采购的日期。
•采购数量:设备采购的数量。
•入库日期:设备入库的日期。
•出库日期:设备出库的日期。
•当前状态:设备当前的状态,如入库、已借出、已归还等。
3. 创建设备采购和出入库管理表格可以使用电子表格软件,如Microsoft Excel、Google Sheets等,创建设备采购和出入库管理表格。
步骤如下:1.打开电子表格软件并新建一个空白表格。
2.根据表格结构,在第一行填写列标题,分别是设备编号、设备名称、设备类型、采购日期、采购数量、入库日期、出库日期和当前状态。
3.从第二行开始,逐行录入设备信息和出入库记录。
例如,表格可能如下所示:设备编号设备名称设备类型采购日期采购数量入库日期出库日期当前状态D001 打印机办公设备2021-01-011 2021-01-052021-02-02已借出D002 电脑办公设备2021-02-013 2021-02-05- 入库D003 投影仪办公设备2021-03-012 2021-03-05- 入库4. 使用设备采购和出入库管理表格通过使用设备采购和出入库管理表格,可以方便地记录和查阅设备采购和出入库情况。
以下是使用表格的一些常见操作:•设备采购记录:在表格的新一行中,填写设备的相关信息,包括设备编号、设备名称、设备类型、采购日期和采购数量。
•设备入库记录:在表格的新一行中,填写设备的入库日期。
•设备出库记录:在表格的相应行中,填写设备的出库日期和当前状态。