刚性扩大基础施工工艺
- 格式:doc
- 大小:28.00 KB
- 文档页数:4
刚性扩大基础施工方案摘要:本文旨在介绍和讨论刚性扩大基础施工方案的设计、施工过程以及相关注意事项。
刚性扩大基础是一种常用的土木工程技术,主要用于在需要增加建筑物荷载或改变建筑物布局的情况下,扩大建筑物的基础面积。
本文将重点介绍刚性扩大基础的施工流程和相关技术。
1. 简介刚性扩大基础是一种常用的土木工程技术,其主要目的是增加建筑物的基础面积,以承受更大的荷载或适应建筑物布局的变化。
它适用于建筑物扩建、改造或重建的情况下。
刚性扩大基础通过增加基础的面积来提供更大的支撑面积,从而增加建筑物的稳定性和承载能力。
2. 刚性扩大基础的设计在设计刚性扩大基础时,需要考虑以下几个关键因素:- 承载能力:基础的设计应满足建筑物所需的承载能力,这涉及到确定所需的基础尺寸和深度。
- 地质条件:地质勘察和分析是设计刚性扩大基础的重要一步,以确保基础能够承受地质条件带来的不均匀沉降或差异。
- 建筑物布局:刚性扩大基础应根据建筑物的布局需求进行设计,以确保基础能够适应新的结构布局。
3. 刚性扩大基础的施工流程刚性扩大基础的施工流程包括以下步骤:- 地面准备:在开始施工之前,需要清理和平整施工现场,并检查地面的坚实度和稳定性。
- 基础开挖:根据设计文件的要求,进行基础的开挖,确保基础达到设计要求的深度和尺寸。
- 基础加固:为了增加基础的稳定性,可以采用加固材料,如钢筋和混凝土,以确保基础的承载能力。
- 基础浇筑:一旦基础开挖和加固完成,可以进行基础的浇筑,使用混凝土或其他适当的材料进行施工。
- 基础养护:完成基础浇筑后,需要进行养护,以确保基础有足够的时间来达到所需的强度和稳定性。
4. 刚性扩大基础施工的注意事项在刚性扩大基础的施工过程中,需要注意以下几个方面:- 施工材料选择:根据设计要求,选择适合的施工材料,并确保质量合格。
- 施工工艺和流程:严格按照施工工艺和流程进行施工,以确保基础的质量和稳定性。
- 安全措施:在施工过程中,要注意安全措施,确保施工人员的安全,包括戴好安全帽、穿好防护服等。
扩大基础详细施工工序所谓扩大基础,是将墩及上部结构传来的荷载尤其直接传递至较浅的支撑地基的一种基础形式,一般采用明挖基坑的方法进行施工,故而又称明挖扩大基础或浅基础。
一、桥梁工程常用基础扩大基础、桩基础、管柱基础、沉井基础、地下连续墙基础。
二、扩大基础(浅基础、明挖扩大基础)构造扩大基础是将桥墩或桥台及上部结构传来的荷载由其直接传递至较浅支承地基的一种基础形式,桥梁扩大基础荷载通过逐步扩大的基础直接传到土质较好的天然地基上,它的尺寸按地基承载力所承受的荷载决定。
基础埋置深度与宽度相比很小,属于浅基础范畴。
由于埋深浅,结构形式简单,施工方法简便,造价也较低,因此是建筑物最常用的基础类型。
三、特点:1)、由于能在现场用眼睛确认支承地基的情况下进行施工,施工质量可靠;2)、施工的噪声、振动和对地下污染等建设公害较小;3)、与其它类型的基础相比,施工所需的操作空间较小;4)、在多数情况下,比其它类型的基础造价省、工期短;5)、易受冻胀和冲刷产生的恶劣影响;四、施工工序基础定位放样、基坑的开挖、基坑排水、基坑检验与处理、基础砌筑及基坑回填。
1、基础的定位放样1)、基坑:为建筑基础而开挖的临时性坑井。
属临时性工程。
作用:提供一个空间,使基础的砌筑作业得以按照设计的位置进行。
2基坑开挖基坑开挖类型:1)陆(旱)地基坑开挖(1)坑壁不加支撑的基坑a一般规定(1)基坑尺寸应满足施工要求。
当基坑为渗水的土质基底,坑底尺寸应根据排水要求(包括排水沟、集水井、排水管网等)和基础模板设计所需基坑大小而定。
一般基底应比基础的平面尺寸增宽0.5~1.0m。
当不设模板时,可按基础底的尺寸开挖基坑。
(2)基坑坑壁坡度应按地质条件、基坑深度、施工方法等情况确定。
(3)如土的湿度有可能使坑壁不稳定而引起坍塌时,基坑坑壁坡度应缓于该湿度下的天然坡度。
(4)当基坑有地下水时,地下水位以上部分可以放坡开挖;地下水位以下部分,若土质易坍塌或水位在基坑底以上较高时,应采用加固或降地下水位等方法开挖。
刚性扩大基础的施工工艺流程同学们!今天咱们一起来了解一下刚性扩大基础的施工工艺流程,这可有趣啦!首先呢,在开始施工之前,得做好一系列的准备工作。
就像我们出去玩之前要准备好东西一样,施工也不例外。
要去现场勘察,看看地形、地质情况,了解清楚周围的环境。
还要准备好施工需要的各种材料和设备,比如钢筋、水泥、模板,还有起重机、搅拌机这些大家伙。
准备工作完成后,接下来就是测量放线啦。
这一步就像是给施工画一个路线图,告诉大家要在哪里干活。
测量人员会用各种仪器,精确地确定基础的位置和边界,然后打上桩、拉上线,让大家一目了然。
然后就可以开挖基坑了。
这可是个力气活,一般会用挖掘机来挖,不过在挖的时候可不能乱挖,得按照设计的尺寸和坡度来,不然挖得太大或者太小都不行。
挖的过程中还要注意观察坑壁的情况,如果有松动或者坍塌的迹象,要及时采取措施进行支护,保证施工的安全。
基坑挖好后,不能马上就开始施工,得先检查一下。
看看尺寸对不对,坑底平不平,有没有积水或者杂物。
如果有问题,就得赶紧处理。
没问题了,就可以开始做基础的垫层啦。
垫层就像是给基础铺了一层床垫,让基础睡得更舒服。
一般会用混凝土来做垫层,要把它铺平、压实,为后续的施工打好基础。
接下来就是绑扎钢筋。
钢筋就像是基础的骨架,让基础更结实。
要按照设计的要求,把钢筋一根一根地绑在一起,注意间距和位置都要准确,不能绑歪了或者绑松了。
钢筋绑好后,就可以安装模板了。
模板就像是给基础做了一个模具,决定了基础的形状。
模板要安装牢固,不能有缝隙,不然混凝土会漏出来。
然后就是浇筑混凝土啦。
这可是关键的一步,就像做蛋糕的时候把面糊倒进模具里一样。
混凝土要搅拌均匀,不能太稀也不能太稠,然后慢慢地倒进模板里,用振捣器振捣密实,把里面的气泡都赶出来,让混凝土更加坚固。
浇筑完成后,不能马上就不管了,要进行养护。
就像照顾小宝宝一样,要给混凝土合适的温度和湿度,让它慢慢凝固、变硬。
一般会在混凝土表面盖上草袋或者塑料薄膜,定期浇水。
桥梁工程扩大基础施工专项方案目录一、工程简介 (3)二、施工人员配置 (3)三、施工机械配置 (4)四、临时设施 (4)五、施工具体方案 (4)六、施工现场质量要求 (6)七、确保质量的措施 (6)八、安全生产保证系 (11)九、文明施工措施 (13)扩大基础施工技术方案一、工程简介总支渠1、2、3号桥下部及基础结构中,桥墩、台均为扩大基础,基础结构为明挖扩大基础,桥墩矩形截面,桥台为U型,均分为两层,每层高度为125cm、100cm。
基底土质为强风化粉砂岩或中风化岩,设计要求基础承载力不小于220Kpa。
基底埋深为2~3m。
基础材料为C25钢筋混凝土,15cm厚C15混凝土垫层。
二、施工人员配置1.1、施工组织与管理机构1.2、各职能部门管理职责表根据本工程的特点机械配置如下表1、施工临时用电主要依靠地方电力。
2、施工用水采取就近取水。
在主线范围内有一小河沟渠,可直接利用。
3、混凝土由搅拌站统一供应,混凝土运输车运输到基坑边。
五、施工具体方案1、施工工艺流程:(见框图)施工具体步骤说明:a、施工准备:包括场地平整,挖基坑四周截水沟、基坑测量放样及施工机械及设备的准备等。
b、基坑开挖:采用人工配合机械开挖的方法。
根据基坑实际的土质情况,基坑坑壁不设支挡,坡度采用1:0.75的坡率,挖掘机开挖时注意基底以上10cm应采用人工挖至设计标高,以免扰动基底土质。
基底平面四周较设计平面尺寸加大50~100cm,且在坑底四周设置排水沟、集水坑。
同时注意基坑施工不可延误时间过长,避免造成坍塌,影响工程质量和进度。
c、基底处理:基坑挖至设计标高后应报请监理进行对基底土质、标高、平面等进行检查,合格后方可对基底进行处理。
处理方法为铺设C15砼垫层15cm厚,要求铺装层平整,待混凝土达到一定的强度后才能进行下道工序施工。
如地基承载力达不到设计要求再报请业主、监理及设计单位处理方案。
d、模板安装采用木模板,在浇注混凝土前,表面应涂刷脱模剂,不得使用废机油等油料,不得污染混凝土接缝处。
2.1扩大基础施工方法、工艺说明⑴基坑开挖明挖基础的土方采用人工配合挖掘机开挖,坑底预留30cm 人工清底。
基坑开挖前放出基坑位置及控制标高,并经换手复核无误后再进行基坑开挖。
适宜垂直开挖且不立模板的基坑,基底尺寸应按基础轮廓确定。
有水基坑底面,应满足四周排水沟与汇水井的设置需要,每边放宽不宜小于50cm ,根据现场施工需要可适当加宽。
挖掘机开挖时注意随时测定基底标高,在距设计基底标高30cm 处时停止机械操作,改由人工清底,禁止超挖。
使其满足设计和施工规范要求,保证无碎石、浮碴。
底层基础应垂直开挖满坑灌注,基坑应用M10浆砌片石封闭回填至基顶面或岩石层面,最下层基础纵横向均设置直径16mm 间距20cm 的HRB335钢筋网。
弃土不得妨碍施工。
弃土堆坡脚距坑顶缘的距离不宜小于基坑的深度。
制作试件砼拌制运输测量放样挖基坑覆盖养生拆模基底清理出碴运输支立模板砼浇筑预埋连接筋扩大基础施工艺流程图基底应避免超挖,松动部分应清除。
使用机械开挖时,不得破坏基底土的结构,可在设计高程以上保留一定厚度由人工开挖。
基坑开挖不宜间断,达到设计高程经检验合格后,应立即灌注基础。
如基底暴露过久,则应重新检验。
岩地基础开挖采用松动爆破法开挖,微震爆破技术控制装药量以确保岩体的整体性不被破坏。
⑵基坑护壁当基坑较深,土方数量较大;基坑坡度受场地限制;基坑地质松软或含水量较大,坡度不易保持稳定时采用护壁加固。
挡板支撑,可采用横、竖向挡板与钢(木)框架支撑坑壁。
基坑每层开挖深度,应根据地质情况确定,不宜超过1.5m,边挖边支。
对支撑结构应随时检查,发现变形,及时加固或更换,更换时应先撑后拆。
支撑拆除顺序,应自下而上。
待下层支撑拆除并回填土后,再拆除上层支撑。
⑶基坑排水明挖基坑,可采用积水井或井点法排、降水,应保持基坑底不被水淹。
挖基时,抽水能力应为渗水量的1.5~2倍。
基坑排出的水应以水管或水槽远引。
在基坑开挖线以外5m处设置纵横向截水沟将地表水引排出基坑施工场地以外。
扩大基础施工工艺流程基础施工是房屋建筑的重要工作环节,负责为整个建筑提供稳定、牢固的基础。
基础施工包括场地清理、地基处理、基坑开挖、基槽砌筑、地下管线铺设等一系列工序,下面将详细介绍基础施工的工艺流程。
首先是场地清理,将建筑施工现场的各类杂物、垃圾清理干净。
包括破旧房屋的拆除、地面的除尘、杂草的清除等。
场地清理完成后,就可进行下一步的工序。
接下来是地基处理,地基处理是为了提高地基的承载能力和稳定性。
首先需要进行地表土的清除,将表土挖掉;然后进行地基加固,常见的方法有灌浆、土石混凝土浇筑等;最后是地基排水处理,通过挖掘排水沟或设置排水管道,将地下积水排走。
地基处理完成后,需要进行基坑开挖。
基坑开挖是为了使地下的基坑形成建筑物的基础。
开挖基坑时需要严格按照设计图纸的要求进行开挖,确保基坑的形状和尺寸符合设计要求。
基坑开挖完成后,需要进行基槽砌筑。
基槽是用来承载建筑物的基础结构,它承受着建筑物的重量。
基槽砌筑时需要使用砖、石等材料进行砌筑,严格按照设计图纸的要求进行。
基槽砌筑完成后,就需要进行地下管线铺设。
地下管线包括给水管道、电力线路、排水管道等,它们是建筑物正常运行所必须的。
地下管线铺设时需要按照设计图纸的线路设置进行,确保各个管道能够正常使用。
基础施工的最后一个工序是地面处理。
地面处理是为了使地面平整、美观,并且能够满足建筑物的使用需求。
地面处理包括地面的均匀压实、铺设地砖或地板等。
以上就是基础施工的工艺流程,通过这些工序的依次进行,可以确保建筑物的基础稳定可靠。
当然,在实际施工中还需要严格按照相关规范和标准进行操作,确保施工质量的合格。
第1篇一、施工准备1. 设计图纸审核:仔细阅读设计图纸,了解基础的结构形式、尺寸、材料要求及施工要求。
2. 材料准备:根据设计要求,准备所需的各种材料,如钢筋、混凝土、水泥、砂石等。
3. 施工队伍组织:成立施工队伍,明确各工种人员职责,组织技术交底,确保施工人员熟悉施工工艺和质量要求。
4. 施工设备准备:准备挖掘机、吊车、混凝土搅拌机、振捣器等施工设备。
二、施工工艺1. 土方开挖:根据设计要求,进行基坑开挖,注意边坡稳定,防止塌方。
开挖过程中,及时清理基坑内杂物。
2. 基坑支护:对开挖深度较大、地质条件较差的基坑,进行支护施工,确保基坑安全。
3. 钢筋加工:根据设计要求,加工钢筋,确保钢筋尺寸、形状符合要求。
4. 钢筋绑扎:将加工好的钢筋按设计要求进行绑扎,确保钢筋间距、保护层厚度等符合规范。
5. 模板安装:根据设计要求,安装模板,确保模板平整、牢固,防止变形。
6. 混凝土浇筑:混凝土采用现场搅拌,根据混凝土配合比进行搅拌。
浇筑过程中,注意混凝土的均匀性和密实度。
7. 振捣:混凝土浇筑完成后,及时进行振捣,确保混凝土密实,无蜂窝、麻面等缺陷。
8. 养护:混凝土浇筑完成后,进行养护,保持混凝土表面湿润,防止裂缝产生。
9. 拆模:混凝土达到设计强度后,拆除模板,清理模板表面。
10. 验收:对刚性扩大基础进行验收,确保其符合设计要求和质量标准。
三、施工注意事项1. 施工过程中,严格按照设计要求和规范进行施工,确保工程质量。
2. 加强施工现场管理,确保施工安全。
3. 注意施工过程中的环境保护,减少对周边环境的影响。
4. 施工过程中,及时沟通协调,解决施工中出现的问题。
5. 做好施工记录,为工程验收提供依据。
四、施工进度安排1. 施工准备阶段:1周2. 土方开挖、基坑支护阶段:2周3. 钢筋加工、绑扎阶段:1周4. 模板安装、混凝土浇筑阶段:2周5. 养护、拆模阶段:1周6. 验收阶段:1周总计:8周通过以上施工工艺和注意事项,确保刚性扩大基础施工顺利进行,为工程质量提供有力保障。
刚性扩大基础施工工艺1施工方法对刚性扩大基础的施工,一般均采用明挖,根据开挖深度、边坡土质、渗水情况及施工场地、开挖方式、施工方法可以有多种选择。
A.放坡开挖1.测量放线:用经纬仪测出墩、台基础纵、横中心线,放出上口开挖边线桩,边坡的放坡率可参照下表:坑壁土质坑壁坡度基坑顶缘无外载基坑顶缘有外载砂类土1:11:1。
25碎石、卵石类土1:0。
75 1 :1亚粘土1:0。
61 :0.75软岩1:0-0。
25 1 :0。
33硬岩1:0 1 :0为避免雨水冲坏坑壁,基坑顶四周应做好排水,截住地表水,基坑下口开挖的大小应满足基础施工的要求,渗水的土质,基底平面尺寸可适当加宽50cm-100cm,便于设置排水沟和安装模扳,其它情况可放小加宽尺寸,不设基础模板时,按设计平面尺寸开挖.2.开挖作业方式以机械作业为主,采用反铲挖掘机配自卸汽车运输作业辅以人工清槽。
单斗挖掘机(反铲)斗容量根据上方量和运输车辆的配置可选择0。
4~0.1立方米,控制深度4一6m。
挖基土应外运或远离基坑边缘卸土,以免塌方和影响施工.3.基坑开挖前,依据设计图提供的勘探资料,先估算渗水量,选择施工方法和排水设备,采用集水坑排水方法施工时按集水坑底应比基坑底面标高低50一100cm,以降低地下水位保持基底无水,抽水设备可采用电动或内燃的离心式水泵或潜水泵,采用人工降低地下水位。
井点法适用于基坑土质容易流砂的砂土层,不能用直接排水法的情况下。
降低地下水位效果较好。
图3—1为井点法施工示意图。
在距基坑壁1。
0m的土层内通过计算设置若干针形管,通过水泵从中抽水引起地下水位的下降,由于各集水井的作用使基坑范围地下水位下降,在施工过程中不断抽水,使基坑保持干燥无水.4.基坑开挖应连续施工,避免晾糟,一次开挖距基坑底面以上要预留20一30cm,待验槽前人工一次清除至标高,以保证基坑顶面坚实.5.坑壁的支撑坑壁的支撑方式可选以下几种:(1)档扳支撑:适用于基坑断面尺寸较小,可以边挖边支撑的情况,档板可竖或横立,板厚5一一6cm,加方木带,板的支撑用钢、木均可.(2)喷射砼护壁是一种常用的边坡支护方法,在人工修整过的边坡上采用砼喷射机喷射砼,厚度一般为5—10cm(或特殊设计),砼标号C20,石子粒径0。
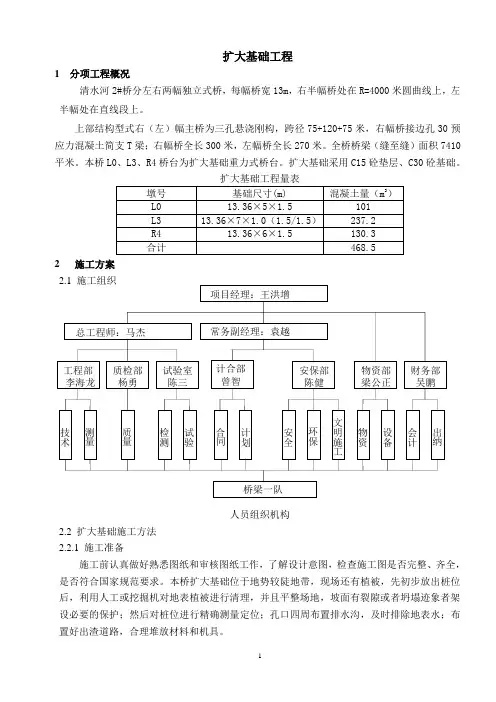
桥梁一队 项目经理:王洪增财务部 吴鹏物资部 梁公正 常务副经理:袁越安保部陈健 计合部 曾智总工程师:马杰试验室 陈三质检部杨勇 工程部 李海龙出 纳会 计设 备 物 资 文 明 施 工环 保安 全计 划 合 同试验检 测 质 量测 量 技 术 扩大基础工程1 分项工程概况清水河2#桥分左右两幅独立式桥,每幅桥宽13m ,右半幅桥处在R=4000米圆曲线上,左半幅处在直线段上。
上部结构型式右(左)幅主桥为三孔悬浇刚构,跨径75+120+75米,右幅桥接边孔30预应力混凝土简支T 梁;右幅桥全长300米,左幅桥全长270米。
全桥桥梁(缝至缝)面积7410平米。
本桥L0、L3、R4桥台为扩大基础重力式桥台。
扩大基础采用C15砼垫层、C30砼基础。
扩大基础工程量表 2 施工方案 2.1 施工组织人员组织机构2.2 扩大基础施工方法 2.2.1 施工准备施工前认真做好熟悉图纸和审核图纸工作,了解设计意图,检查施工图是否完整、齐全,是否符合国家规范要求。
本桥扩大基础位于地势较陡地带,现场还有植被,先初步放出桩位后,利用人工或挖掘机对地表植被进行清理,并且平整场地,坡面有裂隙或者坍塌迹象者架设必要的保护;然后对桩位进行精确测量定位;孔口四周布置排水沟,及时排除地表水;布置好出渣道路,合理堆放材料和机具。
2.2.2 施工中测量放样控制:(1)场地平整前放样;(2)平整场地后精确定位放样;(3)做好定位桩,开挖过程中随时利用定位桩复核坑底尺寸、高程;(4)开挖完成后浇灌砼垫层前精确定位复核。
2.2.3 施工工艺流程如下:测量放养基坑开挖精确测量浇筑C15砼垫层绑扎钢筋、安置模板检查效果评价浇筑C30砼进行上层施工否地基承载力实验开挖前首先做好地面排水,在基坑顶缘四周应向外设排水坡,并在适当距离设截水沟,且应防止水沟渗水,以免影响坑壁稳定。
用挖机开挖至坑底高程以上30cm,坡度控制在1:1.5,人工修整坑底至设计坑底高程;做地基承载力实验;测量基础的四个拐角,埋置Φ10的钢筋,钢筋端部即为控制C15砼垫层的表面平整度和高程的标识;待垫层砼达到三天强度即可绑扎钢筋放置下层砼模板,模板外侧的上部和下部分别设置一道围圈;围圈应有足够的刚度,以保证模板几何尺寸的精度;围圈的接头必须采用刚性连接;待以上工序达到设计要求后即可浇筑C30砼。
连续梁施工工艺1、明挖扩大基础施工对刚性扩大基础的施工,一般均采用明挖,根据开挖深度、边坡土质、渗水情况及施工场地、开挖方式、施工方法可以有多种选择,这里采用放坡开挖。
1.测量放线:用经纬仪测出墩、台基础纵、横中心线,放出上口开挖边线桩,的大小应满足基础施工的要求,渗水的土质,基底平面尺寸可适当加50cm—100cm,便于设置排水沟和安装模扳,其它情况可放小加宽尺寸,不设基础模板时,按设计平面尺寸开挖。
2.开挖作业方式以机械作业为主,采用反铲挖掘机配自卸汽车运输作业辅以人工清槽。
单斗挖掘机(反铲)斗容量根据上方量和运输车辆的配置可选择0.4~0.1立方米,控制深度4-6m。
挖基土应外运或远离基坑边缘卸土,以免塌方和影响施工。
3。
基坑开挖前,依据设计图提供的勘探资料,先估算渗水量,选择施工方法和排水设备,采用集水坑排水方法施工时按集水坑底应比基底标高高50—100cm,以降低地下水位保持基底无水,抽水设备可采用电动或内燃的离心式水泵或潜水泵,采用人工降低地下水位.井点法适用于基坑土质容易流砂的砂土层,不能用直接排水法的情况下.降低地下水位效果较好。
在距基坑壁1。
0m的土层内通过计算设置若干针形管,通过水泵从中抽水引起地下水位的下降,由于各集水井的作用使基坑范围地下水位下降,在施工过程中不断抽水,使基坑保持干燥无水.4。
基坑开挖应连续施工,避免晾糟,一次开挖距基坑底面以上要预留20—30cm,待验槽前人工一次清除至标高,以保证基坑顶面坚实。
5.坑壁的支撑坑壁的支撑方式可选以下几种:(1)档扳支撑:适用于基坑断面尺寸较小,可以边挖边支撑的情况,档板可竖或横立,板厚5-6cm,加方木带,板的支撑用钢、木均可。
(2)喷射砼护壁是一种常用的边坡支护方法,在人工修整过的边坡上采用砼喷射机喷射砼,厚度一般为5-10cm(或特殊设计),砼标号C20,石子粒径0.5—1。
5cm,喷射法随着基坑向下开挖1.0-2.0m,即开始喷射砼护壁,以后挖一节喷一节直到基底。
刚性扩大基础施工方案一、项目概况项目名称:建筑物刚性扩大基础施工项目地点:XX市项目规模:总建筑面积XXX平方米主要工程量:XXX立方米混凝土、XXX吨钢筋等二、施工方案概述本施工方案主要描述了建筑物刚性扩大基础的施工流程和施工措施。
在施工过程中,我们将严格遵守相关规范和标准,确保施工质量和安全。
三、施工准备工作1.设计方案确认:根据设计方案,确定刚性扩大基础的具体尺寸和布置方式。
2.材料准备:采购符合要求的混凝土、钢筋等原材料,并进行验收入库。
3.施工人员培训:对参与施工的工人进行安全生产培训和技术交底,确保其具备相应的操作技能和安全意识。
4.施工机具和设备准备:准备符合要求的起重机械、混凝土搅拌机、打地锚机等施工设备。
5.现场清理:清理施工现场,确保施工区域干净整洁,便于施工进行。
四、施工工艺流程1.基坑开挖:根据设计方案的要求,进行基坑开挖,确保基坑的尺寸和平整度符合要求。
2.基坑处理:对基坑底部进行填料加固,防止基础沉降或变形。
3.基础浇筑:按照设计方案的要求,进行基础混凝土浇筑。
在浇筑过程中要注意控制浇筑速度和温度,确保混凝土的质量和强度。
4.基础养护:对新浇筑的基础进行湿养护,保持一定的湿度和温度,促进混凝土的强度发展。
5.扩大基础施工:按照设计方案的要求,进行刚性扩大基础的施工。
采用分段施工,先进行一段的混凝土浇筑和养护,待其达到设计强度后,再进行下一段的施工。
施工过程中要严格按照工艺要求进行混凝土浇筑、钢筋加固等工作。
6.连接工作:将扩大基础与原基础进行连接,确保两者之间的刚性连接。
7.检查验收:在施工完成后,对整个扩大基础的工程进行检查和验收,确保施工符合要求。
五、安全措施1.工地围护:在施工现场周围设置围挡,并配备警示标志,确保施工区域安全。
2.安全防护:施工人员必须戴好安全帽、工作服等个人防护用品,并按规范要求使用安全绳、安全带等设备。
3.施工区域照明:保证施工现场有良好的照明条件,避免因照明不足而发生事故。
扩大基础施工工艺流程
《扩大基础施工工艺流程》
随着社会和经济的不断发展,建筑工程的规模和复杂度也在不断增加。
基础施工作为建筑工程的重要环节,必须不断优化和完善其工艺流程,以适应新的建筑需求和技术要求。
在扩大基础施工工艺流程方面,首先需要进行全面的技术研究和分析。
需要针对不同类型的建筑、不同地质条件和不同承载要求,开展深入的研究和分析工作,以确定最佳的施工工艺流程。
必须充分考虑工程的可行性、经济性和安全性,确保工艺流程的扩大能够真正满足建筑工程的需求。
其次,需要引入先进的施工技术和设备。
扩大基础施工工艺流程不仅需要有科学合理的工艺设计,还需要有先进的施工技术和设备支持。
可以采用现代化的建筑施工技术,如微震技术、无振动桩工艺等,以提高基础工程的施工效率和质量。
此外,还需要加强施工管理和监督。
在扩大基础施工工艺流程的过程中,施工管理和监督是至关重要的。
必须建立科学的施工管理体系,确保工程的各个环节都能够得到有效的监督和管理,以避免工程质量和安全隐患。
最后,需要加强施工人员的培训和技术支持。
扩大基础施工工艺流程需要有高素质的施工人员和技术支持,因此必须加强对施工人员的培训和技术支持。
只有让施工人员具备先进的施工技术和专业知识,才能够真正做到扩大基础施工工艺流程。
总之,扩大基础施工工艺流程是建筑工程发展的必然需求,需要充分考虑技术、设备、管理和人员等多方面因素,以确保工艺流程的扩大能够真正满足建筑工程的需要。
扩大基础施工方法一、施工工艺流程测量放样→开挖基坑→垫层施工→基础轴线放样→钢筋制作及绑扎、安装→模板安装→检查核对→混凝土浇筑→拆模养护、基坑回填。
二、施工方法1、基坑开挖前先按照设计提供控制点放样开挖边线,并根据边线用白灰标出开挖边线。
为满足基坑作业面的要求及排水要求,基坑底部步尺寸比设计尺寸要宽50~80cm,基坑顶部尺寸按照1:0.75放坡。
2、基坑采用挖掘机开挖、人工配合,在开挖至基坑底面20cm 左右时,停止机械施工,全部采用人工修整,严防超挖;对不慎超挖的基坑应分层回填夯实;开挖较深的基坑应根据实际情况采取必要的支护措施。
垫层施工应确保其厚度和混凝土强度,以免基础钢筋笼安放后遭到破坏,从而影响基础混凝土质量。
垫层上应放设细部尺寸线,以确保基础位置和细部尺寸的正确。
3、基坑开挖完毕,请监理工程师到现场监督检查,将检验情况填写地基检验表,报请监理工程师复验批准,进行基础施工。
基底检验内容:基底平面位置、尺寸和基底标高;基底地质情况和承载力是否与图纸相符;基底处理是否符合图纸和本规范的要求。
基底平面位置、尺寸和基底标高应符合设计要求。
4、钢筋制作严格按图纸及技术规范要求进行,准确预留桥台台身钢筋;由于是掩埋部分,采用每块不小于1m2的自制标准模板,模板接缝采用海绵条填塞,卡扣连接,钢管支撑,拉杆对拉,以保证模板的整体性和密封性,确保混凝土的外观质量。
5、混凝土采用集中拌合,混凝土输送车运输,泵送到位;针对其体积较大的特点,采用分段分层错台浇筑,同时降低水灰比,防止因水化热无法散失而产生裂缝。
6、拆除侧模后,除及时覆盖保湿养护外,还应对混凝土外观质量进行认真检查,确认无缺陷并征得工程师同意后,两侧对称回填,并尽量夯实,以利墩台身施工。
刚性扩大基础施工工艺1 施工方法对刚性扩大基础的施工,一般均采用明挖,根据开挖深度、边坡土质、渗水情况及施工场地、开挖方式、施工方法可以有多种选择。
A.放坡开挖1.测量放线:用经纬仪测出墩、台基础纵、横中心线,放出上口开挖边线桩,边坡的放坡率可参照下表:坑壁土质坑壁坡度基坑顶缘无外载基坑顶缘有外载砂类土1 :1 1 :1.25碎石、卵石类土1 :0.75 1 :1亚粘土1 :0.6 1 :0.75软岩1 :0-0.25 1 :0.33硬岩1 :0 1 :0为避免雨水冲坏坑壁,基坑顶四周应做好排水,截住地表水,基坑下口开挖的大小应满足基础施工的要求,渗水的土质,基底平面尺寸可适当加宽50cm-100cm,便于设置排水沟和安装模扳,其它情况可放小加宽尺寸,不设基础模板时,按设计平面尺寸开挖。
2.开挖作业方式以机械作业为主,采用反铲挖掘机配自卸汽车运输作业辅以人工清槽。
单斗挖掘机(反铲)斗容量根据上方量和运输车辆的配置可选择0.4~0.1立方米,控制深度4一6m。
挖基土应外运或远离基坑边缘卸土,以免塌方和影响施工。
3.基坑开挖前,依据设计图提供的勘探资料,先估算渗水量,选择施工方法和排水设备,采用集水坑排水方法施工时按集水坑底应比基坑底面标高低50一100cm,以降低地下水位保持基底无水,抽水设备可采用电动或内燃的离心式水泵或潜水泵,采用人工降低地下水位。
井点法适用于基坑土质容易流砂的砂土层,不能用直接排水法的情况下。
降低地下水位效果较好。
图3-1为井点法施工示意图。
在距基坑壁1.0m的土层内通过计算设置若干针形管,通过水泵从中抽水引起地下水位的下降,由于各集水井的作用使基坑范围地下水位下降,在施工过程中不断抽水,使基坑保持干燥无水。
4.基坑开挖应连续施工,避免晾糟,一次开挖距基坑底面以上要预留20一30cm,待验槽前人工一次清除至标高,以保证基坑顶面坚实。
5.坑壁的支撑坑壁的支撑方式可选以下几种:(1) 档扳支撑:适用于基坑断面尺寸较小,可以边挖边支撑的情况,档板可竖或横立,板厚5一一6cm,加方木带,板的支撑用钢、木均可。
(2) 喷射砼护壁是一种常用的边坡支护方法,在人工修整过的边坡上采用砼喷射机喷射砼,厚度一般为5-10cm(或特殊设计),砼标号C20,石子粒径0.5-1.5cm,喷射法随着基坑向下开挖1.0一2.0m,即开始喷射砼护壁,以后挖一节喷一节直到基底。
(3) 围堰:在有地表水的地段,开挖基坑应设置围堰,根据施工的不同环境,水文情况,围堰可以采用上围堰、草(麻)袋围堰、木板或钢板桩围堰等多种型式,施工时应注重充分利用当地材料和现有设备,尽可能缩短工期,提高工效,保证安全。
要求堰顶面至少高出施工期最高水位0.5一1.0m,围堰应尽量减少压缩河床断面,要满足强度和稳定的要求。
各类围堰简述如下:a.土围堰适用于水深在2.0m以内,流速小于0.5m/S的情况下,围堰易采用松散的粘性土填筑,堰顶宽一般为1-2m,临水面边坡1:2一1:3,堰内最小边坡l:1,坡角距基坑边不小于1.0m,筑堰前应先清理堰底树根、草皮、石块等杂物,填土出水面应分层夯实。
b.草(麻)袋围堰:当水深在2一4m,流速为1一2m/s的情况下,可采用草(麻)袋围堰,袋内装松散的粘性土,装土量为袋容量的1/2一2/3,袋口缝合,土袋上、下层和内、外层应相互错缝,堰顶宽1一2m,外侧边坡l:05一1:1,内侧边坡1:0.5一1:0.2,为减少渗水,增大围堰断面,袋间可填粘土心墙。
c.木扳桩围堰:适用于水深在4m以内,河床为砂性土,粘性土,可以打进木扳桩的土层,一般可采用单层木板桩,也可以采用中间夹土的双层木板桩,木板桩承受水压力应通过计算来决定,木板桩的榫口要求接缝密合,减少漏水,扳厚5一25cm不等,木板桩可用锤击法打入,也可采用机械压入,木板桩所承受的水和土力可利用木扳桩的导桩和内层的围囹支撑,打入土层深度根据土质情况而定。
d.钢板桩围堰:对于水深在5一6m以上,砂类土、半干硬粘性土、碎石、卵石类土、风化岩等地层深水基础都可以选用,钢板桩围堰强度高,能承受较大的侧压力,插打钢扳桩的顺序一般自上游分头插向下游,依靠导向设备先将全部钢扳桩逐根插打到稳定深度,然后依次插打到设计深度,采用振动桩锤打桩时,要使用桩帽,保护桩头,为避免漏水,钢扳桩的锁日部分应涂以锯沫、黄油混合物,进行密封。
常用围堰适用范围及范围如下:(附图)(4) 垂直开挖:许多城市立交桥因受场地和行车条件所限,基坑要进行垂直开挖,上口开挖面尺寸基本与基坑下口尺寸相同,为有效的保证基坑侧壁施工中的安全,并承受周边建筑和土产生的侧压力,桥梁基础开挖可选用长螺旋钻孔灌注桩护壁(起挡土墙作用),主要施工方法是:a.施工准备:平整场地,填平夯实,测量放出基础开挖边线及钻孔桩桩位,并打上木桩标志。
b.施工工艺流程为:钻孔桩就位--调直钻架杆--对桩位--钻进、出土--停钻(读钻孔度)--提钻--测孔深、检查孔质量--放钢筋笼--浇灌砼。
长螺旋钻孔桩一般桩径为30一80cm,桩长6一15m,其特点是速度快,设备少,除一台钻机外,其余机具工地都可以现场解决,适用于地下水位以上的一般粘性土,砂土、杂填土地段(地下水位以下容易塌孔不宜采用)。
长螺旋钻孔桩主要工作参考如下表机械名称电动功率钻进速度外型尺寸(m)履带式LZ型30 2m/分8.0×3.2×21.8汽车式QZ-4型17 1m/分7.3×2.65c.基础砼浇注1) 重要的基础构造物施工应先浇注大于10cm的砼垫层以便在其上支立模扳、绑扎钢筋,砼垫层也有利于施工排水。
2) 基础施工时,应加强排水,保持在无水的条件下进行基础钢筋绑扎、模板安装。
3) 基础砼浇注前,干土基要洒水湿润,湿土基要铺以碎石垫层或水泥砂浆层,石质地基要清除松散粒料,才可浇注基础砼。
4) 砼浇注应连续进行,当必须间歇时,应在前层砼初凝之前将下层砼浇注完毕。
5) 在基底渗水严重的基坑中修筑基础,可先浇水下砼封底,待其达到要求强度时,排水清淤凿出新的砼顶面,再进行浇注。
d.大体积砼的施工1.大体积砼具有以下特点:(1) 砼结构物体积大,需要浇注大量的砼。
(2) 大体积砼常处于潮湿或与水接触的环境条件下,因此除满足强度外,还必须具有良好的。
耐久性和抗渗性,甚至耐侵蚀性和抗冲击能力。
(3) 大体积砼强度等级高,水泥用量大,水化热和收缩容易造成结构的开裂。
(4) 大体积砼由于其水泥水化热不容易很快消夫,蓄热于内部,使温度升高较大,因此对温度进行控制,是大体积砼施工最突出的问题。
一般当结构物最小尺寸在3m以上,单面散热面积最小尺寸在75cm以上,双面散热在100cm以上,水化热引起的最高温度与外界气温之差大于25OC 时,即可视为大体积砼施工。
2.施工准备:(1) 水泥:选用水化热低、初凝时间长的矿渣水泥325#、425#。
(2)砂:选用粗砂或中砂,含泥量<3%。
(3)石子:0.5一3.2cm粒径的碎石或卵石。
(4)外加剂:可选用复合型外加剂和粉煤灰以减少绝对用水量和水泥用量,延缓凝结时间。
(5)施工配合比一般要求,水泥用量控制在300Kg/m3寸以下,泵送砂率在0.4-0.45间,塌落度10一14cm为宜。
(6)夏季施工采用冷却拌和水或掺冰屑的方法,达到降低拌和温度的目的。
夏季砂石料堆可设简易遮阳棚,必要时可向骨料喷水。
(7)砼搅拌:加料顺序如下:石子--水泥--砂子--(水+外加剂),为使砼拌合均匀,自全部拌合料倒入搅拌筒中算起,搅拌时间应不少于1.5分钟。
3.砼的浇注(1)砼必须分层浇注,分层捣实。
根据基础不同情况、浇注方案可分为:a.一次整体浇注:采用全面分层法,即第一层全面浇注完毕后再浇注第二层,每层的间隔时间以砼未初凝为准,如此逐层进行。
施工时从短边开始,沿长边进行,必要时也可以从中间或二边向中央进行。
除此之外还可以选用分段分层和斜面分导的砼浇注方法。
施工前,根据基础尺寸、砼数量、初凝时间,分层厚度,选择浇注方法和硅泵、罐车数量及相应的搅拌砼设备能力。
如设计要求要敷设冷却水管,应适当增加一些构造钢筋,保证冷却水管有一定的稳定性。
b.分层浇筑:当基础厚度较厚,一次浇筑砼方量过大时,可建议设计单位分层浇筑,分层的厚度0.6-1.5m为宜。
分层的目的是通过增加表面系数,以利于砼的内部散热,层间的间隔时间从理论上讲应以砼表面温度降至大气平均温度为好,最小间隔时间应不小于砼内部最高温度出现以后,一般5一14天之间。
上层浇筑前,应清除下层砼水泥薄膜和松动石子以及软弱砼面层,并进行湿润、清洗。
4.大体积砼的水化热温度控制a. 选用低水化热的矿渣水泥或大坝水泥。
b. 采用双掺技术,即在硅中掺加高效外加剂和粉煤灰。
c. 掺加适量缓凝剂,退后凝固时间。
d.在高温季节对砼用水、砂、石采取降温措施尽量降低砼入模温度。
e. 严格控制砼的塌落度,在保证强度的前提下尽量减少水泥用量。
f.如设计要求在砼中埋设冷却水管,通过冷却降温进出水温差不宜大于10OC,以防止水管周围产生温度裂缝。
g.保持砼内部温度与外界温差<25OC。
5.砼的振捣使用插入式振捣器,振捣方式可以垂直于砼面插入振捣棒,或与砼面成40一50倾角斜向插入振捣棒,振捣棒的使用要"快插慢拔",每一个插点振捣时间以20--30s为宜,为保证砼质量最好采用复振措施。
6.砼的养护砼达到初凝后即开始进行塑料布覆盖,为防止砼脱水开裂,在塑料布上应再双层覆盖草袋,二层草袋迭缝,因一般砼浇筑后第3.4天内部温度最高,以后逐渐降低,所以覆盖的拆除不能过早、过快,一般以10天左右为宜。
7.测温工作(1)根据基础平面尺寸、厚度的不同情况,合理、经济地布设测温点,并绘制测温布置图。
(2)采用热电隅温度计和玻璃温度计共同测温方式,其敷设间距高度方向50一80cm,平面方向250一500cm。
距边角和表面应大于5cm。
测温应有专人负责,每4小时一次。
注:上海在杨浦、徐浦大桥基础施工中,采用测温仪有XQC一300大型长图自动平衡记录仪和WZG一010铜热电阻温度传感器改装的定时全自动扩展装置进行微机监控。
8.施工准备一一清理和湿润模板一埋设测温装置一确定砼配合比一砼搅拌一砼运输一砼浇筑(分层)一振捣一硅养护一测温。