油气藏类型范围划分标准表
- 格式:doc
- 大小:29.00 KB
- 文档页数:1
油藏第一章1.储集层(孔隙开度较大的岩石层)非储集层(孔隙开度较小的岩石层)水平、倾斜储层无法聚集油气。
2. 圈闭:定义:能够阻止油气继续运移、并能遮挡油气,使其聚集起来的地质构造。
构成要素:储集层(储集油气的岩石层)、盖层(阻止油气向上运移的岩石层)、遮挡物(阻止油气侧向运移的岩石层)。
圈闭大小度量参数:溢出点(圈闭中油气溢出的地方)、闭合高度ht (圈闭的最高点与溢出点之间的垂向距离)、闭合面积At(通过溢出点的闭合等高线所包围的面积)。
圈闭容积Vct:Vct=Ath?(1-Swc) h—储集层的厚度定义:单一圈闭中被油气占据的部分,称作油气藏。
(08年已考)度量参数:油水界面、油柱高度ho、含油面积Ao。
8.地质储量:特定地质构造中所聚集的油气数量。
分为静态地质储量和动态地质储量。
动态地质储量与静态地质储量的比值,称作储量的动用程度。
可采储量:在目前技术经济条件下, 可以采出的地质储量。
采收率:可采储量与地质储量的比值。
静态地质储量:采用静态地质参数(如含油面积和储集层厚度)计算的地质储量。
动态地质储量:在油气开采过程中采用动态生产数据(如油气产量和地层压力)计算的地质储量。
地质储量容积法计算公式:N=Aoh? (1-Swc)/Boi (10年已考)Boi—原始条件下地层原油体积系数。
9. 储量级别:潜在、远景、预测、控制、探明、开发10. 储量丰度:单位含油面积上的石油地质储量。
Ωo=N/Ao= h? (1-Swc)ρos/Boi ρos—地面脱气原油密度。
单储系数:单位岩石体积中的石油地质储量。
(09年已考)ωo= N/Aoh=? (1-Swc)ρos/Boi第四章油气藏压力与温度1. 原始地层压力:油气藏投入开发之前测量的压力,Pi2. 动态地层压力:油气生产过程中测量的压力,P3. 井底流压:油气流动即生产过程中测量的井底压力,Pwf4. 井底静压:油气静止即关井过程中测量的井底压力,Ps5. 地层压力梯度Gp:单位深度的压力变化值。
1 范围1.1 本标准规定了石油天然气资源/储量(以下简称资源/储量)的分类和定义。
1.2 本标准适用于资源/储量计算、评审和统计,也适用于国内采矿权和开发方案的审批、矿业权转让和油气勘探开发筹资、融资等活动中的储量中介评估。
2 基本术语本标准在分类定义中采用下列基本术语,这些基本术语均为泛指的名词:2.1 原地量:是指地壳中由地质作用形成的油气自然聚集量,即在原始地层条件下,油气储集层中储藏的石油和天然气及其伴生有用物质,换算到地面标准条件(20℃,0.101MPa)下的数量。
在未发现的情况下,称为原地资源量;在已发现的情况下,称为原地储量,特称地质储量。
2.2 可采量:是指从油气的原地量中,预计可采出的油气数量。
在未发现的情况下,称为可采资源量;在已发现的情况下,称为可采储量。
2.3 资源量:是原地资源量和可采资源量的统称。
2.4 储量:是地质储量和可采储量的统称。
可采储量又是技术可采储量和经济可采储量的统称。
2.5 技术可采储量:是指在给定的技术条件下,经理论计算或类比估算的、最终可采出的油气数量。
2.6 经济可采储量:是指在当前已实施的或肯定要实施的技术条件下,按当前的经济条件(如价格、成本等)估算的、可经济开采的油气数量。
2.7 不可采量:是原地量与可采量的差值。
3 勘探开发阶段划分石油天然气勘探开发工作是一个循序渐进的过程。
完整的勘探开发过程可分为五个阶段:区域普查阶段、圈闭预探阶段、油气藏评价阶段、产能建设阶段、油气生产阶段。
3.1 区域普查阶段:对盆地、坳陷、凹陷及周缘地区,进行区域地质调查,选择性地进行非地震物化探和地震概查、普查,以及进行区域探井钻探,了解烃源岩和储、盖层组合等基本石油地质情况,圈定有利含油气区带。
13.2 圈闭预探阶段:对有利含油气区带,进行地震普查、详查及其它必要的物化探,查明圈闭及其分布,优选有利含油气的圈闭,进行预探井钻探,基本查明构造、储层、盖层等情况,发现油气藏(田)并初步了解油气藏(田)特征。
油气藏的分类摘要:目前,在世界上发现的油气藏的种类众多,形成方式也各有不同,地质学家很早就认识到将这些油气藏分类的必要性。
国内外石油地质学家们提出的油气藏的分类很多。
其中大部分支持的是根据圈闭的形态和成因进行分类,这样的分类在油气勘探中已经取得了非常重要的作用。
但随着常规油气藏的数量慢慢减少以及非常规油气藏在油气藏勘探中的地位的上升,使我们逐渐重视起这些非圈闭类的油气藏,而以往的分类方法在这方面体现出了一定的局限性,所以,我们需要寻找一个更为有效的方法对油气藏进行分类,这样的分类不应该完全推翻根据圈闭分类的方法,而是应该继承圈闭分类的优点并对它的不足加以补充。
本文就是在圈闭分类的基础上对油气藏在宏观上分成聚集类油气藏和非聚集类油气藏,并对两种分类分别进行了简单地划分,以此来更好地进行学术上的探讨。
关键词:油气藏分类常规油气藏非常规油气藏圈闭非圈闭一、传统油气藏分类简要概述传统对油气藏的分类一般遵循两条基本的原则:1、分类的科学性,即分类应能充分反映圈闭的成因,反映各种不同类型油气藏之间的联系和区别;2、分类的实用性,即分类应能有效地指导油气藏的勘探及开发工作,并且比较简单实用。
根据上述两条分类原则将油气藏按照圈闭分为构造油气藏、地层油气藏、岩性油气藏以及符合油气藏,并根据具体特点细分为若干类型(表1)。
二、传统油气藏分类缺陷可以说,传统油气藏的分类在过去的几十年中对油气藏的勘探已经取得了显著的成效,尤其在寻找圈闭类油气藏勘探中更是如鱼得水,曾经在石油勘探中形成这样的思维“找石油就找背斜”。
可见,以圈闭对油气藏分类的重要性和实用性。
但近些年来,随着非常规油气藏的发展,如致密砂岩气、页岩气、页岩油、煤层气油气藏在储量和开采量的提高,让我们不得不重视这些所谓的非常规油气藏,而这些油气藏之所以被称为非常规油气藏,如果从发现和利用的时间角度讲,先被利用的就是常规的,后被发现的就是非常规的,但如果当初先被发现和利用的是煤层气、天然气水合物等油气藏,是不是它们现在就是常规的油气藏了呢?这样的定义和分类也让我联想到了对能源的分类,对传统的能源我们称之为常规能源,而对于新发现的太阳能、风能等能源我们称为新能源,是因为它们是被新利用的能源,这是按照利用的时间对能源进行的分类。
第一节油气藏的类型第二节油气聚集单元第三节油气资源分布特点及控制因素•主要内容第五章油气聚集类型及分布规律▲油气藏的分类构造油气藏地层油气藏岩性油气藏其它类型油气藏▲油气藏基本类型第一节油气藏的类型一、构造油气藏大类类亚类挤压背斜油气藏基底升降背斜油气藏底辟拱升背斜油气藏差异压实背斜油气藏背斜油气藏牵引背斜油气藏断鼻油气藏弧形断层断块油气藏交叉断层断块油气藏多断层切割的断块油气藏断层油气藏断层线、等高线与岩性尖灭线共同配合形成裂缝性油气藏盐体刺穿接触油气藏泥火山刺穿接触油气藏构造油气藏刺穿接触油气藏岩浆岩体刺穿接触油气藏1、背斜油气藏在构造运动作用下,地层发生弯曲变形,形成向周围倾伏的背斜,称背斜圈闭。
油气在背斜圈闭中聚集形成的油气藏,称为背斜油气藏。
这类油气藏在世界油气勘探史上一直占最重要的位置,也是石油地质学家们最早认识的一种油气藏类型。
J.D.Moody等人(1972)统计了世界上最终可采储量在7100万吨(5亿桶)以上的189个大油田,其中背斜油藏占总数的75%以上。
类挤压背斜油气藏:指在由侧压应力挤压为主的褶皱作用下形成的背斜圈闭中的油气聚集。
(1)挤压背斜油气藏—与挤压作用有关的背斜油气藏主要特征:▲常见于褶皱区▲两翼地层倾角陡▲常呈不对称状▲闭合高度较大▲闭合面积较小▲常伴有逆(冲)断层一般在地台区较为常见,在地台内部坳陷和边缘坳陷中。
基底活动使沉积盖层发生变形,形成背斜圈闭。
(2)与基底隆起(升降)有关的背斜油气藏在沉积过程中,由于基底的差异沉降作用而形成的平缓、巨大的背斜构造中的油气聚集。
主要特点:★一般表现为宽缓背斜、大隆起、长垣;★两翼地层倾角平缓,且向上更趋平缓;★闭合高度较小;★闭合面积较大(与褶皱区比较);★可发育受基底断裂控制的继承性断层,但数量较少。
圈闭成因:地下塑性物质活动的结果。
坳陷内堆积的巨厚盐岩、石膏和泥岩等可塑性地层,在上覆不均衡重力负荷及侧向水平应力作用下,塑性层蠕动抬升,使上覆地层变形形成底辟拱升背斜圈闭。
第三章油气藏分类第一节油气藏分类原则和因素一、油气藏分类一般遵循的原则1、油藏的地质特征,包括油藏的圈闭、储集岩、储集空间、压力等特征;2、油藏的流体性质及分布特征;3、油藏的渗流物理特性,包括岩石的表面润湿性,油水、油气相对渗透率,毛管压力,水驱油效率等;4、油藏的天然驱动能量及驱动类型。
二、油藏的分类因素(一)、原油性质1、低粘度油层条件下原油粘度 <5 mPa .s为低粘度原油。
2、中粘度油层条件下原油粘度在5~20 mPa .s为中粘度原油。
3、高粘度油层条件下原油粘度在20~50 mPa .s为高粘度原油。
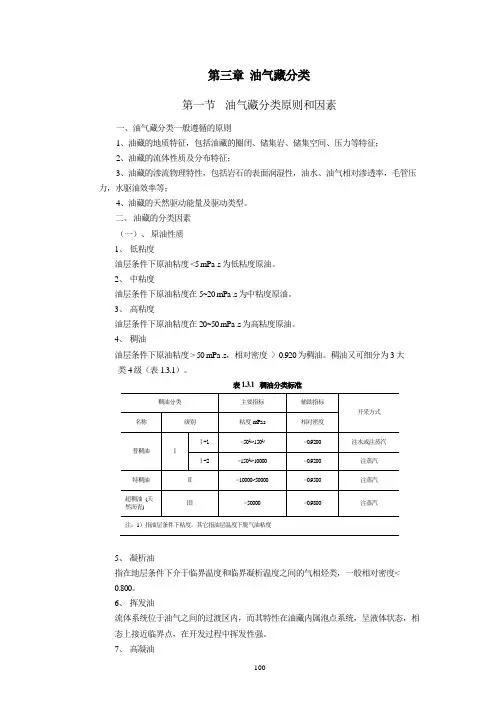
4、稠油油层条件下原油粘度 > 50 mPa .s,相对密度 > 0.920为稠油。
稠油又可细分为3大类4级(表1.3.1)。
表1.3.1 稠油分类标准注:1)指油层条件下粘度,其它指油层温度下脱气油粘度5、凝析油指在地层条件下介于临界温度和临界凝析温度之间的气相烃类,一般相对密度<0.800。
6、挥发油流体系统位于油气之间的过渡区内,而其特性在油藏内属泡点系统,呈液体状态,相态上接近临界点,在开发过程中挥发性强。
7、高凝油为凝点 > 40℃的轻质高含蜡原油。
(二)、圈闭构造圈闭,地层圈闭、水动力圈闭、复合圈闭。
(三)、储集层岩性砂岩、砾岩、碳酸盐岩、泥岩、火山碎屑岩、侵入岩、变质岩。
(四)、渗透性1、高渗透储集岩空气渗透率 > 500×10-3μm2。
2、中渗透储集岩空气渗透率50—500×10-3μm2。
3、低渗透储集岩空气渗透率10—50 ×10-3μm2。
4、特低渗透储集岩空气渗透率 < 10×10-3μm2。
(五)、油、气、水产状边水、底水、气顶。
(六)、储集层形态层状(单层、分层、低倾角、高倾角)、块状。
(七)、储集空间类型孔隙型、裂缝型、双重介质型。
(八)、地层压力常压(压力系数0.9~1.2)、异常高压(压力系数 > 1.2)、异常低压(压力系数 < 0.9)。