内部审核方案
- 格式:doc
- 大小:95.00 KB
- 文档页数:5
IATF16949内部审核方案第1步:准备内部审核计划在开始内部审核前,需要制定一个详细的计划。
该计划应包括以下内容:-内部审核的范围和周期,以确定需要审核的区域和时间段。
-内部审核的团队成员,包括审核员和审核领导者。
-内部审核的资源需求,如审核员培训、文件和记录等。
-内部审核的流程和时间表,包括准备阶段、实地审核和报告编写等步骤。
第2步:准备审核程序和文件在内部审核开始前,需要准备相关的程序和文件,以便审核团队使用。
这些文件包括:-组织的质量相关文件和记录,如工作指导书、工艺流程图和质量检验报告等。
-内部审核的文件和表格,如审核计划、审核报告和问题记录表等。
第3步:实地审核在实施内部审核时,应按照方案中规定的范围和时间表进行。
以下是内部审核的一般步骤和要点:-开始会议:由审核领导者主持,介绍审核目的、过程和时间表。
-拉开帷幕:审核团队用于形容开放性的问题或发现,以引导受审人员讨论和解决问题。
-实地检查:审核团队需参观实地,检查质量管理体系的实施情况,并与工作人员进行交流。
-记录问题:审核团队需记录发现的问题、缺陷和矛盾,以便后续报告和改进。
第4步:问题报告和改进在内部审核结束后,审核团队应编写一份内部审核报告,汇总审核结果和问题建议。
以下是内部审核报告的主要内容:-审核目标和范围的总结。
-审核过程中发现的问题和缺陷。
-对组织质量管理体系的评估和改进建议。
-内部审核团队的反馈和建议。
第5步:内部审核跟踪内部审核结束后,组织应跟踪并落实内部审核报告中的问题和建议。
以下是内部审核跟踪的一些步骤:-制定行动计划:组织应根据内部审核报告中的问题和建议,制定相应的行动计划。
-跟踪行动计划的实施:组织应确保行动计划的实施,并根据需要进行内部审核的跟踪与检查。
-审核成果的验证:组织应通过再次进行内部审核或使用其他验证方法,确保问题解决和改进措施的有效性。
内部审核制度方案背景在企业内部,建立一套有效的内部审核制度至关重要。
这有助于确保企业运作的透明和规范,同时也能帮助企业发现和纠正自身存在的问题。
本方案旨在建立一套适用于企业内部审核的制度。
目的本内部审核制度方案的目的是确保企业在运营过程中严格遵循法规、合规、管理规范,通过防控风险,提高经营管理水平,增强企业的抗风险能力。
内部审核人内部审核人应由企业内部人员担任,对于小型企业,可以由管理层、部门领导或专门设立的审核组担任审核人。
对于大型企业,应成立专门的内部审核部门,并通过专业的内部审核人员进行审核。
内部审核流程1.确定内部审核的内容和计划依据企业本身的情况和需求,确定内部审核的内容和计划。
内部审核的内容应包括企业现有的制度、程序、规章制度、业务状况等,内部审核的计划应根据企业的情况来制定。
2.内部审核准备工作内部审核之前,内部审核人员应在审核计划和审核范围的基础上,进行审核准备工作,包括收集所需资料、审核目标的确定和审核工作的排期等。
3.内部审核实施内部审核实施时,应保持审慎、公正、客观的态度,通过对零散资料的收集和系统分析,向被审核对象提出问题并核查其真实性和有效性。
4.内部审核汇报和整改内部审核完成后,内部审核人员应向企业管理层和相关部门报告审核情况,并提出具体的审核整改措施,供企业进行落实和执行。
内部审核的注意事项内部审核在实施过程中,需要注意以下事项:1.内部审核应具有重视性、综合性和公正性。
2.内部审核工作应具有保密性。
3.国家法律法规和企业的规章制度应为内部审核的主要依据。
4.内部审核的意见和评价应为被审核对象所接受和认可。
5.内部审核意见应统筹处理,采取综合来考虑,对于重大问题应及时并准确地反映给企业管理层。
结论本内部审核制度方案可以帮助企业建立并完善内部审核制度,提高企业整体运营效率和风险控制水平。
同时,内部审核的实施需要全体员工的共同配合和支持,推动企业发展和健康稳定的运营。
内部审核方案1. 背景作为一个公司或组织,内部审核是必不可少的。
内部审核能够帮助企业或组织识别潜在的风险和问题,以便采取措施加以解决。
而且,内部审核也可以帮助企业或组织提高其流程和业务的效率。
2. 目的本文档的主要目的是为了帮助企业或组织制定完整的内部审核方案,以达到以下目的:•保证企业或组织依照相应的规定和标准进行运营。
•识别和防范潜在的风险和问题。
•提高企业或组织流程和业务的效率。
•保护企业或组织的声誉和品牌形象。
•推动企业或组织持续发展。
3. 审核计划为了达到上述目的,企业或组织需要制定一条内部审核计划。
以下是内部审核计划的步骤:3.1 确定审核范围和目标企业或组织必须确定需要接受审核的范围和目标。
例如,审核的范围可以是某个部门或业务流程;审核的目标可以是确保采购流程的合规性。
3.2 制定审核计划企业或组织必须制定一份详细的审核计划。
该计划的内容包括:•审核目的和范围。
•审核时间和地点。
•审核方法和程序。
•审核人员的负责范围和职责。
•审核发现的问题的分类和级别。
•下一步的行动计划。
3.3 进行审核根据审核计划中的时间和地点,企业或组织应该组织审核人员进行全面的审核。
审核人员需要遵守特定的程序和审核方法,以确保审核的准确性。
3.4 评估审核结果企业或组织必须对审核结果进行评估,识别潜在的风险和问题,并制定相应的行动计划。
审核结果应该由一个独立的评价机构进行评估,以确保审核的客观性和准确性。
3.5 确认行动计划的执行企业或组织必须对行动计划的执行进行确认,并及时跟进相关的行动。
例如,如果审核发现了运营流程中的问题,企业或组织必须立即采取措施解决这些问题。
4. 结论内部审核对于企业或组织非常重要,它可以帮助企业或组织识别潜在的风险和问题,提高流程和业务的效率,保护企业或组织的声誉和品牌形象。
通过制定详细的内部审核方案和计划,企业或组织可以更好地达到其内部审核的目标。
内部审核方案一、前言内部审核是组织机构管理中非常重要的一部分。
通过内部审核,可以有效地评估和改善组织的运营情况,提高管理效率和绩效。
本文将介绍一种内部审核方案,旨在帮助组织建立健全的内部审核体系,确保组织的所有业务活动符合相关法律法规和内部政策要求。
二、内部审核目标1. 评估风险管理:内部审核的首要目标是评估组织的风险管理措施以及其有效性,确保组织能够及时预测和应对可能影响业务运营的风险。
2. 提高内部控制:通过内部审核,可以发现和纠正内部控制方面的问题,提高组织的内部控制水平,减少潜在的错误和失误,保护组织的利益。
3. 评估合规性:内部审核还可以评估组织是否遵守了所有适用的法律法规和行业标准,避免因违反法规而导致的罚款或其他法律责任。
4. 改进业务流程:内部审核还可以帮助组织发现并改进业务流程中的不足之处,提高效率和生产力,进一步推动组织的发展和竞争力。
三、内部审核步骤1. 制定内部审核计划:在开始进行内部审核之前,应制定详细的内部审核计划。
该计划应包括审核的范围、目标、时间表、资源分配和相关责任人等信息。
2. 进行内部审核:内部审核应由经过相应培训和资质认证的审核人员进行。
他们应按照内部审核计划的要求对组织的各项业务活动进行全面、客观的评估。
3. 收集审核证据:在进行内部审核的过程中,审核人员应收集相关的内部审核证据,以支持他们的审核结论。
这些证据可以包括文件记录、数据报告、员工访谈等。
4. 分析和评估审核结果:审核人员应对收集到的审核证据进行仔细分析和评估,以确定组织的内部控制是否有效,风险管理是否到位,业务流程是否合理等。
5. 提出改进建议:根据审核结果,审核人员应向组织提出具体的改进建议。
这些改进建议应包括对内部控制的完善、风险管理的优化、业务流程的改进等方面的建议。
6. 编制审核报告:审核人员应根据审核结果和改进建议编制一份详细的审核报告。
该报告应包括内部审核的目的、范围和过程、审核结论、改进建议等内容。
内部审核方案范本内部审核方案一、背景和目的:为了提高公司的内部运营效率,确保公司的财务数据的准确性和可靠性,以及妥善管理和预防经营风险,本方案旨在规范公司的内部审核程序和流程。
二、审核范围:1. 财务审核:包括财务报表、会计凭证和相关财务数据的审核,确保财务数据的准确性,以及遵守相关财务法规和会计准则。
2. 内部控制审核:对公司的内部控制制度进行审核,确保内部控制制度的有效性,提高公司的运营效率,防范内部风险。
3. 经营风险审核:对公司的经营风险进行审核,包括公司的市场风险、信用风险、操作风险等,以及相关防范措施的执行情况。
三、审核程序:1. 审核计划编制:根据公司的需要和预算,编制年度审核计划,明确审核的范围、目标和时间表。
2. 审核目标确定:针对每个审核项目,明确审核的目标和重点,制定详细的审核程序和方法。
3. 信息收集:通过对公司的文件资料、面谈、观察等方式,收集审核所需的信息和证据。
4. 风险评估:根据收集到的信息,对公司的风险进行评估,确定审核的重点和关键领域。
5. 数据分析:对收集到的财务数据和相关信息进行分析,发现潜在风险和问题。
6. 编写审核报告:根据审核结果,编写详细的审核报告,包括问题的描述、风险的评估和建议的改进措施。
7. 报告反馈和跟踪:将审核报告提交给相关部门和管理人员,并跟踪改进措施的落实情况。
四、审核责任:1. 内部审核部门:负责编制审核计划和程序,组织审核工作,收集信息和证据,编写审核报告,并监督改进措施的落实情况。
2. 相关部门和人员:配合内部审核部门开展审核工作,提供必要的信息和证据,并按时完成改进措施的落实。
五、审核结果和改进措施:1. 审核结果:根据审核报告的分析和评估,对公司的风险和问题进行分类和排序,确定风险的严重程度和紧急程度。
2. 改进措施:根据审核报告提出的建议,制定改进措施的具体计划和时间表,并责成相关部门和人员落实改进措施。
同时,建立跟踪机制,定期检查改进措施的落实情况。
内部审核方案1. 简介内部审核是企业管理中常用的管理工具之一,通过对企业内部各项业务活动进行全面、系统的审核与评估,不仅可以发现业务管理中存在的问题与隐患,更能够提高企业的业务管理水平、发现机会并及时应对。
本文档旨在阐述企业内部审核的方案,为企业内部审核工作提供指导方针。
2. 审核目标内部审核的目标是发现企业内部管理体系存在的缺陷和不足,包括但不限于以下几个方面:•管理程序和相关控制措施是否有效;•公司运作是否遵循内部管理规定;•对内外部业务风险的识别、评估和应对是否有充分的体现;•公司的策略规划、目标设定是否符合实际情况;•公司的核心业务流程是否合理、有效。
3. 审核策略在执行内部审核之前,需要设定内部审核策略,包括审核的频率、审核人员的选择、审核范围的确定、审核时限和审核结果的确认等。
3.1 审核频率一般来说,内部审核的频率要根据公司的规模、行业类型、市场竞争环境和管理风险等因素策略性地制定。
内部审核频率通常为每年至少一次。
3.2 审核人员的选择内部审核人员可以是公司内部的员工也可以是外部专业的审计师或咨询公司的外聘人员。
审核人员的职位、资历和背景应该足够,以保证审核的实效性和合理性。
3.3 审核范围审核的内容包括公司的各项管理体系,包括财务、人力资源、采购、销售、质量检测等管理流程和制度是否有效,并主要关注可行性、效果和透明度等方面。
3.4 审核时限审核工作的时限应当牢固。
具体时间要根据公司的实际情况来确定,但通常不超过2个月。
3.5 审核结果确认审核结果确认需要由审核人员和被审核人员共同确认,在确认的同时需要指出发现的问题和不足之处,并提出合理有效的改进措施,以减少风险和提高公司业务管理水平和效率。
4. 审核流程内部审核的具体流程如下:4.1 筹备阶段主要是明确审核的目标、时间和范围,确定审核团队,制定内部审核计划,然后开始准备审核工作。
4.2 前期准备阶段主要包括内部审核计划的具体落实、审核程序和要点的审查和评估、审核材料的搜集和分析,这个阶段是为了更好地准备实际审核工作。
人力资源内部审核方案一、背景和目的人力资源是一个组织中至关重要的部门,负责管理和发展人力资源,以确保组织的顺利运作。
为了保证人力资源工作的准确性、公平性和合规性,有必要制定一份详尽的内部审核方案。
本方案旨在建立一个有效的内部审核机制,以监督和评估人力资源部门的工作,提高人力资源管理的质量和效率。
二、审核内容1. 人力资源政策和程序的审核:审核人力资源政策和程序的设计和实施情况,确保其与法律法规和组织的整体战略目标的一致性。
2. 人力资源文件和档案的审核:审核人力资源文件和档案的完整性、准确性和保密性,确保其符合法律法规和组织的规定。
3. 人力资源流程的审核:审核人力资源流程的执行情况,例如招聘、培训、绩效评估等流程,发现问题并提出改进意见。
4. 人力资源数据的审核:审核人力资源数据的收集、分析和报告情况,确保数据的准确性和及时性,帮助决策者做出科学决策。
三、审核步骤1. 审核计划的制定:制定年度审核计划,明确各项审核内容、时间和责任人。
2. 审核准备:准备审核所需的文件和资料,并向相关人员发出通知,确保他们的配合。
3. 审核执行:按照审核计划,对各项内容进行审核,并记录所发现的问题和意见。
4. 审核报告:编写审核报告,记录审核过程、发现的问题、改进措施和建议,并向人力资源部门主管提交。
5. 问题整改:人力资源部门负责整改被发现的问题,并按照要求提供整改报告。
6. 审核跟踪:对问题整改情况进行跟踪和监督,确保问题得到解决并整改措施有效。
四、审核责任人1. 内部审核人:由组织内其他部门的人员担任,具有相关的人力资源管理知识和审核经验。
2. 外部审核人:可由专业机构或第三方机构提供,具有独立性和客观性。
五、审核频率1. 定期审核:每年至少进行一次全面的内部审核,覆盖所有审核内容和流程。
2. 不定期审核:根据需要和重点,可进行局部或特定内容的不定期审核。
六、审核结果的处理1. 发现重大问题:针对重大问题,及时采取相应措施,并通知组织高层相关负责人。
内部审核方案为了确保公司的质量管理体系能够持续有效运行,质量体系审核应该每年至少进行一次。
审核的优先级应该根据风险评估和过程重要性来确定。
六、制造过程审核方案:1.审核目的:对制造过程进行系统、独立的检查和评价,以验证过程是否符合计划安排的要求,以及对供应商产品的过程进行审核,使过程达到受控和有能力,以保证对顾客所有要求的符合程度。
2.审核范围:制造过程涉及到的所有部门和要素。
3.审核依据:a)b) 公司的制造过程文件,如作业标准、工艺流程、检验标准等;c) 相关产品的技术规范、法律法规;d) 顾客要求(特定要求)。
4.审核方式及说明:a) 采用IATF要求的过程审核方式,并结合听、查、看的方式进行现场审核;b) 任何过程、方针目标、职责权限、内部沟通、人力资源管理、基础设施、工作环境、外来文件与记录控制、持续改进都会在相关部门进行审核;c) 生产现场均会涉及到不合格品控制,标识和可追溯性控制审核;d) 重点关注风险、内部绩效、顾客满意度、顾客抱怨、重要过程。
七、产品审核方案:1.审核目的:对产品进行系统、独立的检查和评价,以验证产品是否符合计划安排的要求,以及对供应商产品的过程进行审核,使过程达到受控和有能力,以保证对顾客所有要求的符合程度。
2.审核范围:产品设计、开发、制造、交付及售后服务等所有阶段。
3.审核依据:a)b) 产品设计、开发、制造、交付及售后服务等所有阶段的文件,如设计规范、工艺流程、检验标准等;c) 相关产品的技术规范、法律法规;d) 顾客要求(特定要求)。
4.审核方式及说明:a) 采用IATF要求的过程审核方式,并结合听、查、看的方式进行现场审核;b) 任何过程、方针目标、职责权限、内部沟通、人力资源管理、基础设施、工作环境、外来文件与记录控制、持续改进都会在相关部门进行审核;c) 生产现场均会涉及到不合格品控制,标识和可追溯性控制审核;d) 重点关注风险、内部绩效、顾客满意度、顾客抱怨、重要过程。
公司内部审核方案
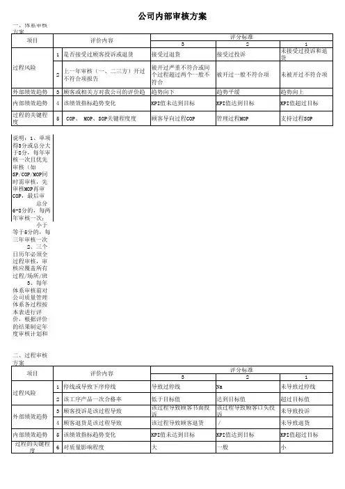
一、体系审核方案
说明:1、单项得3分或总分大于8分,每年审核一次且优先审核(如SP/COP/MOP同时需审核,先审核MOP再审COP,最后审SOP); 总分6-8分的,每两年审核一次;
小于等于5分的,每三年审核一次
2、三个日历年必须全过程审核,审核应覆盖所有过程/场所/班次
3、每年体系审核前对公司质量管理体系各过程按本表进行评价,根据评价的结果制定年度审核计划和体系审核计划
说明:1、单项得3分或总分大于8分的,每年审核一次且优先审核;
总分6-8分的,每两年审核一次;
小于等于5分的,每三年审核一次
2、三个日历年必须全过程审核,审核应覆盖所有过程/场所/班次
3、每年体系审核前对公司质量管理体系各过程按本表进行评价,根据评价的结果制定年度审核计划和体系审核计划
2、产品审核每年必须还要包括全证书范围内产品
3、每年产品审核前对公司现有产品按本表进行评价,根据评价的结果制定年度审核计划和产品审核计划
退货
核(如SP/COP/MOP同时需审核,先审核MOP再审COP,最后审SOP);。
内部审核方案一、审核目的内部审核是公司自我检查和评估其管理体系有效性的过程,旨在发现潜在问题,及时采取纠正措施,确保管理体系持续改进,并符合相关法规和标准。
二、审核范围本次审核范围包括公司所有部门和业务,重点关注质量、环境、职业健康安全管理体系的有效性、合规性和实施情况。
三、审核人员本次审核由公司内部质量管理部门组织,审核人员包括质量主管、环境专员、安全专员等。
审核人员需经过培训并取得相应资格。
四、审核方法本次审核采用现场检查和文件审查相结合的方法,通过查看现场、询问员工、检查文件等方式,对管理体系的执行情况进行全面评估。
五、审核时间安排本次审核计划用时一周,分为两个阶段:第一阶段为各部门现场审核,第二阶段为汇总分析、提出整改意见并跟进整改情况。
六、审核内容1. 质量管理体系:检查质量管理体系文件的执行情况,包括质量计划、质量控制程序、问题处理程序等。
2. 环境管理体系:检查环境管理体系文件的执行情况,包括环境管理计划、环境监测程序、废物管理程序等。
3. 职业健康安全管理体系:检查职业健康安全管理体系文件的执行情况,包括安全操作规程、应急预案、安全培训等。
4. 管理体系的有效性评估:评估管理体系是否符合相关法规和标准,是否能够确保公司业务活动的合规性和有效性。
5. 管理体系的持续改进:检查管理体系的执行过程中是否存在问题,是否及时采取纠正措施并进行改进。
七、整改措施在审核过程中发现的问题和不足,将提出整改意见和建议,并要求相关部门和单位在规定时间内进行整改。
整改措施应包括改进方案、责任人、完成时间等,并需进行跟踪和验证,确保问题得到彻底解决。
八、总结报告审核结束后,将对审核结果进行汇总和分析,编写内部审核报告,包括审核范围、审核方法、审核内容、整改措施等。
报告将提交公司管理层,以便对管理体系进行持续改进和优化。
九、审核频次考虑到公司业务的复杂性和管理体系的动态性,建议每年至少进行一次内部审核,以确保管理体系的有效性和合规性。
管理制度内部审核方案一、前言内部审核是组织的一项重要管理活动,可以帮助组织确保其管理制度和政策的有效实施,并发现和纠正潜在的风险和问题。
因此,建立健全的内部审核方案对保障组织运作的合规和有效性具有重要意义。
本方案所述的内部审核是指组织内部独立的审核活动,旨在评估和改善管理制度的有效性。
二、内部审核的目的1. 评估组织的管理制度是否符合法律法规的要求,是否满足组织自身的政策和目标;2. 发现和纠正管理制度实施中的问题和风险,提出改进建议;3. 促进组织内部各个部门之间的合作和协调,提高管理效率和效果。
三、内部审核的原则1. 独立性:内部审核部门应独立于被审核部门,确保审核的客观性和公正性;2. 客观性:内部审核应以事实为依据,避免个人偏见和利益冲突;3. 全面性:内部审核应全面涵盖组织的各项管理制度和政策,确保审核覆盖面广;4. 有效性:内部审核应具有有效的方法和工具,确保审核结果的准确性和可信度;5. 风险导向:内部审核应关注组织的关键风险点和问题,及时发现并提出改进措施。
四、内部审核的组织架构1. 内部审核部门:负责组织内部审核的规划、实施和监督,由独立的内部审核人员组成;2. 审计委员会:负责对内部审核的监督和评估,确保内部审核的独立性和客观性;3. 被审核部门:接受内部审核部门的审核和建议,积极配合内部审核的实施。
五、内部审核的程序1.规划阶段制定内部审核计划:根据组织的目标和政策,制定年度内部审核计划,并在审计委员会的监督下进行批准;确定内部审核范围:明确内部审核覆盖的范围和重点,确定审核对象和审核周期;分配内部审核资源:按照内部审核计划,合理分配内部审核人员和工作时间,确保内部审核的有效实施。
2. 实施阶段进行内部审核活动:根据内部审核计划和范围,通过采访、文件审查和实地调研等方法,对被审核部门的管理制度进行审核;收集内部审核证据:统一收集内部审核活动中的各项证据,包括文件、资料、访谈记录等;分析内部审核结果:对内部审核所得证据进行梳理和分析,发现存在的问题和风险点。
内部审核方案及内审计划一、内部审核方案内部审核是指组织内部对其质量管理体系、环境管理体系、食品安全管理体系或其他管理体系的审核,以确保其符合相应的标准要求,并持续有效运行。
内部审核是组织内部自我监督和改进的重要手段,可以发现存在的问题和潜在的风险,并提供有效的改进措施。
1.内部审核目的(1)验证质量管理体系、环境管理体系、食品安全管理体系或其他管理体系的合规性和有效性;(2)发现存在的问题和潜在的风险,以及提供改进措施;(3)评估管理体系的运行效果和管理工作的质量,并提供改进建议。
2.内部审核程序(1)确定内部审核工作的范围,包括审核的对象、时间和地点等;(2)组织内部审核团队,确定内审组长和成员,制定内审计划;(3)进行内部审核准备,包括了解审核对象的相关文件和记录,编制内审问题清单等;(4)进行内部审核,包括采集证据、记录发现的问题和风险等;(5)总结内部审核结果,形成内审报告,并提出改进意见和建议;(6)审核结果的跟踪和确认,监督相应措施的实施情况;(7)总结经验,不断优化内部审核方案,提高内审工作的效率和质量。
3.内审工作责任(1)内审组长:负责组织和统筹内部审核工作,编制内审计划,指导和监督内审团队的工作;(2)内审成员:按照内审计划,对审核对象进行实地审核,采集证据及记录问题和风险;二、内审计划1.内审计划目标(1)验证质量管理体系、环境管理体系、食品安全管理体系或其他管理体系的合规性和有效性;(2)发现存在的问题和潜在的风险,提供改进措施;(3)评估管理体系的运行效果和管理工作的质量,并提出改进建议。
2.内审计划内容(1)审核对象:明确需要进行内部审核的管理体系及相关流程;(2)审核时间:确定内部审核的时间安排,包括审核计划和具体的审核日期;(3)审核地点:确认内审的实地审核地点,包括各个相关部门和工作区域;(4)审核的范围:确定内审工作的具体范围,包括要审核的文件、流程和活动;(5)内审团队:明确内审组长和成员,确定内审人员的工作职责;(6)审核方法:确定内审工作的方法和流程,包括采集证据、记录问题和风险等;(7)内审问题清单:编制内审问题清单,以便系统地记录发现的问题和风险;(8)内审报告:根据内部审核结果,形成内审报告,提出改进意见和建议;(9)审核结果的跟踪和确认:监督相应措施的实施情况,确保问题得到解决;(10)内审总结和经验总结:总结内审工作的经验和教训,提出改进内审方案的建议。
供应链安全内部审核方案供应链安全是企业发展中的一个重要环节,也是保障企业利益和声誉的重要措施。
为了确保供应链的安全性,企业需要进行内部审核。
本文将针对供应链安全内部审核方案进行详细阐述。
一、审核目标和原则供应链安全内部审核的目标是评估企业供应链在物流、采购、生产、仓储等环节中的安全性,并提出改进措施以降低风险。
审核的原则是客观、公正、全面、准确、可追溯。
二、审核内容和方法1. 供应商管理审核供应商是供应链中的重要环节,审核应重点关注供应商的资质、合规性、品质控制、信息安全等方面。
审核方法可以采用现场访谈、文件核查、样品检验等方式。
2. 物流管理审核物流是供应链中货物流动的重要环节,审核应关注物流过程中的安全性、准时性和成本控制。
审核方法可以采用现场观察、数据分析、运输记录核查等方式。
3. 仓储管理审核仓储是供应链中货物暂时存放的地方,审核应关注仓库的安全设施、库存管理、防火防盗等方面。
审核方法可以采用现场检查、设备检测、库存清点等方式。
4. 信息安全审核信息安全是供应链中不可忽视的一环,审核应关注信息系统的安全性、数据备份与恢复、权限管理等方面。
审核方法可以采用系统漏洞扫描、数据备份恢复测试、权限访问审计等方式。
三、审核流程和责任1. 制定审核计划内部审核应制定详细的审核计划,明确审核的时间、地点、内容和责任人。
2. 进行审核按照审核计划,由专门的审核人员对供应链各环节进行审核。
审核过程中要求与被审核人员进行充分沟通,了解实际情况。
3. 形成审核报告审核人员应根据审核结果,编制详细的审核报告,包括发现的问题、影响程度、改进建议等。
4. 提出改进措施根据审核报告,企业应及时提出改进措施,并明确责任人和时间节点。
5. 跟踪改进情况企业应跟踪改进措施的执行情况,确保问题得到解决并防止再次出现。
四、审核结果监督和评估企业应建立审核结果监督和评估机制,定期对审核结果进行评估,以确保改进措施的有效性和持续性。
内部审核流程方案1. 简介本文档介绍了公司内部审核流程的方案,旨在确保公司运营的有效性和符合法律法规要求。
该方案适用于公司内所有部门,包括但不限于业务、财务、人力资源等。
2. 审核流程2.1 需求确认申请人提交审核申请表后,审核部门需要确认申请人的要求是否满足公司政策和规定。
如果符合要求,则开始下一步审核。
2.2 审核委员会的组建和选举公司审核委员会由前两年内在公司担任管理职位的员工通过投票选出,委员人数为五人。
委员会对于审核过程的决策具有终审权。
2.3 审核分配委员会根据申请人的要求确定哪个部门应该审核此申请并将其分配给相应的审核员。
审核员需要在规定时间内完成审核,如果无法在规定时间内完成,则需要向审核委员会汇报并寻求延期。
2.4 审核过程审核过程根据不同部门和不同审核类型而有所不同,但必须遵循以下标准:•对于所有审核类型,需要严格遵守公司政策、规定、程序和标准;•审核员必须保证审核过程的公正性和独立性,不能受到任何贿赂或恶意影响;•审核员必须保证审核结果的准确性和合法性,并根据需求提供合适的意见及建议。
2.5 审核结论和反馈审核员在完成审核后,需要向委员会提交审核结论,委员会对于审核结果进行终审,并决定是否需要反馈给申请人。
如果审核结果被反馈给申请人,则需要清晰明确的陈述理由。
2.6 文件归档及保管审核申请表和审核结论需要存档,并根据公司的政策和要求进行保管。
3. 执行公司管理层需要确保审核流程得到严格执行,并定期评估和改进审核流程。
审核委员会成员需要遵守公司的政策和要求,保证审核过程的公正和准确,始终以公司和客户的最大利益为优先。
4. 结论本文档介绍的内部审核流程方案旨在确保公司运营的有效性,符合法律法规要求,具有实用性和可操作性。
公司管理层需要确保审核流程得到严格执行并不断改进,以建立一套有效的内部审核管理体系,确保公司稳健发展。
内部审核督查活动方案1. 活动目的该内部审核督查活动旨在确保公司内部各部门和员工遵守公司规章制度和法律法规,保障公司信息的安全和公司利益的最大化。
2. 活动对象活动对象包括公司内所有部门和员工。
3. 活动形式及流程内部审核督查活动将以抽样或全员参与的形式进行,以保证检查的公平性和全面性。
活动流程如下:3.1 督查前准备督查前应制定详细的督查计划,明确检查内容和标准,同时通知被督查对象,说明督查的目的、重要性和工作方式。
3.2 督查实施督查工作可由公司内部专人负责,或通过第三方进行。
督查人员应通过面谈、文件查阅等方式,对被督查对象进行全面、细致的检查。
3.3 督查报告督查结束后,督查人员应对检查结果进行归纳分析,撰写督查报告。
督查报告应当客观、准确地反映被督查对象的问题,同时提出整改措施和建议。
3.4 反馈及整改公司应当对督查报告进行认真分析和研究,并对问题进行整改。
同时根据整改情况,向督查人员反馈并报告整改情况。
4. 督查内容督查内容应包括但不限于以下几方面:4.1 公司制度督查公司是否有完善的制度和流程,并检查是否得到贯彻执行。
4.2 安全风险和保障督查公司内部信息安全措施是否到位,是否存在安全风险。
4.3 经济效益督查公司各部门经济效益是否符合要求,是否存在经济风险。
4.4 业务流程督查公司各部门业务流程是否规范、流程是否通畅。
5. 督查结果分析督查人员应当归纳分析督查结果,查找问题的成因和根源,为公司提出整改建议和合理化建议。
6. 整改和落实公司应当制定详细和可行的整改计划,并在规定时间内全面落实整改计划。
公司内部负责人应当对整改落实情况进行监督和检查。
7. 参考标准督查人员应当参考国家有关法律法规、行业标准和公司制度等相关规定进行督查和分析。
8. 结语通过内部审核督查活动,可以规范公司的各项管理制度、保障公司信息安全和提高公司经济效益。
同时,也是公司及时查找、发现问题和改进工作的重要手段。
内部审核审核方案包括频次方法职责策划要求和报告下载温馨提示:该文档是我店铺精心编制而成,希望大家下载以后,能够帮助大家解决实际的问题。
文档下载后可定制随意修改,请根据实际需要进行相应的调整和使用,谢谢!并且,本店铺为大家提供各种各样类型的实用资料,如教育随笔、日记赏析、句子摘抄、古诗大全、经典美文、话题作文、工作总结、词语解析、文案摘录、其他资料等等,如想了解不同资料格式和写法,敬请关注!Download tips: This document is carefully compiled by theeditor.I hope that after you download them,they can help yousolve practical problems. The document can be customized andmodified after downloading,please adjust and use it according toactual needs, thank you!In addition, our shop provides you with various types ofpractical materials,such as educational essays, diaryappreciation,sentence excerpts,ancient poems,classic articles,topic composition,work summary,word parsing,copy excerpts,other materials and so on,want to know different data formats andwriting methods,please pay attention!内部审核方案:频次、方法、职责、策划与报告的全面解析内部审核是组织自我监管的重要手段,旨在确保各项活动符合既定的标准和规定,提升运营效率和效果。
内部审核方案风险识别描述
内部审核方案的风险识别是非常重要的,因为它有助于组织识
别和应对可能影响业务目标实现的潜在风险。
在制定内部审核方案时,需要考虑以下几个方面来进行风险识别描述:
1. 业务风险,首先需要识别与业务相关的风险,包括市场风险、竞争风险、经济风险等。
这些风险可能会影响组织的盈利能力、市
场地位和长期发展。
2. 组织风险,内部审核方案需要考虑组织内部的风险,如管理
风险、运营风险、法律合规风险等。
这些风险可能源自组织内部的
制度、流程或人员管理等方面。
3. 财务风险,财务风险是内部审核中需要特别关注的一种风险
类型,包括财务报表准确性风险、资金管理风险、投资风险等。
这
些风险可能会对组织的财务状况和业绩产生重大影响。
4. 法律合规风险,随着法律法规的不断变化,组织需要关注法
律合规方面的风险,包括合同法律风险、知识产权风险、数据隐私
风险等。
这些风险可能会导致组织面临法律诉讼或罚款等问题。
5. 技术风险,随着科技的不断发展,组织需要关注技术领域的
风险,包括信息安全风险、数据泄露风险、网络攻击风险等。
这些
风险可能会对组织的信息系统和业务运作造成严重影响。
在描述内部审核方案的风险识别时,需要全面考虑以上各个方
面的风险,并结合实际情况进行详细描述和分析。
只有全面深入地
识别了潜在风险,内部审核方案才能更加有效地帮助组织降低风险、提升管理水平和业务绩效。
质量管理体系
内部审核方案
一、审核目的:
对公司质量管理体系实施检查,以验证管理体系是否正常运行,并评价管理体系的符合性、适宜性和有效性。
二、审核依据:
1.质量管理体系要求
2. 管理体系审核指南
3. 公司质量手册、规范制度等文件化的信息;
4. 公司适用的国家相关法律、法规、标准及其它文件;
5. 顾客、供方等相关方的要求。
三、审核范围:
1.审核范围:系列等产品设计制造和销售。
包括体系审核、制造过程审核、产品审核
2.审核场所: 15号,公司所有部门、有关过程。
四、审核组成员:挑选经外部或内部组织接受相关培训的审核资质的人员。
五、审核频次:
结合过程的复杂程度、质量管理体系的成熟度、区域存在的历问题,原则上每年进行一次(间隔12个月),内部审核必须覆盖所有要素、与质量管理有关的过程、活动和班次,且必须按年度计划进行安排。
当内部/外部发生严重不符合,或顾客抱怨发生时,审核频率必须适当增加,由管理者代表提出增加审核频次。
六、审核日程:每年制定具体详细的审核日程安排计划。
七、审核计划和审核报告(电子版)的分发范围为各职能部门。
内审报告和不符合报告,最为管理评审的重要输入,提交管理评审;
内审不符合项需在1月内完成纠正、原因分析、制定纠正措施、实施措施并进行有效性验证。
八、审核报告发布日期:现场审核完成后5日内发布。
九、首、末次会议地点参加人员
1、时间:首、末次会议时间按审核日程安排表执行
2、参加人员:最高管理者、各部门负责人、主要管理骨干人员、内审员等
十、保留每次有关审核的形成文件的信息,主要有内审计划通知、首末次会议记录、内审检查表、内审报告、内审不符合报告及改进证据。
十一、审核活动职责
质量管理部门负责内审全过程的归口管理,其它部门配合。
审核组长主持内审会议、审核活动、审核及不符合报告编制发布、不符合改进的验证等。
证据验证关闭后递交质量部门保管存档备
1
十二、体系审核方案
2
3
十三、制造过程审核方案
4
十四、产品审核方案
5。