出料平台技术交底-032
- 格式:doc
- 大小:148.44 KB
- 文档页数:7
1.本表由施工单位填写, 交底单位与接收交底单位各保留一份。
2.当做分项工程施工技术交底时, 应填写“分项工程名称”栏, 其她技术交底可不填写。
1.本表由施工单位填写, 交底单位与接收交底单位各保留一份。
2.当做分项工程施工技术交底时, 应填写“分项工程名称”栏, 其她技术交底可不填写。
1.本表由施工单位填写, 交底单位与接收交底单位各保留一份。
2.当做分项工程施工技术交底时, 应填写“分项工程名称”栏, 其她技术交底可不填写。
1.本表由施工单位填写, 交底单位与接收交底单位各保留一份。
2.当做分项工程施工技术交底时, 应填写“分项工程名称”栏, 其她技术交底可不填写。
1.本表由施工单位填写, 交底单位与接收交底单位各保留一份。
2.当做分项工程施工技术交底时, 应填写“分项工程名称”栏, 其她技术交底可不填写。
一、交底目的为确保物料平台搭建和使用过程中的安全,预防事故发生,特制定本安全技术交底。
二、交底对象全体参与物料平台搭建、使用、维护等相关人员。
三、交底内容1. 物料平台搭建要求(1)平台应独立搭建,与周围建筑物、设备保持安全距离,距离井架等固定设施不应小于250px。
(2)平台宽度应考虑进出物料方便,长度应满足吊栏外侧要求。
(3)搭建材料:一般使用杉木、钢管等,当承重量不大(在300kg以内)且高度不高时,也可使用毛竹搭建(应使用新竹经挑选)。
搭建方法基本与脚手架相同。
2. 物料平台构造(1)主要杆件:立杆、横杆、水平拉杆、剪刀撑、栏杆等。
(2)立杆间距:在1~1.5m以内,步距1.5m~1.8m,视建筑物层高而定,平台以每层楼面平。
(3)水平拉杆:每隔1~1.5m高设一道纵横向水平拉杆,在操作层通道处可设在1.8m高处。
(4)横杆:当平台铺设竹架板时,大横杆间距在1000px以内;当使用钢、木脚手板时,大横杆间距不大于1500px。
(5)剪刀撑:外立杆四周应自下而上连续设置,在进、出料口处可断开留出通道。
(6)栏杆:平台四周按规定设置1~1.2m高的防护栏杆。
正面设可开启的安全门。
3. 物料平台使用注意事项(1)平台搭建完成后,应进行验收,确保其结构稳固、安全可靠。
(2)使用前,应检查平台及附件是否完好,发现隐患及时排除。
(3)禁止超载使用,严禁堆放易燃易爆、有毒有害等危险物品。
(4)禁止在平台附近进行焊接、切割等作业,防止火灾事故发生。
(5)操作人员应佩戴安全帽、安全带等防护用品。
(6)禁止在平台上下抛掷物品,防止砸伤他人。
(7)禁止攀爬平台边缘,严禁在平台上下同时作业。
4. 物料平台维护保养(1)定期检查平台结构,发现松动、变形等情况,应及时加固或更换。
(2)定期检查防护栏杆、剪刀撑等附件,确保其完好无损。
(3)保持平台清洁,及时清理杂物,防止滑倒事故发生。
四、交底要求1. 各相关人员应认真学习本交底内容,掌握物料平台搭建、使用、维护等方面的安全知识。
一、交底目的为确保上料平台施工安全,防止安全事故的发生,特进行本次安全技术交底。
要求所有参与上料平台施工的作业人员认真学习并严格执行以下安全技术措施。
二、交底内容1. 平台设计及结构安全- 上料平台的设计应符合国家相关标准和规范要求,确保结构稳定、安全可靠。
- 平台材料选用应符合相关标准,确保强度和耐久性。
- 平台搭设前应进行详细的施工方案设计,包括平台尺寸、承重能力、支撑结构等。
2. 施工准备及验收- 施工前应检查平台材料是否齐全、质量合格,并做好施工前的准备工作。
- 平台搭设完成后,应由专业人员对其进行验收,确保符合安全要求。
3. 施工过程安全- 施工人员必须佩戴安全帽、安全带等个人防护用品。
- 上下平台应使用专用梯子,严禁攀爬其他结构。
- 施工过程中,严禁在平台上堆放超重物品,严禁超载使用。
- 平台周边应设置安全防护栏杆,防止人员坠落。
- 平台上的施工工具、材料等应摆放整齐,防止滑落伤人。
4. 安全操作规程- 作业人员应严格按照操作规程进行施工,不得擅自改变施工方法。
- 上下平台时应注意力集中,防止发生意外。
- 遇到突发情况,应立即停止作业,及时上报并采取相应措施。
5. 应急预案- 制定应急预案,明确事故发生时的应急措施和救援流程。
- 定期组织应急演练,提高作业人员的应急处置能力。
三、注意事项1. 施工过程中,如发现平台存在安全隐患,应立即停止作业,及时上报并采取措施进行整改。
2. 严禁酒后作业,严禁疲劳作业。
3. 严禁非作业人员进入平台区域。
4. 定期对平台进行检查和维护,确保其安全可靠。
四、总结上料平台施工安全至关重要,所有参与施工的作业人员必须高度重视,严格遵守安全技术措施,确保施工安全。
请各作业人员认真学习并严格执行以上安全技术交底内容,共同维护施工现场的安全。
五、签字确认(以下由参与施工的作业人员、项目负责人、安全员签字确认)作业人员签名:________项目负责人签名:________安全员签名:________注:本模板仅供参考,具体安全技术交底内容应根据实际施工情况进行调整。
施组总设计交底单位工程施组交底施工方案交底专项施工方案交底√施工作业交底交底内容:1、材料准备1.1 材料:钢管48×3.0、直角扣件、对接扣件、旋转扣件、脚手板、多层板、8#镀锌钢丝、红白油漆、密目网。
2、作业条件2.1 将需搭设出料平台的部位下部基层清理干净。
2.2 对进场的马道构配件进行全面、严格的检查,禁止使用规格和质量不合格的构配件。
2.3 钢管使用前应先除锈再涂刷红白相间油漆。
3、搭设方案落地式卸料平台搭设在5#楼(5-3)-(5-4)轴/M轴处,保证5#楼地下二层周转材料的倒运。
卸料平台在脚手架外侧搭设,距脚手架外立杆300mm,3000*6000mm卸料平台,每两步两跨设置连墙件;平台立杆纵横方向间距为900mm,脚手架步距900m。
立杆采用对接扣件连接。
卸料平台架体四角采用双立杆搭设。
平台下架子立杆外侧设置剪刀撑,用以增大出料平台的整体刚度。
斜杆与立面倾角在45 度至60 度之间,撑头要顶在有实力的地方,不得滑动,并且要贴服有力。
剪刀撑的接头采用旋转扣件连接,固定在与之相交的横向水平杆的伸出端或立杆上,出料平台扫地杆部位及顶部各设一层水平剪刀撑,外架的侧立面两端剪刀撑由低到顶连续布置。
卸料平台的平台面上铺脚手板,脚手板与架体连接应牢固、搭设严密。
卸料平台三面设置防护栏杆,栏杆高度1.2m,设三道横杆,上杆距平台高1.2m,下杆居中设置,扫地杆200mm,卸料平台栏杆满挂密目绿网。
栏杆下侧设置180mm 高挡脚板,刷红白油漆。
卸料平台必须单独设置,不得与脚手架共用立管或架设其上。
连墙件采用钢管连接,用双扣件与框架柱进行连接,无框架柱部位预埋20钢筋地锚。
另配14钢丝绳拉结,钢丝绳与上一层楼体20钢筋预埋件拉结。
4、施工工艺4.1工艺流程:场地清理→纵向扫地杆→立杆→横向扫地杆→纵向水平杆→横向水平杆→剪刀撑→注:1 本表由施工单位填写。
注:1 本表由施工单位填写。
施组总设计交底 单位工程施组交底 施工方案交底 专项施工方案交底 √ 施工作业交底立杆接头立杆接头示意连墙件→搭设护栏→铺脚手板→安装挡脚板→挂安全网→验收 4.2 将需搭设脚手架的部位下部基层清理干净。
安全技术交底书单位工程名称:xx 高层住宅楼xx年xx月xx 日分部分项名称:出料平台安全技术交底任务单编号:(一)、施工现场安全生产规定:1、严禁违章指挥,违章操作,违反劳动纪律。
集中精力,坚守岗位,未经专业培训不得从事本工种作业。
2、进入施工现场必须戴安全帽,悬(临)空作业必须系安全带,严禁在高处向下投扔物料。
3、严禁酒后登高作业,禁止穿高根鞋、拖鞋、赤脚进入施工现场。
4、严禁随意拆除、挪动各种防护装置、防护设施、安全标志、消防器材及电器设备等。
(二)、分部分项工程安全生产措施:交底内容:1、本工程出料平台连接点均采用电焊焊接,焊缝缝厚度hf=6mm,必须按钢结构构件验收要求进行制作、验收。
2、挑平台加工完毕后,用防锈红丹三度,栏杆另漆成黑白相间的花杆。
3、结构件上的吊环φ∥,应与结构暗柱配筋焊接连接。
施工时确保连接牢固。
4、钢丝绳拉索必须按图示规格选用,并按规程要求配置相应数量的接头,相互间距,与相应荷载应符合要求。
5、挑平台额定载负量:1.5t,严禁超荷堆载或荷载久留及荷载过夜,现场必须在挑平台上悬挂醒目的告示牌。
6、挑平台三立面用φ48钢管焊制1.2m高栏杆,并用钢丝网加九夹板封闭围栏。
7、钢丝绳连结点处,每端必须用不少于3只夹头夹紧,钢丝绳与结构砼相接触部位必须用5×4木块隔垫,避免钢丝绳磨损断丝;挑平台搁置点处,底部设[16槽钢档口,伸入结构之内的钢梁,开φ70的孔,穿搁一根φ48脚手钢管,并用木楔顶紧,确保钢平台的稳固,挑平台拉紧钢丝绳与平台面之间夹角不得小于45°,即钢丝绳必须隔层挂箍。
钢平台的额定限载为1.5t,现场必须制作相应的限载标志牌,悬挂于钢平台上醒目部位,。
8、出料挑平台每次换位翻拆前必须以书面形式对项目部及专职安全员进行申报,安装完毕后,必须由专职安全员验收合格并填写交验单后,方可用于出料使用,为确保安全,同时在施工阶段,必须加强日常的节点部位和钢丝绳断丝情况的检查,发现问题必须及时停止使用,并向项目部汇报,采取加固,加强措施后,方可继续使用。
出料平台施工吊物安全技术交底1、预埋锚环用直径大于等于16mm的圆钢(无圆钢时使用螺纹钢代替),埋深不小于10cm;2、楼层砼浇筑前,一边主梁(墙暗柱)各预埋两个锚环。
按照出料平台位置、尺寸放线确定锚环位置,锚环定位必须准确;3、将出料平台处外脚手架的安全网局部拆除,如需要拆除外架部分杆件时应向项目安全员申请,拆除后须另增加连墙杆,以保证架体稳固;4、平台就位、安装安装时先将塔吊的吊环挂在出料平台的拉环上,将出料平台水平提起,吊至需安装的部位。
将出料平台的工字钢后部穿过外脚手架伸到建筑内,用焊在工字钢下的限位槽钢顶在楼板上保持稳定,用木楔穿过楼板上预埋的地锚压在工字钢上,且木楔要与地锚和工字钢卡紧,并钉钉子与锚环连接,防止木楔滑脱。
然后将出料平台的钢丝绳上端锁在上层墙体的穿墙管孔上,下端锁在出料平台的吊环上,每一处钢丝绳接头位置的钢丝绳卡子的数量不少于3个,绳卡压板应在钢丝绳长头一边,绳卡间距不小于150mm,钢丝绳甩头长度不小于150mm。
5、斜拉钢丝绳的松紧程度要保证四根钢丝绳受力基本均匀。
斜拉钢丝绳拉紧后方可以松开塔吊。
6、出料平台使用1)出料平台主要用来临时堆码楼层周转材料,不能作为外脚手架或模板的支撑构件;2)必须严格限制堆载量,本工程出料平台限载0.8吨;3)平台上堆放材料不得超高,不允许超出平台护栏高度;任何人未经允许不得松动斜拉钢索及平台锚环上的木楔;4)松散材料、粉尘颗粒等必须装袋后码放。
7、出料平台拆除1)清理平台上的悬浮物及障碍物并保证清理过程中被清理物不得翻倒、抛掷到地面;2)对平台的节点、铺设的木板进行检查,对不符合要求的加固、完善;3)用塔吊将平台吊起后拆除锚环与平台挑梁之间的木楔,解除斜拉钢索并将钢索全部放在平台上后,慢慢将平台调离楼层、外架;4)拆除工作统一由一至两名有经验的架子工或专业工长指挥,由安全员旁站监督;5)每个参加作业的人员必须严格遵守操作规程,作业时必须按规定正确使用安全带,戴好安全帽;6)拆除后及时对该处外架进行恢复。
钢丝绳卡安装示意图4、卸载拉环卸载拉环采用 A25 圆钢制作,对加工好的圆钢按不同用途堆放,在结构砼浇筑时在相应部位做好预埋,预埋个数及预埋位置必须准确,预埋后做好检查,防止漏埋、少埋和埋放位置不正确。
平台上的吊环及拉环采用 25mm 圆钢加工,将加工好的吊环焊在 20b#工字钢上,吊环与工字钢要满焊,焊缝高度不小于 6mm 。
25卸料平台钢丝绳锚环72572580300300型钢梁预埋环钢丝绳墙或梁上拉环钢丝绳梁上预埋环钢丝绳平台上拉环定型钢梁预埋环5、卸料平台端部梯形构造设置(便于穿绳及吊取材料)6、卸料平台型钢连接材料切割→材料摆放→焊接加工成型→铺脚手板→焊防护栏杆→挂安全绿网→验收后使用(1)材料切割:先将槽钢和工字钢按设计尺寸切割成型。
(2)将切割好的主梁及次梁槽钢按设计形式在地上摆好,摆好后进行焊接加工。
主梁槽钢与次梁槽钢焊接采取双面满焊,焊缝高度 6mm,如下7、悬挑式卸料平台的使用7.1 卸料平台加工支座完毕经过验收合格后方可吊装。
吊装时,先挂好四角的吊钩,传发初次信号,但只能稍稍提升平台,放松斜拉钢丝绳,方可正式吊装,吊钩的四条引绳应等长,保证平台在起吊过程中的平稳。
吊装至预定位置后,先将平台工字钢与预埋件固定后(木楔将锚环与工字钢之间的缝隙塞满),再将钢丝绳固定,紧固螺母及钢丝绳卡子,完毕后方可松塔吊吊钩,卸料平台安装完毕后经验收合格后方可使用。
7.2卸料平台安装前,需进行全面检查,吊环与工字钢焊接的部位及工字钢与槽钢焊接的部位,防护栏杆焊接的部位是否有裂痕,如发现问题,立即停止使用。
7.3卸料平台调运前,检查塔吊上的钢丝绳是否有损伤的痕迹,如发现问题,立即停止使用,更换新钢丝绳进行调运。
7.4卸料平台调运前,将卸料平台上的材料及建筑垃圾清理干净,避免调运过程中卸料平台发生倾斜,发生高空坠物砸伤下方的施工人员。
7.5卸料平台调运前,检查操作平台脚手板与工字钢之间是否绑扎牢固,避免调运过程中卸料平台发生倾斜,发生高空坠物砸伤下方的施工人员。
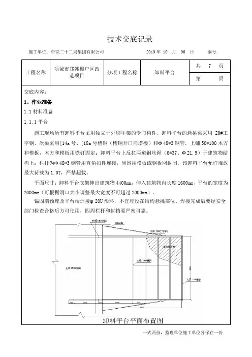
施工单位:中铁二十二局集团有限公司 2019年 10 月 06 日编号:工程名称项城市郑韩棚户区改造项目分项工程名称卸料平台共 7 页第页交底内容:1、作业准备1.1材料准备1.1.1平台施工现场所有卸料平台采用独立于外脚手架的专门构件。
卸料平台的悬挑梁采用20#工字钢、次梁采用[14a号、[18a号槽钢(槽钢开口向塔楼)和Ф48*3钢管,上铺50*100木方和模板,木方和模板用铁钉固定;卸料平台上反拉两道钢丝绳(6*37、Ф21.5)于建筑物结构上;栏杆为Ф48*3钢管用直角扣件连接,周围用模板或钢板网封闭。
该卸料平台允许堆放最大荷载为1.0T,严禁超载。
平面尺寸:卸料平台底架伸出建筑物4400mm,伸入建筑物内长度1600mm,平台的宽度为2000mm(可根据洞口大小调整最大宽度不可超过2000mm)。
锚固端预埋及平台端焊接φ20U形环,不宜埋设在结构悬挑部位。
焊接完成后要经安全部门检查合格后方可使用,四周栏杆和封挡要严密可靠。
施工单位:中铁二十二局集团有限公司 2019年 10 月 06 日编号:工程名称项城市郑韩棚户区改造项目分项工程名称卸料平台共 7 页第页交底内容:卸料平台主梁与楼板连接节点图施工单位:中铁二十二局集团有限公司 2019年 10 月 06 日编号:工程名称项城市郑韩棚户区改造项目分项工程名称卸料平台共 7 页第页交底内容:采用20圆钢焊接角度45-60度节点1工字钢与槽钢圆钢焊接示意图节点2 φ20圆钢预埋主梁示意图1.1.2钢丝绳钢丝绳直径应根据计算确定且不小于φ21.5,斜拉钢丝绳与平台间夹角应大于45°,绳施工单位:中铁二十二局集团有限公司 2019年 10 月 06 日编号:工程名称项城市郑韩棚户区改造项目分项工程名称卸料平台共 7 页第页交底内容:卡数量、间距按照规范设置。
每层预埋的钢筋锚环既是主挑梁锚固环,也可作为斜拉钢丝绳吊环。
钢丝绳必须符合设计要求,必须有法定检测单位的检测报告和产品质量合格证,并要经外观检查无断丝和毛刺,如有不合格立即退场,严禁在工程中使用。
一、交底对象本安全技术交底适用于参与卸料平台出料作业的所有人员,包括操作人员、管理人员、安全监督人员等。
二、交底内容1. 卸料平台出料作业概述卸料平台出料作业是指在建筑施工过程中,通过卸料平台将建筑材料从高处卸至地面或其他指定位置的过程。
为确保出料作业安全,以下为安全技术交底内容:2. 安全操作规程(1)作业前准备1)检查卸料平台的结构、支撑、防护设施等是否完好,如有损坏或松动,应及时修复或更换。
2)确认卸料平台上的物料种类、数量及摆放是否符合要求,避免超载。
3)检查作业区域内的安全通道是否畅通,确保人员、车辆通行无障碍。
(2)作业过程中1)操作人员应穿戴符合规定的安全防护用品,如安全帽、安全带、防护眼镜等。
2)操作平台吊车时,应严格按照操作规程进行,确保吊装作业安全。
3)卸料过程中,应确保物料平稳、均匀地卸至指定位置,避免发生坠落或撞击事故。
4)作业人员应保持高度警惕,注意观察周边环境,发现异常情况立即停止作业,并向上级汇报。
5)夜间作业时,应保证足够的照明,确保作业人员视线清晰。
(3)作业结束后1)确认卸料平台上的物料已全部卸完,清理作业区域。
2)检查卸料平台及周围设施,确保无安全隐患。
3)做好作业记录,包括作业时间、人员、物料、设备等。
3. 安全注意事项(1)卸料平台应定期进行检查、维护,确保其安全可靠。
(2)作业人员应接受专业培训,熟悉操作规程和安全注意事项。
(3)作业过程中,应严格遵守安全操作规程,不得违章作业。
(4)加强安全监督,确保作业现场安全。
4. 应急措施(1)如遇物料坠落、设备故障等紧急情况,应立即停止作业,并向上级汇报。
(2)如发生人员伤亡事故,应立即启动应急预案,及时救治伤员,并向上级汇报。
(3)做好事故调查分析,总结经验教训,防止类似事故再次发生。
三、交底时间本安全技术交底自发布之日起实施,有效期一年。
四、附则1. 本安全技术交底由施工单位负责编制,并报监理单位审批。
2. 施工单位应将本安全技术交底内容传达给所有参与卸料平台出料作业的人员。
1、本表由施工单位填写,交底单位与接受交底单位各保存一份。
表C2-1
编号
工程名称
北京市房山区房山线长阳西站5号地
01-06-02等地块二类居住及商业金融用地
项目
交底日期2013年7月8日
施工单位中铁建设集团有限公司分项工程名称
交底提要出料平台技术交底
交底内容:第二页共九页
要求:
1、吊环应使用直径28mm Q235-A圆钢制作,环体的内径以100mm为宜。
审核人交底人接受交底人
1、本表由施工单位填写,交底单位与接受交底单位各保存一份。
1、本表由施工单位填写,交底单位与接受交底单位各保存一份。
1、本表由施工单位填写,交底单位与接受交底单位各保存一份。
1、本表由施工单位填写,交底单位与接受交底单位各保存一份。
一、交底项目:料台使用安全二、交底内容:1. 料台使用前的准备工作(1)检查料台结构是否完好,如有破损、变形等情况,应及时进行维修或更换。
(2)检查料台底座的稳定性,确保其能够承受所需承载的重量。
(3)检查料台周围环境,确保无障碍物,便于操作。
2. 料台使用注意事项(1)操作人员必须穿戴好安全帽、安全鞋等防护用品。
(2)料台使用过程中,操作人员应保持注意力集中,避免因操作不当导致事故发生。
(3)料台承载物重量不得超过其设计承载能力,避免因超载导致料台倾倒。
(4)料台周围严禁堆放杂物,以免影响操作人员视线和行走安全。
(5)料台上下移动时,必须确保其平稳,避免因倾斜导致人员摔伤。
3. 料台搬运与存放(1)搬运料台时,应使用专用工具,如手推车、叉车等,避免人工搬运导致受伤。
(2)料台存放时,应放置在通风、干燥、平坦的地方,避免因潮湿、腐蚀等因素影响其使用寿命。
(3)料台存放时,应确保其稳定性,避免因摆放不当导致倾倒。
4. 紧急情况处理(1)如发现料台结构存在问题,应立即停止使用,并报告相关部门进行维修或更换。
(2)如操作人员在使用过程中发生意外,应立即停止操作,并及时报警,等待救援。
(3)如发生料台倾倒等紧急情况,操作人员应迅速撤离现场,确保自身安全。
三、检查执行情况1. 操作人员是否已穿戴好安全帽、安全鞋等防护用品。
2. 料台结构是否完好,底座稳定性是否符合要求。
3. 料台周围环境是否安全,无障碍物。
4. 操作人员是否了解料台使用注意事项。
5. 紧急情况处理措施是否到位。
四、安全培训1. 对操作人员进行料台使用安全培训,使其了解料台使用过程中的注意事项和紧急情况处理方法。
2. 定期对操作人员进行安全检查,确保其熟练掌握料台使用安全知识。
通过以上安全交底,确保操作人员在使用料台过程中能够遵守安全操作规程,预防事故发生,保障自身和他人的生命财产安全。
一、交底目的为确保物料平台搭设、使用过程中的安全,防止事故发生,特制定本安全技术交底。
二、交底对象1. 物料平台搭设施工人员;2. 物料平台使用人员;3. 相关安全管理人员。
三、交底内容1. 材料要求(1)搭设物料平台使用的材料必须符合国家相关标准和规范要求,严禁使用不合格材料。
(2)钢管、扣件、脚手板等材料应进行定期检查,确保其质量合格。
2. 搭设要求(1)搭设前,应对施工现场进行勘察,了解周边环境,确保搭设位置安全。
(2)搭设过程中,严格按照技术交底和安全操作规程进行作业,确保搭设质量。
(3)搭设完成后,由生产部门组织,技术、质量、安全等部门相关人员参加,对平台进行验收,合格后方可投入使用。
3. 使用要求(1)物料平台使用人员必须经过培训,了解平台搭设、使用过程中的安全注意事项。
(2)平台使用时,应确保平台稳固,严禁超载使用。
(3)作业人员必须佩戴安全帽、安全带等个人防护用品。
4. 防护措施(1)平台外立面护栏不得低于1.5m,密目网封闭,内用竹编板或木板封严,防止物料掉落伤人。
(2)悬挑式物料平台制作过程中,严格按照技术交底和操作规程进行作业,焊缝长度、高度和强度必须满足规范要求。
(3)首次吊装时,生产、技术、质量、安全等部门相关人员必须到场,对吊装和安装过程进行监控,确保操作规程执行到位。
5. 应急措施(1)发生意外情况时,作业人员应立即停止作业,并报告现场负责人。
(2)现场负责人应迅速组织人员进行救援,确保人员安全。
(3)发生事故后,应立即启动应急预案,按照规定程序进行事故调查和处理。
四、交底责任1. 施工单位负责制定安全技术交底,并对交底内容的执行情况进行监督。
2. 物料平台搭设、使用人员应认真学习安全技术交底,严格遵守操作规程。
3. 安全管理人员负责对物料平台搭设、使用过程中的安全情况进行监督检查,确保安全措施落实到位。
五、交底时间1. 本安全技术交底自发布之日起实施。
2. 物料平台搭设、使用过程中,如遇特殊情况,应及时修订安全技术交底。
一、交底目的为确保卸料平台搭设及使用过程中的安全,降低事故风险,特进行本次安全技术交底。
二、交底对象全体参与卸料平台搭设及使用的木工人员。
三、交底内容1. 材料要求(1)卸料平台搭设和制作的各种材料,必须符合国家相关规范和标准,严禁使用不合格材料。
(2)平台材料应具备足够的强度、刚度和稳定性,满足承载要求。
2. 施工准备(1)搭设前,应详细检查施工现场环境,确保场地平整、坚实,无障碍物。
(2)搭设位置应避开外防护架的剪刀撑,避免通道与剪刀撑冲突。
(3)夜间施工时,必须保证充足的照明。
3. 搭设过程(1)严格按照技术交底和安全操作规程进行作业,确保搭设过程安全有序。
(2)搭设过程中,严禁酒后作业、疲劳作业和违章操作。
(3)搭建卸料平台时,应从下往上逐层进行,确保每层都稳固可靠。
4. 平台使用(1)平台使用过程中,严禁超载,严禁堆放易燃、易爆、有毒有害等危险物品。
(2)平台使用人员必须穿戴好个人防护用品,如安全帽、安全带、防滑鞋等。
(3)平台作业人员应严格遵守操作规程,不得擅自离开岗位。
5. 拆除与运输(1)拆除平台时,应从上往下逐层进行,确保每层都稳固可靠。
(2)拆除过程中,严禁使用蛮力,避免损坏平台和造成安全事故。
(3)拆除后的材料应分类堆放,方便后续使用。
6. 安全防护措施(1)平台作业外立面护栏不得低于1.5m,密目网封闭,内用竹编板或木板封严,防止物料掉下伤人。
(2)悬挑式卸料平台制作过程中,严格按照技术交底和操作规程进行作业,焊缝的长度、高度和强度必须满足规范要求。
四、注意事项1. 施工现场应设立安全警示标志,提醒作业人员注意安全。
2. 定期对卸料平台进行检查、维护,确保其安全可靠。
3. 加强对木工人员的安全教育培训,提高安全意识。
五、验收与记录1. 平台搭设完毕后,应由生产部门组织,技术、质量、安全等部门相关人员参加,对平台进行验收,合格后方可投入使用。
2. 验收合格后,填写相关验收记录,并存档备查。
卸料平台安全技术交底卸料平台安全技术交底工程名称:佳和北城一标段工程施工单位:XXX交底日期:年月日分项工程名称:卸料平台搭设作业交底内容1、卸料平台的搭设和制作材料必须符合规范要求,不合格的材料严禁使用。
2、钢管式卸料平台在搭设之前,要确定搭设位置并进行清理,尽量避开防护架的剪刀撑,以防通道与剪刀撑冲突。
工人在搭设钢管式卸料平台时,必须严格按照技术交底和安全操作规程进行作业。
夜间施工必须配备足够照明。
搭设完毕后,必须由生产部门组织技术、质量、安全等部门相关人员参加,按要求对平台进行验收。
只有合格后方可投入使用。
3、平台作业外立面护栏不得低于1.5米,要密目网封闭。
内部使用竹编板或木板封严,以防止物料掉下伤人。
4、悬挑式卸料平台制作过程中,必须严格按照技术交底和操作规程进行作业。
焊缝的长度、高度和强度必须满足规范要求。
制作完毕后,必须由生产部门组织技术、质量、安全等部门相关人员参加,对平台进行验收。
只有合格后方可投入使用。
在首次吊装时,生产、技术、质量、安全部门相关人员必须到场,对吊装和安装过程进行监控。
信号工、塔吊司机和安装工人必须紧密配合,严格按照操作规程作业。
在吊装就位、钢丝绳拉紧后,要对平台和相关防护进行验收,并进行荷载试压试验。
只有合格后方可投入使用,并填写必要的资料。
平台在吊运过程中,必须有专人进行监督,按照安全操作规程进行作业。
安装就位后,必须再次经过验收合格后,方可投入使用。
5、吊装时,利用平台四角的吊环将平台吊至安装位置,平行移动使主龙骨工字钢穿过外防护架(注意不要磕碰外防护架)就位,使定位角钢卡在结构梁上(角钢下垫软物),然后拉结受力钢丝绳和保险绳,两道受力钢丝绳受力平衡后,慢慢放下平台,然后钢丝绳受力后,松去塔吊绳。
钢丝绳要有防、剪切保护,钢丝绳穿墙螺杆必须双垫双帽。
平台吊运时,先用塔吊将平台四角吊起,使平台拉结钢丝绳松弛,拆卸,然后慢慢平行向外移动。
待平台工字钢完全伸出防护架后,在向上吊装。
一、工程名称:[填写工程名称]二、分项工程名称:转料平台搭设三、施工单位:[填写施工单位名称]四、施工部位:[填写施工部位]五、交底日期:[填写交底日期,格式:年月日]六、交底对象:所有参与转料平台搭设的施工人员、管理人员七、一、安全注意事项1. 人员资质要求:- 所有参与搭设转料平台的人员必须经过三级安全教育,并取得上岗证。
- 作业人员必须身体健康,无高血压、心脏病等不宜高空作业的疾病。
2. 安全装备要求:- 作业人员必须佩戴安全帽,并扣好帽带。
- 高空作业人员必须佩戴安全带,并系好保险绳。
- 使用工具必须符合安全要求,定期检查,确保无损坏。
3. 现场环境要求:- 施工现场必须保持整洁,不得堆放杂物,确保作业通道畅通。
- 施工现场应设置明显的安全警示标志。
八、二、搭设前准备1. 材料准备:- 搭设转料平台所使用的材料必须符合国家标准,不得使用不合格材料。
- 所有材料应整齐堆放,便于取用。
2. 工具准备:- 搭设转料平台所需的工具必须准备齐全,并确保其性能良好。
3. 现场检查:- 施工前,对施工现场进行安全检查,确保无安全隐患。
九、三、搭设过程1. 搭设顺序:- 按照设计图纸和施工方案进行搭设,确保搭设顺序正确。
2. 支撑结构:- 转料平台的支撑结构必须稳固,防止因支撑不稳导致平台倾倒。
3. 平台面层:- 平台面层应平整,防止作业人员滑倒。
4. 防护设施:- 搭设完毕后,必须设置防护栏杆、安全网等防护设施,确保作业安全。
十、四、拆除过程1. 拆除顺序:- 拆除转料平台时,应按照搭设的相反顺序进行。
2. 安全措施:- 拆除过程中,必须确保作业人员的安全,防止发生意外事故。
3. 清理现场:- 拆除完毕后,应清理施工现场,确保无残留物。
十一、五、总结1. 安全培训:- 定期对施工人员进行安全培训,提高安全意识。
2. 监督检查:- 施工过程中,加强对转料平台搭设的监督检查,确保安全施工。
3. 应急预案:- 制定应急预案,一旦发生安全事故,能够迅速有效地进行处置。
钢筋20(一级)
1、本表由施工单位填写,交底单位与接受交底单位各保存一份。
2、当做分项工程施工技术交底时,应填写“分项工程名称”栏,其他技术交底可不填写。
1、本表由施工单位填写,交底单位与接受交底单位各保存一份。
2、当做分项工程施工技术交底时,应填写“分项工程名称”栏,其他技术交底可不填写。
2、当做分项工程施工技术交底时,应填写“分项工程名称”栏,其他技术交底可不填写。
2、当做分项工程施工技术交底时,应填写“分项工程名称”栏,其他技术交底可不填写。
2、当做分项工程施工技术交底时,应填写“分项工程名称”栏,其他技术交底可不填写。
1、本表由施工单位填写,交底单位与接受交底单位各保存一份。
2、当做分项工程施工技术交底时,应填写“分项工程名称”栏,其他技术交底可不填写。
1、本表由施工单位填写,交底单位与接受交底单位各保存一份。
2、当做分项工程施工技术交底时,应填写“分项工程名称”栏,其他技术交底可不填写。