推荐-一万立方米直升湿式气柜施工方案 精品 精品
- 格式:doc
- 大小:145.00 KB
- 文档页数:22
10000m3气柜制安施工措施一、概述江苏恒盛化肥有限公司为实现建成苏北地区最大的化肥生产基地和农化服务中心,满足年产20万吨合成氨、30万吨尿素扩改工程的要求,建设一台10000 m3低压湿式外导架直升式气柜。
气柜工作介质为燃气,设计压力400mm水柱,设计温度为常温。
1.1结构特点本气柜为钢水槽湿式直升式气柜,主要由水槽、塔节Ⅰ、塔节Ⅱ、塔节Ⅲ、导轮及其附件组成。
气柜正常升降是塔节Ⅲ上的导轨在导轮控制下,塔节Ⅲ全升起后挂起塔节Ⅱ,塔节Ⅱ全升起带起塔节Ⅰ。
气柜下降时各塔体上的导轨在导轮的控制下,其运行与上升相反,下降的顺序为:塔节Ⅰ→塔节Ⅱ→塔节Ⅲ。
塔节Ⅰ、塔节Ⅱ、塔节Ⅲ各自全升起后其相互之间由环形水封密封,以保证各塔节内的气体不致外漏。
气柜上、下配重用以保证塔节内的气体压力。
1.2主要技术参数1.2.1设计总重 297.3t(不含配重块重量)1.2.2公称容积 10000 m31.2.3设计压力400mm水柱1.2.4设计温度常温1.2.5工作介质燃气1.3编制依据以及执行标准、规范1.3.1《10000 m3低压湿式外导架直升式气柜标书》1.3.2江苏恒盛化肥有限公司1000M3直升式气柜报价参考图1.3.3《金属设备焊接结构湿式气柜施工及验收规范》HGJ212-831.3.4《钢制低压湿式气柜》HG20517-921.3.5《现场设备、工业管道焊接工程施工及验收规范》GB50236-981.3.6《钢结构工程施工及验收规范》GB50205-95二、施工工艺程序与施工方法、技术措施本工程制作和安装需2台吊车配合施工,制作场地安排一台25t汽车吊配合制作,安装现场安排一台25t汽车吊配合气柜的安装。
气柜的施工工艺程序如下:水槽制安→塔节Ⅰ制安→塔节Ⅱ制安→塔节Ⅲ制安→顶盖制安→附件制安→水槽充水试漏→试升降2.1水槽制安2.1.1水槽预制(1)底板下料应放2‰的收缩余量,底板的边板拼焊以便于起吊为宜,边板拼焊后需校平。
湿式气柜施工方案1. 引言湿式气柜是一种用于存储气体的设备,采用水作为密封材料,从而保持高压气体的稳定性。
本文将详细介绍湿式气柜的施工方案,包括设计、材料选择、施工步骤等。
2. 设计在湿式气柜的设计中,需要考虑以下几个方面:2.1 容量根据实际需求,确定湿式气柜的容量,包括气体的压力和体积。
2.2 结构湿式气柜一般由内袋、外壳和密封件组成。
内袋由耐酸碱、耐高压的材料制成,外壳可以选择不锈钢或塑料。
密封件应选用优质材料,以确保气柜的密封性。
2.3 防护装置考虑到安全因素,湿式气柜应配备过压保护装置和过温保护装置,以避免意外事故的发生。
3. 材料选择在湿式气柜的施工中,需要选用适合的材料,以确保设备的安全和稳定性。
3.1 内袋材料内袋应选用耐腐蚀、耐高压的材料,如聚氯乙烯(PVC)或氟塑料。
3.2 外壳材料外壳可以选择不锈钢或塑料。
不锈钢具有耐腐蚀性和较高的强度,适用于高压气体存储。
塑料具有较低的成本和良好的可塑性,适用于一般压力下的气柜。
3.3 密封件材料选择高温、耐酸碱的密封件材料,如氟橡胶或聚四氟乙烯(PTFE)。
4. 施工步骤湿式气柜的施工包括以下几个步骤:4.1 准备工作检查施工现场,并确保所有材料和设备齐全。
清理施工区域,确保环境整洁。
4.2 安装内袋将内袋铺放在气柜内部,并确保其平整。
使用专用工具将内袋与气柜固定连接。
4.3 安装外壳将外壳固定在内袋上方,并进行密封处理,确保内外壳之间的空气不会泄露。
4.4 安装密封件和防护装置安装密封件,确保气柜的密封性。
同时,安装过压保护装置和过温保护装置,以提高安全性。
4.5 测试完成气柜的安装后,进行功能测试和安全测试。
检查气柜的密封性、安全性和稳定性是否符合要求。
5. 运行维护湿式气柜的正常运行和维护对保证设备的长期稳定性和安全性至关重要。
以下是一些运行维护的注意事项:5.1 定期检查定期检查内袋、外壳和密封件的状态,发现问题及时处理。
检查过压保护装置和过温保护装置的正常运行。
10000m3低压湿式外导架直式气柜制作安装防腐工程施工方案1.编制依据1.1金属焊接结构湿式气柜施工及验收规范 HGJ212-83、1.2化工设备管道防腐工程施工及规范HGJ229-911.3工业管道焊接工程施工及验收规范GBJ50236-981.4钢结构工程施工及验收规范GBJ205-831.5钢制压力容器对接焊缝超声波探伤、钢焊缝射线以相及底片分类法JB4730-941.6气柜有关图纸中的技术要求,相关标准编制。
2.工程概况2.1建设单位江苏恒盛化肥有限公司2.2工程名称10000 m3低压湿式外导架直式气柜制作安装防腐工程。
2.3工程地点江苏恒盛化肥有限公司厂区内。
2.4工程规模一台10000 m3低压湿式外导架直式气柜2.5主要技术参数2.5.1有效容积数1287 m32.5.2几何容积13665 m32.5.3气柜压力a.有配重压力2761355/400㎜水柱b.无配重压力139/228㎜水柱c.设计压力400㎜水柱d. 工作压力400㎜水柱2.5.4单位耗钢量:29.7Kg/ m32.5.5总重量:297.3t2.5.6气柜各部主要尺寸及结构a.水槽底版:φ28420㎜由S=6㎜中幅板及S=8㎜的边板构成b.水槽壁板:φ28300㎜ H=7300㎜自上而下分别由S=6、8、10、12㎜的钢板构成。
c.一塔:φ27400㎜ H=6600㎜ 14根导轨d.二塔:φ26500㎜ H=6600㎜ 14根导轨d.二塔钟罩:φ25600㎜ H=6500㎜ 14根导轨3现场组织管理机构及管理目标3.1 组织管理机构组建说明本工程为项目,施工质量要求高,因此我企业将实行全面质量管理的方法对本工程进行管理,以做成精品为目标,进行严格管理,按项目法施工管理模式。
根据公司Q/SLJGL36.12-95《项目施工管理标准》,结合本项目的施工特点,选派具有丰富施工经验,并干过类似工程的、精干得力的人员组成合格的项目班子进驻现场,组建中化十六公司江苏恒盛化肥有限公司10000 m3低压湿式外导架直式气柜安装工程项目施工项目部,代表本企业全面履行承包合同,承担该工程的施工管理。
湿式气柜施工方案1.编制说明本工程中有两台气柜,造气工段的为10000m3/273.8t,三气回收的为2500m3/148t。
本方案为一般原则性方案,具体施工时将根据实际情况做必要的修改和补充。
以湿式储气柜为例进行施工说明。
2.编制依据1)招标施工图;2)《金属焊接结构湿式气柜施工及验收规范》HGJ212-83;3)《钢制低压湿式气柜》HGJ20517-923..气柜预制3.1水槽底版按排版图铺设水槽底板和边缘板,并点焊固定、放好中心线和水槽壁第一圈板的内外圆周线,沿此线每隔1~1.5m左右交错焊牢临时限位角钢。
然后按对称分段焊法正式焊接底板焊缝。
3.2导轨预制轻轨可进行拼接,其接头应采用等强度连接,导轨接头焊缝不允许有裂纹、弧坑、咬边和未焊透等缺陷,导轨与导轮接触面必须磨平,不得有大于2mm的凹凸不平处,导轨加工后应调直,不直度不得超过3mm,断面翘曲不得大于2mm。
校验合格后,把导轨和加强板用8根丝杠卡兰夹紧在校验胎架上进行焊接。
焊接后,导轨及加强板上打上测点,做出标记,对所有安装孔进行划线。
3.3外导架预制外导架应选用整体工字钢制作,如需对接,其对接焊缝应在水槽上沿的以下部分,对接接头要采用等强度焊接。
外导轨应进行调直,预制后的导轨纵向弯曲全长不得超过3mm。
3.4水封板预制水封的水平板和立板,均按设计尺寸分段下料整平。
立板安装孔划线、钻孔后,在辊板机上辊弧,后将主板和水平板吊至水封胎架上进行组装。
3.5顶架预制顶梁应按设计尺寸下料、调直、辊弧、焊接成单根径向梁。
采用三榀单梁组成一组。
在平台上按图纸尺寸放好三榀径向梁位置线,并确定中心环梁和支座位置,然后用型钢将中心环梁支起至设计高度(即:支座加顶梁拱高),并临时焊牢。
同时,按划线位置固定三个支座,把单根整体径向梁吊起,其一端插入中心环梁内,用安装螺栓把牢,另一端与支座焊接。
三根径向梁安装就位后,检查相对两根径向梁,其中心线允许偏差为±10mm。
湿式气柜施工方案一、引言湿式气柜是储能装置的一种常见形式,广泛应用于各种工业场所。
本文档旨在提供一种湿式气柜的施工方案,包括施工准备、施工步骤和安全注意事项等内容,以确保施工过程安全可靠。
二、施工准备1. 设计和规划在进行湿式气柜施工之前,首先需要对工程进行设计和规划。
包括确定气柜的尺寸、容量和材料等,以满足工程需求,并确保符合相关法规和标准。
2. 材料和工具准备在施工之前,应准备好所需的材料和工具。
常见的材料包括钢板、密封材料、连接件等,工具则包括焊接机、切割机等。
3. 工程现场准备在施工现场,应确保有足够的空间和通风条件。
清理施工区域,确保平整且没有杂物。
检查并确保所有施工设备的安全性能良好。
三、施工步骤1. 安装基础在施工现场标定气柜的位置,并确保地基稳固和平整。
根据设计要求,采用适当的方法进行基础的施工,以确保其稳定性和可靠性。
2. 组装气柜根据设计方案,组装气柜。
首先,根据气柜尺寸和形状,将钢板切割成所需的大小,然后使用焊接机将钢板焊接在一起,形成气柜的外壳。
3. 安装连接件和仪表在气柜的外壳上安装连接件,包括气体进出口、排放阀等。
同时,根据需要,安装液位计、温度计等仪表,以监测气柜的工作状态。
4. 安装密封材料在气柜的连接部位,使用适当的密封材料,确保气柜的连接处密封良好,防止气体泄漏。
5. 进行试压测试在施工完成后,进行试压测试以确保气柜的密封性。
通过给气柜加入一定压力的气体,观察一段时间内气柜的压力变化情况,以确认气柜无泄漏。
6. 完成施工记录在气柜施工完成后,及时记录施工过程中的关键信息,包括施工日期、施工人员、材料使用情况等,以备后续查阅和追溯。
四、安全注意事项在进行湿式气柜施工时,需要特别注意以下安全事项:1.气柜施工过程中,必须佩戴适当的防护装备,包括安全帽、防护眼镜等。
2.施工现场必须保持通风良好,以排除有害气体和烟尘。
3.施工人员必须熟悉使用施工设备,严禁未经培训的人员操作设备。
气柜施工方案1. 引言气柜是一种用于储存气体的设备,广泛应用于许多领域,如能源、化工、医疗等。
气柜的施工是非常重要的,它涉及到施工过程中的安全、质量和效率等方面。
本文将详细介绍气柜施工的方案,包括施工前的准备工作、施工过程中的注意事项以及施工后的验收要点。
2. 施工前的准备工作在进行气柜施工之前,需要进行一系列的准备工作,以确保施工的顺利进行:2.1 安全评估与规划在施工前,需要进行全面的安全评估与规划。
这包括对施工现场的安全环境进行评估,并制定相应的安全措施,如安全警示标识、防护设施等。
同时,还需要制定施工计划,明确施工的顺序、时间安排和人员配备等。
2.2 材料与设备准备在施工前,要确保所需的材料和设备齐全。
这包括气柜本身的材料,如钢板、焊条等,以及施工所需的工具、设备,如焊接机、起重机等。
同时,还需要检查这些材料和设备的质量,确保其符合相关标准和规范要求。
2.3 人员培训与组织在施工前,需要对施工人员进行相关培训,确保他们了解施工过程中的安全注意事项和操作要求。
同时,还需要进行人员的组织和分工,明确各个岗位的职责和任务,确保施工的协调和顺利进行。
3. 施工过程中的注意事项在进行气柜施工的过程中,需要注意以下几个方面:3.1 施工环境和条件在施工过程中,要注意环境和条件的控制。
这包括施工现场的通风和照明,以及相关设备的运行情况等。
同时,要注意施工现场的清洁和整理,确保施工过程中的安全和效率。
3.2 工艺和质量控制在进行气柜施工的过程中,要确保施工工艺的正确执行和质量的控制。
这包括焊接工艺的选择和操作,钢板的切割和组装等。
同时,还要进行质量检查和验收,确保施工过程中的质量合格。
3.3 安全保护和防护在进行气柜施工的过程中,要注意安全保护和防护。
这包括对焊接操作人员的防护,如穿戴防火服、眼镜和手套等。
同时,还要对焊接设备和气柜进行保护,如遮挡焊接火花和防止外界物体的进入。
4. 施工后的验收要点在气柜施工完成后,需要进行相关的验收和检查,以确保施工的质量和安全:4.1 外观检查首先要对气柜的外观进行检查。
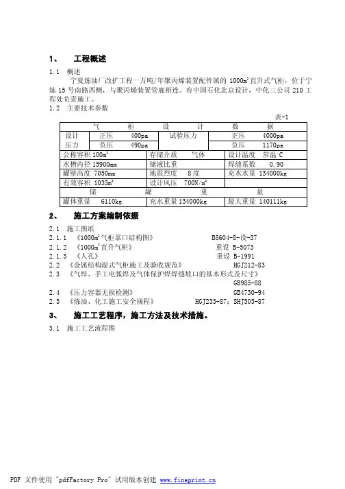
1、 工程概述1.1 概述宁夏炼油厂改扩工程一万吨/年聚丙烯装置配件属的1000m 3直升式气柜,位于宁炼15号南路西侧,与聚丙烯装置管廊相连。
有中国石化北京设计,中化三公司210工程处负责施工。
1.2 主要技术参数表-1气 柜 设 计 数 据正压 400pa 正压 4000pa 设计 压力 负压 490pa 试验压力 负压 1170pa 公称容积100m 3 存储介质 气体 设计温度 常温。
C 水槽内径15900mm 储液比重 焊缝系数 0.90 罐壁高度 7050mm 地震烈度 8度 充水水量 134000kg 有效容积 1035m 3 设计风压 700N/m 2储 罐 重 量罐体重量 6110kg 充水重量134000kg 最大重量 140111kg2、 施工方案编制依据2.1 施工图纸2.1.1 《1000m 3气柜靠口结构图》 B8604-8-设-37 2.1.2 《1000m 3直升气柜》 重设 B-5073 2.1.3 《人孔》 重设 B-1991 2.2 《金属结构湿式气柜施工及验收规范》 HGJ212-83 2.3 《气焊、手工电弧焊及气体保护焊焊缝坡口的基本形式及尺寸》 GB985-88 2.4 《压力容器无损检测》 GB4730-94 2.5 《炼油、化工施工安全规程》 HGJ233-87;SHJ505-873、 施工工艺程序,施工方法及技术措施。
3.1 施工工艺流程图3.2 技术要求3.2.1 原材料3.2.1.1 气柜所用的钢材、配件和焊接材料应符合设计图纸要求,并且有质量合格证或材质复验合格证。
3.2.1.2 外观无严重损坏或变形,钢板表面不得有裂纹、夹层、重皮、夹渣、折痕、气孔等缺陷,表面锈深度不应超过0.5毫米。
3.2.2 施工主要胎具3.2.2.1 为增加气柜水槽刚度,减少焊接变形,在气柜水槽内设置一组胀圈,如图-1所示。
胀圈制作应在平台上进行,直径与水槽内径相同。
贵州成黔冶金辅料有限公司10000立方米直升湿式煤气柜施工组织设计编制:翟志清审核:陆永前江苏华能建设工程集团有限公司2010年5月28日审批意见:目录一、编制说明 (1)二、工程概况 (3)三、施工组织及计划 (5)四、施工工艺及措施 (18)五、质量保证措施 (47)六、安全保证措施 (53)七、施工管理措施 (58)八、工期保证措施 (62)九、季节性施工措施 (63)十、文明施工措施...................................................64. 十一、工程管理措施综述 (66)一、编制说明1.1 工程概况贵州成黔冶金辅料有限公司1万m3直升湿式储气罐是一个由338吨钢材组焊成的大型钢结构容器,在我国它的设计、制造、运行工艺都已相当成熟,为更好地完成这一钢结构的制作安装,特制定本工程施工组织设计。
1.2 施工组织设计编制及施工执行标准(1)施工图。
(2)HG20517-92《钢制低压气柜》(3)HG/T21549-95 《钢制低压湿式气柜系列》(4)GBJ50205-95《钢结构工程施工及验收规范》。
(5)GBJ300-310-88《建筑安装工程质量施工及验收规范》。
(6)HGJ212-83《金属焊接结构湿式气柜施工及验收规范》。
(7)GBJl8-66《钢结构工程施工及验收规范》。
(8)CJJ33-89《城镇燃气输配工程施工及验收规范》。
(9)GBJ236-82《现场设备、工业管道焊接工程施工及验收规范》(10)GBJ232-82《燃气装置安装工程施工及验收规范》。
(11)GBJ204-83《钢筋混凝土工程施工及验收规范》。
(12)GB50046-95《工业建筑防腐蚀设计规范》1.3 组织设计说明本工程组织设计由施工组织及计划、施工工艺及措施、质量保证措施、安全及文明施工保证措施、特殊施工工艺措施组成。
1.3.1 施工组织及计划包括:施工管理机构、施工人员安排、施工机械配置、工程材料准备、施工现场准备(包括现场用水电)、施工工期计划。
气柜施工方案气柜施工方案一、施工前的准备工作1. 制定施工计划,明确施工过程和施工步骤。
2. 编制施工图纸,确定气柜的位置、尺寸和设计要求。
3. 准备所需的材料和设备,包括气柜本体、管道、阀门等。
4. 确定施工队伍和负责人,进行人员培训和安全教育。
二、施工过程1. 选择合适的基础,确保气柜的稳定性和安全性。
2. 按照设计要求进行气柜的组装和安装。
首先搭建气柜的骨架,然后将气柜本体安装在骨架上。
3. 进行气柜的各项管道连接。
根据设计图纸的要求,连接气柜与气源、气压控制器、排污阀等设备的管道。
4. 安装气柜的阀门和检修口。
根据设计要求,安装气柜的进气阀、放气阀和排污阀,并设置检修口,方便日后的检修和维护。
5. 进行气柜的试压和漏气测试。
确保气柜的密封性和稳定性,避免漏气和危险事故的发生。
6. 在气柜的外部进行防腐处理。
根据实际需要,对气柜进行防腐、防锈和涂装等处理,提高气柜的耐腐蚀性和美观度。
三、施工后的检查和验收1. 进行施工质量检查。
检查气柜的安装质量、连接管道的完整性和各种设备的运行状态。
2. 进行气柜的压力测试。
按照设计要求,进行气柜的压力测试,确保气柜能够承受设计压力,不发生破裂和危险事故。
3. 进行气柜的运行测试。
将气柜与气源连接,进行气柜的运行测试,检查气柜的正常工作和安全运行。
4. 编制施工验收报告。
整理施工过程中的记录和检查结果,编制施工验收报告,明确施工的质量和安全问题。
四、施工安全注意事项1. 施工过程中严格遵守安全操作规程,确保人员的安全。
2. 使用合格的材料和设备,避免材料和设备的质量问题导致施工事故。
3. 施工现场进行必要的警示标志和安全防护措施,预防意外伤害和事故发生。
4. 进行严格的施工质量监控,确保施工质量符合设计要求。
五、施工质量评估和改进施工完成后,进行施工质量的评估和改进。
通过以上施工方案的实施,可以确保气柜的施工质量和安全性,提高气柜的使用效果和寿命,保障工业生产的正常进行。
10000M³直升式气柜制作安装施工方案李运乐郑洪平游玉书驻马店市安装公司二00 七年六月二十二日一万立方米直升湿式气柜施工方案一、工程概况本工程10000m³低压湿式直升贮气柜〔简称气柜〕是一个主体直径为26.5m 的钢水槽和能升降的塔节 1、塔节 2、塔节 3 气柜升起后总高度为32.034m,全容积为10000m³它是我国目前广泛使用的煤气储罐之一。
二、气柜的技术特性工作压力:0.004M pa设计压力:0.004M pa公称容积:10000m³构造型式:湿式直升工作温度:常温设计温度:常温气柜净质量:418765 ㎏气柜主体材质:16Mn二、技术要求1、本气柜施工执行的标准《钢制低压湿式气柜》HGJ20517-92《金属焊接构造湿式气柜施工及验收标准》HGJ212-83《现场设备、工业管道焊接工程施工及验收标准》GBJ236-82《钢制压力容器焊接规程》JB/T4709-2022 2、焊接承受电焊,焊接要求按各部图纸。
3、二、三塔的下水封的焊缝应进展盛水试漏。
4、气柜壁板全部对接焊缝均应进展煤油渗透试验。
5、水槽以不小于24 小时进展盛水试验,钟罩及一、二塔以空气进展气密性试验,在钟罩和一、二塔上升过程中用肥皂水检查壁板及钟罩顶板焊缝,不允许有气泡发生。
6、气密性试验合格后,以不低于0.4M/min 且不超过1.5M/min 的升降速度进展 1-2 次快速升降试验。
在试验过程中,导轮与导轨应无卡住、脱轨及因升降机构安装不当造成壁板变形等现象。
7、导轮组垫板待升降试验合格后,再与各支座面焊牢。
8、上升极限与下降极限必需安装报警装置。
四、质量标准1、根底验收时,根底中心位置与设计座标位置允差为±20 ㎜,直径按设计要求偏差±50 ㎜,根底标高允差为±10 ㎜,外表不平度不大于5 ㎜,中心突起不小于水槽直径的1/100。
2、预制下料,每块板材的对角线允差不大于2 ㎜,宽度允差不大于1 ㎜,长度允差不大于1.5 ㎜。
洛阳骏马化工有限企业10000m3 湿式煤气柜修复工程施工方案编制人:丁晓明审查人:代真施工单位:中国六冶洛阳有限企业编制日期: 2013 年 2 月 28 日目1、工程概略⋯⋯⋯⋯⋯⋯⋯⋯⋯⋯⋯⋯⋯⋯⋯⋯⋯⋯⋯⋯32、施工及施工部署⋯⋯⋯⋯⋯⋯⋯⋯⋯⋯⋯⋯⋯⋯⋯43、旧气柜更部分的拆掉⋯⋯⋯⋯⋯⋯⋯⋯⋯⋯⋯⋯⋯⋯94、气柜更部分的制作、安装工⋯⋯⋯⋯⋯⋯⋯⋯⋯⋯105、柜体接施工守⋯⋯⋯⋯⋯⋯⋯⋯⋯⋯⋯⋯⋯⋯⋯⋯216、气柜的体方案⋯⋯⋯⋯⋯⋯⋯⋯⋯⋯⋯⋯⋯⋯⋯227、施工安全举措⋯⋯⋯⋯⋯⋯⋯⋯⋯⋯⋯⋯⋯⋯⋯⋯⋯⋯248、工程施工度划⋯⋯⋯⋯⋯⋯⋯⋯⋯⋯⋯⋯⋯⋯⋯⋯31第一章工程概略一、工程名称:洛阳骏马化工有限企业10000m3 气柜修复工程二、建设单位:洛阳骏马化工有限企业三、施工单位:中国六冶洛阳有限企业四、工程地址:厂内净化车间脱硫工段生产区五、工程内容:1、工程范围:气柜内外出入口管及水封的拆掉、安装;中节Ⅱ壁板改换及中节Ⅰ和钟罩壁板减薄地区改换;平台护栏修复;除去原气柜的隐患及缺陷;起落及气密性试验等。
2、改造要求:2、1 气柜内外煤气出入口管及水封的拆掉、安装,详见招标文件)D项内容。
2、2 中节Ⅰ、中节Ⅱ边环板、水封槽减薄地区、壁板的改换修复。
2、3 钟罩顶板拆掉改换、壁板减薄地区改换、进气管安全罩制作安装;钟罩上面平台、护栏修复。
2、4 气柜原有导轨、导轮、平台及扶手等有隐患部位进行修复改换。
2、5 装置地区内防雷设备制作安装及接地网的焊接安装。
2、6 装置的起落及气密性试验等。
六、本施工方案的编制依照:1骏马化工气柜大修工程招标文件;2《工业金属管道工程施工及查收规范》 GB50235 —97;3《钢结构工程施工质量查收规范》 GB50205— 2001;4《现场设备、工业管道焊接工程施工及查收规范》 GB50236— 98:5《金属焊接结构湿式气柜施工及查收规范》 HGJ212— 83;6《钢制低压湿式气柜》 HG20517—92;7《碳素钢结构》 GB700 —88;8《碳钢焊条》 GB/T5117—1995;9《射线检测》 JB4730—94;10《气焊、手工电弧焊气体保护焊焊接坡口的基本形式与尺》GB985—88:第二章施工组织与施工部署一、构件加工:气柜本体改换钢结构件在现场加工制造。
50万吨/年中温煤焦油轻质化项目(二期25万吨/年配套75万吨/年兰炭)10000m3气柜施工方案编制:王一飞审核:王喜萍批准:李庆中中化二建集团有限公司二OO九年三月七日目录1、编制说明2、编制依据3、工程概况4、施工前准备5、气柜预制6、气柜安装技术要求7、气柜防腐8、气柜总体升降试验9、劳动力计划10、施工用机具材料计划11、质量保证措施12、保证工期措施13、安全技术措施14、环境保护措施15、冬雨季施工措施16、气柜交工文件17、施工中应遵循的规程、规范及标准1、编制说明本工程为神木天元化工有限公司年产50万吨中温煤焦油轻质化项目二期安装工程,目前征地手续已办理完毕,初步设计已批复,场地平整已经完成,该工程位于榆林市锦界工业园区。
为确保该工程优质、安全、高速,科学有序地组织施工,特编制10000m3气柜施工方案。
2、编制依据2.1 50万吨/年中温煤焦油轻质化项目(二期25万吨/年配套75万吨/年兰炭)安装工程施工邀请招标文件2.2《钢制低压湿式气柜》 HG20517-922.3《金属焊接结构湿式气柜施工及验收规范》 HGJ212-832.4中化二公司54000m3低压湿式螺旋储气罐施工工法2.5中化二建集团有限公司质量、环境及职业健康安全体系文件3、工程规模50万吨/年中温煤焦油轻质化项目(二期25万吨/年配套75万吨/年兰炭);工程概算:18220万元10000m3气柜的结构型式为低压湿式螺旋气柜,公称容积10000m3,介质为焦炉气,介质特性为易燃易爆,气柜板材料为Q235-A。
4、施工前准备4.1施工准备4.1.1熟悉施工图纸及施工环境。
4.1.2对施工图进行自审和专业会审并填写自审和会审记录。
4.1.3参加设计交底,并组织有关施工人员进行施工技术交底。
4.1.4编制材料预算。
4.2材料准备4.2.1供应部门应按项目技术负责人编制的材料预算,并经核实后按进度要求及时提供所有钢材。
10000m3 低压湿式螺旋气柜施工方案编号:编制:审核:批准:湖北宜化集团化工机械设备制造安装有限公司2012年5月目录1、工程概况 (1)1.1工程概况 (1)1.2编制依据 (1)1.3工程目标 (2)2、制作安装的通风规则 (2)3、气柜施工的主要措施 (3)4、气柜的施工顺序及施工准备 (5)5、气柜构件预制 (7)6、气柜安装 (10)7、气柜的防腐 (24)8、劳动力计划表 (25)9、施工进度计划表 (25)10、主要施工设备及工具计划 (27)11、确保施工安全的技术组织措施 (27)12、环境因素控制措施 (28)1、工程概况1.1工程概况1.1.1 10000立方米低压湿式螺旋式煤气储柜由水槽、三塔(中节一)、二塔(中节二)和一塔(钟罩)构成。
其中水槽为有底圆筒体,由钢板焊接成型;三塔和二塔,均为圆筒体,由钢板焊接成型;一塔为最高部位,为一个有顶的圆筒体,由钢板焊接成型。
储气过程中由一塔挂接二塔,二塔挂接三塔,再由三塔挂接水槽。
随着压力的增加,升起的次序为挂接一塔—二塔—三塔。
水槽底板设有垫梁支承中节和钟罩,气柜设气体进出口和保护装置自动放空管、放空口、溢流口,供检验用的人孔。
钟罩下部装铸铁配重块,钟罩上部装混凝土配重物以增加柜内气体压力。
1.2编制依据1.2.1本工程编制主要依据业主提供的设计图纸气柜装配图及技术资料。
1.2.2本工程编制主要遵照的规范及标准HG 20517-92 钢制低压湿式气柜HGJ212-83 金属焊接结构湿式气柜施工及验收规范GB50236-97 现场设备工业管道焊接工程施工及验收规范HGJ210-83 圆筒形钢制焊接贮罐施工及验收规范NB/T47003.1-2009 钢制焊接常压容器NB/T47014-2011 承压设备焊接工艺评定NB/T47015-2011 压力容器焊接规程NB/T47018-2011 承压设备用焊接材料订货技术条件JB/T4730-2005 压力容器无损检测HG20237-94 化学工业工程建设交工技术文件规定其他国家现行有关规范和标准。
10000立方米直升式气柜施工组织设计建设单位:贵卅开磷剑江化肥责任XXX 施工单位:徐州市工业设备安装公司2006年3月24日10000m3直升式气柜施工方案一、工程概况本工程根据山东省化工规划设计院设计图号为《S11-0189》、《S11-0157》(10000m3 气柜)施工图纸进行现场加工安装与验收。
二、编制依据1、(S11-0189)、(S11-0157)《10000m3气柜》施工图纸及工程图纸变更方案;2、HG20517-92《钢制低压湿式气柜》规范;3、GB50236-98《现场设备,工业管道焊接工程施工及验收规范》;4、GB50205-2001《焊接规范》;三、施工部署1、人员组织a、施工管理人员配备表b、现场作业人员配备表2、材料组织a、编制工程材料购货计划和外协加工计划与甲方配合供货到现场,经有关人员检验实物和材质证明,认定其规格型号、数量等均符合设计有关规范要求后入库,分类堆放。
b、设备安装所需机具,器具,量具等均符合设计和工艺标准的要求。
3、现场安排(详见作业区平面图)a、现场工地已做到电通、路通;工棚、料场及生活设施均已做完;b、第一批材料已按计划组织到现场,并开始整理工作平台及部分预整理加工准备。
4、工程进度安排本工程进度计划安排详见《工程进度表》四、施工技术措施和方法1、工艺流程:(详见气柜施工网络)施工准备基础验收材料下料预制现场组装防腐施工功能性试验竣工验收。
2、施工准备:1)设备安装所需人员,材料和机具等均应组织完毕;2)技术准备:a、设备的技术文件及所采用的图集和规范等已准备齐全,施工方案经有关部门审批后可投入施工。
b、工程工技人员负责对设备的安装工艺和质量标准做了书面和口头交底和讲解,施工人员已明确掌握了施工工艺要求和验收规范。
3、基础验收土建部门按要求对设备基础施工完成之后,由建设方组织各相关部门进行基础验收,并及时办理交接手续。
基础验收工作,主要包括基础方便面位,尺寸标高、平整度的检查及预埋件和预留孔位置和数量的检查,均应符合设计和规范要求。
10000M³直升式气柜制作安装施工方案编制:李运乐审核:郑洪平批准:游玉书驻马店市安装公司二00七年六月二十二日一万立方米直升湿式气柜施工方案一、工程概况本工程10000m³低压湿式直升贮气柜(简称气柜)是一个主体直径为26.5m的钢水槽和能升降的塔节1、塔节2、塔节3气柜升起后总高度为32.034m,全容积为10000m³它是我国目前广泛使用的煤气储罐之一。
二、气柜的技术特性工作压力:0.004M pa设计压力:0.004M pa公称容积:10000m³结构型式:湿式直升工作温度:常温设计温度:常温气柜净质量:418765㎏气柜主体材质:16Mn二、技术要求1、本气柜施工执行的规范《钢制低压湿式气柜》HGJ20517-92《金属焊接结构湿式气柜施工及验收规范》HGJ212-83《现场设备、工业管道焊接工程施工及验收规范》GBJ236-82《钢制压力容器焊接规程》JB/T4709-20002、焊接采用电焊,焊接要求按各部图纸。
3、二、三塔的下水封的焊缝应进行盛水试漏。
4、气柜壁板所有对接焊缝均应进行煤油渗透试验。
5、水槽以不小于24小时进行盛水试验,钟罩及一、二塔以空气进行气密性试验,在钟罩和一、二塔上升过程中用肥皂水检查壁板及钟罩顶板焊缝,不允许有气泡发生。
6、气密性试验合格后,以不低于0.4M/min且不超过1.5M/min的升降速度进行1-2次快速升降试验。
在试验过程中,导轮与导轨应无卡住、脱轨及因升降机构安装不当造成壁板变形等现象。
7、导轮组垫板待升降试验合格后,再与各支座面焊牢。
8、上升极限与下降极限必须安装报警装置。
四、质量标准1、基础验收时,基础中心位置与设计座标位置允差为±20㎜,直径按设计要求偏差±50㎜,基础标高允差为±10㎜,表面不平度不大于5㎜,中心突起不小于水槽直径的1/100。
2、预制下料,每块板材的对角线允差不大于2㎜,宽度允差不大于1㎜,长度允差不大于1.5㎜。
3、弧形板滚曲后,用大于1.5米弦长的样板检查,其间隙不大于2㎜,型钢滚曲时要用大于或等于2米弦长的样板检查,其间隙不大于3㎜。
4、加强圈与钟罩包边角钢煨制后,必须放实样检查,其径向偏差不大于±3㎜,水平翘曲不得大于5㎜,角钢或槽钢圈的接口应与壁板、梁柱端部接点焊缝错开150㎜以上。
5、各塔节立柱预制前应调直,纵向弯曲全长不得大于3㎜,断面翘曲不大于2㎜,钟罩骨架的径向梁在预制后其长度偏差不应大于5㎜,全长翘曲不应大于10㎜,组装时对称梁必须成一直线交于中心环上,偏差不应超过10㎜,直径偏差为±10㎜,水平偏差不大于5㎜。
6、导轨加工完,弧度偏差径向为±5㎜,侧向为±3㎜。
7、立柱安装垂直度不大于高度的1/1000,立柱中心位置沿圆周方向偏差不大于10㎜,两柱间弦长偏差不大于5㎜。
8、导轨安装固定后,每条导轨分3点检查,各相邻两导轨轨面中心周向距离与其平行偏差不得大于6㎜,与基圆径向允许偏差为±5㎜,导轨和轮缘凹槽的接触面应保持3-5㎜间隙。
9、水槽壁板安装焊接后,垂直度偏差不得大于100㎜,水槽底板焊接后其局部凸凹度不应大于50㎜,底板鼓起脱离基础表面大于30㎜时应开孔充砂,开孔数要少于5个。
五、施工程序为了保证气柜整体成型的质量和简化施工工艺,加快施工进度,该气柜安装采用倒装与正装相结合的方法,也就是由水槽底板开始施工,其主要施工顺序为:1、准备工作:(1)作业场地平整,施工用水、电接通;(2)材料、机具进场;(3)胎具制作,平台铺设;(4)基础验收。
2、预制:(1)水槽壁板下料,滚弧,各塔节的壁板下料,滚弧;(2)中节立柱、附件下料、预制;(3)导轨、加固圈、钟罩顶梁、水封槽钢的下料与煨制;(4)水封预制;(5)梯子平台人孔,管座下料预制。
3、安装:(1)水槽底板铺设;(2)钟罩顶梁组对;(3)水槽壁板安装;(4)一二三塔上下水封及立柱组对;(5)导轨与菱形板安装;(6)钟罩顶板安装;(7)钟罩、中节全面复测校正及底板真空试漏;(8)导轮附件及配重安装;(9)完善零星构件及扶梯安装;(10)底板防腐以及防腐后的罐内全面清理工作;(11)水槽注水试漏;(12)气柜升降试验,调整导轮及气密性试验;(13)气柜交工验收。
六、施工准备1、胎具与专用机具制作(1)弧板接送胎:为防止卷弧后的板变形,在卷板机两侧设弧板接送胎。
送板架角钢焊制长6米、宽1.5米;接板架角钢焊制,长6米、宽1.5米;接板胎位于接板架上方,由小角钢卷弧找正后焊制,长6米、宽1.45米。
各塔上、下挂圈槽钢顶煨胎具三套,内半径分别为:12514㎜、12064㎜、11503㎜。
一塔顶梁工字钢顶煨胎具一套,半径为48000㎜。
一塔壁板上部角钢顶煨胎具一套。
(2)水槽壁:水槽壁采用倒装法施工。
(3)胀圈:胀圈用钢板滚圆焊接而成(也可用型钢),其断面为□型,每节长度由现场实际情况而定,两节之间用294KN千斤顶连接。
胀圈的精度必须保证水槽壁的椭圆度达到规范要求。
2、基础验收。
基础按土建交工记录及有关图纸几何尺寸,对基础直径、坡度、水平度及标高等,还有表面隔潮层,干砂层厚度及标高等复检,复检时将气柜中心线放至基础边缘,沿底板边缘线加大2/1000校对基础直径,然后每隔1米测其标高及基础表面凸凹度,用3米以上直线板靠量,超差部位做出标记,做好记录经建设单位代表同意后,高出部位铲平,凹陷部位可用炒沥青砂填补,符合要求后方可施工。
七、预制1、水槽底板:底部下料依据图纸的排板图进行排板,如进场钢板与图不符时,应重新绘制排板图。
外圈板Φ26620/Φ22940㎜δ=8㎜;中幅板Φ23060㎜δ=6㎜;垫板-40×4㎜。
预制前按排板图在板材上标出中心线、搭接线及安装顺序和方向。
预制后的每块板几何尺寸必须保持准确,其尺寸允差应符合规范的要求。
下料时底板圆的直径应按设计直径加大2/1000。
小块板(中幅板)之间的对接焊缝需进行煤油渗透试验,检验其严密性,检验合格后再拼成大块板。
对接焊缝带垫板的,可将扁钢在预制时点在其中一块板上。
2、水槽壁板预制:水槽壁板预制前要详细检查板材的外观质量、长宽尺寸,预制滚圆前必须经过规方处理,并按实际尺寸绘制排板图,排板图焊缝要统筹考虑,下料、齐板与断板要用半自动切割器进行,坡口要符合图纸要求,割后焊接面要用手砂轮和角向磨光机,除去氧化铁,磨至露出金属光泽为止,滚板时板头必须带好,符合壁板弧度要求,方可进行滚弧,并要随时用样板检查,滚后的板堆放和运输要用道木按弧度垫好,避免贮运产生变形。
3、导轨预制:直升气柜的内外导轨在下料前应进行条直内导轨预制后纵向弯曲全长不得超过3㎜,外导轨预制后纵向弯曲全长不得超过5㎜。
4、钟罩顶梁预制:钟罩顶梁的径向梁,应用型钢卷制机卷制成型卷制避免侧向弯曲,初步形成后,应放到平台上放样校正其弧度和平整度。
不附样处应做出标记,重新调整,直至符合设计要求为准。
中环型钢圈可在滚机上滚制,顶环角钢应按图纸放样做出一劈八字胎具,角钢用烘炉加热人工劈制,横梁、连接板等单体构件按图纸要求下料钻孔。
5、水封挂圈预制:上下水封环为[280×82×7.5槽钢与钢板焊接而成,槽钢需煨制成型,煨制方法与钟罩顶梁方法相同。
顶煨时要随时用样板测量检查,半成品制件要用平台实样检查,弧度与样线间隙不应大于3㎜,其翘曲每8米,不应超过5㎜。
水封带板与立板均应按排板图下料,环形槽钢接头与带板头错开不应小于200㎜,立板上的螺栓孔应在滚弧前钻制,预制完沿各塔边线按顺序放好。
八、气柜组装与焊接本气柜采用倒装法施工,即由里往外进行,先施工钟罩,塔节2塔节1最后施工水槽。
施工时先装最上面的带板,然后由上而下逐圈组装焊接,壁板全部组装焊接后,安装下水封,立柱,上水封环形板和导轨。
为了安装方便,钟罩和塔节在安装内导轨后宜提升至适宜高度,待水槽壁板焊完后再复位。
1、底板敷设:(1)水槽底板安装。
按照基础十字中心线和底板外圆边线和排板图规定的合格大块,由中心向外逐块铺设。
吊装和焊接顺序是中心定位板及中间的一行幅板,然后分别向两边铺设,调整完毕可先进行板间的横缝焊接,再进行板间的纵缝焊接,切去周围余量,再铺设其余底板及外边板。
外边板宜先由外起焊,焊至底板至外边板焊缝100㎜停焊,待水槽壁与底板连接焊接焊缝焊毕后再补焊。
外边板与幅板为搭接焊缝,此环缝亦要在壁板与底板焊后进行焊接。
为不影响划线的准确性,可先将腹板与边板点焊上,待焊接水槽壁板与底板连接焊缝前将焊处铲开。
底板焊接时,焊工要均匀分布,对称施焊,采用小电流小直径焊条分段退焊,为减少变形焊前应在距焊缝200㎜处用配重或其它重物压上。
焊接完毕底板不平度不应大于50㎜,对于底板基础没挨实处要充灌干黄砂,砂粒要在4㎜以下,填砂要用压缩空气充实,填好后底板开孔应用不薄于底板厚度的钢板补焊上。
对没做透油试验的焊缝均要做真空试验,真空度为27Kpa,以皂沫无汽泡为合格。
(2)底板画线。
找出通过圆心的中心线,打上冲眼并用铅油做出明显标记,以中心线交点为圆心,划出水槽、中节、钟罩带板的内壁圆弧线及安装基准线,打上冲眼,并用不同颜色铅油分别做出水槽、中节、钟罩、各圆弧线的标记。
分别划出垫枕、各塔立柱的位置线且打出冲眼,标出各自的标志。
2、顶梁安装(1)在底板上中罩位置线上先点一圈刀把铁,使刀把铁的缺口对决中罩中心线。
(2)组装钟罩上带板和八字角钢的组对,再安装顶梁。
(3)做一临时中心固定支架,固定支架由[10和∠75×75×7的角钢焊接而成,且要保证具有足够的刚度和强度。
(4)将顶梁的中心环吊起,要准确确定中心环的中心与底板上的中心点在同一铅垂线上,定好中心后,将中心环固定在中点固定支架上,防止安装时由于碰撞产生位移,顶梁中心标高定位时要比设计标高高出50~100㎜,以做为中心支架撤除时顶梁中心下垂的余量。
(5)主梁安装时应对称安装。
(6)骨架组装后各对称梁必须成一条直线,在环处的直度偏差不得超过10㎜。
梁的弯曲弧度应符合设计图纸的要求,各连接点必须按图施工。
所有主梁和横梁及斜撑定位后,应进行检查校验。
无问题方可进行整体焊接。
(7)拱顶盖板组装时应先组装边缘的环形板,焊接完成后再组装中间薄板。
大片的扇形中间薄板的焊接应先焊径向焊缝,后焊与环形板连接的焊缝。
中部条形薄板的焊接应先焊条板的短缝,后焊条板间的长缝,最后焊接与边缘环形板的连接环缝。
3、钟罩和中节的组装(1)钟罩和中节在带板组装前应沿底板所划园周线上均匀的布置定位用的刀把铁,组装第一代板时应紧贴在定位的刀把铁缺口上,为减少焊接变形,可用弧形板对带板进行临时加固。