接触职业病危害因素汇总表.docx
- 格式:docx
- 大小:87.73 KB
- 文档页数:8
精品文档接触职业病危害因素汇总表
序
岗位人数接触
部门(工段)危害来源
号时间
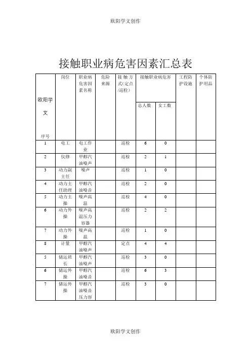
1制造部喷砂工岗48设备运行时产生的粉尘与噪音危害因素工程防护设施个体防护用品
铝尘(铝、
氧化铝、
除尘系统口罩、耳塞铝合金粉
尘)、噪音
2制造部粘碳岗88设备运行时产生的粉尘与噪音
其他粉
口罩、耳塞尘、噪声
3制造部磨配组装
88设备运行时产生的噪音噪声耳塞岗
4制造部冲压岗208设备运行时产生的噪音噪声耳塞
5制造部冲碳条岗18设备运行时产生的粉尘与噪音
其他粉
口罩、耳塞尘、噪声
6制造部检包岗58设备运行时产生的噪音噪声耳塞
序
部门(工段)岗位人数接触
危害来源危害因素工程防护设施个体防护用品
号时间
7制造部光饰清洗
18设备运行噪音噪声耳塞岗
8制造部加工中心
28设备运行噪音噪声耳塞岗
9制造部磨床岗28设备运行噪音噪声耳塞10制造部电火花岗28设备运行噪音噪声耳塞11制造部线切割岗48设备运行时产生的噪音噪声耳塞12制造部机加岗48设备运行时产生的噪音噪声耳塞
序
部门(工段)岗位人数接触
危害来源危害因素工程防护设施个体防护用品
号时间
13制造部磨削岗28设备运行时产生的噪音噪声耳塞14制造部钳工岗48设备运行时产生的噪音噪声耳塞
15制造部中间环机
128设备运行时产生的噪音噪声耳塞加岗
渗碳岗
一氧化
16制造部(连续38设备运行时使用辅料产与噪音废气处理系统口罩、耳塞
碳、噪声
炉)
17制造部锻压岗248设备运行时产生的粉尘与噪音
其他粉
废气处理系统口罩、耳塞尘、噪声
18制造部冲压岗88设备运行时产生的噪音噪声耳塞
序
部门(工段)号
19制造部20制造部21制造部22制造部23制造部
岗位人数
接触
危害来源
时间
热前机加
288设备运行时产生的粉尘与噪音
岗
去毛刺作
28设备运行时使用辅料与噪音
业位
超声波清
28设备运行时使用辅料与噪音
洗岗
渗碳岗
(渗碳48设备运行时使用辅料与噪音
炉)
渗氮岗28设备运行时使用辅料与噪音
精品文档
危害因素工程防护设施个体防护用品
其他粉
口罩、耳塞
尘、噪声
氢氧化
口罩、耳塞
钠、噪声
一氧化
口罩、耳塞
碳、噪声
氨气、噪
口罩、耳塞
废气处理系统
声
一氧化
碳、甲醇、口罩、耳塞
噪音
其他粉
24制造部压淬岗88设备运行时产生的粉尘与噪音废气处理系统口罩、耳塞
尘、噪音
精品文档
序
部门(工段)岗位人数接触
危害来源危害因素工程防护设施个体防护用品
号时间
25制造部抛丸岗28设备运行时产生的噪音噪声废气处理系统耳塞26制造部研磨岗28设备运行时产生的噪音噪声耳塞27制造部喷钼岗188设备运行时产生的噪音噪声耳塞
28制造部热后机加
108设备运行时使用辅料与噪音
氢氧化
口罩、耳塞岗钠、噪音
29制造部清洗包装
48设备运行时产生的噪音噪声耳塞岗
30制造部高铁机加
28设备运行时产生的噪音噪声耳塞岗
序
岗位人数接触
部门(工段)危害来源号时间
1
检验包装
8
制造部10设备运行时产生的粉尘与噪音岗
编制 : 赖金勇审核(签名):
精品文档危害因素工程防护设施个体防护用品
铝尘(铝、
氧化铝、
口罩、耳塞
铝合金粉
尘)、噪音
编制日期: 2018 年 1 月 20 日
接触职业病危害因素汇总表
序
部门(工段)岗位人数接触
危害因素工程防护设施个体防护用品
号
危害来源
时间
工作服 2 套/ 年、防砸鞋 1 双
1数控工段机加岗70
作业人员操作数控机床进行工件加工,根据加工噪声、其复材铣床除尘装/2 年、布手套 4 双 / 月、防7h
他粉尘置尘口罩 6 个/ 月、防噪耳塞 1要求设置程序,调整刀具。
副/ 月、防护眼镜 2副 / 年
岗位人数危害来源危害因素工程防护设施个体防护用品部门(工段)
时间
号
工作服 2 套/ 年、防砸鞋 1 双
作业人员对工件进行打孔、砂轮打磨,然后将工噪声、砂/2 年、布手套 4 双 / 月、线
2装配岗607h手套 4 双/ 月、防尘口罩 4 个
件组装成半成品。
轮磨尘
装配工段/ 月、防噪耳塞 1 副 / 月、防
护眼镜2副/年
刷漆岗26h刷漆岗作业人员在刷漆间内进行手工刷漆。
苯、二甲
防尘口罩
苯
工作服 2 套/ 年、防砸鞋 1 双
作业人员操作液压机对工件进行修整,使用手持/2 年、布手套 5 双 / 月、线
3调试岗677h噪声手套 5 双/ 月、防尘口罩 4 个
工具进行调试。
/ 月、防噪耳塞 1 副 / 月、防
护眼镜2副/年
调试工段电焊烟
工作服 2 套/ 年、防砸鞋 1 双尘、电焊
/2 年、布手套 4 双 / 月、线弧光、一移动式电焊烟尘
手套 4双 / 月、焊工手套 1 双
4焊接岗55h作业人员使用氩弧焊机对半成品进行焊接作业。
氧化碳、净化器、移动式
/ 月、防尘口罩 4 个 / 月、纱
二氧化筒式烟尘净化器
手套 2双 / 月、电焊面罩 1 个
氮、锰及
(以旧换新)
其化合物
工作服 2 套/ 年、防砸鞋 1 双
5机加岗637h 作业人员操作数控机床进行工件加工,根据加工噪声、铝机床自带吸尘系/2 年、布手套 4 双 / 月、防要求设置程序,调整刀具。
合金粉尘统尘口罩 6 个/ 月、防噪耳塞 1
副/ 月、防护眼镜 2副 / 年
制造四部工作服 2 套/ 年、防砸鞋 1 双
作业人员使用手持工具对铝合金工件进行打磨、噪声、铝/2 年、线手套 10 双 / 月、防
6打磨岗84h脉冲布袋除尘器尘服 2 套 / 月、专用防尘口罩
抛光。
合金粉尘
1 个 / 月、专用防尘滤芯8 个
/ 月、防噪耳罩 2 个 / 年、
部门(工段)
岗位
人数
危害因素
工程防护设施
个体防护用品
号
危害来源
时间
工作服 2 套/ 年、防砸鞋 1 双
作业人员使用手持工具对装配后的半成品进行
/2 年、布手套 5 双 / 月、线 7
调试岗
11
噪声
手套 5 双/ 月、防尘口罩 4 个
7h
物理调试,使之符合产品要求
/ 月、防噪耳塞 1 副 / 月、防
护眼镜
2副/年
工作服 2 套/ 年、防砸鞋 1 双 8
质量部
检验岗
22
检验人员利用计算机全自动检测产品是否达到 —
/2 年、布手套 1 双 / 月、线
5h
手套 1 双 / 月、防尘口罩 1 个
相关要求。
/ 月、纱手套 4 双/ 月
9
设计部
编程岗
110 设计人员使用计算机设计产品加工工艺方案, 数
7h
—
控编程。
编制 :
审核(签名):
编制日期:
年 月 日。