压裂-工程技术试题(管理岗)
- 格式:doc
- 大小:50.00 KB
- 文档页数:7
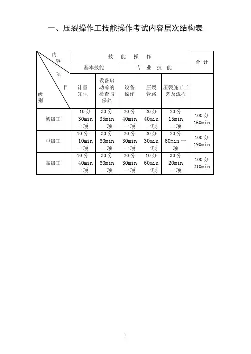
一、压裂操作工技能操作考试内容层次结构表内容项目级别技能操作合计基本技能专业技能计量知识设备启动前的检查与保养设备操作压裂管路压裂施工工艺及流程初级工10分30min一项30分35min一项20分40min一项20分40min一项20分15min一项100分160min中级工10分10min一项30分60min一项20分30min一项20分30min一项20分60min一项100分190min高级工10分40min一项30分60min一项20分30min一项10分60min一项30分20min一项100分210min二、压裂操作工技能操作鉴定要素细目表职业:工种:压裂操作工等级:初级工鉴定方式:技能操作操作技能鉴定范围鉴定点重要程度一级二级代码试题名称代码名称鉴定比重代码名称鉴定比重A基本技能40%A计量知识10%001 广泛PH试纸使用Y002 游标卡尺的基本应用Y B设备的检查与保养30%001 压裂车启动前巡回检查X002 压裂泵柴油机启动前检查X003 更换配液泵盘根Z004 泵柱塞的拆装检查Y005 泵阀座的拆装检查Y006 机油油质检查X B专业技能60%A设备操作20%001 压裂泵动转操作Y002 混砂车运转操作X B压裂管路20%001 连接压裂施工高压管线X002 拆装高压弯头Y C压裂施工工艺及流程20%001 压裂车台上引擎启动Y002 压裂井口流程连接Z003 认识井身结构ZX—核心要素;Y—一般要素;Z—辅助要素。
初级压裂操作工技能考核试题试题名称:AA001广泛PH试纸的使用一、准备要求1、材料准备序号名称规格数量备注1 试纸本广泛一本2 烧杯200ML 三个3 溶液100ML 三种酸、碱、水2、考场准备(1)考场安排在配液站化验室内;(2)考场要清洁规范,光线充足,无干扰;(3)安全设施齐全。
二、操作程序规定说明1、取出试本,先检查日期是否还在有效期限内;2、检查PH值标准比色板是否脱落;3、撕一条试纸,浸入欲测溶液中;4、半秒钟后取出试纸,与比色板对照;5、正确读出溶液的PH值,并判断该溶液的酸碱性。
承包商及管理人员培训考试试卷单位:姓名:成绩:一、单选选择题:(每题2分;共10分)1、安全措施中应规定动火过程中的气体检测时间和频次不大于( )小时/次。
若采取强制通风措施,其风向应与自然风向一致;A、30分钟B、1小时C、2小时D、3小时2、对施工现场保护接零工作,叙述错误的是()。
A、施工现场的电气系统严禁利用大地作相线或零线B、保护零线可以兼作他用C、保护接零不得装设开关或熔断器D、重复接地线应于保护接零线相连接3、超过()的临时用电,不能按照临时用电规范进行管理,应按照相关工程设计规范配置线路。
A、24小时B、15天C、1个月D、6个月4、动火时,距离动火点()米内不准有液态烃或低闪点油品泄漏。
A、10B、15C、20D、305、高处作业是指在坠落高度基准面()m以上位置进行的作业。
A、10B、5C、3D、2二、多选题(每题2分;共10分)1、下列哪些属于作业许可管理的四个环节?A、作业申请B、作业审批C、作业实施D、现场检查2、按照动火作业分级管理要求,动火作业分为()分级审批。
A、特级动火作业B、一级动火作业C、二级动火作业D、三级动火作业3、当发生下列哪些情况时,作业批准人有权立即中止作业,取消相关许可证?A、作业环境和条件发生变化而影响到作业安全时B、作业内容发生改变C、实际作业与作业计划的要求发生重大偏离D、发现有可能发生立即危及生命的违章行为4、属地主管单位和作业单位应严格落实风险削减措施。
需要系统隔离时,应进行系统(),交叉作业时需考虑区域隔离。
A、隔离B、吹扫C、置换D、蒸煮5下列哪些作业属于动火作业?A、磨光机B、砂轮机C、喷砂D、爆破三、判断题(每题2分;共30分)1、凡是没有办理动火作业许可票,未指定现场动火双方监护人,没有落实安全措施,或安全措施有变动且未经批准的,禁止动火。
2、作业许可管理应遵循落实直线责任和属地管理的原则,以工作前安全分析为基础,落实安全措施,防止事故发生。
南阳特种作业工程部压裂队员工考试题姓名:工种:分数一、单项选择题(20分)1、中国石化2015年安全活动主题是()活动。
A:“我要安全”; B:“我会安全”;C:“我能安全”; D:“我为安全作诊断”。
2、《安全生产法》所指的危险物品包括()。
A:易燃易爆物品、危险化学品、放射性物品; B:枪支弹药;C:高压气瓶、手持电动工具; D:大型机械设备。
3、《安全生产法》的规定:从业人员发现事故隐患或者其他不安全因素,应当()处理。
A:立即停止作业; B:告诉工友注意安全继续作业;C:自己想办法排除隐患; D:立即向现场安全生产管理人员或者本单位负责人报告。
4、“雨季八防”即:防触电雷击、防中暑()防淹溺、防洪汛、防倒塌、防车祸、防中毒。
A:防火灾; B:防挤手; C:防工伤事故; D:坠落。
5、施工现场的“低老坏”是指()、老毛病、坏习惯。
A:低水平; B:低质量; C:低效益; D:低标准。
6、新入厂员工要求接受厂(矿)、车间(队)、()三级安全教育。
A:班组; B:师傅; C:队干部; D:安全员。
7、“三违”是指违章指挥,违章作业和违反()。
A:劳动纪律; B:操作规程; C:管理规定; D:上级命令。
8、违反()规定,构成犯罪的,依法追究刑事责任。
A:安全法; B:新环境保护法; C:企业标准; D:企业规定。
9、压裂井口安装放喷管线,朝向避开压裂施工区域、每间隔()和出口处用地锚固定,放空管线畅通。
不得加装小于120o的弯头。
A:5m; B:6m; C:8m; D:10m。
10、压裂应以施工井口10 m为半径,沿泵车出口至施工井井口地面流程两侧10m 为边界,设定为高压危险区。
高压危险区使用专用安全警示线(带)围栏,高度为()m。
A:0.3-0.5m; B:0.5-0.8m; C:0.9-1.0m; D:0.8-1.2m。
二、多项选择题(20分)1、HSE 是指()与环境。
A:健康; B:安全; C:人文; D:地理。
压裂题库一、填空题1、压裂过程中地面产生的压力,通过作用施加于地层。
2、压裂后在储层中形成了一条或数条较高、比原始地层的渗透率更高的,大大改变了流体在井底附近地层的流动状况,使井底的产量成倍提高。
3、压裂设备包括、、、、、、及等。
4、压裂液按不同施工阶段起着不同的作用,分为、、和。
5、混砂车的主要设备是,是和配比混合器。
6、压裂车主要由、、和等四大部分组成。
7、我国把每年的月份定为全国安全生产月,今年安全生产月的主题是“、”。
8、支撑剂的作用:在裂缝中沉积排列后支撑;增大孔隙度,提高,使裂缝具有较高的;扩大气流通道,减少流体的,达到增产目的。
9、常规泵送装置有三个主要组成部分:动力机组、、和。
10. 压开煤层时井底的压力称为煤层压力。
11. 携砂液的作用是将带入裂缝,并将支撑剂充填到预定位置。
同时,携砂液也具有、和的作用。
12. 压裂液的主要作用是将地面设备的能量传递到储层的岩石上,将岩石劈开,再把带到裂缝中铺设形成砂堤,泄压后经一定时间,压裂液在破胶剂和地温作用下变成低粘度液体返排出井筒。
13. 砂堵是由于加砂过程中过大,加砂过猛,或混入脏物,压裂液变质。
压裂过程中泵车突然发生故障造成下沉,堵住及,造成压裂返工。
14. 煤层压不开裂缝的原因有:煤层很差或有严重堵塞,__小;质量差,炮眼没射穿或炮眼被水污染,与煤层连通不好;深度计算有误,卡点位置不对。
15. 支撑剂回流:当井在压裂施工后排液时,液体偶尔携带少量支撑剂返回到地面,这些支撑剂侵蚀了和。
有时候液体未能将支撑剂携带到地面,支撑剂沉降在井筒中,可能偶尔掩埋了大部分,这样就限制了产量,需要进行作业。
16. 防止支撑剂回流最简单的办法是在排液之前保证。
17. 刺漏事故指地面部分的、、闸门等部件的刺漏。
18. 在压裂中,压裂液从液罐中被吸入,然后被泵入管汇低压部分,再经管汇被吸入,经加压后泵入高压部分,然后泵入压裂井中。
19. 是压裂施工的心脏,现场要有备用,以便发生问题时,支撑剂的输送能在短时间内从一台转换到备用的,以便不会使压裂液的泵入过程停止。
压裂专业■安全基础知识一、选择题1.受限空间作业,发生人员中毒、窒息的紧急情况,抢救人员必须佩戴()进入受限空间,严禁无防护救援,并至少有1人在受限外部负责联络工作。
[单选题]*防粉尘口罩折叠简易型半面罩有毒有害气体检测器隔离式防护面具V2.压裂施工时加砂工序是关键,砂比控制一般应该遵循(\ [单选题]*先大后小知My前后T能小则小3.吊装指挥人员必须按()进行中髀,其他操作人员应清楚吊装中髀信号。
[单选题]*双方约定好的手势信号双方约定好的灯光信号规定的起重指挥手势信号V规定的起重指挥灯光信号4.压裂车司机驾驶车辆应做到“四不"是指:()[单选题]*不违反信号,不争道抢行,不乱停乱放,不随意拐弯不违反指示,不争道抢行,不乱停乱放,不随意拐弯;不违反信号,不争道抢行,不乱停乱放,不随意变道;√不违反指示,不争道抢行,不乱停乱放,不随意变道;5.压裂施工前最先进行的是(\[单选题]*试压循环走泵V洗井注前置液6.做心肺复苏时胸外按压的频率应为()次/分。
[单选题]*60-7080-100120100-120√7.距压裂井口、管线、管汇,向外至少()区域设立警戒线,除参加施工的直接作业人员外,其他所有无关人员严禁跨越警戒线。
[单选题]*5米6米8米10米V8.压裂设备中,()含有放射性物质。
[单选题]*混砂车密度计V压裂车大泵混砂车流量计压力传感器9.受限空间作业应使用安全电压和安全行灯。
进入金属容器(炉、塔、釜、罐等)和特别潮湿、工作场地狭窄的非金属容器内作业,照明电压不大于(1 [单选题]*12V√24V36V48V10.禁止驾驶员疲劳驾车。
驾驶员连续长途驾车超过()应停车休息。
[单选题]*3小时4小时√5小时6小时11.在压裂施工中,仪表显示排量与实际排量有较大出入时,应检查混砂车的(\ [单选题]*吸入泵排出泵流量计V供液管线12.两台或多台起重机械吊运同一重物时,升降、运行应保持同步;各台起重机械所承受的载荷不得超过各自额定起重能力的()%0 [单选题]*8580√757013.被吊物就位时,首先使用牵引绳或推拉杆就位,确需用人力的,应在吊物距离基准面不超过()米的条件下,确保人员处于安全状态下,方可用身体的某部位接触吊物辅助就位。
一、填空1、水力压裂液包括水基压裂液、油基压裂液、泡沫压裂液、清洁胶束压裂液、乳化压裂液、醇基压裂液和酸基压裂液;2、水基压裂液添加剂包括稠化剂、交联剂、破胶剂、助排剂、粘土稳定剂、PH值调节剂、杀菌剂、破乳剂、降滤失剂和其他辅助性添加剂;3、支撑剂的类型包括天然石英砂和人造陶粒两大类型;4、酸处理的分类包括基质酸化、酸洗和酸压;5、碎屑岩常见的矿物成分有氧化硅(石英)、硅酸盐(长石和粘土)和其他碎屑;6、常用酸液主要分为两大类:无机酸和有机酸,其中无机酸有盐酸、氢氟酸、氟硼酸、磷酸、硝酸粉末和硫酸;有机酸主要有甲酸和乙酸;7、选择酸液需要考虑的因素有伤害类型、储层矿物成分及储层物性、储层的温度压力、储层流体性质和与原油的配伍性;8、油井堵水技术根据所使用的工具及材料的不同可分为机械堵水和化学堵水。
9、堵水调剖剂的分类包括沉淀型无机盐类堵水调剖剂、凝胶类堵水调剖剂、颗粒类堵水调剖剂、树脂类堵水调剖剂、微生物堵水调剖剂和选择性堵水剂类;10、自喷井机械清蜡的设备包括机械刮蜡设备和机械清蜡设备;11、机械刮蜡设备由绞车、钢丝、扒杆、滑轮、防喷盒、防喷管、钢丝封井器、刮蜡片和铅锤。
12、化学清蜡剂的类型有油溶型清蜡剂、水溶型清蜡剂和乳液型清蜡剂;13、油井的腐蚀主要是由CO2腐蚀和H2S腐蚀。
14、目前抽油井防(清)蜡的措施主要有:涂料油管防蜡、化学药剂防蜡、热油循环清蜡、热水循环清蜡、定期起油管清蜡、磁防蜡。
15、化学防蜡与机械清蜡、热油熔蜡相比,不仅能大幅度的延长清蜡周期,增加原油产量,而且可减轻工人劳动强度,节省投资,降低清蜡费用,提高劳动生产率和油田管理水平。
特别是所用的防蜡剂选择得当时,常能收到既防蜡,又降粘、防垢、防腐蚀、破乳脱水等效果,其经济效益就更可观。
16、油嘴是起着控制油井生产的作用。
改变油嘴的大小,就可以控制和调节油井生产压差和产量。
17、注水采油时最常碰到的盐垢是碳酸钙垢和硫酸钙垢,另外还有硫酸钡垢和硫酸锶垢。
高级压裂操作工题库
26-1-8
问题:
[问答题,简答题]计算题:某井压裂设计加砂40m3,第一阶段10%的砂比加砂5m3,第二阶段20%的砂比加砂10m3,25%的砂比加砂10m3,35%的砂比加砂7m3,40%的砂比把剩余砂加完,求总的携砂液用量?
问题:
[问答题,简答题]计算题:某井压裂加砂60方,平均砂比为30%,设计前置液为120方,顶替液为40方,按设计用量的1.2倍备液,求总的设备液量?
问题:
[单选]压裂施工,砂比控制一般应()。
A.先小后大
B.先大后小
C.能大则大
D.能小则小
/ 郑多燕瘦腿
问题:
[单选]体积砂比是一个没有()的量。
A.单位
B.系数
C.大小
D.小数
问题:
[单选]净砂比是单位时间内的视体积与加砂时间地面液体排量的()。
A.和
B.差值
C.乘积
D.比值
问题:
[单选]含砂比是单位时间内的加砂体积与混砂液地面排量的()。
A.和
B.差值
C.乘积
D.比值
问题:
[问答题,简答题]计算题:在某井的压裂施工中,共用4罐原胶,每罐为40方,前置液需用原胶40方,携砂液排量为3方分,为了使30方砂子全部加入地层,施工中砂比至少是多少?携砂液共需多少时间打完?(原胶全部用完)。
压裂试题一、选择题1.压裂作业前,需对高压部件使用( B )试压,稳压10分钟合格后方可施工。
A.柴油B.清水C.酸液D.原油2.酸化压裂泵的防高压安全保护部件是( C )。
A.空气包B.皮带护罩C.安全阀D.喷淋泵3.作业中试压时应通知( D )A.所有人员B.试压时间C.试压地点D.以上皆是4.下列对配置压裂液描述不正确的是( B )A. 广播通知所有人员,现场设置警戒绳B. 人员站下风口C. 现场配备长流淡水和急救包D. 人员穿上防护服5.电加热搅拌罐在罐内无水时( B )启动电加热系统A. 可以B. 不可以C. 视具体情况D. 以上皆不对6.压裂施工排量越大,射孔孔眼产生的摩阻 C 井底压力越高。
A)越小 B)不变 C)越大 D)越小或不变7.下列哪项压力(P代表压力)等级范围属于高压等级( C )A. 0.1Mpa≤P<1.57Mpa B. 1.57Mpa≤P<9.81MpaC. 9.81Mpa≤P<98.1MpaD. P≥98.1Mpa8.压裂作业时安全阀应安装在( C )。
A.低压流程中B.泵头放压处C.泵头高压流程出口处D.排出管线的任何位置9.在压裂施工中高压管汇、管线、井口装置等部位发生刺漏应在( B )后处理,不能带压操作A. 关井、停泵、卸压B. 停泵、关井、卸压C. 停泵、卸压、关井D. 关井、卸压、停泵10.下列对进行压裂施工描述不正确的是( A )A. 发现管线接头泄漏应立即用榔头砸紧B. 应有专人负责巡视管线以及井口C. 无关人员远离作业现场D. 以上皆正确11.压裂泵的压力仪表应( B )标定一次,以保证其灵敏、准确。
A. 每个月B. 每年C. 每天D. 每季度12.压裂液的携砂性能与 A 有关,其值越大,携砂能力越强。
A)自身粘度、密度 B)地层压力、致密程度 C)施工泵压 D)加砂量的大小13.电机离心泵在未通水时,( A )启动或点动,否则会导致密封损坏。
工程技术试题(管理人员)填空题部分1.破裂压力计算:直井:瞬时停泵压力+(射孔底界—射孔顶界)/2*100 、水平井:瞬时停泵压力+垂深、2.如井下有封隔器,压裂时套管平衡压力一般采用地面泵压的1/3~1/5。
3.常用压裂管柱的规格:(1) 73mm(2½in )油管:外径73mm ,内径62mm 。
内容积3.019L/m ,外容积4.185 L/m 。
(2)89mm(3in )油管:外径88.9mm ,内径76mm 。
内容积4.536L/m ,外容积6.207 L/m 。
4.对于任意时间段的混砂比,可通过下式计算得出:平均混砂比=砂量时间排量砂量*64.0* % ,该式为石英砂(密度1.67×103Kg/m)混砂比计算公式,如果为其它支撑剂,则视其密度,式中系数作相应变化。
5.原地层的渗透率与有效厚度的乘积称为地层系数。
6.喷砂器的作用:向地层喷砂液,造成节流压差,保证封隔器所需的坐封压力。
7.压力系数是指某地层深度的地层压力与该深度的静水柱压力之比。
8.在进行井下作业时,压井液压力的下限要能够保持与地层压力平衡,而其上限则不应超过地层的破裂压力以避免压裂地层造成井喷。
9.理想的压裂液必须具有多种用途并满足以下条件:低滤失性,携砂性,降阻性,稳定性,配伍性,低残渣,易返排。
10.施工时液体的流动过程:压裂液罐-混砂装置-压裂泵车-管汇-地面管线-井口-井下管线-喷砂器-油套环空-射孔炮眼-地层。
11.地质构造的基本类型有四类:水平构造、倾斜构造、褶皱构造和断裂构造。
12.天然石油是从油、气田中开采出来的;人造石油是从煤或油页岩等干馏出来的。
13.根据圈闭的成因,圈闭分为构造圈闭、地层圈闭、岩性圈闭等。
14.一个油气藏必须具备两个基本条件:同一圈闭内油气聚集;具有统一的压力系统。
15.大庆长垣的原油属于石蜡基原油,含蜡量达20%~30%,凝固点为23~32℃,含硫量低,一般小于0.1%。
压裂题库一、填空题1、压裂过程中地面_______________ 产生的压力,通过_____________ 作用施加于地层。
2、压裂后在储层中形成了一条或数条______________ 较高、比原始地层的渗透率更高的_______________ ,大大改变了流体在井底附近地层的流动状况,使井底的产量成倍提高。
3、压裂设备包括_________ 、_____ 、 ______ 、_______ 、 _______ 、________ 、及_______ 等。
4、压裂液按不同施工阶段起着不同的作用,分为__________________ 、 _____ 、和_______ O5、混砂车的主要设备是 _____________ ,是_______________ 和_____________ 配比混合器。
6、压裂车主要由_____________ 、 _________ 、 __________ 和 ___________ 等四大部分组成。
7、我国把每年的_________ 月份定为全国安全生产月,今年安全生产月的主题是“___________ 、_____________ ”。
8、支撑剂的作用:在裂缝中沉积排列后支撑 _________________ ;增大孔隙度,提高 ________ ,使裂缝具有较高的________________ ;扩大气流通道,减少流体的 _____________ ,达到增产目的。
9、常规泵送装置有三个主要组成部分:动力机组、________________________ 、和___________ O10.压开煤层时井底的压力称为煤层__________________ 压力。
11.携砂液的作用是将 ______________ 带入裂缝,并将支撑剂充填到预定位置。
同时,携砂液也具有 ____________ 、________ 和__________ 的作用。
压裂操作工技能操作考试内容层次结构表内容项目级别操作技能合计基本技能专业技能相关技能初级选考方式任选一项任选一项二项鉴定比重(%)50 50 100考试时间5-35min 8-40min 13-75min 考核形式实操实操、模拟中级选考方式任选一项任选一项任选一项三项鉴定比重(%)40 40 20 100考试时间10-60min 10-65min 10-15min 30-140min 考核形式实操实操、模拟实操、模拟高级选考方式任选一项任选一项任选一项三项鉴定比重(%)40 40 20 100考试时间15-55min 35-65min 13-45min 53-165min 考核形式实操实操、模拟、笔试实操、模拟、笔试压裂操作工(高级)操作技能鉴定要素细目表鉴定范围鉴定点重要程度备注一级二级比重选考方式A操作技能100% A 基本技能40 任选一种001检查运转中的大泵X 实操002 检查压裂泵工作前的准备事项X 实操003 用检测滤纸检查机油油质X 实操004 启动操作台上引擎X 实操005 倒换井口阀门Y 实操006 检查压裂车台上引擎运行参数Z 实操007 连接仪表车数据电缆线Y 实操B 专业技能40 任选一种001 检查与保养流量计Y 实操002 更换五缸泵柱塞连杆Y 实操003 更换压裂泵柱塞盘根Y 实操004 保养高压活动弯头X 实操005书写压裂设备管理的术语X 笔试C 相关技能20任选一种001 解释井深结构图Y 实操002 把四只12V电瓶连接成24V Y 实操003用万用表测量电压、电流、电阻Y 实操004处理解决压裂液的常见问题Y 笔试X—核心要素 Y—一般要素 Z—辅助要素一、压裂操作工高级AA001本鉴定点下共有1道考核试题。
[试题1] 检查运转中的压裂泵考场准备:1、设备准备序号名称规格单位数量备注1 正运转正常的压裂车 12、材料准备序号名称规格单位数量备注1 清洁材料和用品若干鉴定站准备考生准备:1、工具、用具准备序号名称规格单位数量备注1 起子10寸把 1考核内容:1、操作程序的规定及说明(1)检查大泵是否晃动(2)检查大泵动力端是否有异常响声(3)检查大泵油量是否正常(4)检查大泵油压及油温是否正常(5)检查液力端油压是否正常(6)检查柱塞润滑油油箱是否溢水(7)检查是否有漏油发生(8)安全作业、文明生产2、考核时间(1)准备工作3min(2)正式操作30min(3)计时从正式操作开始,至操作完毕结束,每超过2min从总分中扣5分,超过7min停止操作高级压裂工操作技能考核评分记录表试题名称:检查运转中的压裂泵考核时间:30min序号考试内容评分要素配分评分标准最大扣分步长检测结果扣分得分备注1 准备工作棉纱、起子等工具、材料准备5工具准备少一件扣1分5 12 空泵运转看大泵是否晃动15看不出空泵扣15分15 153 异响听动力端是否异响20 没有借助工具听扣10分10 10 没有做出判断者扣10分10 104 油量大泵油压是否正常10 未观察扣7分7 7 观察判断不准扣3分3 35 油压油温大泵油压油温是否正常10未观察扣7分7 7观察判断不准扣3分3 36 油压液力端油压是否正常10 未观察扣7分7 7观察判断不准扣3分3 37 溢水柱塞润滑油箱溢水20 未检查润滑油箱溢水扣10分10 10 若溢水判断不准扣10分10 108 漏油各部位是否漏油10 漏油部位判断不准扣10分10 106 安全文明生产清点工具,清理现场从总分中扣除未清理工具、现场扣5分5 5劳保用品穿戴齐全、正确劳保穿戴不齐整不得进入现场遵守相关安全操作规程违反操作规程终止操作▲在规定时限内完成每超1min从总分中扣5分,超时3min终止操作15 5合计100二、压裂操作工高级AA002本鉴定点下共有1道考核试题。
职业技能《压裂操作工.高级》技术知识考试题与答案目录简介一、单选题:共126题二、判断题:共66题一、单选题1、汽车轮在地面转动时产生的磨擦是()磨擦。
A.滑动B.边界C.混合D.滚动正确答案:D2、在压裂大泵柱塞润滑油中发现压裂液的原因是()。
A.大泵低压堵头漏B.柱塞盘根漏C.动力端油封漏D.凡尔头坏正确答案:B3、根据两断层()的关系,一般将断层分为正断层、逆断层及平移断层。
A.左右移动B.上下移动C.相对移动D.绝对移动正确答案:C4、变速箱任何档均不工作,可能由于()造成。
A.润滑油油面低B.离合器打滑C.变速箱油温高D.变速箱油温低正确答案:B5、关于压裂酸化的效果,正确的是:()。
A.压裂酸化的效果一定比压裂效果好B.压裂酸化的效果一定比气举效果好C.压裂酸化的效果与地层有关D.压裂酸化的效果一定比注水效果好正确答案:C6、目前,通常使用的压裂液,就其组成和性质来说, 属于()压裂液。
A.水基B.油基C.乳化D.泡沫正确答案:A7、物体的摩擦一般可分为()。
A.静摩擦B.滑动摩擦C.静摩擦滑动摩擦D.静摩擦滑动摩擦滚动摩擦正确答案:D8、水基压裂液的悬浮性能是指压裂液对()的悬浮性能。
A.交联剂B.破胶剂C.支撑剂D.稳定剂正确答案:C9、前置液加粉砂的主要作用是()。
A.清洗射孔眼B.降低破裂压力C.堵塞地层微裂缝或降低地层滤失D.支撑主裂缝正确答案:C10、一般选用柴油的凝固点应比当时地区最低气温低()℃以上。
A.2℃B.3℃C.4℃D.5℃正确答案:D18、为控制水基压裂液向地层中滤失,应考虑加入()。
A.消泡剂B.助排剂C.PH调节剂D.降滤失剂正确答案:D11、为保护油层套管免受高压损坏通常采用()。
A.油套合压B.限流C.卡封D.投球正确答案:C12、混砂车供液系统包括(),混合装置,砂泵控制阀及连接管线。
A.气压稳定装置B.液压油泵C.供液泵D.吸入压力表正确答案:C13、常用普通干电池的额客电压是()。
工程技术试题(管理人员)填空题部分1.破裂压力计算:直井:瞬时停泵压力+(射孔底界—射孔顶界)/2*100 、水平井:瞬时停泵压力+垂深、2.如井下有封隔器,压裂时套管平衡压力一般采用地面泵压的1/3~1/5。
3.常用压裂管柱的规格:(1) 73mm(2½in )油管:外径73mm ,内径62mm 。
内容积3.019L/m ,外容积4.185 L/m 。
(2)89mm(3in )油管:外径88.9mm ,内径76mm 。
内容积4.536L/m ,外容积6.207 L/m 。
4.对于任意时间段的混砂比,可通过下式计算得出:平均混砂比= 砂量时间排量砂量*64.0* % ,该式为石英砂(密度1.67×103Kg/m)混砂比计算公式,如果为其它支撑剂,则视其密度,式中系数作相应变化。
5.原地层的渗透率与有效厚度的乘积称为地层系数。
6.喷砂器的作用:向地层喷砂液,造成节流压差,保证封隔器所需的坐封压力。
7.压力系数是指某地层深度的地层压力与该深度的静水柱压力之比。
8.在进行井下作业时,压井液压力的下限要能够保持与地层压力平衡,而其上限则不应超过地层的破裂压力以避免压裂地层造成井喷。
9.理想的压裂液必须具有多种用途并满足以下条件:低滤失性,携砂性,降阻性,稳定性,配伍性,低残渣,易返排。
10.施工时液体的流动过程:压裂液罐-混砂装置-压裂泵车-管汇-地面管线-井口-井下管线-喷砂器-油套环空-射孔炮眼-地层。
11.地质构造的基本类型有四类:水平构造、倾斜构造、褶皱构造和断裂构造。
12.天然石油是从油、气田中开采出来的;人造石油是从煤或油页岩等干馏出来的。
13.根据圈闭的成因,圈闭分为构造圈闭、地层圈闭、岩性圈闭等。
14.一个油气藏必须具备两个基本条件:同一圈闭内油气聚集;具有统一的压力系统。
15.大庆长垣的原油属于石蜡基原油,含蜡量达20%~30%,凝固点为23~32℃,含硫量低,一般小于0.1%。
16.前置液用量一般为携砂液量的25%--50%。
17.树脂包层砂是采用一种特殊工艺将改性苯酚甲醛树脂包裹到石英砂的表面上,并经热固处理制成。
18.支撑剂的物理性质包括:支撑剂的粒度组成、圆度与球度、表面光滑度、酸溶解度、浊度、密度及抗压强度。
支撑剂的这些物理性质决定了支撑剂的质量及其在闭合压力下的导流能力。
19.压裂结束,要关井一段时间。
关井时间长短取决于最后泵入胶液的破胶时间和裂缝闭合时间。
20.常把盐酸与氢氟酸的混合酸称为土酸。
判断题部分21.限流法压裂是通过高(低)密度射孔、大排量供液,形成足够的炮眼摩阻,使井筒内保持较高的压力,从而达到连续压开一些破裂压力相近层的目的。
×22.多裂缝压裂适用于层间隔层小、不能用封隔器分卡的已射孔的多个油层的分层压裂。
√23.封隔器分层压裂是通过封隔器分层压裂管柱来实现的,适用于非均质程度大(小),层间含水率差异大(小),且已按常规射孔的高中低渗透、多油层的改造。
×24.正常地层压力是指地下某一深度的地层压力等于地层流体作用于该处的静液压力。
(√)25.压裂酸化施工作业车辆和液罐应摆放在井口上风方向。
(√)26.做口对口吹气人工呼吸时应捏闭伤病者鼻孔不放,直到成功为止。
(×)正确:做口对口吹气人工呼吸吹气时,应捏闭伤病者鼻孔;呼吸换气时应将手松开。
27.大庆油田由于大型浅水湖盆受构造运动、气候物源等多因素控制,使湖区水的深度和沉积物频繁变化,形成了分布广、类型多、层较薄、总厚度很大的砂泥岩互层,使储层具有复杂的沉积结构类型和严重的均质性。
╳(非均质性)28.孔眼尺寸不会影响压裂液的粘度。
如孔眼太小,孔眼通道处的高剪切速率将破坏冻胶结构,使高粘压裂液迅速降解,导致脱砂。
╳(会影响)名词解释部分泡沫压裂:以液态CO2或CO2与其它压裂液混合,加入相应添加剂,29.CO2来代替压裂施工中所使用的常规水基压裂液的压裂施工工艺技术。
CO2压裂液主要成分是液态CO2、原胶液和若干种化学添加剂。
在压裂施工注入过程中,随深度的增加,温度逐渐升高,达到一定温度后,CO2开始汽化,形成原胶为外相,CO2为内相的两相泡沫液。
由于泡沫液具有气泡稠密的密封结构,气泡间的相互作用而影响其流动性,从而使泡沫具有“粘度”,因而具有良好的携砂性能,在压裂施工中起到与常规水基压裂液相同的作用。
30、多裂缝压裂:适用于一个压裂层段内有两个小层,而且夹层小的薄互层井。
压裂时先压开一个小层,当加砂结束后,利用已压开层吸收液量大的特点,投可溶性高强度蜡球或橡胶炮眼球,暂时封堵已压开层的炮眼,然后逐步提高施工排量,致使第二个小层压开裂缝,从而达到一个压裂井段内压开多层的目的。
这项技术施工简便,时间短,又因同一压裂井段小层间压差小,不易造成窜槽。
31、限流法压裂:适用于一个压裂层段内有3-6个小层,小层间泥岩夹层小或存在小的水夹层的薄层压裂,通过严格限制炮眼的数量和直径,并以尽可能大的注入排量进行施工,利用压裂液流经孔眼时产生的炮眼摩阻,大幅度提高井底压力,并迫使压裂液分流,使破裂压力接近的地层相继被压开,达到一次加砂能够同时处理几个层的目的。
32、复合膜剂:当复合膜剂溶液进入油层后,膜剂分子将在油膜局部脱落的岩石表面上吸附形成纳米级超薄分子膜,改变储层岩石表面的性质和他与原油相互作用的状态,使原油在压裂液冲刷的空隙的过程中轻易剥落和流动而被驱替出来从而提高驱油效率,增加油井产量。
33、裂缝闭合压力: l)开始张开一条已存在的裂缝所必须的流体压力;2)使裂缝恰好保持不致于闭合所需要的流体压力。
简答题:34、缝网压裂工艺原理:一般是指在直井中,通过大排量注入低黏液体(清水)、在较高的注入压力条件下,迫使地层在近井附近产生多条裂缝,这些裂缝在延伸过程中,进一步沟通储层内的天然裂缝,最后形成纵横交错的复杂裂缝网络系统,实现的储层的“打碎”目的,最大限度提高油气渗流到井筒的流动能力。
35、地层压力与井底压力失去平衡后井下和井口会依次出现哪些现象?答:井侵、溢流、井涌、井喷、井喷失控36、套喷的原因有很多,主要分为四大类,试说明。
1)压裂过程中地层窜槽引起的套喷(分上窜、下窜);2)压裂过程中由于封隔器损坏引起的套喷;3)压裂过程中由于压断油管引起的套喷;4)作业队管柱配错或下错引起的套喷。
问答题部分37、压裂施工前应检查的项目:1)井场准备情况检查。
主要考虑是否有足够大的场地并方便施工车辆进出。
它对施工进展、施工质量及安全都很重要。
2)设备准备情况检查。
要求施工设备使用状态良好,能完成现场施工,现场还必须备有足够的易损件。
3)下井原材料检查。
主要是指压裂液和支撑剂的检查。
检查压裂液细菌污染情况及胶凝物的水化和交联性能,这些可简单通过检查液罐的清洁程度、配液时间、环境温度、压裂液颜色、气味等来确定。
必要时,可对每一罐压裂液进行小规模交联和混合试验。
对支撑剂要确认其型号,检查其杂质含量等。
观察液罐中基液粘度,检查压裂液是否降解,采用标准计量器皿(量筒、烧杯),按实际交联比配制压裂液,观察冻胶粘度,合格的冻胶粘度均匀、能够挑挂、不粘杯壁、不脱水,能够满足现场施工需要。
4)对管汇及地面管线各阀门检查。
施工前应对管汇及地面管线上的各阀门的开、关进行检查(在冬季应用蒸汽刺通),在确认其开、关正确后方可进行下一步施工。
论述题部分38、根据曲线分析压裂施工的整个过程,并阐述导致压裂失败的原因。
压力排量砂比灌满管柱后,压力上升到38MPa,停泵后重新起泵,排量逐渐提升,压力也逐渐上升,5分钟后压力和排量趋于稳定。
7分后开始加砂,8分钟后提高施工排量0.5m3/min,9分钟后开始提高砂比,由于没有控制好砂比,砂比直接上升到700kg/m3,然后降至450kg/m3,继续加砂2.5分钟,压力逐渐上升,升至52MPa 后被迫停车,造成砂堵。
造成砂堵的原因,主要是提高砂比时,没有控制好幅度,导致砂浓度骤然升高,当高浓度砂段到达井底时,堆积在缝口,造成砂堵。
39、论述施工井砂堵的几种原因及采取的应对措施。
1)压裂液性能影响,易造成砂堵压裂液成胶不好,导致滤失过大,易造成缝端部脱砂,随着时间和砂比的增加,压力会逐渐增大,如不采取一定措施,当石英砂堆积到一定程度时,压力会突然上升,造成砂堵。
在施工压裂液滤失大的层位时,前置液的黏度要稍大于携砂液,在发现脱砂迹象时,应及时采取保持砂比(或降砂比)观察,在压力允许的情况下,可尝试提高排量施工,如果压力上升没有放缓,必须果断停砂替挤。
2)地层因素造成砂堵有断层的油层、非均质性油层、天然裂缝发育的地层等容易发生砂堵现象。
一般水井压裂比油井压裂发生堵井的几率高。
主要原因是地层长期注水产生许多微裂缝,当压裂时,泵压大于注水压力,微裂缝会重新开启吸液,增大了压裂液的滤失量,压开的裂缝宽度不够或者形成不了有规模的裂缝,这样高砂比阶段易发生砂堵事故。
3)其他原因造成砂堵施工过程中,由于设备、仪表故障引起的混砂车供液中断、压裂车停泵、仪表车计算机系统失灵、压力传感器通道冻死等,等容易发生砂堵现象。
40、压裂管柱解封困难的处理方法1)封隔器质量不好造成在高压作用下胶筒不收缩,而导致封隔器不解封,应注意:一是在配压裂管柱时,用合格的封隔器,保证质量,切忌不能重复使用;二是保持压裂管柱干净,无沉砂,无死油,无污染;三是认真做好井口的密封工作,保证套压不泄漏;四是计算好压裂施工的替挤量,保证管柱卡具内无支撑剂。
2)封隔器的水嘴被堵死,导致封隔器不收这种情况并非是封隔器的质量问题,而是因为封隔器的胶筒内憋有压力,无法释放出来。
处理方法:正向大排量向地层注入压裂液,然后停泵,瞬间憋放,再活动管柱。
这种方法是将封隔器水嘴的堵塞物在憋放过程中排出,使胶筒内的压力释放,封隔器收缩。
3)地层窜槽导致管柱活动不开发现地层窜槽,立刻停砂替挤,确认套管内无支撑剂后,活动并上提管柱。
4)多层压裂时压力偏高,导致封隔器塑性变形,不能收缩,而使管柱活动不开为减少这种现象发生,在施工过程中,应选用质量好的封隔器,并控制施工压力,在封隔器能承受的压力范围内施工。
5)作业施工过程中,油套环形空间掉下落物卡住封隔器,导致管柱活动不开封隔器胶筒与套管内壁之间的空隙很小,如果在作业施工过程中,不小心将管汇扳手或井口螺丝等小件掉入油管与套管环形空间中,刚好卡在封隔器上,将给施工带来很大不便,主要表现在油管只向下移动,向上遇阻。
在施工过程中,我们只要提高警惕,文明施工,不麻痹大意,这种事故完全可以避免。
6)套管变形,导致管柱活动不开遇到这种现象,在多次活动管柱无效时,无其它办法,只有将上封隔器以上管柱倒扣提出,然后用胀管处理变形的套管,最后再将下封隔器捞出。
封隔器不解封的原因还有很多,其主要原因还在封隔器质量和压裂施工工序上,只要提前预防,正确处理,活动管柱的难题也会迎刃而解。