2017年质量目标分解表
- 格式:xls
- 大小:97.50 KB
- 文档页数:1
质量目标分解表【实用版】目录1.质量目标分解表的概述2.质量目标分解表的作用和意义3.质量目标分解表的制定步骤4.质量目标分解表的实际应用案例5.质量目标分解表的优点与局限性正文一、质量目标分解表的概述质量目标分解表是一种将企业的质量目标进行细化和分解的工具,通过明确各部门、各岗位的具体质量目标,从而确保整个企业的质量管理工作有序、高效地进行。
质量目标分解表通常包括目标项目、目标值、责任部门、完成时间等内容,以便于跟踪和评估各部门的质量管理工作。
二、质量目标分解表的作用和意义1.确保质量目标的实现:通过将企业的质量目标进行分解,使各部门、各岗位都明确了自己的质量目标,有利于提高全员质量意识,确保质量目标的顺利实现。
2.便于跟踪和评估:质量目标分解表明确了各部门、各岗位的具体质量目标和完成时间,有利于企业进行跟踪和评估,及时发现问题并采取措施进行改进。
3.促进部门间的协同合作:质量目标分解表明确了各部门的责任,有利于各部门之间形成协同合作的氛围,共同推进企业的质量管理工作。
三、质量目标分解表的制定步骤1.确定企业的总质量目标:首先需要明确企业的总质量目标,以便于后续进行分解。
2.分解质量目标:将企业的总质量目标分解为各部门、各岗位的具体质量目标,确保每个部门、每个岗位都有明确的质量目标。
3.制定质量目标分解表:将分解后的质量目标整理成表格形式,明确目标项目、目标值、责任部门、完成时间等内容。
4.审核和完善:对制定的质量目标分解表进行审核和完善,确保每个部门、每个岗位的质量目标都具有可行性和合理性。
四、质量目标分解表的实际应用案例某汽车制造企业为了提高产品的质量,制定了一系列的质量目标,如降低不良品率、提高客户满意度等。
企业将这些质量目标分解为各部门、各岗位的具体质量目标,如生产部门需保证生产线上的不良品率不超过1%,销售部门需保证客户满意度不低于 90% 等。
通过制定质量目标分解表,企业明确了各部门、各岗位的具体质量目标,有利于全员参与质量管理工作,共同提高产品质量。
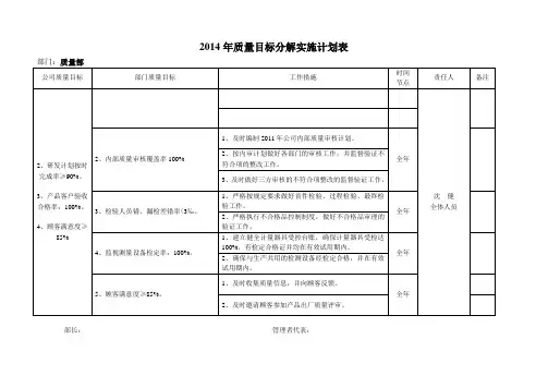
技术部2017年质量目标分解实施计划表2014年质量目标分解实施计划表部门:技术部公司质量目标部门质量目标工作措施时间节点责任人备注1、贯彻执行质量管理体系文件的规定要求,加强本部1、确保本部门在内部质量审核中不出现门的过程监视与测量工作。
严重不符合项。
2、做好本部门的管理工作,确保符合质量程序文件的相关要求。
1、确保公司质量管理体系内部质1、按时完成研制产品的图样等设计文件和工艺文件的量审核无严重不编制工作。
2、研制计划按时完成率?95%。
符合项。
2、及时做好技术管理和过程确认工作。
3、及时做好技术评审及文件的归档工作。
2、确保合同履约率96%。
每季度1、做好部门的文件整理和记录工作。
3、产品客户验收3、技术图纸、工艺文件差错率<0.1%。
2、按规定要求做好技术文件的三级审签工作,确保图合格率:100%。
纸及技术文件无差错。
4、顾客满意度?1、收集产品研制、工艺生产过程中有关数据与资料,85% 4、产品研制、工艺总结工作完成率100%。
形成总结报告。
1、技术评审、重要试验验证等活动邀请顾客参加。
5、设计评审、验证以及文件签署工作2、技术评审及确认请顾客签署认可。
部门负责人: 审核: 批准:2014年质量目标实施情况表部门:技术部实施完成情况公司质量目标部门质量目标工作措施备注一季度二季度三季度四季度1、贯彻执行质量管理体系文件的1、确保本部门在内规定要求,加强本部门的过程监部质量审核中不出视与测量工作。
现严重不符合项。
2、做好本部门的管理工作,确保符合质量程序文件的相关要求。
1、确保公司质1、按时完成研制产品图样等设计量管理体系内文件和工艺文件的编制工作。
部质量审核无2、研制计划按时完2、及时做好技术管理和过程确认严重不符合成率?95%。
工作。
项。
3、及时做好技术评审及文件的归档工作。
2、确保合同履约率96%。
1、做好部门的文件整理和记录工作。
3、技术图纸、工艺3、产品客户验2、按规定要求做好技术文件的三文件差错率<0.1%。
质量目标分解表
编号:JL/YC 5.4.1-01 序号:
总目标:a、医疗器械安全有效达100%;b、顾客满意率>98%;c、顾客投诉处理率100%。
代
号
部门目标目标实现控制点考核
01 总经理持续改进,顾客满意度持续达98%以上。
组织管理评审,确保质量管理体系的适宜性、充
分性和有效性。
一般一年组织一次管理
评审
02 管理者代表
建立完善的质量管理体系,确保有效运行,
不合格的纠正、预防有效率达100%。
定期组织内审,发现问题及时解决,制定纠
正预防措施。
一般一年组织一次内部
质量体系审核
03 办公室
管理人员管理水平、员工操作技能,能满足
生产、管理的需要,培训完成率100%。
制定培训计划、考核标准、控制好各类文件。
笔试、现场考核
04 质检部检测设备送检率达100%,产品漏检率0%
保证检测器具的准确性,严格按检验规程检
验,质量记录控制应符合要求。
计量、检测器具一般一
年组织一次;每季度检查一
次外购件入库情况及质量记
录控制情况。
05 业务部
保证采购物资满足产品质量要求,顾客反馈
信息处理有效率达100%,满意度持续达以98%
上。
定期考察供方能力,择优选定合格供方;以
顾客为中心,建立顾客信息反馈登记表,及时了
解顾客、市场需求。
每年评定一次供方供应
能力,每个季度统计一次顾
客满意度。
06 仓库做好产品包装、防护工作。
账清、物清、卡清,产品出库贯彻先入先出
的原则。
每季度要抽查一次。
质量目标分解表交货率高于98%在与供应商签订合同时,明确交货期限,加强与供应商的沟通和协调,及时解决物料短缺和延迟交货等问题,确保供应商准时交货率高于98%。
五金科注塑科移印科加工科装配科自检合格率高于98%加强对员工的技能培训和操作规程的培训,提高员工的自检意识和纠正措施的执行力度,确保自检合格率高于98%。
XXX产品合格率高于98%对不合格品进行及时的处置和追溯,确保产品合格率高于98%。
并且加强对生产过程中的质量控制和监督,及时发现和解决质量问题。
总经办准时交货率高于98%及时确认订单,下达生产指令,并加强对生产排期和物料需求的计划和跟踪,确保准时交货率高于98%。
同时,加强与客户的沟通和协调,及时解决客户的问题和需求。
存备品方面,建立完善的管理制度,确保备品供应充足;服务意识方面,加强员工培训,提高服务水平,确保客户满意度。
我们的交货率高于98%,这得益于我们在物料需求及时下达《订货单》的同时,与供应商进行有效的沟通和确认。
跟单员及时跟进和反馈,经常对供应商的共货情况进行分析评价,对于失信供应商采取果断措施。
我们的仓库帐物相实准确率高于98%,对重要物料每月、主要物料每季度、仓库全部每年分别进行盘点一次。
同时,根据物料需求及时列出欠料单和帐物不实的说目,并反馈到相关部门。
发现仓库物料有严重虚脱异常现象时,及时反馈和解决。
我们的五金、注塑、移印、加工等科室的准时交货率高于99%,每单生产严格按照生产排期进行,根据现有生产能力进行调整,做到心中有数,合理安排生产量和生产时间,遇到问题及时反馈解决。
我们的系统部计划实施率达到98%,系统部培训合格率达到95%,认证机构审核率达到100%,品检部措施跟进率达到100%。
我们的人事科人力资源配置及时率达到96%,工程部每年突破技术难题不少于6项,每年开发新技术不少于3项,系统部每年进行重大体系改善不少于2项。
我们的生产部准时交货率高于98%,每单生产严格按照生产排期进行,合理安排生产量和生产时间,遇到问题及时反馈解决。
工程质量目标及质量目标分解表XXX目标及分解为了实现公司的质量方针和创优质量目标,项目部全体参与人员应在项目经理的精心安排下,齐心协力,尽职尽责,严格管理控制,生产工人按照操作规程精雕细作,推行生产过程控制和合格产品控制,建立创优质工程管理体系,组织全员参加质量管理和创优活动。
要把创优活动小组建立在生产班组之中,通过质量保证体系及时检查评验,整理创优活动成果,定时举行成果发布会,大力表彰创优事绩,激发生产人员的荣誉感和责任心,真正做到全员参加质量管理,人人关心创优活动。
同时,要把改善生产管理,革新施工工艺,应用数理统计的方法结合起来,达到预防质量缺陷,把不合格产品消灭在生产过程之中,做到防控结合,以防为主,加强检查控制,调查分析,总结经验,把合肥****工程建造成优质工程。
工程质量目标:1.单位工程竣工一次交付合格;2.确保合肥市优质结构工程;3.杜绝重大质量安全责任事故;安全无重大伤亡事故,轻伤负伤率小于8%。
确保市级安全文明示范工地;4.顾客投诉处理率为85%,及时率为100%。
具体的质量指标详见质量控制一览表、工程质量目标分解表。
质量控制要点一览表:控制阶段|控制要点|控制环节|主要控制人参与|主要控制内容|工作依据|设计|交底或底图|项目总图纸、资料,能否满足要求|设计技术文件自审记录|设计交底记录|图纸技术文件自审| 设计|技术条件|各专业工长了解设计意图,提出问题解决方案|同上|设计交底记录|同上|设计|图纸会审|项目总图纸、资料,能否满足要求|同上|图纸会审记录|按企业标准编制施工组织设计|施工|施工组织设计|批准的施工组织设计|同上|编制、审核、报批|国家标准规范|施工|专项施工方案或施工工艺|各专业提出需用计划|同上|组织交底|国家标准规范|施工|技术交底|施工验收规范批准的施工方案|质安员、焊接责任人等|编写施工技术交底评定标准|批准的施工方案| 试验|质量、安全验收|焊接责任人|评定项报出|专项交底|验收规范|以上是XXX的质量目标和质量控制要点,希望能够通过全员参与质量管理和创优活动,实现优质工程的建造。