索菱导航电路图SL_8173MB_080829
- 格式:pdf
- 大小:797.18 KB
- 文档页数:4
经过多年的思想斗争及摸索总于下手搞了台索菱NSL-8176数字屏内置导航通用DVD一体机。
思想斗争,是因为不想破线,不想做太多改动,最大程度保持原车线路。
摸索,是因为口袋银两不多,为了省钱只能上淘宝,安装嘛,依杖自己是学自动化的,好歹懂点电路,所以摸索的重点在如何拆车。
废话少说有图有真相,1.工欲善其事,必先利其器,工具如下左边那个大盒,是拆原CD头的工具,其实只用到右下角那个小东西,梅花工具有T20的够用了。
其它如万用表跟电烙铁为选配,最好能买点热缩管,这样对于线接头能起更好的保护做作。
2.主角登场外包装通过这二张图可以看到外机头大小,顺便对比个下我的安装位大小3.如何拆机头。
这节我想很多人都需要了解。
图片是后面补拍,不同角度让没有拆过机头的人能更清楚里面的结构,明白拆机工具如何制作。
我原来也做过几次,都没能成功,主要是不懂里面是什么结构,后来买了这个专用工具取下来后才明白。
很多材料都能制作,例如用摄子,没有用的信用卡之类,剪成细条也行。
4.机头安装那几个地方要锯掉,然后中间二个锣丝退下来,这样才有足够的空间放下机头申明,此图非原创,贴出来是想告诉大家如何接线。
不过我淘宝购买的时候店家配了条转接线,所以取下来直接插上就可以了。
但是注意不要把音响跟电源互相接错。
4.摄像头安装我是从机头放线出来走杂物箱底下,再走门边到车尾,这里基本没有难度,重点装摄像头。
看见那条线了吗?取下尾灯插坐,挂入R档测出是1号线为地,4号线为倒车灯打开备胎盖,取出备胎,方便下手。
(这里研究了很久以为要拆很多东西,其实找对地方很容易)把头申进去你就明白线该如何走了。
一定要把头申进去看,你就明白这张图是什么情况了,那黑色盖子取下来,(抓住向里推,然后,再拿出来,拿住了哦,掉下去我不知道是什么情况哦)取下左边的车牌锣丝,其实应该是右边装后你会发现镙丝正好档住摄像头。
这个头为什么这大?我没有拆原车的插坐,我改装的思想就是尽量保持原车的东西。
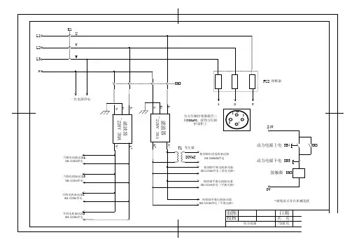
预热继电器电路图宝典欧Ⅱ汽油机ECU电路ECU端子说明江铃智能型玻璃系统江铃宝典车不仅配备了电动玻璃升降器,而且在此基础上进一步增加功能,开发了智能型玻璃系统,使车主感觉更加方便,更加人性化智能型玻璃系统在电动玻璃系统基础上增加一主控盒智能型玻璃系统功能•点动功能:左前门具备点动功能,即当点火钥匙为ON或ACC状态下,正常按压(按压时间在1S 内)车门玻璃上升或下降开关后撤消按压开关动作,则车门玻璃会自动上升到顶部或下降至底部后自动停止,若按压时间连续超过1S的时间,则撤消按压动作后,车门玻璃会立即停止。
•四门玻璃自动关闭:装有电动玻璃升降器的汽车,有时会因车主的疏忽,而使几个甚至四个门玻璃均未升起到顶,安装了电动窗控制器后,可使未升起的玻璃自动升起到顶,可以帮助车主减少损失。
电动车窗电路电动车窗电路中控系统零件描述主控盒:中控主机是遥控电动中央门锁控制系统的核心,其接受遥控器遥控信息,经CPU解碼程序,解出遥控信息,根据不同遥控信息,遥控中控主机输出口产生相应信息,去施行相应功能。
控制其形成声、光、电信息,反映在汽车功能为:上锁、开锁、寻车、静音解除、光电寻车等功能。
门启动器:门启动器是中控门锁的主要执行机构,接收由中控主机发送的开锁、闭锁电信号后带动机械锁进行开锁、闭锁动作;司机门门锁作动器设计内置微动开关控制装置,可检知司机门锁启动器动作状态,并将信息反馈到主机,中控主机依此信号控制其它三边门锁启动器动作使之状态与司机门锁启动器保持一致。
无线遥控器:遥控器有四个按键:上锁键、开锁键、寻车键和静音解除键。
遥控器上红色指示灯用于显示使用状态。
遥控器外形精致、美观,并配有便携钥匙扣。
方便车主携带使用!中控系统功能描述遥控功能:a键:上锁键。
按下a键设定,则车门自动上锁,方向灯闪一下,示意车门已上锁,中控主机进入防盗状态制。
※当任一车门未关妥时,车门自动上锁,则方向灯闪三下以警示车门未关妥b键:解锁键。
简易制作GPS定位、轨迹记录仪设计分享(原理图+控制源码+上位机)基于C3-370C的GPS定位及轨迹记录仪!开始⽤M48作控制MCU,结果写着写着,发现Flash空间不⾜,想换个M8或M88的,还不好买,⼿上正好还有两块STC90C52,8K的,于是就换上C52了。
C52不带AD,那电池检测⼜成问题,于是从坏的万⽤表上拆下⼀个2904运放,做了个简单的电池电压检测。
现在整个设备的供电都由锂电池直接提供,配⼀块880mah的⼿机电池,可以⽤6⼩时左右;我⽤24C64记录轨迹信息,包括⽇期时间、经纬度在内的⼀组信息,可存储512条,按1min/条,可存8⼩时。
数据通过串⼝传给上位机,上位机软件转换数据,也可直接输出KML⽂件,在Goole earth中打开。
按键0: 短按(可见卫星信息|坐标数据); 长按(运⾏|暂停);按键1: 短按(记录当前坐标数据); 长按(暂停时长按删除所有数据);按键2: 短按(背光灯); 长按(记录模式切换H/A90s/A60s/A30s/A10s);实物图⽚展⽰:附件内容包括:该GPS定位、轨迹记录仪原理图截图;GPS轨迹记录控制端源码;上位机;上位机效果图:电路相关⽂件电路图⽂件原理图.png描述:原理图截图源代码GPS轨迹记录PC端.rar描述:源代码教程上位机.rar描述:上位机收藏 (45)电路城电路折扣劵获取途径:电路城7~10折折扣劵(全场通⽤):对本电路进⾏评分获取;电路城6折折扣劵(限购≤100元电路):申请成为卖家,上传电路,审核成功后获取。
(版权归chchg所有)版权声明:电路城所有电路均源于⽹友上传或⽹上搜集,供学习和研究使⽤,其版权归原作者版权声明:所有,对可以提供充分证据的侵权信息,本站将在确认后24⼩时内删除。
对本电路进⾏投诉建议,点击投诉本电路反馈给电路城。
使⽤说明:直接使⽤附件资料或需要对资料PCB板进⾏打样的买家,请先核对资料的完整性,使⽤说明:如果出现问题,电路城不承担任何经济损失!换⼀批more>>⼤家都在看:1英飞凌⽆⼈机XMC4500多机演⽰板 - 全系统解决⽅案2【2016英飞凌杯⼀等奖】基于英飞凌⽆⼈机解决⽅案的跟拍应⽤设计3简易制作GPS定位、轨迹记录仪设计分享(原理图+控制源码+上位机)4红外遥控开关——VS1838b红外接收(原理图+PCB+源代码)5 tb6560步进电机驱动器设计原理图和PCB6NANO~~东半球最⼩的⾃平衡机器⼈(硬件+源码+3D⽂件)7【送PCB电路板】Mini3208点阵时钟(原理图+源代码+BOM表)创意制作8开源CNC控制器设计(原理图+源代码+BOM清单)继续阅读RC522-RFID门禁刷⾃动卡识别系统本设计RC522-RFID门禁刷卡识别系统采⽤STC89C52作为主控芯⽚,专⽤读卡器模块RC522⽤来读射频卡的信息,当有卡进⼊到读卡器读卡的范围内时就会读取到相应的卡序列号,并根据得到的卡序列号做出相应的操作。
层次:1子件品号子件品名组成量单位JYT-TS6783-NAAB主件品号:品 名: 6.2寸数字屏\诺威达\日产奇俊\DVD+BT+GPS 2009-8-5备 注:制作日期:审核日期:2010-3-10备注BC1-TS6783-9001包装料\珍珠棉(上)\300X276X75MM PCS 1.00 BC1-TS6783-9002包装料\珍珠棉(下)\300X276X70MM PCS 1.00 BC1-TS7892-9003包装料\珍珠棉(前)\290X60X30MM PCS 1.00 BC3-000000-AAAB 包装材料\说明书\诺威达\中文中性PCS 1.00 BC4-000000-0016包装材料\贴纸类\功能贴\205X98.5MM PCS 2.00 BC4-000000-0017包装材料\贴纸类\车型贴\170X42.5MM PCS 2.00BC4-000000-0018包装材料\银色贴纸\单面备胶\17X12X0.1MM PCS 2.00贴于主机的五金面盖上的防震螺丝孔处BC4-000000-0110包装材料\主机贴纸\12V\英文中性PCS 1.00底盖BC4-000000-0AA0包装材料\贴纸类\封条贴纸\通用型PCS 1.00可打印BC4-TD5911-0AA0包装材料\贴纸\蓝牙功能贴纸\20X10MM PCS 2.00 BC4-TD5911-0AA1包装材料\贴纸\蓝牙外箱贴纸\58X30MM PCS 1.00BC5-000000-0001包装材料\牛皮纸配件盒\140X200X55MM PCS 1.00线材,其它包装附件BC5-000000-0002包装材料\牛皮纸配件盒\140X45X220MMPCS 1.00说明书,其它包装附件BC5-000000-VAAA 包装材料\彩盒\4S 专供\牛皮纸箱\305X285X215MM PCS 1.00 BC6-155238-0001包装材料\说明书胶袋\PVC 155X238X0.04MM\印绿色环保标志PCS 1.00 BC6-155238-0002包装材料\输出线胶袋\PVC 155X238X0.04MM\印绿色环保标志PCS 1.00 BC6-155238-0003包装材料\附件胶袋\155X238X0.04MMPCS 1.00 BC6-310365-0001包装材料\包机胶袋\PVC 310X365X0.04MM\印绿色环保标志PCS 1.00 BC7-000000-FAA0包装材料\卡通箱\63.5X44X30.5CMPCS .251/4台装BC8-000000-0020包装材料\其它类\AUX-OUT 吊牌\30X15MM(PVC 片)黑色PCS 1.00英文BC8-000000-0A01包装材料\其它类\倒车雷达线吊牌\30X15MM(PVC 片)橙色PCS 1.00英文BC8-000000-0AA0包装材料\其它类\GND 地线吊牌\黑色PCS 1.00英文BC8-000000-0AA1包装材料\其它类\倒车视频输入吊牌\30X15MM(PVC 片)PCS 1.00英文BC8-000000-0AA2包装材料\其它类\AUX 视频输入吊牌2\30X15MM(PVC 片)PCS 1.00英文BC8-000000-0AA3包装材料\其它类\AUX 视频输入吊牌1\30X15MM(PVC 片)PCS 1.00英文BC8-000000-0AA4包装材料\其它类\视频输出吊牌\30X15MM(PVC 片)PCS 1.00英文BC8-000000-0AA5包装材料\其它类\前RCA 输出吊牌\30X15MM(PVC 片)PCS 1.00英文层次:1子件品号子件品名组成量单位JYT-TS6783-NAAB主件品号:品 名: 6.2寸数字屏\诺威达\日产奇俊\DVD+BT+GPS 2009-8-5备 注:制作日期:审核日期:2010-3-10备注BC8-000000-0AA6包装材料\其它类\后RCA 输出吊牌\30X15MM(PVC 片)PCS 1.00英文BC8-000000-0AA7包装材料\其它类\AUX 音频输入吊牌\30X15MM(PVC 片)PCS 1.00英文BC8-000000-0AA8包装材料\其它类\遥控输入吊牌\30X15MM(PVC 片)PCS 1.00英文BC8-000000-0AA9包装材料\其它类\方向盘按键控制线吊牌1\30X15MM(PVC 片)PCS 1.00英文BC8-000000-0AAA 包装材料\其它类\方向盘按键控制线吊牌2\30X15MM(PVC 片)PCS 1.00英文BC8-000000-0AAB 包装材料\其它类\方向盘按键控制负极线吊牌\30X15MM(PVC 片)PCS 1.00英文BC8-000000-0AAC 包装材料\其它类\防潮珠PCS 1.00 BC8-000000-1AA0包装材料\其它类\手刹线吊牌\30X15MM(PVC 片)棕色PCS 1.00英文BC8-000000-2AA0包装材料\其它类\ACC 点火线吊牌\红色PCS 1.00英文BC8-000000-2AA1包装材料\其它类\机芯防震警示牌\红色PCS 1.00英文BC8-000000-3AA0包装材料\其它类\ILL 照明线吊牌\橙色PCS 1.00英文BC8-000000-4AA0包装材料\其它类\记忆电源线吊牌\黄色PCS 1.00英文BC8-000000-6AA0包装材料\其它类\ANT 自动天线吊牌\蓝色PCS 1.00英文BC8-TD6772-0001包装材料\保修卡\150X125MM PCS 1.00BZ1-000005-0004标准件\弹介\Φ5\T=1.00MM PCS 1.00吊装螺丝(包装附件)BZ1-005004-0003标准件\六角螺母\M5.0X4mm\镀彩锌PCS 1.00吊装螺丝(包装附件)BZ1-005010-0008标准件\平介子\φ5.0X φ10X0.9mm\镀彩锌PCS 1.00吊装螺丝(包装附件)BZ1-BM5006-0003标准件\盘头\机牙\BM5.0X6MM\镀彩锌\十字型PCS 4.00包装附件BZ1-FM2604-0001标准件\螺丝\FM2.6X4\加硬\黑色PCS 2.00面盖和前架BZ1-HM0515-0001标准件\吊装螺丝\机牙\HM5X5+5X10MM\镀彩锌\外六角PCS 1.00包装附件(依ECN8270A 改)BZ1-KA2610-0001标准件\螺丝\KA2.6X10\镀镍\加硬PCS 2.00前架与面壳BZ1-KA3008-0003标准件\圆头\自攻螺丝\KA3.0X8MM\镀彩锌\尖尾\十字型PCS 3.00散热片与U 架2个,后盖与散热片1个BZ1-M26248-0001标准件\机芯防震螺丝\M2.6X24.8\表面镀镍PCS 2.00BZ1-PB3006-0001标准件\螺丝\PB3.0X6\镀彩锌\加硬PCS 3.00散热片与U 架2,后盖与散热片1(依ECN8333A 改)BZ1-PM2004-0003标准件\圆头\机牙\PM2.0X4MM\镀彩锌\十字型PCS 3.00伺服板螺丝3个层次:1子件品号子件品名组成量单位JYT-TS6783-NAAB主件品号:品 名: 6.2寸数字屏\诺威达\日产奇俊\DVD+BT+GPS 2009-8-5备 注:制作日期:审核日期:2010-3-10备注BZ1-TBM265-0001标准件\圆头\螺丝\TTBM2.6X5\镀彩锌PCS 34.00前架与左右侧板4PCS ,上盖与后散热片4PCS ,后散热片与左右侧板4PCS ,主板与GPS-PCB 支架3PCS ,后散热片与ISO 支架2PCS ,后散热片与下盖1PCS ,后散热片与TV 支架3PCS ,后散热片与天线插座1PCS ,IC 支架与散热片2PCS ,主板与左右侧板4PCS ,GPS 板与GPS-PCB 支架2个,TV-PCB 与GPS-PCB 支架2个,机芯与机芯支架4个。
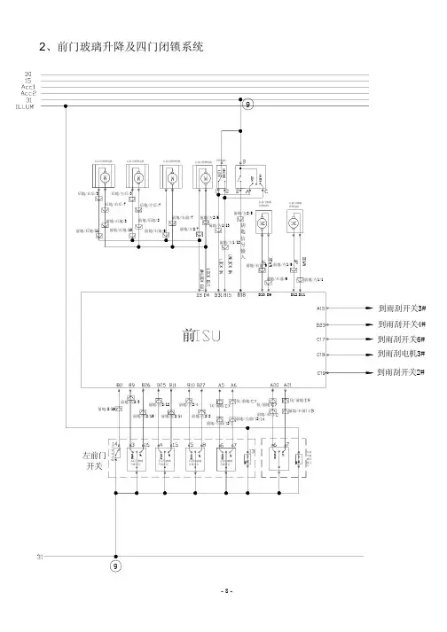
第8章 车身电气系统注意: 当正文中出现“如果配备”,则该车辆可能或者没有配备那个装置,这取决于车型或规定的标准。
目录 组合仪表及传感器 ......................................... 8- 2 组合仪表电路 ............................................ 8- 2 故障诊断 .................................................... 8- 3 车速里程表和传感器 .................................. 8- 4 燃油表和油量计组件 ................................ 8- 5 发动机冷却液温度表和传感器组件 ........ 8- 6 油压灯 ........................................................ 8- 7 制动警告灯 ................................................ 8- 8 点火开关钥匙遗忘警告 蜂鸣器(如配备) .................................... 8- 9 灯未关的蜂鸣器 ........................................ 8-10 组合开关 ........................................................ 8-11 照明系统 ........................................................ 8-12 前大灯 ........................................................ 8-12 前大灯光束调整系统(如配备) ............ 8-15 转向信号和危险警告灯 ............................ 8-16 位灯和牌照灯 ............................................ 8-17 倒车灯 ........................................................ 8-17 制动灯 ........................................................ 8-17 后雾灯 ........................................................ 8-18 点烟器 ............................................................. 8-18 后车窗除霜器 ............................................... 8-19 风窗刮水器 .................................................... 8-21 前刮水器和洗涤器 .................................... 8-21 后刮水器和洗涤器 .................................... 8-25 电动车窗控制系统(如配备) ................ 8-27 电动门锁控制系统(如配备) ................ 8-28 无钥匙进入系统(如配备) .................... 8-31接地点 ................... 参见8A章(整车电气系统) 电路图 ................... 参见8A章(整车电气系统) 警告: 适用于装有辅助约束(安全气囊)系统的车辆 l 对安全气囊系统的部件或线路进行检修及对其外围部件或线路进行维修操作,应由昌铃公司授权的经销商或维修网点负责。
广东省佛山市南海翔云机械有限公司方料成型机DB320X160(三利1#机版电路图)X0报警扫描输入1SB30X503#小搅拌急停SQ35X120压料端门上限SQ47X1704#小搅拌下料门开限X1报警扫描输入2SB31X511#小搅拌树脂阀开/关SQ36X121压料端门下限SQ48X1714#小搅拌下料门关限X2报警扫描输入3SB32X522#小搅拌树脂阀开/关SQ37X122压料门保险开位X172X3报警扫描输入4SB33X533#小搅拌树脂阀开/关SQ38X123压料门保险复位X173X4报警扫描输入5SB34X54布料室急救按扭SQ39X124顶门开限位X174X5报警扫描输入6SQ1X55布料小车上限1SQ40X125顶门关限位X175SB1X6布料端门控制盒急停SQ2X56布料小车下限1CJ5X1263#小搅拌电子称量程X176SB2X7布料小车前进SQ3X57布料小车上限2CJ6X1274#小搅拌电子称量程X177SB3X10布料小车后退SQ4X60布料小车下限2SB36X1301#小搅拌开/停SB4X11布料小车上升SQ5X61布料小车原位SB37X1312#小搅拌开/停SB5X12布料小车下降SQ6X62布料小车下料位后SB38X1323#小搅拌开/停SB6X13布料端门上升SQ7X63布料小车下料位SB39X1331#小搅拌下料门开SB7X14布料端门下降SQ8X64布料小车下料位前SB40X1341#小搅拌下料门关SB8X15SQ9X65下料门上限SB41X1351#小搅拌下料门停SB9X16SQ10X66下料门下限SB42X1362#小搅拌下料门开SB10X17中门上升SQ11X67下料门开限SB43X1372#小搅拌下料门关SB11X20中门下降SQ12X70下料门关限SB44X1402#小搅拌下料门停SB12X21压料小车前进SQ13X71布料小车压料位SB45X1413#小搅拌下料门开SB13X22压料小车后退SB35X72压料室急救按扭SB46X1423#小搅拌下料门关SB14X23压料小车上升SQ14X73压头上限SB47X1433#小搅拌下料门停SB15X24压料小车下降SQ15X74脚仔开位1SB48X1441#小搅拌树脂搅拌开/关SB16X25压料端门上升SQ16X75脚仔开位2SB49X1452#小搅拌树脂搅拌开/关SB17X26压料端门下降SQ17X76脚仔复位1SB50X1463#小搅拌树脂搅拌开/关SB18X27压头上升SQ18X77脚仔复位2SB51X1471#小搅拌树脂泵开/停SB19X30压头下降SQ19X100脚仔复位3SB52X1502#小搅拌树脂泵开/停SB20X31压料端门控制盒急停SQ20X101脚仔复位4SB53X1513#小搅拌树脂泵开/停SB21X32搅拌顶急停SQ21X102压料小车压料位SQ41X1521#小搅拌下料门开限SB22X33搅拌停止SQ22X103压料小车上限1SQ42X1531#小搅拌下料门关限SB23X34搅拌启动SQ23X104压料小车下限1SQ43X1542#小搅拌下料门开限SB24X35输送带启/停SQ24X105压料小车上限2SQ44X1552#小搅拌下料门关限SB25X36加油泵1启/停 SQ25X106压料小车下限2SQ45X1563#小搅拌下料门开限SB26X37加油泵2启/停SQ26X107压料小车原位SQ46X1573#小搅拌下料门关限SB27X40水泵启/停SQ27X110布料端门上限SB54X1604#小搅拌急停SA2X41手动/自动SQ28X111布料端门下限SB55X1614#小搅拌开/停CJ1X42总电子称量程SQ29X112布料门保险开位SB56X1624#小搅拌树脂泵开/停CJ2X43主搅拌电子称量程SQ30X113布料端门保险复位SB57X1634#小搅拌树脂搅拌开/关CJ3X441#小搅拌电子称量程SQ31X114中门上限SB58X1644#小搅拌树脂阀开/关CJ4X452#小搅拌电子称量程SQ32X115中门下限SB59X1654#小搅拌下料门开SB28X461#小搅拌急停SQ33X116中门保险开位SB60X1664#小搅拌下料门关SB29X472#小搅拌急停SQ34X117中门保险复位SB61X1674#小搅拌下料门停Y0报警扫描输出1YV5Y503#小搅拌下料门开YV45Y1201#放真空压机Y1报警扫描输出2YV6Y513#小搅拌下料门关YV46Y1211#抽真空压机Y2报警扫描输出3YV7Y52布料室端门上升YV47Y1222#放真空布料室Y3YV8Y53布料室端门下降YV48Y1232#抽真空布料室Y4YV9Y54中门上升Y124中门上限指示Y5YV10Y55中门下降Y125布料小车下限指示KM101Y6柱塞泵1YV11Y56压料室端门上升Y126压料小车下限指示KM201Y7加力阀YV12Y57压料室端门下降Y127小车压料位指示KM0Y10液压站YV13Y60下料门开启B31Y1301#小搅拌运行KM1Y11液压冷却循环泵YV14Y61下料门关闭B41Y1312#小搅拌运行KM2Y12振动先导泵YV15Y62布料小车上升B51Y1323#小搅拌运行KM3Y13水泵YV16Y63布料小车下降KM19Y1331#小搅拌树脂泵KM4Y14加油泵1YV17Y64压机小车上升KM20Y1341#小搅拌树脂搅拌KM5Y15加油泵2YV18Y65压机小车下降KM21Y1352#小搅拌树脂泵KM301Y161#真空泵(压室)YV19Y66端门卸荷阀KM22Y1362#小搅拌树脂搅拌KM401Y172#真空泵(布料室)YV20Y67顶门充气KM23Y1373#小搅拌树脂泵KM501Y203#真空泵(备用)YV21Y70布料室端门充气KM24Y1403#小搅拌树脂搅拌KM6Y211#罗茨泵(压室)YV22Y71中门气胎KM25Y141小搅拌液压站KM7Y222#罗茨泵(布料室)YV23Y72压料室端门充气YV49Y1421#小搅拌树脂阀KM8Y233#罗茨泵(备用)YV24Y73布料室端门保险开启YV50Y1432#小搅拌树脂阀KM9A Y24顶门开启YV25Y74布料室端门保险复位YV51Y1443#小搅拌树脂阀KM9B Y25顶门关闭YV26Y75中门保险开启KM26Y1454#小搅拌树脂泵KM10Y26搅拌波箱循环泵YV27Y76中门保险复位KM27Y1464#小搅拌树脂搅拌KM11Y27总树脂泵YV28Y77压料门保险开启YV52Y1474#小搅拌树脂阀KM12Y30加油泵冷却水泵YV29Y100压料门保险复位YV53Y150主搅拌下料门上升KM13Y31主搅拌树脂泵YV30Y101主搅拌树脂阀开YV54Y151主搅拌下料门下降KM14Y32主搅拌树脂搅拌YV31Y102主搅拌树脂阀关YV55Y152小搅拌液压卸荷阀KM15Y33主搅拌波箱冷却YV32Y103脚仔开启B61Y1534#小搅拌运行KM16A Y342#带正转YV33Y104脚仔复位YV56Y1544#小搅拌下料门开KM16B Y352#带反转YV34Y105压头上升1YV57Y1554#小搅拌下料门关KM17A Y361#输送带正YV35Y106压头下降1Y156紧急呼叫KM17B Y371#输送带反YV36Y107压头上升2Y157报警指示KM18A Y40压料小车运行YV37Y110压头下降2KM18B Y41布料小车运行YV38Y111压头上升5B21Y42小车变频器正转YV39Y112压头下降5B22Y43小车变频器反转YV40Y113压头上升6YV1Y441#小搅拌下料门开YV41Y114压头下降6YV2Y451#小搅拌下料门关YV42Y115主缸上升34YV3Y462#小搅拌下料门开YV43Y116主缸下降34YV4Y472#小搅拌下料门关YV44Y117真空共用阀123456789ABCDE987654321EDC B AJXB1JXB2JXB3JXB4JXB5JXB6JXB7JXB8JXB9JXB10JXB11JXB12JXB13JXB14JXB16JXB17JXB0接线端子排接线端子排单位名称 单位地址图 名 图 号版 本 号 日 期 绘 图翔云机械有限公司佛山市南海区平洲夏东二洲工业区1#柜:主控制柜内部布局201208FL32027-Aug-2012邝敬培 设 计 页 码3JXB151000W变压器3+1接触器350W开关电源150W开关电源75W开关电源放大器80EH PLC48HP 扩展148HP 扩展24DA模块114只DC24V中间继电器48HP 扩展3JXB18JXB19ABCDEEDCBA KA0KA1Y0Y10VQF2QF3QF4QF5X3X4X5X0断路器辅助触点C12S/SX0X1X2X3+24V台达PLCKA2Y2711712713714热继辅助触点热继及断路器辅助触点断路器辅助触点X4X5QF0QF1X1X2QF8QF9QF10QF11QF6QF7QF14QF15QF16QF12QF13X3X4X5X0X1X2X3X4X5X0X1X2X3X4X5X0X1X2711712713714顶门液压站水泵搅拌风扇总树脂搅拌主树脂泵加油泵1总树脂泵1#罗茨泵2#罗茨泵先导泵加油泵2输送带3#罗茨泵上模平台循环泵1#柱塞泵2#真空泵2#柱塞泵1#真空泵3#真空泵小车变频器搅拌变频器711712713714JXB6AJXB6AJXB6BJXB6BKA0KA1KA2KA2KA2KA1KA2KA1KA2KA2KA1KA2KA0KA2715716717718QF17QF20QF21QF22QF18QF19X3X4X5X0X1X2715QF23QF26QF27QF28QF24QF25X3X4X5X0X1X2716X3X4X5X0X1X2717715716717701702704705706708主树脂搅拌主树脂摆动小车1#树脂泵1#树脂搅拌2#树脂泵2#树脂搅拌3#树脂泵3#树脂搅拌花式液压站4#树脂泵空4#树脂搅拌1#搅拌机2#搅拌机3#搅拌机断路器辅助触点断路器辅助触点变频器异常输出FR1FR2FR3FR4FR5FB1FB2FB3FB4FB5KA151KA152虚线内为动力柜内断路器、热继、变频等接点FB64#搅拌机ABCDEEDCBAHL09HL02HL03HL04HL05HL06HL07HL08HL10HL11HL12HL13HL14HL15HL16HL17HL18HL19HL20HL21HL22HL23HL24HL25HL26HL27HL28HL29HL30HL31HL32HL33HL34HL35HL36HL37HL38HL39HL40HL41HL42HL43HL44HL45HL46HL47HL48HL49R2R3R4R5R6R7R8R9R10R11R12R13R14R15R16R17R18R19R20R21R22R23R24R25R26R27R28R29R30R31R32R33R34R35R36R37R38R39R40R41R42R43R44R45R46R47R48R49+24V HL02HL03HL04HL05HL06HL07HL08HL09HL10HL11HL12HL13HL14HL15HL16HL17HL18HL19HL20HL21HL22HL23HL24HL25HL26HL27HL28HL29HL30HL31HL32HL33HL34HL35HL36HL37HL38HL39HL40HL41HL42HL43HL44HL45HL46HL47HL48HL49搅拌运行搅拌停止柱塞泵1运行2#真空泵运行中门气胎充气搅拌端门气胎充气压机端门气胎充气顶门气胎充气主气缸1/2上升主气缸1/2下降主气缸5/6上升主气缸5/6下降2#真空泵放真空液压站柱塞泵2运行1#真空泵运行1#真空泵放真空主气缸3/4上升主气缸3/4下降搅拌小车原位小车下料前小车下料后小车下料位小车压料位布料端门上升到位布料端门下降到位压料端门上升到位压料端门下降到位顶门开启顶门关闭落料门开启落料门关闭布料端门保险复位布料端门保险开启压料端门保险开启压料端门保险复位搅拌模具上限搅拌模具下限压机模具上限压机模具下限中门上升到位中门下降到位中门保险开启中门保险复位压料小车原位压头上限面板图编号:面板图编号:123456789101112131415161718192021222324252627282930353637383940414243444546474849(参考面板编号图)(参考面板编号图)X110X111X120X121X124X125X67X70X112X113X122X123X55 X57X103 X105X115X116X117X107X73JXB17-1KA26KA6KA17KA71KA70KA72KA67KA105/107KA106/110KA111/113KA112/114KA122KA10KA7KA16KA120KA115KA116KA126KA124KA26X61X64X62X63KA125空空DC+0VDC+24V+0VDC+0VDC+0VDCKA127ABCDEE DCBA 棕:+24V蓝:24V -黑: - 信号棕:+24V蓝:+0V黑: - 信号棕:+24V 蓝:(+0V)黑: - 信号棕:+24V蓝:+0V黑: - 信号X103+0VX104上限下限串接并接X20-V+0V +24V 棕:+24V蓝:24V -黑: - 信号棕:+24V蓝:+0V黑: - 信号棕:+24V蓝:(+0V)黑: - 信号棕:+24V蓝:+0V黑: - 信号X105+0VX106上限下限串接并接X20-V+0V +24VX104+0V +24V X106+0V +24V 棕:+24V蓝:+0V黑: - 信号+24V +0V X107棕:+24V蓝:24V -黑: - 信号棕:+24V蓝:+0V黑: - 信号棕:+24V蓝:(+0V)黑: - 信号棕:+24V蓝:+0V黑: - 信号X55+0VX56上限下限串接并接X20-V+0V+24V 棕:+24V蓝:24V -黑: - 信号棕:+24V蓝:+0V黑: - 信号棕:+24V蓝:(+0V)黑: - 信号棕:+24V蓝:+0V黑: - 信号X57+0VX60上限下限串接并接X20-V+0V+24VX56+0V +24V X60+0V +24V 棕:+24V蓝:+0V黑: - 信号X61布料车原位压料车原位SQ1SQ1SQ2SQ2SQ3SQ3SQ4SQ4SQ5SQ22SQ22SQ23SQ23SQ24SQ25SQ24SQ25SQ26布料小车布料小车。
序号代码名称型号参数特性功能/说明备注1K1空气断路器动力电源总开关2KM3接触器3SB4按钮动力电源上电4SB5按钮动力电源下电5T1变压器220VAC变80VACSH-50806供电6FU2熔断器方位轴电源保护7LB1滤波器220VAC 30A 驱动器电源滤波8LB2滤波器220VAC 30A 驱动器电源滤波9PW1开关电源5VDC,2A光栅读数头供电10PW2开关电源10VDC,3A 或±5VDC,3A压力传感器供电11PW3开关电源24VDC,2A 编码器供电12PW4开关电源±15VDC,2A AD接口板供电13PW5开关电源5VDC,2A 步进电机、IO接口板供电计算机共地端14PW6开关电源24VDC,2A/5V,2A步进电机、IO接口板供电设备端15KQ1继电器24VDC 方位轴驱动器保护16KQ2继电器24VDC方位轴驱动器使能17Q1驱动器SH-50806B 80VAC供电,五相步进电机驱动器俯仰轴电机驱动器18M1步进电机90BYG5200D-0301五相步进电机,具体见说明书俯仰轴步进电机19Q2驱动器SH-32206三相步进电机驱动器,具体见说明书俯仰轴平衡电机驱动器20M2步进电机86BYG350C 三相步进电机,具体见说明书俯仰轴平衡步进电机21Q3驱动器SH-32206三相步进电机驱动器,具体见说明书俯仰轴平衡电机驱动器22M3步进电机86BYG350C 三相步进电机,具体见说明书俯仰轴平衡步进电机23Q4驱动器SH-32206三相步进电机驱动器,具体见说明书俯仰轴平衡电机驱动器24M4步进电机86BYG350C 三相步进电机,具体见说明书俯仰轴平衡步进电机25Q5驱动器SH-32206三相步进电机驱动器,具体见说明书俯仰轴升降电机驱动器26M5步进电机130BYG350D 三相步进电机,具体见说明书俯仰轴升降步进电机27Q6驱动器SH-32206三相步进电机驱动器,具体见说明书俯仰轴升降电机驱动器28M6步进电机130BYG350D 三相步进电机,具体见说明书俯仰轴升降步进电机29Q7驱动器SH-32206三相步进电机驱动器,具体见说明书俯仰轴升降电机驱动器30M7步进电机130BYG350D 三相步进电机,具体见说明书俯仰轴升降步进电机31Q8驱动器SH-32206三相步进电机驱动器,具体见说明书俯仰轴升降电机驱动器电气元件表垂直光路方向平行光路方向平行光路方向32M8步进电机130BYG350D 三相步进电机,具体见说明书俯仰轴升降步进电机33D1光栅尺读数头RA32BAA489B50A 雷尼绍光栅尺读数头,具体见说明书34D2光栅尺读数头RA32BAA489B50A 雷尼绍光栅尺读数头,具体见说明书35D3光栅尺读数头RA32BAA489B50A 雷尼绍光栅尺读数头,具体见说明书36D4光栅尺读数头RA32BAA489B50A雷尼绍光栅尺读数头,具体见说明书37BM1编码器CAX60-13/12E10SGB 编码器,SSI协议;具体见说明书38BM2编码器CAX60-13/12E10SGB 编码器,SSI协议;具体见说明书39BM3编码器CAX60-13/12E10SGB 编码器,SSI协议;具体见说明书40BM4编码器CAX60-13/12E10SGB编码器,SSI协议;具体见说明书41Y1压力传感器10VDC供电42Y2压力传感器10VDC供电43Y3压力传感器10VDC供电44Y4压力传感器10VDC供电45SQ1--SQ10行程限位开关电气保护46JT1急停按钮急停保护47HG 正常指示灯24VDC供电,绿色正常指示灯48HR 异常指示灯24VDC供电,红色异常指示灯49505152方位轴测角俯仰轴测角。
这本手册用5种主要诊断方法排除电路故障。
每个系统都从它的电路图开始。
这些电路图说明了每个系统配件的全部工作路径。
例如,电气负载的电源供应及负极接地,连接器的连接位置以及组成电路相关的保险丝、开关等。
要诊断并排除故障,首先要充分理解电路图。
2009 > [G4GF] 2.0 DOHC MFI > 一般事项COMPONENT LOCATION INDEXES在车辆上进行配件的拆卸工作时,参照配件位置索引。
在配件位置索引中列出了主要的配件、连接器、接地、二极管和具体位置图参考页。
在配件位置图上,能找出几乎所有配件、连接器、接地或二极管等的安装位置。
COMPONENT LOCATIONS在配件位置图上很容易找出配件位置说明中所示的配件、连接器等。
这部分说明是根据电路图所示的导线颜色和端子号 ,连接器各端子的位置,根据图示的导线颜色和端子号。
连接器配置图会帮助你,找到要检查的位置,配置图说明线束连接器,分解时配件侧连接器的平面图。
当配件侧有更多的连接器时,说明共同用连接器,也包括由两个连接器连接的共同用连接器。
CONNECTOR CONFIGURATIONSCONNECTOR VIEW AND NUMBERING ORDER 1. CONNECTOR VIEW内外连接器参照这里所表示的数字,有的连接器端子不使用这种表示方法,详细的连接器端子号码,还要参照连接器配置图。
连接器端子位子图2. NUMBERING ORDER线束布置图说明主线束,串连连接器和主线束固定部位的路线。
这些线束配置使电路检修更简便。
端子号顺序注意事项内连接器从右上侧开始往左下侧的顺序读号码外连接器从左上侧开始往右下侧的顺序读号码HARNESS LAYOUTSTROUBLESHOOTING INSTRUCTIONSTROUBLESHOOTING PROCEDURES按下面5个步骤检查。
1.核实顾客不满为了正确判断故障先让对组成电路的配件工作,之后仔细检查,并记录现象,而在未确认原因之前不允许分解。