妥思风量调节阀CVD安装指导手册
- 格式:doc
- 大小:1.27 MB
- 文档页数:10
重庆轨道交通通风空调系统设备各类风阀、电动组合风阀[培训手册](V01)[CQDT1- J-【2011】002]编制单位:北京京仪世纪电子股份有限公司编制人:闫瑞萍校对人:魏彦斌审核人:秦燕南编制时间:2011 年 2 月20 日目录1设备安装手册 (1)1.1电动风量调节阀 (1)1.2电动风量调节阀用执行器 (1)1.3电动组合风阀 (1)1.4组合风阀用SY系列电动执行器 (3)1.5风量调节阀和组合风阀就地控制箱 (4)2调试手册 (5)2.1风量调节阀用电动执行器 (5)2.2电动组合风阀用电动执行器 (6)2.3电动组合风阀 (6)2.4风量调节阀和组合风阀用就地控制箱 (7)3维修操作手册 (7)3.1风量调节阀 (7)3.2电动组合风阀 (8)3.3电动组合风阀用电动执行器 (9)3.4就地控制箱 (9)4防火阀使用说明 (9)1设备安装手册1.1电动风量调节阀风量调节阀为风管安装,设备安装应当符合相关标准。
1.2电动风量调节阀用执行器1.2.1安装示意图1.2.2安装步骤1.选择驱动轴⑧,即风量调节阀上带有顺时针开启方向标签的轴。
2.将接长轴⑥装于风量调节阀输出轴上,拧紧螺钉⑦。
3.把通用安装支架④两端弯成图示形状。
4.按图示尺寸钻孔,将固定支架④用自攻螺钉②固定在风量调节阀上。
5.按下按键①,将执行机构及风量调节阀都调整到全开的位置上。
6.将风量调节阀的轴插进执行机构的夹子里。
7.用执行机构上的卡槽卡住固定支柱③, 再用锁紧螺栓⑤将接长轴⑥与执行机构固定, 执行机构底面应与风量调节阀上面平行。
(建议:风阀安装前先装好执行器,然后再把风阀吊装到指定位置。
)1.3电动组合风阀1.3.1 安装请按包装箱内所给的底框图、节点传动图、盖板安装示意图进行。
组合式风阀的组装顺序为:底框组装——单体风阀与各支撑件安装—传动机构安装—执行机构安装、调试—试车。
1.3.1.1底框安装组合式风阀的底框是由若干单元框架联接而成。
妥思风量调节阀CVD 安装指导手册妥思空调设备(苏州)有限公司妥思风量调节阀CVD安装指导手册1.CVD风量调节阀简介妥思CVD型风量调节阀是妥思公司为中国市场推出的空调通风系统中风量调节和压力控制的阀门。
CVD型调节阀为用户提供方形和圆形阀门,可选配手动机构、电动弹簧复位、电动双位、电动连续调节执行器等,形式多样能满足用户不同要求。
CVD型风量调节阀根据用户要求,叶片可做成平行叶片、对开叶片形式。
圆形阀门也可做成碟阀。
(1)手动风量调节阀示意图(2)电动风量调节阀示意图2. 风量调节阀安装指导说明风量调节阀的选用与安装依据下列国家规范与标准以及建筑标准设计图集执行《采暖通风与空气调设计规范》GB50019-2003《通风与空调工程施工质量验收规范》GB50423-2002《洁净室施工及验收规范》JGJ71-90《风量调节阀》JB/77228-94《通风管道技术规程》JGJ141-2004《薄钢板法兰风管制作及安装》07K133《风管支吊架》03K132《管道与设备保温》98R418《管道与设备保冷》98R419风量调节阀安装,依据国家建筑标准设计图集07K120《风阀选用与安装》进行。
说明如下:1.运到施工现场的风阀产品,安装单位应报监理验收,根据装箱清单开箱查验合格证、检测报告和安装指导说明文件等,逐个校验产品的型号、规格、材质、标识及控制方式是否符合设计文件的规定,并应做好记录和各方签字确认。
2.风阀在就位安装之前应逐个检测其结构是否牢固、严密,进行开关操作试验,检查是否灵活可靠;对电动风阀要逐个通电试验并检测,做好试验记录。
3.风阀就位前必须检查其适用范围、安装位置、气流方向和操作面是否正确。
4.风阀的开闭方向、开启角度应在可视面有准确的标识。
5.安装在高处的风阀,其手动操纵装置宜距露面或操作平台1.5-1.8m。
6.风阀的操作面距墙、顶和其他设备、管道的有效距离不得小于200mm,且风阀不应安装于结构层或孔洞内。
作业指导书 控制阀组装目 次一、作业介绍 (3)二、作业流程示意图 (4)三、作业程序、标准及示范 (5)1. 班前准备 (5)2. 开工准备 (5)3. 工序控制 (5)4. 120/120-1型控制阀组装 (6)5. 质量反馈处置 (30)6. 完工要求 (30)四、工装设备、检测器具及材料 (31)五、附 件 (32)1. 配件各部名称 (32)一、作业介绍作业地点:检修车间内制动组。
适用范围:适用于铁路货车厂修120/120-1型控制阀组装作业。
上道作业:120型控制阀配件配送。
下道作业:120型控制阀性能试验。
人员要求:本岗位作业须由制动钳工完成,作业人员上岗前要进行岗前培训,并持有《岗位培训合格证》,上岗人员须持证上岗。
作业要点:劳动防护用品穿戴整齐;开工前全面检查工具、材料状态确认性能良好无故障;120/120-1型控制阀放入指定地点;搬运时,应拿稳放平,避免掉落伤人;检查制动室组装区温、湿度,温度在10-30℃之间,湿度不超过60%;力矩扳手检定不过期;检查组装配件齐全,橡胶件全部更换新品,弹簧、橡胶件须辆份配送;组装缓解阀活塞时,防松垫圈凸起面朝向下活塞;不得在阀体内组装主活塞;完工进行整理,清扫场地。
二、作业流程示意图三、作业程序、标准及示范1. 班前准备按规定穿戴好劳动保护用品,参加班前点名会。
2. 开工准备按《工装设备、检测器具、工具及材料》清单检查工装工具、样板量具及材料状态,须齐全、良好,发生异常情况时通知工长处理。
3. 工序控制3.1检查控制阀各配件齐全。
检查滑阀座、节制阀底面、滑阀底面及背面无磕碰,且研磨面的光泽须一致。
配件缺失时,应通知辆份配送作业人员查找缺失配件,由辆份配送人员补齐配件后,组装岗位作业人员方可组装作业。
3.2检查记录录入3.2.1 检查《120/120-1型货车空气控制阀主阀检修记录》(ZG-03)中检测信息齐全、准确。
3.3 橡胶件、弹簧复核3.3.1 检查橡胶模板应有生产厂家和生产时间标记。
阀门安装操作维护手册编制人:焦长安审核人:批准人:2010年6月1日发布2010年6月1日实施榆济输气管道项目经理部发布榆济输气管道项目阀门安装操作维护手册目录编制说明一、线路截断阀和站场ESDV阀 (4)1安装注意事项 (4)2水压测试 (10)3、二级阀座密封 (11)4、阀位指示 (11)5、气液联动执行机构操作方法 (11)6常见故障及处理方法 (14)7维修保养 (14)二、站场ESDV球阀 (19)1RotorkIQ电动执行机构及齿轮箱与阀门现场组装流程 (19)2安装操作要求 (19)3水压试验要求 (21)4阀门泄露检查 (21)5常见故障及处理 (23)6维护保养 (24)三、站场锻钢固定球阀 (26)1电动执行机构和气液联动执行机构的安装 (26)2储运 (26)3安装 (28)4阀门的操作 (29)5其它(同站场ESDV阀) (30)四、旋塞阀 (31)2常见故障及处理方法 (33)3维护保养 (34)五、10-90注脂泵、400D注脂枪 (37)1工作原理 (37)2基本参数 (37)3注脂操作步骤 (38)4安全注意事项 (39)5常见故障及处理方法 (39)6400D注脂枪使用步骤 (39)六、先导式安全阀 (41)1设备结构及特点 (41)2性能特点 (42)4常见故障及处理 (43)5维护保养 (43)七、阀套式排污阀 (44)1工作原理 (44)2结构及特点 (45)3安装、使用和维护 (45)4常见故障和处理方法 (45)八、节流截止放空阀 (47)1工作原理 (47)2结构及特点 (47)3保管、安装、使用和维护 (48)4常见故障和处理方法48编制说明阀门的保管与安装质量直接影响着阀门的使用,为了进一步加强阀门在运输、装卸、保管、安装、操作和养护各个环节的控制,保证阀门的质量,项目部在结合各生产厂家安装、操作和维修手册的基础上,编制了本项目使用的阀门操作维护手册,请各个施工安装单位认真学习,并对照手册的要求安装、操作和维护阀门。
风量调节阀安装,依据国家建筑标准设计《风阀选用与安装》进行。
说明如下:1.运到施工现场的风阀产品,安装单位应报监理验收,根据装箱清单开箱查验合格证、检测报告和安装指导说明文件等,逐个校验产品的型号、规格、材质、标识及控制方式是否符合设计文件的规定,并应做好记录和各方签字确认。
2.风阀在就位安装之前应逐个检测其结构是否牢固、严密,进行开关操作试验,检查是否灵活可靠;对电动风阀要逐个通电试验并检测,做好试验记录。
3.风阀就位前必须检查其适用范围、安装位置、气流方向和操作面是否正确。
4.风阀的开闭方向、开启角度应在可视面有准确的标识。
5.安装在高处的风阀,其手动操纵装置宜距露面或操作平台1.5-1.8m。
6.风阀的操作面距墙、顶和其他设备、管道的有效距离不得小于200mm,且风阀不应安装于结构层或孔洞内。
阀周边缝宽度宜大于150mm。
7.检查连接风管预留的法兰尺寸、配钻孔径与孔距、法兰面的平整度和平行度、垫片材质和厚度、非金属风管的连接方式等是否符合要求。
8.检查支、吊架位置及做法是否符合规范或设计文件要求。
单件风阀重量大于50kg的应设单独的支、吊架;电动风阀一般宜设单独支、吊架;用于软质非金属风管系统的风阀一般也宜设单独支、吊架。
9.用于洁净通风系统的风阀安装前必须按要求清洁阀体内表面,达到相应的洁净标准后封闭两端,封装板在就位后方可去除。
擦洗净化空调系统风阀内表面应采用不掉纤维的材料,擦洗干净后的风阀不得在没有做好墙面、地面、门窗的房间内存放,临时存放场所必须保持清洁。
10.输送介质温度超过80℃的风阀,除按设计要求做好保温隔热外,还应仔细核对伸缩补偿措施和防护措施。
11.设于净化系统中效过滤器后的调节风阀叶片轴如有外露,则应对其与阀间的缝隙进行密封处理,确保不泄露。
12.连接风阀与风管法兰、薄钢板法兰或无法兰连接的紧固件均应采用镀锌件。
除镀锌板材料的风阀外,不锈钢、铝合金材料的风阀连接件均应同材质,且其支、吊架如是钢质,还应采用厚度不小于60mm的防腐木垫或5mm橡胶板垫,使之与阀体绝缘。
技术交底记录编号
工程名称前海华润金融中心项目施工
总承包工程--机电工程
交底日期2017年2月日
施工单位中铁建设集团有限公司分项工程名称风阀安装
交底提要风阀施工要点
交底内容:
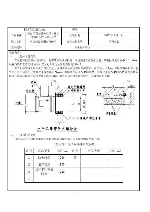
一、防护套管安装
在风管穿过需要封闭的防火、防爆的墙体或楼板时,应设预埋管或防护套管,其钢板厚度不应小于1。
6mm.风管与防护套管之间,应用不燃且对人体无危害的柔性材料封堵。
本工程穿空调机房风机房以及防火分区墙体的风管均需设防护套管,套管采用1.6mm厚焊接钢板制作,套管尺寸为比风管尺寸宽高尺寸每边各大50mm,例如风管尺寸为300×200,套管尺寸则为400×300,长度为墙体厚度,套管与风管之间用玻璃棉填充封堵。
套管安装时确保风管居中。
具体做法如下图
二、风阀部件安装
风管安装时,如风阀未到场需预留风阀长度距离,本工程风阀长度如下表:
华润前海工程风阀部件长度参数
序号产品类型长度(mm)序号产品类型长度(mm)
1 防火阀类210 5
2 消声器类900
3 对开多叶调节
阀类
210
4。
安装调试作业指导手册为了规范生产调试工作,提高产品服务质量和安装调试质量,特制定此安装调试作业指导书:一、总则1、行为规范1.1、项目经理、项目主管及安装调试人员每周定期向主管的部门经理汇报,汇报形式可通过电话、传真或电邮等方式,内容包括工程进度、工作计划及存在的问题等。
遇紧急情况应及时反馈。
1.2、外出服务的人员应着装整齐,言谈举止有理有节,时刻维护企业形象,并严格按照业主和安装公司的安全规程进行施工调试;1.3、安装与调试的员工所面对的是用户和安装公司,因此在工作中应以用户为中心,努力配合安装公司,努力提高设备安装调试质量。
1.4、安调人员不得向其他人员透露有关本所的商业机密和技术核心内容。
1.5、安调人员在外工作过程中必须遵守国家法律法规和服务对象的企业规章制度和安全规定。
2、安装调试任务的接受:2.1、安装调试任务由工程部分管经理或项目经理统一安排指定合适人选,执行人接受安装调试任务后应于第一时间了解任务的具体情况,包括系统配臵、产品质量跟踪卡,行车路线及联系人,现场工程进度及施工方案。
2.2、应尽快与用户项目负责人取得联系,准确了解现场施工进度。
确认现场是否具备安装调试条件。
2.3、工程部人员出差前需要填写出差登记表3、现场服务的准备工作:3.1、工具:根据所接受的任务携带相关工具、名片,应俱全携带,公用工具到文员处登记领用。
领用办法见工程部关于备件和公用工具的领用通知3.2、配件:本所所涉及产品的接插件、专用螺丝螺栓、常用芯片、板卡、易损件等应俱全配备。
领用办法见工程部关于备件和公用工具的领用通知。
3.3、资料:安装调试报告、回访表、质量跟踪卡、施工图纸、便签等。
3.4、返修件:在文员处查询是否有相关的设备在公司维修,如果有就要随身携带或者同步发回使用厂家。
4、现场服务:4.1、安全:本公司安装调试人员在施工现场应时刻牢记施工安全,一方面要保全自身及财产安全,另一方面应注意保护系统设备的安全。
风阀产品操作维修指导手册(实用)目录执行器主要参数介绍 1.1组合风阀执行器介绍 1.2电动风量调节阀执行器介绍 1.3电动防火阀执行器介绍 1.4全电动防火执行器介绍 1.5自动防火阀执行机构介绍各类风阀\防火阀执行器接线原理图 2.1 组合风阀执行机构(DKJ-310/410XG)接线端子图(见附件图1) 2.2 超快速风阀执行机构(LMQU24\NMQU24\SMQU24)接线原理图和端子图(见附件图2) 2.3 快速风阀执行机构(LMS230\NMS230) 接线原理图和端子图(见附件图3) 2.4 电动防火阀执行机构(BF230) 接线原理图和端子图(见附件图4) 2.5 全电动防火阀执行机构(DL-Ⅷ-1) 接线原理图和端子图(见附件图5) 2.6 自动防火阀两个执行机构(DL-Ⅰ)并联接线原理图和端子图(见附件图6) 执行器主要参数介绍组合风阀执行器主要参数介绍深圳地铁五号线组合风阀的执行器主要选用了上海上仪仪表阀门有限公司DKJ-XG(A)型高温角行程电动执行机构(带延时报警功能)。
a.型号规格:序号型号输出转矩(N.m)行程时间S/90°额定电流(A)耐温能力 1 DKJ -310 XG 250 25 0.7 耐温250℃ 1h 2 DKJ -410 XG 600 25 1.3 耐温250℃ 1h b.工作原理及结构说明DKJ-XG(A)型高温角行程电动执行机构是一个由交流伺服电机为原动力的位置伺服机构,通过开关来控制机构启动或停止,带动阀门工作。
交流伺服电动机:该系列的单相伺服电动机具有较大的启动转矩,在断电瞬间能迅速制动的特性。
其原理为:当电动机失电时,磁吸力消除,则借助于制动盘上的压缩弹簧的力,使制动盘和制动轮之间接合,从而产生摩擦力矩,使电动机迅速停止转动,克服惰走现象。
当就地手操时,只要将电机上后端的旋转钮切到“手动”位置,即可使制动盘和制动轮脱开,进行就地手动操作执行机构上的手柄,达到开和关的目的。
设备启动前注意事项装配与拆卸安装1.水泵的安装基础2.水泵的安装3.安装说明起动、停止与运转滚动轴承的维护保养机械密封的维护保养运行中的维护故障原因及解决办法1.不能启动2.水量压力不足3.振动与噪音4.扬水不能5.电流过载不满意反馈表目 录1256788910101010111112121311.先清洗管路,排除焊渣及异物,防止杂物进入泵腔,损坏机械 密封及叶轮。
2.设备安装时,泵、电机的同心度应重新校正。
3.应将管路、泵腔内的空气排净,防止干磨而损坏机械密封导致 机械密封漏水。
4.水泵启动前,先将进口管路阀门全开,出口阀门全闭。
泵启动 后,再逐渐开启出口阀门,并调节压力到铭牌所标示压力值,同 时监控电机电流(详见电机铭牌)。
设备启动前注意事项本手册中安全注意事项为注意: 注意注意:表示可能的危险情况,如未排除将造成人员或设备中、低程度伤害。
!注意!:移动、维护电泵时必须切断电源。
:为确保设备安全运行,请详细阅读本《安装操作维护手册》。
注意!41)装配前应检查所有零件有无影响装配的缺陷,并清理毛刺、擦洗干净,方可 进行装配。
2)电机-中承座组装:将电机转子总成(含轴承,设置小圆螺母的含小圆螺母) 装入中承座,(注意A型密封圈与挡水圈应同时安装,设置下轴承压盖的用螺 栓锁紧);将电机机壳(含定子)装入中承座并用螺栓锁紧;将电机上端盖 装入电机机壳上止口,(注意设置波形弹簧的应同时安装,设置上轴承压盖 的应用三根长螺杆作导向后,依次锁紧螺栓);装入电机风扇,轴用弹性挡 圈锁紧,装入电机风扇罩壳,螺钉锁紧。
3)安装机械密封及叶轮:用丙酮清洗机械密封静环座处,机械密封静环密封圈 上涂抹机油后装入静环座处,用丙酮清洗机封动、静环摩擦副,在轴上涂抹 机油后将机封动环装置装到轴上;依次装入键、叶轮、止退垫圈、叶轮螺母, 锁紧叶轮螺母,撬起止退垫圈。
4)拧入排气孔丝堵(注意使用生料带密封)。
5)泵体、前盖、90°弯管、泵支架组装:将密封环装入前盖,对称钻攻2-M6 骑缝螺孔,拧入2-M6×10螺钉;将O型圈装入前盖止口;将前盖装入泵支架, 装入泵体,锁紧三者联接螺栓;将90°弯管加橡胶垫片按规定方向装于前盖 进口法兰,锁紧螺栓。
3/1.3/CH/1 风量调节阀VCD型妥思空调设备(苏州)有限公司苏州工业园区东兴路7号#3厂房邮编:215006电话:*************/72/73传真:*************网址:电子信箱:*********************上海办事处电话:************/39北京办事处电话:************/48广州办事处电话:************/69目录·描述——————————————2描述2结构·材料3标准型号5安装细节·法兰钻孔细节8产品范围9技术数据·参数表10技术数据11订货须知12妥思VCD型多叶风量调节阀是专门为通风空调系统中风量调节和压力控制而设计的。
而且,C2型调节阀的边缘和顶端还带有密封,在风阀关闭时的漏风量能够满足UL 555S Class II 的标准。
VCD型调节阀可为用户提供方型、矩形、圆形和椭圆形的调节阀。
风阀外框体坚固耐用,可与带法兰框的风管直接连接,或接一段连接短管。
风阀叶片顶端带有沟槽,可在关闭时使阀门进行自锁,减少漏风。
阀门叶片为平行动作,也可提供对开型叶片。
叶片顶端和侧面的密封措施使阀门可用于低泄漏量要求的场合。
根据要求,该类风阀可以装配手动限位四分仪,也可配备电动执行器。
结构·材料——————————————3VCD …P …E 型风阀VCD 型风阀平行叶片结构 - 风阀外框和叶片采用镀锌钢板,满足BS 2989 Z2 G275M 标准或同类标准。
- 风阀轴承材料为青铜,可以耐300℃的高温。
- 叶片由直径是12mm 的轴相连接,轴体材料为不锈钢。
- 对平行动作的叶片,标准连接为叶片面连接。
或者对平行或对开型的阀门也可以选择侧连接。
- 叶片与8mm 直径的不锈钢连杆的连接是与直径为16mm 铜插销采用插销式方法连接。
VCP 型风阀 - 基本结构同VCD 型风阀,但是阀门叶片、驱动轴以及两者之间的固定件的材料为不锈钢(满足Grade 304或同类标准)。
调节阀的安装、维护规程一调节阀的安装1.在安装阀门之前,检查阀和相关设备看是否有损坏和任何异物。
2.管线中的砂粒、水垢、金属屑及其他杂物会损坏调节阀的表面,使其关闭不严,因此,在安装调节阀之前,全部安装管线和管件都要吹扫并彻底净化,确保阀内部清洁干净,管线中无异物。
3.阀门应正确定位使管线流向与阀体或阀体法兰上介质流向箭头方向一致。
4.控制阀组件可以安装在任何方位上,除非受到防震准则的限制。
但是,最常用的方式是将执行机构垂直安装在阀的上方。
其它位置可能导致阀芯和阀座不均匀的磨损及不适当的操作。
对于某些阀,当执行机构不垂直时,它可能还需要用支持物支持。
5.在管线中安装阀门时,采用公认的配管和焊接方法。
对于法兰连接型阀门,在阀和管线法兰之间应使用一个合适的密封圈。
6. 调节阀安装时,必须考虑到调节阀在现场维修或日常拆卸维修的可能性,维修费用的高低取决于接近阀门的方便性。
尤其是一些高位置的阀门,更需要考虑维护调节阀所需的空间、间隙和方便性。
7. 若执行机构和阀门分开装运,由参见相应的执行机构使用说明书中的安装、调试方法。
二、调节阀的维护阀门零件会产生正常的磨损,因此必须根据需要进行检查和更换。
检查和维修的频繁次数取决于工艺条件的苛刻程度而定。
█! 警告应避免因工艺过程压力突然释放或零件爆裂引发的人员伤害或财产损坏事故。
在进行任何维护操作之前,应该:●当进行任何维修操作时,始终要穿戴上保护手套、衣服及护镜,以免人员伤害。
●切断所有给执行机构供应气压、电源或控制信号的任何操作线路。
确保执行机构不会突然打开或关闭阀门。
●利用旁路或完全关断工艺过程的方式来将工艺压力与阀隔离开。
完全释放阀两侧的过程压力,排放阀两侧的工艺介质。
●放空气动执行机构加载压力并释放任何执行机构弹簧预压缩力。
●采用锁定方式确保上述措施在你对设备进行操作时保持有效。
既便阀已从管线上撤除,阀的填料函可能包含受压的工艺流体,因此当取下填料硬件或填料环时,工艺流体可能会在压力下向外喷出。
上虞专用风机有限公司SHANGYU SPECIAL FANS CO.,LTD.深圳地铁5号线工程环控系统风阀设备采购合同操作维修指导手册编制:吕晓锋校对:梁利均批准:蒋洪涛上虞专用风机有限公司2010年5月目录1.执行器主要参数介绍1.1组合风阀执行器介绍1.2电动风量调节阀执行器介绍1.3电动防火阀执行器介绍1.4全电动防火执行器介绍1.5自动防火阀执行机构介绍2.各类风阀\防火阀执行器接线原理图2.1 组合风阀执行机构(DKJ-310/410XG)接线端子图(见附件图1)2.2 超快速风阀执行机构(LMQU24\NMQU24\SMQU24)接线原理图和端子图(见附件图2)2.3 快速风阀执行机构(LMS230\NMS230) 接线原理图和端子图(见附件图3) 2.4 电动防火阀执行机构(BF230) 接线原理图和端子图(见附件图4)2.5 全电动防火阀执行机构(DL-Ⅷ-1)接线原理图和端子图(见附件图5) 2.6 自动防火阀两个执行机构(DL-Ⅰ)并联接线原理图和端子图(见附件图6)1.执行器主要参数介绍1.1组合风阀执行器主要参数介绍深圳地铁五号线组合风阀的执行器主要选用了上海上仪仪表阀门有限公司DKJ-XG(A)型高温角行程电动执行机构(带延时报警功能)。
a.型号规格:序号型号输出转矩(N.m)行程时间S/90°额定电流(A)耐温能力1 DKJ -310 XG 250 25 0.7 耐温250℃ 1h2 DKJ -410 XG 600 25 1.3 耐温250℃ 1hb.工作原理及结构说明DKJ-XG(A)型高温角行程电动执行机构是一个由交流伺服电机为原动力的位置伺服机构,通过开关来控制机构启动或停止,带动阀门工作。
交流伺服电动机:该系列的单相伺服电动机具有较大的启动转矩,在断电瞬间能迅速制动的特性。
其原理为:当电动机失电时,磁吸力消除,则借助于制动盘上的压缩弹簧的力,使制动盘和制动轮之间接合,从而产生摩擦力矩,使电动机迅速停止转动,克服惰走现象。
DR软化阀安装使用维护手则一、安装:1.选择合适位置:软化阀应该安装在水流进入建筑物的地方,离水表不远处。
保证软化阀可以方便地接触到水源,避免出现管道过长或过弯弯曲。
2.水平安装:软化阀应该水平安装,确保安装的平稳牢固。
安装时应使用垫片和螺丝固定软化阀,保证其不会晃动或倾斜。
3.连接管线:根据软化阀的进水口和出水口连接管线,使用合适的管道和接头,确保连接紧密可靠,避免漏水。
4.排放废水:软化阀在软化过程中会产生废水,应该将废水排放至污水管道或下水道,不能直接排放到环境中。
5.检查安装:安装完成后,应该检查软化阀的连接是否牢固,管道是否正常通畅,软化阀是否工作正常。
二、使用:1.开启软化阀:启动软化阀前,应该确保软化剂储罐中有足够的盐药。
按照软化阀说明书上的操作步骤,开启软化阀并调节工作参数。
2.监控软化效果:定期检查软化阀的软化效果,观察水质是否变软,若软化效果不佳,应该及时调整软化阀的参数或添加盐药。
3.添加盐药:软化阀内的软化剂需要定期添加盐药,保持软化效果。
根据软化阀的使用频率和水质硬度,合理添加盐药。
4.定期维护:定期清洁软化阀和软化剂储罐,确保软化阀的正常运行。
定期检查软化阀的各个部件,如阀门、管道等,发现问题及时修复或更换。
5.保持稳定使用环境:软化阀应该安装在通风干燥的环境中,避免长时间暴露在阳光下或潮湿环境中,以延长软化阀的使用寿命。
三、维护:1.定期清洁:软化阀内部可能会积聚碳酸钙等物质,影响软化效果,应该定期清洁软化阀的内部,保持通畅。
2.更换软化剂:软化阀的软化剂有一定的寿命,过期或用尽时应该及时更换,避免影响软化效果。
3.检查阀门和管道:定期检查软化阀的阀门和管道,确保其正常运行,避免漏水或故障。
4.保养软化阀:软化阀的密封圈、阀体等易受损部件需要定期保养,润滑以延长其使用寿命。
5.定期维护:定期请专业维修人员对软化阀进行维护和保养,确保软化阀的正常运行和延长使用寿命。
妥思风量调节阀CVD 安装指导手册
妥思空调设备(苏州)有限公司
妥思风量调节阀CVD安装指导手册
1.CVD风量调节阀简介
妥思CVD型风量调节阀是妥思公司为中国市场推出的空调通风系统中风量调节和压力控制的阀门。
CVD型调节阀为用户提供方形和圆形阀门,可选配手动机构、电动弹簧复位、电动双位、电动连续调节执行器等,形式多样能满足用户不同要求。
CVD型风量调节阀根据用户要求,叶片可做成平行叶片、对开叶片形式。
圆形阀门也可做成碟阀。
(1)手动风量调节阀示意图
(2)电动风量调节阀示意图
2. 风量调节阀安装指导说明
风量调节阀的选用与安装依据下列国家规范与标准以及建筑标准设计图集执行《采暖通风与空气调设计规范》GB50019-2003
《通风与空调工程施工质量验收规范》GB50423-2002
《洁净室施工及验收规范》JGJ71-90
《风量调节阀》JB/77228-94
《通风管道技术规程》JGJ141-2004
《薄钢板法兰风管制作及安装》07K133
《风管支吊架》03K132
《管道与设备保温》98R418
《管道与设备保冷》98R419
风量调节阀安装,依据国家建筑标准设计图集07K120《风阀选用与安装》进行。
说明如下:
1.运到施工现场的风阀产品,安装单位应报监理验收,根据装箱清单开箱查验合格证、检测报告和安装指导说明文件等,逐个校验产品的型号、规格、材质、标识及控制方式是否符合设计文件的规定,并应做好记录和各方签字确认。
2.风阀在就位安装之前应逐个检测其结构是否牢固、严密,进行开关操作试验,检查是否灵活可靠;对电动风阀要逐个通电试验并检测,做好试验记录。
3.风阀就位前必须检查其适用范围、安装位置、气流方向和操作面是否正确。
4.风阀的开闭方向、开启角度应在可视面有准确的标识。
5.安装在高处的风阀,其手动操纵装置宜距露面或操作平台1.5-1.8m。
6.风阀的操作面距墙、顶和其他设备、管道的有效距离不得小于200mm,且风阀不应安装于结构层或孔洞内。
阀周边缝宽度宜大于150mm。
7.检查连接风管预留的法兰尺寸、配钻孔径与孔距、法兰面的平整度和平行度、垫片材质和厚度、非金属风管的连接方式等是否符合要求。
8.检查支、吊架位置及做法是否符合规范或设计文件要求。
单件风阀重量大于50kg的应设单独的支、吊架;电动风阀一般宜设单独支、吊架;用于软质非金属风管系统的风阀一般也宜设单独支、吊架。
9.用于洁净通风系统的风阀安装前必须按要求清洁阀体内表面,达到相应的洁净标准后封闭两端,封装板在就位后方可去除。
擦洗净化空调系统风阀内表面应采用不掉纤维的材料,擦洗干净后的风阀不得在没有做好墙面、地面、门窗的房间内存放,临时存放场所必须保持清洁。
10. 输送介质温度超过80℃的风阀,除按设计要求做好保温隔热外,还应仔细核
对伸缩补偿措施和防护措施。
11. 设于净化系统中效过滤器后的调节风阀叶片轴如有外露,则应对其与阀间的缝隙进行密封处理,确保不泄露。
12. 连接风阀与风管法兰、薄钢板法兰或无法兰连接的紧固件均应采用镀锌件。
除镀锌板材料的风阀外,不锈钢、铝合金材料的风阀连接件均应同材质,且其支、吊架如是钢质,还应采用厚度不小于60mm的防腐木垫或5mm橡胶板垫,使之与阀体绝缘。
13. 法兰垫片厚度设计无规定时,一般不小于3mm;垫片不应凸入阀内,不宜突出法兰外,净化系统的法兰垫片应选用弹性好、不透气、不产尘的材料,如橡胶
板或硅胶板等,严禁采用泡沫塑料、厚纸板、石棉绳、铅油麻丝及油毡纸等含开孔孔隙和易产尘的材料。
密封垫厚度根据材料弹性大小决定,一般为4-6mm,一对法兰的密封垫规格、性能及垫层厚度应相同。
严禁在密封垫上涂刷涂料,法兰密封尽量减少接头,做接头时要采用阶梯形或企口形,并涂密封胶,如下图所示:14. 风阀安装的水平度误差不大于3%,垂直度误差不大于2%,不单独设支、吊架的风阀安装公差随风管一起控制精度。
采用薄钢板法兰风管连接应符合下列规定:
14.1 连接完整无缺损,表面应平整,无明显扭曲。
14.2 弹簧夹或紧固螺栓的间隔不应大于150mm,且分布均匀,无松动现象。
15. 风阀安装后一般与风管系统一同进行严密性检测与试验,但为了减少风阀的调整试验次数,应对电动风阀和洁净系统、实验室风系统的风阀单独进行安装完毕后的严密性检测(一般作漏光试验和单阀试运转)。
系统调试完毕之后的各风阀的开启角度应用色漆标识清楚,并做好记录。
16. 多叶风量调节阀具体要求
16.1 检查阀片开启角与指示位置是否相吻合。
16.2 旋转手柄或启动风阀、检查阀片是否碰擦阀体。
16.3 密封件是否牢拿、紧密。
17. 电动阀门的安装检测与试验内容:
17.1 绝缘电阻、接地电阻、耐压。
17.2 AC/DC工作电压稳定。
17.3 静态和动态(最大压差)的功率测定。
17.4 控制与反馈信号测试。
18. 附安装实例图(依据国家建筑标准设计图集07K120《风阀选用与安装》)18.1 吊架,吊支架安装图
6
18.2 侧墙斜撑型安装图
7
18.3 电动风量调节阀安装图
对于执行器保温盒一侧风阀与风管法兰连接,推荐采用铆钉联结
8
18.4 风阀安装材料表
9
10。