内六角螺栓及螺母尺寸表
- 格式:doc
- 大小:307.00 KB
- 文档页数:7
螺丝尺寸对应内六角扳手的四个方面发布时间:10-08-18 来源: VESSEL CO.,INC. 点击量:33197 字段选择:大中小一、公制内六角螺栓与内六角扳手尺寸对照表:内六角螺栓==对应内六角扳手尺寸M3←→M4←→3M5←→4M6←→5M8←→6M10←→8M12←→10M14←→12M16←→14M18←→14M20←→17M22←→17攻螺纹底孔的计算:脆性材料(铸铁、青铜等):钻孔直径d0=d(螺纹外径)(螺距)塑性材料(钢、紫铜等):钻孔直径d0=d(螺纹外径)-p(螺距)二、内六角扳手的型号比螺丝的型号下多少比如6#内六角扳手用来拧M8的内六角螺丝4#←→M55#←→M66#←→M88#←→M1010#←→M1212#←→M14,M1614#←→M16,M2017#←→M2019#←→M2422#←→M3027#←→M36三、外六角所用的开口扳手以六角螺母对应比较准确,因为存在六角头螺栓和小六角头螺栓。
常用的开口扳手规格为:7、8、10、14、17、19、22、24、27、30、32、3 6、41、46、55、65;对应螺纹规格为:M4、M5、M6、M8、M10、M12、M14、M16、M18、M20、M22、M24、M27、M30、M36、M42全套内六角扳手中最小规格为3,其对应关系为S3=M4、S4=M5、S5=M6、S6 =M8、S8=M10、S10=M12、S12=M14-M16、S14=M18-M20、S17=M22-M24、S19=M27-M30、S24=M36、S27=M42。
攻丝前螺纹底孔直径的计算方法:对于脆性材料按照基本尺寸螺距,对于塑性材料按照螺纹基本尺寸-螺距+。
脆性材料在攻丝时为纯切削状态,底孔尺寸为螺纹牙底圆直径,塑性材料在攻丝时由于材料受力后产生塑性变形,材料会向螺纹小径移动,因此底孔应该适当加大。
对于M6以下的螺纹孔,不分材料性质,统一按基本尺寸-螺距.钻孔一般用螺栓大径D减去螺距.四、公制外六角螺栓和套筒(梅花)扳手对边尺寸对照表:螺栓尺寸对应扳手或套筒对边尺寸M3←→5.5MMM4←→7MMM5←→8MMM6←→10MMM8←→13MM(14MM)M10←→16MM(17MM)M12←→18MM(19MM)M14←→21MM(22MM)M16←→24MMM18←→27MMM20←→30MMM22←→34MM括号中的尺寸为GB旧标准尺寸。
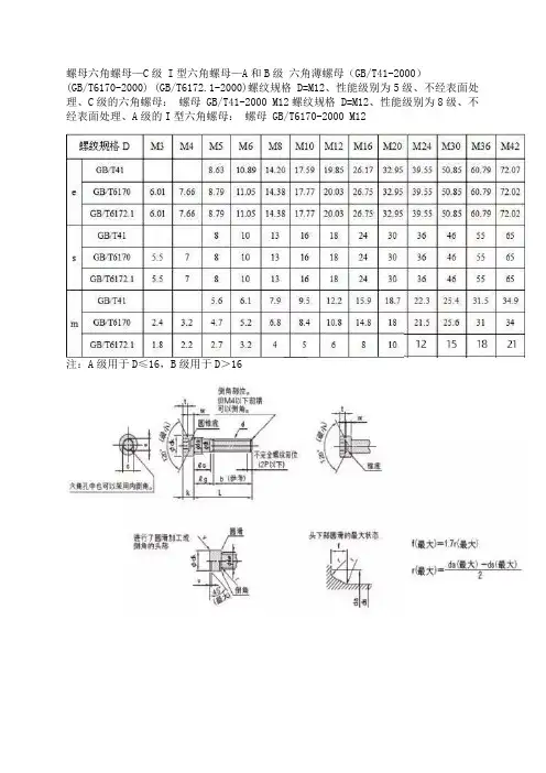
内六角螺栓及螺母尺寸表
螺母
六角螺母—C级I型六角螺母—A和B级六角薄螺母
(GB/T41-2000)(GB/T6170-2000)
(GB/T6172.1-2000)
标记示例
螺纹规格D=M12、性能级别为5级、不经表面处理、C级的六角螺母:螺母GB/T41-2000 M12 螺纹规格D=M12、性能级别为8级、不经表面处理、A级的I型六角螺母:螺母GB/T6170-2000 M12mm
注(1):s(最大)的1栏适用于强度8.8及10.9及性状A2-50、A2-70的内容,2栏适用于强度12.9的内容。
但根据双方当事人之间协议,强度12.9的内容也可以适用1栏。
螺纹的公称直径M20以上的s(最大)适用于所有的强度及性状内容。
注(2):螺纹的公称直径中带括号的尽量不要使用。
备注:1.头部的侧面带有直纹或网纹[参照JIS B 0951(滚花)]。
此时,dk(最大)为该表中的带**的数值。
此外,需要没有滚花的货时,订货人必须指定。
但该dk(最大)为该表中带*的数值。
2.对于螺纹的公称直径建议使用的公称长度(ℓ)为粗线框内的内容。
如果ℓ比虚线位置短的为全螺纹,杆部的不完全螺纹长度约为3P。
3.公称长度(ℓ)比虚线位置长的话,ℓg(最大)及ℓs(最小)根据下式决定。
ℓg(最大)=公称长度(ℓ)-b
参考:内六角螺栓的沉头孔及螺栓孔的尺寸。
螺母六角螺母—C级 I型六角螺母—A和B级六角薄螺母(GB/T41-2000)
(GB/T6170-2000) (GB/T6172.1-2000)螺纹规格 D=M12、性能级别为5级、不经表面处理、C级的六角螺母:螺母 GB/T41-2000 M12螺纹规格 D=M12、性能级别为8级、不经表面处理、A级的I型六角螺母:螺母 GB/T6170-2000 M12
注:A级用于D≤16,B级用于D>16
注(1):s(最大)的1栏适用于强度8.8及10.9及性状A2-50、A2-70的内容,2栏适
用于强度12.9的内容。
但根据双方当事人之间协议,强度12.9的内容也可以适用1栏。
螺纹的公称直径M20以上的s(最大)适用于所有的强度及性状内容。
注(2):螺纹
的公称直径中带括号的尽量不要使用。
备注:1.头部的侧面带有直纹或网纹[参照JIS B 0951(滚花)]。
此时,dk(最大)为该表中的带**的数值。
此外,需要没有滚花的货时,订货人必须指定。
但该dk(最大)为该表中带*的数值。
2.对于螺纹的公称直径建议使
用的公称长度(ℓ)为粗线框内的内容。
如果ℓ比虚线位置短的为全螺纹,杆部的不完全
螺纹长度约为3P。
3.公称长度(ℓ)比虚线位置长的话,ℓg(最大)及ℓs(最小)根据下式决定。
ℓg(最大)=公称长度(ℓ)-bℓs(最小)=ℓg(最大)-5P
参考:内六角螺栓的沉头孔及螺栓孔的尺寸。
一、公制内六角螺栓与内六角扳手尺寸对照表:内六角螺栓==对应内六角扳手尺寸M3←→2.5M4←→3M5←→4M6←→5M8←→6M10←→8M12←→10M14←→12M16←→14M18←→14M20←→17M22←→17攻螺纹底孔的计算:脆性材料(铸铁、青铜等):钻孔直径d0=d(螺纹外径)-1.1p(螺距)塑性材料(钢、紫铜等):钻孔直径d0=d(螺纹外径)-p(螺距)二、内六角扳手的型号比螺丝的型号下多少?比如6#内六角扳手用来拧M8的内六角螺丝?4#←→M55#←→M66#←→M88#←→M1010#←→M1212#←→M14,M1614#←→M16,M2017#←→M2019#←→M2422#,←→M3027#←→M36三、外六角所用的开口扳手以六角螺母对应比较准确,因为存在六角头螺栓和小六角头螺栓。
常用的开口扳手规格为:7、8、10、14、17、19、22、24、27、30、32、36、41、46、55、65;对应螺纹规格为:M4、M5、M6、M8、M10、M12、M14、M16、M18、M20、M22、M24、M27、M30、M36、M42全套内六角扳手中最小规格为3,其对应关系为S3=M4、S4=M5、S5=M6、S6=M8、S8=M10、S10=M12、S12=M14-M16、S14=M18-M20、S17=M22-M24、S19=M27-M30、S24=M36、S27=M42。
攻丝前螺纹底孔直径的计算方法:对于脆性材料按照基本尺寸-1.0826螺距,对于塑性材料按照螺纹基本尺寸-螺距+0.1。
脆性材料在攻丝时为纯切削状态,底孔尺寸为螺纹牙底圆直径,塑性材料在攻丝时由于材料受力后产生塑性变形,材料会向螺纹小径移动,因此底孔应该适当加大。
对于M6以下的螺纹孔,不分材料性质,统一按基本尺寸-螺距.钻孔一般用螺栓大径D减去螺距.四、公制外六角螺栓和套筒(梅花)扳手对边尺寸对照表:螺栓尺寸对应扳手或套筒对边尺寸M3←→5.5MMM4←→7MMM5←→8MMM6←→10MMM8←→13MM(14MM)M10←→16MM(17MM)M12←→18MM(19MM)M14←→21MM(22MM)M16←→24MMM18←→27MMM20←→30MMM22←→34MM括号中的尺寸为GB旧标准尺寸。
一、公制内六角螺栓与内六角扳手尺寸对照表:内六角螺栓==对应内六角扳手尺寸M3←→2.5M4←→3M5←→4M6←→5M8←→6M10←→8M12←→10M14←→12M16←→14M18←→14M20←→17M22←→17攻螺纹底孔的计算:脆性材料(铸铁、青铜等):钻孔直径d0=d(螺纹外径)-1.1p(螺距)塑性材料(钢、紫铜等):钻孔直径d0=d(螺纹外径)-p(螺距)二、内六角扳手的型号比螺丝的型号下多少?比如6#内六角扳手用来拧M8的内六角螺丝?4#←→M55#←→M66#←→M88#←→M1010#←→M1212#←→M14,M1614#←→M16,M2017#←→M2019#←→M2422#,←→M3027#←→M36三、外六角所用的开口扳手以六角螺母对应比较准确,因为存在六角头螺栓和小六角头螺栓。
常用的开口扳手规格为:7、8、10、14、17、19、22、24、27、30、32、36、41、46、55、65;对应螺纹规格为:M4、M5、M6、M8、M10、M12、M14、M16、M18、M20、M22、M24、M27、M30、M36、M42全套内六角扳手中最小规格为3,其对应关系为S3=M4、S4=M5、S5=M6、S6=M8、S8=M10、S10=M12、S12=M14-M16、S14=M18-M20、S17=M22-M24、S19=M27-M30、S24=M36、S27=M42。
攻丝前螺纹底孔直径的计算方法:对于脆性材料按照基本尺寸-1.0826螺距,对于塑性材料按照螺纹基本尺寸-螺距+0.1。
脆性材料在攻丝时为纯切削状态,底孔尺寸为螺纹牙底圆直径,塑性材料在攻丝时由于材料受力后产生塑性变形,材料会向螺纹小径移动,因此底孔应该适当加大。
对于M6以下的螺纹孔,不分材料性质,统一按基本尺寸-螺距.钻孔一般用螺栓大径D减去螺距.四、公制外六角螺栓和套筒(梅花)扳手对边尺寸对照表:螺栓尺寸对应扳手或套筒对边尺寸M3←→5.5MMM4←→7MMM5←→8MMM6←→10MMM8←→13MM(14MM)M10←→16MM(17MM)M12←→18MM(19MM)M14←→21MM(22MM)M16←→24MMM18←→27MMM20←→30MMM22←→34MM括号中的尺寸为GB旧标准尺寸。
螺丝尺寸对应内六角扳手的四个方面发布时间:10-08-18 来源:VESSEL CO.,INC.点击量:33197 字段选择:大中小一、公制内六角螺栓与内六角扳手尺寸对照表:内六角螺栓==对应内六角扳手尺寸M3←→2.5M4←→3M5←→4M6←→5M8←→6M10←→8M12←→10M14←→12M16←→14M18←→14M20←→17M22←→17攻螺纹底孔的计算:脆性材料(铸铁、青铜等):钻孔直径d0=d(螺纹外径)-1.1p(螺距)塑性材料(钢、紫铜等):钻孔直径d0=d(螺纹外径)-p(螺距)二、内六角扳手的型号比螺丝的型号下多少?比如6#内六角扳手用来拧M8的内六角螺丝?4#←→M55#←→M66#←→M88#←→M1010#←→M1212#←→M14,M1614#←→M16,M2017#←→M2019#←→M2422#←→M3027#←→M36三、外六角所用的开口扳手以六角螺母对应比较准确,因为存在六角头螺栓和小六角头螺栓。
常用的开口扳手规格为:7、8、10、14、17、19、22、24、27、30、32、3 6、41、46、55、65;对应螺纹规格为:M4、M5、M6、M8、M10、M12、M14、M16、M18、M20、M22、M24、M27、M30、M36、M42全套内六角扳手中最小规格为3,其对应关系为S3=M4、S4=M5、S5=M6、S6 =M8、S8=M10、S10=M12、S12=M14-M16、S14=M18-M20、S17=M22-M24、S19=M27-M30、S24=M36、S27=M42。
攻丝前螺纹底孔直径的计算方法:对于脆性材料按照基本尺寸-1.0826螺距,对于塑性材料按照螺纹基本尺寸-螺距+0.1。
脆性材料在攻丝时为纯切削状态,底孔尺寸为螺纹牙底圆直径,塑性材料在攻丝时由于材料受力后产生塑性变形,材料会向螺纹小径移动,因此底孔应该适当加大。
对于M6以下的螺纹孔,不分材料性质,统一按基本尺寸-螺距.钻孔一般用螺栓大径D减去螺距.四、公制外六角螺栓和套筒(梅花)扳手对边尺寸对照表:螺栓尺寸对应扳手或套筒对边尺寸M3←→5.5MMM4←→7MMM5←→8MMM6←→10MMM8←→13MM(14MM)M10←→16MM(17MM)M12←→18MM(19MM)M14←→21MM(22MM)M16←→24MMM18←→27MMM20←→30MMM22←→34MM括号中的尺寸为GB旧标准尺寸。
六⾓螺栓及螺母尺⼨表六⾓螺母六⾓螺母—C 级 I 型六⾓螺母—A 和B 级六⾓薄螺母(GB/T41-2000) (GB/T6170-2000) (GB/T6172.1-2000)标记⽰例1.各部位的尺⼨螺纹规格DM3M4M5M6 M8 M10 M12 M16 M20 M24 M30 M36 M42eGB/T418.63 10.89 14.20 17.59 19.85 26.17 32.95 39.55 50.85 60.79 72.07 GB/T6170 6.01 7.66 8.79 11.05 14.38 17.77 20.03 26.75 32.95 39.55 50.85 60.79 72.02 GB/T6172.1 6.01 7.66 8.79 11.05 14.38 17.77 20.03 26.75 32.95 39.55 50.85 60.79 72.02 s GB/T418 10 13 16 18 24 30 36 46 55 65 GB/T6170 5.5 7 8 10 13 16 18 24 30 36 46 55 65 GB/T6172.1 5.5 7 8 10 13 16 18 24 30 36 46 55 65 mGB/T415.66.17.9 9.5 12.2 15.9 18.7 22.3 25.4 31.5 34.9 GB/T6170 2.4 3.2 4.7 5.2 6.8 8.4 10.8 14.8 18 21.5 25.6 31 34 GB/T6172.11.82.22.73.245681012151821单位:mm螺纹的公称直径(d)(2)M3 M4 M5 M6 M8 M10 M12 (M14) 螺栓的螺距(P) 0.5 0.7 0.8 1 1.25 1.5 1.75 2b 参考18 20 22 24 28 32 36 40dk 最⼤(基准尺⼨)* 5.5 7 8.5 10 13 16 18 21最⼤** 5.68 7.22 8.72 10.22 13.27 16.27 18.27 21.33 最⼩ 5.32 6.78 8.28 9.78 12.73 15.73 17.73 20.67da 最⼤ 3.6 4.7 5.7 6.8 9.2 11.2 13.7 15.7 ds最⼤(基准尺⼨) 3 4 5 6 8 10 12 14 最⼩ 2.86 3.82 4.82 5.82 7.78 9.78 11.73 13.73e 最⼩ 2.87 3.44 4.58 5.72 6.86 9.15 11.43 13.72f 最⼤0.51 0.60 0.60 0.68 1.02 1.02 1.45 1.45 k最⼤(基准尺⼨) 3 4 5 6 8 10 12 14 最⼩ 2.86 3.82 4.82 5.70 7.64 9.64 11.57 13.57 r 最⼩0.1 0.2 0.2 0.25 0.4 0.4 0.6 0.6s 公称(基准尺⼨) 2.5 3 4 5 6 8 10 12最⼩ 2.52 3.02 4.02 5.02 6.02 8.025 10.025 12.032 最⼤(1)1栏 2.580 3.080 4.095 5.140 6.140 8.175 10.175 12.2122栏 2.560 3.080 4.095 5.095 6.095 8.115 10.115 12.142t 最⼩ 1.3 2 2.5 3 4 5 6 7v 最⼤0.3 0.4 0.5 0.6 0.8 1 1.2 1.4 dw 最⼩ 5.07 6.53 8.03 9.38 12.33 15.33 17.23 20.17 w 最⼩ 1.15 1.4 1.9 2.3 3.3 4 4.8 5.8螺纹的公称直径(d)(2)M16 (M18) M20 (M22) M24 (M27) M30 螺栓的螺距(P) 2 2.5 2.5 2.5 3 3 3.5b 参考44 48 52 56 60 66 72dk 最⼤(基准尺⼨)*24 27 30 33 36 40 45最⼤**24.33 27.33 30.33 33.39 36.39 40.39 45.39 最⼩23.67 26.67 29.67 32.61 35.61 39.61 44.61da 最⼤17.7 20.2 22.4 24.4 26.4 30.4 33.4 ds最⼤(基准尺⼨) 16 18 20 22 24 27 30 最⼩15.73 17.73 19.67 21.67 23.67 26.67 29.67e 最⼩16.00 16.00 19.44 19.44 21.73 21.73 25.15f 最⼤ 1.45 1.87 2.04 2.04 2.04 2.89 2.89 k最⼤(基准尺⼨) 16 18 20 22 24 27 30 最⼩15.57 17.57 19.48 21.48 23.48 26.48 29.48 r 最⼩0.6 0.6 0.8 0.8 0.8 1 11栏14.212 14.212 17.230 17.230 19.275 19.275 22.2752栏14.142 14.142t 最⼩8 9 10 11 12 13.5 15.5v 最⼤ 1.6 1.8 2 2.2 2.4 2.7 3dw 最⼩23.17 25.87 28.87 31.81 34.81 38.61 43.61w 最⼩ 6.8 7.7 8.6 9.5 10.4 12.1 13.1注(1):s(最⼤)的1栏适⽤于强度8.8及10.9及性状A2-50、A2-70的内容,2栏适⽤于强度12.9的内容。
螺 母六角螺母—C级 I 型六角螺母-A 与B 级 六角薄螺母(GB/T41-2000) (GB/T6170—2000) (GB/T6172、1—2000)标记示例螺纹规格 D =M 12、性能级别为5级、不经表面处理、C级得六角螺母: 螺母 GB/T41-2000 M12 螺纹规格 D =M 12、性能级别为8级、不经表面处理、A级得I型六角螺母: 螺母 GB/T 6170-2000 M12mm注:A 级用于D ≤16,B级用于D>161、各部位得尺寸螺纹规格D M3 M 4 M5 M6 M8 M10 M12 M16 M20 M24 M 30M36 M42eGB /T418、63 10、89 14、20 17、59 19、8526、17 32、95 39、55 50、85 60、7972、07 G B/T6170 6、01 7、66 8、79 11、05 14、38 17、77 20、0326、75 32、95 39、55 50、8560、79 72、02 GB/T6172、1 6、01 7、66 8、79 11、05 14、38 17、77 20、03 26、75 32、95 39、55 50、8560、79 72、02 sGB /T418 1 6 46 55 65 GB/T61705、57 8 1 6 46 55 65 G B/T6172、1 5、57 816465565m GB/T415、6 6、17、9 9、5 12、2 15、9 18、7 22、3 25、4 31、534、9GB /T 6170 2、4 3、2 4、7 5、26、8 8、4 10、8 14、8 18 21、5 25、6 31 34GB/T6172、11、82、2 2、73、245681012151821单位:mm螺纹得公称直径(d)(2)M3 M4M5 M6 M8M10 M12 (M14) 螺栓得螺距(P) 0、50、7 0、8 11、25 1、5 1、75 2b 参考 2 36 40dk最大(基准尺寸)*5、5 7 8、5 10 13 16 18 21最大**5、687、22 8、7210、22 13、27 16、27 18、27 21、33最小5、326、78 8、289、78 12、73 15、7317、7320、67da 最大3、64、75、7 6、8 9、2 11、2 13、7 15、7ds最大(基准尺寸) 3 4 5 68 10 12 14 最小2、86 3、82 4、82 5、827、78 9、78 11、73 13、73 e 最小2、87 3、44 4、585、72 6、86 9、1511、4313、72f最大0、51 0、60 0、60 0、68 1、02 1、02 1、45 1、45k最大(基准尺寸)3 4 5 6 8 1012 14最小2、86 3、824、82 5、70 7、64 9、64 11、57 13、57 r 最小0、1 0、2 0、20、25 0、4 0、40、6 0、6s 公称(基准尺寸)2、5 3 4 5 68 10 12最小2、52 3、02 4、02 5、02 6、028、02510、025 12、032 最大(1)1栏2、580 3、080 4、095 5、140 6、140 8、175 10、175 12、2122栏2、560 3、080 4、095 5、095 6、095 8、115 10、115 12、142注(1):s(最大)得1栏适用于强度8、8及10、9及性状A2-50、A2-70得内容,2栏适用于强度12、9得内容。
一、公制内六角螺栓与内六角扳手尺寸对照表:内六角螺栓对应内六角扳手尺寸M3←→M4←→3M5←→4M6←→5M8←→6M10←→8M12←→10M14←→12M16←→14M18←→14M20←→17M22←→17攻螺纹底孔的计算:脆性材料(铸铁、青铜等):钻孔直径d0=d(螺纹外径)(螺距)塑性材料(钢、紫铜等):钻孔直径d0=d(螺纹外径)-p(螺距)二、内六角扳手的型号比螺丝的型号下多少比如6#内六角扳手用来拧M8的内六角螺丝#←→M33 #←→M44 #←→M55 #←→M66 #←→M88 #←→M1010#←→M1212#←→M14,M1614#←→M18,M2017#←→M22,M2419#←→M27,M3022#←→M3024#←→M3627#←→M42全套内六角扳手中最小规格为3,其对应关系为S3=M4、S4=M5、S5=M6、S6=M8、S8=M10、S10=M12、S12=M14-M16、S14=M18-M20、S17=M22-M24、S19=M27-M30、S24=M36、S27=M42。
三、外六角所用的开口扳手以六角螺母对应比较准确,因为存在六角头螺栓和小六角头螺栓。
常用的开口扳手规格为:7、8、10、14、17、19、22、24、27、30、32、36、41、46、55、65;对应螺纹规格为:M4、M5、M6、M8、M10、M12、M14、M16、M18、M20、M22、M24、M27、M30、M36、M42攻丝前螺纹底孔直径的计算方法:对于脆性材料按照基本尺寸螺距,对于塑性材料按照螺纹基本尺寸-螺距+。
脆性材料在攻丝时为纯切削状态,底孔尺寸为螺纹牙底圆直径,塑性材料在攻丝时由于材料受力后产生塑性变形,材料会向螺纹小径移动,因此底孔应该适当加大。
对于M6以下的螺纹孔,不分材料性质,统一按基本尺寸-螺距.钻孔一般用螺栓大径D减去螺距.四、公制外六角螺栓和套筒(梅花)扳手对边尺寸对照表:螺栓尺寸对应扳手或套筒对边尺寸M 3←→5.5mmM 4←→7 mmM 5←→8 mmM 6←→10 mmM 8←→13 mm (14 mm)M10←→16 mm (17 mm)M12←→18 mm (19 mm)M14←→21 mm (22 mm)M16←→24 mmM18←→27 mmM20←→30 mmM22←→32 mmM24←→36 mmM27←→41 mmM30←→46 mmM36←→55 mmM42←→65 mm括号中的尺寸为GB旧标准尺寸。
螺丝尺寸对应内六角扳手的四个方面发布时间:10-08-18 来源: VESSEL CO.,INC. 点击量:33197 字段选择:大中小一、公制内六角螺栓与内六角扳手尺寸对照表:内六角螺栓==对应内六角扳手尺寸M3←→2.5M4←→3M5←→4M6←→5M8←→6M10←→8M12←→10M14←→12M16←→14M18←→14M20←→17M22←→17攻螺纹底孔的计算:脆性材料(铸铁、青铜等):钻孔直径d0=d(螺纹外径)-1.1p(螺距)塑性材料(钢、紫铜等):钻孔直径d0=d(螺纹外径)-p(螺距)二、内六角扳手的型号比螺丝的型号下多少?比如6#内六角扳手用来拧M8的内六角螺丝?4#←→M55#←→M66#←→M88#←→M1010#←→M1212#←→M14,M1614#←→M16,M2017#←→M2019#←→M2422#←→M3027#←→M36三、外六角所用的开口扳手以六角螺母对应比较准确,因为存在六角头螺栓和小六角头螺栓。
常用的开口扳手规格为:7、8、10、14、17、19、22、24、27、30、32、3 6、41、46、55、65;对应螺纹规格为:M4、M5、M6、M8、M10、M12、M14、M16、M18、M20、M22、M24、M27、M30、M36、M42全套内六角扳手中最小规格为3,其对应关系为S3=M4、S4=M5、S5=M6、S6 =M8、S8=M10、S10=M12、S12=M14-M16、S14=M18-M20、S17=M22-M24、S19=M27-M30、S24=M36、S27=M42。
攻丝前螺纹底孔直径的计算方法:对于脆性材料按照基本尺寸-1.0826螺距,对于塑性材料按照螺纹基本尺寸-螺距+0.1。
脆性材料在攻丝时为纯切削状态,底孔尺寸为螺纹牙底圆直径,塑性材料在攻丝时由于材料受力后产生塑性变形,材料会向螺纹小径移动,因此底孔应该适当加大。
对于M6以下的螺纹孔,不分材料性质,统一按基本尺寸-螺距.钻孔一般用螺栓大径D减去螺距.四、公制外六角螺栓和套筒(梅花)扳手对边尺寸对照表:螺栓尺寸对应扳手或套筒对边尺寸M3←→5.5MMM4←→7MMM5←→8MMM6←→10MMM8←→13MM(14MM)M10←→16MM(17MM)M12←→18MM(19MM)M14←→21MM(22MM)M16←→24MMM18←→27MMM20←→30MMM22←→34MM括号中的尺寸为GB旧标准尺寸。
六 角 螺 母六角螺母—C 级 I 型六角螺母—A 和B 级 六角薄螺母 (GB/T41-2000) (GB/T6170-2000)(GB/T6172.1-2000)标记示例螺纹规格 D=M12、性能级别为5级、不经表面处理、C 级的六角螺母: 螺母 GB/T41-2000 M12 螺纹规格 D=M12、性能级别为8级、不经表面处理、A 级的I 型六角螺母: 螺母 GB/T6170-2000 M12mm注:A 级用于D ≤16,B 级用于D >161.各部位的尺寸螺纹规格DM3M4M5M6 M8 M10 M12 M16 M20 M24 M30 M36 M42eGB/T418.63 10.89 14.20 17.59 19.85 26.17 32.95 39.55 50.85 60.79 72.07 GB/T6170 6.01 7.66 8.79 11.05 14.38 17.77 20.03 26.75 32.95 39.55 50.85 60.79 72.02 GB/T6172.1 6.01 7.66 8.79 11.05 14.38 17.77 20.03 26.75 32.95 39.55 50.85 60.79 72.02 s GB/T418 10 13 16 18 24 30 36 46 55 65 GB/T6170 5.5 7 8 10 13 16 18 24 30 36 46 55 65 GB/T6172.1 5.5 7 8 10 13 16 18 24 30 36 46 55 65 mGB/T415.66.17.9 9.5 12.2 15.9 18.7 22.3 25.4 31.5 34.9 GB/T6170 2.4 3.2 4.7 5.2 6.8 8.4 10.8 14.8 18 21.5 25.6 31 34 GB/T6172.11.82.22.73.245681012151821单位:mm螺纹的公称直径(d)(2)M3 M4 M5 M6 M8 M10 M12 (M14) 螺栓的螺距(P) 0.5 0.7 0.8 1 1.25 1.5 1.75 2b 参考18 20 22 24 28 32 36 40dk 最大(基准尺寸)* 5.5 7 8.5 10 13 16 18 21最大** 5.68 7.22 8.72 10.22 13.27 16.27 18.27 21.33 最小 5.32 6.78 8.28 9.78 12.73 15.73 17.73 20.67da 最大 3.6 4.7 5.7 6.8 9.2 11.2 13.7 15.7 ds最大(基准尺寸) 3 4 5 6 8 10 12 14 最小 2.86 3.82 4.82 5.82 7.78 9.78 11.73 13.73e 最小 2.87 3.44 4.58 5.72 6.86 9.15 11.43 13.72f 最大0.51 0.60 0.60 0.68 1.02 1.02 1.45 1.45 k最大(基准尺寸) 3 4 5 6 8 10 12 14 最小 2.86 3.82 4.82 5.70 7.64 9.64 11.57 13.57 r 最小0.1 0.2 0.2 0.25 0.4 0.4 0.6 0.6s 公称(基准尺寸) 2.5 3 4 5 6 8 10 12最小 2.52 3.02 4.02 5.02 6.02 8.025 10.025 12.032 最大(1)1栏 2.580 3.080 4.095 5.140 6.140 8.175 10.175 12.2122栏 2.560 3.080 4.095 5.095 6.095 8.115 10.115 12.142注(1):s(最大)的1栏适用于强度8.8及10.9及性状A2-50、A2-70的内容,2栏适用于强度12.9的内容。
六 角 螺 母六角螺母—C 级 I 型六角螺母—A 和B 级 六角薄螺母 (GB/T41-2000) (GB/T6170-2000) (GB/T6172.1-2000)标记示例螺纹规格 D=M12、性能级别为5级、不经表面处理、C 级的六角螺母: 螺母 GB/T41-2000 M12 螺纹规格 D=M12、性能级别为8级、不经表面处理、A 级的I 型六角螺母: 螺母 GB/T6170-2000 M12mm注:A 级用于D ≤16,B 级用于D >161.各部位的尺寸螺纹规格DM3M4M5M6 M8M10 M12 M16 M20 M24 M30 M36 M42e GB/T418.6310.89 14.20 17.59 19.85 26.17 32.95 39.55 50.85 60.79 72.07 GB/T6170 6.01 7.66 8.7911.05 14.38 17.77 20.03 26.75 32.95 39.55 50.85 60.79 72.02 GB/T6172.1 6.01 7.66 8.7911.05 14.38 17.77 20.03 26.75 32.95 39.55 50.85 60.79 72.02 s GB/T418 10 13 16 18 24 30 36 46 55 65 GB/T6170 5.5 7 8 10 13 16 18 24 30 36 46 55 65 GB/T6172.1 5.5 7 8 10 13 16 18243036465565mGB/T415.66.17.9 9.5 12.2 15.9 18.7 22.3 25.4 31.5 34.9 GB/T6170 2.4 3.2 4.7 5.2 6.8 8.4 10.8 14.8 18 21.5 25.6 31 34 GB/T6172.11.82.22.73.245681012151821单位:mm螺纹的公称直径(d)(2)M3 M4 M5 M6 M8 M10 M12 (M14) 螺栓的螺距(P) 0.5 0.7 0.8 1 1.25 1.5 1.75 2b 参考18 20 22 24 28 32 36 40dk 最大(基准尺寸)* 5.5 7 8.5 10 13 16 18 21最大** 5.68 7.22 8.72 10.22 13.27 16.27 18.27 21.33 最小 5.32 6.78 8.28 9.78 12.73 15.73 17.73 20.67da 最大 3.6 4.7 5.7 6.8 9.2 11.2 13.7 15.7 ds最大(基准尺寸) 3 4 5 6 8 10 12 14 最小 2.86 3.82 4.82 5.82 7.78 9.78 11.73 13.73e 最小 2.87 3.44 4.58 5.72 6.86 9.15 11.43 13.72f 最大0.51 0.60 0.60 0.68 1.02 1.02 1.45 1.45 k最大(基准尺寸) 3 4 5 6 8 10 12 14 最小 2.86 3.82 4.82 5.70 7.64 9.64 11.57 13.57 r 最小0.1 0.2 0.2 0.25 0.4 0.4 0.6 0.6 s 公称(基准尺寸) 2.5 3 4 5 6 8 10 12注(1):s(最大)的1栏适用于强度8.8及10.9及性状A2-50、A2-70的内容,2栏适用于强度12.9的内容。
螺母
六角螺母—C级 I型六角螺母—A和B级六角薄螺母(GB/T41-2000) (GB/T6170-2000) (GB/T6172.1-
2000)
标记示例
螺纹规格 D=M12、性能级别为5级、不经表面处理、C级的六角螺母:螺母 GB/T41-2000 M12
螺纹规格 D=M12、性能级别为8级、不经表面处理、A级的I
GB/T6170-2000 M12mm
型六角螺母:螺母
注(1):s(最大)的1栏适用于强度8.8及10.9及性状A2-50、A2-70的内容,2栏适用于强度12.9的内容。
但根据双方当事人之间协议,强度12.9的内容也可以适用1栏。
螺纹的公称直径M20以上的s(最大)适用于所有的强度及性状内容。
注(2):螺纹的公称直径中带括号的尽量不要使用。
备注:1.头部的侧面带有直纹或网纹[参照JIS B 0951(滚花)]。
此时,dk(最大)为该表中的带**的数值。
此外,需要没有滚花的货时,订货人必须指定。
但该dk(最大)为该表中带*的数值。
2.对于螺纹的公称直径建议使用的公称长度(ℓ)为粗线框内的内容。
如果ℓ比虚线位置短的为全螺纹,杆部的不完全螺纹长度约为3P。
3.公称长度(ℓ)比虚线位置长的话,ℓg(最大)及ℓs(最小)根据下式决定。
ℓg(最大)=公称长度(ℓ)-b
ℓs(最小)=ℓg(最大)-5P
参考:内六角螺栓的沉头孔及螺栓孔的尺寸
时间:2021.03.07 创作:欧阳德。
螺母
六角螺母—C级I型六角螺母—A和B级六角薄螺母
(GB/T41-2000)(GB/T6170-2000) (GB/T6172.1-2000)
标记示例
螺纹规格D=M12、性能级别为5级、不经表面处理、C级的六角螺母:螺母GB/T41-2000 M12
螺纹规格D=M12、性能级别为8级、不经表面处理、A级的I型六角螺母:螺母GB/T6170-2000 M12mm
注:A级用于D≤16,B级用于D>16
注(1):s(最大)的1栏适用于强度8.8及10.9及性状A2-50、A2-70的内容,2栏适用于强度12.9的内容。
但根据双方当事人之间协议,强度12.9的内容也可以适用1栏。
螺纹的公称直径M20以上的s(最大)适用于所有的强度及性状内容。
注(2):螺纹的公称直径中带括号的尽量不要使用。
备注:1.头部的侧面带有直纹或网纹[参照JIS B 0951(滚花)]。
此时,dk(最大)为该表中的带**的数值。
此外,需要没有滚花的货时,订货人必须指定。
但该dk(最大)为该表中带*的数值。
2.对于螺纹的公称直径建议使用的公称长度(ℓ)为粗线框内的内容。
如果ℓ比虚线位置短的为全螺纹,杆部的不完全螺纹长度约为3P。
3.公称长度(ℓ)比虚线位置长的话,ℓg(最大)及ℓs(最小)根据下式决定。
ℓg(最大)=公称长度(ℓ)-b
参考:内六角螺栓的沉头孔及螺栓孔的尺寸
单位:mm
螺纹
的公称
M3 M4 M5 M6 M8 M10 M12 M14 M16 M18 M20 M22 M24 M27 M30 直径
(d)
ds 3 4 5 6 8 10 12 14 16 18 20 22 24 27 30 d́´ 3.4 4.5 5.5 6.6 9 11 14 16 18 20 22 24 26 30 33 dk 5.5 7 8.5 10 13 16 18 21 24 27 30 33 36 40 45 D´ 6.5 8 9.5 11 14 17.5 20 23 26 29 32 35 39 43 48 k 3 4 5 6 8 10 12 14 16 18 20 22 24 27 30 H́´ 2.7 3.6 4.6 5.5 7.4 9.2 11 12.8 14.5 16.5 18.5 20.5 22.5 25 28 H́´´ 3.3 4.4 5.4 6.5 8.6 10.8 13 15.2 17.5 19.5 21.5 23.5 25.5 29 32 d2 2.6 3.4 4.3 5.1 6.9 8.6 10.4 12.2 14.2 15.7 17.7 19.7 21.2 24.2 26.7。