制动机试验
- 格式:doc
- 大小:51.00 KB
- 文档页数:7
制动机检查试验制动机检查试验开头,均衡风缸管制动管压力600kpa,工作风缸压力600 kpa,制动缸压力0 kpa,总风缸压力750~900 kpa。
客货车转换法(货车位),单阀自阀手柄运转位,各排风口无泄漏,各螺丝无松脱。
1)自阀减压50kpa保压1分钟,制动缸压力50kpa,每分钟泄漏量不超过20 kpa。
制动缸和工作风缸保压良好。
①下车检查制动缸勾贝,如某一制动缸未伸出(XX制动缸来风管全堵),如某转向架制动缸全未伸出(X转向架制动缸塞门关闭位)。
② 列车管漏,制动缸压力提升。
局减室漏一自阀布满风,自阀直接移至取柄位,不漏为局减室漏。
列车管漏一自阀布满风,自阀直接移至取柄位,待漏至60~70kpa时,自阀移回过减位,起紧急制动。
紧急风缸漏一自阀布满风,自阀直接移至取柄位,待漏至60~70kpa时,自阀移回过减位,不起紧急制动。
③列车管漏,制动缸压力不提升。
安排阀22#总风塞门关一单阀制动区,制动缸压力提升正常。
安排阀与作用阀共用3#塞门关一单阀制动区,制动缸压力不提升。
④ 工作风缸压力下降,制动缸压力下降。
降压风缸漏一自阀布满风移至紧急制动位,保压1分钟,工作风缸压力不下降。
「外漏f自阀运转位,布满风移至取柄位,工作风缸漏。
工作风缸漏y-内漏一自阀运转位,布满风移至取柄位,工作风缸不漏。
⑤ 列车管不漏,制动缸压力不提升。
安排阀侧14#管堵一单阀制动和缓解正常。
作用阀侧14#管堵一单阀制动,制动缸压力不提升。
安排阀侧2#塞门关一单阀制动和缓解正常,自阀紧急制动位,单阀缓解,工作风缸压力下降,自阀回运转位,工作风缸压力不提升。
2)自阀移至最大减压位,排风时间5~7秒,均衡风缸和制动管压力削减140~170kpa,制动缸压力提升至340~360kpa时间7~9秒。
① 制动缸压力达不到340~360kpa。
安排阀侧14#管漏一单阀移至全制位,制动缸压力能达到定压300kpa o作用阀侧14#管漏一单阀移至全制位,制动缸压力达不到定压300kpa。
作业指导书列车制动机试验目次一、作业介绍 (2)二、作业流程示意图 (3)三、作业程序、标准及示范 (4)1.确认风压 (4)2.制动减压 (4)3.充风缓解 (5)4.确认风压 (6)5.制动减压 (7)6.试验结束 (9)四、制动机试验站位、行走示意图、分车方法---------------------9修订页一、作业介绍作业地点:肃宁北列检作业场。
适用范围:本作业指导书适用于肃宁北列检作业场执行人工(人机分工)检查始发、中转制动机试验作业。
人员要求:须身体健康,责任心强,热爱本职工作,具有良好的职业道德。
上岗前须经专业技术培训和分公司(段)、列检作业场、班组三级安全教育考试,考试合格,取得铁路岗位培训合格证书,同时具备以下基本条件方可上岗作业。
1.熟悉《国家能源集团铁路运输管理规程》《朔黄铁路公司行车组织规则》《国家能源集团铁路货车运用工作管理细则(试行)》等规章的相关内容。
2.熟练掌握列车技术检查作业过程和车辆运用中发生故障的判断、处理方法,具有修理车辆故障的实作技能。
3.熟练使用检修车辆的工具、设备及量具。
4.熟悉车辆的扣修、回送和色票使用,以及有关表、簿、册的填写方法。
5.熟知铁路货车车辆的各部构造、作用及运用维修限度。
6.熟知列车制动机试验及故障处理方法,能正确计算列车制动机的闸瓦压力。
7.熟知事故调查处理程序,能正确处理各种突发事件作业要点:1.感度保压试验:置常用制动位,减压50kPa(编组60辆及以上时减压70kPa),全列车须发生制动作用;同时保压,第1min内无线风压监测仪显示的列车主管压力下降不大于20kPa,3min内不得发生自然缓解,并确认制动缸活塞行程无异常。
然后置运转位充风缓解,全列车须在1min内缓解完毕。
2.安定试验:置常用制动位,减压140kPa(列车主管压力为600kPa时减压170kPa),不得发生紧急制动,并确认感度保压试验发现异常的制动缸活塞行程是否符合规定。
1.检修作业完毕,应进行列车制动机性能全部试验;2.列车试验器应由专人操纵;3.进行列车制动机性能全部试验,确认车列制动机性能;全体检车员地沟试风作业,作业过程依次传递确认制动机的性能试验号志;4.尾部检车员确认列车主管压力达到600kpa后,首尾两端检车员核查首尾车风表压力与试验风表、列车试验器风表压力差不大于20kpa,同时确认总风管表压力;由专人进行微控大闸遥控操作试验;4.1充风试验:确认列车管压力达到定压并且全列贯通良好后,进行充风试验;4.2列车管漏泄试验:确认列车管压力达到600kpa时,保压1min,列车管压力下降不得超过20kpa;4.3制动缓解感度试验:列车管压力达到600kpa时,减压50kpa,检车员应按规定辆数检查确认全列车发生制动作用,保压1min内不得发生自然缓解;充风缓解时检车员按规定辆数检查确认制动机1min内缓解完毕;4.4制动安定试验:在风压达到600kpa时,减压170kpa,检车员按规定辆数检查确认全列车不得发生紧急制动,制动缸活塞行程符合规定;4.5制动保压试验:在风压达到600kpa时,减压170kpa,在制动状态下保压1min,制动主管压力空气漏泄量不大于20kpa;4.6总风管漏泄试验:在风压达到600kpa时,保压1min,总风管压力下降不得超过20kpa;4.7.持续一定时间的全部试验由尾部检车员显示试风完了信号,并逐段传递;5.当遥控和电控失效时,开启手自动转换球阀,使用手动扳动微控列车试验器进行试验;5.1漏泄试验;5.1.2列车试验器操作员接到检车员保压号志后,关闭第一辆车前部折角塞门,使列车保压1min;尾部检车员在确认列车主管压力达到600kpa后向前发出制动号志,依次前传给列车制动试验器操作员;5.1.4尾部检车员确认保压良好后,依次传递号志,列车试验器操作员将第一辆车前部折角塞门打开;5.2制动缓解感度试验;5.2.1尾部检车员在确认列车主管压力达到600kpa后向前发出制动号志,依次前传;5.2.3尾部检车员发出缓解号志,依次前传给列车制动试验器操作员;5.2.4列车试验器操作员将自动制动阀手把移至运转位;全列车制动机须在1min之内缓解完毕;检车员按规定辆数检查确认制动机缓解;5.3制动安定试验:5.3.3尾部检车员确认后发出缓解号志,依次前传给列车制动试验器操作员;5.3.4列车试验器操作员接到号志后,将自动制动阀手把移至运转位充风缓解,检车员按规定辆数检查确认制动机全部缓解;5.4总风管漏泄试验:5.4.2列车试验器操作员接到检车员保压号志后,关闭第一辆车前部总风管折角塞门,使列车保压1min;5.4.3尾部检车员检查试验风表,列车总风管压力下降不大于20kpa/min;5.5.持续一定时间的全部试验由尾部检车员显示试风完了信号,并逐段传递;6试验结束6.1由列车试验器操作员摘解列车试验器软管,尾部检车员摘解试验风表;6.2全体检车员确认试风完了后撤除号志;。
列车制动机试验 1.全部试验列检所无列车制动机的地面试验设备或该设备发生故障时,机车对列车充满风后,司机应根据检车员的要求进行试验:(1)自阀减压50kPa(编组60辆及以上时为70kPa)并保压1min,对列车制动机进行感度试验,全列车必须发生制动作用,并不得发生自然缓解;手柄移至运转位后,全列车须在1min内缓解完毕。
(2)自阀施行最大有效减压(列车管定压500kPa时为140kPa,定压600 kPa时为170kPa),对列车制动机进行安定试验,以便检车员检查列车制动机,要求不发生紧急制动,并检查制动缸活塞行程是否符合规定。
司机检查列车管漏泄量,其压力下降每分钟不得超过20kPa。
2.简略试验列车管达到规定压力后,自阀施行最大有效减压并保压1min,测定列车管贯通状态,检车员、运转车长、车站值班员或有关人员检查确认列车最后一辆车发生制动作用;司机检查列车管漏泄量,其压力下降每分钟不得超过20kPa。
3.持续一定时间的保压试验在长大坡道前方的列检所需进行持续一定时间的保压试验时,应在列车制动机按全部试验方法试验后,自阀减压100kPa并保压3min,列车不得发生自然缓解。
4.列车制动机试验时,司机应注意充、排风时间,按压列尾装置司机控制盒绿色键,检查列车管压力的变化情况,并作为本次列车操纵和制动机使用的参考依据。
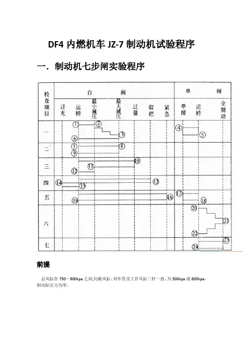
DF4内燃机车JZ-7制动机试验程序一.制动机七步闸实验程序前提总风缸在750—900kpa之间,均衡风缸、列车管及工作风缸三针一致,为500kpa或600kpa,制动缸压力为零。
第一步:(1) 自阀手柄从运转位移至最小减压位,列车管减压50kpa,制动缸压力为125kpa;保压1min,检查列车管泄漏量,其压力下降每分钟不超过20kpa;(2) 自阀手柄由最小减压位在制动区移动3—4 次,观察阶段制动是否稳定,减压量与制动缸压力的比例是否正确,至最大减压位,列车管减压量为140kpa或170kpa,制动缸压力应为350kpa或420kpa;(3) 单阀手柄从运转位移至单缓位,检查单阀单缓良否,应能缓至50kpa以下;(4)单阀手柄从单缓位回至运转位,检查复原弹簧是否良好;(5)自阀手柄从最大减压位移至运转位,检查自阀缓解良否, 工作风缸及列车管是否恢复定压;第二步:(1)自阀手柄从运转位移至最大减压位,均衡风缸及列车管的减压量为140kpa或170kpa, 均衡风缸的排气时间应为4-7S,制动缸压力上升至350kpa或420kpa的时间应为5-7S或7-9S,不应起紧急制动。
(2)自阀手柄从最大减压位移至运转位,制动缸压力从350kpa或420kpa下降至35kpa的时间应为5-7S或7-9S,同时检查列车管、均衡风缸及工作风缸压力是否恢复正常。
第三步:(1) 自阀手柄从运转位移至过量减压位, 均衡风缸及列车管减压240kpa(260kpa),制动缸压力为350kpa(420kpa),不应发生紧急制动;(2) 自阀手柄从过量减压位移至最小减压位,均衡风缸压力上升,而列车管压力保持不变,检查总风遮断阀作用良否(客货车转换阀在货车位);(3)自阀手柄从最小减压位移至运转位,检查缓解良否;第四步:(1) 自阀手柄从运转位移至取把位, 均衡风缸减压量为240kpa(260kpa),列车管不减压;(2) 自阀手柄从取把位移至过充位,检查过充作用良否,列车管比规定压力高30—40kpa,过充风缸排风孔排风;(3)自阀手柄从过充位移至运转位,过充压力两分钟自动消除,机车不应起自然制动;第五步:(1) 自阀手柄从运转位移至紧急制动位,列车管压力3s内降至0,制动缸压力在5—7s升至450kpa,均衡风缸减压量为240kpa(260kpa),并自动撒砂;(2)单阀手柄从运转位移至单缓位,间隔10—15s后,制动缸压力开始缓解,并逐渐到0; (3) 单阀手柄从单缓位回至运转位,复原良否;(4)自阀手柄从紧急制动位移至运转位,缓解良否;第六步:(1)单阀手柄从运转位不少于3 次阶段移至全制动位,检查小闸阶段制动良否;(2)单阀手柄在全制动位,检查制动缸压力应达到300kpa;(3)单阀手柄由全制动位阶段移至缓解位,检查阶段缓解作用良否.第七步:(1)单阀手柄从运转位移至全制动位,,制动缸压力从零上升至280kpa的时间应在3S之内。
JZ-7型制动机试验故障判断1、第一步闸〔1〕现象:自阀制动区、列车管压力降为零,俗称“起非常〞。
故障:均衡风缸缸体处风管堵塞。
判断:自阀回运转位,均衡风缸上升速度快。
〔2〕现象:列车管漏泄,每分钟超过20kpa,工作风缸压力不变,制动缸压力逐渐上升。
故障:列车管泄漏。
判断:将客货车转换阀置客车位,列车管压力上升至均衡风缸压力值。
制动缸阶段缓解。
〔3〕现象:机车上闸后又缓解,俗称“不保压〞故障:A、工作风缸漏;B、工作风缸外漏;C、降压风缸漏。
判断:工作风缸表针下降到与列车管表针一致时,不再下降,为A;工作风缸表针一直下降,列车管表针也追随下降为B或C,自阀紧急制动位时再准确判断区分。
〔4〕现象:自阀制动区,制动缸无压力。
故障:A、作用阀3号总风塞门关;B、分配阀2号列车管塞门关;C、分配阀22号总风支管塞门关。
判断:小闸单缓,工作风缸压力下降后,单阀回运转位,工作风缸压力不再上升到列车管压力,为B;否那么为A或C,在第六步闸时再准确判断区分。
〔5〕现象:自阀制动区,制动缸压力不成比例,制动缸表针抖动,总风缸压力下降快。
故障:A、作用风缸管大漏;B、制动缸管大漏。
判断:在第六步闸时准确判断,假设小闸全制动300kpa正常,总风不严重下降那么为A,否那么为B。
〔6〕现象:自阀制动区,制动缸压力正常。
小闸单缓,工作风缸压力不下降,机车不缓解。
故障:10号单独缓解管堵塞。
判断:自阀回运转位,缓解正常。
〔7〕现象:自阀回运转位,均衡风缸压力不在规定值〔500kpa或600kpa〕。
故障:自阀调整阀调整压力不正确。
判断:拧动自阀调整手轮,均衡风缸恢复规定值。
2、第二步闸〔1〕现象:自阀最大减压位,列车管压力降为零,俗称“起非常〞。
故障:A、分配阀紧急部上风堵堵塞;B、均衡风缸大漏。
判断:松开分配阀紧急部上风堵,现象消除为A,否那么为B。
〔2〕现象:自阀最大减压位,机车上闸成比例,但上升慢。
故障:A、作用阀3号总风塞门半关;B、分配阀2号列车管塞门半关;C、分配阀22号总风塞门支管塞门半关;D、中继阀2号列车管塞门半关。
ccb‖制动机的简略试验CCB制动机的试验准备工作:1、制动显示屏初始化正常,模式设置为本机、货车、不补风、管压500kPa(客车600kPa)。
2、确认总风缸压力825-900kPa,均衡风缸、制动管压力500kPa,制动缸压力为0。
3、缓解弹停装置,确认弹停指示灯熄灭,弹停指示器绿色。
一、自阀手把移至初制位1、均衡风缸、制动管减压40~60kPa;2、制动缸压力上升至70~110kPa;3、下车检查:闸瓦应压紧制动盘,空气制动指示器应呈红色,踏面清扫闸瓦在制动缸压力100kPa左右投入。
二、自阀手把阶段移至全制位1、均衡风缸、制动管压力阶段下降,并能阶段保压;2、制动缸压力阶段上升,并能阶段保压。
全制位时,均衡风缸、制动管减压140~170kPa(货~客),制动缸压力应升至360~420kPa(客~货)三、自阀手把移至抑制位均衡风缸、制动管、制动缸压力保持不变。
四、侧压单阀手把1、制动缸压力降至0;2、松开手把制动缸压力应不回升。
五、自阀手把移至重联位1、均衡风缸压力缓慢降至0;2、制动管减压至70kPa左右;3、制动缸压力上升至450kPa左右。
六、自阀手把移至运转位1、均衡风缸、制动管恢复定压;2、制动缸压力下降至0:3、下车检查闸瓦与制动盘应有缓解间隙,制动指示器应呈绿色,清扫闸瓦缓解。
七、自阀手把直接移至全制位1、均衡风缸、制动管5~7秒减压140kPa;2、制动缸压力6~8秒上升至360kPa左右;3、保压1分钟,均衡风缸、制动管泄漏不超过10kPa。
八、自阀手把移至运转位1、均衡风缸、制动管恢复定压;2、制动缸压力降至0。
九、单阀手把阶段移至全制位1、制动缸压力阶段上升并能保压;2、全制位制动缸压力上升至300kPa左右;3、下车检查:闸瓦应压紧制动盘,空气制动指示器应呈红色,踏面清扫闸瓦投入;4、小开前后制动管折角塞门,检查贯通状态。
十、单阀手把阶段移至运转位1、制动缸压力阶段下降并能保压;2、运转位时制动缸压力应降至0。
制动机五步闸试验流程概述说明以及解释1. 引言1.1 概述制动机五步闸试验是一种常用的测试方法,用于评估制动机在特定条件下的性能表现。
该试验流程通常由一系列具体步骤组成,旨在检测和记录制动机的响应速度、准确性和稳定性。
通过了解这些试验流程以及其背后的原理,我们可以更好地了解并掌握制动机的工作原理。
1.2 文章结构本文主要探讨制动机五步闸试验流程的相关内容。
其中包括引言、制动机五步闸试验流程、概述说明以及解释制动机五步闸试验流程中的每个要点,最后进行结论总结。
1.3 目的本文旨在向读者介绍制动机五步闸试验流程,并详细解释每个要点的含义和重要性。
通过阅读本文,读者将能够全面了解该试验流程,并认识到其在评估和改进制动系统性能方面的重要作用。
以上是“1. 引言”部分内容,请继续完成接下来的文章撰写。
2. 制动机五步闸试验流程制动机五步闸试验是一种用于评估和测试制动机性能的标准化流程。
通过进行这些测试,可以确认制动机是否满足规定的运行要求,并确保其可靠性和稳定性。
以下是制动机五步闸试验的具体步骤:2.1 步骤一:在第一步中,需要将试验设备连接到待测制动机上。
这通常包括与传感器、数据采集系统和控制单元的连接,以便进行数据记录和分析。
2.2 步骤二:在第二步中,需要对制动机施加预定的负载或力,以模拟实际运行条件。
这样可以检查制动机在不同负荷下的工作性能,并评估其响应时间、刹车力等指标。
2.3 步骤三:在第三步中,需要执行一系列预定义的操作来激活和停止制动机。
这些操作可能包括刹车踏板踩下、释放等。
通过测试不同情况下的操作响应性能,可以评估制动机在实际应用中的可靠性和稳定性。
除了上述主要步骤外,还可以根据需求添加其他附加测试项目。
这些附加测试可能包括制动器系统的性能评估,例如温度变化下的工作特性和制动力平衡性等。
这些附加测试可以更全面地评估制动机的整体性能。
通过进行制动机五步闸试验流程,可以及时发现和解决潜在问题,并确保制动机在实际运行中安全有效地工作。
电力机车DK-1制动机试验程序一、DK—1型电空制动机“五步闸”检查方法DK—1型电空制动机“五步闸”检查方法五步闸故障假设及判断五步闸口诀(1)大非小缓大小回运转;(2)最大到中立;(3)过充回运转;(4)单作单缓;(5)再把电空换。
要领(1)列车管3秒内降为0,制动缸5秒内上升至450Kpa,均衡风缸也降为0,自动撒砂,安全阀喷气。
列车管压力升至600Kpa在11秒内, 列车管压力升至500Kpa在9秒内,大闸手柄在运转位停留50秒,工作风缸充满风.(2) 均衡风缸、列车管泄漏每分钟分别不大于5Kpa和10Kpa。
(3)均衡风缸600Kpa,列车管超过规定压力30-40Kpa,制动缸压力不变,因809号线无电,排风1254YV不得电。
大闸手柄回运转位,机车缓解,列车管过充压力120s消除。
(4)小闸全制位,制动缸压力4秒内升至300Kpa,小闸手柄由制动位回中立位,制动缸压力不变,小闸手柄由中立位回运转位,制动缸压力在5秒内下降至35Kpa。
(5)电空转换A、电空转换柱塞推向内测空气位;B、小闸缓解位;C、大闸运转位(SS4任何位);D、调整53或54号阀使列车管压力为500 kpa或600kpa;E、153号阀置空气位;F、下压手柄使机车缓解。
小闸制动位,看均衡风缸表针,均衡风缸减压140Kpa为5-7秒,减压170Kpa为6-8秒,闸缸压力上升到360Kpa为6-8秒,上升到420Kpa为7-9.5秒, 小闸手柄回至中立位或运转位,看闸缸保压,再回缓解位,下压手柄。
各步假设现象和假设设定以及区分方法第一步:一、大闸非常位,列车管压力不降假设:1、158塞门全关;2、117塞门全关;3、电动放风阀94YV线圈上804号线或负线断;4、大闸上804号线断。
区分:1、158塞门全关,大闸非常位总风缸表针不抖动,回重联位,94YV无排风音响;2、117塞门全关,大闸非常位总风缸表针抖动,回重联位,94YV有排风音响;3、94YV线圈上804号线或负线断,大闸非常位回重联位,94YV阀杆无动作音响;4、大闸上804号线断,大闸非常位,主手柄提1位,主断不跳闸。
内燃机车操作及文化保养的补充规定
一、列车制动机的简略试验
1、为了确认列车制动机的作用状况,保证列车安全运行,在南宫山和元宝山编组后连挂车辆起动前,必须做到充满风后进行一次制动机简略试验,方法:用大闸减压1kg/cm2保压一分钟,由列车尾部的调车人员确认最后一辆车是否起制动作用,然后向司机显示缓解信号,并确认制动机的缓解情况。
2、无论在什么情况下,连挂车辆接管后,司机必须确认车辆充风状况,严禁充风不足起动机车。
(注:充风时间不足,列车达不到及时全部缓解,需要制动时就会因制动不足而发生意外事故)
3、接班前要执行:“一检、二修、三给油、四擦车”制度,要做到:大活不放,小活修光,如发现又不能修的活应及时与工段主管领导联系。
4、司机在操纵中,提、回手柄每次不得超过50转。
5、为下步操纵电传机车打好基础,必须养成停稳后再换向的习惯。
二、文化保养
机车卫生区域责任分工为:
1、室内:前机室、动力室、冷却室、司机室、后机室
时间:由一班开始每班进行轮换保养,轮换周期为一个月。
保养要求:各机室做到干净,无杂物、油垢、水渍。
2、室外:车顶、左右大帮、前后脸、地沟、走行部
时间:由其他三个班当白班接班保养后出库。
保养要求:做到干净,无油垢水渍,玻璃光洁亮丽,轮对要红白分明,各齿轮箱及各调整杆无油泥。
3、各班负责调整闸瓦偏磨,电瓶柜及电器柜由张晓春、周建两人负责检查及保养。
三、检查及考核:
机车保养由运输生产部和行车段组织人员随时抽查,如发现一次未保养,当班乘务员每人考核10元,两次未保养每人考核20元,三次未保养下车学习。
物流公司运输生产部
二〇一〇年五月二十六日。
DK-2型制动机试验一、DK-2制动机试验1、试验前准备工作1)将制动机的电-空转换阀153打向“正常位。
2)检查单独制动调压阀51输出压力为480kPa。
3)检查紧急增压调压阀52输出压力为450kPa。
4)检查均衡风缸调压阀55输出压力为650kPa。
5)开通除无火塞门155与无火安全阀塞门139外的其余各塞门,但非操纵节156塞门须关闭。
6)制动机功能选择开关设置在“不补风”、“定压600”、“ATP投入”“空电联合投入”,93阀置本-补位。
7)闭合电空制动电源约40s,将制动控制器自动制动手柄置于重联位3s,待制动机状态指示灯长亮后,传感器及电空阀无故障,制动机将被激活。
2、大闸试验步骤1)大、小闸置运转位,总风缸压力为750kPa~900kPa,前后制动缸压力为零,均衡风缸、列车管压力600 kPa,其压力差不大于10 kPa。
2)大闸置紧急位,列车管由定压下降至零的时间不大于3s;制动缸压力由零升至400kPa的时间不大于5s;制动缸最高压力应限制在450kP a±10kPa;60s后大闸手柄置重联位3s,复位紧急制动。
3)小闸置缓解位,将单独制动控制器手柄由“运转位”移至“缓解位”制动缸压力应即刻开始下降并能缓解至0,待制动缸压力降至零,松手后小闸手柄自动恢复“运转”位,制动缸压力不应回升。
4)大闸置运转位,均衡风缸由零升至580kPa的时间为小于22s,充风90s以上。
5)大闸置制动位后立刻回中立位,列车管最小减压量为40~50kPa,制动缸压力为90~130kPa;保压一份钟,均衡风缸漏泄量不超过5kpa/min,列车管漏泄量不超过10kpa/min。
6)阶段制动性能及最大减压量,列车管减压100kPa,制动缸压力为230~270kPa;列车管减压170kPa,制动缸压力为400~435kPa;将大闸置制动位,列车管应获得最大减压量210kPa~290kPa。
7)大闸置运转位,制动缸压力下降至40kPa的时间不大于8.5s,充风90s以上。
JZ-7型制动机七步闸外观检查:1、各仪表数值显示正常(防止指针倒装,黑前红后)2、各仪表检验日期末过期(3个月)或无检验标签3、大、小闸运转位4、各调整手轮防缓螺丝,阀体安装螺丝无松动5、客货转换阀在货车位第一步:自阀最小减压,列车管3S减压50KPA,制动缸压力5~7S上升100-125KPA,保压1分钟。
1、观察制动缸压力上升是否迟纯(3#或12#堵或半堵)2、第一次请求考官,下车检查(○1各缸勾贝必须伸出,防止个别闸缸管堵,○2检查三个塞门—前、后台车制动缸塞门和后端列车管第二个塞门)上下机车注意安全。
3、车察看列车管泄漏上是否超过20KPA。
现象一:列车管压力不下降原因:a.中继阀排风口全堵b.中继阀侧列车管2#塞门关现象二:制动缸压力不上升原因:a.分配阀列车管2#塞门全关b.分配阀总风支管22#全关c.分配阀侧作用风缸管14#全堵d.作用阀侧作用风缸管14#全堵e.作用阀侧闸缸管12#全堵f.作用阀侧作用风缸管14#全堵判断:○1先推小闸,不上闸为3#或12#,作用阀侧作用风缸14#堵,列车管不保压3#堵,能保压12#堵或14#堵,小闸缓解有声音为12#,无声音为14#○2小闸作用正常为a.b.c,将工用风缸压力缓解至0,工作风缸不上升为a,若工用风缸压力能回升为b或c,再看列车管能保压为c,不保压为b.现象三:制动缸上闸慢原因:a.中继阀排风口半堵:列车管下降慢,中继阀排风时间长,制动缸压力上升慢,非常位正常,小闸作用正常。
b.分配阀总风支管22#半堵:大闸时,制动缸上闸慢,缓解正常,小闸作用正常。
c.分配阀列车管2#塞门半堵:大闸上闸慢,缓解正常,工作风缸由0至500kpa的时间超过40S,小闸作用正常。
(取—过,看制动缸压力较明显)d.分配阀侧14#管半堵:大闸上闸,下闸都慢,小闸作用正常e.作用阀侧总风缸管3#半堵:大、小闸上闸慢,缓解慢。
(非常位时,正常闸缸上升不下降,半堵时闸缸上升后会下降)f.闸缸管12#半堵:大,小闸制动或缓解,闸缸压力上升或下降都慢。
(12#半堵,急制,制动缸压上指针抖动上升;作用阀侧14#半堵:急制,制动缸压力停顿1S左右再上升,无抖动)现象四:工作风缸压力下降,列车管不保压,制动缸压力不保压原因:a、工作风缸及其管系泄漏(外漏)b、工作风缸及其管系泄漏(内漏)c、降压风缸及其管系泄漏判断:当工作风缸压力漏至与列车管压力相等时停止下降为b;在非常位时,作作工缸压力不下降为c,若继续下降为a。
自阀阶段制动应稳定,制动缸压力按比例上升,自阀至最大减压位,列车管减压量为140kpa。
单阀缓解时,应能缓解到35kpa以下,(检查单缓管10#有无半堵或全堵,制动缸压力由350kpa降至35kpa以下时间为5-7S)回运转位,各风缸气室充风正常(缓解时间不低于10S)第二步闸:自阀最大减压位,列车管6S风降压140kpa,制动缸压力7-9S 内上升到350kpa,回运转位,各风缸充气正常。
1、检查常用限压阀的调整压力是否符合规定(闸缸350kpa)2、请求考官关塞门(分配阀与作用阀共用的3#塞门)检查作用风缸与制动缸有无泄漏,如果第一步闸发现列车管有泄漏,应关闭分配阀列车管2#塞门,进一步区分列车管与紧急风缸哪个漏。
区分:作用风缸与制动缸泄漏闸缸不保压,自阀在制动区,过减位,紧急制动位时,闸缸压力均达不到规定的压力值(360、450)关分配阀总风3#塞门时,作用阀排风口排风,为作用风缸及其管系泄漏,无排风时,为制动缸及基管系泄漏。
(小漏保压,大漏才不保压)区分:列车管与紧急风缸泄漏(做完试验区分关2#塞门)当关分配阀列车管2#塞门时,若列车管压力继续下降,为列车管泄漏,若不降,为紧急风缸泄漏。
现象一:分配阀常用限压阀调整值过高或过低现象二:闸缸上升慢原因:同第一步现象原因三现象三:闸缸缓解慢原因:a.分配阀主阀排风口半堵:大闸上闸正常,缓解慢,小闸作用正常。
(分配阀排风时间长)b.分配阀侧作用风缸管14#半堵:大闸上闸缓解都慢,主阀排风口间断排风,小闸作用正常c.作用阀排风口半堵:大、小闸上闸正常,缓解慢现象三:制动缸压力过到定压迅速回落原因:作用风缸管14#泄漏第三步闸:自阀过量减压位,列车管10S左右减压240-260kpa(均衡风缸不得小于4S)制动缸压力7~9S上升350kpa,不得起非常。
现象一:过量减压起非常原因:分配阀紧急部第一或第二排风堵倒装现象二:均衡风缸排风时间小于4S(均衡风缸排风过快到240-260kpa)原因:均衡风缸及其管系泄漏。
大漏时1# 2#均无压力,此时,在取柄位时,列车管压力正常。
现象一:列车管随均衡风缸风力回升判断:将客货转换阀置客车位,自阀有风排出时为8#堵,无风时为8a堵若排风缓慢,制动后回运转位,均衡风缸先回升,列车管过一会儿才回升,为8#半堵回运转位,这步因减压量大,充风时间应稍长最小减压位回运转,2#指针猛追1自阀回最小减压位,均衡风缸压力回升,列车管压力不变#为4#半堵,2#指针缓慢上升为中继阀2#半堵第四步闸:自阀至取柄位,均衡风缸压力10S内减压240-260kpa保压1分钟,检查并区分列车管与中均管是否泄漏,现象一:列车管压力也下降(列车管前几位不漏,只在取柄位漏为4#漏原因:中均管漏自阀回过充位,5-10S内过充压力增加30-40kpa,回运转位,过充回力120S内不能消除完,不起自然制动,过充风缸排风口应排风第二次请求考官下车检查,下车踢闸瓦,检查各制动缸缓解良好,下车注意安全现象一:过充快,不消除,无排风声原因:过充风缸管7#堵(靠风缸)现象二:过充快,消除快原因:过充风缸管7#半堵(靠风缸)现象三:过充压力上升慢,回运转位消除快原因:过充风缸及其管系漏现象四:过充正常,不消,无排风声原因:过充风缸0.5mm小孔堵现象五:无过充压力,但有排风声原因:中继阀7#管堵第五步闸:自阀紧急制动位,列车管3S内降到0,制动缸压力5~7S内上升450kpa,均衡风缸减压240-260kpa,撒砂装置自动撒砂1、检查紧急限压阀调整压力是否符合规定2、伸出窗外看是否撒砂现象一:单缓时,闸缸压力迅速到0,充风非常快,工作风缸压力不回升原因:工作风缸侧23#堵现象二:单缓时,闸缸压力下降很快到0,回运转时,闸缸压力又回升原因:工作风缸侧23#半堵现象三:大、小闸正常,工作风缸充风慢(超过40S)原因:分配阀侧23#管半堵自阀回运转位,工作风缸压力由0到480kpa的时间不超过40S左右,制动缸压力不应回升1、检查工作风缸是否半堵2、观察空压机泵风时间是否在30S内,防止单泵泵风(单泵泵风时间为55S或更长)第六步闸:单阀阶段制动正常,制动缸压力达300kpa全制时,检查单阀调整阀现象一:制动缸压力达不到或超过300kpa原因:单阀调整阀压力过低或过高。
阶段缓解作用应良好,第七步闸:单阀全制位,制动缸压力3S内达到300kpa现象一:小闸上闸、缓解都慢,大闸作用正常原因:单作管11#半堵单阀回运转位,制动缸压力4S内降为0现象一:单阀不制动,不缓解,大闸正常原因:单作管11#堵现象二:单阀全制时达不到300kpa,并带有“丝丝”漏风声原因:单作管11#漏现象三:自阀正常,单阀制动正常,缓解慢原因:单阀调整阀排风口半堵单阀全制位,第三次请求考官下车检查制动缸行程检查1、各制动缸勾贝是否符合规定2、手握列车管后端列车管,放风检查,确认塞门是否被关,脚踏风笛、撒砂试验。
试验完毕,请求分解JZ-7 型空气制动机故障现象中国内燃机车绝大部分都采用的是JZ-7型空气制动机,下面就该设备在操作过程中容易出现的的故障进行列举分析。
第一步操作一单、自阀手把均置于运转位,检查各风表指示压力应符合规定,各部件应无漏泄。
操作二自阀移到最小减压位,均衡风缸、制动管减压50千帕,制动缸压力上升100~125千帕,检查制动管漏泄量不大于20千帕/分。
故障现象。
(二)均衡风缸减压正常,制动管压力不下降。
(1)中继阀排风口堵;(2)中继阀制动管塞门关闭或制动管堵。
(三)制动管压力下降缓慢。
(1)中继阀排风口半堵;(2)中继阀制动管半堵;(3)中均管半堵;(四)均衡风缸减压正常,但当自阀调整阀停止排风后。
制动管压力仍持续下降,直至为零制动缸压力成比例上升至限压值。
(1)制动管系统漏泄;(2)中继阀排气阀关闭不严;(3)紧急风缸管系漏泄(六)均衡风缸、制动管减压正常,但工作风缸压力亦随制动管的减压而缓慢下降,制动管压力上升不到规定值,且随工作风缸压力的下降同时下降。
当工作风缸压力下降至与制动管压力相等,制动缸压力为零后,工作风缸、制动管压力开始同时下降,直至为零。
工作风缸管系漏。
(七)均衡风缸、制动管减压正常,但保压一段时间后,工作风缸压力突然阶段下降,制动缸压力亦随之下降直至为零后,制动管、工作风缸压力同时缓慢下降。
降压风缸管系漏泄。
(八)均衡风缸、制动管减压正常,但制动缸压力表的指针呈现跳跃式上升,工作风缸表指针亦出现轻微抖动,直至制动缸压力上升规定值后恢复稳定状态。
(1)作用风缸堵或容积减少。
(2)分配阀作用风缸管堵小。
(九)均衡风缸、制动管减压正常,但制动缸压力上升缓慢。
(1)分配阀制动管堵小;(2)作用阀3.12.14号管堵小或上升不正常(十二)均衡风缸、制动管减压正常,但制动缸压力表显示为零。
(1)操纵端一侧的转向架制动缸塞门关闭;(2)制动缸压力表故障或表管堵;操作三检查阶段制动作用是否稳定,制动管减压量与制动缸压力比例是否正确,全制动位时,均衡风缸、制动管减压170千帕,制动缸压力上升到340~360千帕。
故障现象(一)均衡风缸、制动管减压正常,制动缸压力超过或不足规定值,但能正常保压。
常用限压阀调整不正确操作四单阀手把推至单缓位,制动缸压力应下降为零,工作风缸的压力亦应下降。
松开单阀手把,单阀手把应能自动回到运转位。
故障现象(一)工作风缸、制动缸压力均不下降。
(1)单阀单缓管堵死;操作五自阀手把回运转位,均衡风缸、制动管恢复定压,制动缸压力为零,工作风缸压力亦恢复至与制动管相等。
故障现象:均衡风缸压力正常上升,但制动管压力上升缓慢。
(1)中继阀8号管堵小,使遮断阀柱塞尾部压力消除缓慢;(2)中继阀总风管堵小;(4)自阀内的8a通路堵小。
第二步操作一自阀手把由运转位移到最大减压位,均衡风缸、制动管减压170千帕的时间为5~7秒,制动缸压力上升到350千帕或420千帕的时间为5~7秒或7~9秒。
故障现象:制动管压力下降为零,机车起紧急制动作用。
(1)均衡风缸管系容积减小(风缸内积水或风缸管堵);(2)均衡风缸管系漏泄较大;(4)分配阀紧急放风阀第一风堵(1.2毫米)孔堵塞;(5)分配阀紧急放风阀第一风堵与第二风堵倒装。