空压机工艺流程图 Process flow diagram
- 格式:pdf
- 大小:91.96 KB
- 文档页数:1
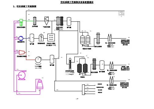
空压系统工艺流程及设备配置建议1、空压系统工艺流程图P-93P-92P-1061-62、用风用户介绍2.1酿造出酒糟等对压缩空气质量无特殊要求的地方,空压机出口直接供即可2.2包装、酿造、动力仪表用风,经过冷干机处理或者MD干燥器处理后即可应用,但是冬天低于0度的地方,要注意仪表用风管道的保温。
如果工厂供风压力因为某一个仪表用风点要求压力高,比如过滤线说座阀或者包装喷码机等设备,可以在设备前配置风动增压器,降低全厂供风压力。
2.3包装吹瓶、吹盖原则上不要应用压缩空气,应该使用大流量离心机,选用合理的吹扫风口即可,如果有,则应该根据运输带或者酒瓶的情况设置自动控制电磁阀,控制风口的开合。
2.4发酵罐、清酒罐备压用压缩空气或者氮气,一定要注意各生产部门合理分配用风,不要短时间造成压力下降而开机,而且氮气备压系统最好配备平衡罐,减少氮气消耗。
2.5酿造麦汁充氧系统,由于要求压力高而稳定,可以单独配备小型压缩机在现场,在保证风的质量后,也杜绝了空压系统压力或者质量波动对啤酒的影响。
2.6包装塑包机由于要求压力高而且相对流量大,所以可以选用风动式增压泵,降低空压系统的压力。
3、各机台介绍3.1空压机:为压缩空气与酒接触,可以保证供风质量,而且无油空压机后处理少,运行简单,易于维护。
3.1.2如果配置的是喷油双螺杆压缩机,一定要有完善的后处理设备,确保压缩空气达到标准。
无油和喷油双螺杆空压机有风冷和水冷型,水冷更容易调节,但是运行费用高,需要对水进行除垢、防微生物等处理,而且要确保进口水温低于32度。
风冷设计简单,但是如果空气质量较差的地方选用冷却期堵塞,影响设备正常运行,而且风冷机器一定要注意冷却机器的进风口和出风口的设置,不要造成热风循环。
工厂可根据现场实际选用相应的设备。
3.1.3尽量不使用活塞式压缩机,因为维护费用高,而且对于啤酒厂用风负荷波动大,但是机器不能调节供风量,造成能源浪费。
3.14 配置无油或者喷油螺杆压缩机的啤酒厂,应该保证至少有一台是变频空压机,可以根据外界负荷调节供风量,确保系统的经济运行。
螺杆空压机的系统流程3.1系统流程3.1.1空气流程(参照各机型的系统流程图)图3.1.1-15.5~15KW系统流程图图3.1.1-215~250KW系统流程图1、空气由空气滤清器滤去尘埃之后,经由进气阀进入主压缩室压缩;并与润滑油混合,与油混合的压缩空气进入油气桶,再经由油细分离器、压力维持阀、后部冷却器,气水分离器、送入使用系统中。
2、主气源通路中各组件功能说明:空气过滤器为一干式纸质过滤器,过滤纸细孔度约为10um左右,通常每600-1000小时(依环境而定)应取下清除表面的尘埃,清除的方法是使用低压空气将尘埃由内向外吹除。
空气过滤器上装有一压差发讯器或污染指示器,如果显示面板上显示空气滤清器堵塞或污染指示器中的红线可见,即表示空气过滤器必须清洁或更换。
2)进气阀a起动时,进气阀位于关闭状态,使压缩机在低负载下起动,减轻了电机起动时的负载;便于电机的正常工作。
同时进气阀本体所带有的空载进气小孔,避免了压缩机体内的过真空。
并能尽快建立系统所需气压。
b空车、重车转换压缩机起动后,进气阀打开。
压缩机即转换为重车状态即正常工作状态。
c停机自动卸压及止回功能停机后进气阀能快速卸除油气桶的气压,使下次起动电机不至过载;同时能防止油气桶内压缩空气倒流,造成转子反转及含油空气从空气滤清器中喷出。
3、感温探头在失水、失油、水量不足、油量不足等情况下,均有可能会导致排气温度过高,当排气温度达到所设定之温度值时,则系统会自动停机。
跳机温度一般设定在105-110℃,液晶面板上可读出排气温度。
4、油气桶油气桶桶侧装有油位指示计,静态润滑油的油位应在油位计的高油位线与低油位线之间。
油桶下装有泄油阀,每次启动前应略为扭开泄油阀以排除油气桶内的凝结水,请注意:一旦有油流出,立即关闭该泄油阀,以免有过多的润滑油流出。
桶上开有加油孔,可供加油用。
5、油细分离器详细内容请参阅后节说明。
6、安全阀当系统压力设定不当或失灵而使油气桶内压力比设定排气压力高出0.1Mpa以上时,安全阀即会跳开,使压力降至设定排气压力以下。
各种压缩机工作原理动图(完整版)一、活塞式压缩机活塞式压缩机的工作是气缸、气阀和在气缸中作往复运动的活塞所构成的工作容积不断变化来完成。
如果不考虑活塞式压缩机实际工作中的容积损失和能量损失(即理想工作过程),则活塞式压缩机曲轴每旋转一周所完成的工作,可分为吸气,压缩和排气过程。
活塞式压缩机工作原理:压缩过程:活塞从下止点向上运动,吸、排汽阀处于关闭状态,气体在密闭的气缸中被压缩,由于气缸容积逐渐缩小,则压力、温度逐渐升高直至气缸内气体压力与排气压力相等。
压缩过程一般被看作是等熵过程。
排气过程:活塞继续向上移动,致使气缸内的气体压力大于排气压力,则排气阀开启,气缸内的气体在活塞的推动下等压排出气缸进入排气管道,直至活塞运动到上止点。
此时由于排气阀弹簧力和阀片本身重力的作用,排气阀关闭排气结束。
二.双螺杆压缩机双螺杆压缩机具有一对互相啮合、相反旋向的螺旋形齿的转子。
大气通过进气过滤器将灰尘或杂质滤除后,经进气控制阀进入螺杆空气压缩机机头的吸气齿槽容积腔中,随着阳、阴转子啮合运动,齿槽容积腔中的空气被逐渐压缩,当空气被压缩到规定的压力时,压缩空气即从特定的排气孔口排出,然后流经油气分离罐,此时压缩排出的含油气体在油气分离罐内通过碰撞、拦截、重力作用,绝大部份的油介质被分离下来,然后进入油气分离芯进行二次分离,得到含油量很少的压缩空气,最后通过空气冷却器冷却排出,完成整个工作过程。
(国内做的比较成熟的双螺杆空压机公司是广东艾高,专注螺杆空压机20多年,微信:艾高空压机)三、单螺杆压缩机螺杆式压缩机又称螺杆压缩机。
20世纪50年代,就有喷油螺杆式压缩机应用在制冷装置上,由于其结构简单,易损件少,能在大的压力差或压力比的工况下,排气温度低,对制冷剂中含有大量的润滑油(常称为湿行程)不敏感,有良好的输气量调节性,很快占据了大容量往复式压缩机的使用范围,而且不断地向中等容量范围延伸,广泛地应用在冷冻、冷藏、空调和化工工艺等制冷装置上。
精通PID工艺流程图,这些要点最关键!PID图作为化工生产的技术核心,无论是设计院的工程师、化工厂的工艺员,还是中控控制室的主操,了解PID图上每一个字母、符号所表示的意义,并清楚明白这些元件的作用和控制方法,是作为化工人必不可少的技能。
PID图是什么?工艺流程图:即Process Flow Diagram,简称PFD,由工艺专业完成,它包含了整个装置的主要信息、操作条件(温度、压力、流量等)、物料衡算(各个物流点的性质、流量、操作条件等都在物流表中表示出来)、热量衡算(热负荷等)、设计计算(设备的外形尺寸、传热面积、泵流量等)、主要控制点及控制方案等。
相同作用且规格相同的设备只需画出一台即可。
工艺管道及仪表流程图:即Piping Instriment Diagram,简称PID。
PID是在PFD的基础上,由工艺、管道安装和自控等专业共同完成。
需要画出所有的设备、仪表、管道及其规格、保温厚度等内容,是绘制管道布置图的主要依据。
PID图是在工艺包阶段就开始形成初版,随着设计阶段的深入,不断补充完善深化,它分阶段和版次分别发表。
PID各个版次的发表,表明了工程设计进展情况,为工艺、自控、设备、电气、电讯、配管、管机、管材、设备布置和给排水等专业及时提供相应阶段的设计信息。
PID是基础设计和详细设计中主要成品之一,它反映的是工艺设计流程、设备设计、设备和管道布置设计、自控仪表设计的综合成果。
PID图能告诉我们什么?1.用规定的类别图形符号和文字代号:表示装置工艺过程的全部设备、机械和驱动机,包括需就位的备用设备和生产用的移动式设备,并进行编号和标注。
2.用规定的图形符号和文字代号:详细表示所需的全部管道、阀门、主要管件(包括临时管道、阀门和管件)、公用工程站和隔热等,并进行编号和标注。
3.用规定的图形符号和文字代号:表示全部检测、指示、控制功能仪表,包括一次性仪表和传感器,并进行编号和标注。
4.用规定的图形符号和文字代号:表示全部工艺分析取样点,并进行编号和标注。
各种压缩机运行原理图(动画演示) 本账号为化工707服务号,与化工707订阅号同步运行,本账号下方菜单栏每天都会更新内容,请各位多使用下方菜单栏,获取最新的内容。
需要下载文档的朋友,可以到化工707论坛下载。
空气压缩机工作原理是能量之间的转换,但是不同种类机型还是有区别很大区别的,例如螺杆式及活塞等相互间差别。
气路系统通过包括过滤、压缩、冷却,之后才会进入到主管道而被排出。
无论是从压缩机原理、日常工作操作还是它的构造上,都给人一种简单的错觉,其实,有太多的内容需要去学习和掌握。
深入的去了解,更好的规范每个步骤。
到最后你肯定会发现,可能看似不起眼的小改动,都能带来莫大的收益。
螺杆空压机原理 从制造工艺上来说,不管是任何生产厂家,在螺杆式空压机的设计上各数据要求非常严格,将误差精确均控制到最低,而且当前配件的制作方面有非常先进的数控技术。
在提高设备的性能前提下,尽最大可能性减少日常使用费用。
在启动机器之前,需要保证已经做好了每个配件的润滑,用电、冷却等装置正常。
基于螺杆式空气压缩机工作原理的方方面面,在吸、排气上都有特定的压力元件,根据需求范围内数值设定,一旦出现高于或者不足,马上会做出反应,以确保整体用气的安全。
空气压缩机是能源消耗大户,为了响应节能的号召,当前的机械行情是国内外的众多商家结合螺杆机的工作原理,纷纷提出了变频或者能源回收等改造方法,近年来也得到了实质上的应用。
广大用户可参照成功案例,做出详细的规划,及时做出调整! 活塞空气压缩机工作原理 活塞空气压缩机工作原理是在运行用来改变容积的最主要几个部件有:气缸、气阀以及处于其中的活塞。
它实际上的工作内容可以简单分为吸入气体、压缩、排出这三个步骤。
当然,现实中它们几者之间是存在能量损失的。
进入气缸中的气体因处于一个密闭的空间中,与外界不接触,当容积逐渐减少时,就实现了对它的压缩。
在压缩机工作中,通过仪表显示可以发现气体的温度和所受到的压力值不断的增加,这就是整个过程。
工艺流程图识图基础知识工艺流程图是工艺设计的关键文件,同时也是生产过程中的指导工具.而在这里我们要讲的只是其在运用于生产实际中大家应了解的基础知识(涉及化工工艺流程设计的内容有兴趣的师傅可以找些资料来看)。
它以形象的图形、符号、代号,表示出工艺过程选用的化工设备、管路、附件和仪表等的排列及连接,借以表达在一个化工生产中物量和能量的变化过程.流程图是管道、仪表、设备设计和装置布置专业的设计基础,也是操作运行及检修的指南.在生产实际中我们经常能见到的表述流程的工艺图纸一般只有两种,也就是大家所知道的PFD和P&ID。
PFD实际上是英文单词的词头缩写,全称为Process Flow Diagram,翻译议成中文就是“工艺流程图”的意思。
而P&ID也是英文单词的词头缩写,全称为Piping and Instrumentation Diagram,“&”在英语中表示and。
整句翻译过来就是“工艺管道及仪表流程图”。
二者的主要区别就是图中所表达内容多少的不同,PFD较P&ID内容简单。
更明了的解释就是P&ID图纸里面基本上包括了现场中所有的管件、阀门、仪表控制点等,非常全面,而PFD图将整个生产过程表述明白就可以了,不必将所有的阀门、管件、仪表都画出来。
另外,还有一种图纸虽不是表述流程的,但也很重要即设备布置图.但相对以上两类图而言,读起来要容易得多,所以在后面只做简要介绍。
下面就介绍一下大家在图纸中经常看到的一些内容及表示方法。
1 流程图主要内容不管是哪一种,那一类流程图,概括起来里面的内容大体上包括图形、标注、图例、标题栏等四部分,我们在拿到一张图纸后,首先就是整体的认识一下它的主要内容.具体内容分别如下:a 图形将全部工艺设备按简单形式展开在同一平面上,再配以连接的主、辅管线及管件,阀门、仪表控制点等符号.b 标注主要注写设备位号及名称、管段编号、控制点代号、必要的尺寸数据等。
常用缩写PID:piping instrument diagram 管道仪表图PFD:process flow diagram 工艺流程图PX:paraxylene 对二甲苯PTA:purified terephthalic acid 精对苯二甲酸CTAISBL:inside battery limit 界区内OSBLATM: atmosphere 大气BFW:boiler feed water 锅炉给水WDO:water draw-off 采出水COD: chemical oxygen demand 化学耗氧量BOD:Biochemical Oxygen Demand 生化耗氧量CS: carbon steel 碳钢DCS: distributed control system 分散控制系统HAC: acetic acid 醋酸PAC:process air compressor 空压机RPF:rotary pressure filter 旋转压力过滤机DH:Dehydration 脱水RVF/ROVAC:rotary vacuum filter 旋转真空过滤器CW:Cooling waterCWR:Cooling water returnK.O.: knock out 汽液分离ML: mother liquid 母液PPM:parts per million 百万分之几SS:stainless steel 不锈钢VOC:volatile organic compounds 挥发性有机物NNF:Normally no flow 正常无流量ET :Electrically traced 电伴热F:Frost protection 防冻H:Heat conservation insulation 保温N:Not insulated 不保温P:Personnel protection insulation for hot service 防烫ST:Steam traced 蒸汽伴热NPA:n- Propyl Acetate 醋酸正丙酯MA:methyl acetate 醋酸甲酯IPA:isophthalic acid 间苯二甲酸TMA:trimellitic acid 偏苯三酸BA:benzoic acid 苯甲酸4-CBA:4-carboxyl benzaldehyde 对羧基苯甲醛PT酸:paratoluic acid 对甲基苯甲酸HPCCU:High-pressure catalytic combustion unit高压催化燃烧单元DW(TW):deminerulised water 脱盐水FW:fire water 消防水PW:Potable water 饮用水BW: boiler feed water 锅炉给水RW: raw water 原水IW:plant water 工业用水SW:seal water 密封水PSA: Pressure Swing Adsorption 变压吸附常用词汇catalyst 催化剂CMB catalyst 钴锰溴催化剂Cobalt Manganese BromideEntrainer 共沸剂Pd(palladium) catalyst 钯触媒Sodium hydrate 氢氧化钠Support fuel(methanol)燃料(甲醇)sodium formate 甲酸钠mother liquor 母液Toluene 甲苯Sodium Carbonate 碳酸钠Hydrogen 氢Caustic 碱Nitrogen 氮Steam (HP IP MP LP ELP VLP)蒸汽Drum 罐Injector 喷射器Pump 泵Scrubber 洗涤塔Combustor 燃烧器Condensate 凝液Condenser 冷凝器Filter 过滤器Absorber 吸收塔Solvent 溶剂Column 塔crystallize 结晶Crystallizer 结晶器agitate 搅拌、混合Agitator 搅拌器Cake 饼、块Drier 干燥机Stripper 汽提塔Residue 残渣Evaporator 蒸发器Tank (storage tank 储罐)罐、槽Vessel 设备、罐、容器Buffer 缓冲Flash 闪蒸Relief scrubber 放空洗涤塔Pit 坑、槽Hopper 料斗Deduster 除尘器Dissolver 溶解器Valve 阀门Pot 罐、壶Blower 鼓风机by-pass 旁通线by-product 副产物feed 进料、供给、加料flange 法兰header 总管、集水(气)管insert gas 惰气interlock 联锁manway 人孔nozzle 喷嘴off-gas 尾气package 包装preheat 预热preheater 预热器reflux 回流screw 螺旋start up 开车shut down 停车silo 料仓、槽tube 管子、管道utility 设施、效用、公用工程bursting disk(BD) 防爆膜relief valve(RV) 安全阀deaerator 除氧器drain 排放reactor 反应器silencer 消音器EQUIPMENT LIST 设备清单Decanter 倾析器Reboiler 再沸器CTA主要设备一、空压机与HPCCUM1-112 Inlet Air FilterF1-160 Off Gas Knock Out DrumE1-161 First Combustor PreheaterC1-113 Process Air CompressorE1-162 Second Combustor PreheaterE1-165 Combustor interheaterH1-166 Support Fuel InjectorS1-115 PAC Blowoff SilencerD1-167 Catalytic CombustorE1-116/7/8 Air Compressor Intercooler H1-170 Offgas DesuperheaterS1-120 PAC Discharge SilencerD1-172 Offgas ScrubberC1-140 Steam TurbineG1-173A/B Offgas Scrubber Recirc PumpsE1-141 Steam Turbine CondenserG1-142A/B Steam Turbine Condensate Pumps SteamTurbine Vacuum PackageF1-147/8/9 Steam Turbine KnockOut DrumC1-155 Offgas ExpanderS1-156 Offgas Expander Silencer二、反应E1-313 Start Up HeaterD1-301 Oxidation ReactorG1-301 Oxidation Reactor AgitatorE1-303 First Reactor CondenserE1-304 Second Reactor CondenserE1-305 third Reactor CondenserE1-306 fourth Reactor CondenserE1-307 Demin Water Heater (BFW)E1-308 Reactor Gas CoolerD1-310 HP AbsorberG1-311 HP Absorber Recycle Pumps三、结晶D1-401 First CTA CrystalliserG1-401 First CTA Crystalliser AgitatorE1-430 First CTA Crystalliser CondenserE1-431 First CTA Crystalliser Vent Condenser F1-432 First CTA Crystalliser Vent Separator D1-402 / G1-402 Second CTA Crystalliser & Crystalliser Agitator D1-403 / G1-403 Third CTA Crystalliser & Crystalliser Agitator E1-404 Third CTA Crystalliser CondenserH1-405 Third CTA Crystalliser EjectorE1-406 Third CTA Crystalliser Ejector & Ejector CondenserG1-407 Third CTA Crystalliser Transfer PumpsG1-413 Oxidation Recirculation PumpF1-408/G1-408 Filter Feed Drum & AgitatorG1-409 Filter Feed PumpsM1-410 Rotary Vacuum FiltersF1-411 Mother Liquor Separators G1-412A Filtrate PumpsE1-415 Vacuum Vapour CondensersG1-416 Vacuum PumpsF1-417 Vacuum Pump Knockout DrumG1-418 Seal Fluid PumpsE1-419 Seal Fluid Coolers四、溶剂回收D1-601 DH ColumnE1-602 DH Column ReboilerE1-603 Solvent Bottoms CoolerG1-606 DH Solvent PumpG1-607 HP Solvent PumpE1-608/F1-608/1/F1-608/F1-609DH Column Condenser / Contactor / Decanter / Entrainer Storage VesselG1-615 DH Reflux PumpD1-651 Purge ColumnD1-631 Recovery ColumnE1-631 Recovery Column CondenserG1-632 Recovery Column Bottoms PumpE1-634 Recovery Column Waste Water CoolerF1-506 Mother Liquor DrumG1-507A/B Mother Liquor PumpsD1-511 Solvent StripperG1-512 Stripper Circulating PumpE1-513 Stripper ReboilerF1-515 Residues EvaporatorF1-516 / G1-516 Residues Slurry Receiver & Agitator G1-517 Stripper Mixing PumpG1-530A/B Residue Slurry PumpF1-2650/M1-2650 Mother Liquor Storage Tank & Jet Mixer G1-2651 Mother Liquor Storage PumpD1-2652/G1-2654 Mother Liquor Storage Tank Scrubber &Scrubber PumpD1-508 Atmospheric ScrubberE1-510 Atmospheric Scrubber Bottoms CoolerG1-514 Atmospheric Scrubber Bottoms PumpD1-840 Relief ScrubberA1-841 Relief Scrubber PitG1-842 Relief Scrubber PumpP1-420 Filter Cake Discharge ScrewP1-422 Filter Cross Screw ConveyorP1-421 CTA Drier Feed ScrewM1-423 / P1-427 CTA Drier package & Discharge Screw B1-424 CTA Drier StackF1-425 CTA Drier Condensate PotD1-501 CTA Drier ScrubberE1-502 CTA Drier Scrubber CoolerC1-503 CTA Drier BlowersE1-504 CTA Drier Gas HeaterG1-505 CTA Drier Scrubber PumpP1-901 CTA Drier Exit Screw Conveyor P1-902 CTA Drier Rotary Valve五、蒸汽系统G1-2206 LP Feed water PumpsF1-2209 ELP Condensate Flash DrumG1-2210 Condensate Return PumpsF1-2212 DeaeratorF1-2219 MP Steam Flash DrumF1-2220 LP Steam Blowdown DrumG1-2221 Blowdown Condensate PumpN2系统M1-921 Offgas Drier PackageE1-927 Offgas Drier CoolerD1-928 Offgas Drier ScrubberG1-929A/B Offgas Drier Scrubber 1st Stage PumpsE1-930 Offgas Drier circulation CoolerG1-931A/B Offgas Drier Scrubber 2nd Stage Recirc Pumps F1-925 Inert Gas Buffer VesselC1-830A/B Inert Gas Booster CompressorA1-856 / G1-857A/B Oxidation Effluent Pit & PumpsA1-854 / G1-855A/B Purification Effluent Pit & PumpsPTA主要设备F1-1201 Feed HopperM1-1200 Feed Hopper Rousing Gas FilterF1-1202 CTA Feed Hoppper Vent Gas ScrubberM1-1202 CTA Feed Hoppper Vent Gas DeducterP1-1203 CTA Feed Rotary ValveF1-1206/G1-1206 Feed Slurry Drum & AgitatorG1-1207 LP Dissolver Feed PumpM1-1220 Feed Slurry FilterG1-1209 HP Dissolver Feed PumpE1-1223/F1-1223 First Preheater & Condensate PotE1-1222/F1-1222 Second Preheater & Condensate PotE1-1220 Third PreheaterE1-1211 Fourth PreheaterE1-1221 HT condensate sub coolerF1-1220 Third Crystalliser Preheater Condensate Pot D1-1301 Dissolver ReactorD1-1401/G1-1401 First PTA Crystalliser & AgitatorD1-1402/G1-1402 Second PTA Crystalliser & AgitatorD1-1403/G1-1403 Third PTA Crystalliser & AgitatorD1-1404/G1-1404 Fourth PTA Crystalliser & AgitatorD1-1405/G1-1405 Fifth PTA Crystalliser & AgitatorF1-1414/G1-1414 PTA Mother Liquor Flash Drum & Agitator E1-1418 Waste Water HeaterG1-1407 Slurry Circulation PumpF1-1408/G1-1408 RPF Feed Tank & AgitatorG1-1409 RPF Feed PumpM1-1410 PTA Rotary Pressure FilterF1-1412 RPF Ko PotG1-1416 RPF BlowerF1-1412 RPF Knockout DrumP1-1421 PTA Cake Discharge ScrewP1-1422 PTA Drier Cross ScrewP1-1424 PTA Drier Feed ScrewM1-1423 PTA DrierP1-1902 PTA Drier Exit Screw & Rotary ValveM1-1905/E1-1904 PTA Conveying Gas System Filter andProduct CoolerF1-1425/G1-1426 PTA Drier Condensate Pot & Condensate Pump B1-1427/E1-1428 PTA Drier Scrubber CondenserF1-1903/M1-1903/M1-1900 PTA ProductBatch Tank,Batch TankFilter & Rousing Gas FilterP1-1907 / M1-1901 / M1-1906 PTA Product Batch Tank Rotary Valve,Conveying Gas Filter and Product Filter F1-1615 Vent ScrubberG1-1616 Recycle Solvent AgitatorE1-1618 Process Water HeaterF1-1619 Vent Scrubber Seal PotF1-1610/G1-1602 PTA Mother Liquor Driain Drum & Pump M1-1603 PTA Mother Liquor separator packageF1-1605 PTA Mother Liquor Filter head tankF1-1604/G1-1604 PTA M/L Slurry Receiver r & Agitator Pump E1-1607 PTA M/L CoolerF1-1608/G1-1609 PTA M/L Buffer Vessel & M/L Transfer Pump F1-2000A/B/CM1-2000 PTA Product Silos & Anciliary Equipment E1-2004 PTA Final Product CoolerC1-1350 Hydrogen Compressor。
空分设备工艺流程图的讲解Download tips: This document is carefully compiled by this editor. I hope that after you download it, it can help you solve practical problems. The document can be customized and modified after downloading, please adjust and use it according to actual needs, thank you! In addition, this shop provides you with various types of practical materials, such as educational essays, diary appreciation, sentence excerpts, ancient poems, classic articles, topic composition, work summary, word parsing, copy excerpts, other materials and so on, want to know different data formats and writing methods, please pay attention!空气分离设备是一种用于分离空气中不同成分的设备,常用于工业生产中的氧氮制备以及气体纯化等领域。
其工艺流程经过多个步骤,包括压缩、冷却、吸附、脱附、分离等环节。
下面将详细介绍空气分离设备的工艺流程图及各个环节的作用。
第一步:压缩空气分离设备的工艺流程通常以压缩空气作为一个起点。
空气从自由状态被压缩成为高压气体,以便后续的分离步骤。
压缩后的空气通常包含了氮气、氧气、二氧化碳等成分。
空压机工作原理及结构图解析空压机(英文为:air compressor)是气源装置中的主体,它是将原动机(通常是电动机)的机械能转换成气体压力能的装置,是压缩空气的气压发生装置,是利用空气压缩原理制成超过大气压力的压缩空气的机械。
按照压缩空气的方式不同,空压机通常分为两大类,一类是容积式,另一类是动力式,又可按其结构的不同分为以下几种形式:一、空压机工作原理:当启动装置开启后,电动机进入正常运转,通过三角皮带轮带动压缩机曲轴,再通过连杆和十字头,使活塞在气缸内作往复直线运动。
当活塞由外止点向内止点开始移动时,气缸内侧活塞外侧处于低压状态,气体通过近期阀进入汽缸,当活塞由内止点向外止点移动时,进气阀关闭,气缸内的气体则被压缩而提高压力。
当压力超过排气阀外气体压力时,排气阀打开,开始排出压缩气体,当活塞到达外止点时排气完毕。
气体经过一级气缸压缩再经中间冷却器冷却后,进入二级缸,同样被压缩后进入储气罐,以备使用。
1、活塞式空压机的原理--驱动机启动后,经三角胶带,带动压缩机曲轴旋转,通过曲柄杆机构转化为活塞在气缸内作往复运动。
当活塞由盖侧向轴运动时,气缸容积增大,缸内压力低于大气压力,外界空气经滤清器,吸气阀进入气缸;到达下止点后,活塞由轴侧向盖侧运动,吸气阀关闭,气缸容积逐渐变小,缸内空气被压缩,压力升高,当压力达到一定值时,排气阀被顶开,压缩空气经管路进入储气罐内,如此压缩机周而复始地工作,不断地向储气罐内输送压缩空气,使罐内压力逐渐增大,从而获得所需的压缩空气。
2、螺杆式单级压缩空压机工作原理是由一对相互平行齿合的阴阳转子(或称螺杆)在气缸内转动,使转子齿槽之间的空气不断地产生周期性的容积变化,空气则沿着转子轴线由吸入侧输送至输出侧,实现螺杆式空压机的吸气、压缩和排气的全过程。
空压机的进气口和出气口分别位于壳体的两端,阴转子的槽与阳转子的齿被主电机驱动而旋转。
由电动机直接驱动压缩机,使曲轴产生旋转运动,带动连杆使活塞产生往复运动,引起气缸容积变化。
工艺流程图图标、符号、图示、标志及含义画法工艺流程图图标、符号、图示、标志及含义画法设备布置图的画法1)视图表示方法比例与图幅,分区,视图配置2)设备表示方法定型设备和非定型设备;同一位号的多台设备,在图上可画出一台设备的外形,其他的可以只画出基础或用双点画线的方框表示;设备一览表。
特征管口的方位角2.3设备布置图的阅读某物料残液蒸馏系统设备布置图样中有平面图和I-I剖面图。
按工艺要求,冷凝器E0401架空,其物料出口的管口高于真空受液槽V0408A和V0408B的进料口,物料可以自流到V0408A和V0408B中,为便于E0401的支承和避免遮挡窗户,将其靠墙并靠近建筑轴线②附件布置。
为满足操作维修要求,各设备之间留有必要的间距。
剖面图表达了室内设备在立面上的位置关系,剖面图的剖切位置在平面图上I-I处,蒸馏釜和真空受槽A和B 布置在标高为5m的楼面上,冷凝器布置在标高为6.95m处。
3、管道布置图3.1、管道布置图的图示1)一组视图用平面图、剖视图等表示整个车间(装置)的设备、建筑物的简单轮廓以及管道管件、阀门、仪表控制点等的布置安装情况。
2)尺寸标注管道管件、阀门、控制点等的平面位置尺寸和标高以及建筑物轴线编号、设备位号及说明等。
3)指北针表示管道安装的方位基准。
4)标题栏注写图名、图号、比例、修改、签字等。
5)管口表在图纸右上角,列出与所有设备管口有关内容的管口表。
3.2、管道的图示方法1)管道视图的配置与画法管道视图的配置2)管道视图的画法a.设备的画法b.管道的画法管道的画法替换高清大图管道的连接画法管道用三通的表示法各种管道的画法c.管道附件的画法示例:根据图(a)所示管道(装有阀门)轴测图画出其平面图和立面图。
分析:该段管道有两部分,主管道的走向为自下向上一向后一向左一向上一向后;支管向左。
管道上有四个截止阀,上部两个阀的手轮朝上(阀门与管道为法兰连接),中间一个阀的手轮朝右(阀门与管道为螺纹连接),下部一个阀的手轮朝前(阀门与管道为法兰连接)。
空压机工艺流程空压机工艺流程是指空压机在生产过程中所要经历的各个环节和步骤,主要包括原材料采购、加工制造、装配调试、产品质量检验和包装出货等。
下面将详细介绍空压机工艺流程。
首先,原材料采购。
空压机的主要原材料包括铸件、钢板、轴承、电机等。
在采购过程中,需要选择选择质量可靠、性能稳定的原材料供应商,并与供应商签订采购合同,确保原材料的质量和供应的稳定性。
其次,加工制造。
原材料采购到达生产车间后,将进行加工制造。
其中,铸件需要进行铸造、型砂处理和表面处理等工艺,钢板需要进行冷热压延和剪切裁剪等工艺。
这些工艺的目的是将原材料加工成产品所需要的零部件。
接下来,装配调试。
在这个环节中,各种零部件将会被组装在一起,形成具备功能的空压机。
装配过程中需要注意各个零部件的安装顺序和装配方法,以确保空压机的正常运转。
装配完成后,还需要进行调试,检验各个部件的运行状态和各个功能的可靠性。
然后,产品质量检验。
这是整个工艺流程中非常重要的一步,旨在确保空压机的质量和性能符合标准要求。
质量检验包括外观检查、功能性检测、噪音检测等方面。
只有通过严格的质量检验,才能保证空压机的质量合格,达到客户的需求。
最后,包装出货。
经过质量检验合格的空压机将会进行包装,并准备出货。
在包装过程中,需要选择适当的包装材料和包装方式,以防止运输过程中的损坏。
同时,还需要制作产品标签和说明书等相关资料,以便客户正确使用和维护空压机。
总结起来,空压机的工艺流程包括原材料采购、加工制造、装配调试、产品质量检验和包装出货等环节。
每个环节都是整个工艺流程中不可或缺的一部分,只有各个环节都进行了严格的控制和管理,才能最终生产出质量可靠、性能优良的空压机产品。
空压机制造工艺流程英文回答:The manufacturing process for an air compressor involves several steps to ensure its efficient and reliable operation. Firstly, the design phase is crucial in determining the specifications and performance requirements of the compressor. This includes selecting the appropriate size and capacity, as well as determining the desired pressure and flow rate. Once the design is finalized, the next step is to procure the necessary materials and components. This may involve sourcing various metal alloys for the compressor body, as well as acquiring high-quality valves, pistons, and other internal parts.After the materials are obtained, the fabrication process begins. This typically involves cutting, shaping, and welding the metal components to form the compressor's body. Precision machining techniques are used to create the necessary internal surfaces and threads. The various partsare then assembled, with careful attention paid to proper alignment and fit. This ensures that the compressor operates smoothly and efficiently.Once the assembly is complete, the compressor undergoes rigorous testing to ensure its performance meets the specified requirements. This may involve subjecting the compressor to different load conditions and measuring parameters such as pressure, temperature, and power consumption. Any necessary adjustments or modifications are made during this testing phase to optimize the compressor's performance.Finally, the finished air compressor is prepared for shipment or installation. This involves packaging the compressor securely to protect it during transportation. The necessary documentation, including user manuals and warranty information, is also prepared. The compressor is then ready to be delivered to the customer or installed at the designated location.中文回答:制造空压机的工艺流程包括几个步骤,以确保其高效可靠的运行。