CAXA制造工程师文档
- 格式:doc
- 大小:614.00 KB
- 文档页数:10
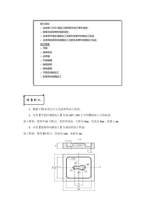
1.根据下图-3所示尺寸完成零件加工造型。
2.应用【平面区域粗加工】生成160×160正方凹槽的加工刀具轨迹。
加工要求:使用Ф16立铣刀,采用环切法,行距为8mm ,层高为5mm ,余量1 mm3.应用【轮廓导动精加工】生成岛的加工轨迹。
加工要求:使用R5球刀,层高为1mm ,余量0 mm 。
构造思路:首先利用拉伸增料,除料构建出正方凹槽,再利用线架造型绘制出槽内岛屿外部轮廓,然后构建出曲面轮廓,然后在用拉伸增料和曲面裁剪除料功能创建出三维实体模型完成整个实体构建。
试题要点:边界面,曲线投影,拾取过滤设置,曲面裁剪除料等操作步骤一、平移1.对拾取到的曲线或曲面进行平移或拷贝。
平移有两种方式:两点或偏移量。
2.单击“造型”,指向下拉菜单“几何变换”,单击“平移”,或者直接单击按钮。
3.两点方式就是给定平移元素的基点和目标点,来实现曲线或曲面的平移或拷贝。
4.偏移量方式就是给出在XYZ三轴上的偏移量,来实现曲线或曲面的平移或拷贝。
二、曲线组合1.曲线组合用于把拾取的多条相连曲线组合成一条样条曲线。
2.曲线组合有两种方式:保留原曲线和删除原曲线。
3.把多条曲线组成一条曲线可以得到两种结果:一种是把多条曲线用一个样条曲线表示。
这中表示要求首尾相连的曲线是光滑的。
如果首尾相连的曲线有尖点,系统会自动生成一条光顺的样条线。
三、边界面1.在由已知曲线围成的边界区域上生成曲面。
2.边界面有两种类型:四边面和三边面。
所谓四边面是指通过四条空间曲线生成平面;三边面是指通过三条空间曲线生成平面。
3.拾取的四条曲线必须首尾相连成封闭环,才能作出四边面;并且拾取的曲线应当是光滑曲线。
四、平面镜像1.对拾取到的曲线或曲面以某一条直线为对称轴,进行同一平面上的对称镜像或对称拷贝。
平面镜像有拷贝和平移两种方式。
五、曲线投影投影线定义:指定一条曲线沿某一方向向一个实体的基准平面投影,得到曲线在该基准平面上的投影线。
利用这个功能可以充分利用已有的曲线来作图平面里的草图线。
CAXA制造工程师实例教程教案第一章:CAXA制造工程师概述教学目标:1. 了解CAXA制造工程师的基本功能和应用领域。
2. 掌握CAXA制造工程师的操作界面和基本操作。
教学内容:1. CAXA制造工程师简介2. CAXA制造工程师的操作界面3. CAXA制造工程师的基本操作教学过程:1. 讲解CAXA制造工程师的功能和应用领域。
2. 演示CAXA制造工程师的操作界面和基本操作。
3. 学生实际操作,熟悉界面和基本操作。
练习题:1. 简述CAXA制造工程师的功能和应用领域。
2. 演示如何打开一个文件并在CAXA制造工程师中进行基本操作。
第二章:二维绘图教学目标:1. 掌握CAXA制造工程师的二维绘图功能。
2. 学会使用CAXA制造工程师进行基本二维图形绘制。
教学内容:1. 二维绘图基础2. 基本二维图形的绘制3. 二维图形的编辑教学过程:1. 讲解二维绘图基础,包括坐标系和图层。
2. 演示基本二维图形的绘制方法。
3. 讲解二维图形的编辑方法,包括移动、旋转和缩放。
4. 学生实际操作,练习绘制和编辑二维图形。
练习题:1. 简述CAXA制造工程师二维绘图的基础知识。
2. 演示如何使用CAXA制造工程师绘制一个矩形。
3. 演示如何使用CAXA制造工程师编辑一个已绘制的图形。
第三章:三维建模教学目标:1. 掌握CAXA制造工程师的三维建模功能。
2. 学会使用CAXA制造工程师进行基本三维模型创建。
教学内容:1. 三维建模基础2. 基本三维图元的创建3. 三维模型的编辑教学过程:1. 讲解三维建模基础,包括坐标系和视图。
2. 演示基本三维图元的创建方法。
3. 讲解三维模型的编辑方法,包括移动、旋转和缩放。
4. 学生实际操作,练习创建和编辑三维模型。
练习题:1. 简述CAXA制造工程师三维建模的基础知识。
2. 演示如何使用CAXA制造工程师创建一个长方体。
3. 演示如何使用CAXA制造工程师编辑一个已创建的三维模型。
第1章CAXA制造工程师2008应用技术1.1 数控加工技术概述一、教学目的及要求:了解数控加工的特点,数控加工的必要条件及流程。
二、教学重点数控加工的步骤三、教学难点数控加工的流程及必要条件四、教学方法大量资料介绍,结合多媒体五、教学内容1.1.1数控加工的特点数控加工,也称之为NC(Numerical Contorl)加工,是以数值与符号构成的信息,控制机床实现自动运转。
数控加工经历了半个世纪的发展已成为应用于当代各个制造领域的先进制造技术。
数控加工的最大特征有二点:一是可以极大地提高精度,包括加工质量精度及加工时间误差精度;二是加工质量的重复性,可以稳定加工质量,保持加工零件质量的一致。
也就是说加工零件的质量及加工时间是由数控程序决定而不是由机床操作人员决定的。
一、数控加工具有如下优点:1、提高生产效率;2、不需熟练的机床操作人员;3、提高加工精度并且保持加工质量;4、可以减少工装卡具;5、可以减少各工序间的周转,原来需要用多道工序完成的工件,用数控加工可以一次装卡完成,缩短加工周期,提高生产效率。
6、容易进行加工过程管理;7、可以减少检查工作量;8、可以降低废、次品率;9、便于设计变更,加工设定柔性;10、容易实现操作过程的自动化,一个人可以操作多台机床;11、操作容易,极大减轻体力劳动强度随着制造设备的数控化率不断提高,数控加工技术在我国得到日益广泛的使用,在模具行业,掌握数控技术与否及加工过程中的数控化率的高低已成为企业是否具有竞争力的象征。
数控加工技术应用的关键在于计算机辅助设计和制造(CAD/CAM)系统的质量。
如何进行数控加工程序的编制是影响数控加工效率及质量的关键,传统的手工编程方法复杂、烦琐,易于出错,难于检查,难以充分发挥数控机床的功能。
在模具加工中,经常遇到形状复杂的零件,其形状用自由曲面来描述,采用手工编程方法基本上无法编制数控加工程序。
近年来,由于计算机技术的迅速发展,计算机的图形处理功能有了很大增强,基于CAD/CAM技术进行图形交互的自动编程方法日趋成熟,这种方法速度快、精度高、直观、使用简便和便于检查。
第1章 CAXA制造工程师应用基础知识§1.1 数控加工技术概述§1.1.1数控加工的特点数控加工,也称之为NC(Numerical Contorl)加工,是以数值与符号构成的信息,控制机床实现自动运转。
数控加工经历了半个世纪的发展已成为应用于当代各个制造领域的先进制造技术。
数控加工的最大特征有二点:一是可以极大地提高精度,包括加工质量精度及加工时间误差精度;二是加工质量的重复性,可以稳定加工质量,保持加工零件质量的一致。
也就是说加工零件的质量及加工时间是由数控程序决定而不是由机床操作人员决定的。
一、数控加工具有如下优点:1、提高生产效率;2、不需熟练的机床操作人员;3、提高加工精度并且保持加工质量;4、可以减少工装卡具;5、可以减少各工序间的周转,原来需要用多道工序完成的工件,用数控加工可以一次装卡完成,缩短加工周期,提高生产效率。
6、容易进行加工过程管理;7、可以减少检查工作量;8、可以降低废、次品率;9、便于设计变更,加工设定柔性;10、容易实现操作过程的自动化,一个人可以操作多台机床;11、操作容易,极大减轻体力劳动强度随着制造设备的数控化率不断提高,数控加工技术在我国得到日益广泛的使用,在模具行业,掌握数控技术与否及加工过程中的数控化率的高低已成为企业是否具有竞争力的象征。
数控加工技术应用的关键在于计算机辅助设计和制造(CAD/CAM)系统的质量。
如何进行数控加工程序的编制是影响数控加工效率及质量的关键,传统的手工编程方法复杂、烦琐,易于出错,难于检查,难以充分发挥数控机床的功能。
在模具加工中,经常遇到形状复杂的零件,其形状用自由曲面来描述,采用手工编程方法基本上无法编制数控加工程序。
近年来,由于计算机技术的迅速发展,计算机的图形处理功能有了很大增强,基于CAD/CAM技术进行图形交互的自动编程方法日趋成熟,这种方法速度快、精度高、直观、使用简便和便于检查。
CAD/CAM技术在工业发达国家已得到广泛使用。
CAXA制造工程师--叶轮造型及加工
2020年1月15日
目录
1.叶轮的造型 (2)
1.1半椭圆的线架构成 (2)
1.2叶轮曲面造型生成 (5)
2.叶轮的加工 ...................................................................... 错误!未定义书签。
2.1多轴加工---叶轮粗加工 .............................................. 错误!未定义书签。
2.2精加工---叶轮精加工 .................................................. 错误!未定义书签。
3.生成加工G代码 ............................................................... 错误!未定义书签。
叶轮造型
1.叶轮的造型
1.1半椭圆的线架构成
首先在桌面上新建一个记事本文件,打开在里面以如图—1A所示的方法输入所给的空间点坐标。
保存后,将其后缀名改为“.dat”的格式。
单击主菜单中的“打开”选择DAT数据文件。
图表 1
图表 2 打开后就能够看到四条空间曲线。
图表 3
单击曲线工具栏中的“整圆”按钮,选择“正交”中的“长度方式”,长度为“50”。
点击坐标原点,得到所示图形。
图表 4
图表 5
单击曲线工具栏中的“直线”按钮。
选择“非正交”,连接点AE
与BF。
图表 6
1.2叶轮曲面造型生成
单击曲面工具栏中的“直纹面”按钮,选择“曲线+曲线”的方式,按照软件上的提示拾取曲线,生成曲面。
图表 7
图表 8
单击曲面工具栏中的“旋转面”按钮,选择起始角为“0”,终止角为“360”,按照软件提示拾取旋转轴直线和母线,生成曲面。
图表 9
图表 10
按F9键切换到XOY平面,点击几何变换栏中的“阵列”按钮,选择“圆形”—“均布”,份数为“8”,按照软件提示拾取做好叶片上的全被曲面后点击右键,输入的中心点为坐标原点,点击右键即可。
图表 11
图表 12
单击曲线工具栏中的“相关线”按钮,选择“曲面边界线”中的“全
部”,按软件提示选择蓝色曲面得到顶端和底端圆形曲线。
图表 13
单击曲线工具栏中的“整圆”按钮,选择“圆心_半径”,按软件提示,以顶端圆形曲线的圆心为圆心,做半径为“8”的圆。
如图—9B所示
图表 14
图表 15
单击曲面工具栏中的“直纹面”按钮,选择“曲线+曲线”的方式,按照软件上的提示拾取曲线,生成曲面。
图表 16
单击曲面工具栏中的“扫描面”按钮,起始距离为“0”,扫描距离
为“30”,扫描角度为“0”,扫描精度为“0.01”。
按软件提示,按空格键选择扫描方向为“Z轴负方向”,接着去拾取要扫描的曲线。
图表 17
图表 18
单击曲线工具栏中的“整圆”按钮,选择“圆心_半径”,按软件提。