新编矿山采矿设计手册
- 格式:doc
- 大小:42.00 KB
- 文档页数:6
名称:《新编煤矿矿井设计手册》
作者:编委会
出版社:中国矿业大学出版杜2009年6月出版开本:16开精装
册数:一册+
定价:190 元
优惠价:160元
详细目录:
第一章矿区总体规划设计
第一节矿区总体设计程序
第二节矿区总体设计的依据与内容
第三节矿区总体设计原则
第二章矿井设计
第一节矿井设计程序及依据
第二节矿井初步设计内容
第三节矿井初步设计“安全专篇”内容
第四节矿井开采设计原则与步骤
第五节方案比较法
第六节矿井采掘关系
第七节矿井开拓设计方案比较内容
第三章矿井开拓方案设计案例
第一节矿井开拓设计方案比较示例一
第二节矿井开拓设计方案比较示例二
第四章井底车场设计
第五章准备方式设计
第一节准备方式类型
第二节采区设计的依据及内容
第三节准备巷遭布置方案分析
第四节采区主要参数
第六章准备方式巷道布置方案选择示例
第一节采区巷道布置方案选择示例
第二节盘区巷道布置方案选择示例
第七章采区车场设计
第一节采区车场设计依据与要求
第二节采区上部车场线路设计
第三节采区中部车场线路设计
第四节采区下部车场线路设计
第八章采区硐室设计
第九章采煤方法设计
第一节回采巷道布置
第二节采煤工艺设计
第三节采煤方法的选择
第十章栗动治理设计
第十一章掘进工作酉作业规程编制第十二章栗煤工作面作业规程编制。
1 矿区概述及井田地质特征1.1 矿区概述1.1.1 交通位置大斗沟七矿位于大同煤田向斜中段的东南翼,地理位置居大同市西南,直距21公里,行政区属大同市南部区口泉乡,地理座标东径112°58'——113°05',北纬40°00'——40°03'。
1-1如图1.1.2 地形地貌大斗沟七矿位于大同煤田的北中部,井田范围内为平缓的丘陵地形,洪水冲刷切割剧烈东北向沟谷发育,切割深度一般在10—20m。
全区地形为中部高、四周低,最高处在井田中部,标高1426.6m,最低点位于井田南部主井口处,标高1190m,最大相对高差236.6m。
1.1.3气象及地震本区属于黄土高原干旱大陆性气候,冬季严寒,夏季炎热,气候干燥,风沙严重。
气温一般较低,以年温差与日温差大为特点。
年平均温度为5.1℃,极端最高温度为39.3℃,极端最低温度为-35℃,年最高最低温差可达60℃以上,一般日温差在20℃左右。
年降水量分布不均匀,降水量多集中在7、8、9三个月,占全年降水量的60—70%,年最大降水量为628.3mm,年最小降水量为259.3mm,最大日降水量79.9mm。
全年日照时间为2880—3140小时,平均为3011.4小时,年日照百分率为68%;历年来蒸发量大大超过降水量,一般蒸发量为降水量的4—5倍。
年蒸发量为1644—2105mm之间,平均为1847.8mm;4—7月间,月蒸发量为200—300mm,最大日蒸发量为19.2mm。
全年日照时间为2880—3140小时,平均为3011.4小时,年日照百分率为68%;历年来蒸发量大大超过降水量,一般蒸发量为降水量的4—5倍。
年蒸发量为1644—2105mm之间,平均为1847.8mm;4—7月间,月蒸发量为200—300mm,最大日蒸发量为19.2mm。
本区地震基本烈度,在《中国地震烈度区划图(1/300万)》上划分为8 度。
目录第一章课程设计大纲 (1)1.1实践课程的性质、目的与任务.................................... 错误!未定义书签。
1.2课程设计的基本要求.................................................... 错误!未定义书签。
第二章采区概况及开采范围.................................................... 错误!未定义书签。
2.1采区概况及开采范围.................................................... 错误!未定义书签。
第三章采区地质情况................................................................ 错误!未定义书签。
3.1煤层情况........................................................................ 错误!未定义书签。
3.2煤质 (4)3.3瓦斯、煤尘、自燃、地温等情况 (4)3.4地质构造........................................................................ 错误!未定义书签。
3.5开采条件评述................................................................ 错误!未定义书签。
3.6水文地质特征................................................................ 错误!未定义书签。
第四章采区工业和可采储量.. (9)4.1采区工业储量计算 (9)4.2采区煤柱损失计算 (9)4.3采区可采储量计算 (10)第五章采区巷道布置................................................................ 错误!未定义书签。
新编矿山采矿设计手册出版:中国矿业大学出版编号:6239社作者: 版本:2006年11月规格:精装十卷开本:16开定价:2,680.001、矿产地质卷(上)第一篇矿山防治水第一章矿床水文地质勘探程序要求第二章一般矿山和砂矿设计水文地质工作第三章矿坑涌水量计算第四章矿床疏干第五章矿床疏干水文地质计算第六章注浆防渗帷幕第七章防渗墙第八章岩溶矿区地面塌陷的预测和防治第九章矿井突然涌水的预测和防治第十章矿区地表水防治第十一章矿坑水的利用和排放第十二章地下水及地表水监测第十三章矿山防治水设计技术经济评价2、矿产地质卷(中)第二篇矿山设计地质工作第一章矿山设计地质工作基本要求第二章矿山设计所需地质资料及勘探程序评价第三章矿床地质经济评价第四章矿床工业指标制定第五章储量计算与矿石质量统计分析第六章矿石选冶试验采样设计第七章基建探矿与生产探矿设计第八章矿山化验室与岩矿鉴定室设计第九章砂矿设计地质工作第十章数学地质方法与电子计算机应用第十一章金属及非金属矿产工业要求第十二章金属与非金属矿床勘探类型与勘探工程间距与储量比例要求3、矿产地质卷(下)第三篇矿山岩石力学第一章岩石力学基础第二章露天矿边坡设计第三章地下工程稳定性分析第四章地表与岩体移动监测第五章矿岩可崩性分析附录1 设计地质工作常用资料附录2 矿山岩石力学常用资料附录3 矿山防治水设计常用资料4、矿床开采卷(上)第一篇露天开采第一章露天开采境界设计第二章露天矿生产能力的确定第三章矿床开拓运输第四章采剥方法第五章穿孔工作第六章爆破工作第七章露天矿大爆破第八章装载第九章剥离物的排弃第十章采场排水第十一章砂矿水力开采第十二章采掘船开采第十三章石材开采第十四章特殊开采法第十五章炸药加工厂及库房第十六章矿山环境保护第十七章技术经济5、矿床开采卷(中)第二篇地下开采第一章矿山生产能力第二章开采岩移及地表建筑物保护第三章矿床开拓第四章采矿方法选择第五章采矿准备与切割第六章空场采矿法第七章崩落采矿法第八章充填采矿法第九章凿岩第十章爆破第十一章回采出矿6、矿床开采卷(下)第十二章采场支护第十三章充填材料和充填计算第十四章矿石损失与盆化第十五章基建及采掘(或回采)进度计划的编制第十六章矿井通风与防尘第十七章地下矿排水及排泥第十八章矿山内因火灾防治第十九章联合开采及露天转地下开采第二十章矿山安全技术与工业卫生7、矿井巷工程卷(上)第一章竖井第二章斜井第三章平巷(硐)第四章溜井和溜槽8、井巷工程卷(下)第五章地下破碎系统第六章硐室第七章地下动力设备基础第八章锚杆支护第九章井巷注浆9、矿山机械卷(上)第一章机车运输第二章地下机车运输第三章无极绳及调度绞车运输第四章带式输送机运输第五章地下汽车运输第六章斜井(坡)提升第七章竖井单绳提升第八章竖井多绳磨擦提升第九章矿山粗破碎装置第十章压气设施第十一章矿山主通风装置第十二章矿山排水与地下供水设施第十三章地下排泥设施10、矿山机械卷(下)第二篇架空索道第一章概述第二章索道类型选择第三章基础资料及一般规定第四章索道线路选择第五章索道基建投资和经营费估算第六章双线循环式货运索道第七章单线循环式货运索道第八章其它形式的货运索道第九章双线客运索道第十章单线客运索道第十一章保护设施通用输送机械及其特种机型设计关键技术与零部件选型图例手册通用输送机械及其特种机型设计关键技术与零部件选型图例手册【编号】:16449【浏览】:451次【分类】:行业图书---机械【册数】:全四卷16开精装【出版社】:2007年8月【作者】:编委会【价格】:定价:980元第一篇通用输送机械设计关键技术第一章输送带动力特性研究第二章输送机动态特性分析第三章可控起动技术第四章自动张紧技术第五章实时监控与综合保护技术第二篇特种带式输送机设计与改进第一章花纹输送带和深槽型带式输送机第二章平面转弯带式输送机第三章波状挡边带式输送机第四章压带式带式输送机第五章线摩擦带式输送机第六章气垫带式输送机第七章钢丝绳牵引带式输送机第三篇新型圆管带式输送机设计关键技术与图例第一章各国典型圆管带式输送机第二章新型圆管带式输送机结构设计第三章新型圆管带式输送机设计计算第四章圆管带式输送机的软启动设计第五章输送机的选择与产品技术规格第六章直线形托辊、弧形托辊和无缝托辊第七章传动滚筒、改向滚筒和电动滚筒第八章各国圆管带式输送机关键技术第九章线路设计和机架材料第十章拉紧装置、散料特性与清扫器第十一章主要机电设备的性能与选用第十二章给料系统设备设计计算第四篇带式输送机设计关键技术与设计图例第一章通用带式输送机第二章气垫带式输送机第三章波状挡边输送机第五篇斗式提升机设计关键技术与设计图例第一章斗式提升机设计计算第二章通用斗式提升机第三章特种斗式提升机第六篇板式输送机设计关键技术与设计图例第一章板式输送机设计图集第二章板式输送机设计计算第三章牵引链条、附件及链轮的设计计算第四章板式输送机设计计算图例第五章输送链特种附件设计范例第七篇刮板输送机设计关键技术与设计图例第一章零部件结构与设计第二章刮板输送机设计计算第三章刮板输送机选型第四章刮板输送机计算设计图例第八篇埋刮板输送机设计关键技术与设计图例第一章零部件结构与设计第二章埋刮板输送机设计计算第三章特种机型设计第四章设计与改造图例第九篇悬挂输送机设计关键技术与设计图例第一章设计图例第二章牵引式悬挂输送机第三章积放式悬挂输送机第十篇螺旋输送机设计关键技术与设计图例第一章螺旋叶片第二章普通(水平)螺旋输送机第三章垂直螺旋输送机第四章特种螺旋输送机第十一篇振动输送机与振动给料机设计关键技术与设计图例第一章振动输送机和给料机的主要结构型式第二章驱动装置第三章各型振动输送机动力学计算第四章振动输送机和给料机的结构设计第五章隔震设计与弹性元件第十二篇辊子输送机设计关键技术与设计图例第一章辊子输送机构造第二章GzT型辊子输送机设计参数与部件选用第三章设计计算第四章GzT型辊子输送机选型第十三篇架空索道设计关键技术与设计图例第一章双线循环式货运索道第二章单线循环式货运索道第三章往复式客运索道第四章单线循环运行式固定抱索器客运索道第五章单线循环式脱挂抱索器客运索道第十四篇连续输送机械的辅助装置选型设计第一章存仓与存仓闭锁器第二章供料器第三章自动称量装置与分离装置通用输送机械及其特种机型设计关键技术与零部件选型图例手册通用输送机械及其特种机型设计关键技术与零部件选型图例手册通用输送机械及其特种机型设计关键技术与零部件选型图例手册通用输送机械及其特种机型设计关键技术与零部件选型图例手册通用输送机械及其特种机型设计关键技术与零部件选型图例手册通用输送机械及其特种机型设计关键技术与零部件选型图例手册3、通过活动,使学生养成博览群书的好习惯。
新编矿山采矿设计手册出版:中国矿业大学出版编号:6239社作者: 版本:2006年11月规格:精装十卷开本:16开定价:2,680.001、矿产地质卷(上)第一篇矿山防治水第一章矿床水文地质勘探程序要求第二章一般矿山和砂矿设计水文地质工作第三章矿坑涌水量计算第四章矿床疏干第五章矿床疏干水文地质计算第六章注浆防渗帷幕第七章防渗墙第八章岩溶矿区地面塌陷的预测和防治第九章矿井突然涌水的预测和防治第十章矿区地表水防治第十一章矿坑水的利用和排放第十二章地下水及地表水监测第十三章矿山防治水设计技术经济评价2、矿产地质卷(中)第二篇矿山设计地质工作第一章矿山设计地质工作基本要求第二章矿山设计所需地质资料及勘探程序评价第三章矿床地质经济评价第四章矿床工业指标制定第五章储量计算与矿石质量统计分析第六章矿石选冶试验采样设计第七章基建探矿与生产探矿设计第八章矿山化验室与岩矿鉴定室设计第九章砂矿设计地质工作第十章数学地质方法与电子计算机应用第十一章金属及非金属矿产工业要求第十二章金属与非金属矿床勘探类型与勘探工程间距与储量比例要求3、矿产地质卷(下)第三篇矿山岩石力学第一章岩石力学基础第二章露天矿边坡设计第三章地下工程稳定性分析第四章地表与岩体移动监测第五章矿岩可崩性分析附录1 设计地质工作常用资料附录2 矿山岩石力学常用资料附录3 矿山防治水设计常用资料4、矿床开采卷(上)第一篇露天开采第一章露天开采境界设计第二章露天矿生产能力的确定第三章矿床开拓运输第四章采剥方法第五章穿孔工作第六章爆破工作第七章露天矿大爆破第八章装载第九章剥离物的排弃第十章采场排水第十一章砂矿水力开采第十二章采掘船开采第十三章石材开采第十四章特殊开采法第十五章炸药加工厂及库房第十六章矿山环境保护第十七章技术经济5、矿床开采卷(中)第二篇地下开采第一章矿山生产能力第二章开采岩移及地表建筑物保护第三章矿床开拓第四章采矿方法选择第五章采矿准备与切割第六章空场采矿法第七章崩落采矿法第八章充填采矿法第九章凿岩第十章爆破第十一章回采出矿6、矿床开采卷(下)第十二章采场支护第十三章充填材料和充填计算第十四章矿石损失与盆化第十五章基建及采掘(或回采)进度计划的编制第十六章矿井通风与防尘第十七章地下矿排水及排泥第十八章矿山内因火灾防治第十九章联合开采及露天转地下开采第二十章矿山安全技术与工业卫生7、矿井巷工程卷(上)第一章竖井第二章斜井第三章平巷(硐)第四章溜井和溜槽8、井巷工程卷(下)第五章地下破碎系统第六章硐室第七章地下动力设备基础第八章锚杆支护第九章井巷注浆9、矿山机械卷(上)第一章机车运输第二章地下机车运输第三章无极绳及调度绞车运输第四章带式输送机运输第五章地下汽车运输第六章斜井(坡)提升第七章竖井单绳提升第八章竖井多绳磨擦提升第九章矿山粗破碎装置第十章压气设施第十一章矿山主通风装置第十二章矿山排水与地下供水设施第十三章地下排泥设施10、矿山机械卷(下)第二篇架空索道第一章概述第二章索道类型选择第三章基础资料及一般规定第四章索道线路选择第五章索道基建投资和经营费估算第六章双线循环式货运索道第七章单线循环式货运索道第八章其它形式的货运索道第九章双线客运索道第十章单线客运索道第十一章保护设施通用输送机械及其特种机型设计关键技术与零部件选型图例手册通用输送机械及其特种机型设计关键技术与零部件选型图例手册【编号】:16449【浏览】:451次【分类】:行业图书---机械【册数】:全四卷16开精装【出版社】:2007年8月【作者】:编委会【价格】:定价:980元第一篇通用输送机械设计关键技术第一章输送带动力特性研究第二章输送机动态特性分析第三章可控起动技术第四章自动张紧技术第五章实时监控与综合保护技术第二篇特种带式输送机设计与改进第一章花纹输送带和深槽型带式输送机第二章平面转弯带式输送机第三章波状挡边带式输送机第四章压带式带式输送机第五章线摩擦带式输送机第六章气垫带式输送机第七章钢丝绳牵引带式输送机第三篇新型圆管带式输送机设计关键技术与图例第一章各国典型圆管带式输送机第二章新型圆管带式输送机结构设计第三章新型圆管带式输送机设计计算第四章圆管带式输送机的软启动设计第五章输送机的选择与产品技术规格第六章直线形托辊、弧形托辊和无缝托辊第七章传动滚筒、改向滚筒和电动滚筒第八章各国圆管带式输送机关键技术第九章线路设计和机架材料第十章拉紧装置、散料特性与清扫器第十一章主要机电设备的性能与选用第十二章给料系统设备设计计算第四篇带式输送机设计关键技术与设计图例第一章通用带式输送机第二章气垫带式输送机第三章波状挡边输送机第五篇斗式提升机设计关键技术与设计图例第一章斗式提升机设计计算第二章通用斗式提升机第三章特种斗式提升机第六篇板式输送机设计关键技术与设计图例第一章板式输送机设计图集第二章板式输送机设计计算第三章牵引链条、附件及链轮的设计计算第四章板式输送机设计计算图例第五章输送链特种附件设计范例第七篇刮板输送机设计关键技术与设计图例第一章零部件结构与设计第二章刮板输送机设计计算第三章刮板输送机选型第四章刮板输送机计算设计图例第八篇埋刮板输送机设计关键技术与设计图例第一章零部件结构与设计第二章埋刮板输送机设计计算第三章特种机型设计第四章设计与改造图例第九篇悬挂输送机设计关键技术与设计图例第一章设计图例第二章牵引式悬挂输送机第三章积放式悬挂输送机第十篇螺旋输送机设计关键技术与设计图例第一章螺旋叶片第二章普通(水平)螺旋输送机第三章垂直螺旋输送机第四章特种螺旋输送机第十一篇振动输送机与振动给料机设计关键技术与设计图例第一章振动输送机和给料机的主要结构型式第二章驱动装置第三章各型振动输送机动力学计算第四章振动输送机和给料机的结构设计第五章隔震设计与弹性元件第十二篇辊子输送机设计关键技术与设计图例第一章辊子输送机构造第二章GzT型辊子输送机设计参数与部件选用第三章设计计算第四章GzT型辊子输送机选型第十三篇架空索道设计关键技术与设计图例第一章双线循环式货运索道第二章单线循环式货运索道第三章往复式客运索道第四章单线循环运行式固定抱索器客运索道第五章单线循环式脱挂抱索器客运索道第十四篇连续输送机械的辅助装置选型设计第一章存仓与存仓闭锁器第二章供料器第三章自动称量装置与分离装置通用输送机械及其特种机型设计关键技术与零部件选型图例手册通用输送机械及其特种机型设计关键技术与零部件选型图例手册通用输送机械及其特种机型设计关键技术与零部件选型图例手册通用输送机械及其特种机型设计关键技术与零部件选型图例手册通用输送机械及其特种机型设计关键技术与零部件选型图例手册通用输送机械及其特种机型设计关键技术与零部件选型图例手册。
水泥矿山设计手册第一部分:水泥矿山概述水泥矿山是指采矿、破碎、磨砂、熟料生产、重破料、煤破碎的过程,是水泥生产的关键环节。
水泥矿山设计手册旨在提供一个清晰的框架,来指导水泥矿山的规划和设计,以确保安全高效的生产。
第二部分:水泥矿山规划与布局1. 地质勘探与评估:水泥矿山的规划应始于对矿产资源的勘探评估,包括矿脉分布、矿石质量、矿体规模等方面的调查研究。
2. 矿区选址:选择合适的地理位置进行矿山开发,考虑到交通、水源、电力等基础设施的条件。
3. 矿山布局:设计合理的矿山区域布局,包括采矿区、矿石露天堆场、破碎站、磨砂车间等区域。
第三部分:采矿与破碎工艺1. 采矿工艺:包括采矿方式的选择,爆破和运输的技术要求。
2. 破碎工艺:设计破碎系统和设备,确保矿石的颗粒尺寸符合生产工艺的要求。
第四部分:磨砂与熟料生产1. 磨砂工艺:选择合适的磨矿设备,进行粉磨处理,确保磨矿效率和质量。
2. 熟料生产:设计熟料生产流程,包括熟料窑的选型、运行参数等。
第五部分:环保与安全1. 环保措施:设计矿山设施的环保设备,减少粉尘、废水和废气的排放。
2. 安全管理:制定矿山安全管理制度,包括作业人员的防护、应急预案等。
第六部分:设备维护与管理1. 设备维护:建立设备维护管理制度,对矿石采矿、破碎、磨砂设备进行定期维护,确保设备正常运行。
2. 人力资源管理:合理配置人力资源,培训操作人员,确保矿山生产的连续性和安全性。
总结水泥矿山设计手册的制定,是为了规范化水泥矿山的建设与管理工作,提高生产效率,降低环境污染,保障矿山员工的安全。
该手册内容全面、系统,为矿山设计与管理人员提供了宝贵的参考依据,有望对水泥行业的可持续发展产生积极的推动作用。
采矿设计说明书内蒙古科技大学本科生毕业设计说明书〔毕业论文〕题目:石宝铁矿中区年产115万吨露天开采方案与矿山平安专篇〔采矿工艺平安〕设计先生姓名:邢琦亚学号:20040609227专业:平安工程班级:安2004-2班指点教员:王文才教授摘要本次设计的标题是石宝铁矿中区年产115万吨露天开采方案与矿山平安专篇设计。
露天开采设计方案中,底部周界初步定在1488水平,开采深度180米,台阶高度12米,最终边坡角68°,经济合理剥采比确定为5.0m3/m3,设计开采年限19年。
结合矿山的地质地形条件,选用公路运输开拓,回返式调车,单斗开掘机-汽车工艺,固定坑线开拓系统。
选用WK—4型电铲,贝拉斯—540A型汽车来完成采装义务。
选用KQ—150型潜孔钻机停止穿孔作业。
爆破采用多排孔微差爆破,采用导爆管雷管起爆器。
平安专篇设计中,主要引见了露天采矿穿孔、爆破、装运、排土、防排水等环节应留意的平安效果以及炸药库、加油站存在的风险隐患,另外还就平安管理的内容停止了复杂的表达。
本次设计共完成说明书一本,图纸28张。
关键词:露天开采境界采剥开拓采矿工艺平安AbstractThe design of the topic is Opencast working project with an annual output of 1.15 million tons in central of SHIBAO Iron Ore and the design of mine safety chapter. In the design of opencast working project, the bottom boundary is tentatively defined as 1488horizontal line, mining depth of 180 meters, open pit bench 12 meters high, the final slope angle 68 °, economically rational stripping ratio defined as 5.0 m3/m3, design mining 19 years. Combined with mine geological terrain conditions, road transport development, the return-transfer vehicle, single-bucket excavators-automotive technology, fixed-line pit developing system are selection.Selection of WK-4 electric shovel, BeilaSi -540 A-type vehicle is to complete the task of mining equipment. Selection of KQ-150 submersible drilling rig is for perforation operations.Blasting adopt a multi-hole millisecond burst, detonating the detonator of detonators. In the design of safety chapter , mainly known the opencast mining perforation, blasting, Loading-Transport, dumping, anti-drainage, and other links should pay attention to the safety issues and the danger of hidden dangers exist in the explosives, gas stations, also a simple narrative is made on the safety management of the content . The design complete one illustrate book, twenty-eight drawings.Key words:Surface Mining Realm Development Mining Technology safety目录摘要.............................................................................................. 错误!未定义书签。
新编矿山采矿设计手册矿产地质卷序随着我国经济的快速发展,矿产资源的需求日益增大,采矿行业正处于蓬勃发展的阶段。
然而,采矿活动涉及的矿产地质知识复杂多样,对采矿设计人员的要求也越来越高。
针对矿产地质学知识的深度和广度,我们编写了《新编矿山采矿设计手册矿产地质卷》,旨在为采矿设计人员提供全面、权威的矿产地质学知识,并指导其在实际工作中开展科学、有效的矿山开采设计工作。
本手册内容丰富、系统,涵盖了矿产地质学的各个方面,旨在成为采矿行业从业者的实用工具书。
一、矿产地质学概述1.1 矿产地质学的定义和内容1.2 矿产地质学的研究方法和技术手段1.3 矿产地质学在采矿设计中的作用和意义二、矿产地质调查2.1 野外地质调查的基本方法和步骤2.2 野外地质勘探技术和工具2.3 矿产地质调查数据的处理和分析三、矿床形成与类型3.1 矿床形成的基本理论和模型3.2 常见矿床类型的特征和成因3.3 矿床类型对采矿设计的影响四、地质灾害与预防4.1 各类地质灾害的特征和预测方法4.2 采矿活动对地质环境的影响4.3 地质灾害防治的技术手段和措施五、矿产地质信息系统5.1 矿产地质信息系统的构建和运用5.2 GIS技术在矿产地质中的应用5.3 信息化技术对采矿设计的促进作用六、可持续发展与矿产地质6.1 矿产地质在可持续发展中的作用6.2 绿色采矿技术与矿产地质的结合6.3 矿产地质对环境保护的重要意义结语《新编矿山采矿设计手册矿产地质卷》是一本集理论与实践于一体的权威工具书,它的出版将填补我国矿产地质学教材与专著的空白,弥补矿产地质学领域在采矿设计中的不足。
希望本手册能够得到采矿行业从业者的认可和使用,为我国矿产资源的开发和利用做出积极的贡献。
在矿产地质学的概述部分,我们可以进一步扩展对矿产地质学的定义和内容的讨论。
矿产地质学是研究地球内部岩石和矿物在地质作用下的形成和分布规律,以及在地质构造、岩石学、矿物学等地质学基础上,结合矿床学和勘探地质学所开展的研究、教学与科学推广的一门应用性地质学科。
摘要本设计包括三个部分:一般部分、专题部分和翻译部分。
一般部分为寺河矿300万t/a新井设计。
寺河煤矿位于山西省晋城市西面,交通便利。
井田走向(东西)长约5.77km,倾向(南北)长约6.30km,井田总面积为36.24km2。
主采煤层为3号煤、9号煤,平均倾角为5°,煤层平均总厚为5.30m。
井田地质条件较为简单。
井田工业储量为38784万t,矿井可采储量27352万t。
矿井服务年限为70.13a, 涌水量不大,矿井正常涌水量为75m3/h,最大涌水量为120m3/h。
矿井瓦斯涌出量较高,为高瓦斯矿井。
井田为双斜井单水平开拓。
大巷采用胶带运输机运煤,辅助运输采用无轨胶轮车设备。
矿井通风方式为两翼对角式通风。
矿井年工作日为300d,工作制度为四六”制。
一般部分共包括10章:1.矿区概述及井田地质特征;2.井田境界和储量;3.矿井工作制度及设计生产能力、服务年限;4.井田开拓;5.准备方式-盘区巷道布置;6.采煤方法;7.井下运输;8.矿井提升;9.矿井通风与安全技术;10.矿井基本技术经济指标。
目录1矿区概述及井田地质特征 (6)1.1矿区概述 (6)1.2井田地质特征 (8)1.3煤层特征 (14)2 井田境界和储量 (20)2.1 井田境界 (20)2.2 矿井工业储量 (21)2.2矿井可采储量 (23)3 矿井工作制度及设计生产能力、服务年限 (27)3.1矿井工作制度 (27)3.2矿井设计能力及服务年限 (27)4 井田开拓 (30)4.1 井田开拓的基本问题 (30)4.2 矿井基本巷道 (38)5 准备方式-盘区巷道布置 (52)5.1 煤层的地质特征 (52)5.2盘区巷道布置及生产系统 (53)5. 3盘区车场选型设计 (59)6 采煤方法 (59)6.1 采煤工艺方式 (59)6. 2回采巷道布置 (69)7 井下运输 ..................................................... (71)7.1 概述 ................................................... (71)7. 2 盘区运输设备选择... ... ... ... ... ... ... ... ... ... ... ... ... ... ... ... ... ... (73)7. 3 大巷运输设备选择... ... ... ... ... ... ... ... ... ... ... ... ... ... ... ... ... (75)8 矿井提升 (79)8.1 概述 (79)8.2 主副井提升 (79)9 矿井通风与安全 (84)9. 1 矿井概况... ... ... ... ... ... ... ... ... ... ... ... ... ... ... ... ... ... ... ... ... ... (84)9.2 矿井通风系统的确定 (85)9. 3 矿井风量计算... ... ... ... ... ... ... ... ... ... ... ... ... ... ... ... ... ... ... ... (90)9. 4 矿井阻力计算... ... ... ... ... ... ... ... ... ... ... ... ... ... ... ... ... ... ... ... (94)9.4 选择矿井通风设备 (100)9.5 安全技术措施 (103)10 矿井基本技术经济指标1051矿区概述及井田地质特征1.1矿区概述1.1.1交通位置寺河井田位于晋城新区东南部,跨晋城市和阳城、沁水两县。
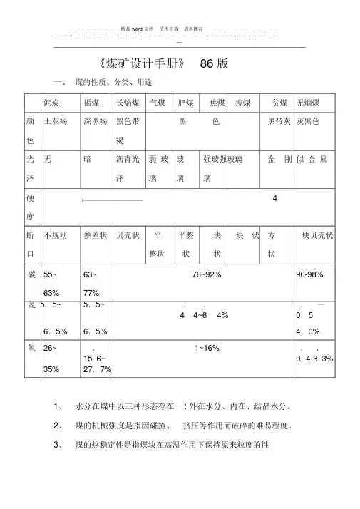
《煤矿设计手册》86 版一、煤的性质、分类、用途泥炭褐煤长焰煤气煤肥煤焦煤瘦煤贫煤无烟煤颜土灰褐深黑褐黑色带黑色黑带灰灰黑色色褐光无暗沥青光弱玻玻强玻强玻璃金刚似金属泽泽璃璃璃硬1----------------------------------------------------------------------4度断不规则参差状贝壳状平平整块块状方块贝壳状口整状状状状碳55~63~76~92%90-98% 63%77%氢 5.5~5.5~..4%.5—44~60 6.5%6.5%4.0%氧26~.1~16%..15 6~04-3 3%35%27.7%1、水分在煤中以三种形态存在: 外在水分、内在、结晶水分。
2、煤的机械强度是指因碰撞、挤压等作用而破碎的难易程度。
3、煤的热稳定性是指煤块在高温作用下保持原来粒度的性能。
4、灰分含量级别: 特低≤ 5%,低> 5~10%,中> 20~30%,富>30~40%,高灰> 40~50%。
5、硫含量级别:特低≤ 0.5%,低>0.5~1.0%,中>1.5~2.0%,富> 2.0~3. 0%,高> 3.0%。
6、煤的焦油产率分级: 含油煤≤ 7%,富> 7~12%,高油煤> 12%。
7、用于炼焦的煤种:气煤、肥煤、焦煤、瘦煤。
二、矿井概况1、井田范围2、储量 3 、生产能力 4 、开拓方式5 、历年产量6、投产报废时间7、经营性质三、主要技术经济指标1、开采煤层2、可采煤层层数、厚度、层间距3、煤层倾角及变化4、水平划分、开采水平标高5、运输大巷布置方式及位置6、采区尺寸7、生产采区个数及能力8、采区巷道布置方式支护方式9、回采工作面长短及年进度表10、回采工作面个数及生产能力11 、回采工作面支护方式12、采煤方法13、顶板管理14、掘进工作面个数15、掘进机械化程度16、生产掘进率17、大巷运输方式18、辅助运输方式19、通风方式20、矿井风量及风压21、岩层移动角、地表下沉速度、时间、最大下沉率22、劳动生产率23 、主要材料 ( 雷管、炸药、坑木、钢材等) 消耗24、原煤成本25、商品煤销售成本26、原煤销售价格27、商品煤销售价格28、本地区主要材料价格四、矿井的井型和服务年限T=Z K/AK Z K 可采储量A年产量K 储量备用系数1. 2~1.4大型 :60 ~70 年稳产时间以上中型 :50 年稳产时间以上小型 :30 年稳产时间以上五、支架选型破碎顶板 : 直接顶厚度大于3~4 倍采高 , 宜采用掩护式支架。
第四章井下辅助运输设计第一节辅助运输方式一、概述1.辅助运输概念井下辅助运输是指人员、设备、辅助材料和矸石的运输,相对于“主运输”即煤炭运输而言,称为辅助运输。
运输过程中,若所运输的设备、材料、矸石等货物,需由一种容器或车辆转装至另一种容器或车辆上运输。
称为换装。
例如:单轨吊与轨道运输设备的转运、普通矿车与卡轨车的转运等,均称为换装。
运输过程中,若不需改变承载车辆或容器,只改变牵引设备,称为转载或倒运。
例如:矿车由机车牵引改为由绞车牵引或由多台绞车接力牵引等,即称为转载或倒运。
2.辅助运输的特点(1)货物品种多样,有重型设备、长材料、松散物品、液体材料、危险品及人员等。
使辅助运输车辆、容器的规格、性能不一。
(2)运输量小,工作量大。
虽然辅助运输量占井下运输量的比例不大(有资料表明某些矿区占10%左右),但由于其货物品种多、运输环节多、使用地点多.使辅助运输的工作量大,占用人员多。
(3)货流不均衡。
辅助运输难以维持一衡定运输量持续运输。
而是具有间断性特点。
如人员运输,多集中在交接班时间,回采工作面搬家则集中在回采面接替的一段时间内。
(4)运输线路复杂、分支多。
由子煤层赋有条件不同,为满足开采需要,并下巷道尤其是采区巷道多具有起伏不一、坡度不一、环境差、分支多的特点。
(5)货物重量向重型化发展。
随着采煤机械化程度的提高.重型设备(如液压支架)在井下应用越来越广.运输最大件所占比例加大,对辅助运输设备的性能、质量提出了新的要求。
(6)具有双向运输的特点,即设备、材料、人员等所运货物,既需向井下作业地点运输,又需由井下作业地点运往井底或地面。
3.辅助运输方式的分类按照动力源不同,辅助运输方式可分为牵引式和自行式两大类.如图10-4-1。
牵引式是指牵引设备安装在某一固定地点,通过钢丝绳向设备车辆传递动力的方式。
如绳牵引单轨吊、绳牵引卡轨车等.均由固定绞车牵引.即为牵引式。
自行式是指牵引设备直接安装在设备车辆上,通过齿轮或液压系统传递动力的方式。
采矿手册出版社:冶金工业出版社2010年出版规格:全七册16开精装总定价:927元优惠价:680元采矿手册第一卷《采矿手册》是一部大型工具书,是根据国家有关采矿工业的方针、政策、法令、标准以及许多矿山在生产和建设中行之有效的经验,本着全面性、系统性、先进性、科学性、特别是实用性的原则编写的。
在内容上是以总结国内矿山广大职工积累的丰富的生产建设和管理经验为主,并结合国情需要选入部分国外矿山成熟的先进技术和经验,以及开始使用玫正大研究的带方向性、实用性的新技术。
在编写格式上力图做到文、图、表并茂;介绍典型实例,便于读者参照使用;对采矿基础理论和有关计算公式阐述简明扼要,力避产繁琐。
《采矿手册》主要供现场采矿工程师和管理使用,也可供从事与矿山生产有关的科研,设计等部门的工程技术人员和院校师生参考。
《采矿手册》全书共四十一章,外加附录,分七卷出版,总篇幅约600余万字。
本卷包括总论;地质与矿床;矿山地质;矿山测量;矿山地面总体布置。
-采矿手册第二卷本册为《采矿手册》第二卷,主要讲述包括岩石力学、凿岩工程、爆破工程、采场搬运及溜井放矿、岩层支护与加固、井巷工程等六章。
第6章岩石力学6.1概述6.2岩石的示性指标6.3岩体的工程分类6.4岩石的变形与强度6.5应力分析6.6岩体力学性能6.7块体滑塌分析6.8散体的物理力学性质6.9岩石力学中的物理模拟6.10现场测量参考文献第7章凿岩工程7.1概述7.2露天钻孔7.3地下凿岩7.4钻具7.5影响钻孔与凿岩速度的主要因素7.6钻孔与凿岩速度的主要因素7.7影响钻孔与凿岩速度的主要因素参考文献8.1概述8.2岩石的爆破性及其分级8.3矿用炸药8.4起爆器与起爆方法8.5爆破技术8.6装药设备8.7爆破产生的有害效应及爆破安全参考文献第9章采场运搬及溜井放矿9.1概述9.2采场底部结构9.3重力自溜运搬9.4振动放矿9.5电耙运搬9.6爆力运搬9.7无轨设备运搬9.8连续运搬9.9其他运搬方法9.10滑井放矿参考文献第10章岩层支护与加固采矿手册第三卷本册为《采矿手册》第三卷,主要讲述包括露天开采,露天边坡工程,砂矿床露天开采,溶浸、水溶、热溶采矿及盐湖矿床开采,海洋采矿等五章。
第1篇一、前言矿业工程施工手册是针对矿业工程项目建设过程中的施工技术、管理、安全等方面的指导性文件,旨在为矿业工程项目施工人员提供全面的施工指导,确保工程质量和施工安全。
二、工程准备1. 工程勘察:对工程现场进行详细勘察,了解地质条件、水文条件、地形地貌等,为工程设计提供依据。
2. 工程设计:根据勘察结果,编制工程设计方案,包括井筒、巷道、硐室、井上井下建筑等。
3. 施工组织设计:根据工程设计,编制施工组织设计,明确施工顺序、施工方法、施工工艺、施工设备等。
4. 材料设备准备:根据施工组织设计,准备施工所需的材料、设备、工具等。
三、施工技术1. 井筒施工:采用井筒掘进、井筒支护、井筒提升、井筒装备等施工技术。
2. 巷道施工:采用掘进、支护、衬砌、通风、排水等施工技术。
3. 硐室施工:采用掘进、支护、衬砌、通风、排水等施工技术。
4. 井上井下建筑:采用基础、主体结构、装饰装修等施工技术。
四、施工管理1. 施工进度管理:制定施工进度计划,确保工程按期完成。
2. 施工质量管理:严格执行施工规范和质量标准,确保工程质量。
3. 施工安全管理:制定安全管理制度,加强施工现场安全管理,确保施工安全。
4. 施工成本管理:合理控制施工成本,提高经济效益。
五、施工安全1. 人员安全:加强施工现场人员安全教育,提高安全意识。
2. 设备安全:定期对施工设备进行检查、保养,确保设备安全运行。
3. 施工环境安全:加强施工现场环境监测,确保施工环境安全。
4. 应急预案:制定应急预案,应对突发事件。
六、竣工验收1. 工程验收:按照施工合同、设计文件、施工规范等要求,对工程进行验收。
2. 验收资料:收集整理施工过程中产生的各类资料,包括施工记录、质量检验报告、安全检查记录等。
3. 验收报告:编制工程验收报告,提交给业主单位。
七、后期维护1. 工程保修:按照施工合同约定,对工程进行保修。
2. 工程维护:定期对工程进行检查、维护,确保工程正常运行。
新编矿山采矿设计手册
出版:中国矿业大学出版
编号:6239
社
作者: 版本:2006年11月
规格:精装十卷开本:16开
定价:2,680.00
1、矿产地质卷(上)
第一篇矿山防治水
第一章矿床水文地质勘探程序要求
第二章一般矿山和砂矿设计水文地质工作
第三章矿坑涌水量计算
第四章矿床疏干
第五章矿床疏干水文地质计算
第六章注浆防渗帷幕
第七章防渗墙
第八章岩溶矿区地面塌陷的预测和防治
第九章矿井突然涌水的预测和防治
第十章矿区地表水防治
第十一章矿坑水的利用和排放
第十二章地下水及地表水监测
第十三章矿山防治水设计技术经济评价
2、矿产地质卷(中)
第二篇矿山设计地质工作
第一章矿山设计地质工作基本要求
第二章矿山设计所需地质资料及勘探程序评价
第三章矿床地质经济评价
第四章矿床工业指标制定
第五章储量计算与矿石质量统计分析
第六章矿石选冶试验采样设计
第七章基建探矿与生产探矿设计
第八章矿山化验室与岩矿鉴定室设计
第九章砂矿设计地质工作
第十章数学地质方法与电子计算机应用
第十一章金属及非金属矿产工业要求
第十二章金属与非金属矿床勘探类型与勘探工程间距与储量比例要求
3、矿产地质卷(下)
第三篇矿山岩石力学
第一章岩石力学基础
第二章露天矿边坡设计
第三章地下工程稳定性分析
第四章地表与岩体移动监测
第五章矿岩可崩性分析
附录1 设计地质工作常用资料
附录2 矿山岩石力学常用资料
附录3 矿山防治水设计常用资料
4、矿床开采卷(上)
第一篇露天开采
第一章露天开采境界设计
第二章露天矿生产能力的确定
第三章矿床开拓运输
第四章采剥方法
第五章穿孔工作
第六章爆破工作
第七章露天矿大爆破
第八章装载
第九章剥离物的排弃
第十章采场排水
第十一章砂矿水力开采
第十二章采掘船开采
第十三章石材开采
第十四章特殊开采法
第十五章炸药加工厂及库房
第十六章矿山环境保护
第十七章技术经济
5、矿床开采卷(中)
第二篇地下开采
第一章矿山生产能力
第二章开采岩移及地表建筑物保护
第三章矿床开拓
第四章采矿方法选择
第五章采矿准备与切割
第六章空场采矿法
第七章崩落采矿法
第八章充填采矿法
第九章凿岩
第十章爆破
第十一章回采出矿
6、矿床开采卷(下)
第十二章采场支护
第十三章充填材料和充填计算
第十四章矿石损失与盆化
第十五章基建及采掘(或回采)进度计划的编制第十六章矿井通风与防尘
第十七章地下矿排水及排泥
第十八章矿山内因火灾防治
第十九章联合开采及露天转地下开采
第二十章矿山安全技术与工业卫生7、矿井巷工程卷(上)
第一章竖井
第二章斜井
第三章平巷(硐)
第四章溜井和溜槽
8、井巷工程卷(下)
第五章地下破碎系统
第六章硐室
第七章地下动力设备基础
第八章锚杆支护
第九章井巷注浆
9、矿山机械卷(上)
第一章机车运输
第二章地下机车运输
第三章无极绳及调度绞车运输
第四章带式输送机运输
第五章地下汽车运输
第六章斜井(坡)提升
第七章竖井单绳提升
第八章竖井多绳磨擦提升
第九章矿山粗破碎装置
第十章压气设施
第十一章矿山主通风装置
第十二章矿山排水与地下供水设施第十三章地下排泥设施
10、矿山机械卷(下)
第二篇架空索道
第一章概述
第二章索道类型选择
第三章基础资料及一般规定
第四章索道线路选择
第五章索道基建投资和经营费估算第六章双线循环式货运索道
第七章单线循环式货运索道
第八章其它形式的货运索道
第九章双线客运索道
第十章单线客运索道
第十一章保护设施
通用输送机械及其特种机型设计关键技术与零部件选型图例手册通用输送机械及其特种机型设计关键技术与零部件选型图例手册【编号】:16449【浏览】:451次
【分类】:行业图书---机械
【册数】:全四卷16开精装
【出版社】:2007年8月
【作者】:编委会
【价格】:定价:980元
第一篇通用输送机械设计关键技术
第一章输送带动力特性研究
第二章输送机动态特性分析
第三章可控起动技术
第四章自动张紧技术
第五章实时监控与综合保护技术
第二篇特种带式输送机设计与改进
第一章花纹输送带和深槽型带式输送机
第二章平面转弯带式输送机
第三章波状挡边带式输送机
第四章压带式带式输送机
第五章线摩擦带式输送机
第六章气垫带式输送机
第七章钢丝绳牵引带式输送机
第三篇新型圆管带式输送机设计关键技术与图例
第一章各国典型圆管带式输送机
第二章新型圆管带式输送机结构设计
第三章新型圆管带式输送机设计计算
第四章圆管带式输送机的软启动设计
第五章输送机的选择与产品技术规格
第六章直线形托辊、弧形托辊和无缝托辊
第七章传动滚筒、改向滚筒和电动滚筒
第八章各国圆管带式输送机关键技术
第九章线路设计和机架材料
第十章拉紧装置、散料特性与清扫器
第十一章主要机电设备的性能与选用
第十二章给料系统设备设计计算
第四篇带式输送机设计关键技术与设计图例
第一章通用带式输送机
第二章气垫带式输送机
第三章波状挡边输送机
第五篇斗式提升机设计关键技术与设计图例
第一章斗式提升机设计计算
第二章通用斗式提升机
第三章特种斗式提升机
第六篇板式输送机设计关键技术与设计图例
第一章板式输送机设计图集
第二章板式输送机设计计算
第三章牵引链条、附件及链轮的设计计算
第四章板式输送机设计计算图例
第五章输送链特种附件设计范例
第七篇刮板输送机设计关键技术与设计图例
第一章零部件结构与设计
第二章刮板输送机设计计算
第三章刮板输送机选型
第四章刮板输送机计算设计图例
第八篇埋刮板输送机设计关键技术与设计图例
第一章零部件结构与设计
第二章埋刮板输送机设计计算
第三章特种机型设计
第四章设计与改造图例
第九篇悬挂输送机设计关键技术与设计图例
第一章设计图例
第二章牵引式悬挂输送机
第三章积放式悬挂输送机
第十篇螺旋输送机设计关键技术与设计图例
第一章螺旋叶片
第二章普通(水平)螺旋输送机
第三章垂直螺旋输送机
第四章特种螺旋输送机
第十一篇振动输送机与振动给料机设计关键技术与设计图例第一章振动输送机和给料机的主要结构型式
第二章驱动装置
第三章各型振动输送机动力学计算
第四章振动输送机和给料机的结构设计
第五章隔震设计与弹性元件
第十二篇辊子输送机设计关键技术与设计图例
第一章辊子输送机构造
第二章GzT型辊子输送机设计参数与部件选用
第三章设计计算
第四章GzT型辊子输送机选型
第十三篇架空索道设计关键技术与设计图例
第一章双线循环式货运索道
第二章单线循环式货运索道
第三章往复式客运索道
第四章单线循环运行式固定抱索器客运索道
第五章单线循环式脱挂抱索器客运索道
第十四篇连续输送机械的辅助装置选型设计
第一章存仓与存仓闭锁器
第二章供料器
第三章自动称量装置与分离装置
通用输送机械及其特种机型设计关键技术与零部件选型图例手册通用输送机械及其特种机型设计关键技术与零部件选型图例手册通用输送机械及其特种机型设计关键技术与零部件选型图例手册通用输送机械及其特种机型设计关键技术与零部件选型图例手册通用输送机械及其特种机型设计关键技术与零部件选型图例手册通用输送机械及其特种机型设计关键技术与零部件选型图例手册。