丙烯酸聚氨酯涂料配比
- 格式:docx
- 大小:37.06 KB
- 文档页数:3
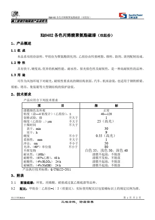
修订日期2013.4 第 1 页 共 2 页KQ0402各色丙烯酸聚氨酯磁漆(双组份)1、产品概述1.1 组 成本品系双组份涂料。
甲组份为聚氨酯固化剂,乙组份由羟基树脂、颜料、助剂、溶剂配制而成。
1.2 特 性具有快干,硬度高,优异的机械性能、耐水性、保光保色性及耐候性,是一种高耐候性的品种。
1.3 用 途可作为风蚀环境下对耐光、耐候性要求高的钢结构表面、汽车、机床涂装,也适用于钢铁桥梁、船舶、塔吊、集装箱等大型钢结构的保护涂装。
2、技术要求3、附录3.1 配套底漆:环氧、丙烯酸、硝基或过氯乙烯底漆等品种。
3.2 配比:甲组份︰乙组份=1︰5(质量比)。
实际使用配比以包装桶标识上的规定比例为准。
修订日期2013.4 第 2 页 共 2 页3.3 理论涂刷面积:8 m 2/ kg (按干膜25μm 计算)。
每公斤实际涂装面积会因施工方法,尤其是被涂装物品表面的粗糙程度和吸水性能的不同、涂装现场的风力、风速的大小以及涂刷的次数增减而有很大的差别。
3.4 使用方法:甲、乙组份按比例配好后搅匀,静置10分钟后使用。
稀释用丙烯酸聚氨酯漆稀释剂。
适用期:甲、乙组份混合后6 h (25℃)施工粘度:喷涂16-20s (涂—4粘度计25℃),刷涂30-40s (涂—4粘度计25℃)3.5 涂装间隔时间:湿碰湿20min ,自干6h 或烘干(60℃)1h 。
空气涂装:PQ-1型喷枪,0.3~0.35兆帕;PQ-2型喷枪,0.4~0.5兆帕。
无空气涂装:推荐进气压力0.4~0.6兆帕。
3.6 在遵守贮运规定条件下,自生产之日起,有效贮存期为半年。
超过贮存期,经全项目检验合格,则仍可使用。
4、安全与防护● 本品为易燃有毒的危险化学品,应存放在远离火源、热源及儿童接触不到的地方。
● 发生火灾时,可使用的灭火剂有泡沫、二氧化碳、干粉及河沙等。
●施工前应穿戴好合适的防护用品(如:防毒口罩、眼罩、手套和工作服等)。
●施工现场应采取通风、防火、防静电、防中毒等安全措施。
灭火剂与阻燃材料 PUA/SA共混乳液防火涂料杨守生(中国人民武装警察部队学院,河北廊坊065000) 摘 要:以PUA/SA共混乳液为成膜物质,制备了以聚磷酸铵、三聚氰胺、季戊四醇为膨胀阻燃体系(AMP膨胀阻燃体系)的水性饰面型防火涂料。
考察了配方中各重要组分对涂料防火性能及理化性能的影响。
结果表明,丙烯酸聚氨酯共聚乳液与苯丙乳液按2∶1比例的共混乳液(PUSA),质量分数为30%,聚磷酸铵、三聚氰胺、季戊四醇质量比为21∶11∶9,质量分数为60%时,涂料的防火性能和理化性能达到标准要求。
关键词:丙烯酸聚氨酯共聚乳液;苯丙乳液;防火涂料;阻燃剂中图分类号:X924.4,TQ314.248,TU545文献标志码:A文章编号:1009-0029(2015)03-0366-04防火涂料中的成膜物质通常是高分子化合物,是防火涂料的重要组成部分,其性质对涂料的硬度、柔性、耐磨性、耐冲击性、耐候性、耐水性、耐热性等物理化学性能起决定性的作用,并影响涂料的防火性能。
选用的成膜物质不同,防火涂料的理化性能、防火性能有较大差异。
乳液是水性膨胀型防火涂料常用成膜物质。
笔者采用丙烯酸—聚氨酯共聚乳液(PUA)与苯丙乳液(SA)复配的共混乳液为成膜物质,聚磷酸铵(APP)/三聚氰胺(MEL)/季戊四醇(PER)为防火体系,研究树脂基料及防火组分对膨胀型防火涂料性能的影响。
1 试验部分1.1 原 料SA(固体质量分数为48%±2%);PUA(固体质量分数为40%);聚磷酸铵,工业级;季戊四醇,分析纯;三聚氰胺,分析纯;钛白粉,工业级;消泡剂,工业级;增稠流变剂,工业级;分散剂,工业级;润湿剂,工业级。
1.2 涂料配制防火涂料按图1所示工艺流程制备。
按表1称取阻燃剂,混合,在研钵中充分研磨,加水并搅拌,再加入乳液以及适量的分散剂、消泡剂等助剂,用搅拌器在300r/min的速度下搅拌15min,搅拌器转速调到600r/min搅拌1.0h。
828丙烯酸聚氨酯罩光清漆产品简介多元醇树脂与多异氰酸酯组成的聚氨酯清漆产品特性■良好的保色、保光性■漆膜丰满、坚固、耐磨损■极好的耐化学品和耐油性能■良好的施工性能■干燥迅速基本数据颜色透明光泽高光、半光、哑光混合比率主漆:固化剂=5:1(重量比)固体份38% (混合料)涂装膜厚干膜:20 µm/道湿膜:75 µm/道耗漆量理论值0.07 kg/m/220 µm(由于实际施工时的涂装环境、涂装方法、涂装技术、表面状况及结构、形状的不同,损耗率也就会有很大的不同)储存储存温度-10℃——40℃储存期限 1 年闪点21 ℃施工数据施工方法无气喷涂、空气喷涂、刷涂及辊涂喷嘴尺寸0.017-0.023无气喷涂出口压力100-150 kg/cm2稀释量0-10%稀释剂丙烯酸聚氨酯稀释剂施工温度5℃——40℃干燥时间~涂装间隔自燃干燥≤1小时(20℃)20 µm强制干燥90℃*30分20 µm重涂间隔16小时以上(20℃)涂装粘度(秒NK2#20℃)12-20秒熟化时间15分钟/20℃可使时间6小时(20℃)-4小时(35℃)表面处理●喷砂处理将钢铁表面除锈到SIS Sa2.5级后与面漆配套涂装●底漆表面应清洁,无污物●注意施工时与底漆的涂装间隔施工环境在温度持续低于5℃、湿度大于85%的场合或通风不良的情况下避免施工,钢板的温度高于露点温度3℃以上在夏天,阳光暴晒下时,重涂应该在5天内完成,超过5天打磨表面保证附着力保养期20℃七天以上容量主漆18Kg 固化剂3.6Kg安全事项●避免油漆接触皮肤和眼睛●如果油漆接触到皮肤,应用温水以及适当清洗剂清洗,如果油漆接触到眼睛,应用大量水冲洗并立即就医●保证良好的通风●涂料中含有可燃物质,请远离火花禁止在临近地区吸烟●火灾时,使用二氧化碳气体、泡沫、和粉末灭火机●作业前,请参阅《安全卫生注意事项》说明以上数据是根据实验和施工经验所得,鉴于产品使用条件非我方所能控制,产品使用众多影响因素,因此我们只对产品品质作出保证。
B04-13丙烯酸聚氨酯磁漆红狮产品施工指导书产品体系丙烯酸树脂为主要成膜物质,双组份自然干燥或烘干,漆膜丰满,漆膜机械性能和耐化学性好。
底材 1.确认产品包装无破损2.清除被涂面上附着的油脂、灰尘等污物并保持表面干燥,如有底漆需用600目以上砂纸进行打磨处理混合比例主漆:固化剂= 8:1(重量比)因双组份涂料系反应型涂料,主漆与固化剂混合、搅拌均匀后,即开始进行化学反应,因此,在涂料使用时应注意,根据需要用多少配多少,并充分搅拌均匀,未用完的涂料切不可倒回原包装。
已配好的涂料会因反应而导致粘度上升直到胶化而不能使用可使用时间4小时(温度25℃;湿度50%)混合要求使用机械搅拌,搅拌10分钟至均匀涂料配制中搅拌是重要环节,只有混合均匀才能使主漆和固化剂充分发生化学反应,搅拌均匀是保证涂料成膜的良好基础施工方法空气喷涂、无气喷涂稀释剂红狮牌X-11丙烯酸聚氨酯漆稀释剂稀释剂用量20-40%稀释剂量应根据现场施工的实际情况(工件形状、环境、温度、喷涂方式等)控制其适当的量建议膜厚空气喷涂:一道干膜35μm理论耗漆量12 m2/kg(干膜35μm)由于实际施工时的涂装环境、涂装方法、表面状况及结构形状的不同损耗率也就会有很大的不同,其次涂装面积也是影响因素之一。
干燥时间温度23℃,湿度50%表干:<1小时实干: 24小时烘干:90℃/30分钟在漆膜未达到实干时间前不要用手或硬物接触漆膜表面,实干并不是漆膜的最终干燥,一般漆膜要经过七天的保养期才能达到最佳效果湿膜测定仪器:湿膜测定仪要求:1.膜厚的控制应遵守两个80%规定,既是80%的测点应在规定膜厚以上,余下膜厚不足的部位,膜厚也应在要求膜厚值的80%以上,否则应予补涂,以达到膜厚标准B04-13丙烯酸聚氨酯磁漆2.对边、角、焊缝、和切痕等容易产生膜厚不足的部位,应先刷涂一道,然后再进行大面积的涂装,以保证凹凸部位的漆膜厚度3.测点的选择:对于较大面积的平整表面,一般是每10平方米选一个测点,对于复杂表面应每5平方米选一个测点,此外根据具体情况,还应有其他选点方法干膜测定仪器:干膜测定仪在被涂工件上均匀选择8个点,使用测厚仪进行测定,计算平均膜厚注意事项 1.环境温度低于5℃,以及空气湿度大于85%的情况下避免施工;钢板的温度必须高于露点温度3℃以上。
聚氨酯丙烯酸酯防水涂料的制备及应用研究近年来,随着建筑工业的不断发展,防水材料的需求量也日渐增加。
而聚氨酯丙烯酸酯防水涂料因其优异的防水性能、优良的耐候性和环保性等特点,受到了广泛的关注和应用。
聚氨酯丙烯酸酯防水涂料的制备聚氨酯丙烯酸酯防水涂料的制备主要包括以下几步:1. 选材选用合适的原材料是成功制备聚氨酯丙烯酸酯防水涂料的首要条件。
聚醚型或聚酯型多元醇、异佛尔酮二异氰酸酯、丙烯酸、偶氮二甲酰胺等是常用的原材料。
2. 预处理根据实际需要,对原材料进行预处理。
如对多元醇进行酯化或硬化,以提高其性能。
3. 合成在合成过程中,将异佛尔酮二异氰酸酯和预处理后的多元醇在助剂的协助下反应。
反应进行时不断加入控制力和乳化剂,控制反应的速率和方向,使得聚合物得到较好的结构和性能。
4. 添加在聚氨酯丙烯酸酯聚合物中加入适量的丙烯酸及稀释剂,调整其黏度和涂布性能。
5. 调整pH为了保证涂层的粘附性能,稳定性和酸碱中性,聚氨酯丙烯酸酯涂料通常要调整pH至7.5-8.5。
聚氨酯丙烯酸酯防水涂料的应用聚氨酯丙烯酸酯防水涂料广泛应用于建筑工程、桥梁、地下室等需要防水的场所。
其主要应用领域包括:1. 建筑防水聚氨酯丙烯酸酯防水涂料可以防止水分、油污等渗入建筑物内部,保证了建筑物结构的完整性,延长了使用年限。
2. 桥梁防水大型桥梁防水涂料对环境要求非常高,常规涂料无法满足要求。
而聚氨酯丙烯酸酯防水涂料具有良好的耐候性和耐腐蚀性,被广泛应用于桥梁防水领域。
3. 地下室防水地下室通常有很高的湿度,容易出现漏水现象。
而聚氨酯丙烯酸酯防水涂料可以有效防止地下室漏水,保持内部干燥。
总之,聚氨酯丙烯酸酯防水涂料具有优异的防水性能、优良的耐候性和环保性等特点,是一种非常可靠的防水材料。
丙烯酸聚氨酯涂料配比一、引言丙烯酸聚氨酯涂料是一种常用的涂料,具有良好的耐候性、耐化学物品侵蚀性和耐磨损性。
在使用丙烯酸聚氨酯涂料之前,正确的配比非常重要,可以确保涂料具有良好的性能和稳定性。
本文将介绍丙烯酸聚氨酯涂料的配比方法和配比原则。
二、配比方法1. 确定配比比例:根据涂料的使用要求和性能要求,确定丙烯酸聚氨酯涂料的配比比例。
一般来说,丙烯酸聚氨酯涂料的配比比例为主剂:固化剂:稀释剂=100:5-20:0-50。
具体的配比比例可以根据实际情况进行调整。
2. 称量原料:根据确定的配比比例,准备好所需的原料。
将主剂、固化剂和稀释剂分别称量并准确记录其重量。
3. 混合原料:将称量好的主剂、固化剂和稀释剂倒入配比桶中,用搅拌器进行充分搅拌,直至涂料均匀一致。
搅拌的时间一般为2-3分钟。
三、配比原则1. 主剂和固化剂的配比:主剂和固化剂的配比决定了涂料的固化速度和性能。
一般情况下,主剂的用量较大,固化剂的用量较小。
如果主剂用量过多,涂料的硬度和耐磨损性会降低;如果固化剂用量过多,涂料的硬度和耐化学物品侵蚀性会增加。
2. 稀释剂的配比:稀释剂的添加可以调整涂料的粘度和流动性。
一般来说,粘度较高的涂料需要添加适量的稀释剂来降低粘度,使得涂料更易于施工。
但是稀释剂的添加量不能过多,否则会影响涂料的固化性能和涂膜的耐候性。
3. 注意配比精度:在进行涂料配比时,要注意配比精度。
配比过量或不足都会对涂料的性能产生影响。
因此,在称量原料时应该精确控制质量,避免配比误差。
四、注意事项1. 配比过程中要注意安全,避免涂料接触皮肤和吸入气体。
应戴好防护手套和口罩,并在通风良好的环境下操作。
2. 配比过程中要严格按照比例进行配比,避免误差产生。
可以使用精确的称量工具来确保配比的准确性。
3. 配比后的涂料应尽快使用,避免长时间存放。
存放时间过长会导致涂料的性能下降。
4. 配比后的涂料应在规定的施工时间内使用完毕,避免固化不完全或过度固化。
防水与稀释剂的比例
- 聚氨酯防水涂料:通常情况下,聚氨酯防水涂料与稀释剂的比例为 1:0.5 到 1:1 左右。
这意味着每一份聚氨酯防水涂料需要加入 0.5 份到 1 份的稀释剂来调整涂料的黏度。
- 丙烯酸防水涂料:丙烯酸防水涂料与稀释剂的比例通常为 1:0.1 到 1:0.3 左右。
这意味着每一份丙烯酸防水涂料需要加入 0.1 份到 0.3 份的稀释剂来调整涂料的施工性。
- 环氧树脂防水涂料:环氧树脂防水涂料与稀释剂的比例通常为 1:0.5 到 1:1 左右。
这意味着每一份环氧树脂防水涂料需要加入 0.5 份到 1 份的稀释剂来调整涂料的黏度。
需要注意的是,以上比例仅为一般指导,实际使用时应根据具体的防水材料和稀释剂类型,以及施工环境和要求来确定最佳的比例。
在使用防水材料和稀释剂时,应遵循产品说明书上的建议,并根据实际情况进行适当的调整。
如果你对具体的防水施工有疑问,建议咨询专业的防水施工人员或相关的建筑材料供应商,以获取准确的建议和指导。
丙烯酸聚氨酯涂料配比
丙烯酸聚氨酯涂料是一种广泛应用于建筑装修和工业制造领域的涂料,它具有良好的耐候性、耐磨性和耐化学品性能。
配比丙烯酸聚氨酯涂料是确保其性能稳定和涂层质量的重要步骤。
本文将介绍丙烯酸聚氨酯涂料的配比原则和步骤。
一、配比原则
丙烯酸聚氨酯涂料的配比原则主要包括涂料的固体份、溶剂份、填料份和助剂份等。
1.固体份:丙烯酸聚氨酯涂料的固体份通常由主剂和固化剂组成。
主剂是指聚合物固体树脂,固化剂是指用于交联聚氨酯树脂的固体或者液体物质。
固体份的配比要根据所需的涂层性能来确定,一般按重量比例计算。
2.溶剂份:溶剂主要用于调整涂料的粘度、干燥速度和涂料的
流变性能。
不同的溶剂对涂料的性能有不同的影响,所以在配比时需要根据涂料的使用环境和所需效果来选择合适的溶剂,并根据实际需要进行配比。
3.填料份:填料主要用于增加涂层的硬度、耐磨性和耐化学品
性能。
常用的填料有二氧化硅、碳酸钙和钛白粉等。
填料的配比主要根据涂料的用途和性能要求进行确定。
4.助剂份:助剂包括流平剂、防沉剂、增粘剂、消泡剂等,它
们主要用于改善涂料的加工性能和使用性能。
助剂的配比要根
据涂料的使用要求来确定。
二、配比步骤
1.确定所需涂料性能:根据涂料的使用要求,确定所需涂料的
性能参数,包括固体份的含量、颜色、光泽度、耐候性和耐化学性能等。
2.选择主剂和固化剂:根据所需涂料的性能和使用要求,选择
合适的主剂和固化剂。
主剂的选择要考虑到聚合物的种类、固化剂的选择要考虑到交联剂的种类和固化条件。
3.确定溶剂的类型和比例:根据所需涂料的粘度、干燥时间和
流变性能来选择合适的溶剂,并根据实验室测试结果来确定溶剂的比例。
4.选择填料种类和比例:根据涂料的使用要求,选择合适的填
料种类和填料比例,以提高涂层的硬度、耐磨性和耐化学性能。
5.选择助剂种类和比例:根据涂料的使用要求选择合适的助剂
种类和比例,以改善涂料的加工性能和使用性能。
6.进行试验配比:根据以上步骤得到的涂料配方,进行试验配比。
制作涂料样品,进行物性测试,如黏度、干燥时间、附着力等,并根据试验结果进行适当的调整。
7.生产批量配比:根据试验配比结果,确定生产批量的配比比例,并按照配方比例进行原材料的配料和加工操作。
以上就是丙烯酸聚氨酯涂料的配比原则和步骤。
通过合理的配比,可以确保涂料的性能稳定和涂层质量的稳定。
在实际生产中,还需要根据具体的情况进行调整和优化。
希望本文对你有所帮助。