人教版九年级物理下册 电与磁综合测试卷(word含答案)
- 格式:doc
- 大小:319.50 KB
- 文档页数:14
人教版九年级下册物理电与磁综合测试卷(word含答案)一、三物理电与磁易错压轴题(难)1.两个电磁铁A和B都用粗细相同的漆包线绕制而成,其外形及所用的铁芯都相同,但线圈面数不同(外观上看不出)要比较哪个电磁铁的线匝数多,小明用相同的恒压电源、滑动变阻器、导线、开关,并提供足够多的大头针,连接电路进行了图两个实验。
(1)关于小明的实验:①磁性较强的电磁铁是______ (选填“A”或“B”)。
依据是_____ ;②该实验,无法比较哪个电磁铁的线圆匝数更多,原因是______;(2)利用上述器材设计实验,要求能比较哪个电磁铁的线圈匝数更多(可增加一个器材,或不增加器材):①步骤(可用文字或画图表述)______;②结论分析:______。
【答案】A 吸引大头针的数量较多不能确保流过两个电磁铁的电流相同见解析吸引大头针数量较多的电磁铁,线圈匝数较多【解析】【分析】【详解】(1)[1][2]由图可知电磁铁A吸引的的大头针数量比电磁铁B多,可判断电磁铁A的磁性较强。
[3]影响电磁铁磁性强弱的因素有线圈匝数、电流大小,该实验中无法通过电磁铁磁性强弱来判断谁的线圈匝数多,谁的少,原因在于无法确保流过两个电磁铁的电流相同。
(2)[4]步骤:将电磁铁A、B串联在一个电路中,通过它们的电流相等,是电磁铁A、B上的线圈匝数不同。
[5]结论分析:在电磁铁通过电流相同时,线圈匝数较多的电磁铁,吸引大头针数量较多;线圈匝数较少的吸引大头针数量较少;可判断:吸引大头针数量较多的电磁铁,线圈匝数较多。
2.在安装直流电动机模型的实验中,小明将组装好的电动机模型、滑动变阻器、电源、开关串联起来如图甲所示:(1)小明闭合开关,发现线圈不转,他用手轻轻转了一下线圈,电动机模型开始正常转动。
线圈原来不转的原因是_______;(2)若要电动机转速加快,小明应将滑动变阻器的滑片向_______移动;(3)接下来,小明把永磁铁换成图乙所示的电磁铁,并将电磁铁线圈的两个接线柱M、N分别与电刷A、B相连,使电磁铁线圈与电动机模型线圈并联后,合用一个电源。
人教版九年级下册物理电与磁达标检测卷(Word版含解析)一、三物理电与磁易错压轴题(难)1.李明用天然磁石仿制图甲所示的勺状的指南针﹣﹣司南.(1)他用的材料是图乙所示的天然磁石,该磁石的D端为________(选填“北极”或“南极”).(2)他用该磁石的D端磨成勺柄,打磨成勺状指南针(即“司南”),再用细线将其悬挂,如图丙所示,司南静止时,勺柄指向地球的________(3)将该司南悬挂在电磁铁正上方,闭合开关S,司南静止时的指向如图丁所示,则电磁铁左端是_____(选填“北极”或“南极”)极,则电源M端是________(选填“正极”或“负极”).(4)为增强司南的磁性,可用图丁所示装置,通过________(填字母序号),来增强电磁铁对司南磁化的效果.A.改变电源的正负极 B.让司南垂直放置在AB中点的正上方 C.增加电源的电压.【答案】南极南极北极负极 C【解析】【分析】【详解】(1)人们规定磁场的方向由北极出发到南极,由图可知,在磁体外部磁感线由B端到D 端,因此,磁石的D端为该磁体S极,即南极;(2)地磁的北极在地理的南极附近,由于异名磁极相互吸引,因此,司南静止时,勺柄指向地球的南极;(3)因为异名磁极相互吸引,所以通电螺线管的左端是N极;再用安培定则,右手大母指向左握住螺线管,可判断通电螺线管中的电流方向为:右端电流向上,左端向下;再根据电流方向是从电源正极出发通过用电器回到负极,所以电源左端,即M端为电源的负极;(4)为了增强司南的磁化效果,可以增加电源电压,使线圈中电流增大,则线圈磁性增强,磁化效果更好.故选C.【点睛】牢记磁场方向的规定,即磁体周围的磁感线,都是从磁体的N极出发,回到S极;磁极间的作用规律是:同名磁极相互排斥,异名磁极相互吸引,再结合安培定则判断电源的正负极2.根据古文《论衡•是应篇》中的记载:“司南之杓(用途),投之于地,其柢(握柄)指南”,学术界于1947年想象出司南的模样如图甲所示.(1)1952年,中国科学院物理研究所尝试将如乙图所示的天然磁石制作成司南,制作人员根据天然磁石的磁感线分布,将磁石的________(填乙中字母)处打磨成磁勺的A 端.(2)把天然磁石按照正确方法打磨成磁勺后,放在粗糙的木盘上,使磁勺水平转动直至最终静止,但磁勺A 端总不能正确指南,请提出改进本实验的措施________.(3)为达到理想的指向效果,制作人员将磁勺靠近一电磁铁,闭合开关S,磁勺和电磁铁相互吸引后如图丙所示,可增加磁勺的磁性,由此判断H为电源的________极.【答案】D将磁勺放在光滑的水平面上,使其能自由转动负【解析】【分析】(1)磁体静止时,指南的叫南极用字母S表示;指北的叫北极,用字母N表示;磁体周围的磁感线,都是从磁体的N极出发,回到S极;据此判断。
人教版物理九年级下册电与磁达标检测卷(Word版含解析)一、三物理电与磁易错压轴题(难)1.两个电磁铁A和B都用粗细相同的漆包线绕制而成,其外形及所用的铁芯都相同,但线圈面数不同(外观上看不出)要比较哪个电磁铁的线匝数多,小明用相同的恒压电源、滑动变阻器、导线、开关,并提供足够多的大头针,连接电路进行了图两个实验。
(1)关于小明的实验:①磁性较强的电磁铁是______ (选填“A”或“B”)。
依据是_____ ;②该实验,无法比较哪个电磁铁的线圆匝数更多,原因是______;(2)利用上述器材设计实验,要求能比较哪个电磁铁的线圈匝数更多(可增加一个器材,或不增加器材):①步骤(可用文字或画图表述)______;②结论分析:______。
【答案】A 吸引大头针的数量较多不能确保流过两个电磁铁的电流相同见解析吸引大头针数量较多的电磁铁,线圈匝数较多【解析】【分析】【详解】(1)[1][2]由图可知电磁铁A吸引的的大头针数量比电磁铁B多,可判断电磁铁A的磁性较强。
[3]影响电磁铁磁性强弱的因素有线圈匝数、电流大小,该实验中无法通过电磁铁磁性强弱来判断谁的线圈匝数多,谁的少,原因在于无法确保流过两个电磁铁的电流相同。
(2)[4]步骤:将电磁铁A、B串联在一个电路中,通过它们的电流相等,是电磁铁A、B上的线圈匝数不同。
[5]结论分析:在电磁铁通过电流相同时,线圈匝数较多的电磁铁,吸引大头针数量较多;线圈匝数较少的吸引大头针数量较少;可判断:吸引大头针数量较多的电磁铁,线圈匝数较多。
2.某同学猜想电磁铁磁性强弱与电流大小和线圈匝数有关。
在探究“电磁铁磁性强弱与电流大小是否有关”时,使用的器材有:学生电源、电磁铁、电流表、滑动变阻器、开关、软铁块P、铁架台、电子秤、导线若干。
某同学用绝缘细线将电磁铁M悬挂在铁架台上,并保持它与软铁块P的距离不变:(1)实验时,他_______开关S,组装实验电路如图所示,请将滑动变阻器连入电路中,要求:滑片向左滑动时电路中电流变大;(2)本实验中根据______________比较电磁铁磁性强弱;(3)请设计出记录实验数据的表格,表中要有必要的信息。
物理九年级下册电与磁综合测试卷(word含答案)一、三物理电与磁易错压轴题(难)1.小明学会了测小灯泡的功率后,在老师的启发下,进一步思考:电流一定时,小灯泡功率跟电阻有什么关系呢?于是他利用如图所示的电路,选用分别标有“1.5 V 0.25 A”“2.5 V 0.3 A”和“3.8 V 0.3 A”字样的小灯泡L1、L2、L3,测出它们在电流相同时的电阻和功率,来探究小灯泡功率与电阻的关系.(1)他将灯L1接入图甲电路,请你用笔画线代替导线,帮他将实物电路连接完整.______(2)闭合开关后,他调节滑动变阻器的滑片P,使通过灯L1的电流为0.2 A,再测出L1两端的电压,此时电压表示数如图乙所示,然后计算出此时灯L1的电阻为______Ω,实际功率是____ W.(3)换上灯L2,闭合开关,为保持电流为0.2 A不变,应将滑片P向________(选填“左”或“右”)端移动;再测出L2两端的电压,算出L2的电阻和功率.换上灯L3,做第三次实验,并将实验数据记录在下表中.(4)请根据实验数据,在图丙中作出小灯泡功率与电阻关系的图象.______(5)分析图象可得结论:在电流一定时,小灯泡的实际功率与电阻成________关系.(6)小波认为:为了控制实验条件,小明每次实验要换灯泡还要调节滑动变阻器,这样的操作不够简便.对此你可以如何改进?____.【答案】答案见解析 4 0.16 左答案见解析正比将L1、L2、L3串联在同一电路中,使电流不变【解析】【分析】【详解】(1)如图(2)电压表使用的0~3V,分度值为0.1V,电压为0.8V,电流为0.2A,所以L1电阻为R1=UI=0.840.2VA=Ω,实际功率P实=UI=0.16W;(3) 换上灯L2,电阻增大,总电阻增大,电路电流减小,电流表的示数将变小;要使电路电流增大到0.2A,要减小电路总电阻,滑动变阻器的滑片向左端移动;(4)(5)分析图像可知图线是一条过原点的直线,可知,电流一定时,功率和电阻成正比.(6)实验目的是小灯泡功率与电阻的关系,根据控制变量法,要保证电流不变,则可以将L1、L2、L3串联在同一电路中,分别测各自两端电压即可.【点睛】本题题干很长,给学生的心理压力很大,并且本题涉及到的知识点多,而且和数学联系起来,增大了试题的难度,并且用实验探究功率和电阻关系的题目比较少见,学生不熟悉,更增大了习题的难度.2.小谦在探究“磁体间相互作用规律”时发现:磁体间的距离不同,作用力大小也不同。
九年级物理下册电与磁单元综合测试(Word版含答案)一、三物理电与磁易错压轴题(难)1.如图是小明“探究导体在磁场中运动时产生感应电流的条件”的实验装置。
(1)闭合开关后,当导体ab向左或向右运动时,电流表指针偏转,当导体ab向上或向下运动时,电流表指针不偏转,说明闭合电路中的部分导体在磁场中做___________运动时导体中会产生感应电流。
(2)实验中发现,当导体ab向左运动时,电流表指针向右,当导体ab向右运动时,电流表指针向左偏转,说明_________________________。
(3)针对这个实验,小明作了进一步的探究,他提出了“感应电流的大小可能与磁场的强弱有关”的猜想,为了验证小明的猜想,请你帮他设计主要的实验步骤:______________。
(4)小明通过上述(3)的实验,发现磁场越强,产生的感应电流越大。
从而小明认为提高发电量的关键在于增强发电机电磁铁的磁性,只要不断增强电磁铁的磁性,就能获得更多的电能,这个观点正确吗?为什么?___________________________。
【答案】切割磁感线感应电流的方向跟导体做切割磁感线运动方向有关主要步骤:改变磁场强弱,让导体AB以相同的速度做切割磁感线运动,观察电流表指针偏转幅度大小不正确。
这个实验中,是将做切割磁感线的导体的机械能转化为电能,增强磁性可以提高能量的转化效率,但并不能使发电机产生多于导体机械能的电能【解析】【详解】(1)如图的实验电路,闭合开关后,当导体ab向左或向右运动时,导体切割磁感线运动,故产生感应电流,电流表指针偏转,当导体ab向上或向下运动时,导体没有做切割磁感线运动,电流表指针不偏转,所以此实验过程说明闭合电路中的部分导体在磁场中做切割磁感线运动时导体中会产生感应电流。
(2)实验中发现,当导体ab向左运动时,电流表指针向右,当导体ab向右运动时,电流表指针向左偏转,可见电流方向的不同与导体切割磁感线运动方向有关,即说明感应电流的方向跟导体做切割磁感线运动方向有关。
九年级物理下册电与磁单元综合测试(Word版含答案)一、三物理电与磁易错压轴题(难)1.小刚学习了电磁铁的知识后,想知道电磁铁周围的磁场强弱与通入电磁铁的电流大小和距电磁铁的距离是否有关。
查阅资料知道,磁场强弱即磁感应强度(用B表示)的单位是T(特斯拉)。
图甲和图乙中电源电压均为6 V且恒定不变,图乙中R是磁敏电阻,其阻值随磁感应强度B的变化关系如图丙所示。
(1)由图丙可知,磁感应强度越大,R阻值越_____;小刚设计的图甲、乙组成的实验装置是通过________来判断R所处位置的磁感应强度。
(2)利用图甲、乙装置,保持_________相同时,闭合S1、S2后移动滑动变阻器的滑片,发现滑片P向左滑动时,灵敏电流计的示数不断变小,说明R所处位置的磁感应强度不断________(选填“增大”或“减小”)。
(3)当闭合S1、S2,保持滑片位置不变,沿电磁铁轴线方向移动R,测出R距离电磁铁的距离L和灵敏电流计的示数I,结合图丙计算出磁感应强度B的数值如下表.L/cm12345I/mA1015203050B/T0.680.6___0.360.14①当L=3 cm时,将此时磁感应强度B数值填在上表中对应位置。
②分析以上数据可以得出,通入电磁铁的电流一定时,距电磁铁越远,磁感应强度B越______.③综合(2)和(3)的实验结论可知,电磁铁周围的磁感应强度B与通入电磁铁的电流大小和距电磁铁的距离________(选填“有关”或“无关”)。
【答案】大灵敏电流计示数R距电磁铁的距离增大0.5小有关【解析】【分析】【详解】(1)[1]由图丙可知,磁感应强度越大,R阻值越大。
[2]图乙中R 是磁敏电阻,其阻值随磁感应强度B 的变化而变化,磁敏电阻的变化引起电路中电流的变化,实验中根据灵敏电流计示数判断R 所处位置的磁感应强度的强弱。
(2)[3]研究电磁铁周围的磁场强弱与通入电磁铁的电流大小是否有关,控制磁敏电阻R 到电磁铁的距离。
人教版九年级下册物理电与磁综合测试卷(word含答案)一、三物理电与磁易错压轴题(难)1.小刚学习了电磁铁的知识后,想知道电磁铁周围的磁场强弱与通入电磁铁的电流大小和距电磁铁的距离是否有关。
查阅资料知道,磁场强弱即磁感应强度(用B表示)的单位是T(特斯拉)。
图甲和图乙中电源电压均为6 V且恒定不变,图乙中R是磁敏电阻,其阻值随磁感应强度B的变化关系如图丙所示。
(1)由图丙可知,磁感应强度越大,R阻值越_____;小刚设计的图甲、乙组成的实验装置是通过________来判断R所处位置的磁感应强度。
(2)利用图甲、乙装置,保持_________相同时,闭合S1、S2后移动滑动变阻器的滑片,发现滑片P向左滑动时,灵敏电流计的示数不断变小,说明R所处位置的磁感应强度不断________(选填“增大”或“减小”)。
(3)当闭合S1、S2,保持滑片位置不变,沿电磁铁轴线方向移动R,测出R距离电磁铁的距离L和灵敏电流计的示数I,结合图丙计算出磁感应强度B的数值如下表.L/cm12345I/mA1015203050B/T0.680.6___0.360.14①当L=3 cm时,将此时磁感应强度B数值填在上表中对应位置。
②分析以上数据可以得出,通入电磁铁的电流一定时,距电磁铁越远,磁感应强度B越______.③综合(2)和(3)的实验结论可知,电磁铁周围的磁感应强度B与通入电磁铁的电流大小和距电磁铁的距离________(选填“有关”或“无关”)。
【答案】大灵敏电流计示数R距电磁铁的距离增大0.5小有关【解析】【分析】【详解】(1)[1]由图丙可知,磁感应强度越大,R阻值越大。
[2]图乙中R 是磁敏电阻,其阻值随磁感应强度B 的变化而变化,磁敏电阻的变化引起电路中电流的变化,实验中根据灵敏电流计示数判断R 所处位置的磁感应强度的强弱。
(2)[3]研究电磁铁周围的磁场强弱与通入电磁铁的电流大小是否有关,控制磁敏电阻R 到电磁铁的距离。
物理九年级下册电与磁单元综合测试(Word版含答案)一、三物理电与磁易错压轴题(难)1.在安装直流电动机模型的实验中,小明将组装好的电动机模型、滑动变阻器、电源、开关串联起来如图甲所示:(1)小明闭合开关,发现线圈不转,他用手轻轻转了一下线圈,电动机模型开始正常转动。
线圈原来不转的原因是_______;(2)若要电动机转速加快,小明应将滑动变阻器的滑片向_______移动;(3)接下来,小明把永磁铁换成图乙所示的电磁铁,并将电磁铁线圈的两个接线柱M、N分别与电刷A、B相连,使电磁铁线圈与电动机模型线圈并联后,合用一个电源。
当对调接在电源正、负极上的导线时,电动机线圈转动的方向会不会改变?答:_______,理由是_______;(4)完成以上实验后,小明取下图甲中的电源换上小灯泡,在模型的转轴上绕上细线,如图丙所示,然后快速拉动细线,使线圈转动起来,结果小灯泡发光,此时这模型就相当于_______机。
【答案】线圈刚好处在平衡位置左不会电流方向和磁场方向同时改变发电【解析】【分析】【详解】(1)[1]线圈不转,用手轻轻转了一下线圈,电动机模型开始正常转动,说明线圈原先刚好处在平衡位置。
(2)[2]要使电动机转速变快,就要增大电流,所以滑动变阻器电阻应变小,即滑片要向左移动。
(3)[3][4]电磁铁和线圈共用一个电源,当对调电源正负极时,电磁铁的磁场方向改变,线圈中的电流方向也发生改变,所以电动机的转向不变。
(4)[5]拉动细线,线圈转动,切割磁感线,产生感应电流,所以是发电机的模型。
2.如图是小明探究“影响电磁铁磁性强弱因素”的装置图(A为指针下方固定的铁块;线圈电阻忽略不计)。
小明通过观察指针B偏转角度的大小来判断电磁铁磁性的强弱。
开始时导线a与接线柱1相连,闭合开关,指针B绕固定点O点发生偏转。
(1)实验前,应将导线b与滑动变阻器的__________(选填“c”或“d”)接线柱连接。
(2)闭合开关,电磁铁的左端为__________极;使滑片P向左移动时,指针的偏转角度变大,说明电磁铁磁性强弱与__________有关。
九年级下册物理电与磁单元综合测试(Word版含答案)一、三物理电与磁易错压轴题(难)1.在探究“影响电磁铁磁性强弱的因素”实验中,小明制成简易电磁铁甲、乙,并设计了如图所示的电路。
(1)实验中是通过观察_____________________来比较电磁铁磁性强弱。
这种研究方法称为___________。
(2)把甲、乙两个电磁铁串联,目的是____________相同,以探究电磁铁磁性强弱与____________的关系。
(3)由现象可得结论:电流一定时,________________,电磁铁磁性越强。
(4)若要使电磁铁甲、乙吸引大头针数目变多,最简单易行的办法是_________【答案】电磁铁吸引大头针的数量转换法控制电流线圈匝数线圈匝数越多将变阻器滑片P向左移动【解析】【详解】(1)[1]磁性的强弱是无法直接观察的.题中就是利用电磁铁吸引大头针数目的不同来反映磁性强弱的不同的;[2]这是转换的方法;(2)[3]串联电流相等,所以串联的目的是控制电流相同;[4] 根据图示可知,电磁铁甲吸引的大头针数目多,说明甲的磁性强;两电磁铁串联,电流相同,甲乙线圈匝数不同,所以探究的是电磁铁磁性强弱与匝数的关系;(3)[5] 由现象可得结论:电流一定时,线圈匝数越多,磁性越强;(4)[6]磁场变强,吸引大头针的数量就多了,所以最简单的方法是向左移动滑动变阻器滑片,使电路中电流变强,磁场就变强了。
2.科学家发现两根平行导线通电后有如图所示的现象(图中实线、虚线分别表示通电前、后的情况).(1)由如图可知两平行通电导线之间有力的作用.当通入的电流方向相同时,导线相互_____;当通入电流方向相反时,导线相互________ .(2)判断通电直导线周围磁场方向的方法是:用右手握导线,大拇指指向电流方向,则四指环绕的方向就是通电直导线周围的磁场方向.根据这个方法,请你判定甲图中导线a在导线b处产生的磁场方向为垂直于纸面_____ (选填“向里”或“向外”).(3)上述现象的原因是:通电导线a周围产生的磁场对通电导线b有_____的作用.当导线a 中的电流方向改变时,其磁场的方向也发生改变,导线b受力方向随之改变.(4)由此可知:与磁体之间的相互作用一样,电流之间的相互作用也是通过_______来实现的.【答案】吸引排斥向里力磁场【解析】【分析】【详解】(1)如图两平行通电导线通入的电流方向相同时,导线相互吸引;当通入电流方向相反时,导线相互排斥;(2)根据题意介绍的方法,甲图中用右手握导线a,大拇指指向上方,四指环绕的方向就是通电直导线周围的磁场方向.在导线右侧磁场垂直于纸面向里,即甲图中导线a在导线b处产生的磁场方向为垂直于纸面向里;(3)据此可以判断题所述现象的原因,即通电导线a产生磁场对通电导线b有磁场力的作用;根据上述方法判断可知,导线a中的电流方向改变时,其磁场的方向也发生改变,则导线b的受力方向也改变;(4)上述特点分析可得,电流之间的相互作用力也是通过磁场发生的,与磁体之间的相互作用是相同的.3.某学校课外科技兴趣小组在物理老师的指导下设计了一个实验装置如图所示,用来探究“影响电磁铁磁性强弱的因素”,它是由电源、滑动变阻器、开关、带铁芯的螺线管(线圈电阻忽略不计)和自制的针式刻度板组成,通过观察指针偏转角度的大小,来判断电磁铁磁性的强弱.用竹片削制的指针下方加装固定一物体E,导线a与接线柱2相连.制定计划与设计实验(1)为了使指针在受磁场力的作用在能绕O点转动,需在E处加装___________(选填“铜块”、“铝块”或“铁块”),加装物体后,为了确保指针能正确指示且具有一定的灵敏度,老师在O点转轴处涂抹润滑油,目的是___________,使指针转动更灵活.(2)按图所示连接好电路,闭合开关.调节变阻器滑片P到某一位置,记下此时指针偏转的角度,保持滑片P位置不变,导线a改为与接线柱1相连,可以探究电磁铁磁性强弱与___________的关系;保持接线方式不变,移动变阻器滑片P,可以探究电磁铁磁性强弱与___________的关系;进行实验与收集证据(3)保持滑片P位置不变,导线a改为与接线柱1相连时,闭合开关后,指针偏转的角度将会___________;当滑动变阻器的滑片P向左滑动时,指针偏转的角度将会___________(选填“增大”、“不变”或“减小”);评估交流(4)细心观察的小锋同学发现在实验过程中该自制装置的指针均向右偏转,只是偏转角度不同,该同学向老师提出能否让指针向左偏转,老师马上将一块小磁铁换装在如图的E 处,且让磁铁的右端为___________极,闭合开关后,同学们发现指针果然向左偏转.(6)你认为该装置中指针的偏转角度大小可能还与___________有关(写出一个即可).【答案】铁块减小摩擦线圈匝数电流大小增大减小 N 铁芯大小;通电螺线管(或电磁铁)与指针间的距离;指针质量(或重).【解析】(1)磁铁可以吸引铁块,不吸引铜、铝物质,故需要加装铁块;在O点转轴处涂抹润滑油可以使接触面变光滑,减小了摩擦;(2)①保持滑片P位置不变,也就是电流不变,导线a改为与接线柱1相连,增加了线圈匝数,因此可以探究电磁铁磁性强弱与线圈匝数的关系;②保持接线方式不变,也就是线圈匝数不变,移动变阻器滑片P,可以改变电流,因此可以探究电磁铁磁性强弱与电流大小的关系;(3)①保持滑片P位置不变,即电流不变,导线a改为与接线柱1相连时,线圈匝数增多闭合开关后,电磁铁磁性增强,指针偏转的角度将会增大;②当滑动变阻器的滑片P向左滑动时,接入电路电阻增大,电流减小,磁性减弱,所以指针偏转的角度将会减小;(4)由图中通电线圈电流流入方向,利用右手螺旋定则可以判断出通电线圈左端为N极,右端为S极,在E出放小磁铁让磁铁的右端为N极、左端为S极时,通电线圈右端S极与小磁铁左端为S极就会相互排斥,指针就会向左偏转;(5)该装置中指针的偏转角度大小要受磁力大小、竹片削制的指针质量、电磁铁距离指针的距离等因素影响,所以可以改变铁芯的大小来改变磁性,也可以改变竹片削制的指针质量,这样摆动起来更轻松.4.利用如图所示的实验装置探究电动机的工作原理,请你完成下列问题.(1)通电后图甲中ab段导线受磁场力的方向竖直向上,请在图丙中作出ab段导线所受到的磁场力F′的示意图;(_____)(2)当线圈转过图乙所示位置时,通过改变_____的办法使线圈靠磁场力的作用可以继续顺时针转动至少半周;(3)生产实际中,为使直流电动机的转子能持续不停地转动,在此结构的基础上主要是通过加装_____来实现的(填直流电动机的结构名称).【答案】电流方向换向器【解析】【分析】电动机的原理是:通电导线在磁场中受力的作用,其所受力的方向与电流的方向和磁场的方向有关,即只要改变一个量,其所受力的方向就会改变一次;直流电动机工作时,为了让线圈持续的转动下去,即是通过换向器在平衡位置及时的改变线圈中的电流的方向,即改变线圈所受力的反向,使线圈持续的转动下去.【详解】(1)由于电流从电源的正极出发,故此时图1中ab的电流方向是由a到b;在图丙中,由于电流的方向和磁场的方向均没有改变,故此时线圈所受力的方向仍不变,即力的方向仍是向上的,如图所示:(2)据图乙能看出,再向下转动,磁场力会阻碍线圈运动,故此时必须改变线圈中的受力方向,所以可以通过改变线圈中的电流方向使得线圈持续顺时针转动至少半圈;(3)直流电动机的线圈可以持续转动,是因为它加装了换向器,换向器能在线圈刚转过平衡位置时,自动改变线圈中的电流方向.5.李明用天然磁石仿制图甲所示的勺状的指南针﹣﹣司南.(1)他用的材料是图乙所示的天然磁石,该磁石的D端为________(选填“北极”或“南极”).(2)他用该磁石的D端磨成勺柄,打磨成勺状指南针(即“司南”),再用细线将其悬挂,如图丙所示,司南静止时,勺柄指向地球的________(3)将该司南悬挂在电磁铁正上方,闭合开关S,司南静止时的指向如图丁所示,则电磁铁左端是_____(选填“北极”或“南极”)极,则电源M端是________(选填“正极”或“负极”).(4)为增强司南的磁性,可用图丁所示装置,通过________(填字母序号),来增强电磁铁对司南磁化的效果.A.改变电源的正负极 B.让司南垂直放置在AB中点的正上方 C.增加电源的电压.【答案】南极南极北极负极 C【解析】【分析】【详解】(1)人们规定磁场的方向由北极出发到南极,由图可知,在磁体外部磁感线由B端到D 端,因此,磁石的D端为该磁体S极,即南极;(2)地磁的北极在地理的南极附近,由于异名磁极相互吸引,因此,司南静止时,勺柄指向地球的南极;(3)因为异名磁极相互吸引,所以通电螺线管的左端是N极;再用安培定则,右手大母指向左握住螺线管,可判断通电螺线管中的电流方向为:右端电流向上,左端向下;再根据电流方向是从电源正极出发通过用电器回到负极,所以电源左端,即M端为电源的负极;(4)为了增强司南的磁化效果,可以增加电源电压,使线圈中电流增大,则线圈磁性增强,磁化效果更好.故选C.【点睛】牢记磁场方向的规定,即磁体周围的磁感线,都是从磁体的N极出发,回到S极;磁极间的作用规律是:同名磁极相互排斥,异名磁极相互吸引,再结合安培定则判断电源的正负极6.迈克尔·法拉第(Michael Faraday,1791年9月22日~1867年8月25日),英国物理学家、化学家,也是著名的自学成才的科学家,出生于萨里郡纽因顿一个贫苦铁匠家庭,仅上过小学。
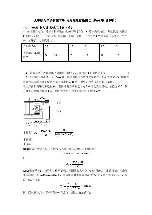
人教版九年级物理下册电与磁达标检测卷(Word版含解析)一、三物理电与磁易错压轴题(难)1.如图所示电路,是某学校楼道自动控制照明系统,R3是一光敏电阻,其阻值随“光照度E“的增大而减小,且成反比,其具体关系如下表所示(光照度E的单位是:勒克斯,符号Lx:光越强,光照度越大),光照度E/L x0.51 1.52 2.53光敏电用R3阻值/Ω603020151210(1)根据表格中数据写出光敏电阻的阻值R3与光照度E的函数关系式_________________;(2)当线圈中电流减小至10mA时,电磁继电器衔铁被弹簧拉起,启动照明系统,利用该装置可以实现当光照度低至某一设定值E0 Lx时,照明系统内照明灯自动工作。
若已知控制电路电源电压U v,电磁继电器线圈电阻为R1Ω.滑动变阻器最大阻值为R2Ω。
闭合开关,把滑片移到b端,则可得到照明系统启动时的光照度E0=______________。
【答案】330LxΩRE⋅=1230100U R R--【解析】【详解】(1)[1]由表格数据可知,光照度与光敏电阻R3阻值的乘积相等,E×R3=0.5lx×60Ω=30lx•Ω即:330LxΩRE⋅=;(2)[2]闭合开关S,将滑片P移至b端,变阻器接入电路中的电阻最大,由题可知,当线圈中电流减小至I0=10mA=0.01A时,电磁继电器衔铁被弹簧拉起,启动照明系统,所以,电路中的总电阻:=100Ω0.01AU UR UI==总;因串联电路中总电阻等于各分电阻之和,所以,R3的阻值:R3=R 总-R 1-R 2=100U -R 1-R 2,根据第一步的结果可知:03123030=100E R U R R =-- 。
2.利用如图所示的实验装置探究电动机的工作原理,请你完成下列问题.(1)通电后图甲中ab 段导线受磁场力的方向竖直向上,请在图丙中作出ab 段导线所受到的磁场力F′的示意图;(_____)(2)当线圈转过图乙所示位置时,通过改变_____的办法使线圈靠磁场力的作用可以继续顺时针转动至少半周;(3)生产实际中,为使直流电动机的转子能持续不停地转动,在此结构的基础上主要是通过加装_____来实现的(填直流电动机的结构名称).【答案】 电流方向 换向器【解析】【分析】电动机的原理是:通电导线在磁场中受力的作用,其所受力的方向与电流的方向和磁场的方向有关,即只要改变一个量,其所受力的方向就会改变一次;直流电动机工作时,为了让线圈持续的转动下去,即是通过换向器在平衡位置及时的改变线圈中的电流的方向,即改变线圈所受力的反向,使线圈持续的转动下去.【详解】(1)由于电流从电源的正极出发,故此时图1中ab 的电流方向是由a 到b ;在图丙中,由于电流的方向和磁场的方向均没有改变,故此时线圈所受力的方向仍不变,即力的方向仍是向上的,如图所示:(2)据图乙能看出,再向下转动,磁场力会阻碍线圈运动,故此时必须改变线圈中的受力方向,所以可以通过改变线圈中的电流方向使得线圈持续顺时针转动至少半圈;(3)直流电动机的线圈可以持续转动,是因为它加装了换向器,换向器能在线圈刚转过平衡位置时,自动改变线圈中的电流方向.3.如图所示为某学习小组同学设计的研究电磁铁的实验电路图.(1)当闭合开关S时,小磁针将向________(选填“顺时针”或“逆时针”)方向转动.(2)要改变电磁铁线圈中的电流大小,可通过________________________来实现;要判断电磁铁磁性强弱,可观察__________________来确定.(3)下表是该组同学所做实验的记录:①比较实验1、2、3(或4、5、6),可得出的结论是电磁铁的匝数一定时,通过电磁铁线圈中的电流________,磁性越强;②比较实验1和4(或“2和5”或“3和6”),可得出的结论是电磁铁线圈中的电流一定时,线圈匝数越多,磁性________.(4)在与同学们交流讨论时,另一组的一个同学提出了一个问题:“当线圈中的电流和匝数一定时,电磁铁的磁性强弱会不会还与线圈内的铁芯大小有关?”①你对此的猜想:____________________________;②现有两根大小不同的铁芯,利用本题电路说出验证你猜想的方法:___________.【答案】顺时针调节滑动变阻器吸引铁钉的个数越大越强当线圈中的电流和匝数一定时,电磁铁的磁性强弱与线圈内的铁芯大小有关分别把两个相同的线圈串联接入电路中,插入不同大小的铁芯,观察吸引铁钉的个数,进行比较【解析】(1)开关闭合后,由安培定则可知螺线管上方为N极,故小磁针S极会向下转动,N极向上转动,小磁针顺时针转动;(2)实验时,移动滑动变阻器的滑片,改变连入电路中的电阻,从而改变电路中的电流大小;电磁铁磁性越强,吸引大头针的数目越多,要判断电磁铁磁性强弱,可观察吸引大头针的多少;(3)①比较实验中的1、2、3(或4、5、6)可以看出,在线圈的匝数相同时,当电流增加时,吸引铁钉的个数也增加,说明在线圈的匝数一定时,通过电磁铁的电流越大,电磁铁的磁性越强;②比较实验中的1和4(或2和5或3和6)可以得出通过电磁铁的电流相同时,线圈匝数50匝的吸引5枚铁钉,线圈匝数为100匝的吸引铁钉7枚,说明在通过电磁铁的电流相同时,线圈的匝数越多,电磁铁的磁性越强.(4)①电磁铁的磁性强弱可能跟铁芯大小有关.探究电磁铁磁性强弱跟铁芯大小关系时,控制电流和线圈匝数不变,改变铁芯大小.②验证方案:保证两次电路中的线圈匝数和电流相同,让两次插入的铁芯的大小不一样,看吸引的铁钉数目的多少,如果两次吸引的数目不一样,则说明磁性的强弱与铁芯的大小有关.故答案为(1)顺时针;(2)调节滑动变阻器,吸引大头针的多少;(3)①越大;②越强;(4)①当线圈中的电流和匝数一定时,电磁铁的磁性强弱可能与线圈内的铁芯大小有关;②分别把两个相同的线圈串联接入电路中,插入不同大小的铁芯,观察吸引铁钉的个数,进行比较.4.如图所示是小华实验小组探究电磁感应现象的实验装置.(1)保持ab棒不动,闭合电路,检流计的指针不动,说明这时导线中________(选填“有“或“无”)电流.(2)当αb棒水平运动时,可以观察到电流表指针发生偏转,如果它的偏转的方向向左,若将ab棒看成是一个电源,则________端为正极.(3)保持电路闭合,当ab棒向左运动和向右运动时,检流计的指针会向左和向右偏转,表明导线中的感应电流方向与________有关.(4)将U形磁铁反转对调磁极,闭合电路,当ab棒向左运动和向右运动时,检流计的指针会向右和向左偏转,表明导线中的感应电流方向与________有关.(5)实验中小华同学为了使检流计指针明显偏转,你认为他可能会采取哪些措施?(写出一条即可)________.【答案】无b切割磁感线运动方向磁场方向换用磁性更强的磁体【解析】【详解】(1)闭合电路,若保持ab棒不动,即不做切割磁感线运动,故电路中没有感应电流;(2)在正常情况下,电流表的指针向右偏,而在这里发现电流表的指针向左偏转,故表明与电流表正接线柱相连的是电源的负极;与电流表负接线柱相连的是电源的正极,故此时b端相当于电源的正极;(3)保持电路闭合,当ab棒向左运动和向右运动时,检流计的指针会向左和向右偏转,表明导线中的感应电流方向与切割磁感线运动方向有关;(4)将U形磁铁反转对调磁极,闭合电路,当ab棒向左运动和向右运动时,检流计的指针会向右和向左偏转,表明导线中的感应电流方向与磁场方向有关.(5)使检流计指针明显偏转,即使得电路中的电流增大,故可以换用磁性更强的磁体,也可以加快导体的运动速度等均可;5.迈克尔·法拉第(Michael Faraday,1791年9月22日~1867年8月25日),英国物理学家、化学家,也是著名的自学成才的科学家,出生于萨里郡纽因顿一个贫苦铁匠家庭,仅上过小学。
人教版九年级下册物理电与磁综合测试卷(word含答案)一、三物理电与磁易错压轴题(难)1.某同学猜想电磁铁磁性强弱与电流大小和线圈匝数有关。
在探究“电磁铁磁性强弱与电流大小是否有关”时,使用的器材有:学生电源、电磁铁、电流表、滑动变阻器、开关、软铁块P、铁架台、电子秤、导线若干。
某同学用绝缘细线将电磁铁M悬挂在铁架台上,并保持它与软铁块P的距离不变:(1)实验时,他_______开关S,组装实验电路如图所示,请将滑动变阻器连入电路中,要求:滑片向左滑动时电路中电流变大;(2)本实验中根据______________比较电磁铁磁性强弱;(3)请设计出记录实验数据的表格,表中要有必要的信息。
(_________)【答案】断开,电子秤的示数实验次数电流I/A电子秤的示数/g123……【解析】【分析】【详解】(1)[1]在连接电路时,开关S应处于断开状态。
由题意知,电路中变阻器调节电路的电流,所以各元件串联;而滑片向左滑动时电路中电流变大,即滑片向左滑动时,变阻器接入电路的电阻变小,所以变阻器下边的接线柱应接左边的;电路所用电源为学生电源,则电流表应用大量程0~3A,故电路连接如下:(2)[2]实验根据电子秤的示数来比较电磁铁磁性强弱。
因为当开关闭合时,电路中有电流通过,电磁铁有磁性,对放在电子秤上的软铁块P有吸引力。
当电流越大时,电磁铁的磁性就越强,对软铁块的吸引力就越大,那么软铁块对电子秤的作用力就越小,则电子秤的示数就越小。
(3)[3]实验探究的是“电磁铁磁性强弱与电流大小的关系”,所以在实验时需记录电流的大小,而磁性的强弱是通过电子秤的示数来反映的,所以还需要记录电子秤的示数。
故实验表格如下:实验次数电流I/A电子秤的示数/g123……2.如图所示是课本上“通电导线在磁场中受力”的实验示意图。
小谦同学实际探究时,在下表记录了实验情况。
实验序号磁场方向ab中电流方向ab运动方向1向下无电流静止不动2向下由a向b向左运动3向上由a向b向右运动4向下由b向a向右运动(1)比较实验2和3,说明通电导线在磁场中受力方向与________有关;比较实验__________和____________,说明通电导线在磁场中受力方向与电流方向有关。
人教版九年级物理下册电与磁单元试卷(word版含答案)一、三物理电与磁易错压轴题(难)1.在探究“影响电磁铁磁性强弱的因素”实验中,小明制成简易电磁铁甲、乙,并设计了如图所示的电路。
(1)实验中是通过观察_____________________来比较电磁铁磁性强弱。
这种研究方法称为___________。
(2)把甲、乙两个电磁铁串联,目的是____________相同,以探究电磁铁磁性强弱与____________的关系。
(3)由现象可得结论:电流一定时,________________,电磁铁磁性越强。
(4)若要使电磁铁甲、乙吸引大头针数目变多,最简单易行的办法是_________【答案】电磁铁吸引大头针的数量转换法控制电流线圈匝数线圈匝数越多将变阻器滑片P向左移动【解析】【详解】(1)[1]磁性的强弱是无法直接观察的.题中就是利用电磁铁吸引大头针数目的不同来反映磁性强弱的不同的;[2]这是转换的方法;(2)[3]串联电流相等,所以串联的目的是控制电流相同;[4] 根据图示可知,电磁铁甲吸引的大头针数目多,说明甲的磁性强;两电磁铁串联,电流相同,甲乙线圈匝数不同,所以探究的是电磁铁磁性强弱与匝数的关系;(3)[5] 由现象可得结论:电流一定时,线圈匝数越多,磁性越强;(4)[6]磁场变强,吸引大头针的数量就多了,所以最简单的方法是向左移动滑动变阻器滑片,使电路中电流变强,磁场就变强了。
2.迈克尔·法拉第(Michael Faraday,1791年9月22日~1867年8月25日),英国物理学家、化学家,也是著名的自学成才的科学家,出生于萨里郡纽因顿一个贫苦铁匠家庭,仅上过小学。
1831年,他作出了关于电力场的关键性突破——发现了电磁感应定律,永远改变了人类文明。
1831年8月29日,法拉第终于取得突破性进展.这次他用一个软铁圆环,环上绕两个互相绝缘的线圈A和B,如图所示.他在日记中写道:“使一个有10对极板,每板面积为4平方英寸的电池充电.用一根铜导线将一个线圈,或更确切地说把B边的线圈的两个端点连接,让铜线通过一定距离,恰好经过一根磁针的下方(距铁环3英尺远),然后把电池连接在A边线圈的两端;这时立即观察到磁针的效应,它振荡起来,最后又停在原先的位置上,一旦断开A边与电池的连接,磁针再次被扰动.”(1)请根据法拉第日记的描述,在答题卷的虚线框内用笔画线代替导线,完成电路的连接______.(2)为保证实验顺利进行,尽量不受外界干扰,你认为实验时要注意的是______________。
物理九年级下册电与磁单元综合测试(Word版含答案)一、三物理电与磁易错压轴题(难)1.某同学猜想电磁铁磁性强弱与电流大小和线圈匝数有关。
在探究“电磁铁磁性强弱与电流大小是否有关”时,使用的器材有:学生电源、电磁铁、电流表、滑动变阻器、开关、软铁块P、铁架台、电子秤、导线若干。
某同学用绝缘细线将电磁铁M悬挂在铁架台上,并保持它与软铁块P的距离不变:(1)实验时,他_______开关S,组装实验电路如图所示,请将滑动变阻器连入电路中,要求:滑片向左滑动时电路中电流变大;(2)本实验中根据______________比较电磁铁磁性强弱;(3)请设计出记录实验数据的表格,表中要有必要的信息。
(_________)【答案】断开,电子秤的示数实验次数电流I/A电子秤的示数/g123……【解析】【分析】【详解】(1)[1]在连接电路时,开关S应处于断开状态。
由题意知,电路中变阻器调节电路的电流,所以各元件串联;而滑片向左滑动时电路中电流变大,即滑片向左滑动时,变阻器接入电路的电阻变小,所以变阻器下边的接线柱应接左边的;电路所用电源为学生电源,则电流表应用大量程0~3A,故电路连接如下:(2)[2]实验根据电子秤的示数来比较电磁铁磁性强弱。
因为当开关闭合时,电路中有电流通过,电磁铁有磁性,对放在电子秤上的软铁块P有吸引力。
当电流越大时,电磁铁的磁性就越强,对软铁块的吸引力就越大,那么软铁块对电子秤的作用力就越小,则电子秤的示数就越小。
(3)[3]实验探究的是“电磁铁磁性强弱与电流大小的关系”,所以在实验时需记录电流的大小,而磁性的强弱是通过电子秤的示数来反映的,所以还需要记录电子秤的示数。
故实验表格如下:实验次数电流I/A电子秤的示数/g123……2.科学家发现两根平行导线通电后有如图所示的现象(图中实线、虚线分别表示通电前、后的情况).(1)由如图可知两平行通电导线之间有力的作用.当通入的电流方向相同时,导线相互_____;当通入电流方向相反时,导线相互________ .(2)判断通电直导线周围磁场方向的方法是:用右手握导线,大拇指指向电流方向,则四指环绕的方向就是通电直导线周围的磁场方向.根据这个方法,请你判定甲图中导线a在导线b处产生的磁场方向为垂直于纸面_____ (选填“向里”或“向外”).(3)上述现象的原因是:通电导线a周围产生的磁场对通电导线b有_____的作用.当导线a 中的电流方向改变时,其磁场的方向也发生改变,导线b受力方向随之改变.(4)由此可知:与磁体之间的相互作用一样,电流之间的相互作用也是通过_______来实现的.【答案】吸引排斥向里力磁场【解析】【分析】【详解】(1)如图两平行通电导线通入的电流方向相同时,导线相互吸引;当通入电流方向相反时,导线相互排斥;(2)根据题意介绍的方法,甲图中用右手握导线a,大拇指指向上方,四指环绕的方向就是通电直导线周围的磁场方向.在导线右侧磁场垂直于纸面向里,即甲图中导线a在导线b处产生的磁场方向为垂直于纸面向里;(3)据此可以判断题所述现象的原因,即通电导线a产生磁场对通电导线b有磁场力的作用;根据上述方法判断可知,导线a中的电流方向改变时,其磁场的方向也发生改变,则导线b的受力方向也改变;(4)上述特点分析可得,电流之间的相互作用力也是通过磁场发生的,与磁体之间的相互作用是相同的.3.某学校课外科技兴趣小组在物理老师的指导下设计了一个实验装置如图所示,用来探究“影响电磁铁磁性强弱的因素”,它是由电源、滑动变阻器、开关、带铁芯的螺线管(线圈电阻忽略不计)和自制的针式刻度板组成,通过观察指针偏转角度的大小,来判断电磁铁磁性的强弱.用竹片削制的指针下方加装固定一物体E,导线a与接线柱2相连.制定计划与设计实验(1)为了使指针在受磁场力的作用在能绕O点转动,需在E处加装___________(选填“铜块”、“铝块”或“铁块”),加装物体后,为了确保指针能正确指示且具有一定的灵敏度,老师在O点转轴处涂抹润滑油,目的是___________,使指针转动更灵活.(2)按图所示连接好电路,闭合开关.调节变阻器滑片P到某一位置,记下此时指针偏转的角度,保持滑片P位置不变,导线a改为与接线柱1相连,可以探究电磁铁磁性强弱与___________的关系;保持接线方式不变,移动变阻器滑片P,可以探究电磁铁磁性强弱与___________的关系;进行实验与收集证据(3)保持滑片P位置不变,导线a改为与接线柱1相连时,闭合开关后,指针偏转的角度将会___________;当滑动变阻器的滑片P向左滑动时,指针偏转的角度将会___________(选填“增大”、“不变”或“减小”);评估交流(4)细心观察的小锋同学发现在实验过程中该自制装置的指针均向右偏转,只是偏转角度不同,该同学向老师提出能否让指针向左偏转,老师马上将一块小磁铁换装在如图的E 处,且让磁铁的右端为___________极,闭合开关后,同学们发现指针果然向左偏转.(6)你认为该装置中指针的偏转角度大小可能还与___________有关(写出一个即可).【答案】铁块减小摩擦线圈匝数电流大小增大减小 N 铁芯大小;通电螺线管(或电磁铁)与指针间的距离;指针质量(或重).【解析】(1)磁铁可以吸引铁块,不吸引铜、铝物质,故需要加装铁块;在O点转轴处涂抹润滑油可以使接触面变光滑,减小了摩擦;(2)①保持滑片P位置不变,也就是电流不变,导线a改为与接线柱1相连,增加了线圈匝数,因此可以探究电磁铁磁性强弱与线圈匝数的关系;②保持接线方式不变,也就是线圈匝数不变,移动变阻器滑片P,可以改变电流,因此可以探究电磁铁磁性强弱与电流大小的关系;(3)①保持滑片P位置不变,即电流不变,导线a改为与接线柱1相连时,线圈匝数增多闭合开关后,电磁铁磁性增强,指针偏转的角度将会增大;②当滑动变阻器的滑片P向左滑动时,接入电路电阻增大,电流减小,磁性减弱,所以指针偏转的角度将会减小;(4)由图中通电线圈电流流入方向,利用右手螺旋定则可以判断出通电线圈左端为N极,右端为S极,在E出放小磁铁让磁铁的右端为N极、左端为S极时,通电线圈右端S极与小磁铁左端为S极就会相互排斥,指针就会向左偏转;(5)该装置中指针的偏转角度大小要受磁力大小、竹片削制的指针质量、电磁铁距离指针的距离等因素影响,所以可以改变铁芯的大小来改变磁性,也可以改变竹片削制的指针质量,这样摆动起来更轻松.4.在探究“影响电磁铁磁性强弱的因素”的实验中,实验室准备的器材有:电源、开关、导线、滑动变阻器、两根完全相同的铁钉、表面绝缘的铜线、大头针若干。
九年级下册物理电与磁综合测试卷(word含答案)一、三物理电与磁易错压轴题(难)1.在探究“影响电磁铁磁性强弱的因素”的实验中,实验室准备的器材有:电源、开关、导线、滑动变阻器、两根完全相同的铁钉、表面绝缘的铜线、大头针若干。
利用上述器材,制成简易电磁铁甲和乙,并设计了如图所示的电路。
请你回答下列问题:(1)根据图示的情况可知,________(填“甲”或“乙”)的磁性强,依据是___________,说明电流一定时,________________电磁铁的磁性越强。
(2)当滑片P向左移动时,电磁铁甲、乙吸引大头针的个数________(填“增加”或“减少”)说明__________________电磁铁的磁性越强。
(3)电磁铁甲的上端是电磁铁的______极(填“N”或“S”)。
(4)电磁铁在生活和实际中有着广泛的应用。
以下利用电磁铁的特点工作的是________(填写序号)。
A.电热水壶B.模型电动机C.电磁继电器D.手摇发电机【答案】乙吸引的大头针个数多线圈匝数越多增加电流越大S C【解析】(1)根据图示的情境可知,甲乙串联在一起,电流相等,乙电磁铁吸引大头针比甲多,所以乙电磁铁磁性强,所以在电流一定时,线圈匝数越多,电磁铁磁性越强;(2)当滑动变阻器滑片向左移动时,线圈匝数不变,电流变大,电磁铁甲、乙吸引大头针的个数都增加,所以在线圈匝数一定时,电流越大,电磁铁磁性越强;(3)根据安培定则,右手握住螺线管,四指指向电流的方向,大拇指所指的方向是通电螺线管的N极,故下端是N极,上端是S极;(4)电热水壶利用的是电流的热效应,不符合题意;模型电动机是根据通电线圈在磁场中受力转动的原理制成的,不符合题意;电磁继电器的主要组成部分是电磁铁,是利用电磁铁通电时有磁性,断电时无磁性的原理工作的,符合题意;手摇发电机是根据电磁感应原理制成的,不符合题意,故选C。
2.如图所示装置,闭合开关,用外力使导体棒ab水平向右运动,发现导体棒cd也随之运动.此装置中:(1)甲部分发生的是________现象,人们根据这一原理发明了________.(2)有一种“车窗爆破器”,陆续安装BRT公交车的窗玻璃上,其原理是:当爆破器中的线圈有电流通过时,爆破器中的“钨钢头”会产生一个瞬间的冲击力,上述过程产生的能量转化是电能转化为机械能,图中____(甲/乙)部分产生的能量转化,与这一过程是相同的.【答案】电磁感应发电机乙【解析】(1)如图甲,用外力使导体棒ab水平向右运动时,切割磁感线运动,产生了电流,所以甲部分发生的是电磁感应现象,人们根据这一原理发明了发电机,使电能的大量使用成为可能;(2)有一种“车窗爆破器”,陆续安装BRT公交车的窗玻璃上,其原理是:当爆破器中的线圈有电流通过时,爆破器中的“钨钢头”会产生一个瞬间的冲击力,上述过程产生的能量转化是电能转化为机械能;图中乙部分,电流通过导体时,受到磁场力的作用而运动,所以乙部分的能量转化与这一过程是相同的.人们利用这一原理发明的电动机,为人们生产活动提供动力.点睛:注意区分研究电磁感应和磁场对通电导线作用力的两个装置,从能的转化看,两者是相反的,即电磁感应现象中将机械能转化为电能,而磁场对通电导线的作用力,将电能转化为机械能.3.如图所示为某学习小组同学设计的研究电磁铁的实验电路图.(1)当闭合开关S时,小磁针将向________(选填“顺时针”或“逆时针”)方向转动.(2)要改变电磁铁线圈中的电流大小,可通过________________________来实现;要判断电磁铁磁性强弱,可观察__________________来确定.(3)下表是该组同学所做实验的记录:①比较实验1、2、3(或4、5、6),可得出的结论是电磁铁的匝数一定时,通过电磁铁线圈中的电流________,磁性越强;②比较实验1和4(或“2和5”或“3和6”),可得出的结论是电磁铁线圈中的电流一定时,线圈匝数越多,磁性________.(4)在与同学们交流讨论时,另一组的一个同学提出了一个问题:“当线圈中的电流和匝数一定时,电磁铁的磁性强弱会不会还与线圈内的铁芯大小有关?”①你对此的猜想:____________________________;②现有两根大小不同的铁芯,利用本题电路说出验证你猜想的方法:___________.【答案】顺时针调节滑动变阻器吸引铁钉的个数越大越强当线圈中的电流和匝数一定时,电磁铁的磁性强弱与线圈内的铁芯大小有关分别把两个相同的线圈串联接入电路中,插入不同大小的铁芯,观察吸引铁钉的个数,进行比较【解析】(1)开关闭合后,由安培定则可知螺线管上方为N极,故小磁针S极会向下转动,N极向上转动,小磁针顺时针转动;(2)实验时,移动滑动变阻器的滑片,改变连入电路中的电阻,从而改变电路中的电流大小;电磁铁磁性越强,吸引大头针的数目越多,要判断电磁铁磁性强弱,可观察吸引大头针的多少;(3)①比较实验中的1、2、3(或4、5、6)可以看出,在线圈的匝数相同时,当电流增加时,吸引铁钉的个数也增加,说明在线圈的匝数一定时,通过电磁铁的电流越大,电磁铁的磁性越强;②比较实验中的1和4(或2和5或3和6)可以得出通过电磁铁的电流相同时,线圈匝数50匝的吸引5枚铁钉,线圈匝数为100匝的吸引铁钉7枚,说明在通过电磁铁的电流相同时,线圈的匝数越多,电磁铁的磁性越强.(4)①电磁铁的磁性强弱可能跟铁芯大小有关.探究电磁铁磁性强弱跟铁芯大小关系时,控制电流和线圈匝数不变,改变铁芯大小.②验证方案:保证两次电路中的线圈匝数和电流相同,让两次插入的铁芯的大小不一样,看吸引的铁钉数目的多少,如果两次吸引的数目不一样,则说明磁性的强弱与铁芯的大小有关.故答案为(1)顺时针;(2)调节滑动变阻器,吸引大头针的多少;(3)①越大;②越强;(4)①当线圈中的电流和匝数一定时,电磁铁的磁性强弱可能与线圈内的铁芯大小有关;②分别把两个相同的线圈串联接入电路中,插入不同大小的铁芯,观察吸引铁钉的个数,进行比较.4.迈克尔·法拉第(Michael Faraday,1791年9月22日~1867年8月25日),英国物理学家、化学家,也是著名的自学成才的科学家,出生于萨里郡纽因顿一个贫苦铁匠家庭,仅上过小学。
九年级物理下册电与磁综合测试卷(word含答案)一、三物理电与磁易错压轴题(难)1.在探究“影响电磁铁磁性强弱的因素”的实验中,实验室准备的器材有:电源、开关、导线、滑动变阻器、两根完全相同的铁钉、表面绝缘的铜线、大头针若干。
利用上述器材,制成简易电磁铁甲和乙,并设计了如图所示的电路。
请你回答下列问题:(1)根据图示的情况可知,________(填“甲”或“乙”)的磁性强,依据是___________,说明电流一定时,________________电磁铁的磁性越强。
(2)当滑片P向左移动时,电磁铁甲、乙吸引大头针的个数________(填“增加”或“减少”)说明__________________电磁铁的磁性越强。
(3)电磁铁甲的上端是电磁铁的______极(填“N”或“S”)。
(4)电磁铁在生活和实际中有着广泛的应用。
以下利用电磁铁的特点工作的是________(填写序号)。
A.电热水壶B.模型电动机C.电磁继电器D.手摇发电机【答案】乙吸引的大头针个数多线圈匝数越多增加电流越大S C【解析】(1)根据图示的情境可知,甲乙串联在一起,电流相等,乙电磁铁吸引大头针比甲多,所以乙电磁铁磁性强,所以在电流一定时,线圈匝数越多,电磁铁磁性越强;(2)当滑动变阻器滑片向左移动时,线圈匝数不变,电流变大,电磁铁甲、乙吸引大头针的个数都增加,所以在线圈匝数一定时,电流越大,电磁铁磁性越强;(3)根据安培定则,右手握住螺线管,四指指向电流的方向,大拇指所指的方向是通电螺线管的N极,故下端是N极,上端是S极;(4)电热水壶利用的是电流的热效应,不符合题意;模型电动机是根据通电线圈在磁场中受力转动的原理制成的,不符合题意;电磁继电器的主要组成部分是电磁铁,是利用电磁铁通电时有磁性,断电时无磁性的原理工作的,符合题意;手摇发电机是根据电磁感应原理制成的,不符合题意,故选C。
2.某次旅游,密闭大巴内坐满了游客,司机忘了打开换气设备,时间一久,车内二氧化碳浓度上升,令人头晕脑胀.为此,小明设计了车载自动换气设备(一)小明找来二氧化碳气敏电阻R x,其电阻值与空气中二氧化碳浓度关系如表格所示,其中二氧化碳浓度为0时,R x阻值模糊不清,他对该电阻阻值进行测量氧气浓度/%0510********R x/Ω28221713108小明把空气通过氢氧化钠溶液,得到二氧化碳浓度为0的空气,并收集于集气瓶中,再将R x置于其中(1)图甲电源电压恒为6V,请以笔画导线完成电路图剩余部分的连接.要求,滑片P向B 端移动时,电压表、电流表的示数都变大.(___)(2)开关S闭合前,滑片P应移至_____(选填“A”或“B”)端.(3)闭合开关S,发现电流表无示数,电压表有示数.电路某一故障可能为_____.A、S断路B、R'断路C、R x短路D、R x断路(4)排除故障后,移动滑片P,电压表、电流表示数如图乙所示,二氧化碳为0时,R x的阻值为_____Ω(5)请在丙图中画出R x阻值与空气中二氧化碳浓度的关系图象.(___)(二)小明利用电磁继电器设计车载自动换气设备,如图丁所示,控制电路,恒为6V的蓄电池,开关S,定值电阻R0,二氧化碳气敏电阻R x,电磁继电器的线圈电阻不计,线圈电流大0.1A时衔铁被吸下,线圈电流小于0.1A衔铁被弹回,受控电路包括,恒为24V的蓄电池,额定电压均为24V的绿灯、红灯、换气扇.(6)请以笔画线完成电路连接,要求:闭合开关S,周围空气中二氧化碳浓度小于8%时,绿灯亮;大于8%时,红灯亮且换气扇正常工作.(___)(7)定值电阻R0的阻值应为_____Ω.【答案】A D3535【解析】【分析】(1)由图乙确定两表的量程,根据要求滑片P向B端移动时,电压表、电流表的示数变大确定变阻器的连接与电压表的连接;(2)为保护电路,开关S闭合前,滑片P应移至阻值最大处;(3)若电流表示数为0,说明电路可能断路;电压表有示数,说明电压表与电源连通,则与电压表并联的支路以外的电路是完好的,则与电压表并联的电阻断路了;(4)分别图中电压表大量程和电流表小量程读数,根据欧姆定律求电阻;(5)根据描点作图;(6)将控制电路串联起来;根据电流大于0.1A,电磁铁将衔铁吸下,红灯亮且换气扇正常工作,同时绿灯断开不亮;当电流小于0.1A,绿灯亮:故红灯亮与换气扇并联,根据衔铁吸下时与下触点接触,电流小于0.1A时与上触点接触,按要求连接工作电路;(7)由图2可知,当周围空气中二氧化碳浓度为8%时,气敏电阻大小为R′X=25欧姆,根据欧姆定律和电阻的串联求出定值电阻的大小.【详解】(1)用伏安法测电阻大小,电流表要串联在电路中,由图乙可知,电压表选用大量程,电流表选用小量程,因要求滑片P向B端移动时,电流表的示数变大,则电路中的电阻变小,即滑动变阻器连入电路中的电阻变小,故滑片以右电阻丝连入电路中,根据欧姆定律的变形公式U=IR,待测电阻的电压变大,由串联电路的电压规律,电压表示数变小,故电压表并联在待测电阻的两端,如下图1所示:(2)开关S闭合前,滑片P应移至阴性阻值最大处,即A端;(3)闭合开关S,发现电流表无示数,电压表有示数.电路某一故障可能为R x断路,选D;(4)图中电压表选用大量程,分度值为0.5V,示数为为3.5V;电流表选用小量程,分度值为0.02A,示数为0.1A,由欧姆定律,待测电阻:R X=3.5=350.1U VI A=Ω;(5)由表中数据,在坐标系中确定对应的点,用平滑的曲线连接起来,如下图2所示所示:(6)闭合开关S,因周围空气中二氧化碳浓度越大,气敏电阻越小,当大于8%时,电阻小于某一值,电流大于0.1A,电磁铁将衔铁吸下,红灯亮且换气扇正常工作,同时绿灯断开不亮;当周围空气中二氧化碳浓度小于8%时,电阻大于某一值,电流小于0.1A,绿灯亮;将控制电路与电源串联起来;电流小于0.1A时,上触点与衔铁接触,绿灯与电源连接,绿灯亮;电流流大于电0.1A时,磁铁将衔铁吸下,下触点与衔铁接触,上触点与衔铁分离,红灯与换气扇并联,红灯亮且换气扇正常工作,绿灯断路;电路连接如下所示:(7)由图2可知,当周围空气中二氧化碳浓度为8%时,气敏电阻大小为R′X=25欧姆,电路中电流I=0.1A,根据欧姆定律和电阻的串联规律,R0=UI﹣R′X=60.1VA﹣25Ω=35Ω;【点睛】本题考查测电阻的电路连接、注意事项、故障分析、电表读数、电阻计算,同时也考查了电磁继电器的运用及电路的连接,并汲及运用图象解决问题的思想,综合性强,难度较大.3.瑞瑞同学有-辆玩具电动车,在行驶的过程中,车上的小动物可以自由旋转,这种功能是由两个电动机带动的,如图所示是该玩具电动车的简化电路图.目前该车某一处出现了故障:通电后玩具电动车只能行驶,上面的动物不能旋转.对此,瑞瑞同学提出了猜想:[猜想与假设](1)可能是旋转开关有故障;(2)可能是旋转定时器有故障;(3)可能是________有故障.瑞瑞同学利用一只电压表来判断故障的位置.[进行实验](1)将玩具电动车装上四只新干电池,闭合旋转开关和旋转定时器;(2)将电压表一端接在d点不动,另一端依次接在a点、b点和c点,观察电压表示数. [分析与论证](1)如果另一端接在点时电压表有示数,接在点时无示数,说明旋转开关________(选填“断路”、“短路”或“正常”);(2)如果另一端分别接在、点时,电压表都有示数,然后改接到点,发现电压表仍然有示数,且,说明________和________正常,________有故障.[交流评估]瑞瑞将他的检修方法与小明和小华进行了交流.(1)小明说,在[进行实验]的第(2)步,只用一根导线连接、,就可以判断旋转电动机是否断路,方法是:如果旋转电动机________,就表明它是好的.(2)小华说,在[进行实验]的(2)第步,也可以用电流表检测旋转开关和旋转定时器是否损坏,方法是:将电流表接、,如果旋转电动机仍不转,表明旋转开关可能是________(好的/坏的);再将电流表接、,判断旋转定时器的好坏;但绝对不能将电流表接到、之间,否则有可能________.【答案】旋转电动机断路旋转开关旋转定时器旋转电动机转动好的短路【解析】【分析】(1)由题知,通电后玩具电动车只能行驶,而上面的动物不能旋转,说明行驶电动机所在的支路没有问题,问题在旋转电动机所在的支路。
九年级物理下册电与磁单元综合测试(Word版含答案)一、三物理电与磁易错压轴题(难)1.如图所示电路,是某学校楼道自动控制照明系统,R3是一光敏电阻,其阻值随“光照度E“的增大而减小,且成反比,其具体关系如下表所示(光照度E的单位是:勒克斯,符号Lx:光越强,光照度越大),光照度E/L x0.51 1.52 2.53光敏电用R3阻值/Ω603020151210(1)根据表格中数据写出光敏电阻的阻值R3与光照度E的函数关系式_________________;(2)当线圈中电流减小至10mA时,电磁继电器衔铁被弹簧拉起,启动照明系统,利用该装置可以实现当光照度低至某一设定值E0 Lx时,照明系统内照明灯自动工作。
若已知控制电路电源电压U v,电磁继电器线圈电阻为R1Ω.滑动变阻器最大阻值为R2Ω。
闭合开关,把滑片移到b端,则可得到照明系统启动时的光照度E0=______________。
【答案】330LxΩRE⋅=1230100U R R--【解析】【详解】(1)[1]由表格数据可知,光照度与光敏电阻R3阻值的乘积相等,E×R3=0.5lx×60Ω=30lx•Ω即:330LxΩRE⋅=;(2)[2]闭合开关S,将滑片P移至b端,变阻器接入电路中的电阻最大,由题可知,当线圈中电流减小至I0=10mA=0.01A时,电磁继电器衔铁被弹簧拉起,启动照明系统,所以,电路中的总电阻:=100Ω0.01AU UR UI==总;因串联电路中总电阻等于各分电阻之和,所以,R3的阻值:R3=R 总-R 1-R 2=100U -R 1-R 2,根据第一步的结果可知:03123030=100E R U R R =-- 。
2.李明用天然磁石仿制图甲所示的勺状的指南针﹣﹣司南.(1)他用的材料是图乙所示的天然磁石,该磁石的D 端为________ (选填“北极”或“南极”).(2)他用该磁石的D 端磨成勺柄,打磨成勺状指南针(即“司南”),再用细线将其悬挂,如图丙所示,司南静止时,勺柄指向地球的________(3)将该司南悬挂在电磁铁正上方,闭合开关S ,司南静止时的指向如图丁所示,则电磁铁左端是_____ (选填“北极”或“南极”)极,则电源M 端是________ (选填“正极”或“负极”).(4)为增强司南的磁性,可用图丁所示装置,通过________( 填字母序号 ),来增强电磁铁对司南磁化的效果.A .改变电源的正负极B .让司南垂直放置在AB 中点的正上方C .增加电源的电压.【答案】南极 南极 北极 负极 C【解析】【分析】【详解】(1)人们规定磁场的方向由北极出发到南极,由图可知,在磁体外部磁感线由B 端到D 端,因此,磁石的D 端为该磁体S 极,即南极;(2)地磁的北极在地理的南极附近,由于异名磁极相互吸引,因此,司南静止时,勺柄指向地球的南极;(3)因为异名磁极相互吸引,所以通电螺线管的左端是N 极;再用安培定则,右手大母指向左握住螺线管,可判断通电螺线管中的电流方向为:右端电流向上,左端向下;再根据电流方向是从电源正极出发通过用电器回到负极,所以电源左端,即M 端为电源的负极;(4)为了增强司南的磁化效果,可以增加电源电压,使线圈中电流增大,则线圈磁性增强,磁化效果更好.故选C .【点睛】牢记磁场方向的规定,即磁体周围的磁感线,都是从磁体的N极出发,回到S极;磁极间的作用规律是:同名磁极相互排斥,异名磁极相互吸引,再结合安培定则判断电源的正负极3.某次旅游,密闭大巴内坐满了游客,司机忘了打开换气设备,时间一久,车内二氧化碳浓度上升,令人头晕脑胀.为此,小明设计了车载自动换气设备(一)小明找来二氧化碳气敏电阻R x,其电阻值与空气中二氧化碳浓度关系如表格所示,其中二氧化碳浓度为0时,R x阻值模糊不清,他对该电阻阻值进行测量氧气浓度/%0510********R x/Ω28221713108小明把空气通过氢氧化钠溶液,得到二氧化碳浓度为0的空气,并收集于集气瓶中,再将R x置于其中(1)图甲电源电压恒为6V,请以笔画导线完成电路图剩余部分的连接.要求,滑片P向B 端移动时,电压表、电流表的示数都变大.(___)(2)开关S闭合前,滑片P应移至_____(选填“A”或“B”)端.(3)闭合开关S,发现电流表无示数,电压表有示数.电路某一故障可能为_____.A、S断路B、R'断路C、R x短路D、R x断路(4)排除故障后,移动滑片P,电压表、电流表示数如图乙所示,二氧化碳为0时,R x的阻值为_____Ω(5)请在丙图中画出R x阻值与空气中二氧化碳浓度的关系图象.(___)(二)小明利用电磁继电器设计车载自动换气设备,如图丁所示,控制电路,恒为6V的蓄电池,开关S,定值电阻R0,二氧化碳气敏电阻R x,电磁继电器的线圈电阻不计,线圈电流大0.1A时衔铁被吸下,线圈电流小于0.1A衔铁被弹回,受控电路包括,恒为24V的蓄电池,额定电压均为24V的绿灯、红灯、换气扇.(6)请以笔画线完成电路连接,要求:闭合开关S,周围空气中二氧化碳浓度小于8%时,绿灯亮;大于8%时,红灯亮且换气扇正常工作.(___)(7)定值电阻R0的阻值应为_____Ω.【答案】A D3535【解析】【分析】(1)由图乙确定两表的量程,根据要求滑片P向B端移动时,电压表、电流表的示数变大确定变阻器的连接与电压表的连接;(2)为保护电路,开关S闭合前,滑片P应移至阻值最大处;(3)若电流表示数为0,说明电路可能断路;电压表有示数,说明电压表与电源连通,则与电压表并联的支路以外的电路是完好的,则与电压表并联的电阻断路了;(4)分别图中电压表大量程和电流表小量程读数,根据欧姆定律求电阻;(5)根据描点作图;(6)将控制电路串联起来;根据电流大于0.1A,电磁铁将衔铁吸下,红灯亮且换气扇正常工作,同时绿灯断开不亮;当电流小于0.1A,绿灯亮:故红灯亮与换气扇并联,根据衔铁吸下时与下触点接触,电流小于0.1A时与上触点接触,按要求连接工作电路;(7)由图2可知,当周围空气中二氧化碳浓度为8%时,气敏电阻大小为R′X=25欧姆,根据欧姆定律和电阻的串联求出定值电阻的大小.【详解】(1)用伏安法测电阻大小,电流表要串联在电路中,由图乙可知,电压表选用大量程,电流表选用小量程,因要求滑片P向B端移动时,电流表的示数变大,则电路中的电阻变小,即滑动变阻器连入电路中的电阻变小,故滑片以右电阻丝连入电路中,根据欧姆定律的变形公式U=IR,待测电阻的电压变大,由串联电路的电压规律,电压表示数变小,故电压表并联在待测电阻的两端,如下图1所示:(2)开关S闭合前,滑片P应移至阴性阻值最大处,即A端;(3)闭合开关S,发现电流表无示数,电压表有示数.电路某一故障可能为R x断路,选D;(4)图中电压表选用大量程,分度值为0.5V,示数为为3.5V;电流表选用小量程,分度值为0.02A,示数为0.1A,由欧姆定律,待测电阻:R X=3.5=350.1U VI A=Ω;(5)由表中数据,在坐标系中确定对应的点,用平滑的曲线连接起来,如下图2所示所示:(6)闭合开关S,因周围空气中二氧化碳浓度越大,气敏电阻越小,当大于8%时,电阻小于某一值,电流大于0.1A,电磁铁将衔铁吸下,红灯亮且换气扇正常工作,同时绿灯断开不亮;当周围空气中二氧化碳浓度小于8%时,电阻大于某一值,电流小于0.1A,绿灯亮;将控制电路与电源串联起来;电流小于0.1A时,上触点与衔铁接触,绿灯与电源连接,绿灯亮;电流流大于电0.1A时,磁铁将衔铁吸下,下触点与衔铁接触,上触点与衔铁分离,红灯与换气扇并联,红灯亮且换气扇正常工作,绿灯断路;电路连接如下所示:(7)由图2可知,当周围空气中二氧化碳浓度为8%时,气敏电阻大小为R′X=25欧姆,电路中电流I=0.1A,根据欧姆定律和电阻的串联规律,R0=UI﹣R′X=60.1VA﹣25Ω=35Ω;【点睛】本题考查测电阻的电路连接、注意事项、故障分析、电表读数、电阻计算,同时也考查了电磁继电器的运用及电路的连接,并汲及运用图象解决问题的思想,综合性强,难度较大.4.如图所示为某学习小组同学设计的研究电磁铁的实验电路图.(1)当闭合开关S时,小磁针将向________(选填“顺时针”或“逆时针”)方向转动.(2)要改变电磁铁线圈中的电流大小,可通过________________________来实现;要判断电磁铁磁性强弱,可观察__________________来确定.(3)下表是该组同学所做实验的记录:①比较实验1、2、3(或4、5、6),可得出的结论是电磁铁的匝数一定时,通过电磁铁线圈中的电流________,磁性越强;②比较实验1和4(或“2和5”或“3和6”),可得出的结论是电磁铁线圈中的电流一定时,线圈匝数越多,磁性________.(4)在与同学们交流讨论时,另一组的一个同学提出了一个问题:“当线圈中的电流和匝数一定时,电磁铁的磁性强弱会不会还与线圈内的铁芯大小有关?”①你对此的猜想:____________________________;②现有两根大小不同的铁芯,利用本题电路说出验证你猜想的方法:___________.【答案】顺时针调节滑动变阻器吸引铁钉的个数越大越强当线圈中的电流和匝数一定时,电磁铁的磁性强弱与线圈内的铁芯大小有关分别把两个相同的线圈串联接入电路中,插入不同大小的铁芯,观察吸引铁钉的个数,进行比较【解析】(1)开关闭合后,由安培定则可知螺线管上方为N极,故小磁针S极会向下转动,N极向上转动,小磁针顺时针转动;(2)实验时,移动滑动变阻器的滑片,改变连入电路中的电阻,从而改变电路中的电流大小;电磁铁磁性越强,吸引大头针的数目越多,要判断电磁铁磁性强弱,可观察吸引大头针的多少;(3)①比较实验中的1、2、3(或4、5、6)可以看出,在线圈的匝数相同时,当电流增加时,吸引铁钉的个数也增加,说明在线圈的匝数一定时,通过电磁铁的电流越大,电磁铁的磁性越强;②比较实验中的1和4(或2和5或3和6)可以得出通过电磁铁的电流相同时,线圈匝数50匝的吸引5枚铁钉,线圈匝数为100匝的吸引铁钉7枚,说明在通过电磁铁的电流相同时,线圈的匝数越多,电磁铁的磁性越强.(4)①电磁铁的磁性强弱可能跟铁芯大小有关.探究电磁铁磁性强弱跟铁芯大小关系时,控制电流和线圈匝数不变,改变铁芯大小.②验证方案:保证两次电路中的线圈匝数和电流相同,让两次插入的铁芯的大小不一样,看吸引的铁钉数目的多少,如果两次吸引的数目不一样,则说明磁性的强弱与铁芯的大小有关.故答案为(1)顺时针;(2)调节滑动变阻器,吸引大头针的多少;(3)①越大;②越强;(4)①当线圈中的电流和匝数一定时,电磁铁的磁性强弱可能与线圈内的铁芯大小有关;②分别把两个相同的线圈串联接入电路中,插入不同大小的铁芯,观察吸引铁钉的个数,进行比较.5.如图是“探究导体在磁场中运动时产生感应电流的条件”的实验装置.(1)闭合开关后,当导体ab向左或向右运动时,电流表指针偏转,当导体ab向上或向下运动时,电流表指针不偏转,说明闭合电路中的部分导体在磁场中做运动时导体中会产生感应电流.(2)在此实验过程中,是能转化为能.(3)实验中发现,当导体ab向左运动时,电流表指针向右偏转,当导体ab向右运动时,电流表指针向左偏转,说明.(4)小明猜想“感应电流大小可能与导体运动速度大小有关”,他验证猜想的过程是:让导体在第一次实验中运动较慢,在第二次实验中运动,观察两次实验中的,然后进行分析与判断.【答案】(1)切割磁感线;(2)机械;电;(3)感应电流的方向跟导体运动方向有关;(4)较快;电流表的指针偏转情况.【解析】试题分析:(1)导体ab向上或向下运动时,没有切割磁感线,所以电流表不偏转,而左右运动时,切割磁感线,所以电流表偏转,则产生感应电流的条件是闭合电路中的部分导体在磁场中做切割磁感线的运动时导体中会产生感应电流;(2)在实验过程中,机械能转化成电能;(3)导体切割磁感线的方向不同,电流表指针的偏转方向不同,这说明感应电流方向与导体运动方向有关;(4)若探究感应电流的大小与导体运动速度的关系,要使导体一次运动较慢,一次运动较快,观察电流表指针偏转的角度是否相同.【考点定位】电磁感应6.如图所示,是某学习小组同学设计的研究“电磁铁磁性强弱”的实验电路图。
人教版九年级物理下册电与磁单元试卷(word版含答案)一、三物理电与磁易错压轴题(难)1.某学校课外科技兴趣小组在物理老师的指导下设计了一个实验装置如图所示,用来探究“影响电磁铁磁性强弱的因素”,它是由电源、滑动变阻器、开关、带铁芯的螺线管(线圈电阻忽略不计)和自制的针式刻度板组成,通过观察指针偏转角度的大小,来判断电磁铁磁性的强弱.用竹片削制的指针下方加装固定一物体E,导线a与接线柱2相连.制定计划与设计实验(1)为了使指针在受磁场力的作用在能绕O点转动,需在E处加装___________(选填“铜块”、“铝块”或“铁块”),加装物体后,为了确保指针能正确指示且具有一定的灵敏度,老师在O点转轴处涂抹润滑油,目的是___________,使指针转动更灵活.(2)按图所示连接好电路,闭合开关.调节变阻器滑片P到某一位置,记下此时指针偏转的角度,保持滑片P位置不变,导线a改为与接线柱1相连,可以探究电磁铁磁性强弱与___________的关系;保持接线方式不变,移动变阻器滑片P,可以探究电磁铁磁性强弱与___________的关系;进行实验与收集证据(3)保持滑片P位置不变,导线a改为与接线柱1相连时,闭合开关后,指针偏转的角度将会___________;当滑动变阻器的滑片P向左滑动时,指针偏转的角度将会___________(选填“增大”、“不变”或“减小”);评估交流(4)细心观察的小锋同学发现在实验过程中该自制装置的指针均向右偏转,只是偏转角度不同,该同学向老师提出能否让指针向左偏转,老师马上将一块小磁铁换装在如图的E 处,且让磁铁的右端为___________极,闭合开关后,同学们发现指针果然向左偏转.(6)你认为该装置中指针的偏转角度大小可能还与___________有关(写出一个即可).【答案】铁块减小摩擦线圈匝数电流大小增大减小 N 铁芯大小;通电螺线管(或电磁铁)与指针间的距离;指针质量(或重).【解析】(1)磁铁可以吸引铁块,不吸引铜、铝物质,故需要加装铁块;在O点转轴处涂抹润滑油可以使接触面变光滑,减小了摩擦;(2)①保持滑片P位置不变,也就是电流不变,导线a改为与接线柱1相连,增加了线圈匝数,因此可以探究电磁铁磁性强弱与线圈匝数的关系;②保持接线方式不变,也就是线圈匝数不变,移动变阻器滑片P,可以改变电流,因此可以探究电磁铁磁性强弱与电流大小的关系;(3)①保持滑片P位置不变,即电流不变,导线a改为与接线柱1相连时,线圈匝数增多闭合开关后,电磁铁磁性增强,指针偏转的角度将会增大;②当滑动变阻器的滑片P向左滑动时,接入电路电阻增大,电流减小,磁性减弱,所以指针偏转的角度将会减小;(4)由图中通电线圈电流流入方向,利用右手螺旋定则可以判断出通电线圈左端为N极,右端为S极,在E出放小磁铁让磁铁的右端为N极、左端为S极时,通电线圈右端S极与小磁铁左端为S极就会相互排斥,指针就会向左偏转;(5)该装置中指针的偏转角度大小要受磁力大小、竹片削制的指针质量、电磁铁距离指针的距离等因素影响,所以可以改变铁芯的大小来改变磁性,也可以改变竹片削制的指针质量,这样摆动起来更轻松.2.如图,在“磁场对通电直导线的作用”实验中,小明把一根轻质的铝棒AB用细线悬挂后置于蹄形磁体的磁场中(1)接通电源,铝棒AB向左运动,说明磁场对电流有的_____作用,_____(选填“电动机“或“发电机”)利用这一原理工作的.(2)若只将磁体的两极对调,接通电源,观察到铝棒AB向_____(选填“左”成“右”)运动,说明力的方向与_____方向有关.(3)小明猜想磁场对通电直导线作用力的大小可能与导线中电流大小有关,请在图中器材的基础上,添加一只器材,设计一个简单实验,探究这一猜想.添加器材:_____简要做法:_____【答案】力电动机右磁场滑动变阻器将滑动变阻器串联在电路中,改变滑片的位置,观察铝棒摆动的幅度【解析】(1)把一根轻质的铝棒作为直导线放在蹄形磁体的磁场里,接通电源,看到直导线向左运动,说明磁场对通电导线有力的作用;电动机就是利用该原理制成的;(2)只将磁体的两极对调,接通电源,导体的运动方向会改变,所以观察到直导线向右运动;说明力的方向与磁场的方向有关;(3)探究磁场中通电导线作用力大小与导线中电流的大小是否有关,可以在其他条件不变的情况下,添加一滑动变阻器来改变电路中的电流.其做法如下:在图所示的电路中串联一个滑动变阻器,移动变阻器的滑片,改变导线中电流的大小,观察通电导线摆动的幅度;以此判断磁场对通电导线作用力大小与导线中电流的大小是否有关.3.课堂上,老师做了如图甲所示的演示实验,给直导线(铝棒)通电,观察到直导线运动起来。
人教版九年级物理下册电与磁综合测试卷(word含答案)一、三物理电与磁易错压轴题(难)1.两个电磁铁A和B都用粗细相同的漆包线绕制而成,其外形及所用的铁芯都相同,但线圈面数不同(外观上看不出)要比较哪个电磁铁的线匝数多,小明用相同的恒压电源、滑动变阻器、导线、开关,并提供足够多的大头针,连接电路进行了图两个实验。
(1)关于小明的实验:①磁性较强的电磁铁是______ (选填“A”或“B”)。
依据是_____ ;②该实验,无法比较哪个电磁铁的线圆匝数更多,原因是______;(2)利用上述器材设计实验,要求能比较哪个电磁铁的线圈匝数更多(可增加一个器材,或不增加器材):①步骤(可用文字或画图表述)______;②结论分析:______。
【答案】A 吸引大头针的数量较多不能确保流过两个电磁铁的电流相同见解析吸引大头针数量较多的电磁铁,线圈匝数较多【解析】【分析】【详解】(1)[1][2]由图可知电磁铁A吸引的的大头针数量比电磁铁B多,可判断电磁铁A的磁性较强。
[3]影响电磁铁磁性强弱的因素有线圈匝数、电流大小,该实验中无法通过电磁铁磁性强弱来判断谁的线圈匝数多,谁的少,原因在于无法确保流过两个电磁铁的电流相同。
(2)[4]步骤:将电磁铁A、B串联在一个电路中,通过它们的电流相等,是电磁铁A、B上的线圈匝数不同。
[5]结论分析:在电磁铁通过电流相同时,线圈匝数较多的电磁铁,吸引大头针数量较多;线圈匝数较少的吸引大头针数量较少;可判断:吸引大头针数量较多的电磁铁,线圈匝数较多。
2.在安装直流电动机模型的实验中,小明将组装好的电动机模型、滑动变阻器、电源、开关串联起来如图甲所示:(1)小明闭合开关,发现线圈不转,他用手轻轻转了一下线圈,电动机模型开始正常转动。
线圈原来不转的原因是_______;(2)若要电动机转速加快,小明应将滑动变阻器的滑片向_______移动;(3)接下来,小明把永磁铁换成图乙所示的电磁铁,并将电磁铁线圈的两个接线柱M、N分别与电刷A、B相连,使电磁铁线圈与电动机模型线圈并联后,合用一个电源。
当对调接在电源正、负极上的导线时,电动机线圈转动的方向会不会改变?答:_______,理由是_______;(4)完成以上实验后,小明取下图甲中的电源换上小灯泡,在模型的转轴上绕上细线,如图丙所示,然后快速拉动细线,使线圈转动起来,结果小灯泡发光,此时这模型就相当于_______机。
【答案】线圈刚好处在平衡位置左不会电流方向和磁场方向同时改变发电【解析】【分析】【详解】(1)[1]线圈不转,用手轻轻转了一下线圈,电动机模型开始正常转动,说明线圈原先刚好处在平衡位置。
(2)[2]要使电动机转速变快,就要增大电流,所以滑动变阻器电阻应变小,即滑片要向左移动。
(3)[3][4]电磁铁和线圈共用一个电源,当对调电源正负极时,电磁铁的磁场方向改变,线圈中的电流方向也发生改变,所以电动机的转向不变。
(4)[5]拉动细线,线圈转动,切割磁感线,产生感应电流,所以是发电机的模型。
3.如图是小明探究“影响电磁铁磁性强弱因素”的装置图(A为指针下方固定的铁块;线圈电阻忽略不计)。
小明通过观察指针B偏转角度的大小来判断电磁铁磁性的强弱。
开始时导线a与接线柱1相连,闭合开关,指针B绕固定点O点发生偏转。
(1)实验前,应将导线b与滑动变阻器的__________(选填“c”或“d”)接线柱连接。
(2)闭合开关,电磁铁的左端为__________极;使滑片P向左移动时,指针的偏转角度变大,说明电磁铁磁性强弱与__________有关。
(3)断开开关,将导线a与接线柱1相连改为与接线柱2相连,保持滑动变阻器的滑片P 的位置不变,再闭合开关,此时指针偏转角度__________(选填“变大”、“变小”或“不变”)。
(4)下图所示的装置中应用电磁铁工作的是__________。
(选填序号)【答案】c N 电流大小变小④【解析】【详解】(1)[1]实验前,应将导线b与滑动变阻器的c接线柱连接,这样变阻器的电阻才能进行调节;(2)[2]从图中可以看到,电流从电磁铁的右端流入,左端流出,根据安培定则可知电磁铁的左端为N极;[3]滑片P向左移动时,电路中的总电阻变小,电路的电流变大,而指针的偏转角度也变大,说明电磁铁磁性强弱与电流大小有关;(3)[4]由于线圈的匝数变少,电流强度不变,那么电磁铁磁性变弱,则指针偏转角度减小;(4)[5]手摇发电机是产生电流,利用电磁感应原理工作的;自制电动机是利用通电线圈在磁场中受力转动的原理工作的;动圈式话筒是利用电磁感应工作的;电铃通电时,电磁铁有电流通过,产生了磁性,小锤下方的弹性片被吸过来,小锤打击电铃发出声音,同时电路断开,电磁铁失去磁性,小锤又被弹回,电路闭合,不断重复,电铃会发出连续打击声,这是应用了电磁铁;故选④。
4.如图所示电路,是某学校楼道自动控制照明系统,R3是一光敏电阻,其阻值随“光照度E“的增大而减小,且成反比,其具体关系如下表所示(光照度E的单位是:勒克斯,符号Lx:光越强,光照度越大),光照度E/L x0.51 1.52 2.53光敏电用R3阻值/Ω603020151210(1)根据表格中数据写出光敏电阻的阻值R3与光照度E的函数关系式_________________;(2)当线圈中电流减小至10mA时,电磁继电器衔铁被弹簧拉起,启动照明系统,利用该装置可以实现当光照度低至某一设定值E0 Lx时,照明系统内照明灯自动工作。
若已知控制电路电源电压U v,电磁继电器线圈电阻为R1Ω.滑动变阻器最大阻值为R2Ω。
闭合开关,把滑片移到b端,则可得到照明系统启动时的光照度E0=______________。
【答案】330LxΩRE⋅=1230100U R R--【解析】【详解】(1)[1]由表格数据可知,光照度与光敏电阻R3阻值的乘积相等,E×R3=0.5lx×60Ω=30lx•Ω即:330LxΩRE⋅=;(2)[2]闭合开关S,将滑片P移至b端,变阻器接入电路中的电阻最大,由题可知,当线圈中电流减小至I0=10mA=0.01A时,电磁继电器衔铁被弹簧拉起,启动照明系统,所以,电路中的总电阻:=100Ω0.01AU UR UI==总;因串联电路中总电阻等于各分电阻之和,所以,R3的阻值:R3=R总-R1-R2=100U-R1-R2,根据第一步的结果可知:3123030=100ER U R R=--。
5.如图所示是课本上“通电导线在磁场中受力”的实验示意图。
小谦同学实际探究时,在下表记录了实验情况。
实验序号磁场方向ab中电流方向ab运动方向1向下无电流静止不动2向下由a向b向左运动3向上由a向b向右运动4向下由b向a向右运动(1)比较实验2和3,说明通电导线在磁场中受力方向与________有关;比较实验__________和____________,说明通电导线在磁场中受力方向与电流方向有关。
(2)小谦通过观察导线运动方向,来判断导线在磁场中受力方向,用到的物理学方法是____________(选填下列选项对应的符号)。
A.类比法 B.控制变量法 C.转换法(3)小谦想在这个实验的基础上进行改造,来探究“哪些因素影响感应电流的方向”。
为了观察到明显的实验现象,他应把图中的电源换成很灵敏的___________(选填“电流表”或者“电压表”)。
【答案】磁场方向24C电流表【解析】【详解】(1)比较实验2和3,电流方相相同,磁场方向不同,导体运动的方向不同,说明通电导线在磁场中受力方向与磁场方向有关;比较实验2、4,磁场方向相同,电流方向不同,导体运动方向不同,说明通电导线在磁场中受力方向与电流方向有关。
(2)实验中通过观察导线运动方向,来判断导线在磁场中受力方向,用到的科学方法是转换法;(3)探究影响感应电流方向的因素,为了观察到明显的实验现象,需要用灵敏电流表代替电源来显示产生感应电流的方向。
6.如图是小明“探究导体在磁场中运动时产生感应电流的条件”的实验装置。
(1)闭合开关后,当导体ab向左或向右运动时,电流表指针偏转,当导体ab向上或向下运动时,电流表指针不偏转,说明闭合电路中的部分导体在磁场中做___________运动时导体中会产生感应电流。
(2)实验中发现,当导体ab向左运动时,电流表指针向右,当导体ab向右运动时,电流表指针向左偏转,说明_________________________。
(3)针对这个实验,小明作了进一步的探究,他提出了“感应电流的大小可能与磁场的强弱有关”的猜想,为了验证小明的猜想,请你帮他设计主要的实验步骤:______________。
(4)小明通过上述(3)的实验,发现磁场越强,产生的感应电流越大。
从而小明认为提高发电量的关键在于增强发电机电磁铁的磁性,只要不断增强电磁铁的磁性,就能获得更多的电能,这个观点正确吗?为什么?___________________________。
【答案】切割磁感线感应电流的方向跟导体做切割磁感线运动方向有关主要步骤:改变磁场强弱,让导体AB以相同的速度做切割磁感线运动,观察电流表指针偏转幅度大小不正确。
这个实验中,是将做切割磁感线的导体的机械能转化为电能,增强磁性可以提高能量的转化效率,但并不能使发电机产生多于导体机械能的电能【解析】【详解】(1)如图的实验电路,闭合开关后,当导体ab向左或向右运动时,导体切割磁感线运动,故产生感应电流,电流表指针偏转,当导体ab向上或向下运动时,导体没有做切割磁感线运动,电流表指针不偏转,所以此实验过程说明闭合电路中的部分导体在磁场中做切割磁感线运动时导体中会产生感应电流。
(2)实验中发现,当导体ab向左运动时,电流表指针向右,当导体ab向右运动时,电流表指针向左偏转,可见电流方向的不同与导体切割磁感线运动方向有关,即说明感应电流的方向跟导体做切割磁感线运动方向有关。
(3)要探究“感应电流的大小可能与磁场的强弱有关”,根据控制变量的思想,应保证切割磁感线的运动速度相同,改变磁场的强弱,比较电流表的偏转角度得出结论,所以为了验证小明的猜想,主要的实验步骤为:改变磁场强弱,让导体AB以相同的速度做切割磁感线运动,观察电流表指针偏转幅度大小。
(4)小明的观点是错误的,根据能量守恒定律知,能量不可能凭空产生,电磁感应现象中,电能是由机械能转化而来的,单独增强磁性时,并不能获得更多的电能,所以观点不正确。
7.在探究“影响电磁铁磁性强弱的因素”的实验中,实验室准备的器材有:电源、开关、导线、滑动变阻器、两根完全相同的铁钉、表面绝缘的铜线、大头针若干。
利用上述器材,制成简易电磁铁甲和乙,并设计了如图所示的电路。