材料工艺学考试复习题(附选择题答案)
- 格式:doc
- 大小:34.50 KB
- 文档页数:9
材料成形加工工艺与设备复习题一.选择题1.为了防止铸件过程中浇不足以及冷隔等缺陷产生,可以采用的工程措施有()。
A.减弱铸型的冷却能力;B.增加铸型的直浇口高度;C.提高合金的浇注温度;D.A、B和C;E.A和C。
2.顺序凝固和同时凝固均有各自的优缺点。
为保证铸件质量,通常顺序凝固适合于(),而同时凝固适合于()。
A.吸气倾向大的铸造合金;B.产生变形和裂纹倾向大的铸造合金;C.流动性差的铸造合金;D.产生缩孔倾向大的铸造合金。
3.铸造应力过大将导致铸件产生变形或裂纹。
消除铸件中残余应力的方法是();消除铸件中机械应力的方法是()。
A.采用同时凝XX则;B.提高型、芯砂的退让性;C.及时落砂;D.时效处理。
4.合金的铸造性能主要是指合金的()和()。
A.充型能力;B.流动性;C.收缩;D.缩孔倾向;E.应力大小;F.裂纹倾向。
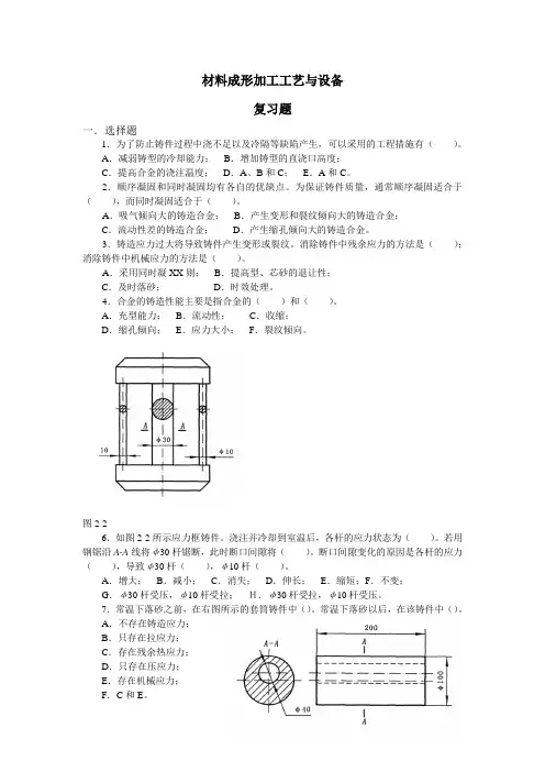
图2-26.如图2-2所示应力框铸件。
浇注并冷却到室温后,各杆的应力状态为()。
若用钢锯沿A-A线将φ30杆锯断,此时断口间隙将()。
断口间隙变化的原因是各杆的应力(),导致φ30杆(),φ10杆()。
A.增大;B.减小;C.消失;D.伸长;E.缩短;F.不变;G.φ30杆受压,φ10杆受拉;H.φ30杆受拉,φ10杆受压。
7.常温下落砂之前,在右图所示的套筒铸件中()。
常温下落砂以后,在该铸件中()。
A.不存在铸造应力;B.只存在拉应力;C.存在残余热应力;D.只存在压应力;E.存在机械应力;F.C和E。
8.铸铁生产中,为了获得珠光体灰口铸铁,可以采用的方法有()。
A.孕育处理;B.适当降低碳、硅含量;C.适当提高冷却速度;D.A、B和C;E.A和C。
9.HTl00、KTH300-06、QT400-18的力学性能各不相同,主要原因是它们的()不同。
A.基体组织;B.碳的存在形式;C.石墨形态;D.铸造性能。
10.灰口铸铁(HT)、球墨铸铁(QT)、铸钢(ZG)三者铸造性能的优劣顺序();塑性的高低顺序为()。
《材料与成型工艺》期末考试试卷附答案一、填空题(共15空,每空2分,共30分)1. 手工造型的主要特点是适应性强、、生产准备时间短和,在成批和中采用机械造型。
2. 常用的特种铸造方法有熔模铸造、、压力铸造、和离心铸造。
3. 铸件的凝固方式是按来划分的,有中间凝固和糊状凝固三种凝固方式。
纯金属和共晶成分的合金是按方式凝固。
4. 铸造合金在凝固过程中的收缩分三个阶段,其中液态收缩和凝固收缩是铸件产生缩孔和缩松的根本原因,而收缩是铸件产生变形、裂纹的根本原因。
5. 铸钢铸造性能差的原因主要是熔点高,流动性差和。
6. 影响合金流动性的内因有,外因包括和黏度和液态合金的温度。
7. 铸造生产的优点是成形方便、和成本低,缺点是、铸件质量不够稳定和。
二、判断题(共10小题,每小题3分,共30分)1. 铸造热应力最终的结论是薄壁或表层受拉。
()2. 铸件的主要加工面和重要的工作面浇注时应朝上。
()3. 冒口的作用是保证铸件的同时冷却。
()4. 铸件上宽大的水平面浇注时应朝下。
()5. 铸造生产特别适合于制造受力较大或受力复杂零件的毛坯。
()6. 收缩较小的灰铸铁可以采用定向(顺序)凝固原则来减少或消除铸造内应力。
()7. 相同的铸件在金属型铸造时,合金的浇注温度应比砂型浇注时低。
()8. 压铸由于熔融金属是在高压下快速充型,合金的流动性很强。
()9. 铸件的分型面应尽量使重要的加工面和加工基准面在同一砂箱内,以保证铸件精度。
()10.采用震击紧实法紧实砂型时,砂型下层的紧实度小于上层的紧实度。
()三、选择题(共10小题,每小题3分,共30分)1、形状复杂的高熔点难切削合金精密铸件的铸造应采用()A 金属型铸造B 熔模铸造C 压力铸造2、铸造时冒口的主要作用是()A 增加局部冷却速度B 补偿热态金属,排气及集渣C 提高流动性3、下列易产生集中缩孔的合金成分是()A 0.77%CB 球墨铸铁C 4.3%C4、下列哪种铸造方法生产的铸铁不能进行热处理,也不适合在高温下使用()A 金属型铸造B 压力铸造C 熔模铸造5、为了消除铸造热应力,在铸造工艺上应保证()A 顺序凝固B 同时凝固C 内浇口开在厚壁处6、直浇口的主要作用是()A 形成压力头,补缩B 排气C 挡渣7、在各种铸造方法中,砂型铸造对铸造合金种类的要求是()A 以碳钢、合金钢为主B 以黑色金属和铜合金为主C 能适用于各种铸造合金8、制造模样时,模样的尺寸应比零件大一个()A 铸件材料的收缩量B 机械加工余量C 铸件材料的收缩量+机械加工余量9、下列零件适合于铸造生产的有()A 车窗上进刀手轮B 螺栓C 自行车中轴10、普通车床床身浇注时,导轨面应()A 朝上B 朝下C 朝左侧四、名词解释(共2小题,每小题5分,共10分)1.铸造:2.热应力:材料与成型工艺参考答案:一、填空题1.设备简单成本低大量生产2.金属型铸造低压铸造3.凝固区域宽度大小逐层凝固逐层4.固态5.收缩大6.液态合金的化学成分液态合金的导热系数7.适应性强铸件力学性能较低废品率高二、判断错错错对错错错对对错三、单选BBCBB ACCAB四、名词解释1.铸造:将液态金属浇注到与零件的形状相适应的铸型型腔中冷却后获得铸件的方法。
1. 下列哪种材料属于金属材料?A. 聚乙烯B. 硅C. 铜D. 玻璃2. 晶体材料的特性之一是具有:A. 各向同性B. 各向异性C. 无定形结构D. 非晶态3. 下列哪种加工技术适用于金属材料的成型?A. 注塑成型B. 锻造C. 挤出成型D. 吹塑成型4. 热处理工艺中,淬火的主要目的是:A. 提高材料的硬度B. 降低材料的硬度C. 增加材料的韧性D. 减少材料的韧性5. 下列哪种材料具有最高的导电性?A. 铜B. 铝C. 铁D. 锌6. 聚合物材料的主要特点是:A. 高强度B. 低密度C. 高熔点D. 高导热性7. 下列哪种加工方法适用于陶瓷材料的成型?A. 铸造B. 注塑C. 压制D. 挤压8. 复合材料的主要优点是:A. 单一性能B. 综合性能C. 低成本D. 易加工9. 下列哪种材料属于无机非金属材料?A. 钢B. 铝C. 玻璃D. 聚氯乙烯10. 材料的选择主要考虑的因素包括:A. 成本B. 性能C. 加工性D. 以上都是11. 下列哪种材料具有最高的耐腐蚀性?A. 不锈钢B. 碳钢C. 铝合金D. 铜合金12. 热塑性塑料与热固性塑料的主要区别在于:A. 热塑性塑料可以多次加热成型B. 热固性塑料可以多次加热成型C. 两者都可以多次加热成型D. 两者都不可以多次加热成型13. 下列哪种加工技术适用于塑料材料的成型?A. 锻造B. 注塑成型C. 铸造D. 热处理14. 材料科学与工程的核心内容包括:A. 材料的结构B. 材料的性能C. 材料的加工D. 以上都是15. 下列哪种材料具有最高的耐热性?A. 铜B. 铝C. 陶瓷D. 钢16. 材料的疲劳性能主要与什么有关?A. 材料的硬度B. 材料的韧性C. 材料的循环应力D. 材料的导电性17. 下列哪种材料属于高分子材料?A. 铜B. 铝C. 聚乙烯D. 钢18. 材料的断裂韧性是指:A. 材料抵抗断裂的能力B. 材料抵抗变形的能力C. 材料抵抗腐蚀的能力D. 材料抵抗磨损的能力19. 下列哪种加工技术适用于复合材料的成型?A. 注塑成型B. 压制成型C. 铸造D. 热处理20. 材料的硬度测试通常使用哪种方法?A. 拉伸试验B. 冲击试验C. 硬度试验D. 疲劳试验21. 下列哪种材料具有最高的弹性模量?A. 铜B. 铝C. 钢D. 聚乙烯22. 材料的塑性变形主要与什么有关?A. 材料的硬度B. 材料的韧性C. 材料的晶体结构D. 材料的导电性23. 下列哪种材料属于半导体材料?A. 铜B. 铝C. 硅D. 聚乙烯24. 材料的耐磨性主要与什么有关?A. 材料的硬度B. 材料的韧性C. 材料的导电性D. 材料的耐腐蚀性25. 下列哪种加工技术适用于玻璃材料的成型?A. 锻造B. 注塑成型C. 压制成型D. 热处理26. 材料的导热性主要与什么有关?A. 材料的晶体结构B. 材料的密度C. 材料的导电性D. 材料的硬度27. 下列哪种材料具有最高的耐冲击性?A. 铜B. 铝C. 钢D. 聚乙烯28. 材料的腐蚀性能主要与什么有关?A. 材料的硬度B. 材料的韧性C. 材料的化学成分D. 材料的导电性29. 下列哪种加工技术适用于金属材料的连接?A. 焊接B. 注塑成型C. 铸造D. 热处理30. 材料的电阻率主要与什么有关?A. 材料的晶体结构B. 材料的密度C. 材料的导电性31. 下列哪种材料具有最高的耐化学腐蚀性?A. 不锈钢B. 碳钢C. 铝合金D. 铜合金32. 材料的疲劳极限主要与什么有关?A. 材料的硬度B. 材料的韧性C. 材料的循环应力D. 材料的导电性33. 下列哪种材料属于生物材料?A. 铜B. 铝C. 聚乙烯D. 生物陶瓷34. 材料的耐热性主要与什么有关?A. 材料的硬度B. 材料的韧性C. 材料的化学成分D. 材料的导电性35. 下列哪种加工技术适用于金属材料的表面处理?A. 电镀B. 注塑成型C. 铸造D. 热处理36. 材料的磁性主要与什么有关?A. 材料的晶体结构B. 材料的密度C. 材料的导电性D. 材料的化学成分37. 下列哪种材料具有最高的耐磨性?A. 铜B. 铝C. 钢D. 聚乙烯38. 材料的耐腐蚀性主要与什么有关?B. 材料的韧性C. 材料的化学成分D. 材料的导电性39. 下列哪种加工技术适用于塑料材料的连接?A. 焊接B. 注塑成型C. 粘接D. 热处理40. 材料的导电性主要与什么有关?A. 材料的晶体结构B. 材料的密度C. 材料的化学成分D. 材料的硬度41. 下列哪种材料具有最高的耐冲击性?A. 铜B. 铝C. 钢D. 聚乙烯42. 材料的腐蚀性能主要与什么有关?A. 材料的硬度B. 材料的韧性C. 材料的化学成分D. 材料的导电性43. 下列哪种加工技术适用于金属材料的连接?A. 焊接B. 注塑成型C. 铸造D. 热处理44. 材料的电阻率主要与什么有关?A. 材料的晶体结构B. 材料的密度C. 材料的导电性D. 材料的硬度45. 下列哪种材料具有最高的耐化学腐蚀性?A. 不锈钢B. 碳钢C. 铝合金46. 材料的疲劳极限主要与什么有关?A. 材料的硬度B. 材料的韧性C. 材料的循环应力D. 材料的导电性47. 下列哪种材料属于生物材料?A. 铜B. 铝C. 聚乙烯D. 生物陶瓷48. 材料的耐热性主要与什么有关?A. 材料的硬度B. 材料的韧性C. 材料的化学成分D. 材料的导电性49. 下列哪种加工技术适用于金属材料的表面处理?A. 电镀B. 注塑成型C. 铸造D. 热处理50. 材料的磁性主要与什么有关?A. 材料的晶体结构B. 材料的密度C. 材料的导电性D. 材料的化学成分51. 下列哪种材料具有最高的耐磨性?A. 铜B. 铝C. 钢D. 聚乙烯52. 材料的耐腐蚀性主要与什么有关?A. 材料的硬度B. 材料的韧性C. 材料的化学成分D. 材料的导电性53. 下列哪种加工技术适用于塑料材料的连接?B. 注塑成型C. 粘接D. 热处理54. 材料的导电性主要与什么有关?A. 材料的晶体结构B. 材料的密度C. 材料的化学成分D. 材料的硬度55. 下列哪种材料具有最高的耐冲击性?A. 铜B. 铝C. 钢D. 聚乙烯56. 材料的腐蚀性能主要与什么有关?A. 材料的硬度B. 材料的韧性C. 材料的化学成分D. 材料的导电性57. 下列哪种加工技术适用于金属材料的连接?A. 焊接B. 注塑成型C. 铸造D. 热处理58. 材料的电阻率主要与什么有关?A. 材料的晶体结构B. 材料的密度C. 材料的导电性D. 材料的硬度59. 下列哪种材料具有最高的耐化学腐蚀性?A. 不锈钢B. 碳钢C. 铝合金D. 铜合金60. 材料的疲劳极限主要与什么有关?A. 材料的硬度B. 材料的韧性C. 材料的循环应力D. 材料的导电性61. 下列哪种材料属于生物材料?A. 铜B. 铝C. 聚乙烯D. 生物陶瓷62. 材料的耐热性主要与什么有关?A. 材料的硬度B. 材料的韧性C. 材料的化学成分D. 材料的导电性63. 下列哪种加工技术适用于金属材料的表面处理?A. 电镀B. 注塑成型C. 铸造D. 热处理64. 材料的磁性主要与什么有关?A. 材料的晶体结构B. 材料的密度C. 材料的导电性D. 材料的化学成分答案1. C2. B3. B4. A5. A6. B7. C8. B9. C10. D11. A12. A13. B14. D15. C16. C17. C18. A19. B20. C21. C22. C23. C24. A25. C26. A27. D28. C29. A30. C31. A32. C33. D34. C35. A36. D37. C38. C39. C40. C41. D42. C43. A44. C45. A46. C47. D48. C49. A50. D51. C52. C53. C54. C55. D56. C57. A58. C59. A60. C61. D62. C63. A64. D。
无机材料工艺学考试试题库说明:名词解释:考核基本概念、基本知识掌握的情况应用:考核实际应用能力和知识面选择:考核灵活运用知识的能力。
也可同判断、填空结合在一起选其一,辨析:考核分析问题和解决问题能力填空:考核掌握知识的牢固准确程度简答:考核基本理论掌握的情况应用分析:考核实际应用能力和综合分析问题和解决问题能力综合能力计算:考核专业知识和基本理论方法掌握的情况2007年题库出题:题型:名词解释:10分(每小题2分,共5小题10分)应用:8分(每小题2分,共4小题8分)选择:10分(每小题1分,共10小题10分)辨析:30分(每小题2分,共15小题30分)简答:32分(每小题4分,共8小题32分)应用分析:10分(每小题10分,共1小题10分)计算:8分(每小题8分,共1小题8分)填空:10分(每小题2分,共5小题10分)比例:第一部分原料10%第二部分粉体制备10%第三部分熔化10%第四部分成型10%第五部分干燥煅烧15%第六部分水泥混凝土20%第七部分玻璃10%第八部分陶瓷10%第九部分耐火环保5%2007年题库出题后手工调整:第一套题第二套题第三套题基本概念:10分基本概念:10分基本概念:10分辨析:30分辨析:30 辨析:30分选择:10分选择:10 选择:10分简答:32分简答:32 简答:28分应用分析:10分应用分析:10分填空:12分计算:8分计算:8分应用:10分12008年题库出题:第一套题第二套题第三套题基本概念:10分基本概念:10分基本概念:10分辨析:30分辨析:30 辨析:30分选择:10分填空:18分选择:10分简答:32分简答:24 简答:28分应用分析:10分应用分析:10分填空:12分计算:8分计算:8分应用:10分出题参数设置:名词解释辨析选择填空简答应用分析计算应用原料(%):10 10 10 10粉体制备(%):10 10 10 10熔化(%):10 10 10 10成型(%):干燥煅烧(%):15 10 10 10水泥混凝土(%):20 20 20 20玻璃(%):10 15 15 15陶瓷(%):10 10 10 10耐火材料(%): 5 5 5 5各题分值:名词解释:每小题2分辨析:每小题2分选择:每小题2分简答:每小题4分填空:每小题2分应用:每小题2分应用分析:每小题5分计算:每小题8分2009年题库出题(手出题):第一套题第二套题第三套题基本概念:16分基本概念:16分基本概念:14分辨析:16分辨析:16 辨析:20分选择:10分选择:10分选择:10分简答:32分简答:32 简答:36分应用分析:18分应用分析:18分填空:12分计算:8分计算:8分应用:8分出题参数设置:名词解释辨析选择填空简答应用分析计算应用原料(%): 2 2 2 4 0 4 2粉体制备(%): 2 2 2 4 0 0 2熔化(%): 2 2 2 4 6 0 0成型(%): 2 4 2 4 0 0 2干燥煅烧(%): 2 2 4 4 6 0 0水泥混凝土(%): 2 4 2 8 0 0玻璃(%): 2 2 2 8 6 0 2陶瓷(%): 2 2 4 4 0 4 0耐火材料(%): 2 0 0 0 0 0 0各题分值:名词解释:每小题2分辨析:每小题2分选择:每小题2分简答:每小题4分填空:每小题2分应用:每小题2分应用分析:每小题6分计算:每小题8分2010年题库出题(手出题):第一套题第二套题第三套题基本概念:16分基本概念:16分基本概念:14分辨析:16分辨析:16 辨析:20分选择:10分选择:10分选择:10分简答:32分简答:32 简答:36分应用分析:18分应用分析:18分填空:12分计算:8分计算:8分应用:8分出题参数设置:名词解释辨析选择填空简答应用分析计算应用原料(%): 2 2 2 4 0 4 2粉体制备(%): 2 2 2 4 0 0 2熔化(%): 2 2 2 4 6 0 0成型(%): 2 4 2 4 0 0 2干燥煅烧(%): 2 2 4 4 6 0 0水泥混凝土(%): 2 4 2 8 0 0 0玻璃(%): 2 2 2 8 6 0 2陶瓷(%): 2 2 4 4 0 4 0耐火材料(%): 2 0 0 0 0 0 0各题分值:名词解释:每小题2分辨析:每小题2分选择:每小题2分简答:每小题4分填空:每小题2分应用:每小题2分应用分析:每小题6分计算:每小题8分2一、名词解释(每小题2分,共5小题10分)1、塑性指数2、厚化度3、热功能玻璃4、特种玻璃又叫新型玻璃5、脱离角6、临界转速7、循环负荷比8、热点9、泡界线10、澄清11、玻璃分相12、流动曲线13、应力曲线14、应变曲线15、蠕变曲线16、松弛曲线17、触变性18、长性玻璃19、重热20、生物功能玻璃21、暂时应力22、热应力23、永久应力24、退火温度范围25、气硬性胶凝材料26、水硬性胶凝材料27、率值28、石灰饱和系数29、硅率或硅酸率30、铝率31、水硬率32、Alite、A矿、阿利特33、Blite、B矿、贝利特34、水泥熟料烧结范围35、水化程度36、水化速率37、平衡水分38、悬浮预热器39、一次空气40、二次空气41、三次空气342、强度保证率43、重建型转变44、位移型转变45、物理脱色46、化学脱色47、氧化剂48、还原剂50、饱和面干状态51、和易性52、化学收缩53、碱活性骨料54、无机非金属材料55、可塑成形56、烧成57、煅烧58、成形能力59、湿扩散60、热扩散61、底火62、普通煅烧法(白生料法)63、全黑生料法64、差热煅烧法65、流动性66、粘聚性67、保水性68、立方体抗压强度标准值69、砂率70、混凝土的碱-骨料反应72、抗冻性73、表面活性剂林蔚:74、耐火材料75、耐火度76、荷重软化温度77、高温体积稳定性78、耐热震性79、抗渣性80、硅酸铝质耐火材料81、硅质耐火材料82 色料483 普通陶瓷84、粘土质耐火材料85、高铝质耐火材料86、刚玉质耐火材料87、镁质耐火材料88、切割89、热反射玻璃90、表面导电玻璃91、电功能玻璃92、短性玻璃93、釉94、镁碳砖95、熔铸耐火材料96、电熔法97、铝热法98、熔铸莫来石耐火材料99、熔铸锆刚玉耐火材料100、轻质耐火材料101、淬火温度102、淬火曲线103、冷加工104、耐火纤维105、不定形耐火材料106、浇注料107、可塑耐火材料108、捣打料109、喷射料110、投射料111、耐火泥巴学巍:112、二次退火113、澄清剂114、玻璃的熔制115、玻璃的退火116、硼反常性117、玻璃118、一次气泡119、着色剂120、一次退火121、玻璃的分相122、失透123、配合料结石124、逆性玻璃5 125、混合碱效应126、均匀成核又称本征成核或自发成核。
轮机工程材料习题参考答案(选择题已经校对过)一、材料工艺学部分1、C2、A3、C4、A B E F5、A6、B7、A8、A9、B 10、A11、B 12、B 13、B 14、B 15、D16、B 17、C18.B 19.D 20.D21、D 22、B23.C 24.C 25.B26、D27、C28. D、E、G 29.C 30.A、E、F31、C32、C33.D 34.A、B、D、F 35. C 、F、H36、D37、C38.A 39.C 40.A41、D42.B 43.C 44.D 45.A,C,D,G46、B47.D 48.B 49.D 50.(B) (H)51、(D)(E) 52.B 53.C 54.A、D 55.B56、B57.D 58.D 59.D 60.B、G61、D62.D 63.C 64.B 65.A、C66、C67.C 68.B 69.C 70.D71、C72.C 73.C 74.C 75.B76、C77.B 78.D 79.D 80.D81、B82.B 83.B 84.D 85.C86、C87.D 88.B 89.C 90.C91、B92.B 93.B 94.B 95.B96、B 97.B 98.A 99.C 100.B101、A102.D 103.C 104.C 105.C、D106、B、E 107.C 108.(B) (F) 109.D 110.D,F111、C112.C 113.D 114.D 115.D116、C117.D 118.C 119.A 120.D121、B122. C 123.C 124.B 125.D126、D127.B 128.A 129.A 130.C131、C132.B 133.D 134、C D F 135、A B C136、A,C 137、A,B,C,D,E 138.B 139.C 140.(C,H,L,N), (B,J,M), (F,J,M), (I,J,M), (E,J,N), (H,D,M), (A,J,0), (J,K,M), (H,M), (G,M)141、C142.B,C,E 143.B 144.B,C,D 145.C,E,F146、A147.A,B,D,E,F 148.B 149.A 150.B151、C,D,F,G152.A 153.B 154.D 155.D156、A157.C 158.C 159.A 160.C161、C162.C 163.B,E,F,H,I 164.C 165.A166、C167.B 168.D 169.B 170.D171、B172.A 173.B 174.B,E 175.A,C,D,F176、C177.C 178.C 179.B 180.B181、B,C 182.A 183.A 184.D 185.B186、A187.C 188.B 189.C 190.B,C,E191、B,C,D 192.D 193.(D) (B) 194.D 195.D,I,K196、B,E 197.D,G 198.C 199.(C)(A)(D)(B) 200.A201、B202.D 203.D 204.A 205.D206、A,D,E,F207.B 208.A 209.D 210.D211、D212.C 213.B 214.D 215.C216、C217.C 218.A 219.D 220.A,E221、C222.C 223.A,C,E二、填空题:1.(气体状态)(液体状态)(固体状态)(气体状态)2.(金属材料)(陶瓷材料)(高分子材料)(复合材料)3.(σs/σb)(σs较小,工作可靠性大,可避免由于超载面突然断裂的危险)4.(蠕变)(在500℃下工作10000h,产生0.1%的变形量时的最大应力为57MPa)5.(铸造法)(锻造法)(焊接法)(粉末冶金法)(冲压法)6.(流动性)(收缩性)(偏析);(塑性)(变形抗力);(淬透性)(淬硬性)(晶粒长大倾向)(回火脆性)7.(原子之间相互作用力平衡的结果)8.(点缺陷)(线缺陷)(面缺陷)9.(金属表面抵抗局部塑性变形的能力)(布氏硬度)(洛氏硬度)(维氏硬度)(显微硬度)10.(化学成分)(内部微观成分)11.(1.较大的过冷度;2.孕育处理;3.电磁搅动、机械振动、超声波等方法增强金属夜的运动)12.(体心立方、面心里放、密排立方)(0.68,0.74,0.74)13.(理论结晶温度与实际结晶温度的差值);(越大)(过冷度)14.(有进程有序状态过渡到长程有序状态)15.(固体)(成核与长大);(发生)(没有)(大)16.(溶质溶于溶剂中,使固溶体的强度,硬度升高的现象)17.(高熔点)(高硬度)(高脆性)18.(合金二组元在液、固态下无限互溶,冷却时在一定温度范围内不断自液相中结晶出单一固溶体的过程)19.(在一定温度下,由一定成分的液相同时结晶出成分一定的两个固相的转变过程)20.(一定成分的固相,在一定温度下同时转变成两个成分一定的固相的过程)21.(形态)(减少)(增加)(提高)(0.9%)(最大值)(网)(Fe3CⅡ)(增加)(降低)22.(增加)(降低)(降低)23.(低于固相线100~200℃);(稍高于GS线)(奥氏体在变形终了后的冷却中晶粒长大)[塑性降低而锻裂或轧裂(会产生大量铁素体,形成带状组织。
1. 在金属材料的热处理过程中,淬火的主要目的是什么?A. 提高硬度B. 提高韧性C. 提高导电性D. 提高耐腐蚀性2. 下列哪种材料成型方法属于塑性加工?A. 铸造B. 锻造C. 粉末冶金D. 焊接3. 冷加工对金属材料的性能有何影响?A. 提高硬度和强度B. 降低硬度和强度C. 提高导电性D. 提高耐腐蚀性4. 下列哪种材料成型方法适用于生产复杂形状的零件?A. 铸造B. 锻造C. 挤压D. 切割5. 在塑料成型过程中,注塑成型适用于哪种材料?A. 金属B. 塑料C. 陶瓷D. 玻璃6. 下列哪种材料成型方法属于非金属材料成型?A. 铸造B. 锻造C. 注塑成型D. 焊接7. 在金属材料的加工过程中,退火的主要目的是什么?A. 提高硬度B. 提高韧性C. 降低硬度D. 提高耐腐蚀性8. 下列哪种材料成型方法适用于大批量生产?A. 铸造B. 锻造C. 注塑成型D. 手工制作9. 在金属材料的加工过程中,正火的主要目的是什么?A. 提高硬度B. 提高韧性C. 提高导电性D. 提高耐腐蚀性10. 下列哪种材料成型方法属于粉末冶金?A. 铸造B. 锻造C. 挤压D. 烧结11. 在塑料成型过程中,吹塑成型适用于哪种材料?A. 金属B. 塑料C. 陶瓷D. 玻璃12. 下列哪种材料成型方法属于金属材料成型?A. 铸造B. 注塑成型C. 吹塑成型D. 压铸成型13. 在金属材料的加工过程中,时效处理的主要目的是什么?A. 提高硬度B. 提高韧性C. 提高导电性D. 提高耐腐蚀性14. 下列哪种材料成型方法适用于生产大型零件?A. 铸造B. 锻造C. 注塑成型D. 手工制作15. 在金属材料的加工过程中,回火的主要目的是什么?A. 提高硬度B. 提高韧性C. 降低硬度D. 提高耐腐蚀性16. 下列哪种材料成型方法属于非金属材料成型?A. 铸造B. 锻造C. 注塑成型D. 焊接17. 在塑料成型过程中,挤出成型适用于哪种材料?A. 金属B. 塑料C. 陶瓷D. 玻璃18. 下列哪种材料成型方法属于金属材料成型?A. 铸造B. 注塑成型C. 吹塑成型D. 压铸成型19. 在金属材料的加工过程中,渗碳处理的主要目的是什么?A. 提高硬度B. 提高韧性C. 提高导电性D. 提高耐腐蚀性20. 下列哪种材料成型方法适用于生产小型零件?A. 铸造B. 锻造C. 注塑成型D. 手工制作21. 在金属材料的加工过程中,氮化处理的主要目的是什么?A. 提高硬度B. 提高韧性C. 提高导电性D. 提高耐腐蚀性22. 下列哪种材料成型方法属于非金属材料成型?A. 铸造B. 锻造C. 注塑成型D. 焊接23. 在塑料成型过程中,压塑成型适用于哪种材料?A. 金属B. 塑料C. 陶瓷D. 玻璃24. 下列哪种材料成型方法属于金属材料成型?A. 铸造B. 注塑成型C. 吹塑成型D. 压铸成型25. 在金属材料的加工过程中,镀铬处理的主要目的是什么?A. 提高硬度B. 提高韧性C. 提高导电性D. 提高耐腐蚀性26. 下列哪种材料成型方法适用于生产复杂形状的零件?A. 铸造B. 锻造C. 注塑成型D. 手工制作27. 在金属材料的加工过程中,镀锌处理的主要目的是什么?A. 提高硬度B. 提高韧性C. 提高导电性D. 提高耐腐蚀性28. 下列哪种材料成型方法属于非金属材料成型?A. 铸造B. 锻造C. 注塑成型D. 焊接29. 在塑料成型过程中,热成型适用于哪种材料?A. 金属B. 塑料C. 陶瓷D. 玻璃30. 下列哪种材料成型方法属于金属材料成型?A. 铸造B. 注塑成型C. 吹塑成型D. 压铸成型31. 在金属材料的加工过程中,镀镍处理的主要目的是什么?A. 提高硬度B. 提高韧性C. 提高导电性D. 提高耐腐蚀性32. 下列哪种材料成型方法适用于生产大型零件?A. 铸造B. 锻造C. 注塑成型D. 手工制作33. 在金属材料的加工过程中,镀铜处理的主要目的是什么?A. 提高硬度B. 提高韧性C. 提高导电性D. 提高耐腐蚀性34. 下列哪种材料成型方法属于非金属材料成型?A. 铸造B. 锻造C. 注塑成型D. 焊接35. 在塑料成型过程中,真空成型适用于哪种材料?A. 金属B. 塑料C. 陶瓷D. 玻璃36. 下列哪种材料成型方法属于金属材料成型?A. 铸造B. 注塑成型C. 吹塑成型D. 压铸成型37. 在金属材料的加工过程中,镀锡处理的主要目的是什么?A. 提高硬度B. 提高韧性C. 提高导电性D. 提高耐腐蚀性38. 下列哪种材料成型方法适用于生产小型零件?A. 铸造B. 锻造C. 注塑成型D. 手工制作39. 在金属材料的加工过程中,镀金处理的主要目的是什么?A. 提高硬度B. 提高韧性C. 提高导电性D. 提高耐腐蚀性40. 下列哪种材料成型方法属于非金属材料成型?A. 铸造B. 锻造C. 注塑成型D. 焊接41. 在塑料成型过程中,压缩成型适用于哪种材料?A. 金属B. 塑料C. 陶瓷D. 玻璃42. 下列哪种材料成型方法属于金属材料成型?A. 铸造B. 注塑成型C. 吹塑成型D. 压铸成型43. 在金属材料的加工过程中,镀银处理的主要目的是什么?A. 提高硬度B. 提高韧性C. 提高导电性D. 提高耐腐蚀性44. 下列哪种材料成型方法适用于生产复杂形状的零件?A. 铸造B. 锻造C. 注塑成型D. 手工制作45. 在金属材料的加工过程中,镀铝处理的主要目的是什么?A. 提高硬度B. 提高韧性C. 提高导电性D. 提高耐腐蚀性46. 下列哪种材料成型方法属于非金属材料成型?A. 铸造B. 锻造C. 注塑成型D. 焊接47. 在塑料成型过程中,旋转成型适用于哪种材料?A. 金属B. 塑料C. 陶瓷D. 玻璃48. 下列哪种材料成型方法属于金属材料成型?A. 铸造B. 注塑成型C. 吹塑成型D. 压铸成型49. 在金属材料的加工过程中,镀铅处理的主要目的是什么?A. 提高硬度B. 提高韧性C. 提高导电性D. 提高耐腐蚀性50. 下列哪种材料成型方法适用于生产大型零件?A. 铸造B. 锻造C. 注塑成型D. 手工制作51. 在金属材料的加工过程中,镀铂处理的主要目的是什么?A. 提高硬度B. 提高韧性C. 提高导电性D. 提高耐腐蚀性52. 下列哪种材料成型方法属于非金属材料成型?A. 铸造B. 锻造C. 注塑成型D. 焊接53. 在塑料成型过程中,流延成型适用于哪种材料?A. 金属B. 塑料C. 陶瓷D. 玻璃54. 下列哪种材料成型方法属于金属材料成型?A. 铸造B. 注塑成型C. 吹塑成型D. 压铸成型55. 在金属材料的加工过程中,镀钯处理的主要目的是什么?A. 提高硬度B. 提高韧性C. 提高导电性D. 提高耐腐蚀性56. 下列哪种材料成型方法适用于生产小型零件?A. 铸造B. 锻造C. 注塑成型D. 手工制作57. 在金属材料的加工过程中,镀铑处理的主要目的是什么?A. 提高硬度B. 提高韧性C. 提高导电性D. 提高耐腐蚀性58. 下列哪种材料成型方法属于非金属材料成型?A. 铸造B. 锻造C. 注塑成型D. 焊接59. 在塑料成型过程中,压延成型适用于哪种材料?A. 金属B. 塑料C. 陶瓷D. 玻璃60. 下列哪种材料成型方法属于金属材料成型?A. 铸造B. 注塑成型C. 吹塑成型D. 压铸成型61. 在金属材料的加工过程中,镀钌处理的主要目的是什么?A. 提高硬度B. 提高韧性C. 提高导电性D. 提高耐腐蚀性62. 下列哪种材料成型方法适用于生产复杂形状的零件?A. 铸造B. 锻造C. 注塑成型D. 手工制作63. 在金属材料的加工过程中,镀铱处理的主要目的是什么?A. 提高硬度B. 提高韧性C. 提高导电性D. 提高耐腐蚀性64. 下列哪种材料成型方法属于非金属材料成型?A. 铸造B. 锻造C. 注塑成型D. 焊接答案:1. A2. B3. A4. A5. B6. C7. C8. C9. A10. D11. B12. A13. B14. A15. B16. C17. B18. A19. A20. C21. A22. C23. B24. A25. D26. C27. D28. C29. B30. A31. D32. A33. C34. C35. B36. A37. D38. C39. D40. C41. B42. A43. C44. C45. D46. C47. B48. A49. D50. A51. D52. C53. B54. A55. D56. C57. D58. C59. B60. A61. D62. C63. D64. C。
材料工艺学复习题材料工艺学复习题材料工艺学是工程领域中一个重要的学科,它涉及到材料的选择、加工和性能等方面。
在工程实践中,材料的选择和加工工艺对于产品的性能和质量至关重要。
为了更好地复习材料工艺学,下面将给出一些复习题,帮助大家巩固知识。
1. 什么是材料工艺学?材料工艺学是研究材料的制备、加工和性能等方面的学科。
它包括材料的选择、加工工艺的设计和优化,以及材料性能的测试和评估等内容。
2. 材料的选择是什么意思?材料的选择是指根据产品的需求和使用环境,从各种材料中选择出最适合的材料。
选择材料时需要考虑其物理性质、化学性质、机械性能、耐久性等因素。
3. 材料的加工工艺有哪些?材料的加工工艺包括锻造、铸造、焊接、热处理、表面处理等多种方法。
不同的材料和产品需要采用不同的加工工艺,以达到所需的形状、尺寸和性能。
4. 什么是热处理?热处理是指通过加热和冷却的方式改变材料的组织结构和性能。
常见的热处理方法包括退火、淬火、回火等。
热处理可以提高材料的硬度、强度和耐腐蚀性能。
5. 为什么要进行表面处理?表面处理是为了改善材料的表面性能,增加材料的耐磨性、耐腐蚀性和装饰性。
常见的表面处理方法包括电镀、喷涂、阳极氧化等。
6. 什么是材料的性能测试?材料的性能测试是通过实验和测试方法来评估材料的物理性质、化学性质和机械性能等。
常见的测试方法包括拉伸试验、冲击试验、硬度测试等。
7. 为什么要对材料的性能进行评估?材料的性能评估可以帮助工程师选择合适的材料,确保产品的性能和质量。
评估材料的性能还可以为材料的改进和优化提供参考。
8. 材料的选择和加工工艺对产品有什么影响?材料的选择和加工工艺直接影响产品的性能和质量。
选择合适的材料可以提高产品的强度、硬度和耐腐蚀性能;合理的加工工艺可以保证产品的尺寸和形状的精度。
9. 如何选择合适的材料?选择合适的材料需要考虑产品的使用环境、功能要求和经济性等因素。
同时,还需要了解不同材料的特性和性能,进行综合评估和比较。
1 充型能力的影响因素金属的流动性浇注条件铸型填充能力2 浇口杯的作用承接金属液防止和溢出减轻液流对型腔的冲击分离溶渣和气泡防止进入型腔增加充型压力头3 横浇道的作用(1)横浇道的稳流作用:收缩式浇注系统扩张式浇注系统(2)横浇道的流量分配作用:远离直浇道的流量大流量不均匀性克服不均匀性的措施:对称设置内浇道;横浇道断面沿液流方向逐渐缩小;设置浇口窝;采用不同断面内浇道。
(3)横浇道的排渣作用浇注系统主要排渣单元4冒口补缩的条件和要求1)冒口的凝固时间应大于或等于铸件(被补缩部分)的凝固时间。
2)冒口应有足够大的体积,以保证有足够的金属液补充铸件的液态收缩和凝固收缩3)在铸件整个凝固的过程中,冒口与被补缩部位之间的补缩通道应该畅通。
即使扩张角始终向着冒口。
5 浇注位置选择的原则①铸件的重要加工面应朝下或位于侧面:②铸件宽大平面应朝下:③面积较大的薄壁部分应置于铸型下部或垂直:④易形成缩孔的铸件,较厚部分置于上部或侧面:⑤应尽量减少型蕊的数量:⑥要便于安放型蕊、固定和排气:6 湿型砂的组成及性能要求原砂(或旧砂)100 粘土(膨润土)1-5% 煤粉少于8% 水分少于6% 以及其它附加物1) 紧实率和含水量湿型砂不可太干,因为干的型砂虽然流动性极好,但是型砂中膨润土未被充分润湿,性能较为干脆,起模困难,砂型易碎,表面的耐磨强度低,铸件容易生成砂孔和冲蚀缺陷。
型砂也不可太湿,否则型砂太粘,造型时型砂容易在砂斗中搭桥和降低造型流动性,还易使铸件产生针孔、气孔、呛火、水爆炸、夹砂、粘砂等缺陷。
一是紧实率,代表型砂的手感干湿程度;另一是含水量,代表型砂的实际水分含量。
2_) 透气率砂型的排气能力除了靠冒口和排气孔来提高以外,更要靠型砂的透气率。
因此砂型的透气率不可过低,以免浇注过程中发生呛火和铸件产生气孔缺陷。
3) 常温湿态强度湿型砂必须具备一定强度以承受各种外力的作用。
4)湿压强度一般而言,欧洲铸造行业对铸铁用高密度造型型砂的的湿压强度值要求较高。
材料工艺学复习题一、选择题1.普通纸面石膏板厚度是〔〕A.1.2厘米B.1.0厘米C.0.95厘米D.0.75厘米2.现代建筑中常用的线管及水管主要材料为〔〕A.橡胶材料B.陶瓷材料C.塑料材料D.木质材料3.石材地面的铺贴顺序为〔〕A.清理基层—选料弹线—摊铺水泥砂浆—铺贴—灌浆清理—养护B.清理基层—找平弹线—板材洒水—铺贴标准块—摊铺水泥砂浆—铺贴—灌浆清理—养护C.清理基层—找平弹线—摊铺水泥砂浆—铺贴—板材洒水—灌浆清理—养护D.清理基层—铺贴标准块—找平弹线—摊铺水泥砂浆—铺贴—灌浆清理—养护4.玻璃是以〔〕、纯碱、石灰石等无机氧化物为主要原料,与某些辅助性原料经高温熔融,成型后经过冷却而成的固体。
A.碎玻璃B. 石英砂C.氧化钠D.氧化硅5.宜兴紫砂壶属于什么材料〔〕A.陶器B.瓷器C.无釉细炻器D.复合陶器6.钢化玻璃可以分为物理钢化与〔〕A.冷热钢化B.化学钢化C.强化钢化D.特殊钢化7.黄铜为铜与〔〕的合金体A.锌B.镍C.铝D.金8.通常所说的PVC材料就是( )A. 聚苯乙烯B. 聚氯乙烯C. 聚乙烯D.聚酰胺9.复合强化地板外表的耐磨层主要含有 ( )A.三氧化二铝B. 酚醛树脂C.氧化钠D.碳化钠10.复合强化木地板首先是具有很高的耐磨性,外表耐磨耗为普通油漆木地板的〔〕倍。
A.5-10B.10-30C.30-50D.5011.墙纸制止在〔〕处拼缝A.阴角B.阳角C.石膏板缝D.材料拼接处12.有机玻璃板材,俗称有机玻璃。
它是一种具有极好透光率的热塑性塑料。
以下哪个不是有机玻璃的属性〔〕A. 透光性极好B. 质地较脆C. 抗寒性及耐候性都较好D.机械强度很高13. 钢材外表通常通过何种处理防锈〔〕A.镀锌B.镀镍C.镀铬D.镀铜14. 以下哪个不属于合成纤维的是〔〕A. 涤纶B.锦纶C. 腈纶D. 人造丝15. 以下何种地面需要铺设龙骨安装〔〕A.复合地板B.塑料地板C.实木地板D.羊毛地毯16.以下哪个是实木地板进口树种的〔〕A.榉木B.柞木C.白桦D.紫檀木17. 铝合金经过何种处理可以着色做成装饰品〔〕A.阳极氧化处理 B.染料浸泡 C.涂料涂刷 D.色彩贴纸裱贴18. 户外台阶的石材外表经常做一些处理起到防滑的作用,以下哪种石材外表处理不适宜做户外楼梯踏步〔〕A. 剁斧板材B.机刨板材C.磨光板材D.粗磨板材19.中空玻璃的夹层中充入〔〕A.氮气B.枯燥空气C.氦气D.氢气20. 人造大理石通常分为水泥型人造石材,树脂型人造石材,复合型人造石材和烧结型人造石材,人造大理石不具备以下哪个特点〔〕A. 重量轻B.强度低(应该是强度大)C.耐腐蚀耐污染D. 耐污染21.陶瓷可以分为〔〕A.陶器和瓷器B.陶器和玉器C.瓷器和玉器D.陶土和瓷土22.将玻璃加热到一定温度后迅速冷却处理的玻璃称为〔〕A.浮法玻璃B.弹性玻璃C.钢化玻璃D.冷热玻璃23.在陶瓷制品外表用彩料绘制图案花纹是陶瓷的传统装饰方法,分为〔〕A. 釉下彩绘和釉上彩绘B. 釉下彩绘和饰金C. 釉上彩绘和饰金D. 饰金和釉中彩绘24.以下何种材料的吸音功能最强〔〕A.玻璃B.钢板C.海绵D.花岗岩25.通常用作楼梯踏步的玻璃为〔〕A.浮法玻璃B.夹胶玻璃C.彩绘玻璃D.钢化玻璃26. 普通实木地板主要使用何种木材〔〕A.松木B.柚木C.紫檀木D.水曲柳27. 铝合金门窗的特点〔〕A质量重 B.密封性差 C.色泽较差 D.耐腐蚀28.纸面石膏板采用何种材料固定于轻钢龙骨上〔〕A.自攻螺丝B.水泥钢钉C.膨胀螺栓D.铆钉29. 木工板基层如何裱贴陶瓷面砖〔〕A.水泥砂浆裱贴B.金属网加水泥砂浆C.901胶粘D.107胶粘30.装饰材料的性能与以下哪种属性无关〔〕A.孔隙率B.吸水性与吸湿性C.密度与强度D.色彩31. 石膏线条属于〔〕A.纺织品装饰材料B.陶瓷装饰材料C.无机矿物装饰材料D.木质装饰材料32.以下哪种材料具有良好的防火性能〔〕A.石膏板 B.木工板 C.橡胶垫 D.无纺布窗帘33.以下哪个是铝合金吊顶龙骨的特点〔〕A.易生锈B.质量重C.易腐蚀D.易安装34.不锈钢是加以下那种元素为主并加其他元素的合金钢,其含量越高,钢的抗腐蚀性越好。
复习与思考一1.材料的定义?材料是能够用以加工有用物质的物质。
2.无机非金属材料的定义?无机非金属材料是某些元素的氧化物、碳化物、氮化物、卤素化合物、硼化物以及硅酸盐、铝酸盐、磷酸盐、硼酸盐和非氧化物等物质组成的材料,是除金属材料和有机高分子材料以外的所有材料的统称。
3.无机非金属材料与金属材料和有机高分子材料区别?⑴一般来说,无机非金属材料在化学组成以及化学键上与金属材料和有机高分子材料明显不同。
无机非金属材料的化学组成主要为元素的氧化物、碳化物、氮化物、卤素化合物、硼化物以及硅酸盐、铝酸盐、磷酸盐、硼酸盐和非氧化物等物质,其化学键主要为离子键或离子-共价混合键;金属材料的化学组成为单质金属元素或一种金属元素与其他元素组成的合金,其化学键为金属键;有机高分子材料是以C、H、O为主要元素和其他元素组成的聚合物其化学键为共价键。
⑵从力学性能上,金属材料有延展性,有机高分子材料有弹性,而大多数无机非金属材料却没有;从电学性能上,金属材料具有导电性,而无机非金属绝大多数是绝缘体;从结构上,金属材料有自由电子而无机非金属材料没有自由电子且具有复杂的晶体结构;金属材料抗拉强度高,而无机非金属材料抗拉强度低。
(以第一点为主)4.无机非金属的特性?具有复杂的晶体结构;没有自由电子(石墨除外);高硬度;高熔点;较好的耐化学腐蚀能力;绝大多数是绝缘体;制成薄膜时大多是透明的;一般具有低导热性;大多数情况下变形微笑。
5.为什么金属材料有延展性,有机高分子材料有弹性,而大多数无机非金属材料却没有?金属材料有延展性是因为其含有自由电子,可以移动;有机高分子材料有弹性是因为高分子材料多为链状,可以扭曲;大多数无机非金属材料却没有是因为其化学键主要为离子键或离子-共价混合键,而共价键有方向性。
6.为什么绝大多数原料都需要破碎?无机非金属材料生产所用的主要原料,绝大多数是质地坚硬的大块状物料。
为了均化、烘干、配料等工艺过程的需要进行破碎。
材料科学:材料成型工艺学考试考试题(最新版) 考试时间:120分钟 考试总分:100分遵守考场纪律,维护知识尊严,杜绝违纪行为,确保考试结果公正。
1、问答题 什么叫刀具的前角?什么叫刀具的后角?简述前角、后角的改变对切削加工的影响。
本题答案: 2、问答题 冲裁件的切断面具有明显的区域性特征.通常由塌角、光面、毛面、毛刺四部分组成?这四个部分是怎样形成的? 本题答案: 3、填空题 共析钢等温转变中,高温转变产物的组织,按硬度由高到低的顺序,其组织名称和表示符号分别是( )、( )、( )。
本题答案: 4、填空题 金属粉末的基本性能包括( );( )、颗粒形状和大小以及技术特征等。
本题答案: 5、问答题 压铸机由哪几个基本部分组成? 本题答案: 6、问答题 压铸时金属的浇注温度如何影响铸件质量,选择浇注温度总的原则是什么?姓名:________________ 班级:________________ 学号:________________--------------------密----------------------------------封 ----------------------------------------------线----------------------本题答案:7、问答题两个内径分别为60mm和120mm、高均为30mm的带孔坯料,分别套在直径为60mm的芯轴上扩孔,试用最小阻力定律分析产生什么不现的效果?本题答案:8、问答题何谓弯曲变形?其变形特点是什么?当锻件有数处弯曲变形时其变形顺序如何?本题答案:9、问答题挤压零件生产的特点是什么?本题答案:10、问答题简述注射成型塑件的影响因素。
本题答案:11、问答题什么是板料的弯曲变形?本题答案:12、问答题何谓冒口的有效补缩距离?本题答案:13、问答题与其他刀具相比,高速钢有什么特点。
常用的牌号有哪些?主要用来制造哪些刀具?本题答案:14、问答题合金流动性决定于那些因素?合金流动性不好对铸件品质有何影响?本题答案:15、填空题钎焊的接头强度较低,为了提高接头的承载能力,钎焊采用()接头。
产品设计材料与工艺复习题含答案一、单选题(共89题,每题1分,共89分)1.在产品设计中,以下哪个因素对于提高用户体验感非常重要?A、产品价格B、产品功能性能C、外观设计D、产品使用便捷性正确答案:D2.在产品设计中,以下哪个因素可以帮助企业提高产品的销售量?A、价格B、创新的形状和颜色C、产品功能性能D、品牌知名度正确答案:D3.以下哪种方法可以帮助企业开拓新市场?A、竞争分析B、市场分析C、SWOT分析D、用户需求分析正确答案:D4.在工业设计中,以下哪个原则可以提高产品的可操作性?A、主体性原则B、单纯性原则C、双关键性原则D、差异化原则正确答案:A5.在产品测试阶段,以下哪种测试方法可以验证产品的可靠性?A、功能性测试B、安全性测试C、兼容性测试D、可靠性测试正确答案:D6.以下哪种方法可以帮助企业评估产品的用户群体?A、SWOT分析B、市场分析C、用户需求分析D、竞争分析正确答案:C7.在工业设计中,以下哪种染料常用于棉纺织品的染色?A、焦磷酸染料B、光致变色染料C、钠亚硫酸盐染料D、酸性染料正确答案:A8.在产品设计中,以下哪个因素可以帮助企业提高产品的智能化水平?A、价格B、环保材料使用C、智能化水平设计D、产品功能性能正确答案:C9.在设计玩具时,哪些元素可以提高玩具的趣味性和创意性?A、多种颜色、复杂形状、高亮度B、多个运动部位、高细节、光电特效C、可变形式、多种功能、互动性D、多媒体功能、交互游戏、数字化效果正确答案:C10.在工业设计中,以下哪个原则可以提高产品的易维修性?A、差异化原则B、双关键性原则C、单纯性原则D、主体性原则正确答案:D11.在工业设计中,以下哪个原则可以提高产品的可持续发展性?A、可持续发展性原则B、差异化原则C、双关键性原则D、主体性原则正确答案:A12.在玩具制造中,以下哪个因素对于提高产品的品质非常重要?A、材料库存的管理B、设备的性能和规格C、设备的维护和保养D、产品质量监控正确答案:D13.工业设计中应该注意以下哪些原则?A、社会公正原则B、可持续原则C、安全原则D、三者都注意正确答案:B14.在产品开发中,以下哪个阶段需要与客户保持紧密联系?A、产品上市后阶段B、详细设计阶段C、产品测试阶段D、概念开发阶段正确答案:D15.在产品设计中,以下哪个因素对于提高用户的满意度非常重要?A、产品功能性能B、产品价格C、外观设计D、客户体验正确答案:D16.在玩具制造中,以下哪个因素对于生产效率影响最大?A、生产流程的优化B、材料的质量和数量C、操作员的熟练程度D、设备的性能和规格正确答案:A17.在工业设计中,以下哪个原则可以提高产品的易操作性?A、差异化原则B、主体性原则C、单纯性原则D、双关键性原则正确答案:D18.以下那个数字代表最佳饮水温度?A、30 ℃B、40 ℃C、10 ℃D、20 ℃正确答案:A19.在产品设计中,以下哪个因素对于提高用户的信任度非常重要?A、用户体验B、产品价格C、外观设计D、产品功能性能正确答案:A20.在产品测试阶段,以下哪种测试方法可以验证产品的安全性?A、安全性测试B、用户体验测试C、功能性测试D、可靠性测试正确答案:A21.在产品设计中,以下哪个因素对于满足客户需求非常重要?A、功能性能B、创新元素C、产品质量D、品牌知名度正确答案:A22.在人机工程学中,以下哪个因素是影响产品易用性的重要因素之一?A、可维护性B、尺寸和质量C、色彩和形状D、功能和特性正确答案:B23.在设计玩具时,哪种形状最能够增加玩具的自然美感?A、圆形B、直线形C、弧形D、角形正确答案:C24.在产品生命周期管理中,以下哪个阶段最具有挑战性?A、产品报废阶段B、产品维护阶段C、产品开发阶段D、产品推广阶段正确答案:D25.在玩具产品设计中,以下哪个因素可以增加产品的互动性和社交性?A、优良的材料质量B、创新的形状和颜色C、着重融入互动和社交元素D、多样化的功能性能正确答案:C26.在产品开发中,以下哪个阶段最需要注重产品质量?A、产品上市后阶段B、详细设计阶段C、概念开发阶段D、产品测试阶段正确答案:D27.以下哪种材料不适合制作婴儿玩具?A、金属B、橡胶C、棉布D、羊毛正确答案:A28.以下哪种方法可以帮助企业探索新的市场机会?A、多元化战略B、竞争分析C、SWOT分析D、创造性思维正确答案:D29.在玩具设计中,以下哪个原则可以带来更好的产品体验?A、主体性原则B、差异化原则C、双关键性原则D、单纯性原则正确答案:B30.以下哪种方法可以帮助企业评估产品的竞争力?A、SWOT分析B、竞争分析C、用户需求分析D、市场分析正确答案:B31.以下哪种工艺不适合制作儿童玩具?A、冲压B、热成型C、铸造D、塑料注塑正确答案:C32.在工业设计中,以下哪个原则可以使产品更加符合人类工程学?A、单纯性原则B、双关键性原则C、差异化原则D、主体性原则正确答案:D33.下列哪种颜色适合用于儿童玩具?A、浅蓝色B、深紫色C、橙色D、灰色正确答案:C34.工业设计材料的主要分类包括以下哪些?A、棉、麻、丝、毛等纺织品B、电子元器件、机械零件C、有机材料、无机材料、复合材料D、金属材料、塑料材料、玻璃与陶瓷材料正确答案:D35.在产品设计中,以下哪个因素对于提高用户的心理满足感非常重要?A、产品功能性能B、外观设计C、产品价格D、心理满足感设计正确答案:D36.在玩具制造中,以下哪种技术可以生产出无法通过注塑成型实现的形状?A、3D打印B、冷压成型C、CNC加工D、热压成型正确答案:A37.在玩具设计中,以下哪个因素对于不同年龄段的儿童来说是最重要的?A、外观设计B、功能和乐趣C、安全性能D、操作简单易学正确答案:B38.在产品设计中,以下哪个因素对于提高产品的易维修性非常重要?A、易维修性原则B、主体性原则C、双关键性原则D、差异化原则正确答案:A39.关于工业设计的第一条原则是什么?A、美学原则B、人机工程学原则C、主体性原则D、单纯性原则正确答案:D40.在产品测试阶段,以下哪种测试方法可以发现产品存在的安全性问题?A、安全性测试B、可靠性测试C、兼容性测试D、功能性测试正确答案:A41.工业设计师在设计产品时,需要重视以下哪个相互关联的因素?A、三者都要重视B、市场需求、消费者心理、品牌形象C、形态美学、材料选择、生产工艺D、持久性、功能性、美观性正确答案:A42.在产品设计中,以下哪个因素对于提高用户的生活品质非常重要?A、生活品质提升设计B、产品功能性能C、产品价格D、外观设计正确答案:A43.在玩具设计中,以下哪个因素可以增强产品的寓教于乐性?A、优良的材料质量B、创新的形状和颜色C、多样化的功能性能D、安全性能保障正确答案:C44.以下哪种方法可以帮助企业提高品牌形象?A、品牌传播B、竞争分析C、SWOT分析D、市场分析正确答案:A45.下列哪种材料不适用于玩具产品的制造?A、ABS塑料B、PE塑料C、非金属陶瓷D、铝合金正确答案:C46.在工业设计中,以下哪个原则可以提高产品的美观度?A、主体性原则B、差异化原则C、单纯性原则D、双关键性原则正确答案:D47.在设计玩具时,哪些因素可以提高玩具的教育性和启发性?A、多种的知识元素、自然环境的模拟、生活场景的呈现B、复杂的操作模式、直观的反馈机制、多项任务的设定C、多媒体功能、交互游戏、数字化效果D、速度和节奏的掌握、细节的呈现、反复因子的表现正确答案:A48.工业设计中经常使用的开发流程模型是?A、螺旋模型B、瀑布模型C、V型模型D、Agile模型正确答案:C49.工业设计师在进行产品设计时,应该遵循以下哪些原则?A、简约明了B、全面适配C、功能为先D、以上所有原则正确答案:D50.在设计玩具时,哪种组合最能够增加玩具的人气?A、机器人造型 + 白色B、女孩造型 + 粉色C、飞行器造型 + 蓝色D、动物造型 + 黄色正确答案:B51.在工业设计中,以下哪个原则可以使产品更加符合环境保护要求?A、差异化原则B、主体性原则C、单纯性原则D、双关键性原则正确答案:A52.在制作玩具时,哪种材料是最环保的选择?A、金属B、陶瓷C、塑料D、木材正确答案:D53.下列哪种材料最容易引起儿童中毒?A、塑料B、涂料C、木头D、金属正确答案:B54.以下哪种模型制作方式可以轻易构建出复杂的曲面形状?A、点阵建模B、曲面建模C、多边形建模D、NURBS建模正确答案:B55.在产品设计中,以下哪个因素对于提高用户的购买意愿非常重要?A、外观设计B、购物体验C、产品功能性能D、产品价格正确答案:D56.在产品设计中,以下哪个因素对于提高用户忠诚度非常重要?A、外观设计B、价格C、产品质量D、品牌知名度正确答案:C57.在制作玩具时,哪种材料可以使得玩具更加环保?A、金属B、纸张C、塑料D、木材正确答案:D58.下列哪个因素不会影响玩具的寿命?A、价格B、工艺C、材料D、外观正确答案:A59.在产品测试阶段,以下哪种测试方法可以发现产品存在的可靠性问题?A、安全性测试B、可靠性测试C、功能性测试D、兼容性测试正确答案:B60.关于机械结构原理,以下哪种原理被广泛应用于组装和拆卸设备?A、稳定性原理B、调节原理C、锁紧原理D、传动原理正确答案:C61.在制作玩具时,哪种工艺最能够增加玩具的手感质感?A、使用氧化工艺B、涂上底漆C、使用亮光漆D、涂上防水漆正确答案:A62.在产品测试阶段,以下哪种测试方法可以验证产品的功能性?A、安全性测试B、可靠性测试C、功能性测试D、用户体验测试正确答案:C63.在产品设计中,以下哪个因素可以帮助企业提高产品的国际化水平?A、国际化水平设计B、价格C、产品功能性能D、环保材料使用正确答案:A64.在工业设计中,以下哪个因素不属于色彩系统的要素?A、光源B、色相C、饱和度D、明度正确答案:A65.在工业设计中,以下哪个原则可以使产品更加环保?A、双关键性原则B、主体性原则C、可塑性原则D、单纯性原则正确答案:D66.在玩具制造中,以下哪个因素对于提高产品的品质稳定性非常重要?A、生产过程的品质管控B、原材料库存的管理C、设备的性能和规格D、设备的维护和保养正确答案:A67.可持续性设计的目标是什么?A、减少能源消耗和二氧化碳排放B、展示公司社会责任感C、改善生产效率D、提高产品产值正确答案:A68.以下哪种加工技术不适合制造玩具?A、切割车刨B、冲压成型C、激光切割D、气动钉枪正确答案:D69.在产品设计中,以下哪个因素对于提高用户的使用便捷度非常重要?A、使用便捷度设计B、产品功能性能C、产品价格D、外观设计正确答案:A70.在玩具设计中,以下哪个因素可以增加产品的知识性和教育性?A、优良的材料质量B、着重融入知识和教育元素C、创新的形状和颜色D、多样化的功能性能正确答案:B71.在产品生命周期管理中,以下哪个阶段对于企业的成本控制最为重要?A、产品下架阶段B、产品推广阶段C、产品更新阶段D、产品开发阶段正确答案:C72.工业设计中的“IDEA”是指什么?A、国际设计评奖B、工业设计师协会C、工业设计教育协会D、产业发展协会正确答案:A73.在工业设计中,以下哪个原则可以提高产品的可操作性?A、主体性原则B、单纯性原则C、双关键性原则D、差异化原则正确答案:C74.在产品生命周期管理中,以下哪个阶段对于企业的品牌形象最为重要?A、产品成熟期阶段B、产品更新阶段C、产品推广阶段D、产品开发阶段正确答案:C75.玩具制造中,以下哪种工艺适用于制造塑料玩具?A、注塑成型B、静电喷涂C、冷却成型D、金属热压正确答案:A76.在工业设计中,以下哪种创新方式可以产生出原型产品?A、制造成本分析B、3D建模C、土木工程D、人体工学正确答案:B77.在设计玩具车辆时,哪种轮胎最能够增加玩具的操作性能?A、支撑轮胎B、接地轮胎C、平底轮胎D、吸震轮胎正确答案:D78.哪种材料最适合用于制作贴图玩具?A、皮革B、塑料C、纸板D、金属正确答案:B79.在玩具设计中,颜色贯穿整个设计过程,哪种颜色可以使人感到自由和快乐?A、绿色B、紫色C、蓝色D、橙色正确答案:D80.在设计玩具时,哪种颜色最能够增强玩具的时尚感?A、白色B、红色C、黑色D、紫色正确答案:C81.在制作玩具时,哪种方法最能够有效地控制材料的耐久性?A、增加材料密度B、增加材料质量C、增加制作精度D、增加材料厚度正确答案:D82.在产品设计中,以下哪个因素可以帮助企业提高产品的附加值?A、创新的形状和颜色B、价格C、产品质量D、产品功能性能正确答案:A83.在工业产品设计中,目标用户调查是获取哪种类型信息的主要手段?A、人机交互性B、多样性C、可行性D、可靠性正确答案:A84.以下哪种材料不适合制作玩具?A、聚酯树脂B、铝合金C、木头D、有毒有害物质正确答案:D85.在玩具产品设计中,以下哪个因素可以增加产品的艺术性?A、艺术元素的运用B、多样化的功能性能C、创新的形状和颜色D、材料的可持续性正确答案:C86.在产品设计中,以下哪个因素对于提高用户的舒适体验非常重要?A、产品价格B、外观设计C、舒适体验设计D、产品功能性能正确答案:C87.在智能玩具设计中,哪个因素最重要?A、实现功能的复杂度B、屏幕显示质量C、触摸灵敏度D、设计紧凑性正确答案:A88.在产品设计中,以下哪个因素可以帮助企业提高产品的用户黏性?A、创新的形状和颜色B、产品功能性能C、用户要求D、价格正确答案:B89.在产品设计中,以下哪个因素可以帮助企业提高产品的市场占有率?A、价格B、产品功能性能C、市场策略D、创新的形状和颜色正确答案:C二、判断题(共11题,每题1分,共11分)1.材料的选择需要考虑产品的安装方式。
工艺材料的考试题及答案一、单项选择题(每题2分,共10题,共20分)1. 以下哪种材料不属于金属材料?A. 钢B. 铝C. 塑料D. 铜答案:C2. 陶瓷材料的主要特点是:A. 导电性良好B. 耐高温C. 可塑性强D. 密度大答案:B3. 以下哪种材料是有机高分子材料?A. 玻璃B. 橡胶C. 石墨D. 铁答案:B4. 金属的塑性变形主要通过哪种机制实现?A. 弹性变形B. 位错滑移C. 相变D. 断裂5. 以下哪种材料是复合材料?A. 纯铝B. 碳纤维增强塑料C. 纯铜D. 纯铁答案:B6. 金属材料的硬度通常与下列哪种因素无关?A. 晶粒大小B. 合金元素C. 温度D. 颜色答案:D7. 以下哪种材料具有自润滑性能?A. 不锈钢B. 聚四氟乙烯C. 铜合金D. 玻璃答案:B8. 以下哪种材料是半导体材料?A. 硅B. 铁C. 铝D. 钠答案:A9. 以下哪种材料是天然材料?B. 木材C. 塑料D. 陶瓷答案:B10. 以下哪种材料是合成材料?A. 棉花B. 羊毛C. 尼龙D. 石棉答案:C二、多项选择题(每题3分,共5题,共15分)1. 以下哪些因素会影响材料的强度?A. 材料的微观结构B. 加工工艺C. 环境温度D. 材料的颜色答案:A、B、C2. 以下哪些是金属材料的加工方法?A. 铸造B. 锻造C. 焊接D. 热处理答案:A、B、C、D3. 以下哪些是塑料的加工方法?A. 注塑B. 挤出D. 热处理答案:A、B、C4. 以下哪些是陶瓷材料的特点?A. 硬度高B. 脆性大C. 热稳定性好D. 导电性差答案:A、B、C、D5. 以下哪些是复合材料的优点?A. 高强度B. 低密度C. 良好的耐腐蚀性D. 良好的导电性答案:A、B、C三、判断题(每题1分,共10题,共10分)1. 金属材料的疲劳强度通常高于其静强度。
(×)2. 材料的断裂韧性与其硬度成正比。
(×)3. 材料的导热性能与其导电性能无关。
《材料成形技术基础》考试样题答题页(本卷共10页)三、填空(每空0.5分,共26分)1.( ) ( ) ( )2.( )3.( ) ( )4.( )5.( )( )6.( ) ( )7.( ) ( )8.( ) ( )9.( ) 10.( )11.( )12.( ) ( ) 13.( ) ( )14.( )15.( ) 16.( ) ( )17.( ) ( ) 18.( )19.( )20.( ) ( ) 21.( ) ( )22.( )23.( ) 24.( )25.( ) ( )26.( )( )27.( ) ( )28.( ) 29.( ) ( )30.( )31.( )( ) ( )32.( ) ( )四、综合题(20分)1、绘制图5的铸造工艺图(6分)修2、绘制图6的自由锻件图,并按顺序选择自由锻基本工序。
(6分)自由锻基本工序:3、请修改图7--图10的焊接结构,并写出修改原因。
图7手弧焊钢板焊接结构(2分)图8手弧焊不同厚度钢板结构(2分)修改原因:焊缝集中修改原因:不便于操作图9钢管与圆钢的电阻对焊(2分)图10管子的钎焊(2分)修改原因:修改原因:《材料成形技术基础》考试样题(本卷共10页)注:答案一律写在答题页中规定位置上,写在其它处无效。
一、判断题(16分,每空0.5分。
正确的画“O”,错误的画“×”)1.过热度相同时,结晶温度范围大的合金比结晶温度范围小的合金流动性好。
这是因为在结晶时,结晶温度范围大的合金中,尚未结晶的液态合金还有一定的流动能力。
F2.采用顺序凝固原则,可以防止铸件产生缩孔缺陷,但它也增加了造型的复杂程度,并耗费许多合金液体,同时增大了铸件产生变形、裂纹的倾向。
T3.HT100、HT150、HT200均为普通灰口铸铁,随着牌号的提高,C、Si含量增多,以减少片状石墨的数量,增加珠光体的数量。
4.缩孔和缩松都是铸件的缺陷,在生产中消除缩孔要比消除缩松容易。
材料与工艺试题及答案一、单项选择题1. 下列哪种材料不属于金属材料?A. 不锈钢B. 铝合金C. 塑料D. 铜合金答案:C2. 金属材料的硬度通常与哪种性能有关?A. 弹性B. 韧性C. 抗拉强度D. 导热性答案:C3. 在金属加工中,哪种工艺是通过加热和锻造来改变金属的形状?A. 铸造B. 焊接C. 热处理D. 锻造答案:D4. 下列哪种工艺不适用于塑料材料的加工?A. 注塑B. 挤出C. 热轧D. 吹塑答案:C5. 陶瓷材料的主要特点是?A. 轻质高强B. 良好的导电性C. 高熔点D. 可塑性好答案:C二、多项选择题6. 下列哪些因素会影响材料的强度?A. 材料的化学成分B. 加工工艺C. 使用环境D. 材料的密度答案:A, B, C7. 在金属材料的热处理过程中,常见的热处理工艺包括哪些?A. 退火B. 正火C. 淬火D. 回火答案:A, B, C, D8. 下列哪些是塑料材料的优点?A. 耐腐蚀B. 重量轻C. 易导电D. 绝缘性好答案:A, B, D9. 金属材料的疲劳断裂通常与哪些因素有关?A. 应力集中B. 材料的微观结构C. 温度变化D. 腐蚀环境答案:A, B, C, D10. 下列哪些工艺可以提高金属零件的耐磨性?A. 渗碳B. 氮化C. 镀铬D. 抛光答案:A, B, C三、简答题11. 简述铸造工艺的基本原理及其应用。
铸造工艺是一种将熔融金属倒入铸型中,待其冷却凝固后获得所需形状和性能的零件的制造方法。
铸造工艺广泛应用于各种金属零件的生产,尤其是形状复杂或内部有空腔的零件。
12. 什么是焊接工艺,它有哪些主要类型?焊接工艺是一种将两个或多个金属部件通过高温或压力连接成一个整体的方法。
主要类型包括熔化焊、压力焊和特种焊接等。
四、计算题13. 已知一块钢板的抗拉强度为500 MPa,其截面积为200 mm²,试计算该钢板在受到最大拉力作用时能承受的最大拉力。
最大拉力 = 抗拉强度× 截面积最大拉力= 500 MPa × 200 mm² × (1 m² / 1,000,000 mm²) 最大拉力 = 100 kN五、论述题14. 论述材料的疲劳断裂机理及其在工程中的应用。
材料科学:材料成型工艺学考试卷及答案(最新版) 考试时间:120分钟 考试总分:100分遵守考场纪律,维护知识尊严,杜绝违纪行为,确保考试结果公正。
1、问答题 压铸件不能在哪些环境下使用?不能进行何种处理?为什么? 本题答案: 2、问答题 什么是拉深系数?用φ250mm*1.5mm的板料能否一次拉深成直径为φ50的拉深件?应采取哪些措施才能保证正常生产? 本题答案: 3、问答题 简述碱性焊条和酸性焊条的性能和用途。
本题答案: 4、问答题 熔焊焊接冶金过程特点是什么?针对该特点,为了保证焊缝质量焊接过程中应该采取什么措施? 本题答案: 5、问答题 低压铸造的工作原理与压力铸造有何不同?为何铝合金常采用低压铸造? 本题答案: 6、问答题 什么是砂型的紧实度?紧实度对铸件质量有什么影响? 本题答案: 7、单项选择题姓名:________________ 班级:________________ 学号:________________--------------------密----------------------------------封 ----------------------------------------------线----------------------自由锻件控制其高径比(H/D)为1.5—2.5的工序是()A.拔长B.冲孔C.镦粗D.弯曲本题答案:8、问答题试述常用的手工造型有哪些?本题答案:9、填空题造型用的模样与铸件在形状和尺寸上有很大区别,尺寸上模样比铸件多(),形状上铸件上有孔的地方,模样上()。
本题答案:10、填空题钎焊的接头强度较低,为了提高接头的承载能力,钎焊采用()接头。
本题答案:11、问答题内浇道的作用是什么?在内浇道--横浇道的连结上需要注意什么问题?本题答案:12、单项选择题在铸造过程中,流动性较好的铸造合金()A.结晶温度范围较小;B.结晶温度范围较大;C.结晶温度较高;D.结晶温度较低本题答案:13、填空题纤维组织使金属在性能上具有了()。
⾼分⼦材料加⼯⼯艺复习题及答案⾼分⼦材料加⼯⼯艺复习题及答案⼀、选择1.由图形-⾮⽜顿流体的应⼒-应变关系,可得出结论是(ABC )A.剪应⼒和剪切速率间通常不呈⽐例关系;B.剪切粘度对剪切作⽤有依赖性;C.⾮⽜顿性是粘性和弹性⾏为的综合;D.流动过程中只包含着不可逆形变2.硫化时间以过氧化物耗尽为⽌来决定,⼀般可取预订温度下半衰期的(B)倍的时间。
A1-4 B.5-10 C.11-15 D.16-203. 流动中包括下述四种主要形式( ABCD )A正流B逆流 C.横流 D.漏流4. 天然胶采⽤开放式炼胶机混炼时,辊温50-60℃、⽤密炼机时采⽤⼀段法;丁苯胶⽤密炼机混炼采⽤;氯丁胶采⽤开放式炼胶机混炼时,辊温40-50℃、⽤密炼机时采⽤;( D )A ⼀段法;⼀段法B ⼀段法;⼆段法C ⼆段法;⼀段法D ⼆段法;⼆段法5. 氯丁胶采⽤()为硫化剂。
( D )A 氧化铜B氧化铁 C 氧化铝D氧化锌1、聚合物在加⼯过程中的形变都是在(A )和(C )共同作⽤下,⼤分⼦( D )和( B )A温度B进⾏重排C外⼒D 形变4、聚合物分⼦量对材料热性能、加⼯性能的影响,下列叙述正确的是(B )A、软化温度降低B、成型收缩率降低C、粘度下降D、加⼯温度降低5、同时改进塑料的流动性,减少或避免对设备的粘附,提⾼制品的表⾯光洁度助剂是(A )A 润滑剂B增塑剂C 防⽼剂D偶联剂2、下列是常⽤的硫化介质的有哪些(ABD)A饱和蒸汽B过热⽔C冷⽔D热空⽓橡胶配⽅种类有哪些(BCD)A结构配⽅B基础配⽅C性能配⽅D⽣产配⽅4、下列属于注射过程的是(ABCD)A脱模B塑化C注射D冷却5、下列不属于单螺杆挤出机的基本结构的是(C)A传动部分B加料装置 C 切割装置D机头和⼝模1、下⾯聚合物中拉伸变稀现象的聚合物有:( AB )A.PPB.PEC. LDPED.PS2、注射速度增⼤,下降的是( D )A冲模压⼒B内应⼒C接缝强度D表⾯质量3、下列哪⼀个不属于粘度计的主要形式(B )A转筒式B螺纹式C锥板式D平⾏板式4、下列哪⼀个不是聚合物结晶的基本特点(C )A结晶速度慢B结晶不完全C结晶后折射率⾼D结晶聚合没有清晰的熔点。
材料工艺学复习题
一、选择题
1.普通纸面石膏板厚度是()
2.现代建筑中常用的线管及水管主要材料为()
A.橡胶材料
B.陶瓷材料
C.塑料材料
D.木质材料
3.石材地面的铺贴顺序为()
A.清理基层—选料弹线—摊铺水泥砂浆—铺贴—灌浆清理—养护
B.清理基层—找平弹线—板材洒水—铺贴标准块—摊铺水泥砂浆—铺贴—灌浆清理—养护
C.清理基层—找平弹线—摊铺水泥砂浆—铺贴—板材洒水—灌浆清理—养护
D.清理基层—铺贴标准块—找平弹线—摊铺水泥砂浆—铺贴—灌浆清理—养护
4.玻璃是以()、纯碱、石灰石等无机氧化物为主要原料,与某些辅助性原料经高温熔融,成型后经过冷却而成的固体。
A.碎玻璃
B. 石英砂
C.氧化钠
D.氧化硅
5.宜兴紫砂壶属于什么材料()
A.陶器
B.瓷器
C.无釉细炻器
D.复合陶器
6.钢化玻璃可以分为物理钢化与()
A.冷热钢化
B.化学钢化
C.强化钢化
D.特殊钢化
7.黄铜为铜与()的合金体
A.锌
B.镍
C.铝
D.金
8.通常所说的PVC材料就是( )
A. 聚苯乙烯
B. 聚氯乙烯
C. 聚乙烯
D.聚酰胺
9.复合强化地板表面的耐磨层主要含有 ( )
A.三氧化二铝
B. 酚醛树脂
C.氧化钠
D.碳化钠
10.复合强化木地板首先是具有很高的耐磨性,表面耐磨耗为普通油漆木地板的()倍。
A.5-10
B.10-30
C.30-50
D.50
11.墙纸禁止在()处拼缝
A.阴角
B.阳角
C.石膏板缝
D.材料拼接处
12.有机玻璃板材,俗称有机玻璃。
它是一种具有极好透光率的热塑性塑料。
以下哪个不是有机玻璃的属性()
A. 透光性极好
B. 质地较脆
C. 抗寒性及耐候性都较好
D.机械强度很高
13. 钢材表面通常通过何种处理防锈()
A.镀锌
B.镀镍
C.镀铬
D.镀铜
14. 以下哪个不属于合成纤维的是()
A. 涤纶
B.锦纶
C. 腈纶
D. 人造丝
15. 下列何种地面需要铺设龙骨安装()
A.复合地板
B.塑料地板
C.实木地板
D.羊毛地毯
16.以下哪个是实木地板进口树种的()
A.榉木
B.柞木
C.白桦
D.紫檀木
17. 铝合金经过何种处理可以着色做成装饰品()
A.阳极氧化处理 B.染料浸泡 C.涂料涂刷 D.色彩贴纸裱贴
18. 户外台阶的石材表面经常做一些处理起到防滑的作用,以下哪种石材表面处理不适宜做户外楼梯踏步()
A. 剁斧板材
B.机刨板材
C.磨光板材
D.粗磨板材
19.中空玻璃的夹层中充入()
A.氮气
B.干燥空气
C.氦气
D.氢气
20. 人造大理石通常分为水泥型人造石材,树脂型人造石材,复合型人造石材和烧结型人造石材,人造大理石不具备以下哪个特点()
A. 重量轻
B.强度低(应该是强度大)
C.耐腐蚀耐污染
D. 耐污染
21.陶瓷可以分为()
A.陶器和瓷器
B.陶器和玉器
C.瓷器和玉器
D.陶土和瓷土
22.将玻璃加热到一定温度后迅速冷却处理的玻璃称为()
A.浮法玻璃
B.弹性玻璃
C.钢化玻璃
D.冷热玻璃
23.在陶瓷制品表面用彩料绘制图案花纹是陶瓷的传统装饰方法,分为()
A. 釉下彩绘和釉上彩绘
B. 釉下彩绘和饰金
C. 釉上彩绘和饰金
D. 饰金和釉中彩绘
24.下列何种材料的吸音功能最强()
A.玻璃
B.钢板
C.海绵
D.花岗岩
25.通常用作楼梯踏步的玻璃为()
A.浮法玻璃
B.夹胶玻璃
C.彩绘玻璃
D.钢化玻璃
26. 普通实木地板主要使用何种木材()
A.松木
B.柚木
C.紫檀木
D.水曲柳
27. 铝合金门窗的特点()
A质量重 B.密封性差 C.色泽较差 D.耐腐蚀
28.纸面石膏板采用何种材料固定于轻钢龙骨上()
A.自攻螺丝
B.水泥钢钉
C.膨胀螺栓
D.铆钉
29. 木工板基层如何裱贴陶瓷面砖()
A.水泥砂浆裱贴
B.金属网加水泥砂浆
C.901胶粘
D.107胶粘
30.装饰材料的性能与以下哪种属性无关()
A.孔隙率
B.吸水性与吸湿性
C.密度与强度
D.色彩
31. 石膏线条属于()
A.纺织品装饰材料
B.陶瓷装饰材料
C.无机矿物装饰材料
D.木质装饰材料
32.下列哪种材料具有良好的防火性能()
A.石膏板 B.木工板 C.橡胶垫 D.无纺布窗帘
33.以下哪个是铝合金吊顶龙骨的特点()
A.易生锈
B.质量重
C.易腐蚀
D.易安装
34.不锈钢是加以下那种元素为主并加其他元素的合金钢,其含量越高,钢的抗腐蚀性越好。
()
A.铬
B.镍
C.钛
D.硅
35. 地毯的绒面结构主要有割绒和()
A.圈绒
B.混纺
C.织花
D.编结
36. 以下哪个不是不锈钢的特点()
A. 耐腐蚀性好
B. 经不同表面加工可形成不同的光泽度和反射能力
C. 安装不方便
D.装饰效果好。