不良记录表
- 格式:docx
- 大小:10.83 KB
- 文档页数:2
不良品记录表格模板1. 引言在生产过程中,不可避免地会出现一些不良品。
为了更好地管理和追溯不良品情况,制作一个不良品记录表格是必不可少的。
本文档提供了一个不良品记录表格模板,用于帮助企业或组织记录和分析不良品情况。
2. 不良品记录表格模板以下是一个不良品记录表格模板示例:序号日期产品编号不良品数量发现环节不良现象描述原因分析解决措施1 2021/1/1 001 5 原材料采购产品出现划痕原材料质量问题更换供应商2 2021/1/1 0013 生产加工产品尺寸不符合要求生产设备出现故障维修设备,重新加工3 2021/1/2 002 2 组装部分组件装配不完整操作工操作失误加强员工培训,检查工艺流程4 2021/1/3 003 1 组装产品包装不严密包装工操作不规范加强员工培训,完善产品包装流程5 2021/1/4 004 10 质检产品出现色差印刷工艺有问题,颜色调配不准确调整印刷工艺,颜色调配仔细控制6 2021/1/5 005 4 市场投诉产品外观有明显瑕疵生产过程不合理,产品质量控制不严格优化生产工艺,增强产品质量控制管理3. 表格列解释•序号:记录的行数序号,用于查找和排序不良品记录。
•日期:发现不良品的日期。
•产品编号:不良品所属产品的编号。
•不良品数量:出现的不良品数量。
•发现环节:发现不良品的具体环节,例如原材料采购、生产加工、组装等。
•不良现象描述:具体描述不良品的现象,例如划痕、尺寸不符合要求、装配不完整等。
•原因分析:对不良品出现的原因进行分析,例如原材料质量问题、生产设备故障等。
•解决措施:对不良品问题进行解决的具体措施,例如更换供应商、维修设备、加强员工培训等。
4. 使用方法根据实际情况,在上述不良品记录表格模板的基础上进行填写。
每发现一起不良品情况,新增一行记录,并填写相应的内容。
可以根据需要对表格进行排序、筛选和分析,以帮助企业或组织更好地管理和改进产品质量。
5. 总结一个完善的不良品记录表格能够方便记录和分析不良品情况,对于改进产品质量和管理流程非常重要。
不良事件登记表
---
1. 背景信息
本登记表用于记录和跟踪组织中发生的不良事件。
通过登记和分析不良事件,可以帮助组织改进并提高工作效率。
---
2. 登记表样式
---
3. 数据分析
对不良事件的登记和分析有助于组织识别问题,并找到相应的解决方案。
以下是对过去一年中记录的不良事件的一些数据分析。
- 不良事件发生的月份分布如下图所示:

通过对不良事件发生月份的分析,我们可以识别出哪些时间段存在较高的风险,进而采取相应的预防措施。
- 不良事件按影响程度分类如下:
- 严重影响:2起
- 中等影响:4起
- 轻微影响:4起
通过对不良事件的影响程度进行分类,可以帮助组织确定解决问题的优先顺序。
---
4. 总结与改进
本不良事件登记表的使用有助于组织了解和解决潜在问题,减
少不良事件的发生,并提高工作效率和质量。
在记录和分析过程中,我们应该注意以下几点:
- 及时登记:确保每起不良事件都及时登记,记录详细信息。
- 分析原因:通过对不良事件的分析,了解问题产生的原因,
并制定相应的解决方案。
- 风险预防:根据历史记录,预测可能出现的不良事件,并采
取预防措施。
- 持续改进:不断总结经验教训,提出改进意见,并在组织中
进行推广和应用。
通过以上措施的实施和持续改进,我们相信可以不断减少不良
事件的发生,提高工作效率和质量。
---
注意:以上登记表和分析数据仅为示例,请根据实际情况进行修改和完善。
---。
化妆品不良反应记录表(最新版)
1. 背景
为确保消费者的安全和健康,记录和分析化妆品的不良反应是至关重要的。
通过记录不良反应的详细信息,可以及时采取措施,避免进一步损害消费者。
本文档旨在提供一个标准格式的化妆品不良反应记录表,以便将来进行分析和研究。
2. 不良反应记录表格
3. 表格字段说明
1. 序号:记录每个不良反应的唯一编号,便于跟踪和参考。
2. 化妆品名称:填写引起不良反应的化妆品名称。
3. 反应类型:标明不良反应的类型,例如过敏、刺激、发炎等。
4. 反应描述:简要描述不良反应的症状和表现。
5. 发生时间:记录不良反应发生的日期和时间。
6. 严重程度:评估不良反应的程度,可用轻微、中度和严重来
划分。
7. 操作员:记录记录表格的操作员姓名或编号。
4. 使用说明
1. 使用尽可能准确和详细的描述填写记录表格。
2. 每个不良反应应单独编写一行记录。
3. 如有额外信息需要补充,请在记录表格下方注明。
5. 数据保密和分析
1. 所有记录表格中的个人信息和敏感信息都应得到妥善的保密
处理。
2. 记录表格中的数据应定期进行分析和评估,以识别出现频率
较高的不良反应和可能的趋势。
3. 分析结果可用于改进化妆品的配方、警示标签和使用说明,以降低不良反应的发生率。
医疗安全(不良)事件分类一、医疗事件1、医疗处置意外2、麻醉意外3、手术并发症4、其它二、药品事件1、处方、用药医嘱错误2、调剂与管理错误3、药品用法错误4、药物不良反应 5、其它三、护理事件1、跌倒/坠床2、压疮3、管路事件4、烧烫伤5、误吸6、误咽7、窒息8、约束意外 9、转运意外 10、失禁性皮炎 11、饮食与营养 12、输液反应 13、其它四、医学技术检查事件1、标本采集错误2、功能检查错误3、医学影像错误4、其它五、输血事件1、配型错误2、血型错误3、错误输注患者4、未输入5、成分输血及治疗错误6、输血量错误7、其它六、医院感染事件1、呼吸机所致肺炎2、留置导尿管相关泌尿系感染3、血管导管相关性感染4、手术部位感染 5、呼吸系统感染 6、血液系统感染 7、血液样本丢失 8、时间延迟 9、输血量错误 10、其它七、医疗器械事件1、机械类设备故障2、电器电路故障3、设备软件故障4、医疗耗材类故障 5其它八、安全管理与意外事件1、患者走失2、自杀事件3、产房新生儿被报错4、失火5、触电6、失窃7、信息系统故障 8、供电故障 9、供水故障 10、电梯故障 11、暴力事件 12、自然灾害 13、医患纠纷 14、自伤 15、冻伤 16、被拐 17、中毒 18、擅自离院 19、其它医疗安全(不良)事件讨论分析及持续改进措施记录表。
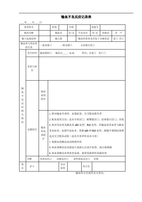
输血不良反应记录表
患者姓名性别年龄住院号门诊[ID]号科室病房床号
主要诊断
输血不良反应
发生时间:输血过程中□(开始输血小时出现),输血后□天(或小时)处理
临床表现:发热□寒战□皮肤潮红□荨麻疹□血管神经性水肿□喉头水肿□休克□呼吸困难□紫绀□粉红色泡沫痰□肺大量湿啰音□腰背剧痛□酱油色尿□少尿无尿□皮肤瘀斑□伤口渗血□其它输血日期输血开始时间停止时间已输入量输血前患者是否发热是□否□输血时患者是否处于全麻状态是□否□患者与供血者的关系无亲属关系□一级亲属□二级亲属□其他血型A□B□AB□O□其它
输血品种红细胞悬液□
全血□浓缩血小板□
其它Rh阴性□阳性□血浆□
输血史有□无□输血不良反应史有□无□妊娠史孕次产次其它需要说明的情况
填报医师(上级医师)签名填报日期
填报说明:
1.输血出现一般不良反应者,由经管医师(值班医师)填写本表一份,置于病历内;
2.发生严重输血不良反应者,另备有《输血不良反应报告单》填写。
1/ 1。