混凝土强度报告
- 格式:pdf
- 大小:125.29 KB
- 文档页数:9
一、实验目的本次实验旨在通过混凝土立方体抗压强度试验,检验混凝土拌合物在不同配合比、养护条件下的强度,为实际工程中混凝土配比设计和质量控制提供依据。
二、实验方法1. 实验材料:水泥、砂、石子、水、外加剂等。
2. 实验仪器:混凝土立方体试模、压力机、电子秤、搅拌机等。
3. 实验步骤:(1)按照实验设计要求,计算各配合比所需材料用量。
(2)将水泥、砂、石子等材料按比例称量,搅拌均匀。
(3)将搅拌好的混凝土拌合物倒入试模中,振动密实。
(4)将试模置于标准养护室进行养护。
(5)养护至规定龄期后,取出试件进行抗压强度试验。
(6)记录试验数据,分析结果。
三、实验结果与分析1. 实验结果根据实验数据,得出以下各龄期混凝土立方体抗压强度:- 1d龄期:C15强度为10.5MPa,C20强度为14.8MPa,C25强度为19.2MPa,C30强度为24.6MPa。
- 3d龄期:C15强度为16.3MPa,C20强度为21.7MPa,C25强度为27.8MPa,C30强度为35.2MPa。
- 7d龄期:C15强度为21.9MPa,C20强度为29.5MPa,C25强度为38.1MPa,C30强度为48.3MPa。
- 28d龄期:C15强度为30.6MPa,C20强度为40.3MPa,C25强度为51.9MPa,C30强度为63.4MPa。
2. 结果分析(1)混凝土强度随龄期增长而提高,且增长速度逐渐放缓。
1d龄期强度增长较快,28d龄期强度达到最大值。
(2)不同配合比的混凝土强度存在差异,水胶比对混凝土强度影响较大。
水胶比越小,混凝土强度越高。
(3)外加剂对混凝土强度有促进作用,但需根据具体外加剂类型和掺量进行调整。
(4)养护条件对混凝土强度有较大影响,适宜的养护条件有利于提高混凝土强度。
四、结论1. 混凝土立方体抗压强度试验结果符合实际工程需求,为混凝土配比设计和质量控制提供了依据。
2. 在实际工程中,应根据工程特点、环境条件和设计要求,合理选择混凝土配合比、外加剂和养护措施。
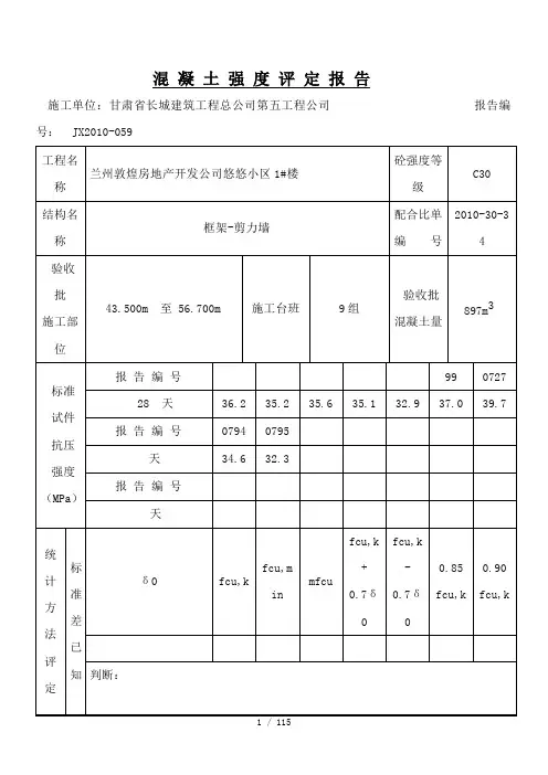
混凝土强度评定报告施工单位:甘肃省长城建筑工程总公司第五工程公司报告编号: JX2010-059单位: 负责人: 审核: 试验:2010 年 10月 10 日甘肃省工程质量监督总站编制(版权所有不准翻印)混凝土强度评定报告施工单位:甘肃省长城建筑工程总公司第五工程公司报告编号: JX2010-060单位: 负责人: 审核: 试验: 2010 年 10 月 10日甘肃省工程质量监督总站编制(版权所有不准翻印)混凝土强度评定报告施工单位:甘肃省长城建筑工程总公司第五工程公司报告编号: JX2010-061单位: 负责人: 审核: 试验: 2010 年 10 月 10 日甘肃省工程质量监督总站编制(版权所有不准翻印)混凝土强度评定报告施工单位:甘肃省长城建筑工程总公司第五工程公司报告编号: JX2010-062单位: 负责人: 审核: 试验: 2010 年 10 月 10 日甘肃省工程质量监督总站编制(版权所有不准翻印)混凝土强度评定报告施工单位:甘肃省长城建筑工程总公司第五工程公司报告编号: JX2010-063单位: 负责人: 审核: 试验: 2010 年 10 月 10 日甘肃省工程质量监督总站编制(版权所有不准翻印)混凝土强度评定报告施工单位:甘肃省长城建筑工程总公司第五工程公司报告编号: JX2010-064单位: 负责人: 审核: 试验: 2010 年 10月 10 日甘肃省工程质量监督总站编制(版权所有不准翻印)混凝土强度评定报告施工单位:甘肃省长城建筑工程总公司第五工程公司报告编号: JX2010-065单位: 负责人: 审核: 试验: 2010 年 10 月 10 日甘肃省工程质量监督总站编制(版权所有不准翻印)混凝土强度评定报告施工单位:甘肃省长城建筑工程总公司第五工程公司报告编号: JX2010-066单位: 负责人: 审核: 试验: 2010 年 10 月 10 日甘肃省工程质量监督总站编制(版权所有不准翻印)混凝土强度评定报告施工单位:甘肃省长城建筑工程总公司第五工程公司报告编号: JX2010-066单位: 负责人: 审核: 试验: 2010 年 10 月 10 日甘肃省工程质量监督总站编制(版权所有不准翻印)混凝土强度评定报告施工单位:甘肃省长城建筑工程总公司第五工程公司报告编号: JX2010-067单位: 负责人: 审核: 试验: 2010 年 10 月 10 日甘肃省工程质量监督总站编制(版权所有不准翻印)混凝土强度评定报告施工单位:甘肃省长城建筑工程总公司第五工程公司报告编号: JX2010-068单位: 负责人: 审核: 试验: 2010 年 10月 10 日甘肃省工程质量监督总站编制(版权所有不准翻印)混凝土强度评定报告施工单位:甘肃省长城建筑工程总公司第五工程公司报告编号: JX2010-068单位: 负责人: 审核: 试验:2010 年 10月 10 日甘肃省工程质量监督总站编制(版权所有不准翻印)混凝土强度评定报告施工单位:甘肃省长城建筑工程总公司第五工程公司报告编号: JX2010-069单位: 负责人: 审核: 试验: 2010 年 10 月 10 日甘肃省工程质量监督总站编制(版权所有不准翻印)混凝土强度评定报告施工单位:甘肃省长城建筑工程总公司第五工程公司报告编号: JX2010-069单位: 负责人: 审核: 试验: 2010 年 10 月 10 日甘肃省工程质量监督总站编制(版权所有不准翻印)混凝土强度评定报告施工单位:甘肃省长城建筑工程总公司第五工程公司报告编号: JX2010-070单位: 负责人: 审核: 试验: 2010 年 10月 10日甘肃省工程质量监督总站编制(版权所有不准翻印)混凝土强度评定报告施工单位:甘肃省长城建筑工程总公司第五工程公司报告编号: JX2010-071单位: 负责人: 审核: 试验: 2010 年 10月 10 日甘肃省工程质量监督总站编制(版权所有不准翻印)混凝土强度评定报告施工单位:甘肃省长城建筑工程总公司第五工程公司报告编号: JX2010-071单位: 负责人: 审核: 试验: 2010 年 10 月 10 日甘肃省工程质量监督总站编制(版权所有不准翻印)混凝土强度评定报告施工单位:甘肃省长城建筑工程总公司第五工程公司报告编号: JX2010-071单位: 负责人: 审核: 试验: 2010 年 10 月 10 日甘肃省工程质量监督总站编制(版权所有不准翻印)混凝土强度评定报告施工单位:甘肃省长城建筑工程总公司第五工程公司报告编号: JX2010-033单位: 负责人: 审核: 试验: 2010 年 4 月 18 日甘肃省工程质量监督总站编制(版权所有不准翻印)混凝土强度评定报告施工单位:甘肃省长城建筑工程总公司第五工程公司报告编号: JX2010-034单位: 负责人: 审核: 试验: 2010 年 4 月 18 日甘肃省工程质量监督总站编制(版权所有不准翻印)混凝土强度评定报告施工单位:甘肃省长城建筑工程总公司第五工程公司报告编号: JX2010-035单位: 负责人: 审核: 试验: 2010 年 4 月 18 日甘肃省工程质量监督总站编制(版权所有不准翻印)混凝土强度评定报告施工单位:甘肃省长城建筑工程总公司第五工程公司报告编号: JX2010-035单位: 负责人: 审核: 试验: 2010 年 4 月 18 日甘肃省工程质量监督总站编制(版权所有不准翻印)混凝土强度评定报告施工单位:甘肃省长城建筑工程总公司第五工程公司报告编号: JX2010-036。
混凝土抗压强度检测报告作为一项重要的材料检测项目,混凝土抗压强度检测旨在确定混凝土含量、成分和质量。
在建设工程中,混凝土通常用作承重结构,而其强度标准的测试则非常重要,在确保工程安全和质量的同时,也对监管和合规性有着至关重要的作用。
这篇文章将探讨混凝土抗压强度检测报告的作用、内容和标准。
一、混凝土抗压强度检测报告的作用混凝土抗压强度检测报告是评估建筑结构是否达到设计标准的必备文件,也是建筑监理所需的工程质量检验报告之一。
此外,混凝土抗压强度检测报告还用于:1.建筑验收:根据国家规定,建筑审查机关需要检查建筑工程的合法性、安全性和质量,并要求施工方提供混凝土抗压强度检测报告作为建筑验收的必要条件之一。
2.工程监测:生产和运输混凝土的质量直接影响工程质量,也会影响混凝土的强度变化。
混凝土抗压强度检测报告可用于监测及时发现并纠正生产和工程扩建中的问题。
3.质量管理:混凝土抗压强度检测报告可评估项目工程品质,并为项目管理提供有效的工程材料质量检验和管理。
此外,它还为工程质量标准的制定提供依据,有助于项目管理者制定高质量的计划和接受标准。
二、混凝土抗压强度检测报告的内容混凝土抗压强度检测报告主要包括以下内容:1.检测单位、检测时间和样本编号:说明测试结果具有的权威性和可靠性,也方便抽样单位进行再次检测,并采取进一步的措施或处理手段。
2.混凝土配方:包括设计强度等级、水灰比、水泥种类、骨料种类和混凝土制备方法等等信息。
3.取样:样品采集的位置、数量、形状和尺寸等信息。
样品选取的位置应当与建筑设计或改造工程的性质一致。
4.检验结果:包括初次沉淀、稠度、细度、抗压强度,记录每天测试数据及最终测试,同时,需要强调非标准检测的纠正系数。
5.检测结论:基于结果和准则,检测机构应当提供量化建议或意见,说明混凝土检测的支持或不支持的情况。
三、混凝土抗压强度检测报告的标准混凝土抗压强度检测报告必须符合以下标准:1.国家标准:如《混凝土抗压强度检验方法标准》、《混凝土性质试验标准》等。
混凝土强度报告混凝土强度是评定混凝土质量的重要指标之一,也是混凝土工程设计和施工过程中必须要重视的参数。
混凝土的强度直接影响着工程的安全性和耐久性,因此对混凝土强度进行准确的测试和报告是至关重要的。
一、强度测试方法。
混凝土强度的测试方法主要包括非破坏性测试和破坏性测试两种。
非破坏性测试方法包括超声波检测、回弹法和电阻法等,这些方法适用于对已经施工完成的混凝土进行检测。
而破坏性测试方法则包括圆锥压测、钢筋拉拔试验和剪切试验等,这些方法需要在实验室环境下进行。
二、强度报告内容。
混凝土强度报告应包括以下内容,混凝土强度等级、试块编号、配合比、试验日期、试验地点、试验人员、试验方法、试验结果等。
其中,试验结果是最为重要的部分,通常以试块抗压强度的形式进行报告,报告中需注明试验的具体参数和结果。
三、强度报告的意义。
混凝土强度报告不仅是对混凝土质量的一次检验,更是对施工工艺和材料配合比的一次验证。
通过强度报告,可以及时发现混凝土质量存在的问题,及时采取措施加以修复,确保工程的安全性和稳定性。
四、强度报告的应用。
混凝土强度报告在工程建设中具有广泛的应用价值,可以作为施工单位和监理单位评定混凝土质量的重要依据,也可以作为工程验收的必备文件。
在工程质量事故发生时,强度报告更是作为判定责任和赔偿的重要证据。
五、强度报告的规范性。
为了确保混凝土强度报告的准确性和可靠性,相关部门应当建立统一的报告标准和测试流程,对试验人员进行严格的培训和考核,确保测试结果的准确性和可比性。
同时,对于报告中的数据和信息应当进行严格的保密,避免造假和篡改的情况发生。
六、结论。
混凝土强度报告是工程建设中必不可少的一环,它直接关系到工程的安全和质量。
因此,在进行强度测试和编写报告时,需要严格按照相关标准和规范进行操作,确保报告的准确性和可靠性,为工程的顺利进行提供保障。
同时,也需要加强对报告的应用和管理,确保其在工程建设中发挥应有的作用。
混凝土强度检测报告是建筑工程中必不可少的一项检测和评估工作。
它通过对混凝土强度的测试和分析,评估混凝土所能承受的力量和承载能力,以便于确定建筑物的结构安全性。
本文将从以下几个方面,介绍的相关内容。
一、检测方法和工具混凝土强度检测的方法一般有两种,一种是现场拌制试块法,另一种是取芯检测法。
其中,现场拌制试块法是比较传统的方法,主要通过在现场采集混凝土样品,并制成标准试块进行试验。
而采用取芯检测法,则是通过从混凝土中取出芯片,送到实验室进行试验。
两种方法各有优缺点,根据具体情况进行选择。
在具体工作中,常用的检测工具包括钢筋探测仪、强度试验机、钻机、电锤、电铃锤等。
这些工具的正确使用可以更好的保证检测结果的准确性和可靠性。
二、测试标准和评价指标混凝土强度检测的测试标准主要有国家标准和行业标准。
其中,国家标准《混凝土强度检验方法标准》(GB/T 50081-2002)是混凝土强度检测中最核心和最基础的标准。
该标准规定了混凝土强度检测的各项指标和要求,以及方法和步骤等。
在具体检测中,主要评价指标包括混凝土抗压强度、抗拉强度、抗折强度等。
其标准范围和评价要求,也都有着明确的规定和要求。
三、检测报告的内容和形式作为建筑工程中重要的一环,其具体内容和形式也是有比较明确的标准和规定的。
一份完整的检测报告通常包括以下几个方面的内容:混凝土取样、试验项目、结果予评定、结果分析、结论、附录等。
除此之外,报告还应该有可读性强、表述清晰、形式规范等方面的要求和限制。
四、检测意义和应用领域混凝土强度检测在建筑工程中的意义是非常重要的,它直接关乎到建筑物的安全性和稳定性。
在工程中,混凝土强度检测可应用于各个阶段,包括施工前、中、后等不同时期。
其检测结果可以为设计、施工、验收和保养提供科学依据,为建筑物的强度和承载能力提供有效支撑。
总之,是建筑工程中不可或缺的一项检测和评估工作。
其工作程序和规范性要求都比较明确,必须严格遵循相关标准和规定。
报告目录一、工程概况 (1)二、检测目的、内容和设备 (2)三、操作规程 (2)四、数据处理 (4)五、混凝土构件强度 (8)混凝土强度检测报告(回弹法)一、工程概况受建工股份有限公司的委托,工程检测咨询有限公司对项目2#楼的混凝土结构进行无损检测,工程概况详见表1.1。
表1.1项目概况工程名称工程地点建设单位施工单位《混凝土结构工程施工质量验收规范》(GB 50204-2002)检测依据《混凝土结构现场检测技术标准》(GB/T 50784-2013)《回弹法检测混凝土抗压强度技术规程》(JGJ/T 23-2011)检测目的设计强度等级混凝土强度C50检测方法检测日期回弹法2019.03.06二、检测目的、内容和设备2.1检测目的检测结构混凝土抗压强度,为结构混凝土的质量评定及处理提供依据。
2.2检测内容采用回弹仪测试混凝土表面回弹值,然后根据回弹值推定结构强度。
2.3检测设备(1)回弹仪本次检测采用ZC3-A砼回弹仪(设备编号ZD-ZTYQ-01),检定有效期至2020.4.11,其中技术参数如表2.1所示。
表2.1ZC3-A型回弹仪技术参数表型号及编号标称动能钢砧率定值弹击锤冲击长度弹击杆端部球面半径ZC3-A型砼回弹仪2.207J80±275±0.3mm25±1mm(2)锤等工具;(3)碳化深度测定仪;(4)1%酚酞酒精试剂。
三、操作规程3.1抽样方式结构或构件混凝土强度检测可采用下列两种方式:(1)单个构件适用于单个结构或构件的检测。
(2)批量检测适用于在相同生产工艺条件下,混凝土强度等级相同,原材料、配合比、成型工艺、养护条件基本一致且龄期相近的同类结构或构件。
按批检测的构件,抽检数量不得少于同批构件总数的30%且构件数量不得少于10件。
抽检构件时,应随机抽取并使所选构件具有代表性。
3.2测区数量每一结构或构件测区数不应少于10个,对某一方向尺寸小于4.5m且另一方向尺寸小于0.3m的构件,其测区数量可适当减少但不应少于5个。
混凝土抗压强度试验报告引言本报告旨在对混凝土的抗压强度进行试验,并通过实验结果分析其性能特点。
试验过程严格按照相关标准进行,以确保结果的准确性和可靠性。
试验目的本次试验主要目的如下:1. 测定混凝土的抗压强度,评估其结构强度;2. 分析混凝土的结构特点;3. 探究混凝土遇到外部压力时的变形及破坏形式。
试验方法本次试验采用了常用的压力试验方法,具体步骤如下:1. 准备试件:根据标准规定制作混凝土试件,并养护一定时间;2. 样品标识:为每个试件进行标识,记录其相关参数;3. 试验装置准备:准备好用于施压的试验机,并检查其设备状态是否正常;4. 试验程序设置:根据试验要求,设置合适的试验程序,包括施压速度和测量数据频率等;5. 施压:将试件放入试验机中,按照设定的压力速度进行施压;6. 数据记录:记录每个试件的应力和应变的变化情况;7. 试验结果分析:根据记录的数据,计算并分析试件的抗压强度和变形特性。
试验结果根据试验结果,我们得到了每个试件的抗压强度数据,见下表:结果分析根据试验结果,我们可以得出以下结论:1. 所有试件的抗压强度均满足设计要求,具备足够的结构强度;2. 试件2具有最高的抗压强度,而试件3具有最低的抗压强度;3. 通过分析试件的应力-应变曲线,可以观察到试件在受力过程中的变形特点。
结论根据本次试验的结果和分析,我们可以得出以下结论:1. 混凝土具备良好的抗压强度,适用于各种建筑结构;2. 在混凝土的施工过程中,应严格按照标准要求进行试件制作和养护,以确保其性能和质量;3. 深入研究混凝土的结构特点和变形规律,有助于优化建筑设计和结构改进。
参考文献1. 《混凝土抗压强度试验方法》国家标准 GB/T -20022. 《混凝土结构设计规范》国家标准 GB -2010以上是关于混凝土抗压强度试验的报告内容,希望能对您有帮助。
混凝土抗压强度试验报告格式混凝土抗压强度试验报告格式一、引言本次试验是为了检测混凝土的抗压强度,并将试验结果进行分析和总结,以便为混凝土材料的质量控制提供参考。
二、试验目的本次试验的主要目的是测定混凝土的抗压强度,同时也要评估混凝土的质量和性能。
三、试验原理混凝土的抗压强度试验是通过施加压力来测量混凝土的质量和强度。
试验中,将混凝土样本放置在压力机上,在一定的载荷下测量其抗压强度。
试验过程中,需要按照相关标准进行操作,以确保试验结果的准确性和可靠性。
四、试验设备和试验材料1. 压力机:最大压力为XXXkN;2. 混凝土样品:制备成50mm×50mm×50mm的立方体样本,样品数量为X个;3. 试验机夹具。
五、试验步骤1. 样品制备:按照相关标准制备混凝土样品;2. 样品标识:在每个样品上标明编号;3. 样品养护:在混凝土样品制备后,进行养护;4. 样品测量:在样品养护完毕后,测量每个样品的尺寸;5. 试验操作:将样品放置在压力机上,按照相关标准进行试验;6. 记录数据:在试验过程中,记录每个样品的最大载荷和破坏载荷;7. 数据分析:根据试验结果,计算每个样品的抗压强度,并做出图表。
六、试验结果与分析1. 试验数据:表格形式呈现每个样品的最大载荷和破坏载荷;2. 抗压强度计算:根据每个样品的最大载荷和尺寸计算抗压强度;3. 抗压强度分析:对每个样品的抗压强度进行分析,比较各个样品之间的差异。
七、结论1. 试验结果表明,样品X的抗压强度为XXXMPa;2. 根据试验结果,可以评估混凝土的质量和性能,为混凝土材料的质量控制提供参考。
八、参考文献1. GB/T 50081-2002《混凝土抗压强度试验方法标准》;2. GB/T 50082-2009《混凝土抗拉强度和抗折强度试验方法标准》;3. GB/T 50083-2009《混凝土试件制备方法标准》。
回弹法检测混凝土强度试验报告混凝土强度试验是评估混凝土抗压能力的重要手段之一、而回弹法则是一种比较简单、快速且经济的检测方法,常用于实际工程中对混凝土强度进行初步评估。
本报告旨在对回弹法检测混凝土强度试验进行详细描述和分析。
一、试验目的本试验目的为通过回弹法对混凝土强度进行初步评估,并与实际强度进行对比,以验证回弹法的可靠性和准确性。
二、试验原理回弹法是根据混凝土在受力时的回弹特性来推测混凝土抗压强度的一种检测方法。
回弹锤经标准落锤,从一定高度自由落锤向混凝土表面连续锤击,回弹距离被测量。
根据回弹距离的大小,结合标准曲线,可以推算出混凝土的抗压强度。
三、试验装置和试验方法1.试验装置(1)回弹锤:通常由重锤、击杆、测量仪表组成;(2)试验表面:混凝土试件表面应为水平光滑;(3)试验支承:确保试件牢固支撑。
2.试验方法(1)选择回弹点:在试件表面选择5个以上的回弹点,要避免有裂缝、空洞、砂浆脱落或已经脱落的区域。
(2)回弹测量:用回弹锤按一定标准进行连续锤击,记录回弹锤的反弹距离。
(3)记录数据:记录每个回弹点的反弹距离,并计算平均值作为试验结果。
(4)试验后处理:根据实验结果和标准曲线推算混凝土的抗压强度。
四、试验结果及分析根据以上试验方法进行试验后,得到多个回弹点的反弹距离数据,如下表所示:序号,回弹点,反弹距离(mm)------,-------,--------------1,A,502,B,453,C,484,D,475,E,46将这些数据代入标准曲线中,可以得到相应的抗压强度值。
假设根据实际试验得到的标准曲线为:y=0.7x+5.6,其中x为反弹距离,y为混凝土抗压强度。
根据标准曲线,计算得到每个回弹点的抗压强度值如下:序号,回弹点,反弹距离(mm),抗压强度(MPa)------,-------,--------------,----------------1,A,50,422,B,45,38.53,C,48,40.64,D,47,40.15,E,46,39.5综合计算得到平均抗压强度为40.9MPa。
混凝土强度试验报告心得引言混凝土是一种常见的建筑材料,其强度是评判混凝土质量的重要指标之一。
为了控制混凝土的质量,我们需要进行混凝土强度试验。
通过试验可以了解混凝土强度的表现,从而确定混凝土的适用范围和施工工艺。
在进行混凝土强度试验的过程中,我们遵循了相关的试验标准和操作规程,并根据试验结果进行了数据处理和分析。
通过本次试验,我深刻体会到了混凝土强度试验的重要性和难点所在。
试验过程本次试验使用的试块采用了常见的圆柱形,试块尺寸为150mm ×300mm。
试验采用了常用的压力试验机进行测试,同时配备了读数仪器和数据记录仪。
试验前,我们按照试验标准的要求,精确称量了混凝土的配合比,并对试块进行了振实和养护,以确保试块的质量一致性。
在试验过程中,我们按照标准规程,把试块放置在试验机上,并通过调整试验机的加载速度和加载方式,让试块逐渐承受一定的压力。
同时,我们记录了试验机加载时的读数,并在达到极限强度后停止加载,并记录此时试验机的读数。
通过试验机的读数和试块的尺寸,我们可以计算出试块的抗压强度。
数据处理与分析通过对试验结果的处理与分析,我们得到了如下数据:试块编号直径(mm) 高度(mm) 极限抗压强度(MPa)1 148.3 298.5 33.22 148.6 299.1 32.93 148.4 299.2 32.84 148.8 299.3 32.55 148.7 299.0 32.76 148.5 299.4 32.4通过对以上数据进行统计和分析,我们得到了如下结论:1. 在试验中,使用了6个试块进行测试,从数据上来看,试块的直径和高度相对稳定,符合试验标准的要求。
2. 试块的极限抗压强度的平均值为32.85MPa,最大抗压强度为33.2MPa,最小抗压强度为32.4MPa。
3. 根据试验结果,我们可以认为该混凝土配合比合理,强度满足设计要求。
心得体会在进行混凝土强度试验的过程中,我深刻体会到了试验前的准备工作的重要性。
一、实验目的1. 了解混凝土强度检测的基本原理和方法。
2. 掌握混凝土抗压强度试验的操作步骤。
3. 培养实验操作技能和数据处理能力。
二、实验原理混凝土强度是指混凝土抵抗外力作用的能力,通常以抗压强度为主要指标。
本实验采用标准立方体试件,在特定条件下进行抗压强度试验,根据破坏时的最大荷载值计算混凝土的抗压强度。
三、实验仪器与材料1. 实验仪器:万能试验机、百分表、直尺、钢球、混凝土试模、砂石、水泥、水等。
2. 实验材料:C30混凝土。
四、实验步骤1. 混凝土制备:根据配合比,称取水泥、砂石、水等材料,进行搅拌、振捣成型,制作C30混凝土试件。
2. 试件养护:将试件放置在标准养护箱中,养护28天。
3. 试件准备:将养护好的试件取出,用直尺测量试件尺寸,确保试件尺寸符合要求。
4. 抗压强度试验:将试件放入万能试验机夹具中,调整试验机至合适位置,启动试验机,以规定的速度进行加载,直至试件破坏。
5. 数据记录:记录破坏时的最大荷载值,计算混凝土的抗压强度。
五、实验结果与分析1. 实验数据记录:试件编号 | 尺寸(mm) | 最大荷载(kN) | 抗压强度(MPa)-------- | -------- | -------- | --------1 | 150×150×150 | 345.2 | 23.012 | 150×150×150 | 348.5 | 23.613 | 150×150×150 | 342.8 | 22.932. 数据分析:根据实验数据,C30混凝土的平均抗压强度为23.32MPa,符合设计要求。
六、实验总结1. 本实验通过混凝土抗压强度试验,掌握了混凝土强度检测的基本原理和方法。
2. 实验过程中,操作规范,数据记录准确,计算结果可靠。
3. 通过本次实验,提高了实验操作技能和数据处理能力。
七、注意事项1. 实验过程中,操作要规范,确保实验数据准确可靠。
混凝土强度报告背景混凝土是一种常用的建筑材料,具有良好的耐久性和承载能力。
在工程建设中,混凝土强度是评判混凝土质量的重要指标,关系到建筑物的安全性和使用寿命。
因此,准确测定混凝土强度并对其进行分析具有重要意义。
目标本报告的目标是通过对已有混凝土强度数据进行分析,了解混凝土强度的分布规律和影响因素,并提出针对混凝土强度提升的建议。
数据来源本次报告所使用的数据来自一座城市的建筑工程。
该工程使用的混凝土强度数据经过测试和记录,包含了1000个样本。
每个样本的混凝土强度以MPa(兆帕)为单位进行表示。
数据分析数据统计首先,我们对数据进行统计分析,以了解混凝土强度的分布情况和基本统计特征。
统计指标值样本数量1000平均值40.52 MPa中位数41.25 MPa最小值25.63 MPa最大值62.17 MPa标准差7.81 MPa偏度系数-0.15峰度系数0.80从统计数据中可以看出,1000个混凝土强度样本的平均值为40.52 MPa,中位数为41.25 MPa,呈现出略微的负偏态分布,峰度系数表明数据分布相对于正态分布来说较为平缓。
数据分布分析接下来,我们通过绘制直方图和概率密度曲线来进一步分析混凝土强度的分布情况。
从直方图可以看出,混凝土强度主要集中在40-45 MPa范围内,呈现出一定的正态分布。
但也存在一些样本的强度较低或较高,这可能与施工过程中的操作和材料质量有关。
概率密度曲线进一步展示了混凝土强度的分布情况,在整体上呈现出典型的钟形曲线,符合正态分布的特征。
影响因素分析为了更好地理解混凝土强度的影响因素,我们对数据进行了相关性分析,并筛选出两个与混凝土强度密切相关的因素进行进一步研究,分别是水灰比和龄期。
首先,我们绘制了混凝土强度与水灰比之间的散点图,并计算了它们之间的相关系数。
相关系数为-0.60,表示混凝土强度与水灰比呈现出中度负相关。
这意味着水灰比越低,混凝土强度越高。
接下来,我们绘制了混凝土强度与龄期之间的散点图,并计算了它们之间的相关系数。