01单芯电缆线路接地系统的 处理及感应电势计算
- 格式:pdf
- 大小:580.21 KB
- 文档页数:6
浅谈高压电缆金属屏蔽层接地问题电力安全规程规定:电气设备非带电的金属外壳都要接地,因此电缆的铝包或金属屏蔽层都要可靠接地。
10kV高压电缆金属屏蔽层通常采用两端直接接地的方式。
这是由于10千V电缆多数是三芯电缆的缘故。
上世纪中期前,10kV 电缆均采用油浸纸绝缘三芯电缆。
结构多为统包型,少量为分相屏蔽型。
上世纪末期开始大量使用交联聚乙烯绝缘分相屏蔽三芯电缆,逐步淘汰了油纸电缆。
九十年代以来,随着城市经济建设的迅猛发展,负荷密度增大,环网开关柜等小型设备的应用,城市变电所出线和电缆网供电主干线电缆开始采用较大截面单芯电缆。
单芯电缆的使用提高了单回电缆的输送能力,减少了接头,短段电缆可以使用,方便了电缆敷设和附件安装,也由此带来了金属屏蔽接地方式的问题。
标签:三芯电缆、单芯电缆、一端接地一、单芯电缆金属护套工频感应电压计算单芯电缆芯线通过电流时,在交变电场作用下,金属屏蔽层必然感应一定的电动势。
三芯电缆带平衡负荷时,三相电流向量和为零金属屏蔽上的感应电势叠加为零,所以可两端接地。
单芯电缆每相之间存在一定的距离,感应电势不能抵消。
金属屏蔽层感应电压的大小与电缆长度和线芯负荷电流成正比,还与电缆排列的中心距离、金属屏蔽层的平均直径有关。
1、电缆正三角形排列时,以YJV-8.7/12kV-1×300mm2单芯电缆为例,电缆屏蔽层平均直径40mm,PVC护套厚度3.6mm,当电缆“品”字形紧贴排列,负荷电流为200A时,算得电缆护层的感应电压为每公里10.7V。
2、电缆三相水平排列时,设电缆间距相等,当三相电缆紧贴水平排列,其它条件与1相同时,算得边相的感应电压为每公里16.9V,中相的感应电压为每公里10.7V;当电缆间距200mm时,算得边相的感应电压为每公里36.1V,中相的感应电压为每公里31V。
边相感应电压高于中相感应电压。
(1)当电缆长度与工作电流较大的情况下,感应电压可能达到很大的数值。
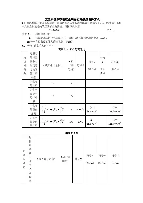
交流系统单芯电缆金属层正常感应电势算式
0.1 交流系统中单芯电缆线路一回或两回的各相按通常配置排列情况下,在电缆金属层上任一点非直接接地处的正常感应电势值,可按下式计算:
Es=L*Es0 (F.0.1)
式中 Es――感应电势(V);
L――电缆金属层的电气通路上任一部位与其直接接地处的距离(km);
Es0――单位长度的正常感应电势(V/km)。
0.2 Es0的表达式见表F.0.2。
表F.0.2 Es0的表达式
注:1 ω=2Лf;
2 r――电缆金属层的平均半径(m);
3 I――电缆导体正常工作电流(A);
4 f――工作频率(Hz);
5 S――各电缆相邻之间中心距(m);
6 回路电缆情况,假定其每回I、r均等。
1.设计电压电缆及附件的设计必须满足额定电压、雷电冲击电压、操作冲击电压和系统最高电压的要求。
其定义如下:额定电压额定电压是电缆及附件设计和电性试验用的基准电压,用U0/U表示。
U0——电缆及附件设计的导体和绝缘屏蔽之间的额定工频电压有效值,单位为kV;U——电缆及附件设计的各相导体间的额定工频电压有效值,单位为kV。
雷电冲击电压UP——电缆及附件设计所需承受的雷电冲击电压的峰值,既基本绝缘水平BIL,单位为kV。
操作冲击电压US——电缆及附件设计所需承受的操作冲击电压的峰值,单位为kV。
系统最高电压Um——是在正常运行条件下任何时候和电网上任何点最高相间电压的有效值。
它不包括由于故障条件和大负荷的突然切断而造成的电压暂时的变化,单位为kV。
定额电压参数见下表(点击放大)330kV操作冲击电压的峰值为950kV;500kV操作冲击电压的峰值为1175kV。
2.导体电阻2.1导体直流电阻单位长度电缆的导直流电阻用下式计算:式中:R,——单位长度电缆导体在0 ℃温度下的直流电阻;A——导体截面积,如导体右n根相同直径d的导线扭合而成,A=n n d2/4;p 20——导体在温度为20℃时的电阻率,对于标准软铜p 20=0.017241。
, mm2/m:对于标准硬铝:p 20=0.02864。
,mm2/m;首页1234a ——导体电阻的温度系数(1/℃);对于标准软铜:=0.00393℃-1;对于标准硬铝:=0.00403 ℃-1;k1——单根导线加工过程引起金属电阻率的增加所引入的系数。
一般为1.02-1.07 (线径越小,系数越大);具体可见《电线电缆手册》表3-2-2;k2——用多根导线绞合而成的线芯,使单根导线长度增加所引入的系数。
对于实心线芯,=1;对于固定敷设电缆紧压多根导线绞合线芯结构,=1.02 (200mm2以下)〜1.03 (240mm2 以上)k3——紧压线芯因紧压过程使导线发硬、电阻率增加所引入的系数(约1.01);k4——因成缆绞合增长线芯长度所引入系数,对于多芯电缆及单芯分割导线结构,(约1.11);]k5——因考虑导线允许公差所引入系数,对于紧压结构,约1.01;对于非紧压型,k5=[d/(d-e)]2 (d为导体直径,e为公差)。
单回路高压单芯电缆金属护套感应电压及限制措施发表时间:2019-12-27T10:51:41.343Z 来源:《中国电业》2019年第18期作者:韦华[导读] 随着社会的发展和进步,现阶段社会各个行业越来越多的拓展了其发展规模摘要:随着社会的发展和进步,现阶段社会各个行业越来越多的拓展了其发展规模,因此大型企业对供电量的需求也越来越高,但由于化工行业在内的多种大型企业自身的供电需求以及生产限制,使得在企业内部不方便进行架空线路的建设,由此厂区内的主要供电线路会使用电缆在桥架中进行敷设的方法,以此满足企业的生产用电需求。
但对于类似110kv单回路高压单芯电缆线路的使用来说,在正常情况下会由于电缆的长度增加而产生更多的问题。
例如电缆金属护套的发热等问题。
从而需要对这些实际存在的问题进行有效的解决和控制,以此确保企业的生产稳定和生产安全。
关键词:单回路高压单芯电缆:电缆金属护套;感应电压及限制措施一、单回路高压单芯电缆金属护套感应电压概述随着社会各行业生产技术和生产规模的逐渐扩大,现阶段采用单回路高压单芯电缆进行供电的企业,在实际生产的整个过程中会由于单回路高压单芯电缆金属护套产生过高的感应电压,而切实影响到生产的稳定进行和生产过程的安全。
从而需要对这一问题进行有效的解决。
具体的,对于金属护套感应电压的产生,是因为当单芯电缆线中有相应的交变电流流过时,交变电流本身周围就会存在交变磁场,从而交变磁场会与电缆回路形成交变磁通,也从而使其与电缆的金属护套产生交链,至此,金属护套就会带有一定的感应电压,感应电压的实际存在会切实影响到线路的检修和维护,并且感应电压所引起的感应电流,会造成金属护套发热严重,进一步使得电能过多的浪费,并降低电缆的载流量,最终会使得电缆加速老化和出现绝缘方面的问题。
从而对于实际使用造成较大的安全隐患和威胁。
根据国标中制定的相关规范和要求,在GB50217-2017《电力工程电缆设计规范》中提出:在没有采取相应能够有效防止人员接触金属护套而产生安全事故的基础上,交流单芯电力电缆整个线路产生的感应电压不应该超过50V。
单芯电缆线路接地系统的处理及感应电势计算1 概述一般情况下,高压电力电缆和截面较大的中压电力电缆常常制造成单芯结构。
在单芯电缆线路的敷设过程中,常常要涉及到电缆的接地方式及电缆金属屏蔽的感应电势计算。
单芯电缆的导线与金属屏蔽的关系,可看作一个变压器的初级绕组与次级绕组。
当电缆的导线通过交流电流时,其周围产生的一部分磁力线将与屏蔽层铰链,使屏蔽层产生感应电压,感应电压的大小与电缆线路的长度和流过导体的电流成正比,电缆很长时,护套上的感应电压叠加起来可达到危及人身安全的程度,在线路发生短路故障、遭受操作过电压或雷击冲击时,屏蔽上会形成很高的感应电压,甚至可能击穿护套绝缘。
如果屏蔽两端同时接地使屏蔽线路形成闭合通路,屏蔽中将产生环形电流,电缆正常运行时,屏蔽上的环流与导体的负荷电流基本上为同一数量级,将产生很大的环流损耗,使电缆发热,影响电缆的载流量,减短电缆的使用寿命。
因此,电缆屏蔽应可靠、合理的接地,电缆外护套应有良好的绝缘。
2 几种常用的接地方式以下是单芯电缆线路接地线路的几种常用接地方式:2.1 屏蔽一端直接接地,另一端通过护层保护接地当线路长度大约在500~700m及以下时,屏蔽层可采用一端直接接地(电缆终端位置接地),另一端通过护层保护器接地。
这种接地方式还须安装一条沿电缆线路平行敷设的回流线,回流线两端接地。
敷设回流线时应使它与中间一相电缆的距离为0.7s(s为相邻电缆间的距离),并在线路一半处换位。
见图1:图11、电缆2、终端3、电缆金属屏蔽(护套)接地线4、护层保护器5、接地保护箱6、回流线7、接地箱2.2 屏蔽中点接地当线路长度大约在1000~1400m时,须采用中点接地方式。
在线路的中间位置,将屏蔽直接接地,电缆两端的终端头的屏蔽通过护层保护器接地。
中间接地点一般需安装一个直通接头。
见图2:图21、电缆2、终端3、电缆金属屏蔽(护套)接地线4、保护器5、接地保护箱6、接地线7、接地箱8、中间接地点(直通接头)中点接地方式也可采用第二种方式,即在线路中点安装一个绝缘接头,绝缘接头将电缆屏蔽断开,屏蔽两端分别通过护层保护器接地,两电缆终端屏蔽直接接地。
单芯电力电缆接地系统的处理电缆接地监控箱、接地保护箱电缆护层保护器电缆固定夹具系列资料汇编长沙电缆附件有限公司2008.12目录前言 (2)第一章单芯电缆线路接地系统的处理 (3)第一节A、B、C、三相单芯电缆基本的接地方式 (5)第二节单相单芯电缆基本的接地方式 (10)第三节接地电缆(线)的基本要求..................... 错误!未定义书签。
第四节直通接头、绝缘接头、接地接线盒简介... 错误!未定义书签。
第二章单芯电缆接地环流监测箱. (15)第三章27.5kV单芯电缆护层保护箱(/器) (17)第四章10kV单芯电缆护层保护器 (19)第五章电缆终端固定与电缆固定夹具 (19)一、27.5kV电缆户外终端典型安装固定示意图...... 错误!未定义书签。
二、27.5kV电缆户外终端头与端子板部尺寸图 (21)三、电缆固定夹具系列产品 (22)1、单孔铝合金系列电缆固定夹具 (22)2、三孔“品字形”铝合金系列电缆固定夹具 (24)3、三孔“一字形”铝合金系列电缆固定夹具 (25)4、壁挂式电缆固定夹具 (27)5、悬挂式电缆固定夹具 (28)6、壁挂式电缆固定挂钩 (30)前言目前,对运行中的电力电缆进行安全性能进行有效监控,还是个棘手问题,特别是对电缆线路的绝缘缺陷与老化的监控,除采取局部放电在线监测技术外,没有其他可行的办法。
但在线监测方法容易受到环境干扰影响产生误判、漏判,且成本费用较高,没有实际运行作用。
根据对电缆线路的故障统计与分析,三芯电缆线路约10%为产品本身的制造质量问题,50%为施工(电缆敷设与电缆头的制作安装)质量引起,40%为外力损伤电缆;单芯电缆线路有约10%为产品本身的制造质量问题,30%为施工(电缆敷设与电缆头的制作安装)质量引起,20%接地方式不符合规范,40%为外力损伤电缆外护套或及主绝缘。
选择结构形式合适,质量可靠的电缆及电缆附件是确保电缆系统安全运行的首选条件。
浅谈风电场单芯电力电缆控制感应电压戴晓亮李腾飞姚一波(特变电工新疆新能源股份有限公司,陕西西安710119)引言随着国民经济快速发展,国民对于电力负荷用电量大幅增加,且随着城市建设对于景观的要求,电力电缆在风电场配电系统的应用越来越多,而单芯高压电缆也越来越多。
但是由于单芯电缆在实际用过程中存在感应电压,在施工过程中,容易形成感应电流,造成电缆屏蔽层过热,进而出现事故。
导致单芯电力电缆的应用不能被广大电力公司所接受。
鉴于以上原因,通过与各大设备厂家沟通,并借阅相关国家标准规范,指定出一套有利于在实际电力工程中应用的方法。
1项目概述根据电力安全规程规定:35kV及以下电压等级的三芯电缆都采用两端接地方式,这是因为在正常运行中,流过三个线芯的电流总和为零,在铝包或金属屏蔽层外基本上没有磁链,这样,在铝包或金属屏蔽层两端就基本上没有感应电压,所以两端接地后不会有感应电流流过铝包或金属屏蔽层。
但当采用单芯电缆,它的线芯与金属屏蔽层的关系,可看作一个变压器的初级绕组中线圈与铁芯的关系。
当单芯电缆线芯通过电流时就会有磁力线交链铝包或金属屏蔽层,使它的两端出现感应电压。
这部分磁通使金属护套产生的感应电压数值与电缆排列中心距离和金属护套平均半径之比的对数成正比,并且与导体负荷电缆、频率及电缆长度成正比。
且在等边三角形排列的线路中,三相感应电压相等;在水平排列的线路中,边相的感应电压比中相感应电压高。
在此我们提出一种通过采用接地电阻箱及交叉互联箱的方法降低及消除感应电压、感应电流的方法。
2系统方案电缆护层两端接地,金属护套感应电压会在金属护套中产生循环电缆,此电缆大小与电缆线芯中负荷电流大小密切相关,同时还与间距等因素有关。
循环电流致使金属护套因产生损耗而发热,将降低电缆的输送能量,更有甚者将会发生电缆互层爆炸的危险。
交流系统中单芯电缆线路一回或两回的各相按通常配置排列情况下,在电缆金属层上任一点非直接接地处的正常感应电势值,可按下式计算:E s=L伊E S0(1)E s为感应电势(V);L为电缆金属层的电气通路上任一部位与其直接接地处的距离(km);E s0为单位长度的正常感应电势(V/km)。
浅谈风电场单芯电力电缆控制感应电压在风力发电光伏发电工程施工中,高压(10kV、35kV)单芯电缆的应用能够在很大程度上提高系统电能输送,但是由于电缆感应电压的存在,大多电力公司在单芯电缆应用时都非常谨慎。
文章主要根据电力电缆设计规范及相关安全运行规程,通过计算将35kV及10kV单芯电力电缆感应电压、电流消除的控制在安全规范以内。
标签:发电;单芯电力电缆;感应电压引言随着国民经济快速发展,国民对于电力负荷用电量大幅增加,且随着城市建设对于景观的要求,电力电缆在风电场配电系统的应用越来越多,而单芯高压电缆也越来越多。
但是由于单芯电缆在实际用过程中存在感应电压,在施工过程中,容易形成感应电流,造成电缆屏蔽层过热,进而出现事故。
导致单芯电力电缆的应用不能被广大电力公司所接受。
鉴于以上原因,通过与各大设备厂家沟通,并借阅相关国家标准规范,指定出一套有利于在实际电力工程中应用的方法。
1 项目概述根据电力安全规程规定:35kV及以下电压等级的三芯电缆都采用两端接地方式,这是因为在正常运行中,流过三个线芯的电流总和为零,在铝包或金属屏蔽层外基本上没有磁链,这样,在铝包或金属屏蔽层两端就基本上没有感应电压,所以两端接地后不会有感应电流流过铝包或金属屏蔽层。
但当采用单芯电缆,它的线芯与金属屏蔽层的关系,可看作一个变压器的初级绕组中线圈与铁芯的关系。
当单芯电缆线芯通过电流时就会有磁力线交链铝包或金属屏蔽层,使它的两端出现感应电压。
这部分磁通使金属护套产生的感应电压数值与电缆排列中心距离和金属护套平均半径之比的对数成正比,并且与导体负荷电缆、频率及电缆长度成正比。
且在等边三角形排列的线路中,三相感应电压相等;在水平排列的线路中,边相的感应电压比中相感应电压高。
在此我们提出一种通过采用接地电阻箱及交叉互联箱的方法降低及消除感应电压、感应电流的方法。
2 系统方案电缆护层两端接地,金属护套感应电压会在金属护套中产生循环电缆,此电缆大小与电缆线芯中负荷电流大小密切相关,同时还与间距等因素有关。
高压单芯电缆感应电压及电流的消除方法文章主要阐述了在化工类工厂供电敷设35kV和10kV单芯电力电缆过程中感应电压、电流的产生原因及几种具体的消除方法。
标签:高压单芯电缆;感应电压及电流;敷设及金属保护层接地方法随着石油化工企业规模越来越大,企业的供电电压等级也越来越高,故35kV、10kV供电线路采用电缆在桥架中敷设的方式越来越广泛,由于很多施工人员对于电力电缆的施工要求及相关标准并不十分清楚,本文主要分析了35kV、10kV单芯电缆在敷设过程中经常遇到感应电压及电流的消除问题,并阐述了不同情况下几种具体的解决方案。
1 单芯电缆感应电压产生原因当单芯电缆线芯流过交变电流时,交变电流的周围必然产生交变磁场,形成与电缆回路相交联的磁通,也必然与电缆的金属护套相交联,所以当采用单芯电缆,它的线芯与金属屏蔽层的关系,可看作一个变压器的初级绕组中线圈与铁芯的关系。
当单芯电缆线芯通过电流时就会有磁力线交链铝包或金属屏蔽层,使它的两端出现感应电压。
2 根据规范探究消除感应电压的方法根据GB50217-2007电力工程电缆设计规范4.1.10、4.1.11条交流系统单芯电力电缆金属层接地方式的选择,应符合下列规定:(1)交流单芯电力电缆的金属层上任一点非直接接地处的正常感应电势计算,宜符合本规范附录F的规定。
电缆线路的正常感应电势最大值应满足下列规定:未采取能有效防止人员任意接触金属层的安全措施时,不得大于50V;除上述情况外,不得大于300V。
(2)线路不长,且能满足本规范第4.1.10条要求时,应采取在线路一端或中央部位单点直接接地(图1)。
(3)线路较长,单点直接接地方式无法满足本规范第4.1.10条的要求时,水下电缆、35kV及以下电缆或输送容量较小的35kV及以上电缆,可采取在线路两端直接接地(图2)。
(4)除上述情况外的长线路,宜划分适当的单元,且在每个单元内按3个长度尽可能均等区段,应设置绝缘接头或实施电缆金属层的绝缘分隔,以交叉互联接地(图3)。
随着我国电网改造的深入,大量的架空线被电力电缆取代。
电力电缆跟架空线不同,它被埋在地下,运行维护较困难,正确使用电缆,是降低工程投资,保证安全可靠供电的重要条件。
在城市配电网络中,应用最广的是10 kV的电力电缆,一般是使用交联聚乙烯铠装三芯电缆,这种电缆金属护套一般只需直接接地即可。
而单芯电缆金属护套的接地和三芯电缆不同。
现从单芯电缆使用过程中经常被忽略的金属护套的感应电动势,现分析一起变电所单芯电力电缆金属护套错误接地引起的故障,并介绍实用的接地措施。
1 单芯电缆金属护套过电压和环流的产生单芯电力电缆的导体中通过交流电流时,其周围产生的磁场会与金属护套交链,在金属护套上会产生感应电动势。
感应电动势的大小与导体中的电流大小、电缆的排列和电缆长度有关。
对三相等边三角形排列的电缆,如果将金属护套两端直接接地,就会在金属护套中形成环流,环流的大小与电缆相应的长度,导体中电流大小有关。
出于经济安全考虑,在一些电缆不长,导体中电流不大的场合,环流很小,对电缆载流量影响也不大,是可以将金属护套的两端直接接地的。
如果仅将电缆的金属护套一端直接接地,在正常运行时,电缆的金属护套另一端感应电压应不超过50 V(或有安全措施时不超过100 V),否则应划分适当的单元设置绝缘接头。
在发生短路故障时,导体中有很大的电流,可能会在金属护套上产生很高的过电压,危及护层绝缘,因此在电缆线路单相接地时,在电缆的未接地端,应加装过电压保护器接地。
2 单芯电缆金属护套的连接与接地为了解决电缆金属护套两端同时接地存在环流,和一端直接接地,在另一端会出现过电压矛盾的问题,电缆金属护套应针对电缆长度和导体中电流大小采取不同的接地形式。
电缆线路不长时,电缆金属护套应在线路一端直接接地,另一端经过电压保护器接地,如图1所示。
电缆越长,电缆非直接接地端产生的感应电压越高,为保证人身安全,电缆在正常运行时,非直接接地端感应电压应限制在50 V以内,在短路等故障情况下,金属护套绝缘的冲击耐压和过电压保护器在冲击电流作用下的残压,配合系数不小于1.4。
关于单芯电力电缆接地方式关于单芯电力电缆接地方式35kV及以下电压等级的电缆都采用两端接地方式,这是因为这些电缆大多数是三芯电缆,在正常运行中,流过三个线芯的电流总和为零,在铅包或金属屏蔽层外基本上没有磁链。
这样,在铅包或金属屏蔽层两端就基本上没有感应电压,所以两端接地后不会有感应电流流过铅包或金属屏蔽层。
但是当电压超过35kV时,绝大多数采用单芯电缆供电,单芯电缆的导体线芯与金属屏蔽层的关系,可看作一个变压器的初级绕组。
当单芯电缆线芯通过电流时就会有磁力线交链铅包(或铝包)或金属屏蔽层,使它的两端出现感应电压。
感应电压的大小与电缆线路的长度和流过导体的电流成正比,电缆很长时,护套上的感应电压叠加起来可达到危及人身安全的程度,当线路发生短路故障、遭受操作过电压或雷电电压冲击时,电缆的金属屏蔽层上会形成很高的感应电压,甚至可能击穿护套绝缘。
此时,如果仍将铝包或金属屏蔽层两端三相互联接地,则铝包或金属屏蔽层将会出现很大的环流,其值可达线芯电流的50%--95%,形成损耗,使铝包或金属屏蔽层发热,这不仅浪费了大量电能,而且降低了电缆的载流量,并加速了电缆绝缘老化,严重情况会导致电缆的护套着火,因此单芯电缆不应两端接地。
个别情况(如短电缆小于100M或轻载运行时)方可将铝包或金属屏蔽层两端三相互联接地。
然而,当铝包或金属屏蔽层有一端不接地后,接着带来了下列问题:(1)当雷电流或过电压波沿线芯流动时,电缆铝包或金属屏蔽层不接地端就会出现很高的感应性冲击电压;(2)在系统发生短路时,短路电流流经线芯时,电缆铝包或金属屏蔽层不接地端也会出现较高的工频感应电压,在电缆外护层绝缘不能承受这种过电压的作用而损坏时,将导致出现电缆的金属护层多点接地,并在电缆的长度方向上形成多处环流。
因此,在采用一端互联接地时,必须采取措施限制护层上的过电压,安装时应根据线路的不同情况,按照经济合理的原则在铝包或金属屏蔽层的一定位置采用特殊的连接和接地方式,并同时装设护层保护器,以防止电缆护层绝缘被击穿。
交流系统单芯电缆金属套的正常感应电势计算方式,在《电力工程电缆设计标准》GB50217-2018中P79有说明,但是有些参数和取舍还是有待商榷的,同时很多同行也都是靠经验,很少人能够真正的计算一下这个电缆金属套的感应电势,我借助某工程来粗略的计算一下,有些数值为估算,不一定全部正确,算是作为一个工程的总结吧。
某220千伏输电线路工程,双回路,正常运行方式为两个回路分别担负一半的负荷,特殊情况下可以转带变电站全部负荷,其中变电站出站段为电缆出线,电缆出线长度为700米,之后电缆转架空线路至另外一个220千伏变电站,电缆型号为YJLW03-127/220-2500mm2的单芯交联聚乙烯绝缘皱纹铝护套聚乙烯外护套电力电缆,导线型号为双分裂JL/G1A-630/45钢芯铝绞线,地线为两根72芯OPGW-150光缆。
电缆敷设方式为垂直排列(3根电缆直线并列),电缆之间的中心间距为0.35米。
电缆结构图(2500平方截面)根据电缆线路的设计规程规范,需要根据电缆的外护套的接地方式来计算校核该段电缆的正常感应电势,以便保证在该段电缆线路上任意一点的正常感应电势最大值应符合下列规定:1、未采取能有效防止人员任何接触金属套的安全措施时,不得大于50V。
2、除本条第一款规定的情况外,不得大于300V。
根据行业内的常规做法,一般电缆长度不长时,采用一端直接接地,一端经保护器接地的方式,电缆较长时候,采用交叉互联接地方式,电缆输送容量较少或者无法满足上面的规定时候采用两端直接接地的方式。
接地箱这里有个问题就是这个电缆不长,电缆较长和电缆较短的距离,没有定论,一般都是要满足以上的第一、二条规定才行,所以工程实际经验中,这个接地方式的护层电缆计算结果是制约电缆设计重要的因素,但是经常被选择性的忽略计算,也没有一个明确的长度要求,我们在工程实践中一般定义为大于1000米为较长电缆线路,可以选择交叉互联接地方式,小于500米的为较短线路,可以采用一端电缆直接接地,一端采用护层保护器接地,大于500米小于1000米的电缆线路比较尴尬,两个都靠不上,于是一般选择中间单点直接接地,两端采用护层保护器接地方式。
浅析铁路客运专线单芯电缆线路金属护层接地摘要] 铁路客运专线为保证通信、信号等重要负荷的供电可靠性一般设置两路10kV全电缆线路。
为减少电缆线路中间接头、提高电缆线路的供电可靠性,铁路客运专线10kV电力贯通线多采用单芯电缆线路。
本文从单芯电缆结构、金属护层接地原理、接地方式、感应电压计算等方面对单芯电缆线路金属护层接地进行了全面的分析,以期提高客运专线单芯电缆线路的运行可靠性。
[关键词]铁路客运专线、单芯电缆线路、金属护层接地、感应电压计算1 铁路客运专线10kV电力贯通线特点铁路客运专线为保证通信、信号等重要负荷的供电可靠性一般设置两路10kV全电缆线路。
为减少电缆线路中间接头、提高电缆线路的供电可靠性,铁路客运专线10kV电力贯通线多采用单芯电缆线路。
根据我国电力安全规程的规定,电气设备非带电的金属外壳都要接地,因此电缆的金属屏蔽层都要求接地。
对于三芯电缆来说,正常运行时流经三个导电线芯的三相电流相量和为0,在金属屏蔽层两端基本上无感应电压。
但当采用单芯电缆时,其导电线芯有电流通过,就有磁力线交链金属屏蔽层,使金属屏蔽层的两端产生感应电压。
如果接地方式处理不当,将在屏蔽层产生很大的感应电流,从而影响电缆的正常运行,甚至发生事故。
2 单芯电缆的结构及各部分的主要作用单芯电缆从内向外的结构依次为:导体、内半导体层、绝缘层、外半导体层、金属屏蔽层、内护层、金属铠装层、外护层。
(1)导体:传输电能,提供负荷电流的通路。
(2)内半导体层:起均匀导体表面电位的作用,用于改善金属电极表面电场分布,提高绝缘层表面耐电强度。
(3)绝缘层:起绝缘作用,一般采用聚乙烯材料,是将高压电极与地电极可靠隔离的关键部位,能承受工作电压及过电压长期作用,具有较高的耐电强度,能承受发热导体的热效应。
(4)外半导体层:起屏蔽作用,消除绝缘层与金属屏蔽层之间的间隙,用于改善金属电极表面电场分布,提高绝缘表面耐电强度。
(5)金属屏蔽层:也可称作薄铜带屏蔽层,起屏蔽作用,用于形成工作电场的低压电极,提供电容电流及故障电流的通路,以免因短路引起电缆温升过高而损坏绝缘层。
单相接地的处理方法在小电流接地的配电网中一般装设有绝缘监察装置。
当配电网发生单相接地故障时由于线电压的大小和相位不变(仍对称)况且系统的绝缘水平是按线电压设计的所以不需要立即切除故障尚可继续运行不超过2h。
但非故障相对地电压升髙 1.732倍这对系统中的绝缘薄弱点可能造成威胁。
此外在仍可继续运行时间内由于接地点接触不良因而在接地点会产生瞬然熄的间歇性电弧放电并在一定条件激励下产生谐振过电压这对系统绝缘造成的危害更大。
为此必须尽快处理排除单相接地故障确保电网安全可靠运行。
1单相接地故障的特征单相接地(1)配电系统发生单相接地故障时变电所绝缘监察装置的警铃响“XX母线接地”光字牌亮。
中性点经消弧线圈接地的还有“消弧线圈动作”的光字牌。
(2)当生发接故障时绝缘监察装置的电压表指示为:故障相相电压降低或接近零另两相电压高于相电压或接近于线电压。
如是稳定性接地电压表指示无摆动若是电压表指针来回摆动则表明为间歇性接地。
(3)当发生弧光接地产生过电压时非故障相电压很高电压表指针打到头。
同时还伴有电压互感器一次熔丝熔断严重时还会烧坏互感器。
但在某些情况下配电系统尚未发生接地故障系统的绝缘没有损坏而是由于产生不对称状态等绝缘监察也会报出接地信号这往往会引起误判断而停电查找。
2单相接地信号虚与实的判断(1)电压互感器高压熔断器一相熔断报出接地信号时如果故障相对地电压降低而另两相电压升高线电压不变此情况则为单相接地故障。
(2)变电所母线或架空导线的不对称排列;线路中跌落式熔断器一相熔断;使用RW型跌落式开关控制长线路的倒闸操作不同期等均会造成三相对地电容不平衡从而使中性点电压升高而报出接地信号此情况多发生在操作时而线路实际上并未发生接地。
(3)在合闸空母线时由于励磁感抗与对地电抗形成不利组合而产生铁磁谐振过电压也会报出接地信号。
此情况多发生在单相断线间歇性弧光接地等引起的谐振过电压所致而系统并未发生接地故障。
(4)当10kV线路遭受雷击而产生弧光接地时使健全相电压互感器电压突然升高线圈流过很大励磁涌流使互感器铁心磁饱和导致线圈电感减少感抗降低。
单芯电缆线路接地系统的处理及感应电势计算1 概述一般情况下,高压电力电缆和截面较大的中压电力电缆常常制造成单芯结构。
在单芯电缆线路的敷设过程中,常常要涉及到电缆的接地方式及电缆金属屏蔽的感应电势计算。
单芯电缆的导线与金属屏蔽的关系,可看作一个变压器的初级绕组与次级绕组。
当电缆的导线通过交流电流时,其周围产生的一部分磁力线将与屏蔽层铰链,使屏蔽层产生感应电压,感应电压的大小与电缆线路的长度和流过导体的电流成正比,电缆很长时,护套上的感应电压叠加起来可达到危及人身安全的程度,在线路发生短路故障、遭受操作过电压或雷击冲击时,屏蔽上会形成很高的感应电压,甚至可能击穿护套绝缘。
如果屏蔽两端同时接地使屏蔽线路形成闭合通路,屏蔽中将产生环形电流,电缆正常运行时,屏蔽上的环流与导体的负荷电流基本上为同一数量级,将产生很大的环流损耗,使电缆发热,影响电缆的载流量,减短电缆的使用寿命。
因此,电缆屏蔽应可靠、合理的接地,电缆外护套应有良好的绝缘。
2 几种常用的接地方式以下是单芯电缆线路接地线路的几种常用接地方式:2.1 屏蔽一端直接接地,另一端通过护层保护接地当线路长度大约在500~700m及以下时,屏蔽层可采用一端直接接地(电缆终端位置接地),另一端通过护层保护器接地。
这种接地方式还须安装一条沿电缆线路平行敷设的回流线,回流线两端接地。
敷设回流线时应使它与中间一相电缆的距离为0.7s(s为相邻电缆间的距离),并在线路一半处换位。
见图1:图11、电缆2、终端3、电缆金属屏蔽(护套)接地线4、护层保护器5、接地保护箱6、回流线7、接地箱2.2 屏蔽中点接地当线路长度大约在1000~1400m时,须采用中点接地方式。
在线路的中间位置,将屏蔽直接接地,电缆两端的终端头的屏蔽通过护层保护器接地。
中间接地点一般需安装一个直通接头。
见图2:图21、电缆2、终端3、电缆金属屏蔽(护套)接地线4、保护器5、接地保护箱6、接地线7、接地箱8、中间接地点(直通接头)中点接地方式也可采用第二种方式,即在线路中点安装一个绝缘接头,绝缘接头将电缆屏蔽断开,屏蔽两端分别通过护层保护器接地,两电缆终端屏蔽直接接地。
单芯电缆线路接地系统的处理及感应电势计算 1 概述
一般情况下,高压电力电缆和截面较大的中压电力电缆常常制造成单芯结构。
在单芯电缆线路的敷设过程中,常常要涉及到电缆的接地方式及电缆金属屏蔽的感应电势计算。
单芯电缆的导线与金属屏蔽的关系,可看作一个变压器的初级绕组与次级绕组。
当电缆的导线通过交流电流时,其周围产生的一部分磁力线将与屏蔽层铰链,使屏蔽层产生感应电压,感应电压的大小与电缆线路的长度和流过导体的电流成正比,电缆很长时,护套上的感应电压叠加起来可达到危及人身安全的程度,在线路发生短路故障、遭受操作过电压或雷击冲击时,屏蔽上会形成很高的感应电压,甚至可能击穿护套绝缘。
如果屏蔽两端同时接地使屏蔽线路形成闭合通路,屏蔽中将产生环形电流,电缆正常运行时,屏蔽上的环流与导体的负荷电流基本上为同一数量级,将产生很大的环流损耗,使电缆发热,影响电缆的载流量,减短电缆的使用寿命。
因此,电缆屏蔽应可靠、合理的接地,电缆外护套应有良好的绝缘。
2 几种常用的接地方式
以下是单芯电缆线路接地线路的几种常用接地方式:
2.1 屏蔽一端直接接地,另一端通过护层保护接地
当线路长度大约在500~700m及以下时,屏蔽层可采用一端直接接地(电缆终端位置接地),另一端通过护层保护器接地。
这种接地方式还
须安装一条沿电缆线路平行敷设的回流线,回流线两端接地。
敷设回流线时应使它与中间一相电缆的距离为0.7s(s为相邻电缆间的距离),并在线路一半处换位。
见图1:
图1
1、电缆
2、终端
3、电缆金属屏蔽(护套)接地线
4、护层保护器
5、接地保护箱
6、回流线
7、接地箱
2.2 屏蔽中点接地
当线路长度大约在1000~1400m时,须采用中点接地方式。
在线路的中间位置,将屏蔽直接接地,电缆两端的终端头的屏蔽通过护层保护器接地。
中间接地点一般需安装一个直通接头。
见图2:
图2
1、电缆
2、终端
3、电缆金属屏蔽(护套)接地线
4、保护器
5、接地保护箱
6、接地线
7、接地箱
8、中间接地点(直通接头)
中点接地方式也可采用第二种方式,即在线路中点安装一个绝缘接头,绝缘接头将电缆屏蔽断开,屏蔽两端分别通过护层保护器接地,两电缆终端屏蔽直接接地。
见图3:
图3
1、绝缘接头
2、电缆
3、终端
4、电缆金属屏蔽(护套)接地线
5、接地箱
6、接地保护箱
7、保护器
8、接地线
2.3 屏蔽层交叉互联
电缆线路很长时(大约在1000~1400m以上),可以采用屏蔽层交叉互联。
这种方法是将线路分成长度相等的三小段或三的倍数段,每小段之间装设绝缘接头,绝缘接头处三相屏蔽之间用同轴电缆,经交叉互联箱
进行换位连接,交叉互联箱装设有一组护层保护器,线路上每两组绝缘接头夹一组直通接头,见图4。
如果三根电缆的三相长度相等,经交叉互联完成护套完全换位后,金属护中的感应电流为零,感应电动势也为零。
图4
1、绝缘接头
2、电缆
3、终端
4、电缆金属屏蔽(护套)接地线
5、接地箱
6、交叉互联箱
7、同轴电缆
8、接地箱
9、直通接头
3 单芯电缆金属护套感应电势计算
计算中用到的技术参数
U:感应电势 I:电缆额定载流量
L:电缆长度 X:单位长度电抗
Xm:两边电缆单位长度电抗 Xs:中间电缆单位长度电抗
Ds:电缆近似外径 S:相邻电缆中心距离
3.1 电缆敷设方式为平行敷设时的感应电势计算
3.1.1两边电缆金属护套的感应电势
U = I X L= I × × 10-7× L(V)
注:式中 Xm=2ω(ln)× 10-7(Ω/m),
Xs= 2ω(ln)× 10-7(Ω/m)
ω=2πf,f= 50 Hz
3.1.2 中间电缆金属护套的感应电势
U = I Xs L=2 Iω(ln)× 10-7 × L(V)
3.2 电缆敷设方式为三角形敷设时的感应电势计算
如果三根电缆敷设在一等边三角形的三个顶点(即S1 = S2 = S3 = S),则三根电缆的感应电势绝对值相等,有
U = I Xs L=2 Iω(ln)× 10-7 × L(V)
4、结束语
以上为单芯电力电缆接地系统中几种常用的接地处理方式和感应电势的计算方法。
在电缆的实际敷设施工过程中,往往要复杂得多,有可能要用到多种接地方式,应根据现场的具体状况综合考虑;感应电势也应根据现场的实际情况进行计算。