板蓝根颗粒提取批生产记录
- 格式:doc
- 大小:176.50 KB
- 文档页数:13
批号:
板蓝根颗粒浸膏提取批生产记录
目录1封面
2目录
3批生产指令
4领料需料单
5原辅料检验报告单
6批生产记录
6.1净选生产记录
6.2洗涤生产记录
6.3浸润生产记录
6.4切制生产记录
6.5烘干生产记录、
6.6提取生产记录
6.7浓缩生产记录
6.8配醇、醇沉生产记录
6.9乙醇浓缩、回收生产记录
批生产指令
生产指令号:编码:R-S-001-01
编制人:年月日
生产技术部部长:年月日
QA 审核:年月日
净选岗位清场记录
洗涤生产记录
洗涤岗位清场记录
浸润生产记录
浸润岗位清场记录
切制生产记录
切制岗位清场记录
烘干生产记录
烘干岗位清场记录
提取生产批记录
提取生产批记录
填写说明:1、“______”操作工填写;2、“………”QA检查员填写;3、合格打“√”,不合格“×”。
提取岗位清场记录
浓缩生产批记录
浓缩岗位清场记录
配醇、醇沉生产批记录
配醇、醇沉岗位清场记录
乙醇浓缩、回收生产记录
乙醇浓缩、回收岗位清场记录。
板蓝根颗粒提取生产工艺规程山西华元医药生物技术有限公司1.工艺概述1.1产品名称:板蓝根颗粒清膏1.2产品代码:TQ00121.3产品依据:《中国药典》2010年版一部800页1.4生产过程板蓝根净药材,煎煮二次。
第一次加8倍量水浸泡30分钟煎煮2小时,第二次加6倍量水煎煮1小时,煎液滤过,滤液合并,浓縮至相对密度为1.20(50℃时测),加乙醇使含醇量达60%,静置使沉淀,取上清液,回收乙醇并浓缩至相对密度为1.30-1.35(50℃时测)得到板蓝根颗粒浸膏。
1.5贮存条件:2-10℃不锈钢桶密封保存。
1.6贮存期限:3个月2.生产处方2.1处方(1袋)板蓝根 14g2.2生产批量(10万袋)板蓝根 1400kg3.生产工艺流程3.1生产工艺流程图图例:洁净区 一般生产区 物料3.2.生产环节质量控制4.生产操作要求4.1环境区域划分4.2操作过程及工艺要求4.2.1生产前检查根据《生产过程管理规定》做生产前检查,确认环境、设备等符合洁净要求,并有清场合格证,方可进行生产操作。
4.2.1.1检查生产用工器具、设备是否清洁,并在清洁有效期内。
如果超过有效期应重新清场并要求现场监控员检查,做好生产前清场记录。
4.2.1.2检查各种空白生产记录是否齐全,称量器具是否在校验期内。
根据设备操作规程,检查设备完好,水、电、汽、真空供应正常,方可投料生产。
4.2.2收料提取岗位负责人根据批生产指令和领料单,出库凭单,逐一核对物料品名、数量、规格、批号、检验合格报告单等正确无误后,转入药材暂存间(23001)。
4.2.3称量4.2.3.1设备4.2.3.2称量过程在投料间(23002)按照《称量配料岗位标准操作规程》操作,生产前按照《生产过程管理规定》进行检查,确认环境、设备等符合生产要求,并有清场合格证,方可进行生产操作。
采用磅秤称量。
按照《磅秤标准操作及维护保养规程》操作,根据批生产指令准确称量,称量严格执行双人复核制,称量人、复核人均应在记录上签名。
板蓝根颗粒提取生产工艺规程山西华元医药生物技术有限公司1.工艺概述1.1产品名称:板蓝根颗粒清膏 1.2产品代码:TQ00121.3产品依据:《中国药典》2010年版一部800页 1.4生产过程板蓝根净药材,煎煮二次。
第一次加8倍量水浸泡30分钟煎煮2小时,第二次加6倍量水煎煮1小时,煎液滤过,滤液合并,浓縮至相对密度为1.20(50℃时测),加乙醇使含醇量达60%,静置使沉淀,取上清液,回收乙醇并浓缩至相对密度为1.30-1.35(50℃时测)得到板蓝根颗粒浸膏。
1.5贮存条件:2-10℃不锈钢桶密封保存。
1.6贮存期限:3个月2.生产处方 2.1处方(1袋)板蓝根 14g 2.2生产批量(10万袋) 板蓝根 1400kg 3.生产工艺流程 3.1生产工艺流程图图例:3.2.生产环节质量控制4.生产操作要求4.1环境区域划分4.2操作过程及工艺要求4.2.1生产前检查根据《生产过程管理规定》做生产前检查,确认环境、设备等符合洁净要求,并有清场合格证,方可进行生产操作。
4.2.1.1检查生产用工器具、设备是否清洁,并在清洁有效期内。
如果超过有效期应重新清场并要求现场监控员检查,做好生产前清场记录。
4.2.1.2检查各种空白生产记录是否齐全,称量器具是否在校验期内。
根据设备操作规 程,检查设备完好,水、电、汽、真空供应正常,方可投料生产。
4.2.2收料提取岗位负责人根据批生产指令和领料单,出库凭单,逐一核对物料品名、数量、规格、批号、检验合格报告单等正确无误后,转入药材暂存间(23001)。
4.2.3称量 4.2.3.1设备4.2.3.2称量过程在投料间(23002)按照《称量配料岗位标准操作规程》操作,生产前按照《生产过程管理规定》进行检查,确认环境、设备等符合生产要求,并有清场合格证,方可进行生产操作。
采用磅秤称量。
按照《磅秤标准操作及维护保养规程》操作,根据批生产指令准确称量,称量严格执行双人复核制,称量人、复核人均应在记录上签名。
板蓝根颗粒制备实验报告板蓝根颗粒是一种常见的中药制剂,具有清热解毒、抗炎和抗菌等功效。
本实验旨在通过制备板蓝根颗粒,探究其制备方法和质量评价方法。
一、实验目的1. 熟悉板蓝根颗粒的制备方法;2. 掌握板蓝根颗粒的质量评价方法;3. 了解板蓝根颗粒的药理作用。
二、实验原理板蓝根颗粒的制备一般包括研磨、浸提、过滤、浓缩、干燥等步骤。
其中,浸提是关键步骤,可采用水煎法、醇提法等不同方法。
三、实验步骤1. 取适量的板蓝根,进行研磨,使其颗粒细致均匀;2. 将研磨后的板蓝根放入适量的水中,进行浸泡,时间可根据需要而定;3. 经过浸泡后,将浸泡液进行过滤,得到板蓝根的提取液;4. 将提取液进行浓缩,常用方法有真空浓缩、喷雾干燥等;5. 经过干燥后,得到板蓝根颗粒。
四、质量评价方法1. 外观质量评价:观察板蓝根颗粒的颜色、形状、大小等特征,应为均匀的颗粒状;2. 残留溶剂检测:采用气相色谱法等方法,检测板蓝根颗粒中是否存在有害溶剂残留;3. 含量测定:采用高效液相色谱法等方法,测定板蓝根颗粒中有效成分的含量;4. 微生物检验:采用菌落总数法、霉菌和酵母菌检测法等方法,检测板蓝根颗粒是否符合微生物限度要求。
五、实验结果及讨论制备的板蓝根颗粒外观均匀,颗粒大小适中,符合要求。
残留溶剂检测结果显示,板蓝根颗粒中无有害溶剂残留。
含量测定结果显示,板蓝根颗粒中有效成分的含量达到标准要求。
微生物检验结果符合微生物限度要求,无明显污染。
六、实验结论通过本实验,成功制备出符合质量要求的板蓝根颗粒。
板蓝根颗粒具有清热解毒、抗炎和抗菌等功效,可用于治疗感冒、咽喉炎等疾病。
同时,本实验还验证了板蓝根颗粒的质量评价方法的有效性,为进一步研究和应用提供了基础。
七、实验心得体会通过本次实验,我深入了解了板蓝根颗粒的制备方法和质量评价方法。
在实验中,我不仅掌握了制备板蓝根颗粒的具体步骤,还学习了如何评价其质量。
实验过程中,我严格按照操作规程进行操作,保证了实验结果的准确性和可靠性。
板蓝根颗粒的制备实验报告
一、实验目的
了解板蓝根颗粒的制备方法及其工艺流程,研究其制备工艺参数对板蓝根颗粒质量的影响。
二、实验原理
板蓝根颗粒是由板蓝根制备的中药制剂,其主要成分为板蓝根苷、岩菖蒲苷等,具有清热解毒、消炎止痛、抗病毒、抗菌等功效。
板蓝根颗粒的制备过程主要包括研磨、过筛、混合、压片、干燥等环节,其中制备工艺参数的调整对产品质量具有至关重要的影响。
三、实验材料与设备
材料:板蓝根、各种添加剂。
设备:研磨机、筛选机、混合器、压片机、干燥箱等。
四、实验步骤
1. 板蓝根的处理:将新鲜的板蓝根剥去表层皮,晒干后研磨成粉。
2. 添加剂的处理:依据需要,将药物配方中所需添加的辅料清洗干净。
3. 混合:将板蓝根粉末和各种添加剂按配方比例混合均匀。
4. 压片:将混合好的粉末放入压片机中,以适当的压力压成颗粒状。
5. 干燥:将压制好的颗粒放入干燥箱内进行干燥,直至水分含量达标。
6. 筛选:将干燥后的颗粒用筛选机进行筛选,粒径达标后装袋。
五、实验结果与分析
通过对板蓝根颗粒制备过程中制备工艺参数的调整,如研磨粒度、压片压力、干燥温度等的控制,可以有效地提高板蓝根颗粒的制备质量和稳定性,并且增强其药效。
同时,板蓝根颗粒的制备还需要按照相关的标准和规范进行,保证产品的质量和安全性。
六、结论
本实验通过对板蓝根颗粒的制备过程进行实验验证,研究了其制备工艺参数对产品质量的影响,并发现了制备过程中的一些问题和解决方法。
在制备过程中,应该严格按照工艺流程进行,掌握好制备工艺参数的调整,以保证产品质量的稳定性和可控性。
板蓝根颗粒的制备实验报告板蓝根颗粒的制备实验报告引言:板蓝根是一种中草药,具有清热解毒、抗病毒和抗菌的功效。
板蓝根颗粒是将板蓝根研磨成粉末后,与辅料混合制成的一种中药制剂。
本实验旨在探究板蓝根颗粒的制备方法,并比较不同制备条件下颗粒的质量差异。
材料与方法:1. 板蓝根:从市场购买的板蓝根药材。
2. 辅料:淀粉、糖粉。
3. 仪器:研磨机、筛网、电子天平、烘箱。
实验步骤:1. 板蓝根的处理:将板蓝根晾晒至干燥,并使用研磨机将其研磨成粉末。
2. 辅料的准备:将淀粉和糖粉按一定比例混合。
3. 颗粒的制备:将板蓝根粉末与辅料混合,通过筛网进行筛选,以去除大颗粒。
4. 干燥处理:将筛选后的颗粒放入烘箱中,以一定温度和时间进行干燥处理,以去除水分。
结果与讨论:通过实验,我们制备了板蓝根颗粒,并观察到了不同制备条件下颗粒的质量差异。
首先,我们比较了不同板蓝根粉末与辅料比例对颗粒质量的影响。
结果显示,当板蓝根粉末与辅料的比例为1:1时,颗粒的质量最佳。
这是因为适量的辅料可以增加颗粒的稳定性和流动性,使其更易于储存和使用。
其次,我们研究了不同筛网孔径对颗粒质量的影响。
结果表明,使用较小的筛网孔径可以去除较大的颗粒,从而提高颗粒的均匀性和纯度。
然而,过小的筛网孔径可能导致颗粒流动性差,不利于制备过程。
最后,我们探究了不同干燥条件对颗粒质量的影响。
实验中,我们设置了不同温度和时间的干燥处理。
结果显示,适当的温度和时间可以有效去除颗粒中的水分,提高颗粒的质量和稳定性。
然而,过高的温度和过长的干燥时间可能导致颗粒破裂和质量下降。
结论:通过本实验,我们成功制备了板蓝根颗粒,并比较了不同制备条件对颗粒质量的影响。
结果表明,适量的辅料比例、合适的筛网孔径和适当的干燥条件是制备高质量板蓝根颗粒的关键因素。
这些研究结果对于制备其他中药颗粒和提高药物质量具有一定的指导意义。
然而,本实验仅仅是初步探索板蓝根颗粒的制备方法,还有许多其他因素有待进一步研究。
板蓝根颗粒提取批生产记录、指令单号:产品批号:药材用量:共1味,总计252 Kg浸膏数目:Kg操作日期:年月日至月日汇总人:审查人:**********提取批生产指令指令依照板蓝根颗粒浸膏工艺规程标准依照中国药典(2015年版一部)产品代码产品名称药材总量制剂总量浸膏数目产品批号TQ001板蓝根颗粒浸膏252kg万袋名称物料代码批生产处方量名称物料代码批生产处方量板蓝根YJ004252kg药材用量备注:生产处方量为饮片或净料量,领料量按药材领用量=处方投料量÷炮制得率计。
设施多功能提取罐、提取液储罐、双效节能浓缩器、浓缩液储罐、醇沉罐、球形真空减压浓缩器将称量好的板蓝根净药材投入到多功能提取罐中,要求每罐煎煮两次,第一次加入8倍量水,浸提取6倍量水,煎煮1小时,泡30分钟,煎煮2小时(药液沸腾开始计时),煎液滤过注入储罐,再加入方法煎液滤过注入提取液储罐。
1.生产过程吻合“板蓝根颗粒浸膏工艺规程”要求;2.按各岗位标准操作规程进行操作;3.按上述设施的标准操作规程进行操作;4.收膏在D级干净区进行。
操作5.各区按相应生产区的洁净规程进行洁净。
要求6.按上述各设施的洁净标准操作规程对设施进行洁净或消毒。
7.所有工序的物料交接一定进行复核复秤。
8.各工序按“交接班管理规程”进行交接班。
9.按“清场管理规程”要求进行变换品种或批号的清场。
1、提取:将称量好的板蓝根净药材投入到多功能提取罐中,要求每罐煎煮两次,第一次加入8倍量水,浸泡30分钟,煎煮2小时(药液沸腾开始计时),煎液滤过注入储罐,再加入6倍量水,煎煮1小时,煎液滤过注入提取液储罐。
提取工艺(50℃测),注入浓缩液储罐中。
2、浓缩:煎液所有浓缩至相对密度为参数3、醇沉:加入乙醇,使含醇量达到60%,搅拌30分钟,室温静置48小时使积淀。
4、收膏:将药液浓缩至相对密度为(50℃测)的浸膏。
下达人下达时间年月日QA复核人同意人接收人板蓝根批办理生产记录药材名称及批号:板蓝根()净料批号:项目指令工艺参数及要求实质操作及结果清场合格证优选□洗润□切药□干燥□1、操作前检生产允许证优选□洗润□切药□干燥□查设施完满证优选□洗润□切药□干燥□批办理指令优选□洗润□切药□干燥□所用设施设施一般优选工作台执行:操作时间:日时分--日时分2、优选SOP-PM002除去。
一、实验目的1. 掌握板蓝根颗粒的制备方法;2. 了解板蓝根颗粒的制备工艺流程;3. 掌握板蓝根颗粒的质量评价方法;4. 熟悉板蓝根颗粒在中药制剂中的应用。
二、实验原理板蓝根,又名大青根,为豆科植物。
具有清热解毒、凉血利咽的功效,常用于治疗感冒、咽喉肿痛、扁桃体炎等疾病。
板蓝根颗粒是一种常见的中药制剂,具有便于服用、疗效确切等优点。
本实验通过制备板蓝根颗粒,旨在掌握其制备方法、工艺流程和质量评价方法。
三、实验材料与仪器1. 实验材料:板蓝根药材、蔗糖、糊精、乙醇、无水乙醇、板蓝根对照药材、硅胶G薄层板等。
2. 实验仪器:电磁炉、锅、纱布、电子天平、恒温干燥箱、滤纸、层析缸、显微镜、薄层层析仪等。
四、实验步骤1. 原料处理取板蓝根药材,洗净、晾干,粉碎成粗粉。
2. 提取将粗粉加入适量水中,煎煮2小时,过滤,取滤液。
3. 精制将滤液浓缩至相对密度为1.20(50℃),加入乙醇使含醇量为60%,静置使沉淀,取上清液。
4. 回收乙醇将上清液回收乙醇,浓缩至适量。
5. 制备颗粒取稠膏,加入适量的蔗糖和糊精,制成颗粒,干燥。
6. 质量评价(1)性状:观察颗粒颜色、形状、大小、均匀度等。
(2)鉴别:采用薄层层析法进行鉴别,比较样品与对照药材的层析图谱。
(3)含量测定:采用高效液相色谱法测定板蓝根中有效成分的含量。
(4)微生物限度:按照《中国药典》规定的方法进行检测。
五、实验结果与分析1. 性状制备的板蓝根颗粒呈棕色或棕褐色,颗粒大小均匀,无杂质。
2. 鉴别采用薄层层析法进行鉴别,样品与对照药材的层析图谱基本一致。
3. 含量测定采用高效液相色谱法测定板蓝根中有效成分的含量,符合规定标准。
4. 微生物限度按照《中国药典》规定的方法进行检测,符合要求。
六、实验讨论1. 在制备板蓝根颗粒的过程中,应注意控制提取工艺,以保证有效成分的提取率。
2. 在精制过程中,应适当调整乙醇浓度,以使沉淀充分沉淀,提高有效成分的回收率。
板蓝根颗粒提取批生产记录、指令单号:产品批号:药材用量:共 1 味,总计 252 Kg浸膏数量: Kg操作日期:年月日至月日汇总人:审核人:**********提取批生产指令指令依据板蓝根颗粒浸膏工艺规程标准依据中国药典(2015年版一部)产品代码产品名称药材总量制剂总量浸膏数量产品批号TQ001板蓝根颗粒浸膏252 kg万袋药材用量名称物料代码批生产处方量名称物料代码批生产处方量板蓝根YJ004252kg备注:生产处方量为饮片或净料量,领料量按药材领用量=处方投料量÷炮制得率计。
设备多功能提取罐、提取液储罐、双效节能浓缩器、浓缩液储罐、醇沉罐、球形真空减压浓缩器提取方法将称量好的板蓝根净药材投入到多功能提取罐中,要求每罐煎煮两次,第一次加入8倍量水,浸泡30分钟,煎煮2小时(药液沸腾开始计时),煎液滤过注入储罐,再加入6倍量水,煎煮1小时,煎液滤过注入提取液储罐。
操作要求1.生产过程符合“板蓝根颗粒浸膏工艺规程”要求;2.按各岗位标准操作规程进行操作;3.按上述设备的标准操作规程进行操作;4.收膏在D级洁净区进行。
5.各区按相应生产区的清洁规程进行清洁。
6.按上述各设备的清洁标准操作规程对设备进行清洁或消毒。
7.所有工序的物料交接必须进行复核复秤。
8.各工序按“交接班管理规程”进行交接班。
9.按“清场管理规程”要求进行转换品种或批号的清场。
提取工艺参数1、提取:将称量好的板蓝根净药材投入到多功能提取罐中,要求每罐煎煮两次,第一次加入8倍量水,浸泡30分钟,煎煮2小时(药液沸腾开始计时),煎液滤过注入储罐,再加入6倍量水,煎煮1小时,煎液滤过注入提取液储罐。
2、浓缩:煎液全部浓缩至相对密度为(50℃测),注入浓缩液储罐中。
3、醇沉:加入乙醇,使含醇量达到60%,搅拌30分钟,室温静置48小时使沉淀。
4、收膏:将药液浓缩至相对密度为(50℃测)的浸膏。
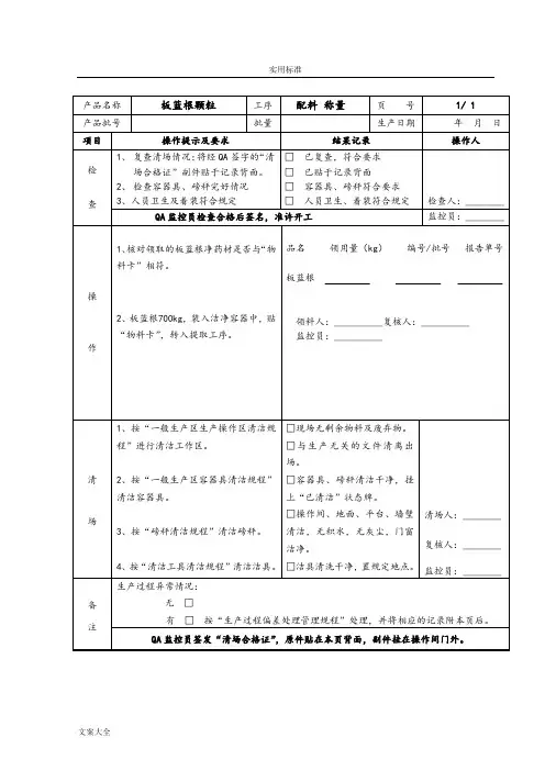
下达人下达时间年月日QA复核人批准人接收人板蓝根批处理生产记录药材名称及批号:板蓝根()净料批号:项目指令工艺参数及要求实际操作及结果签名1、操作前检查清场合格证生产许可证设备完好证批处理指令挑选□洗润□切药□干燥□挑选□洗润□切药□干燥□挑选□洗润□切药□干燥□挑选□洗润□切药□干燥□检查人2、挑选操作所用设备设施普通挑选工作台操作人:复核人:执行:SOP-PM002要求:除去杂质及非药用部分。
收率:≥98 %操作时间:日时分-- 日时分除去。
净选前净重: Kg净选后净重: Kg(收率:产出量/投料量×100%= %)3、洗润操作所用设备名称XG-720洗药机(编号:QT001)GT7C5-3润药机(编号:QT002)操作人:复核人:执行:洗药SOP-PM003润药SOP-PM004①洗药机洗净(饮用水)②润药:120kg/锅,真空度:≤,喷水20min/每次,保持时间:第一次80 min,第二次60min,第三次40min.机内温度:20±5℃,软化操作时间:日时分-- 日时分①润药真空度: Mpa②喷水时间第一次min(时分---- 时分)第二次min(时分---- 时分)第三次min(时分---- 时分)③机内温度:第一次℃,第二次℃第三次℃至无干心,水尽药透。
④保持时间第一次min(时分---- 时分)第二次min(时分---- 时分)第三次min(时分---- 时分)洗润前净重: Kg洗润后净重: Kg4、切药操作所用设备名称QWY-240往复式切药机(编号:QT004)操作人:复核人:执行:SOP-PM005要求:切成2-4mm的厚片,片厚均匀。
收率:≥98 %操作时间:日时分-- 日时分片厚:切药前净重: Kg切药后净重: Kg(收率:产出量/投料量×100%= %)5、干燥操作所用设备名称FZG-15方形真空干燥箱(编号:QT013)操作人:复核人:执行:SOP-PM006要求:①真空度:—,②温度70±5℃③时间120 min收率:≥95 %操作时间:日时分-- 日时分①温度:℃②真空度 Mpa③时间::时分-- 时分干燥前净重: Kg干燥后净重: Kg(收率:干燥后净重/净药材量×100%= %)6、清场执行:SOP-PM050挑选□洗润□切药□干燥□检查人:7、备注“□”检验项全合格打“∨”,不合格打“×”8、异常情况处理提取浓缩岗位生产操作记录(1/2)生产操作间编号 产品名称 药材总量 产品批号拟生产制剂数量ZT-E2003 板蓝根颗粒提取液252kg万袋1、工前检查: 序号 操作指令及工艺参数工前检查及操作记录 检查结果1 确认是否穿戴好工作服、鞋、帽等进入本岗位。
□是 □否 ★ 经QA 检查合格方可进行下一项操作!□合格 □不合格 2 确认无前批(前次)生产遗留物和文件、记录。
□无 □有 3 场地、设备、工器具是否清洁并在有效期内。
□是 □否4 检查设备是否完好。
□是 □否 5检查替换换生产品种状态标示牌。
□是 □否检查时间 年 月 日 时 分至 时 分 检查人QA 员2、物料准备:对照生产指令领取所需药材并复核名称、批号、数量等。
物料名称 物料代码 批号 领入数量使用数量剩余数量质量状态板蓝根 YJ004 乙醇 F001操作日期年月日操作人复核人QA员3、提取操作:操作步骤操作记录1.根据工艺要求选择相应提取罐,检查各部件是否完好,阀门是否在正确位置。
多功能提取罐使用1号罐□使用2号罐□使用3号罐□使用4号罐□设备完好□设备故障□2.将复核好的板蓝根净药材投入提取罐内。
已投料□未投料□3.第一次加8倍量水,浸泡30分钟后煎煮2小时,第二次加6倍量水煎煮1小时,煎液滤过注入药液储罐。
浸泡开始时间:结束时间:煎煮2次煎煮次数加水倍量煎煮压力Mpa煎煮温度℃煎煮时间(h)操作人第一次第二次4.提取药液泵入贮罐备用。
已泵入□未泵入□5. 清场:执行SOP-PM050□完成□未完成操作人:检查人:提取浓缩岗位生产操作记录(2/2)生产操作间编号产品名称药材总量产品批号拟生产制剂数量板蓝根颗粒提取液 252kg 万袋4、浓缩:操作执行《浓缩岗位标准操作规程》操作步骤操作记录1.根据生产工艺选择相应的浓缩设1、外循环真空浓缩机组使用□完好□故障□备,检查设备是否完好。
2、双效节能蒸发浓缩器使用□完好□故障□3、球形浓缩器使用□完好□故障□2.按设备操作规程把贮罐内的药液吸入选用的浓缩器内进行浓缩。
双效节能蒸发浓缩器一效温度:75℃-85℃,真空度:二效温度: 70℃-80℃,真空度待浸膏比重达到比重(45-50℃)3.将浸膏打入醇沉罐,悬挂状态标志。
双效节能蒸发浓缩器:一效温度℃真空度: Mpa 二效温度℃真空度: Mpa浓缩开始时间:结束时间:比重:醇沉罐号:操作人: 工序负责人:5、偏差分析及处理偏差情况偏差内容未有偏差□;有偏差□如有偏差执行《偏差处理标准操作规程》,填写《偏差处理单》并粘于本页后面。
与此同时填写《偏差处理台帐》。
6、完工清场:序号清场项目及要求清场检查操作记录备注1剩余物料及废弃物已清理完成。
□完成□未完成2 清洁设备内外表面、管道、生产器具。
□完成 □未完成3 将清洁后的生产器具、工具收集至指定地点。
□完成 □未完成4 QA 检查签发清场合格证换上“清场合格”标牌。
□完成 □未完成 清场检查结果 5整理完成批生产记录,交车间管理员审核。
□完成 □未完成□合格 □不合格 清场时间 年 月 日 时 分至 时 分 操作人QA 员工序负责人: QA 员:醇沉及收醇岗位生产操作记录生产操作间编号产品名称 药材总量 产品批号拟生产制剂数量ZT-E2003 板蓝根颗粒提取液252kg万袋1、工前检查: 序号 操作指令及工艺参数工前检查及操作记录 检查结果1 确认是否穿戴好工作服、鞋、帽等进入本岗位。
□是 □否 ★ 经QA 检查合格方可进行下一项操作!□合格 □不合格 2 确认无前批(前次)生产遗留物和文件、记录。
□无 □有 3 场地、设备、工器具是否清洁并在有效期内。
□是 □否4 检查设备是否完好。
□是 □否 5检查替换换生产品种状态标示牌。
□是 □否检查时间 年 月 日 时 分至 时 分 检查人QA 员2.醇沉操作:将浓乙醇抽到浓乙醇贮罐内,通过浓乙醇输送泵送到浓乙醇配制罐内,加水配制成80%乙醇,启动醇沉罐搅拌器,向醇沉罐内缓慢加入80%乙醇使含醇量达到45-50%,再用浓乙醇调节药液含醇量至60%,继续搅拌30分钟,室温静置48小时。
静止结束后,分离上清液并注入上清液储罐中。
配制浓乙醇含醇量; 用量: 80%乙醇配制总量:操作人复核人醇沉罐号:搅拌:日时分至日时分80%乙醇用量:浓乙醇含醇量:用量:药液含醇量:静置:日时分至:日时分分离上清液,泵入号上清液储罐3.乙醇回收:将上清液少量多次再注入单效浓缩器中,按照《单效减压浓缩器操作维养规程》回收乙醇,将回收的乙醇转入稀乙醇储罐中,然后利用酒精回收塔精馏,回收后的乙醇注明品名、浓度、数量。
回收稀乙醇数量回收稀乙醇浓度精馏后乙醇数量精馏后乙醇浓度交接班情况设备运行情况交班人接班人4、偏差分析及处理偏差情况偏差内容未有偏差□;有偏差□偏差描述:如有偏差执行《偏差处理标准操作规程》,填写《偏差处理单》并粘于本页后面。
与此同时填写《偏差处理台帐》。
5、完工清场:序号清场项目及要求清场检查操作记录备注1剩余物料及废弃物已清理完成。
□完成□未完成2清洁设备内外表面、管道、生产器具。
□完成□未完成3将清洁后的生产器具、工具收集至指定地点。
□完成□未完成4 QA 检查签发清场合格证换上“清场合格”标牌。
□完成 □未完成 清场检查结果 5整理完成批生产记录,交车间管理员审核。
□完成 □未完成□合格 □不合格 清场时间 年 月 日 时 分至 时 分 操作人QA 员工序负责人: QA 员:浓缩(二次)岗位生产操作记录生产操作间编号 产品名称 药材总量 产品批号拟生产制剂数量ZT-D1032板蓝根颗粒浸膏252kg万袋1、工前检查: 序号 操作指令及工艺参数工前检查及操作记录 检查结果1 确认是否穿戴好工作服、鞋、帽等进入本岗位。
□是 □否 ★ 经QA 检查合格方可进行下一项操作!□合格 □不合格 2 确认无前批(前次)生产遗留物和文件、记录。
□无 □有 3 场地、设备、工器具是否清洁并在有效期内。
□是 □否4 检查设备是否完好。
□是 □否 5检查替换换生产品种状态标示牌。
□是 □否检查时间 年 月 日 时 分至 时 分 检查人QA 员2.二次浓缩操作操作步骤操作记录1.根据生产工艺选择相应的浓缩设备,检查设备是否完好。
球形浓缩器使用□ 完好□ 故障□2.用球形浓缩器浓缩,浓缩温度70—80℃,真空度— Mpa.待浸膏比重—(75--80℃)出膏,称重标明浓缩温度 ℃ 真空度: Mpa 浓缩开始时间: 结束时间:品名、批号、数量并取样。