节水考核指标汇总及说明
- 格式:doc
- 大小:24.50 KB
- 文档页数:2
民联寄宿制小学节水考核指标汇总材料一、定量考核指标1.用水器具漏水率:用水器具总件数392个,其中节水水箱12个,节水龙头380个。
漏水件数0,用水器具漏水率为0。
2.节水器具普及率:节水器具占总用水器具的比例100%,节水器具普及率为100%。
3.人均日用水量:学校总人数566人,人均日用水量20升,大大低于考核指标“小学人均日用新水量小于30升”的标准。
4.计算公式:(1)年用水总量4131800升(2)学校总人数566人(3)人均日用水量=年用水总量4131800升÷(学校总人数566人×365天)=20升/(人.日)5.参与度:全校师生全员参与节水型校园建设工作,先由全体教师开教师大会,明确节水型校园的建设工作,再分解到位,各班举行形式多样的节水活动,进一步深化师生对节水的深刻认识,创建浓厚的校园节水气氛,使全校师生养成良好的节水习惯。
二、基础管理考核指标1.组织及制度落实:学校成立了校园节水领导小组和节水督查小组,将节水型学校建设纳入学校总体发展规划及年度计划,制定了切实可行的实施方案,督查小组严格按照节水制度查看、管理学校的各个用水点,教学楼、宿舍楼每层有专人负责学校的节水事宜,各管理岗位责任明确,会议记录、节水工作日志齐全。
2.学校公共用水部分:学校公共用水部分无违章现象。
学校各楼层设有节能饮水机,宿舍、办公用水无跑冒滴漏现象。
3.经常开展节水宣传教育:为宣传节水力度,提高师生节水意识,学校政教处、团委充分发挥校报、校园广播、网络、宣传标牌等多种宣传阵地的作用,开展了以“节约珍惜每一滴水,建设节水新校园”为主题的系列宣传活动,广泛深入地宣传节水知识和开展节约用水的重要意义。
此外在卫生间、洗手处张贴节约用水提示用语和宣传画,营造节水型单位的良好氛围。
组织学生观看有关节约用水的宣传片和展览,积极参加节约用水的相关活动,增强全校师生的节约用水意识。
采取多种形式,广泛宣传国家有关用水的法律法规和方针政策,介绍节水常识,倡导节水风尚。
1.1.1节水与水资源利用评价指标
1.1.1.1控制项
1、签订分包或劳务合同时,应将节水指标纳入合同条款。
2、应有用水计量考核记录。
1.1.1.2一般项
1、节约用水符合下列规定:
(1)施工现场供水管网设计合理。
(2)施工现场办公区、生活区的生活用水采用节水器具,节水器具配置率应达到100%。
(3)施工现场对生活用水与工程用水分别计量。
(4)施工中采用节水的施工工艺。
(5)混凝土养护和砂浆搅拌用水合理,有节水措施。
(6)管网和用水器具没有渗漏。
(7)单位工程单位建筑面积的用水量控制在1m3/m²之内;分部工程单位建筑面积的用水量控制在0.6m3/m²之内;在施工高峰期,平均每月的单位建筑面积的用水量控制在0.2m3/m²之内。
2、水资源的利用符合下列规定:
(1)雨水收集利用。
(2)基坑降水储存使用。
(3)冲洗现场机具、设备、车辆的用水设立循环用水装置。
1.1.1.3优选项
1、施工现场建立水资源再利用的收集处理系统。
2、采用污水净化处理及再利用装置。
3、喷洒路面、绿化浇灌、冲洗车辆和机具不用自来水。
4、生活、生产污水处理后使用。
节水社会建设技术指标计算方法节水社会建设技术指标计算方法一、综合节水指标1、万元GDP用水量:行政区域用水总量〔按新水取用量计〕与GDP的比值。
WGDP=W总/G总式中:WGDP——万元GDP用水量,单位为立方米〔m3〕;W总——行政区域用水总量,按水资源公报统计口径统计,不包括非常规水源利用量,单位为立方米〔m3〕;G总——行政区域国民生产总值,按统计年鉴统计口径统计,单位为万元。
2、再生水回用率:行政区域再生水利用量与污水处理总量的比值。
〔再生水:污水经适当处理后,到达一定水质指标,能够满足某种使用要求,可以进行使用的水。
〕R再生=W再用/W污处式中:R再生——再生水回用率,%;W再用——行政区域再生水利用量,指污水经处理后到达相应水质标准,用于农业灌溉、工业、生态环境、市政杂用、绿化等方面的水量,不包括企业内部的回用量,单位为立方米〔m3〕;W污处——行政区域污水处理总量,单位为立方米〔m3〕。
二、农业节水指标1、万元农业增加值用水量:行政区域农业用水总量〔按新水取用量计〕与农业增加值的比值。
W农G=W农/G农式中:W农G——万元农业增加值用水量,单位为立方米〔m3〕;W农——行政区域农业用水总量,按水资源公报统计口径统计,不包括非常规水源利用量,单位为立方米〔m3〕;G农——行政区域农业增加值,按统计年鉴统计口径统计,单位为万元。
2、农田灌溉水有效利用系数:行政区域作物净灌溉需水量占灌溉水量的比例,按《全国灌溉水有效利用系数测算分析技术指南〈2022年〕》提出的“首尾测算分析法”测算,即直接灌入田间可被作物吸收利用的水量〔净灌溉用水量〕与灌区从水源取用的灌溉总水量〔毛灌溉用水量〕的比值。
K灌=W净灌/W毛灌式中:K灌——农田灌溉水有效利用系数;W净灌——行政区域净灌溉用水总量,单位为立方米〔m3);W毛灌——行政区域毛灌溉用水总量,单位为立方米〔m3)。
3、节水灌溉工程控制面积比例:行政区域节水灌溉工程控制面积占有效灌溉面积的百分比。
节水型城市考核标准如下:
1. 组织管理:城市设立了节水管理机构,经费保障到位,节水宣传工作深入开展,各项制度健全,制定了节水计划,用水统计工作规范。
2. 工业节水:工业用水重复利用率高,有节水技术改造计划,积极采用节水新工艺、新技术,工业企业用水符合行业标准。
3. 高效用水:城镇居民生活用水合理,管网漏损率在规定标准以下,公共设施用水符合节水标准,绿化、环卫、消防等用水采用节水型器具。
4. 合理配置:在景观、娱乐用水等高耗水行业推广应用中水设施,积极发展雨水、海水、再生水等非传统水资源利用,制定水价政策,促进合理用水。
5. 宣传教育:市民节水意识强,广泛开展节水宣传教育活动,积极创建节水型单位、学校等活动。
6. 宣传设施:公共场所无明显的浪费用水现象,宣传牌匾内容准确。
7. 技术保障:人员培训开展较好,完成推广应用节水新技术。
8. 水务管理:城镇新建、改扩建项目必须配套建设相应的雨水管线和再生水利用管线等措施,按照雨水利用规范进行设计和管理。
考核分为“优秀”、“良好”、“基本合格”和“不合格”四个等级。
“优秀”的标准包括:所有指标均达到考核要求;“良好”指标符合考核要求;其他指标达到考核要求的一类标准;“基本合格”为个别指标低于考核要求的二类标准;“不合格”即为不符合任意一项指标。
以上就是节水型城市考核的主要标准,评价一个城市的节水效果,需要综合考虑城市的整体用水状况、节水设施的建设情况、市民的节水意识等多个方面。
在创建节水型城市的过程中,需要政府、企业和市民的共同努力,采取多种措施提高水的利用效率,减少水的浪费,实现城市的可持续发展。
水务工作考核指标水务工作是保障城市和地区正常运转、居民生活质量以及生态环境可持续发展的重要基础。
为了确保水务工作的高效、优质开展,建立科学合理的考核指标体系至关重要。
以下将详细阐述水务工作的考核指标。
一、水资源管理1、水资源开发利用率水资源开发利用率是指区域内水资源开发利用量占水资源总量的比例。
这一指标反映了对水资源的开发程度,过高的开发利用率可能导致水资源短缺和生态环境问题。
2、用水总量控制明确规定一定时期内区域或行业的用水总量上限,并将实际用水量与控制目标进行对比考核。
这有助于促进节约用水和水资源的合理配置。
3、水资源重复利用率水资源重复利用率是指在一定的计量时间内,生产过程中使用的重复利用水量与总用水量之比。
较高的水资源重复利用率意味着水资源的有效利用和节约。
二、供水保障1、供水普及率供水普及率是指城市或地区供水服务覆盖的人口占总人口的比例。
这是衡量供水服务覆盖范围和普及程度的重要指标。
2、供水水质达标率严格按照国家和地方的水质标准,对供水水质进行检测,达标率越高,说明供水质量越好,居民用水安全越有保障。
3、供水稳定性包括水压稳定和供水连续性两个方面。
水压不稳定可能影响居民正常用水,频繁停水则会给生产生活带来极大不便,通过统计水压波动和停水次数来考核供水稳定性。
三、污水处理1、污水处理率污水处理率是指经过处理的污水量占污水排放总量的比例。
提高污水处理率有助于减少污染物排放,保护水环境。
2、污水排放标准达标率考核污水处理厂处理后的污水是否达到国家和地方规定的排放标准,达标率越高,对环境的污染越小。
3、污泥处理处置合规率污泥中含有大量有害物质,如果处理处置不当会造成二次污染。
因此,污泥处理处置合规率也是重要的考核指标之一。
四、排水防涝1、排水管网覆盖率排水管网覆盖率是指城市或地区排水管网覆盖的面积占建成区面积的比例。
较高的覆盖率有助于提高排水效率,减少内涝发生的可能性。
2、内涝积水点消除率统计一定时期内消除的内涝积水点数量占原有积水点数量的比例,反映了排水防涝工作的成效。
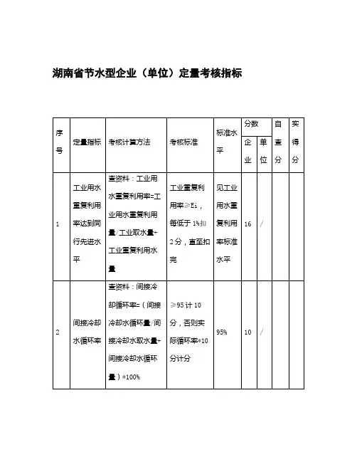
湖南省节水型企业(单位)定量考核指标湖南省节水型企业(单位)基础管理考核标准附件2:节水型企业(单位)申报与考核办法为加强对节水型企业(单位)创建工作的指导,规范节水型企业(单位)的考核与复查管理,促进节水型城市和节水型社会建设,制定本办法。
一、依据文件、规范和标准(一)建设部、国家发展和改革委员会《关于印发<节水型城市申报与考核办法>和<节水型城市考核标准>的通知》(建城…2006‟140号)(二)原湖南省建设厅、湖南省经委《关于印发<湖南省节水型城市申报与考核办法(试行)><湖南省节水型城市考核标准(试行)>的通知》(湘建城…2009‟76号)(三)建设部《节水型企业(单位)目标导则》(建城…1997‟45号)(四)《节水型企业评价导则》(GB/T 7119—2006)二、适用范围本办法适用于本市范围内节水型企业(单位)的申报、考核和复查工作。
三、申报条件申报节水型企业(单位)的,须对照《湖南省节水型企业(单位)基础管理考核标准》和《湖南省节水型企业(单位)定量考核指标》的有关要求进行自审,达到88分的标准方可进行申报。
四、申报程序单位自主申报,长沙市城市用水管理办公室受理申报。
五、申报材料节水型企业(单位)申报材料一式五份,主要包括以下内容:(一)节水型企业(单位)申报书;(二)单位简介;(三)节水型企业(单位)创建工作总结;(四)节水型企业(单位)基本条件说明材料;(五)自查评分结果汇总材料;(六)各项考核指标逐项说明材料;(七)各项考核指标的附件资料;(八)水平衡测试报告书。
六、考核评审程序长沙市城市用水管理办公室负责组织节水型企业(单位)的考核工作。
考核工作由考核组具体完成,考核工作程序为:(一)审查申报材料,在基本达到考核标准后,到现场进行考核;(二)现场听取申报单位的创建工作汇报;(三)查阅申报材料及有关的原始资料;(四)现场随机抽查节水型企业、单位的节水措施落实情况,以及节水器具的安装使用情况(五)考核组成员提出独立的考核意见和评分结果;(六)考核组汇总意见和评分结果,经集体讨论,形成考核意见;(七)向申报单位通报考核意见;(八)考核情况报市水务局。
单位节水目标考核方案1. 背景随着社会经济的发展和人口的增长,水资源日益紧张。
为了保障水资源的可持续利用,各单位需要制定节水目标并进行考核,促进单位节水工作的开展。
本文档旨在提供一个单位节水目标考核方案的制定和实施参考,以确保单位节水工作的顺利推进。
2. 目标设定单位的节水目标应该符合以下原则:•合理性:目标应当符合实际情况和单位的水资源利用状况,不能过高或过低。
•量化性:目标应当具体明确,可以用具体的指标进行衡量和评估。
•可操作性:目标应当可以在一定的资源限制下实现,并且可以通过具体的措施和行动来达成。
3. 考核指标单位的节水目标可以根据实际情况制定不同的考核指标,以下是一些常用的考核指标:•水资源消耗总量:单位用水总量的大小可以反映单位的节水工作成效。
•单位生产水耗:单位产出的产品或服务所消耗的水量与单位产值之比,可以反映单位的水资源利用效率。
•水资源利用结构:单位不同用途水消费比例的合理性,可以反映单位在不同领域的水资源利用情况。
4. 考核方法单位节水目标的考核可以采用以下方法:•数据收集:单位需要收集和记录与节水目标相关的数据,包括用水量、用途分析、管理措施等。
•数据分析:单位可以通过对收集的数据进行分析,了解单位的水资源利用状况,并找出存在的问题和改进的空间。
•考核评估:单位可以根据考核指标的设定,对其水资源利用进行评估,判断是否达到预定的节水目标,并对结果进行反馈和总结。
•目标修订:根据考核评估的结果,单位可以对原有的节水目标进行修订,并确定下一阶段的节水目标,以不断推进单位的节水工作。
5. 考核标准单位的节水目标考核可以根据实际情况制定相应的考核标准,以下是一些常用的考核标准:•指标达标率:单位达到或超过预定的节水指标的比例。
•节水效益:单位通过节水工作所带来的经济效益或环境效益。
•考核排名:单位在节水目标评估中的排名情况,以鼓励单位之间的竞争和学习。
6. 奖惩机制为了鼓励单位积极参与节水工作并达到节水目标,可以建立奖惩机制,激发单位的积极性。
节水型学校达标要求各项指标说明
一、基础管理指标:
1、基础管理:
我校节水管理组织机构健全。
成立了节水工作小组,校长任组长,分管领导任副组长,有兼职节水管理人员,岗位职责明确。
用水台帐、工作记录详实齐全。
2、日常管理:
学校具备用水管网图,保修检漏制度、原始记录齐全,无违章用水和浪费水现象发生。
3、节水宣传:
学校在厕所、洗手间、餐厅等醒目位置张贴学生喜闻乐见、通俗易懂、宣传性极强的宣传性标语、画板,使节水意识深入人心。
节水宣传教育记录凸显经常性与特色性。
4、公共用水部位节水措施:
学校办公、绿化、景观、清洁及其它部位用水全部使用节水型器具,卫生、办公用水无跑冒滴漏现象。
二、定量考核指标:
1、节水器具普及率:
学校所有用水部位均采用节水器具,学校节水器具占总用水器具100%。
2、用水器具漏水率:
学校针对节水型学校考核标准对学校所有用水器具进行
逐一排查,发现无一用水器具存在滴冒漏现象,达到漏水件数/检查总件数=0。
3、人均月用水量:
学校全体教职员工、学生年生活用水量/学校全体教职员工、学生总数×12≤3.5立方米/人.月。
4、再生水或雨水利用率:
学校年再生水或雨水利用量×100% ≥15%
学校年取水总量
文登区文昌中学。
节水考核指标汇总及说明第一篇:节水考核指标汇总及说明民乐三中节水考核指标汇总及说明材料一、定量考核指标1、用水器具漏水率:用水器具总件数352个,其中节水水箱41个,节水龙头311个。
漏水件数0,用水器具漏水率为0。
2、节水器具普及率:节水器具占总用水器具的比例100%,节水器具普及率为100%。
3、人均日用水量:年用水总量27594立方米,学校总人数4200人,人均日用水量18升,大大低于考核指标“中小学≥25升/(人.日)不得分”的标准。
计算公式:1、年用水总量27594立方=27594000升2、学校总人数4200人3、人均日用水量=年用水总量27594000升÷(学校总人数4200人×365天)=18升/(人.日)二、基础管理考核指标1、组织落实:学校成立了校园节水领导小组和节水督查小组,并有专人负责学校的节水事宜,会议记录、节水工作日志齐全。
2、学校公共用水部分:学校公共用水部分无违章现象。
学校高用水部位全部使用了大禹节水器;绿化用水采用了喷灌方式污水再利用浇灌;宿舍、办公用水无跑冒滴漏现象。
3、经常开展节水宣传教育:学校政教处、团委充分发挥校报、校园广播、网络、宣传标牌等多种宣传阵地的作用,开展了以“节约珍惜每一滴水,建设节水新校园”为主题的系列宣传活动,广泛深入地宣传节水知识和开展节约用水的重要意义。
由学校团委向全校学生发出“创建节水型校园”倡议书,组织学生创办了以“节约用水,从我做起”为主题的手抄报800份;政教处要求各班组织召开以《节约用水利在当代功在千秋》和《珍惜水资源建设美好校园》的主题班会,进行节水专项宣传教育,要求每班各办两期以节水为主题的黑板报;总务处印发了《节水公约》1350份,下发节水小常识等宣传材料268份,悬挂横幅3条,张贴宣传标语牌80多张,制作大型宣传牌两张,呼吁全校师生提高节水意识,使之真正关心并积极支持节水工作;学校信息中心精心制作,在校园网站上增加了节水教育专题;教导处安排开展了水资源合理开发利用的科普讲座;政史地教研室在组织开展的知识竞赛中包括了节能、节水的内容。
水资源保护考核指标水资源保护考核指标是评估一个地区或者一个国家对水资源保护工作的成效和效果的标准和指标。
水资源是人类生存和发展的基础,保护水资源不仅关系到人类健康和经济发展,也关系到生态环境的可持续性。
因此,建立科学有效的水资源保护考核指标,对于实现水资源的可持续利用和水环境的健康持续发展具有重要意义。
一、水资源保护的总体考核指标1.水资源利用率:评估一个地区的水资源利用效率,包括农业用水、工业用水和居民生活用水等方面的利用效率。
通过水资源利用率的评估可以判断一个地区的水资源利用是否合理和有效。
2.水资源可持续利用指数:评估一个地区或者一个国家的水资源的可持续利用程度,通过制定一系列的指标来评估和监测水资源的可持续利用情况。
3.水资源供需平衡指数:评估一个地区的水资源供需是否平衡,通过对水资源供需关系的分析和考核,可以判断一个地区是否存在水资源供需矛盾问题。
4.水生态环境健康度:评估水资源的生态环境健康度,包括水体污染情况、水域生态系统的完整性和功能完善性等方面的考核。
5.水资源控制指标:评估一个地区或者一个国家对水资源的控制力度和控制成效,通过评估水资源控制指标可以判断一个地区对水资源的管理和调控能力。
二、水资源保护的细分考核指标1.水资源管理能力:包括水资源管理机构的建设和人员的素质、管理制度的完善度等方面的考核指标。
2.水资源调配能力:评估一个地区或者一个国家对水资源的合理调配能力,包括水资源分配机制的建立和实施、水资源调配计划的制定和执行等方面的考核指标。
3.水污染防治能力:评估一个地区或者一个国家对水污染防治的能力,包括水污染排放标准的制定和执行、水污染治理设施的建设和运行管理等方面的考核指标。
4.水资源保护投入和效益:评估一个地区或者一个国家在水资源保护工作中的投入和效益,包括水资源保护经费的投入和使用效果、水资源保护项目的实施和成效等方面的考核指标。
5.水资源保护宣传教育工作:评估一个地区或者一个国家在水资源保护宣传教育工作中的成效,包括水资源保护知识的普及程度、公众对水资源保护的认知和行动等方面的考核指标。
绩效考核方案中水一、前言在绩效考核方案中,水是一个令人不得不关注的重要因素。
水的质量和用量,直接影响到绩效考核的结果,影响到企业的发展和利益。
因此,在制定绩效考核方案时,必须对水进行科学合理的考虑和管理,以保证企业的长期稳健发展。
二、水的考核指标1.水质量考核指标在绩效考核方案中,水质量是一个极为重要的指标。
按照国家相关法律法规和行业标准,企业应严格遵守有关水质量的要求,确保用水安全、卫生、健康。
因此,在对水进行考核时,必须按照规定的标准进行检测,确保水质量符合国家相关标准,并及时进行整改和完善。
2.水用量考核指标除水质量外,水的用量也是一个重要的考核指标。
对于不同行业的企业,水的用量也不同,需要按照实际情况进行考核和管理。
同时,在制定绩效考核方案时,也应向员工传达节约用水的理念和意识,以降低用水成本,提高企业效益。
三、水的管理措施1.制定水资源管理方案企业应制定详细的水资源管理方案,明确管理流程和责任分工,确保水的安全、合理、高效使用。
同时,为了更好地实施水资源管理方案,企业还应考虑使用新技术、新装置等手段,提高水资源利用效率,减少水污染风险。
2.加强员工培训人员是企业管理的最重要环节之一。
因此,在制定考核方案的同时,还应加强员工培训,传达企业的水资源管理理念,提高员工的水资源管理意识和水使用效率。
在员工培训方面,除了加强理论学习外,在日常工作中还应注重实践操作,逐步形成水资源节约、管理的良好习惯。
3.监测和反馈监测和反馈是制定绩效考核方案的重要环节。
企业应定期对水的使用情况进行监测和分析,对发现的问题及时整改并加以改进。
为此,企业还应建立科学、高效的信息反馈机制,确保监测结果及时、准确地传达到相关人员中,以便及时调整和改进考核方案。
四、总结水是企业不可或缺的资源之一,也是绩效考核方案中一个不可忽视的重要因素。
因此,企业必须切实加强水的科学管理,压缩用水成本,提高用水效率,以达到节能环保、降低成本、保护水资源等目标。
民联寄宿制小学节水考核指标汇总材料
一、定量考核指标
1.用水器具漏水率:用水器具总件数392个,其中节水水箱12个,节水龙头380个。
漏水件数0,用水器具漏水率为0。
2.节水器具普及率:节水器具占总用水器具的比例100%,节水器具普及率为100%。
3.人均日用水量:学校总人数566人,人均日用水量20升,大大低于考核指标“小学人均日用新水量小于30升”的标准。
4.计算公式:
(1)年用水总量4131800升
(2)学校总人数566人
(3)人均日用水量=年用水总量4131800升÷(学校总人数566人×365天)=20升/(人.日)
5.参与度:
全校师生全员参与节水型校园建设工作,先由全体教师开教师大会,明确节水型校园的建设工作,再分解到位,各班举行形式多样的节水活动,进一步深化师生对节水的深刻认识,创建浓厚的校园节水气氛,使全校师生养成良好的节水习惯。
二、基础管理考核指标
1.组织及制度落实:学校成立了校园节水领导小组和节水督查小组,将节水型学校建设纳入学校总体发展规划及年度计划,制定了切实可行的实施方案,督查小组严格按照节水制度查看、管理学校的各个用水点,教学楼、宿舍楼每层有专人负责学校的节水事宜,各管理岗位责任明确,会议记录、节水工作日志齐全。
2.学校公共用水部分:学校公共用水部分无违章现象。
学校各楼层设有节能饮水机,宿舍、办公用水无跑冒滴漏现象。
3.经常开展节水宣传教育:为宣传节水力度,提高师生节水意
识,学校政教处、团委充分发挥校报、校园广播、网络、宣传标牌等多种宣传阵地的作用,开展了以“节约珍惜每一滴水,建设节水新校园”为主题的系列宣传活动,广泛深入地宣传节水知识和开展节约用水的重要意义。
此外在卫生间、洗手处张贴节约用水提示用语和宣传画,营造节水型单位的良好氛围。
组织学生观看有关节约用水的宣传片和展览,积极参加节约用水的相关活动,增强全校师生的节约用水意识。
采取多种形式,广泛宣传国家有关用水的法律法规和方针政策,介绍节水常识,倡导节水风尚。
由学校团委向全校学生发出“创建节水型校园”倡议书,组织学生创办了以“节约用水,从我做起”为主题的手抄报300多份;政教处要求各班组织召开以《节约用》和《珍惜水资源建设美好校园》为主题的班会,进行节水专项宣传教育,要求每班展示20多份以节水为主题的漫画,不少于5份的节水征文张贴在校园宣传栏,课余时间总有络绎不绝的学生观看欣赏并学习;学校信息中心精心制作,在校园网站上增加了节水教育专题;各班安排开展了水资源合理开发利用的知识讲座,通过各种节水活动的开展,进一步增强了我校师生节约用水的责任感和使命感,自觉养成了从我做起、从点滴做起的良好习惯。
三、节水设施:
各部门完善节水管理,制定节水相关制度,制定用水定额,落实计划用水管理,科学制定节水指标,建立节水责任制和节水激励机制。
加强用水设备日常维护和管理,及时维修损坏的供水管网和设施。
定期检查更换水龙头、管道阀门、冲水阀等排、给水器具,防止跑冒滴漏,坚决杜绝“长流水”现象。