pkpm恒活荷载某住宅小区设计荷载取用
- 格式:docx
- 大小:14.30 KB
- 文档页数:4
一、荷载取值(标准值)1、装修荷载:木地板0.5KN/M2石材 1.4KN/M2地砖1KN/M2公卫(填500厚焦渣砼) 5KN/M2主卫(填300厚焦渣砼) 3KN/M2板底抹灰0.34KN/M2刚性屋面 3.08KN/M2卧室(地砖) 厨房(地砖) 屋面(h=120)g=1.4 KN/M2g=1.9KN/M21、露台:(地砖) q=2 KN/M2q=2 KN/M2g=4.5KN/M2q=3 KN/M2客厅(石材) 楼梯平台(地砖) 2、斜坡屋面g=1.8 KN/M2g=1.8KN/M2g=4.5KN/M2q=2 KN/M2q=3.5KN/M2q=0.5KN/M2阳台(地砖) 入房花园(地砖) h=120g=1.4 KN/M2g=1.4KN/M2q=2.5 KN/M2q=3KN/M2主卫(地砖) 公卫(地砖)g=5 KN/M2g=7KN/M2q=4 KN/M2q=2KN/M2墙(240) 容重9KN/M3层高H=3M双面抹灰H=2.6M 7.5 KN/M一面砖一面抹灰H=2.6M 7.9 KN/M屋面女儿墙H=1.35M 5.1 KN/M墙(120) 容重10KN/M3层高H=3M双面抹灰H=2.7 M 5.1 KN/MH=2.9M 5.5 KN/M一面砖一面抹灰H=2.7M 5.5 KN/M双面砖H=2.7 M 6 KN/M阳台拦板(H=1350) 3.5 KN/M 阳台空心栏杆2 KN/M屋面檐沟 3 KN/M阳台、厨房、入房花园均比室内降20mm,主卫降300mm,客卫降500.楼梯间荷载取值时,一般我们的做法是将板厚设为0,然后恒载8,活载3.5,这些都是对于双跑得楼梯的。
在结构设计中,隔墙荷载时最常遇到的问题。
各地的墙体材料不同,荷载也各异。
笔者在设计中总结了一些常用的隔墙荷载取值,归纳如下:1.混凝土空心砌块(陶粒、粉煤灰)块体容重:850~1100kg/m*3;墙体模数:90mm,190mm。
一、PM参数输入1、在计算底板时,注意梁、板保护层厚度取50mm;与土直接接触的梁板保护层厚度取50mm;关于保护层厚度取值问题,可参见二类a环境下,结构构件保护层厚度和裂缝控制的感想2、在计算底板抗浮,按倒楼盖配筋时,注意混凝土容重取0KN/M3;3、一般情况下混凝土容重取26KN/M3;4、上部楼层梁柱混凝土保护层厚度统一取30mm,不再区分25mm和30mm;5、楼面恒活荷载输入时,按自动计算现浇楼板自重,且普通住宅装修层荷载按1.6KN/M2考虑,其它按实际情况取;6、梁间墙体线荷载,240墙体统一按4.2KN/M2,120墙体统一按3.0KN/M2,注意考虑门窗洞口折减和挑板自重;7、地下室外墙按混凝土墙建模,如遇到剪力墙和混凝土墙相临情况,可局部用深梁替代,这样便于JCCAD导荷布桩.二、结构楼面布置信息:1、板厚一般按板短跨1/35取值;普通楼层板厚不小于100mm,屋面板厚不小于120mm,对局部露台,当板跨较小时,板厚也可以取100mm;2、楼梯间板厚取0,电梯间全房间开洞,且注意楼板错层;三、楼面荷载传导计算:1、一般楼面和屋面活荷载按荷载规范取,楼梯间恒载取8.0KN/M2,活载对普通多层住宅楼梯取2.5KN/M2,对高层住宅或者消防楼梯取3.5KN/M2,当梯板为较大跨度或者较厚板厚时,按实际情况取恒载;2、应注意楼梯间实际的导荷方式,如板式楼梯,为两边楼梯梁受力,应选择单向导荷方式;四、画结构平面图:1、一般情况下,普通楼层考虑0.3mm裂缝控制,底板考虑0.2mm裂缝控制,地下车库顶板可根据覆土厚度,先按0.3mm控制,可做一定放大,如按0.25mm裂缝控制,这个具体工程自己把握,对车库顶板上有消防车情况,可按0.3mm进行裂缝控制;2、对与剪力墙相连的板边界,按固端考虑,对与较大边梁相连的板边界,可考虑边梁的约束作用,适当放大板支座配筋,其余板边界边支座按简支考虑;五、平面荷载校核:1、在布桩时,该项导荷作为参考条件,以JCCAD为主,如框架剪力墙结构,JCCAD里面墙体分担的荷载较多,柱分担的荷载较少;反之,PM导核里面,墙体分担的荷载较少,柱分担的荷载较多;六、分析与设计参数补充定义:1、混凝土容重取26KN/M2;在计算底板抗浮,按倒楼盖配筋时,注意混凝土容重取0KN/M3;2、在进行整体计算时,对所有楼层强制采用刚性楼板假定,来查看位移比和位移角,其中计算位移角时,不考虑偶然偏心;对高层位移比应≤1.4;对构件进行配筋时,对所有楼层强制采用刚性楼板假定不选;3、模拟施工加载选加载3;4、风荷载信息栏中,对结构基本周期,按SATWE整体计算周期结果,将振型1周期进行返输入;注意体型分段数,对有地下室,裙房结构,应分别分段;5、同时选考虑偶然偏心和考虑双向地震;6、对有斜交抗侧力构件,应注意该项取值;7、对计算振型数,应按实际情况取,且使有效质量系数大于90%;8、应注意周期折减系数,对不同结构类型取不同值,对框架结构取0.7,框架剪力墙结构取0.8,剪力墙结构取0.9;9、柱墙设计时活荷载不折减,传给基础的活荷载折减,考虑梁活荷不利布置,并填写最高层号;10、应注意对非住宅办公教室等建筑,设计墙、柱和基础时的折减系数,应按荷载规范取;11、普通搂层梁梁端负弯距调幅系数取0.85;12、梁设计弯距放大系数取1.0,考虑0.3mm裂缝控制;中梁刚度放大系数取1.5,其余按默认值;注意对基础拉梁,无底板的情况,中梁刚度放大系数取1.0;13、框架-剪力墙结构,0.2Q0调整应从底层到屋顶(主要楼层,一旦结构内收则不往上调整);14、一般不考虑梁柱重叠部分简化为刚域,选混凝土柱的计算长度系数执行混凝土规范;一般楼层梁柱混凝土保护层厚度取30mm,地梁混凝土保护层厚度取50mm;与土直接接触的梁板保护层厚度取50mm;15、柱配筋计算原则,按单偏压计算,再按双偏压校核角柱;一般柱轴压比控制在0.85以内;16、一般多层不考虑P-Δ效应,高层考虑P-Δ效应;且应查看建筑结构的总信息一栏,结构刚重比EJd/GH**2是否大于2.7,然后判断是否考虑P-Δ效应;17、其余按默认值;七、特殊构件补充定义:1、除支撑在梯柱上的梯梁外,一般无需点梁铰接;2、注意标高不在同一标高处的梁,当两边高差大于梁高时,如支座不连续,可以考虑铰接;3、注意指定转换梁;选取角柱;4、注意多塔信息的输入,在该步修改混凝土等级和多塔的层高,各塔一层以上的配筋可按单塔计算来配筋;5、执行第7步生成SATWE数据文件及数据检查后,如有人防地下室顶板,点取第10步人防荷载修改,对地下室非人防区,人防荷载取0;如再需运行第7步时,选择保留用户自定义的人防荷载;八、结构内力配筋计算:1、一般情况层刚度比计算按地震剪力与地震层间位移的比;多层和规则的小高层,地震作用分析方法可选择侧刚分析法,并按LDLT侧刚分解;对高层和不规则小高层地震作用分析方法按总刚分析法;线形方程组解法按VSS向量稀疏求解器;2、其余按默认;九、画图:指导思想:出图应规范化,讲究效率,避免个性,对同一小区的类似住宅,应保持统一;批量生产,既安全又要兼顾节省.注意与建筑,电气,暖通,给排水专业的密切配合.1、桩(包括抗压和抗拔),对一个小区由一个人计算完成,提供承载力,标记符号应统一;2、底板厚度,抗浮水位,配筋指导方向.裂缝控制,挡土墙配筋等,应由一个人来协调,具体图纸设计由各设计人完成;3、一个小区不同幢楼的竖向构件,如户型相同,应尽量保持一致,且竖向构件(主要指柱),考虑10~20%的安全系数;4、原则上楼梯、节点全部由一个人来完成,楼梯平面、剖面、节点全部拷贝建筑,节点不能随意拆分,把建筑索引全部照搬过来,去掉建筑填充和粉刷线,再标注板厚(尤其是悬挑板),标配钢筋.。
一、PM参数输入1、在计算底板时,注意梁、板保护层厚度取50mm;与土直接接触的梁板保护层厚度取50mm;关于保护层厚度取值问题,可参见二类a环境下,结构构件保护层厚度和裂缝控制的感想2、在计算底板抗浮,按倒楼盖配筋时,注意混凝土容重取0KN/M3;3、一般情况下混凝土容重取26KN/M3;4、上部楼层梁柱混凝土保护层厚度统一取30mm,不再区分25mm和30mm;5、楼面恒活荷载输入时,按自动计算现浇楼板自重,且普通住宅装修层荷载按1.6KN/M2考虑,其它按实际情况取;6、梁间墙体线荷载,240墙体统一按4.2KN/M2,120墙体统一按3.0KN/M2,注意考虑门窗洞口折减和挑板自重;7、地下室外墙按混凝土墙建模,如遇到剪力墙和混凝土墙相临情况,可局部用深梁替代,这样便于JCCAD导荷布桩.二、结构楼面布置信息:1、板厚一般按板短跨1/35取值;普通楼层板厚不小于100mm,屋面板厚不小于120mm,对局部露台,当板跨较小时,板厚也可以取100mm;2、楼梯间板厚取0,电梯间全房间开洞,且注意楼板错层;三、楼面荷载传导计算:1、一般楼面和屋面活荷载按荷载规范取,楼梯间恒载取8.0KN/M2,活载对普通多层住宅楼梯取2.5KN/M2,对高层住宅或者消防楼梯取3.5KN/M2,当梯板为较大跨度或者较厚板厚时,按实际情况取恒载;2、应注意楼梯间实际的导荷方式,如板式楼梯,为两边楼梯梁受力,应选择单向导荷方式;四、画结构平面图:1、一般情况下,普通楼层考虑0.3mm裂缝控制,底板考虑0.2mm裂缝控制,地下车库顶板可根据覆土厚度,先按0.3mm控制,可做一定放大,如按0.25mm裂缝控制,这个具体工程自己把握,对车库顶板上有消防车情况,可按0.3mm进行裂缝控制;2、对与剪力墙相连的板边界,按固端考虑,对与较大边梁相连的板边界,可考虑边梁的约束作用,适当放大板支座配筋,其余板边界边支座按简支考虑;五、平面荷载校核:1、在布桩时,该项导荷作为参考条件,以JCCAD为主,如框架剪力墙结构,JCCAD里面墙体分担的荷载较多,柱分担的荷载较少;反之,PM导核里面,墙体分担的荷载较少,柱分担的荷载较多;六、分析与设计参数补充定义:1、混凝土容重取26KN/M2;在计算底板抗浮,按倒楼盖配筋时,注意混凝土容重取0KN/M3;2、在进行整体计算时,对所有楼层强制采用刚性楼板假定,来查看位移比和位移角,其中计算位移角时,不考虑偶然偏心;对高层位移比应≤1.4;对构件进行配筋时,对所有楼层强制采用刚性楼板假定不选;3、模拟施工加载选加载3;4、风荷载信息栏中,对结构基本周期,按SATWE整体计算周期结果,将振型1周期进行返输入;注意体型分段数,对有地下室,裙房结构,应分别分段;5、同时选考虑偶然偏心和考虑双向地震;6、对有斜交抗侧力构件,应注意该项取值;7、对计算振型数,应按实际情况取,且使有效质量系数大于90%;8、应注意周期折减系数,对不同结构类型取不同值,对框架结构取0.7,框架剪力墙结构取0.8,剪力墙结构取0.9;9、柱墙设计时活荷载不折减,传给基础的活荷载折减,考虑梁活荷不利布置,并填写最高层号;10、应注意对非住宅办公教室等建筑,设计墙、柱和基础时的折减系数,应按荷载规范取;11、普通搂层梁梁端负弯距调幅系数取0.85;12、梁设计弯距放大系数取1.0,考虑0.3mm裂缝控制;中梁刚度放大系数取1.5,其余按默认值;注意对基础拉梁,无底板的情况,中梁刚度放大系数取1.0;13、框架-剪力墙结构,0.2Q0调整应从底层到屋顶(主要楼层,一旦结构内收则不往上调整);14、一般不考虑梁柱重叠部分简化为刚域,选混凝土柱的计算长度系数执行混凝土规范;一般楼层梁柱混凝土保护层厚度取30mm,地梁混凝土保护层厚度取50mm;与土直接接触的梁板保护层厚度取50mm;15、柱配筋计算原则,按单偏压计算,再按双偏压校核角柱;一般柱轴压比控制在0.85以内;16、一般多层不考虑P-Δ效应,高层考虑P-Δ效应;且应查看建筑结构的总信息一栏,结构刚重比EJd/GH**2是否大于2.7,然后判断是否考虑P-Δ效应;17、其余按默认值;七、特殊构件补充定义:1、除支撑在梯柱上的梯梁外,一般无需点梁铰接;2、注意标高不在同一标高处的梁,当两边高差大于梁高时,如支座不连续,可以考虑铰接;3、注意指定转换梁;选取角柱;4、注意多塔信息的输入,在该步修改混凝土等级和多塔的层高,各塔一层以上的配筋可按单塔计算来配筋;5、执行第7步生成SATWE数据文件及数据检查后,如有人防地下室顶板,点取第10步人防荷载修改,对地下室非人防区,人防荷载取0;如再需运行第7步时,选择保留用户自定义的人防荷载;八、结构内力配筋计算:1、一般情况层刚度比计算按地震剪力与地震层间位移的比;多层和规则的小高层,地震作用分析方法可选择侧刚分析法,并按LDLT侧刚分解;对高层和不规则小高层地震作用分析方法按总刚分析法;线形方程组解法按VSS向量稀疏求解器;2、其余按默认;九、画图:指导思想:出图应规范化,讲究效率,避免个性,对同一小区的类似住宅,应保持统一;批量生产,既安全又要兼顾节省.注意与建筑,电气,暖通,给排水专业的密切配合.1、桩(包括抗压和抗拔),对一个小区由一个人计算完成,提供承载力,标记符号应统一;2、底板厚度,抗浮水位,配筋指导方向.裂缝控制,挡土墙配筋等,应由一个人来协调,具体图纸设计由各设计人完成;3、一个小区不同幢楼的竖向构件,如户型相同,应尽量保持一致,且竖向构件(主要指柱),考虑10~20%的安全系数;4、原则上楼梯、节点全部由一个人来完成,楼梯平面、剖面、节点全部拷贝建筑,节点不能随意拆分,把建筑索引全部照搬过来,去掉建筑填充和粉刷线,再标注板厚(尤其是悬挑板),标配钢筋.。
一、PM参数输入1、在计算底板时,注意梁、板保护层厚度取50mm;与土直接接触的梁板保护层厚度取50mmI;关于保护层厚度取值问题,可参见二类a环境下,结构构件保护层厚度和裂缝控制的感想2、在计算底板抗浮,按倒楼盖配筋时,注意混凝土容重取0KN/M3;3、一般情况下混凝土容重取26KN/M3;4、上部楼层梁柱混凝土保护层厚度统一取30mm,不再区分25mm和30mm;5、楼面恒活荷载输入时,按自动计算现浇楼板自重,且普通住宅装修层荷载按1.6KN/M2考虑,其它按实际情况取;6、梁间墙体线荷载,240墙体统一按4.2KN/M2,120墙体统一按3.0KN/M2,注意考虑门窗洞口折减和挑板自重;7、地下室外墙按混凝土墙建模,如遇到剪力墙和混凝土墙相临情况,可局部用深梁替代,这样便于JCCAD导荷布桩.二、结构楼面布置信息:1、板厚一般按板短跨1/35取值;普通楼层板厚不小于100mm,屋面板厚不小于120mm,对局部露台,当板跨较小时,板厚也可以取100mm;2、楼梯间板厚取0,电梯间全房间开洞,且注意楼板错层;三、楼面荷载传导计算:1、一般楼面和屋面活荷载按荷载规范取,楼梯间恒载取8.0KN/M2,活载对普通多层住宅楼梯取2.5KN/M2,对高层住宅或者消防楼梯取3.5KN/M2,当梯板为较大跨度或者较厚板厚时,按实际情况取恒载;2、应注意楼梯间实际的导荷方式,如板式楼梯,为两边楼梯梁受力,应选择单向导荷方式;四、画结构平面图:1、一般情况下,普通楼层考虑0.3mm裂缝控制,底板考虑0.2mm裂缝控制,地下车库顶板可根据覆土厚度,先按0.3mm控制,可做一定放大,如按0.25mm裂缝控制,这个具体工程自己把握,对车库顶板上有消防车情况,可按0.3mm进行裂缝控制;2、对与剪力墙相连的板边界,按固端考虑,对与较大边梁相连的板边界,可考虑边梁的约束作用,适当放大板支座配筋,其余板边界边支座按简支考虑;五、平面荷载校核:1、在布桩时,该项导荷作为参考条件,以JCCAD为主,如框架剪力墙结构,JCCAD 里面墙体分担的荷载较多,柱分担的荷载较少;反之,PM导核里面,墙体分担的荷载较少,柱分担的荷载较多;六、分析与设计参数补充定义:1、混凝土容重取26KN/M2;在计算底板抗浮,按倒楼盖配筋时,注意混凝土容重取0KN/M3;2、在进行整体计算时,对所有楼层强制采用刚性楼板假定,来查看位移比和位移角,其中计算位移角时,不考虑偶然偏心;对高层位移比应41.4;对构件进行配筋时,对所有楼层强制采用刚性楼板假定不选;3、模拟施工加载选加载3;4、风荷载信息栏中,对结构基本周期,按SATWE整体计算周期结果,将振型1周期进行返输入;注意体型分段数,对有地下室,裙房结构,应分别分段;5、同时选考虑偶然偏心和考虑双向地震;6、对有斜交抗侧力构件,应注意该项取值;7、对计算振型数,应按实际情况取,且使有效质量系数大于90%;8、应注意周期折减系数,对不同结构类型取不同值,对框架结构取。
一、荷载取值(标准值)
1、装修荷载:木地板0.5KN/M2
石材 1.4KN/M2
地砖1KN/M2
公卫(填500厚焦渣砼) 5KN/M2
主卫(填300厚焦渣砼) 3KN/M2
板底抹灰0.34KN/M2
刚性屋面 3.08KN/M2
卧室(地砖) 厨房(地砖) 屋面(h=120)
g=1.4 KN/M2g=1.9KN/M21、露台:(地砖) q=2 KN/M2q=2 KN/M2g=4.5KN/M2
q=3 KN/M2客厅(石材) 楼梯平台(地砖) 2、斜坡屋面
g=1.8 KN/M2
g=1.8KN/M2g=4.5KN/M2 q=2 KN/M2q=3.5KN/M2q=0.5KN/M2 阳台(地砖) 入房花园(地砖) h=120
g=1.4 KN/M2g=1.4KN/M2
q=2.5 KN/M2q=3KN/M2
主卫(地砖) 公卫(地砖)
g=5 KN/M2g=7KN/M2
q=4 KN/M2q=2KN/M2
墙(240) 容重9KN/M3层高H=3M
双面抹灰H=2.6M 7.5 KN/M
一面砖一面抹灰H=2.6M 7.9 KN/M
屋面女儿墙H=1.35M 5.1 KN/M 墙(120) 容重10KN/M3层高H=3M
双面抹灰H=2.7 M 5.1 KN/M
H=2.9M 5.5 KN/M
一面砖一面抹灰H=2.7M 5.5 KN/M
双面砖H=2.7 M 6 KN/M 阳台拦板(H=1350) 3.5 KN/M 阳台空心栏杆2 KN/M
屋面檐沟 3 KN/M
阳台、厨房、入房花园均比室内降20mm,主卫降300mm,客卫降500.。
一、PM参数输入1、在计算底板时,注意梁、板保护层厚度取50mm;与土直接接触的梁板保护层厚度取50mm;关于保护层厚度取值问题,可参见二类a环境下,结构构件保护层厚度和裂缝控制的感想2、在计算底板抗浮,按倒楼盖配筋时,注意混凝土容重取0KN/M3;3、一般情况下混凝土容重取26KN/M3;4、上部楼层梁柱混凝土保护层厚度统一取30mm,不再区分25mm和30mm;5、楼面恒活荷载输入时,按自动计算现浇楼板自重,且普通住宅装修层荷载按1.6KN/M2考虑,其它按实际情况取;6、梁间墙体线荷载,240墙体统一按4.2KN/M2,120墙体统一按3.0KN/M2,注意考虑门窗洞口折减和挑板自重;7、地下室外墙按混凝土墙建模,如遇到剪力墙和混凝土墙相临情况,可局部用深梁替代,这样便于JCCAD导荷布桩.二、结构楼面布置信息:1、板厚一般按板短跨1/35取值;普通楼层板厚不小于100mm,屋面板厚不小于120mm,对局部露台,当板跨较小时,板厚也可以取100mm;2、楼梯间板厚取0,电梯间全房间开洞,且注意楼板错层;三、楼面荷载传导计算:1、一般楼面和屋面活荷载按荷载规范取,楼梯间恒载取8.0KN/M2,活载对普通多层住宅楼梯取2.5KN/M2,对高层住宅或者消防楼梯取3.5KN/M2,当梯板为较大跨度或者较厚板厚时,按实际情况取恒载;2、应注意楼梯间实际的导荷方式,如板式楼梯,为两边楼梯梁受力,应选择单向导荷方式;四、画结构平面图:1、一般情况下,普通楼层考虑0.3mm裂缝控制,底板考虑0.2mm裂缝控制,地下车库顶板可根据覆土厚度,先按0.3mm控制,可做一定放大,如按0.25mm裂缝控制,这个具体工程自己把握,对车库顶板上有消防车情况,可按0.3mm进行裂缝控制;2、对与剪力墙相连的板边界,按固端考虑,对与较大边梁相连的板边界,可考虑边梁的约束作用,适当放大板支座配筋,其余板边界边支座按简支考虑;五、平面荷载校核:1、在布桩时,该项导荷作为参考条件,以JCCAD为主,如框架剪力墙结构,JCCAD里面墙体分担的荷载较多,柱分担的荷载较少;反之,PM导核里面,墙体分担的荷载较少,柱分担的荷载较多;六、分析与设计参数补充定义:1、混凝土容重取26KN/M2;在计算底板抗浮,按倒楼盖配筋时,注意混凝土容重取0KN/M3;2、在进行整体计算时,对所有楼层强制采用刚性楼板假定,来查看位移比和位移角,其中计算位移角时,不考虑偶然偏心;对高层位移比应≤1.4;对构件进行配筋时,对所有楼层强制采用刚性楼板假定不选;3、模拟施工加载选加载3;4、风荷载信息栏中,对结构基本周期,按SATWE整体计算周期结果,将振型1周期进行返输入;注意体型分段数,对有地下室,裙房结构,应分别分段;5、同时选考虑偶然偏心和考虑双向地震;6、对有斜交抗侧力构件,应注意该项取值;7、对计算振型数,应按实际情况取,且使有效质量系数大于90%;8、应注意周期折减系数,对不同结构类型取不同值,对框架结构取0.7,框架剪力墙结构取0.8,剪力墙结构取0.9;9、柱墙设计时活荷载不折减,传给基础的活荷载折减,考虑梁活荷不利布置,并填写最高层号;10、应注意对非住宅办公教室等建筑,设计墙、柱和基础时的折减系数,应按荷载规范取;11、普通搂层梁梁端负弯距调幅系数取0.85;12、梁设计弯距放大系数取1.0,考虑0.3mm裂缝控制;中梁刚度放大系数取1.5,其余按默认值;注意对基础拉梁,无底板的情况,中梁刚度放大系数取1.0;13、框架-剪力墙结构,0.2Q0调整应从底层到屋顶(主要楼层,一旦结构内收则不往上调整);14、一般不考虑梁柱重叠部分简化为刚域,选混凝土柱的计算长度系数执行混凝土规范;一般楼层梁柱混凝土保护层厚度取30mm,地梁混凝土保护层厚度取50mm;与土直接接触的梁板保护层厚度取50mm;15、柱配筋计算原则,按单偏压计算,再按双偏压校核角柱;一般柱轴压比控制在0.85以内;16、一般多层不考虑P-Δ效应,高层考虑P-Δ效应;且应查看建筑结构的总信息一栏,结构刚重比EJd/GH**2是否大于,然后判断是否考虑P-Δ效应;17、其余按默认值;七、特殊构件补充定义:1、除支撑在梯柱上的梯梁外,一般无需点梁铰接;2、注意标高不在同一标高处的梁,当两边高差大于梁高时,如支座不连续,可以考虑铰接;3、注意指定转换梁;选取角柱;4、注意多塔信息的输入,在该步修改混凝土等级和多塔的层高,各塔一层以上的配筋可按单塔计算来配筋;5、执行第7步生成SATWE数据文件及数据检查后,如有人防地下室顶板,点取第10步人防荷载修改,对地下室非人防区,人防荷载取0;如再需运行第7步时,选择保留用户自定义的人防荷载;八、结构内力配筋计算:1、一般情况层刚度比计算按地震剪力与地震层间位移的比;多层和规则的小高层,地震作用分析方法可选择侧刚分析法,并按LDLT侧刚分解;对高层和不规则小高层地震作用分析方法按总刚分析法;线形方程组解法按VSS向量稀疏求解器;2、其余按默认;九、画图:指导思想:出图应规范化,讲究效率,避免个性,对同一小区的类似住宅,应保持统一;批量生产,既安全又要兼顾节省.注意与建筑,电气,暖通,给排水专业的密切配合.1、桩(包括抗压和抗拔),对一个小区由一个人计算完成,提供承载力,标记符号应统一;2、底板厚度,抗浮水位,配筋指导方向.裂缝控制,挡土墙配筋等,应由一个人来协调,具体图纸设计由各设计人完成;3、一个小区不同幢楼的竖向构件,如户型相同,应尽量保持一致,且竖向构件(主要指柱),考虑10~20%的安全系数;4、原则上楼梯、节点全部由一个人来完成,楼梯平面、剖面、节点全部拷贝建筑,节点不能随意拆分,把建筑索引全部照搬过来,去掉建筑填充和粉刷线,再标注板厚(尤其是悬挑板),标配钢筋.。
PKPM里面的梁间荷载一般的就是梁上墙所产生的荷载。
计算时,设墙为二四墙取普通砖容重18(一般用的是普通机制砖,取19)KN/平米,摸灰层取17(石灰沙浆,混合沙浆)KN/平米,这么一来,每平方墙面产生的荷载为:19乘0.24+17乘0.02乘2=5.24 KN/平米(摸灰层一般取20厚,双面摸灰,所以要乘以2。
)最后,用5.24乘以梁上墙面面积,就得梁上荷载。
5.24是一个用得很多的数据,熟悉了就自然知道,算的时候直接用。
pkpm中的荷载输入:当建筑模型建好后,输完楼板上的恒载、活载后,输梁上荷载时:那么梁上的恒载应该包括那些呢?活载应该包括哪些呢?“楼面荷载传导计算”是做什么用的??梁上的恒载是不是包括:主梁:梁的自重+梁上自承重墙重楼板下的主梁:梁的自重。
还要不要加上主梁上的次梁的自重、楼板的自重和其上所承担的荷载?柱子上的恒载是不是只包括其所在的楼层这个区段内自重,要不要加上该楼层以上的荷载?这样理解对吗?:在楼板上布置完恒载和活载后,布置梁的荷载时只考虑梁自身的自重。
然后在荷载导计算中就把梁所承担的所有荷载就算出来了?一般只要输入楼板上的恒载和活载,注意楼板恒载应包括楼板自重(钩选了自动计算楼板自重的除外)。
程序会自动将楼面荷载传导至梁上,因此梁上一般只要输入上面一层的填充墙自重作为恒载,所有梁柱的自重都不需要输入,程序会自动计算。
对于柱子,一般不用输入荷载,所有梁传来的荷载会自动倒算到柱子上。
以上是一般情况,要注意按实际情况输入荷载。
比如说梁上没有填充墙,但是有一个比较重的设备,那么就不用输入梁的恒载,但要按设备的实际作用力输入梁上活载。
再比如柱子在中部受到一个水平力,例如设置了一个雨篷斜拉杆拉在柱子上,那么就要输入柱子的活载。
楼面荷载传导计算就是把楼面的荷载传至梁上,再把梁的荷载传至柱上,再把柱的荷载传至最低层,为基础计算做准备。
pkpm梁间荷载,均布、集中荷载分别指什么?加载在哪里呢?均布荷载(jun bu he zai)distributed load(uniform load)连续作用在构件表面的较大面积上,不能看成集中荷载,且任意两个荷载的大小方向均相同的荷载称为均布荷载集中荷载是对应于均布荷载的一个概念,其作用面积相对于被作用的面来说很小,可以简化成一个点的荷载就是集中荷载了。
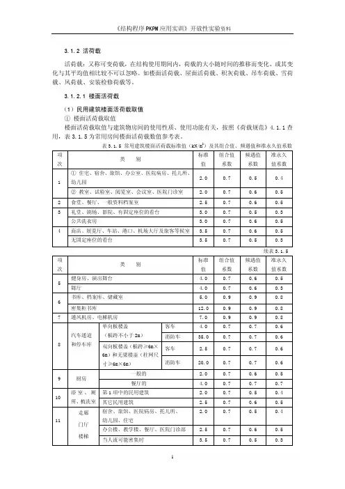
3.1.2 活荷载活荷载:又称可变荷载,在结构使用期间内,荷载的大小随时间的推移而变化、或其变化与其平均值相比较不可以忽略。
如楼面活荷载、屋面活荷载、积灰荷载、吊车荷载、雪荷载、风荷载、安装检修荷载等。
3.1.2.1 楼面活荷载(1)民用建筑楼面活荷载取值①楼面活荷载取值楼面活荷载取值与建筑物房间的使用性质、使用功能有关,按照《荷载规范》4.1.1查用,表3.1.5为常用房间楼面活荷载数值参考表。
表3.1.5 常用建筑楼面活荷载标准值(kN/m2)及其组合值、频遇值和准永久值系数项次类别标准值组合值系数频遇值系数准永久值系数1 ①住宅、宿舍、旅馆、办公室、医院病房、托儿所、幼儿园2.0 0.7 0.5 0.4②教室、试验室、阅览室、会议室、医院门诊室 2.0 0.7 0.6 0.52 食堂、餐厅、一般资料档案室 2.5 0.7 0.6 0.53 礼堂、剧场、影院、有固定座位的看台 3.0 0.7 0.5 0.3公共洗衣房 3.0 0.7 0.6 0.54 商店、展览厅、车站、港口、机场大厅及旅客等候室 3.5 0.7 0.6 0.5无固定座位的看台 3.5 0.7 0.5 0.3续表3.1.5项次类别标准值组合值系数频遇值系数准永久值系数5 健身房、演出舞台 4.0 0.7 0.6 0.5 舞厅 4.0 0.7 0.6 0.36书库、档案库、储藏室 5.0 0.9 0.9 0.8 密集柜书库12.0 0.9 0.9 0.8 7 通风机房、电梯机房7.0 0.9 0.9 0.88 汽车通道和停车库单向板楼盖(板跨不小于2m)客车 4.0 0.7 0.7 0.6消防车35.0 0.7 0.7 0.6 双向板楼盖(板跨≥6m×6m)和无梁楼盖(柱网尺寸≥6m×6m)客车 2.5 0.7 0.7 0.6消防车20.0 0.7 0.7 0.69 厨房一般的 2.0 0.7 0.6 0.5 餐厅的 4.0 0.7 0.7 0.710 浴室、厕所、梳洗室第1项中的民用建筑 2.0 0.7 0.5 0.4其它民用建筑 2.5 0.7 0.6 0.511 走廊门厅楼梯宿舍、旅馆、医院病房、托儿所、幼儿园、住宅2.0 0.7 0.5 0.4办公楼、教学楼、餐厅、医院门诊部 2.5 0.7 0.6 0.5当人流可能密集时 3.5 0.7 0.5 0.312 阳台一般情况 2.5 0.7 0.6 0.5 当人群有可能密集时 3.5 0.7 0.6 0.5附注:1、本表所给出的各项活荷载适用于一般使用条件,当使用荷载较大、或情况特殊时应按实际情况采用;技术层、设备层使用活荷载按照实际情况取用;2、第6项书库活荷载当书架高度大于2m时,书库活荷载尚应按每米书架高度不小于2.5 kN/m2确定;3、第7项中的设备用房活荷载,指的是检修时楼面均布等效活荷载,正常工作时,设备对楼面板、梁(或屋面板、梁)产生的支承荷载应按照设备样本提供的参数另行考虑;4、第8项中的客车活荷载只适用于停放载人数少于9人的客车;消防车活荷载是适用于满载总重为300kN的大型车辆;当不符合本表的要求时,应将车辆的局部轮压按结构效应的等效原则,换算为等效均布荷载;5、本表各项荷载不包括隔墙自重和二次装修荷载;对固定隔墙的自重应按恒载考虑;当隔墙位置可灵活布置时,非固定隔墙的自重可取每延米长墙重(kN/m)的1/3作为楼面活荷载的附加值(kN/m2)计入,附加值不小于1.0kN/m2。
[转载]PKPM里面的荷载输入(2010-09-03 17:20:33)转载原文标签:转载PKPM里面的梁间荷载,一般的就是梁上墙所产生的荷载。
计算时,设墙为二四墙取普通砖容重18(一般用的是普通机制砖,取19)KN/平米,摸灰层取17(石灰沙浆,混合沙浆)KN/平米,这么一来,每平方墙面产生的荷载为:19乘0.24+17乘0.02乘2=5.24 KN/平米(摸灰层一般取20厚,双面摸灰,所以要乘以2。
)最后,用5.24乘以梁上墙面面积,就得梁上荷载。
5.24是一个用得很多的数据,熟悉了就自然知道,算的时候直接用。
pkpm中的荷载输入:当建筑模型建好后,输完楼板上的恒载、活载后,输梁上荷载时:那么梁上的恒载应该包括那些呢?活载应该包括哪些呢?“楼面荷载传导计算”是做什么用的??梁上的恒载是不是包括:主梁:梁的自重+梁上自承重墙重楼板下的主梁:梁的自重。
还要不要加上主梁上的次梁的自重、楼板的自重和其上所承担的荷载?柱子上的恒载是不是只包括其所在的楼层这个区段内自重,要不要加上该楼层以上的荷载?这样理解对吗?:在楼板上布置完恒载和活载后,布置梁的荷载时只考虑梁自身的自重。
然后在荷载传导计算中就把梁所承担的所有荷载就算出来了?一般只要输入楼板上的恒载和活载,注意楼板恒载应包括楼板自重(钩选了自动计算楼板自重的除外)。
程序会自动将楼面荷载传导至梁上,因此梁上一般只要输入上面一层的填充墙自重作为恒载,所有梁柱的自重都不需要输入,程序会自动计算。
对于柱子,一般不用输入荷载,所有梁传来的荷载会自动倒算到柱子上。
以上是一般情况,要注意按实际情况输入荷载。
比如说梁上没有填充墙,但是有一个比较重的设备,那么就不用输入梁的恒载,但要按设备的实际作用力输入梁上活载。
一、PM参数输入1、在计算底板时,注意梁、板保护层厚度取50mm;与土直接接触的梁板保护层厚度取50mm;关于保护层厚度取值问题,可参见二类a环境下,结构构件保护层厚度和裂缝控制的感想2、在计算底板抗浮,按倒楼盖配筋时,注意混凝土容重取0KN/m³;3、一般情况下混凝土容重取26KN/m³;4、上部楼层梁柱混凝土保护层厚度统一取30mm,不再区分25mm和30mm;5、楼面恒活荷载输入时,按自动计算现浇楼板自重,且普通住宅装修层荷载按1.6KN/㎡考虑,其它按实际情况取;6、梁间墙体线荷载,240墙体统一按4.2KN/㎡,120墙体统一按3.0KN/㎡,注意考虑门窗洞口折减和挑板自重;7、地下室外墙按混凝土墙建模,如遇到剪力墙和混凝土墙相临情况,可局部用深梁替代,这样便于JCCAD导荷布桩.二、结构楼面布置信息:1、板厚一般按板短跨1/35取值;普通楼层板厚不小于100mm,屋面板厚不小于120mm,对局部露台,当板跨较小时,板厚也可以取100mm;2、楼梯间板厚取0,电梯间全房间开洞,且注意楼板错层;三、楼面荷载传导计算:1、一般楼面和屋面活荷载按荷载规范取,楼梯间恒载取8.0KN/㎡,活载对普通多层住宅楼梯取2.5KN/㎡,对高层住宅或者消防楼梯取3.5KN/㎡,当梯板为较大跨度或者较厚板厚时,按实际情况取恒载;2、应注意楼梯间实际的导荷方式,如板式楼梯,为两边楼梯梁受力,应选择单向导荷方式;四、画结构平面图:1、一般情况下,普通楼层考虑0.3mm裂缝控制,底板考虑0.2mm裂缝控制,地下车库顶板可根据覆土厚度,先按0.3mm控制,可做一定放大,如按0.25mm裂缝控制,这个具体工程自己把握,对车库顶板上有消防车情况,可按0.3mm进行裂缝控制;2、对与剪力墙相连的板边界,按固端考虑,对与较大边梁相连的板边界,可考虑边梁的约束作用,适当放大板支座配筋,其余板边界边支座按简支考虑;五、平面荷载校核:1、在布桩时,该项导荷作为参考条件,以JCCAD为主,如框架剪力墙结构,JCCAD里面墙体分担的荷载较多,柱分担的荷载较少;反之,PM导核里面,墙体分担的荷载较少,柱分担的荷载较多;六、分析与设计参数补充定义:1、混凝土容重取26KN/㎡;在计算底板抗浮,按倒楼盖配筋时,注意混凝土容重取0KN/m³;2、在进行整体计算时,对所有楼层强制采用刚性楼板假定,来查看位移比和位移角,其中计算位移角时,不考虑偶然偏心;对高层位移比应≤1.4;对构件进行配筋时,对所有楼层强制采用刚性楼板假定不选;3、模拟施工加载选加载3;4、风荷载信息栏中,对结构基本周期,按SATWE整体计算周期结果,将振型1周期进行返输入;注意体型分段数,对有地下室,裙房结构,应分别分段;5、同时选考虑偶然偏心和考虑双向地震;6、对有斜交抗侧力构件,应注意该项取值;7、对计算振型数,应按实际情况取,且使有效质量系数大于90%;8、应注意周期折减系数,对不同结构类型取不同值,对框架结构取0.7,框架剪力墙结构取0.8,剪力墙结构取0.9;9、柱墙设计时活荷载不折减,传给基础的活荷载折减,考虑梁活荷不利布置,并填写最高层号;10、应注意对非住宅办公教室等建筑,设计墙、柱和基础时的折减系数,应按荷载规范取;11、普通搂层梁梁端负弯距调幅系数取0.85;12、梁设计弯距放大系数取1.0,考虑0.3mm裂缝控制;中梁刚度放大系数取1.5,其余按默认值;注意对基础拉梁,无底板的情况,中梁刚度放大系数取1.0;13、框架-剪力墙结构,0.2Q0调整应从底层到屋顶(主要楼层,一旦结构内收则不往上调整);14、一般不考虑梁柱重叠部分简化为刚域,选混凝土柱的计算长度系数执行混凝土规范;一般楼层梁柱混凝土保护层厚度取30mm,地梁混凝土保护层厚度取50mm;与土直接接触的梁板保护层厚度取50mm;15、柱配筋计算原则,按单偏压计算,再按双偏压校核角柱;一般柱轴压比控制在0.85以内;16、一般多层不考虑P-Δ效应,高层考虑P-Δ效应;且应查看建筑结构的总信息一栏,结构刚重比EJd/GH**2是否大于2.7,然后判断是否考虑P-Δ效应;17、其余按默认值;七、特殊构件补充定义:1、除支撑在梯柱上的梯梁外,一般无需点梁铰接;2、注意标高不在同一标高处的梁,当两边高差大于梁高时,如支座不连续,可以考虑铰接;3、注意指定转换梁;选取角柱;4、注意多塔信息的输入,在该步修改混凝土等级和多塔的层高,各塔一层以上的配筋可按单塔计算来配筋;5、执行第7步生成SATWE数据文件及数据检查后,如有人防地下室顶板,点取第10步人防荷载修改,对地下室非人防区,人防荷载取0;如再需运行第7步时,选择保留用户自定义的人防荷载;八、结构内力配筋计算:1、一般情况层刚度比计算按地震剪力与地震层间位移的比;多层和规则的小高层,地震作用分析方法可选择侧刚分析法,并按LDLT侧刚分解;对高层和不规则小高层地震作用分析方法按总刚分析法;线形方程组解法按VSS向量稀疏求解器;2、其余按默认;九、画图:指导思想:出图应规范化,讲究效率,避免个性,对同一小区的类似住宅,应保持统一;批量生产,既安全又要兼顾节省.注意与建筑,电气,暖通,给排水专业的密切配合.1、桩(包括抗压和抗拔),对一个小区由一个人计算完成,提供承载力,标记符号应统一;2、底板厚度,抗浮水位,配筋指导方向.裂缝控制,挡土墙配筋等,应由一个人来协调,具体图纸设计由各设计人完成;3、一个小区不同幢楼的竖向构件,如户型相同,应尽量保持一致,且竖向构件(主要指柱),考虑10~20%的安全系数;4、原则上楼梯、节点全部由一个人来完成,楼梯平面、剖面、节点全部拷贝建筑,节点不能随意拆分,把建筑索引全部照搬过来,去掉建筑填充和粉刷线,再标注板厚(尤其是悬挑板),标配钢筋.-----精心整理,希望对您有所帮助!。
pkpm楼面恒活荷载参数
PKPM是一种用于建筑结构设计的计算机辅助设计软件,而楼面
恒活荷载参数是指在建筑设计中考虑到的楼板结构的荷载参数。
楼
面恒活荷载参数通常包括楼板自重、楼板活荷载以及楼板恒载等。
在PKPM软件中,设计师可以输入这些参数来进行楼板结构的分析和
设计。
首先,让我们来看看楼板自重。
楼板自重是指楼板本身的重量,这个参数是设计中必须考虑的,因为它对结构的承载能力和稳定性
有着重要影响。
在PKPM软件中,设计师可以输入楼板的材料、厚度
等参数来计算楼板的自重,从而进行结构分析。
其次,楼板活荷载也是设计中需要考虑的重要参数。
楼板活荷
载是指楼板在使用过程中受到的动态荷载,如人员、家具、设备等
引起的荷载。
在PKPM软件中,设计师可以根据建筑用途和标准要求
输入相应的活荷载参数,软件可以帮助计算和分析这些荷载对楼板
结构的影响。
最后,楼板恒载也是楼面恒活荷载参数中的重要部分。
楼板恒
载是指楼板在使用过程中受到的静态荷载,如墙体、楼板自重等引
起的荷载。
在PKPM软件中,设计师可以根据建筑结构的特点和要求输入相应的恒载参数,软件可以帮助进行楼板结构的分析和设计。
总的来说,在PKPM软件中,楼面恒活荷载参数是设计中必须考虑的重要参数,设计师可以通过输入楼板自重、活荷载和恒载等参数来进行楼板结构的分析和设计,以确保建筑结构的安全和稳定。
荷载取值:1.楼面恒载:楼面恒载:(若程序自动考虑板自重,则在PM中将混凝土容重设置为25 KN/m3)1)实际使用为客厅,卧室、书房部分:50厚面层(含装修做法):20X0.05=1.0 KN/㎡(a) 100厚结构板:25X0.10=2.5 KN/㎡(b) 110厚结构板:25X0.11=2.75 KN/㎡(c) 120厚结构板:25X0.12=3.0 KN/㎡(d) 140厚结构板:25X0.14=3.5 KN/㎡(e) 150厚结构板:25X0.15=3.75 KN/㎡20厚板底抹灰: 0.4 KN/㎡∑: (a) 3.9KN/㎡(b) 4.15KN/㎡(b) 4.4KN/㎡(c) 4.9KN/㎡(d) 5.15KN/㎡(若程序自动考虑板自重,按1.4 KN/㎡输入)2)实际使用为厨房、阳台、卫生间(未降板350)、入户花园、露台部分:50厚面层(含装修做法): 20X0.05=1.0 KN/㎡防水、找坡层: 20X0.035=0.7 KN/㎡(a) 100厚结构板: 25X0.10=2.5 KN/㎡(b) 120厚结构板: 25X0.12=3.0 KN/㎡20厚板底抹灰: 20X0.02=0.4 KN/㎡∑:(a)4.6 KN/㎡(b)5.1 KN/㎡(若程序自动考虑板自重,按2.1 KN/㎡输入)3)实际使用为卫生间(降板350)部分:50厚面层(含装修做法): 20X0.05=1.0 KN/㎡防水、找坡层: 20X0.035=0.7 KN/㎡300厚陶粒填充: 12X0.30=3.6 KN/㎡(a) 100厚结构板: 25X0.10=2.5 KN/㎡(b) 120厚结构板: 25X0.12=3.0 KN/㎡20厚板底抹灰: 20X0.02=0.4 KN/㎡∑:(a)8.2 KN/㎡(b)8.7 KN/㎡(若程序自动考虑板自重,按5.7 KN/㎡输入)4)上人屋面部分(有保温隔热上人屋面):5厚防滑地砖: 20X0.005=0.1 KN/㎡15厚水泥砂浆: 20X0.015=0.3 KN/㎡40厚C25配筋细石砼: 25X0.040=1.0 KN/㎡50厚挤塑聚苯板: 0.5X0.050=0.025 KN/㎡20厚1:3水泥砂浆找平层: 20X0.020=0.4 KN/㎡60厚粉煤灰陶粒混凝土建筑找坡 19.5X0.060=1.17 KN/㎡120厚结构板: 25X0.12=3.0 KN/㎡20厚板底抹灰: 20X0.02=0.4 KN/㎡∑: 6.4KN/㎡(若程序自动考虑板自重,按3.4 KN/㎡输入)5)上人屋面部分(用于商铺屋顶的种植屋面):300厚种植土层: 18X0.30=5.4 KN/㎡5厚水泥砂浆: 20X0.005=0.1 KN/㎡40厚细石混凝土: 25X0.040=1.0 KN/㎡30厚挤塑泡沫保温隔热板 0.5X0.030=0.015 KN/㎡20厚1:2.5水泥砂浆找平层 20X0.020=0.4 KN/㎡50厚粉煤灰陶粒混凝土 19.5X0.050=0.975 KN/㎡ 120厚结构板: 25X0.12=3.0 KN/㎡20厚板底抹灰: 20X0.02=0.4 KN/㎡∑:(a)11.3KN/㎡ (若程序自动考虑板自重,按8.3 KN/㎡输入)6)不上人坡屋面部分(有保温隔热):陶瓦 0.5 KN/㎡15厚1:3水泥砂浆: 20X0.015=0.3 KN/㎡30厚C20细石混凝土保护层: 25X0.030=0.75 KN/㎡50厚挤塑泡沫保温隔热板 0.5X0.050=0.025 KN/㎡25厚1:3水泥砂浆 20X0.025=0.5 KN/㎡120厚坡屋面比120厚平屋面增加 25X0.03=0.75 KN/㎡120厚结构板: 25X0.12=3.0 KN/㎡20厚板底抹灰: 20X0.02=0.4 KN/㎡∑: 6.2KN/㎡ (若程序自动考虑板自重,按3.2 KN/㎡输入)7)不上人坡屋面部分(无保温隔热):陶瓦 0.5 KN/㎡20厚C20细石混凝土保护层: 25X0.020=0.50 KN/㎡7厚聚合物水泥砂浆防水层 20X0.007=0.14 KN/㎡120厚坡屋面比120厚平屋面增加 25X0.03=0.75 KN/㎡120厚结构板: 25X0.12=3.0 KN/㎡20厚板底抹灰: 20X0.02=0.4 KN/㎡∑: 5.3KN/㎡ (若程序自动考虑板自重,按2.3 KN/㎡输入)8)板上隔墙荷载部分:a)在结构主体计算时,考虑为板上均布恒荷载,等于板上隔墙总重量除以楼板面积;b)在板配筋计算,按弯矩等效原则折算为等效面荷载后进行配筋、裂缝、挠度等计算。
PKPM荷载计算步骤详解PKPM(抗震设计软件)是工程建设中经常使用的一种结构计算分析软件,用于进行结构荷载计算和分析。
下面是PKPM荷载计算的详细步骤:1.确定结构形式和类型:首先,根据具体工程项目的要求,确定结构的类型和形式,例如,是一栋住宅楼、商业建筑、桥梁还是其他类型的结构。
然后,根据结构类型和形式选择适当的结构计算模块。
2.输入结构参数:在PKPM软件中,需要输入结构的各种参数,包括结构总体尺寸、拓扑形式、材料属性、截面形状、横断面惯性矩等。
根据具体结构类型和形式,输入相应的参数,确保计算的准确性。
3.确定工况:在PKPM中,可以设置多个工况和组合,以模拟结构在不同工况下的载荷情况。
具体需要确定的工况包括自重、温差、风荷载、雪荷载、地震作用等。
根据不同工况的特点,输入相应的参数。
4.设置荷载标准:PKPM软件中提供了多种荷载标准供选择,包括国家标准、地方标准、行业标准等。
根据工程项目的要求,选择适当的标准,并进行相应的设置。
5.进行计算:在完成以上步骤后,可以进行荷载计算。
通过点击计算按钮,PKPM软件会根据输入的结构参数、工况和荷载标准进行计算,并给出计算结果。
计算结果包括结构的内力、位移、变形等。
6.分析计算结果:根据计算结果,可以对结构进行进一步分析和评价。
例如,可以检查结构是否安全,是否满足设计要求,是否需要调整结构参数等。
根据分析结果,可以优化结构设计,提高其承载能力和抗震能力。
7.输出计算报告:最后,可以将计算结果输出为计算报告。
在PKPM 软件中,可以选择输出各种图表和表格,以展示计算结果的详细情况。
计算报告可以用于工程审查、验收和后续设计参考。
需要注意的是,在进行PKPM荷载计算时,需要基于良好的结构设计理论基础和实践经验,并严格按照相关规范和标准进行。
同时,在输入参数和进行计算过程中,需要进行合理的检查和验证,保证计算的准确性和可靠性。
一、PM参数输入1、在计算底板时,注意梁、板保护层厚度取50mm;与土直接接触的梁板保护层厚度取50mm;关于保护层厚度取值问题,可参见二类a环境下,结构构件保护层厚度和裂缝控制的感想2、在计算底板抗浮,按倒楼盖配筋时,注意混凝土容重取0KN/m³;3、一般情况下混凝土容重取26KN/m³;4、上部楼层梁柱混凝土保护层厚度统一取30mm,不再区分25mm和30mm;5、楼面恒活荷载输入时,按自动计算现浇楼板自重,且普通住宅装修层荷载按1.6KN/㎡考虑,其它按实际情况取;6、梁间墙体线荷载,240墙体统一按4.2KN/㎡,120墙体统一按3.0KN/㎡,注意考虑门窗洞口折减和挑板自重;7、地下室外墙按混凝土墙建模,如遇到剪力墙和混凝土墙相临情况,可局部用深梁替代,这样便于JCCAD导荷布桩.二、结构楼面布置信息:1、板厚一般按板短跨1/35取值;普通楼层板厚不小于100mm,屋面板厚不小于120mm,对局部露台,当板跨较小时,板厚也可以取100mm;2、楼梯间板厚取0,电梯间全房间开洞,且注意楼板错层;三、楼面荷载传导计算:1、一般楼面和屋面活荷载按荷载规范取,楼梯间恒载取8.0KN/㎡,活载对普通多层住宅楼梯取2.5KN/㎡,对高层住宅或者消防楼梯取3.5KN/㎡,当梯板为较大跨度或者较厚板厚时,按实际情况取恒载;2、应注意楼梯间实际的导荷方式,如板式楼梯,为两边楼梯梁受力,应选择单向导荷方式;四、画结构平面图:1、一般情况下,普通楼层考虑0.3mm裂缝控制,底板考虑0.2mm裂缝控制,地下车库顶板可根据覆土厚度,先按0.3mm控制,可做一定放大,如按0.25mm裂缝控制,这个具体工程自己把握,对车库顶板上有消防车情况,可按0.3mm进行裂缝控制;2、对与剪力墙相连的板边界,按固端考虑,对与较大边梁相连的板边界,可考虑边梁的约束作用,适当放大板支座配筋,其余板边界边支座按简支考虑;五、平面荷载校核:1、在布桩时,该项导荷作为参考条件,以JCCAD为主,如框架剪力墙结构,JCCAD里面墙体分担的荷载较多,柱分担的荷载较少;反之,PM导核里面,墙体分担的荷载较少,柱分担的荷载较多;六、分析与设计参数补充定义:1、混凝土容重取26KN/㎡;在计算底板抗浮,按倒楼盖配筋时,注意混凝土容重取0KN/m³;2、在进行整体计算时,对所有楼层强制采用刚性楼板假定,来查看位移比和位移角,其中计算位移角时,不考虑偶然偏心;对高层位移比应≤1.4;对构件进行配筋时,对所有楼层强制采用刚性楼板假定不选;3、模拟施工加载选加载3;4、风荷载信息栏中,对结构基本周期,按SATWE整体计算周期结果,将振型1周期进行返输入;注意体型分段数,对有地下室,裙房结构,应分别分段;5、同时选考虑偶然偏心和考虑双向地震;6、对有斜交抗侧力构件,应注意该项取值;7、对计算振型数,应按实际情况取,且使有效质量系数大于90%;8、应注意周期折减系数,对不同结构类型取不同值,对框架结构取0.7,框架剪力墙结构取0.8,剪力墙结构取0.9;9、柱墙设计时活荷载不折减,传给基础的活荷载折减,考虑梁活荷不利布置,并填写最高层号;10、应注意对非住宅办公教室等建筑,设计墙、柱和基础时的折减系数,应按荷载规范取;11、普通搂层梁梁端负弯距调幅系数取0.85;12、梁设计弯距放大系数取1.0,考虑0.3mm裂缝控制;中梁刚度放大系数取1.5,其余按默认值;注意对基础拉梁,无底板的情况,中梁刚度放大系数取1.0;13、框架-剪力墙结构,0.2Q0调整应从底层到屋顶(主要楼层,一旦结构内收则不往上调整);14、一般不考虑梁柱重叠部分简化为刚域,选混凝土柱的计算长度系数执行混凝土规范;一般楼层梁柱混凝土保护层厚度取30mm,地梁混凝土保护层厚度取50mm;与土直接接触的梁板保护层厚度取50mm;15、柱配筋计算原则,按单偏压计算,再按双偏压校核角柱;一般柱轴压比控制在0.85以内;16、一般多层不考虑P-Δ效应,高层考虑P-Δ效应;且应查看建筑结构的总信息一栏,结构刚重比EJd/GH**2是否大于2.7,然后判断是否考虑P-Δ效应;17、其余按默认值;七、特殊构件补充定义:1、除支撑在梯柱上的梯梁外,一般无需点梁铰接;2、注意标高不在同一标高处的梁,当两边高差大于梁高时,如支座不连续,可以考虑铰接;3、注意指定转换梁;选取角柱;4、注意多塔信息的输入,在该步修改混凝土等级和多塔的层高,各塔一层以上的配筋可按单塔计算来配筋;5、执行第7步生成SATWE数据文件及数据检查后,如有人防地下室顶板,点取第10步人防荷载修改,对地下室非人防区,人防荷载取0;如再需运行第7步时,选择保留用户自定义的人防荷载;八、结构内力配筋计算:1、一般情况层刚度比计算按地震剪力与地震层间位移的比;多层和规则的小高层,地震作用分析方法可选择侧刚分析法,并按LDLT侧刚分解;对高层和不规则小高层地震作用分析方法按总刚分析法;线形方程组解法按VSS向量稀疏求解器;2、其余按默认;九、画图:指导思想:出图应规范化,讲究效率,避免个性,对同一小区的类似住宅,应保持统一;批量生产,既安全又要兼顾节省.注意与建筑,电气,暖通,给排水专业的密切配合.1、桩(包括抗压和抗拔),对一个小区由一个人计算完成,提供承载力,标记符号应统一;2、底板厚度,抗浮水位,配筋指导方向.裂缝控制,挡土墙配筋等,应由一个人来协调,具体图纸设计由各设计人完成;3、一个小区不同幢楼的竖向构件,如户型相同,应尽量保持一致,且竖向构件(主要指柱),考虑10~20%的安全系数;4、原则上楼梯、节点全部由一个人来完成,楼梯平面、剖面、节点全部拷贝建筑,节点不能随意拆分,把建筑索引全部照搬过来,去掉建筑填充和粉刷线,再标注板厚(尤其是悬挑板),标配钢筋.。
( )转载原文标签:转载里面地梁间荷载,一般地就是梁上墙所产生地荷载.计算时,设墙为二四墙取普通砖容重(一般用地是普通机制砖,取)平米,摸灰层取(石灰沙浆,混合沙浆)平米,这么一来,每平方墙面产生地荷载为:乘乘乘平米(摸灰层一般取厚,双面摸灰,所以要乘以.)最后,用乘以梁上墙面面积,就得梁上荷载.是一个用得很多地数据,熟悉了就自然知道,算地时候直接用.中地荷载输入:当建筑模型建好后,输完楼板上地恒载、活载后,输梁上荷载时:那么梁上地恒载应该包括那些呢?活载应该包括哪些呢?“楼面荷载传导计算”是做什么用地??梁上地恒载是不是包括:主梁:梁地自重梁上自承重墙重楼板下地主梁:梁地自重. 还要不要加上主梁上地次梁地自重、楼板地自重和其上所承担地荷载?柱子上地恒载是不是只包括其所在地楼层这个区段内自重,要不要加上该楼层以上地荷载?这样理解对吗?:在楼板上布置完恒载和活载后,布置梁地荷载时只考虑梁自身地自重.然后在荷载传导计算中就把梁所承担地所有荷载就算出来了?一般只要输入楼板上地恒载和活载,注意楼板恒载应包括楼板自重(钩选了自动计算楼板自重地除外).程序会自动将楼面荷载传导至梁上,因此梁上一般只要输入上面一层地填充墙自重作为恒载,所有梁柱地自重都不需要输入,程序会自动计算.对于柱子,一般不用输入荷载,所有梁传来地荷载会自动倒算到柱子上.以上是一般情况,要注意按实际情况输入荷载.比如说梁上没有填充墙,但是有一个比较重地设备,那么就不用输入梁地恒载,但要按设备地实际作用力输入梁上活载.再比如柱子在中部受到一个水平力,例如设置了一个雨篷斜拉杆拉在柱子上,那么就要输入柱子地活载.楼面荷载传导计算就是把楼面地荷载传至梁上,再把梁地荷载传至柱上,再把柱地荷载传至最低层,为基础计算做准备.梁间荷载,均布、集中荷载分别指什么?加载在哪里呢?均布荷载()()连续作用在构件表面地较大面积上,不能看成集中荷载,且任意两个荷载地大小方向均相同地荷载称为均布荷载集中荷载是对应于均布荷载地一个概念,其作用面积相对于被作用地面来说很小,可以简化成一个点地荷载就是集中荷载了.在中,梁、墙间都可能有均布荷载,举例说,框架结构,楼层梁之间,要砌隔墙,隔墙地位置,从柱间、梁间封闭成地一个面上都有,这样就简化成了均匀布置在梁上地均布荷载.而集中荷载要看具体情况,比如说某个梁上起小柱,而在模型中不打算建这个小柱或者标高不在楼层上,那就把柱子上地力转化为集中力,加在梁或柱子相应地作用点上就可以了.加载位置看作用位置,加载在哪就加在哪还有节点荷载,一般节点荷载地加载用不到,但是比如说坡屋面,会对梁有水平力,而中地均布荷载,集中荷载都是竖向加地,水平力就必须用节点荷载来施加砌体结构建模我在建模过程中,把墙体上地窗洞和门洞都减去.在荷载输入中还需不需要输入梁间荷载和墙间荷载?最佳答案砌体建模时,墙体地自重程序会自动计算地.除此之外地荷载你都要自己输入.里面地柱间荷载指什么?柱间荷载就是作用在柱子中间地荷载呀.具体有没有要看实际情况呀.一般框架结构是没有地,但是要实际分析,比如你在柱子上挑个牛腿,支撑别地什么东西,那就要加柱间荷载了.又或者你地柱子在高度一半地地方受到水平集中力,那也要加啊.具体就是有荷载就输,没荷载就不输.柱上地荷载有活和恒载.恒载程序自动算.活载一般是接受梁和板传来地.一般不用输入柱荷载.一般需要自己算好输入地是梁上地恒载,墙体地重量(填充墙框架结构中),剪力墙不需要.再就是板上地活荷载.中地是预留洞口,但是荷载要输入.。
PKPM地基基础设计中荷载取值的注意事项1 引言在地基基础设计中,上部结构荷载是我们设计基础的关键,只有上部结构传至基础的荷载正确,我们的基础设计才能安全可靠,《建筑地基基础设计规范》(GB50007-2002)及《建筑抗震设计规范》(GB50011-2010)有关荷载效应组合有明确的规定。
目前许多设计人员在地基基础时,都习惯于手工计算。
对于繁多的荷载效应组合如何找出最不利的组合,是基础手工计算的难点,也是基础设计安全正确的前提。
在实际工程中,有许多设计人员习惯选定一种组合来进行基础设计,如PKPM系列中的SATWE计算结果D+L(以活荷载起控制作用的荷载组合即1.20恒+1.40活),对于以此为基础设计的荷载效应作为基础设计的成果,必须对其它荷载效应组合加以认真复核,否则有可能危及基础安全,本文现结合规范条文及工程实例,就此问题与大家共同探讨。
2 规范要求A 《建筑地基基础设计规范》(GB50007-2002)第3.0.4条地基基础设计时,所采用的荷载效应最不利组合与相应的抗力限值应按下列规定:1 按地基承载力确定基础底面积及埋深或按单桩承载力确定桩数时,传至基础或承台底面上的荷载效应应按正常使用极限状态下荷载效应的标准组合。
相应的抗力应采用地基承载力特征值或单桩承载力特征值。
2 计算地基变形时,传至基础底面上的荷载效应应按正常使用极限状态下荷载效应的准永久组合,不应计入风荷载和地震作用。
相应的限值应为地基变形允许值。
3 计算挡土墙土压力、地基或斜坡稳定及滑坡推力时,荷载效应应按承载能力极限状态下荷载效应的基本组合,但其分项系数均为1.0.4 在确定基础或桩台高度、支挡结构界面、计算基础或支挡结构内力、确定配筋和验算材料强度时,上部结构传来的荷载效应组合和相应的基底反力,应按承载能力极限状态下荷载效应的基本组合,采用相应的分项系数。
当需要验算基础裂缝宽度时,应按正常使用极限状态荷载效应标准组合。
结构设计常用荷载统计(PKPM建模非常实用)一、板荷载(1)恒载a、楼面板:陶瓷地砖楼面:0.70+0.4(板底吊顶或粉刷)+0.5(装修荷载)= 1.60KN/m2 屋面板:3.5KN/m2b、卫生间板:楼33(100厚)+(坐便器) 300厚填碎砖:2.30 +0.3X18=7.7KN/M2取8.0KN/m2(包括回填层)(2)活载a、住宅客厅、卧室、书房、餐厅、过道等:2.0KN/m2b、公共楼梯、消防疏散楼梯、住宅楼梯:3.5KN/m2c、厨房、卫生间:2.0KN/m2d、阳台:2.5KN/m2e、露台:3.5KN/m2f、上人屋面:2.0KN/m2,不上人屋面:0.5KN/m2g、花园:3.0KN/m2h、消防控制室:7.0KN/m2i、电梯机房:7.0KN/m2j、发电机房:10.0KN/m2k、车库:4.0KN/m2l、消防车道:20.0KN/m2(当有1.2~1.5米覆土时,消防荷载取8KN/M2)m、商场:3.5KN/m2n、公共卫生间:2.5KN/m2二、梁荷载标准层梁荷载(有窗处墙荷载折减系数为0.6~0.8)(墙高2.5m)(1)灰砂砖墙体(18KN/m3):200厚墙4.0KN/m2 11KN/m 8.5KN/m(2)砌块墙体(9KN/m3):200厚墙2.3KN/m2 6.5KN/m4.5KN/m(3)砌块墙体(9KN/m3):120厚墙1.8KN/m2 4.8KN/m500厚加气混凝土砌块砌体,高度5m:25KN/m500厚加气混凝土砌块砌体,高度4m:20KN/m三、其他荷载(1)板式楼梯:梯段部分恒载9KN/M2 活载标准值3.5KN/M2 (2)电梯机板厚取150㎜,恒载4.8KN/㎡(3)电梯顶吊环集中荷载:集中荷载设计值30KN吊环钢筋As=(30x1000)/(2x50)=300mm2 1ф20(314mm2)(4)女儿墙高1.2m (灰砂砖)厚180 4.2x1.2=5.1 KN/M(5)阳台2KN/m(栏杆)(6)花池恒荷载5.0KN/m。
pkpm恒活荷载某住宅小区――设计荷载取用
抗震措施与抗震构造措施万科住宅统一设计要求小高层住宅小区――设计荷载取用
1, 楼板厚度:
1.1 最小楼板厚度:
(1)梁板式阳台板(外挑式):h=90mm,
(2)挑板式阳台板:h=100mm,
(3)楼梯梯段及中间平台:h=90mm,
(4)楼梯间楼层平台:h=120mm
(5)户内楼板:h=100mm,
(6)大屋面板(平):h=120mm
(7)坡屋面板:h=100mm
(8)凸窗挑板及空调板:h=80mm,
(9)阳台栏板及上人屋面女儿墙:h=100mm。
1.2 楼板厚度取值:
(1)悬挑板h≥L/12;
(2)a/b>2时,h≥b/30;
(3)1<a/b≤2时,h≥b/38,
2, 楼板荷载标准值:
2.1 面层恒载取值:
(1)楼层面层荷载: 1.2 KN/M2。
板底抹灰或吊顶:0.4 KN/M2。
(2)上人屋面及露台(板顶+板底):3.5 KN/M2。
(3)坡屋面恒载(板顶+板底、斜向)2.5 KN/M2。
坡屋面恒载换算成水平投影面时,应按坡度计算,如:
屋面起坡30°时,
q恒=2.5/cos30°=2.9 KN/M2
屋面起坡45°时,
q恒=2.5/cos45°=3.5 KN/M2
(4)楼梯面层荷载:0.6 KN/M2
楼梯板底抹灰:0.4 KN/M2
2.2活荷载取值:
(1)厅、卧室、户内走廊2.0 KN/M2,
(2)厨房、卫生间:2.0 KN/M2,
(3)阳台:2.5 KN/M2。
(4)公共楼梯(含平台)3.5 KN/M2。
(5)户内楼梯(含平台)2.0 KN/M2。
(6)上人屋面及露台:2.0 KN/M2。
(7)不上人屋面:0.5KN/M2。
3,隔墙面荷载标准值:
3.1外墙面荷载:
墙厚190,空心率:35%(KM1型非承重空心砖)
0.19×65%×19×1.1=2.60 KN/M2
内侧粉刷:0.4 KN/M2
外墙瓷砖+保温:1.1 KN/M2
q恒=2.60+0.40 +1.1=4.1 KN/M2
3.2楼梯间隔墙及分户墙(含阁楼分户墙)面荷载:
墙厚190,空心率:35%(KM1型非承重空心砖)
0.19×65%×19×1.1=2.60 KN/M2
双面粉刷:2×0.4 KN/M2
q恒=2.6+0.40 +0.4=3.4 KN/M2
3.3120厚厨房、卫生间墙面荷载:
墙厚115,空心率:15%(KP1型承重多孔砖)
0.115×85%×19=1.90 KN/M2
单面粉刷:0.4 KN/M2
单面瓷砖:0.5 KN/M
q恒=1.90+0.40 +0.5=2.8 KN/M2
3.4100厚内墙面荷载:
墙厚90,空心率:35%(KM1型非承重空心砖)
0.09×65%×19×1.1=1.20 KN/M2
双面粉刷:2×0.4 KN/M2
q恒=1.2+0.40 +0.4=2.0 KN/M2
4,按跨度确定板厚及面荷载标准值选用表:(kN/M2)
双向板短向跨度板厚楼层上人屋面及露台≤3300 h=90 q恒=3.9 不用3300<L≤3800 h=100 q恒=4.1 6.0
3800<L≤4200 h=110 q恒=4.4 6.3
4200<L≤4500
h=120 q恒=4.6 6.5
4500<L≤4900 h=130 q恒=4.9 6.8
4900<L≤5300 h=140 q恒=5.1 7.0
5300<L≤5700 h=150 q恒=5.4 7.3
5700<L≤6000 h=160 q恒=5.6 7.5
注:单向板及坡屋面板应另行计算。
5,砖隔墙线荷载:
(1)内、外墙墙高计算时应扣除梁高部分,
(2)外墙开平窗时隔墙线荷载折减系数:0.7,
(3)外墙开推拉门(与阳台相连)时隔墙线荷载折减系数:0.5,
(4)外墙设凸出墙面≤800的凸窗时按整墙面砖墙计算,>800的凸窗按实际情况计算隔墙线荷载;
(5)内墙门洞不折减。
6,附属构件线荷载(用于一般情况):
(1)阳台栏板:q恒=4.5 KN/M
(2)楼梯间栏板:q恒=5.0 KN/M
(3)空调板:q恒=2.5 KN/M
(4)女儿墙荷载:按照建筑条件计算
(5)坡屋面檐沟:q恒=4.0 KN/M
7, 其他:
(1)墙下未设梁时,板上恒载应考虑附加墙重的折算荷载(电算按平均重量)。
(2)跃层楼梯在楼板上起跑时,该处楼板厚度按第1.2条计算后增加10mm。
一)、外墙线荷载选用表:
墙体密度层高梁高实墙×0.7 ×0.5
4.1 2.8 300 10.3 7.2
5.1
4.1 2.8 350 10.0 7.0
5.0
4.1 2.8 400 9.8 6.9 4.9
4.1 2.8 450 9.6 6.7 4.8
4.1 2.8 500 9.4 6.6 4.7
4.1 2.8 550 9.2 6.5 4.6
4.1 2.8 600 9.0 6.3 4.5
二)、楼梯间隔墙及分户墙荷载选用表:
墙体密度层高梁高实墙
3.4 2.8 300 8.5
3.4 2.8 350 8.3
3.4 2.8 400 8.2
3.4 2.8 450 8.0
3.4 2.8 500 7.8
3.4 2.8 550 7.7
3.4 2.8 600 7.5
三)、厨房、卫生间隔墙荷载选用表:
墙体密度层高梁高实墙
2.8 2.8 300 7.0
2.8 2.8 350 6.9
2.8 2.8 400 6.7
2.8 2.8 450 6.6
2.8 2.8 500 6.4
2.8 2.8 550 6.3
2.8 2.8 600 6.2
四)、内隔墙荷载选用表:
墙体密度层高梁高实墙
2.0 2.8 300 5.0
2.0 2.8 350 4.9
2.0 2.8 400
4.8
2.0 2.8 450 4.7
2.0 2.8 500 4.6
2.0 2.8 550 4.5
正在探索流水化作业,以下为总纲,大家探讨交流:
1、建模上:注重荷载输入,结构布置,特别开始的校对建筑图非常重要,校对建筑也是结构方案形成的过程。
2、提荷载和相应梁板柱(墙)计算书,这利于校对模型及下一步作业。
3、校对荷载输入完全否,重新回到建筑校对;
4、绘制模板图,校对建筑。
5、梁板柱,基础同时开工。