【实用资料】天然气加气站竣工资料.doc
- 格式:doc
- 大小:252.63 KB
- 文档页数:73
燃气工程竣工资料(doc 94页)燃气工程竣工资料建设单位:工程名称:居民零星用户燃气安装工程工程地址:联系方式:工程性质:居民零星用户施工单位:项目部:开工日期:2021年月日竣工日期:2021年月日名目燃气工程竣工验收申请表 (6)工程竣工验收记录 (7)工程监理质量合格证明〔质量评估报告〕 (8)工程开工报审表 (9)开工报告 (10)工程竣工报告 (11)施工组织设计〔方案〕报审表 (12)图纸会审记录 (13)技术交底记录 (14)工程材料/构配件/设备报审表 (16)阀门/管件试验记录 (17)钢管检查验收记录 (18)管件检查验收记录 (19)架空管道涂漆前除锈施工记录 (20)架空管道涂漆质量检验表 (21)埋地钢质管道防腐层质量验收记录 (22)进场材料、配件验收记录 (23)设备检验记录 (24)材料、设备合格证汇总表 (25)合格证张贴单 (26)施工放线报验申请表 (27)施工放线记录 (28)管沟开挖报验申请表 (29)管沟开挖记录 (30)管沟测量记录 (31)管沟回填报验申请表 (32)管沟回填记录 (33)管沟回填质量检验评定表 (34)焊工合格证登记表 (35)施工人员登记表 (36)管道焊接报验申请表 (37)管口组装自检记录 (38)管道焊接外观质量检验表 (39)焊口X射线探伤报告 (40)管道焊口X射线探伤合格率 (41)超声波探伤报告 (42)焊口编号表 (43)钢管防腐补口补伤工程报验单 (44)管道防腐补口、补伤自检记录 (45)PE管道焊接记录表 (46)示踪线检测记录 (47)PE管道工程施工焊接人员考核记录 (48)施工报验申请表 (49)管支架安装记录 (50)管道架空安装记录 (51)室外架空管道安装、焊接及防腐验收表 (52)管道吹扫报验申请表 (53)燃气管道吹扫记录 (54)管道强度、气密性试验报验申请表 (55)城镇管道强度试验记录 (56)城镇燃气管道气密性试验记录 (57)调压箱安装记录 (58)调压柜安装质量检验 (59)燃气管道阀门井、井盖施工质量检查记录 (60)阀门井管道防腐施工记录 (61)管道补偿器安装记录 (62)燃气管道工艺设备安装记录 (63)过路套管及砌地沟检验表 (64)隐藏工程报验申请表 (65)隐藏工程记录 (66)凝水缸安装质量检验表 (67)室外管道试压记录 (68)户内燃气管道气密性试验记录 (69)室内立管质量验收表 (70)室外挂表表后管安装质量检验表 (71)散户入户安装质量验收单 (72)变更审批单 (73)交工要紧实物表 (74)工程现场签证单 (75)工程现场签证单 (76)市区燃气管道标志桩埋设记录 (77)整改回执单 (78)庭院小区验收意见单 (79)牺牲阳极埋设记录 (80)爱护桩测试记录 (81)牺牲阳极电参数测试记录 (82)强制电流阴极爱护系统参数测试记录 (83)安装用户表 (84)竣工图图纸名目 (85)工程质量保修书 (86)附件B:燃气管道工程自检明细表 (88)B.0.1城镇燃气埋地钢质管道工程自检明细表 (88)B.0.2城镇燃气埋地PE管道工程自检明细表 (91)B.0.3庭院及室内燃气管道工程自检明细表 (93)燃气工程竣工验收申请表编号:本表一式三份,施工单位、监理单位和建设单位各存一份。
天然气输配工程竣工资料审核表交工资料目录交工资料目录(一)施工管理资料工程竣工报验单工程名称:营口大石桥府前路加气母站安装工程工程编号:CNG1010竣工报告竣工报告工程开工报审表工程名称:营口大石桥府前路加气母站安装工程开工报告图纸审核记录设计技术交底记录施工技术交底记录施工安全交底记录(二)保证资料合格证汇总表合格证汇总表合格证汇总表合格证汇总表(三)施工技术资料特种作业人员操作资格证统计表 TY20焊工登记表 TY21管道试压检查记录GY09说明:本表适用于站内管道试压检查;结果一栏由监理人员填写,其余内容由施工单位填写。
管道试压检查记录GY09管道试压检查记录GY09管道试压检查记录GY09管道试压检查记录GY09管道试压检查记录GY09管道试压检查记录GY09管道系统压力试验报告GY11工艺管道吹扫(清洗)记录阀门试压记录 GY03阀门试压记录 GY03管道焊接工作记录 GY04管道焊接工作记录 GY04管道焊接工作记录 GY04管道焊接工作记录 GY04管道焊接工作记录 GY04管道焊接工作记录 GY04管道焊接工作记录 GY04管道焊接工作记录 GY04管道焊接工作记录 GY04管道焊接工作记录 GY04管道焊接工作记录 GY04管道焊接工作记录 GY04管道焊接工作记录 GY04管道焊接工作记录 GY04管道焊接工作记录 GY04管道焊接工作记录 GY04管道焊接工作记录 GY04管道焊接工作记录 GY04管道焊接工作记录 GY04管道焊接工作记录 GY04管道焊接工作记录 GY04管道焊接工作记录 GY04管道焊接工作记录 GY04管道焊接工作记录 GY04管道焊接工作记录 GY04管道焊接工作记录 GY04管道焊接工作记录 GY04管道焊接工作记录 GY04管道焊接工作记录 GY04管道焊接工作记录 GY04管道焊接工作记录 GY04管道焊接工作记录 GY04管道焊接工作记录 GY04管道焊接工作记录 GY04管道焊接工作记录 GY04管道焊接工作记录 GY04管道焊接工作记录 GY04管道焊接工作记录 GY04管道焊接工作记录 GY04管道焊接工作记录 GY04管道焊接工作记录 GY04管道焊接工作记录 GY04管道焊接工作记录 GY04管道焊接工作记录 GY04管道焊接工作记录 GY04管道焊接工作记录 GY04管道焊接工作记录 GY04管道焊接工作记录 GY04管道焊接工作记录 GY04管道焊接工作记录 GY04管道焊接工作记录 GY04管道焊接工作记录 GY04管道焊接工作记录 GY04管道焊接工作记录 GY04管道焊接工作记录 GY04管道焊接工作记录 GY04。
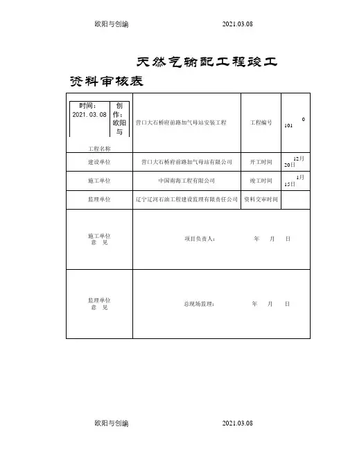
天然气输配工程竣工资料审核表
(一)施工管理资料
工程竣工报验单
工程名称:营口大石桥府前路加气母站安装工程
工程开工报审表
工程名称:营口大石桥府前路加气母站安装工程
(二)保证资料
合格证汇总表
(三)施工技术资料
说明:本表适用于站内管道试压检查;结果一栏由监理人员填写,其余内容由施工单位填写。
工艺管道吹扫(清洗)记录
阀门试压记录 GY03
管道焊接工作记录 GY04
管道焊接工作记录 GY04
管道焊接工作记录 GY04
管道焊接工作记录 GY04
管道焊接工作记录 GY04
管道焊
接工作记录 GY04
管道焊接工作记录 GY04
管道焊接工作记录 GY04
管道焊接工作记录 GY04
管道焊接工作记录 GY04
管道焊接工作记录 GY04。
天然气输配工程竣工资料审核表交工资料目录交工资料目录(一)施工管理资料工程竣工报验单工程名称:营口大石桥府前路加气母站安装工程工程编号:CNG1010致:(监理单位)辽宁辽河石油工程建设监理有限责任公司我单位已完成营口大石桥府前路加气母站安装工程,按设计文件和有关规范进行了自检,质检合格,请予以审查和验收。
附件: 1、工程竣工报告承包单位(盖章)项目经理日期审查意见:经初步验收,该工程•符合/不符合我国现行法律、法规要求;•符合/不符合我国现行工程建设标准;•符合/不符合设计文件要求;•符合/不符合施工合同要求。
综上所述,该工程初步验收合格/不合格,可以/不可以组织正式验收。
项目监理机构(章)总监理工程师日期竣工报告竣工工程内容一、设备安装:1、工艺设备:11台/套。
(脱水装置,优先顺序控制盘,加臭装置,调压计量撬,地上储气瓶组机,压缩机1,2,3、回收罐、缓冲罐、排污罐);2、加气设备:6台/套。
(加气机-1、加气机-2、加气机柱1;加气柱-2、加气柱-3、加气柱-4)二、工艺管道安装:(1076.75米)1、16Mn无缝钢管安装:Φ325×10 20米、Φ159×6.55.米Φ133×6 12米Φ108×6 51.8米、Φ89×5 23米Φ57×5 75米、Φ32×4 111.3米、Φ18×3.5 22米.Φ45×4 40米2、OCr18Ni9不锈钢管:Φ45×5 171.8米、Φ25×4 180.2米、Φ18×3 26.1米。
3、阀门安装:77台。
球阀(Dn300×2台、Dn150×3台Dn80×3台、Dn100×3台Dn125×3台Dn50×5台、Dn45×12台Dn40×9台Dn32×4台Dn20×15台、Dn8×6台、安全阀Dn40×3台、止回阀阀Dn45×3台、阻火器Dn50×2台、安全阀Dn50×1台、针阀Dn10×3台);4、管件安装:Φ325:法兰4片、无缝弯头1个;300/150异径三通3个125/100异径三通1个Φ159:法兰10片无缝弯头1个Φ125:法兰4片无缝弯头8个Φ108:法兰6片、无缝弯头8个Φ89:法兰6片、无缝弯头5个Φ57:法兰10片、无缝弯头21个;Φ32:无缝弯头25个;Φ45:不锈钢弯22个;Φ22:不锈钢弯头44个;Φ15:不锈钢弯头4个;检查评定施工单位监理单位建设单位单位公章项目负责人:年月日单位公章项目负责人:年月日单位公章项目负责人:年月日竣工报告工程开工报审表工程名称:营口大石桥府前路加气母站安装工程致:辽宁辽河石油工程建设监理有限责任公司我方承担的营口大石桥府前路加气母站安装工程,已完成了以下各项工作,具备了开工条件,特此申请施工,请核查并签发开工指令。
天然气输配工程竣工资料审核表
交工资料目录
工程竣工报验单
工程名称:营口大石桥府前路加气母站安装工程
工程名称:营口大石桥府前路加气母站安装工程
施工技术交底记录
(二)保证资料
管道试压检查记录GY09
说明:本表适用于站内管道试压检查;结果一栏由监理人员填写,其余内容由施工单位填写。
阀门试压记录 GY03
管道焊接工作记录
GY04
管道焊接工作记录
GY04
管道焊接工作记录
GY04
管道焊接工作记录
GY04
管道焊接工作记录
GY04
GY04
管道焊接工作记录
GY04
管道焊接工作记录
GY04
管道焊接工作记录
管道焊接工作记录
GY04
管道焊接工作记录
GY04
管道焊接工作记录
管道焊接工作记录
管道焊接工作记录
GY04
道焊接工作记录
GY04
管道焊接工作记录
GY04
GY04
GY04
管道焊接工作记录
GY04
管道焊接工作记录
GY04
管道焊接工作记录
GY04
管道焊接工作记录
GY04
管道焊接工作记录。
天然气加气站竣工资料天然气加气站竣工资料是指在建成并通过验收的加气站所需提交的文件资料。
由于天然气加气站是一项关系到能源利用和环境保护的重要工程,因此其建设和运行需要严格的监管和管理。
竣工资料的准备工作可以帮助相关部门对加气站的建设情况、安全问题、节能情况等进行全面的评估和检查。
本文将就天然气加气站竣工资料的内容和意义进行一番探讨。
一、天然气加气站竣工资料的内容(一)竣工报告书:包括加气站的工程名称、工程地点、总投资、建设单位、施工单位、设计单位、监理单位、施工人员等基本信息,以及加气站的建设情况、产能、生产设备、运行技术等详细情况的介绍。
(二)设计文件:包括施工图、工程概算、设计说明、图纸等。
(三)验收证明:包括竣工验收报告、检测报告、检测合格证、环境影响评价报告、用地审批文件等。
(四)安全生产管理规定:包括安全生产管理制度、应急预案、安全防护措施等。
(五)环保管理规定:包括环保管理制度、环境监测措施、环境保护措施等。
(六)人员培训记录:包括员工的安全培训、技能培训等记录。
(七)营业执照、法人证书等证明文件。
二、天然气加气站竣工资料的意义(一)为了确保加气站的安全性。
天然气是易燃易爆的物质,加气站的建设和运营涉及到安全问题,因此需要严格控制,严格按照规定的标准建设。
竣工资料可以帮助监管部门全面了解建设情况,掌握站内设备的状态和漏洞,及时发现和解决安全问题。
(二)为了保证加气站的节能环保性。
天然气是清洁能源,建设天然气加气站是为了减少对环境的污染,提高能源利用效率。
竣工资料可以帮助监管部门了解加气站的节能和环保情况,评估其对环境的影响,并对加气站的环保措施进行监督和管理。
(三)为了规范管理和提高服务质量。
加气站竣工资料中包括了加气站的营业执照、法人证书等证明文件,这些资料可以确保加气站的经营合法性和规范性。
此外,加气站的人员培训记录可以帮助加气站提高服务质量,增强员工安全意识和技能素质。
总之,天然气加气站竣工资料是关系到加气站的安全、节能、环保和管理等多个方面的重要资料文件。
**市天然气工程竣工资料工程名称:**街299#楼天然气管道工程工程地址:**市**街建设单位:**市天然气有限企业施工单位:**市天然气有限企业管道工程项目部动工时间:2023年10月15日竣工时间:2023年6 月20日2012年6月21日工程技术档案移交目录施工图设计文献会审记录施工组织设计(方案)报审表工程名称:**街299#楼天然气管道工程工程开工报告材料、购配件检查记录材料、购配件检查记录材料、购配件检查记录技术交底记录工程名称:**街299#楼天然气管道工程技术交底记录工程名称:**街299#楼天然气管道工程技术交底记录工程名称:**街299#楼天然气管道工程技术交底记录工程名称:**街299#楼天然气管道工程焊工上岗登记表焊条、焊剂烘烤记录焊接记录钢管管线焊接质量检查记录管道防腐施工记录燃气阀门气(水)压试验记录建设单位:**市天然气有限企业施工单位:**市天然气有限企业管道工程项目部建设单位安装单位质量负责人:负责人:监查员:施工员:作业人员:2012年6月19日阀门安装检查记录工程名称:**街299#楼天然气管道工程室内分项工程质量检查评估表(一)工程名称:**街299#楼天然气管道工程部位:**街299#楼室内分项工程质量检查评估表(二)工程名称:**街299#楼天然气管道工程部位:**街299#楼室外分项工程质量检查评估表(一)工程名称:**街299#楼天然气管道工程部位:**街299#楼室外管道安装分项工程质量检查评估表(二)工程名称:**街299#楼天然气管道工程部位:**街299#楼管道吹扫记录工程名称:**街299#楼天然气管道工程天然气管道系统工程气压试验记录建设单位:**市天然气有限企业施工单位:**市天然气有限企业管道工程项目部建设单位安装单位质量负责人:负责人:监检人员:施工员:班组长:2012年6月20日天然气管道系统工程气压试验记录建设单位:**市天然气有限企业施工单位:**市天然气有限企业管道工程项目部建设单位安装单位质量负责人:负责人:监检人员:施工员:班组长: 2011年10月17日安装户数表工程名称:**街299#楼天然气管道工程材料表工程名称:**街299#楼天然气管道工程材料表工程名称:**街299#楼天然气管道工程工程竣工汇报工程竣工验收表工程竣工验收签证书工程名称:**街299#楼天然气管道工程施工现场签证单**市天然气有限企业施工费预算书工程名称:**街299#楼燃气管道安装工程工程造价:2300.00 元建设单位:**市天然气有限企业施工单位:**市天然气有限企业管道工程项目部审核人:编制人:资格证号:资格证号:审核日期:编制日期:**街299#楼家眷楼天然气工程预算**市天然气有限企业施工费结算书工程名称:**街299#楼燃气管道安装工程工程造价:2105.00 元建设单位:**市天然气有限企业施工单位:**市天然气有限企业管道工程项目部审核人:编制人:资格证号:资格证号:审核日期:编制日期:**街299#楼家眷楼天然气工程结算**街299#楼工程结算单。
目录燃气工程竣工资料编制人:审核人:技术负责人:单位负责人:编制单位:编.制日期:年月日至年月日卷内目录FHRQ-001 施工任务通知单FHRQ-003 施工组织设计(施工方案)审批表编制日期:2011年06月09日开工报告FHRQ-005 中间交工证书FHRQ-006 竣工报告FHRQ-007 工程交工证书FHRQ-008 交工项目表FHRQ-009交工主要实物量表FHRQ-010 遗留工程项目一览表FHRQ-011 重大质量事故处理鉴定报告FHRQ-012 设备、材料改代核定单FHRQ-013 图纸会审记录图纸会审记录FHRQ-015 设计技术交底记录FHRQ-016 设计变更申请单FHRQ-017 施工技术及安全交底记录FHRQ-017 施工技术及安全交底记录FHRQ-018 技术核定(联络)单FHRQ-019 合格证汇总表FHRQ-020 合格证粘贴单FHRQ-021 工程签证FHRQ-022 压力管道安装质量证明书FHRQ-023压力管道安装安全质量监督检验报告工程名称:建设单位:管道类别:监督检验时间:2011年*月**日至2011年*月**日FHRQ-024第页竣工验收证书施管表第页FHRQ-025 主要设备及备品备件交接清单钢管检查验收(校验性)记录FHRQ-027 P E管检查验收(校验性)记录FHRQ-028 阀门/ 管件试验记录目录FHRQ-029 管沟开挖及回填检查记录FHRQ-030管沟复测记录FHRQ-031管道线路地貌恢复检查合格证单位工程名称:施工单位:FHRQ-032 土壤容重试验报告目录。
天然气输配工程竣工资料审核表
交工资料目录
工程竣工报验单
工程名称:营口大石桥府前路加气母站安装工程
工程名称:营口大石桥府前路加气母站安装工程
施工技术交底记录
特种作业人员操作资格证统计表 TY20
写,其余内容由施工单位填写。
管道焊接工作记录 GY04
管道焊接工作记录 GY04
管道焊接工作记录 GY04
管道焊接工作记录 GY04
管道焊接工作记录 GY04
管道焊接工作记录 GY04
管道焊接工作记录 GY04
管道焊接工作记录 GY04
管道焊接工作记录 GY04
管道焊接工作记录 GY04
管道焊接工作记录 GY04
管道焊接工作记录 GY04
管道焊接工作记录 GY04
管道焊接工作记录 GY04
管道焊接工作记录 GY04
管道焊接工作记录 GY04
管道焊接工作记录 GY04
设备基础检查验收记录 GY13。
天然气输配工程竣工资料审核表
交工资料目录
工程竣工报验单
工程名称:营口大石桥府前路加气母站安装工程
工程名称:营口大石桥府前路加气母站安装工程
施工技术交底记录
特种作业人员操作资格证统计表 TY20
写,其余内容由施工单位填写。
管道焊接工作记录 GY04
管道焊接工作记录 GY04
管道焊接工作记录 GY04
管道焊接工作记录 GY04
管道焊接工作记录 GY04
管道焊接工作记录 GY04
管道焊接工作记录 GY04
管道焊接工作记录 GY04
管道焊接工作记录 GY04
管道焊接工作记录 GY04
管道焊接工作记录 GY04
管道焊
接工作记录 GY04
管道焊接工作记录 GY04
管道焊接工作记录 GY04
管道焊接工作记录 GY04
管道焊接工作记录 GY04
管道焊接工作记录 GY04
管道焊接工作记录 GY04
管道焊接工作记录 GY04。
天然气输配工程竣工资料审核表
工程竣工报验单
工程名称:营口大石桥府前路加气母站安装工程工程编号:CNG1010
致:(监理单位)辽宁辽河石油工程建设监理有限责任公司
我单位已完成营口大石桥府前路加气母站安装工程,按设计文件和有关规范进行了自检,质检合格,请予以附件: 1、工程竣工报告
承包单位(盖章)
项目经理
日期
审查意见:
经初步验收,该工程
•符合/不符合我国现行法律、法规要求;
•符合/不符合我国现行工程建设标准;
•符合/不符合设计文件要求;
•符合/不符合施工合同要求。
综上所述,该工程初步验收合格/不合格,可以/不可以组织正式验收。
项目监理机构(章)
总监理工程师
日期
工程名称:营口大石桥府前路加气母站安装工程
焊工登记表 TY21
说明:本表适用于站内管道试压检查;结果一栏由监理人员填写,其余内容由施工单位填写。
管道焊接工作记录 GY04
道焊接工作记录 GY04
管道焊接工作记录 GY04。
天然气工程竣工资料
天然气工程竣工资料通常包括以下内容:
1. 工程竣工报告:包括工程概况、工程进度、工作量统计等内容。
2. 工程竣工图:包括工程设计图纸、设备布置图等。
3. 工程竣工验收报告:包括工程验收过程、验收结果、存在的问题及处理措施等。
4. 工程质量检测报告:包括工程施工过程中的质量检测结果。
5. 工程设备清单:包括工程安装的设备清单及相关参数等。
6. 工程安全文明施工资料:包括安全施工方案、安全监督记录等。
7. 工程竣工图纸归档资料:包括归档的工程图纸等。
此外,还应提供相关单位出具的竣工验收文件、环保部门出具的环保验收文件、相关
单位出具的工程质量鉴定文件等。
具体需要提供的资料还需要根据实际情况进行确认。
燃气竣工资料样本一、前言在燃气施工过程中,竣工资料是必备的一部分。
本文将介绍燃气竣工资料的相关内容,以及样本参考。
二、燃气竣工资料包含内容燃气竣工资料包含以下主要内容:1. 管路图燃气管线图是燃气竣工资料中最重要的部分,其内容应该包含整个燃气管线的走向和连接方式。
同时,需要标注管道口径、管材、管件和接头的规格,并对连接点进行特别标注。
2. 压力试验报告燃气管线敷设完毕后,需要进行压力试验,以确保燃气管路的安全性能。
压力试验报告应该详细描述试验过程、试验结果以及试验设备等信息。
3. 燃气灶连接图燃气灶连接图应该清晰显示燃气管线与灶具之间的连接方式,并标注灶具型号和厂家信息。
同时,需要按照燃气灶的使用说明书要求进行正确连接和使用。
4. 安全标识安全标识是燃气竣工资料中非常重要的一部分,其主要作用是提醒用户在使用燃气过程中需要注意的安全事项。
因此,安全标识应该包含以下内容:燃气灶、阀门、燃气报警器等必备的安全设备,以及明确的操作要求、紧急处理方式等。
5. 竣工验收表竣工验收表记录了燃气管线的竣工验收结果。
其中包括各项竣工验收指标、验收结论、验收日期等内容。
在燃气工程完工后,竣工验收表需要经过施工、监理、业主等多个方面的审核确认后方可生效,保证燃气质量和安全性能。
6. 其他燃气竣工资料中还包括建议书、注意事项、售后服务电话等内容。
三、燃气竣工资料样本以下是燃气竣工资料样本示例:序号内容操作1 管路图附图2 压力试验报告附报告3 燃气灶连接图附图4 安全标识附图5 竣工验收表附表格6 售后服务电话填写四、结语燃气竣工资料在燃气工程中扮演着至关重要的角色,因此,必须认真填写、拍照、归档,以保证燃气工程的安全以及用户的正常使用。
天然气公司场站燃气工程建筑分部工程竣工资料模板工程名称单位工程名称(合同名称)编制人:_____________审核人:_____________编制单位:_____________编制日期:_____________第×卷共×卷第×册共×册第×分册共×分册目录开工报告施工现场质量管理检查记录施工组织设计(方案)报审表设计交底及图纸会审纪要技术及安全交底记录建筑物(构筑物)放线测量记录材料购配件设备报验单合格证粘贴表地基异常现象处理记录验槽记录现场回填土测试记录地基检验批质量验收记录砂浆试件强度统计分析评定表砼试件强度统计分析评定表钢筋加工检验批质量验收记录模板工程检验批质量验收记录混凝土施工检验批质量验收记录现浇结构混凝土工程检验批质量验收记录混凝土设备基础工程检验批质量验收记录基础二次灌浆记录构件吊装记录混凝土冬季施工保温测试记录砖砌体工程检验批质量验收记录填充墙砌体工程检验批质量验收记录防水工程细部构造检验批质量验收记录防水工程试水检查记录屋面检验批质量验收记录钢网架制作工程检验批质量验收记录钢结构工程质量验收记录一般抹灰工程检验批质量验收记录装饰抹灰工程检验批质量验收记录水性涂料涂饰工程质量检验批质量验收记录水泥混凝土垫层检验批质量验收记录装饰装修检验批质量验收记录管道吹(冲)洗(脱脂)试验记录排水管道闭水通球试验记录卫生器具及给水配件安装工程检验批质量验收记录卫生器具排水管道安装工程检验批质量验收记录。
天然气输配工程竣工资料审核表交工资料目录交工资料目录(一)施工管理资料工程竣工报验单工程名称:营口大石桥府前路加气母站安装工程竣工报告竣工报告工程开工报审表工程名称:营口大石桥府前路加气母站安装工程致:辽宁辽河石油工程建设监理有限责任公司我方承担的营口大石桥府前路加气母站安装工程,已完成了以下各项工作,具备了开工条件,特此申请施工,请核查并签发开工指令。
附件:1、开工报告承包单位(章)项目经理:日期:审核意见:开工报告图纸审核记录设计技术交底记录交底内容及议定事项本工程为营口大石桥府前路加气母站安装工程,主要工程量为天然气压缩机3台、计量撬1台、脱水装置1台,储气瓶组1台,加药1机台,回收罐1台、缓冲罐1台、排污罐1台、加气机2台、卸气柱4台及工艺管道安装管道焊接方式采用氩电联焊,100%X 射线探伤 ,工程定于2013年12月20日开工。
施工内容包括:管道焊接,焊口探伤,管道试压。
三、主要技术要求:管道焊接采用氩电联焊,焊口进行100%X 射线探伤,Ⅱ级合格。
四、管道进行强度及严密性试验。
五、施工过程中执行的规范及标准:GB50251-94、SY0401-98、GB50028-06、CJJ33-2005、SY4056-93、SY4058-93施工单位:负责人:(盖章)年 月 日设计单位: 代表: (盖章) 年 月 日 建设单位: 代表: (盖章) 年 月 日监理单位:总监工程师: (盖章) 年 月 日施 工 技 术 交 底 记 录施工安全交底记录(二)保证资料合格证汇总表合格证汇总表合格证汇总表合格证汇总表(三)施工技术资料特种作业人员操作资格证统计表TY-20焊工登记表TY-21管道试压检查记录GY-09说明:本表适用于站内管道试压检查;结果一栏由监理人员填写,其余内容由施工单位填写。
管道试压检查记录GY-09管道试压检查记录GY-09管道试压检查记录GY-09管道试压检查记录GY-09管道试压检查记录GY-09管道试压检查记录GY-09管道系统压力试验报告GY-11工艺管道吹扫(清洗)记录阀门试压记录GY-03阀门试压记录GY-03管 道 焊 接 工 作记 录管道焊接工作记录GY-04管道焊接工作记录管道焊接工作记录GY-04管道焊接工作记录管道焊接工作记录GY-04管道焊接工作记录管道焊接工作记录GY-04管道焊接工作记录GY-04管道焊接工作记录GY-04管道焊接工作记录GY-04管道焊接工作记录GY-04管 道 焊 接 工作 记 录GY-04管道焊接工作记录管道焊接工作记录GY-04管道焊接工作记录GY-04管道焊接工作记录GY-04管道焊接工作记录GY-04管道焊接工作记录GY-04管 道 焊接 工 作 记 录GY-04管道焊接工作记录管道焊接工作记录GY-04管道焊接工作记录GY-04管道焊接工作记录GY-04管道焊接工作记录GY-04管道焊接工作记录管道焊接工作记录GY-04管道焊接工作记录GY-04管 道 焊 接工 作 记 录GY-04管道焊接工作记录GY-04管道焊接工作记录GY-04管道焊接工作记录GY-04管道焊接工作记录GY-04管道焊接工作记录GY-04管道焊接工作记录GY-04管道焊接工作记录GY-04管道焊接工作记录GY-04管道焊接工作记录GY-04管道焊接工作记录管道焊接工作记录GY-04。
天然气输配工程竣工资料审核表
交工资料目录
交工资料目录
(一)施工管理资料
工程竣工报验单工程名称:营口大石桥府前路加气母站安装工程
竣工报告
竣工报告
工程开工报审表
工程名称:营口大石桥府前路加气母站安装工程
致:辽宁辽河石油工程建设监理有限责任公司
我方承担的营口大石桥府前路加气母站安装工程,已完成了以下各项工作,具备了开工条件,特此申请施工,请核查并签发开工指令。
附件:1、开工报告
承包单位(章)
项目经理:
日期:
审核意见:
开工报告
图纸审核记录
设计技术交底记录
交
底内容及议定事项
本工程为营口大石桥府前路加气母站安装工程,主要工程量为天然气压缩机3台、计量撬1台、脱水装置1台,储气瓶组1台,加药1机台,回收罐1台、缓冲罐1台、排污罐1台、加气机2台、卸气柱4台及工艺管道安装
管道焊接方式采用氩电联焊,100%X 射线探伤 ,工程定于2013年12月20日开工。
施工内容包括:管道焊接,焊口探伤,管道试压。
三、主要技术要求:管道焊接采用氩电联焊,焊口进行100%X 射线探伤,Ⅱ级合格。
四、管道进行强度及严密性试验。
五、施工过程中执行的规范及标准:
GB50251-94、SY0401-98、GB50028-06、
CJJ33-2005、SY4056-93、SY4058-93
施工单位:
负责人:
(盖章)
年 月 日
设计单位: 代表: (盖章) 年 月 日 建设单位: 代表: (盖章) 年 月 日
监理单位:
总监工程师: (盖章) 年 月 日
施 工 技 术 交 底 记 录
施工安全交底记录
(二)保证资料
合格证汇总表
合格证汇总表
合格证汇总表
合格证汇总表
(三)施工技术资料
特种作业人员操作资格证统计表TY-20
焊工登记表TY-21
管道试压检查记录GY-09
说明:本表适用于站内管道试压检查;结果一栏由监理人员填写,其余内容由施工单位填写。
管道试压检查记录GY-09
管道试压检查记录GY-09
管道试压检查记录GY-09
管道试压检查记录GY-09
管道试压检查记录GY-09
管道试压检查记录GY-09
管道系统压力试验报告GY-11
工艺管道吹扫(清洗)记录
阀门试压记录GY-03
阀门试压记录GY-03
管 道 焊 接 工 作
记 录
管道焊接工作记录
GY-04
管道焊接工作记录
管道焊接工作记录
GY-04
管道焊接工作记录
管道焊接工作记录
GY-04
管道焊接工作记录
管道焊接工作记录
GY-04
管道焊接工作记录
GY-04
管道焊接工作记录
GY-04
管道焊接工作记录
GY-04
管道焊接工作记录
GY-04
管 道 焊 接 工
作 记 录
GY-04
管道焊接工作记录
管道焊接工作记录
GY-04
管道焊接工作记录
GY-04
管道焊接工作记录
GY-04
管道焊接工作记录
GY-04
管道焊接工作记录
GY-04
管 道 焊
接 工 作 记 录
GY-04
管道焊接工作记录
管道焊接工作记录
GY-04
管道焊接工作记录GY-04
管道焊接工作记录
GY-04
管道焊接工作记录
GY-04
管道焊接工作记录
管道焊接工作记录
GY-04
管道焊接工作记录
GY-04
管 道 焊 接
工 作 记 录
GY-04
管道焊接工作记录
GY-04
管道
焊接工作记录GY-
04
管道焊接工作记录
GY-04
管道焊接工作记录
GY-04
管道焊接工作记录
GY-04
管道焊接工作记录
GY-04
管道焊接工作记录
GY-04
管道焊接工作记录
GY-04
管道焊接工作记录
GY-04
管道焊接工作记录
管道焊接工作记录
GY-04。