天然气加气站竣工资料
- 格式:docx
- 大小:318.89 KB
- 文档页数:88
LNG加气站工程竣工报告尊敬的领导:兹报告,我公司负责的LNG加气站工程已于XXXX年XX月XX日竣工。
经过XXX个月的紧张施工,LNG加气站工程全部按计划完成,现将竣工报告如下:一、工程概况本次LNG加气站工程地处于XXX地区,总占地面积XXX平方米,总建筑面积XXX平方米。
该工程的设计目标是为满足当地交通运输发展需求,提供清洁、高效、节能的液化天然气加气服务。
该加气站设计了主输气管道、储气罐、气体净化设备、加气设备等配套设施,能满足多种类型车辆的加气需求。
二、竣工质量本次LNG加气站工程在施工过程中,严格按照《建设工程质量管理细则》等相关标准规范进行施工,采取了科学、合理的施工工艺,保证了施工质量。
所有施工工艺流程均按设计要求进行,各项施工参数符合相关标准。
经过竣工验收,所有设备均正常运行,对外加气设备符合国家、行业标准,达到使用标准和要求。
三、安全生产在施工过程中,本公司高度重视安全生产,严格按照相关法律法规进行安全控制。
建立健全了安全管理制度,全面提高了员工安全意识,加强了职业卫生保护,做到了人员和设备安全的双保障。
工程竣工阶段没有发生任何安全事故。
四、环境保护本公司始终秉持绿色施工理念,对施工现场进行分类、规范管理,合理利用资源,减少环境污染。
施工过程中,我们对噪音、粉尘、废水等进行了有效控制,确保工地周边环境卫生和安全。
竣工验收阶段,工程对环境没有造成任何不良影响。
五、工程验收根据合同及相关规定,我们配合相关部门(XX监理单位、环保部门等)对该工程进行了竣工验收。
经过验收,该工程在安全、质量和设计要求等方面均达到了要求,获得了相关部门的验收合格证书。
六、项目总结总结全过程的施工经验及工程管理经验,取得的施工成果可总结为以下几点:1.施工质量控制:本次LNG加气站工程严格按照设计要求进行施工,工程质量达到了预期目标。
2.安全环保管理:对员工进行安全教育培训,建立健全安全管理机制和环境保护措施,确保施工安全和环境卫生。
目录工程说明陕RQ-001开工报告RQ-002竣工报告交工验收证书陕RQ-004工程交工证书交工项目表交工主要实物量表遗留工程项目一览表重大质量事故处理鉴定报告施工技术及安全交底记录施工组织设计(施工方案)审批表编制日期:年月日康泰园小区燃气管道工程施工组织设计编制人:后婷审核人:张杰技术负责人:吴修明单位负责人:马康编制单位:陕西众诚建筑安装装饰工程有限公司编制日期:二零一五年八月陕RQ-011工程材料/构配件/设备报审表材料、构配件、设备进场数量清单合格证汇总表合格证粘贴单陕RQ-015主要设备及备品备件交接清单阀门 / 管件试验记录管沟开挖及回填检查记录管沟复测记录管道线路地貌恢复检查记录单位工程名称:康泰园小区燃气管道安装工程施工单位:陕西众诚建筑安装装饰工程有限公司合格焊工登记表PE 管材焊接质量检查记录记录人:记录日期:年月日陕RQ-022 PE 管道焊口外观检查记录陕RQ-023管道吹扫记录中压管线试压检验记录低压管线试压检验记录单位工程质量验收核定申请表分部工程质量验收综合评定表工程名称:康泰园小区燃气管道安装工程开工日期: 年月日施工单位:陕西众诚建筑安装装饰工程有限公司竣工日期: 年月日开挖分项工程质量检验评定表单位工程名称:康泰园小区燃气管道安装工程分项工程部位:中压埋地管分部工程名称:管沟开挖分项工程性质:土方工程管道下沟回填分项工程质量检验评定表单位工程名称:康泰园小区燃气管道安装工程分项工程部位:中压埋地管分部工程名称:管道下沟回填分项工程分项工程性质:土方管道试压、吹扫线分项工程质量检验评定表工程名称:康泰园小区燃气管道安装工程分项工程名称:管道吹扫卷内备考表施工总结竣工图焊缝表面质量检查记录设备/管道防腐、保温、保冷、涂漆施工记录户内燃气设施外观检查记录引入管施工检查记录调压装置检查记录管道组对分项工程质量检验评定表单位工程名称:康泰园小区燃气管道安装工程分项工程部位:管道组队分部工程名称:管道安装分项工程性质:焊接工程管道焊接分项工程质量检验评定表单位工程名称:康泰园小区燃气管道安装工程分项工程部位:围楼管、立管分部工程名称:管道安装分项工程性质:焊接工程管道安装分项工程质量检验评定表(二)单位工程名称:康泰园小区燃气管道安装工程分项工程部位:管件、阀门检验及管件加工分项工程质量检验评(二)单位工程名称:康泰园小区燃气管道安装工程分项工程部位:。
天然气输配工程竣工资料审核表交工资料目录交工资料目录(一)施工管理资料工程竣工报验单工程名称:营口大石桥府前路加气母站安装工程工程编号:CNG1010竣工报告竣工报告工程开工报审表工程名称:营口大石桥府前路加气母站安装工程开工报告图纸审核记录设计技术交底记录施工技术交底记录施工安全交底记录(二)保证资料合格证汇总表合格证汇总表合格证汇总表合格证汇总表(三)施工技术资料特种作业人员操作资格证统计表 TY20焊工登记表 TY21管道试压检查记录GY09说明:本表适用于站内管道试压检查;结果一栏由监理人员填写,其余内容由施工单位填写。
管道试压检查记录GY09管道试压检查记录GY09管道试压检查记录GY09管道试压检查记录GY09管道试压检查记录GY09管道试压检查记录GY09管道系统压力试验报告GY11工艺管道吹扫(清洗)记录阀门试压记录 GY03阀门试压记录 GY03管道焊接工作记录 GY04管道焊接工作记录 GY04管道焊接工作记录 GY04管道焊接工作记录 GY04管道焊接工作记录 GY04管道焊接工作记录 GY04管道焊接工作记录 GY04管道焊接工作记录 GY04管道焊接工作记录 GY04管道焊接工作记录 GY04管道焊接工作记录 GY04管道焊接工作记录 GY04管道焊接工作记录 GY04管道焊接工作记录 GY04管道焊接工作记录 GY04管道焊接工作记录 GY04管道焊接工作记录 GY04管道焊接工作记录 GY04管道焊接工作记录 GY04管道焊接工作记录 GY04管道焊接工作记录 GY04管道焊接工作记录 GY04管道焊接工作记录 GY04管道焊接工作记录 GY04管道焊接工作记录 GY04管道焊接工作记录 GY04管道焊接工作记录 GY04管道焊接工作记录 GY04管道焊接工作记录 GY04管道焊接工作记录 GY04管道焊接工作记录 GY04管道焊接工作记录 GY04管道焊接工作记录 GY04管道焊接工作记录 GY04管道焊接工作记录 GY04管道焊接工作记录 GY04管道焊接工作记录 GY04管道焊接工作记录 GY04管道焊接工作记录 GY04管道焊接工作记录 GY04管道焊接工作记录 GY04管道焊接工作记录 GY04管道焊接工作记录 GY04管道焊接工作记录 GY04管道焊接工作记录 GY04管道焊接工作记录 GY04管道焊接工作记录 GY04管道焊接工作记录 GY04管道焊接工作记录 GY04管道焊接工作记录 GY04管道焊接工作记录 GY04管道焊接工作记录 GY04管道焊接工作记录 GY04管道焊接工作记录 GY04管道焊接工作记录 GY04管道焊接工作记录 GY04。
天然气输配工程竣工资料审核表
(一)施工管理资料
工程竣工报验单
工程名称:营口大石桥府前路加气母站安装工程
工程开工报审表
工程名称:营口大石桥府前路加气母站安装工程
(二)保证资料
合格证汇总表
(三)施工技术资料
说明:本表适用于站内管道试压检查;结果一栏由监理人员填写,其余内容由施工单位填写。
工艺管道吹扫(清洗)记录
阀门试压记录 GY03
管道焊接工作记录 GY04
管道焊接工作记录 GY04
管道焊接工作记录 GY04
管道焊接工作记录 GY04
管道焊接工作记录 GY04
管道焊
接工作记录 GY04
管道焊接工作记录 GY04
管道焊接工作记录 GY04
管道焊接工作记录 GY04
管道焊接工作记录 GY04
管道焊接工作记录 GY04。
天然气输配工程竣工资料审核表交工资料目录交工资料目录(一)施工管理资料工程竣工报验单工程名称:营口大石桥府前路加气母站安装工程工程编号:CNG1010致:(监理单位)辽宁辽河石油工程建设监理有限责任公司我单位已完成营口大石桥府前路加气母站安装工程,按设计文件和有关规范进行了自检,质检合格,请予以审查和验收。
附件: 1、工程竣工报告承包单位(盖章)项目经理日期审查意见:经初步验收,该工程•符合/不符合我国现行法律、法规要求;•符合/不符合我国现行工程建设标准;•符合/不符合设计文件要求;•符合/不符合施工合同要求。
综上所述,该工程初步验收合格/不合格,可以/不可以组织正式验收。
项目监理机构(章)总监理工程师日期竣工报告竣工工程内容一、设备安装:1、工艺设备:11台/套。
(脱水装置,优先顺序控制盘,加臭装置,调压计量撬,地上储气瓶组机,压缩机1,2,3、回收罐、缓冲罐、排污罐);2、加气设备:6台/套。
(加气机-1、加气机-2、加气机柱1;加气柱-2、加气柱-3、加气柱-4)二、工艺管道安装:(1076.75米)1、16Mn无缝钢管安装:Φ325×10 20米、Φ159×6.55.米Φ133×6 12米Φ108×6 51.8米、Φ89×5 23米Φ57×5 75米、Φ32×4 111.3米、Φ18×3.5 22米.Φ45×4 40米2、OCr18Ni9不锈钢管:Φ45×5 171.8米、Φ25×4 180.2米、Φ18×3 26.1米。
3、阀门安装:77台。
球阀(Dn300×2台、Dn150×3台Dn80×3台、Dn100×3台Dn125×3台Dn50×5台、Dn45×12台Dn40×9台Dn32×4台Dn20×15台、Dn8×6台、安全阀Dn40×3台、止回阀阀Dn45×3台、阻火器Dn50×2台、安全阀Dn50×1台、针阀Dn10×3台);4、管件安装:Φ325:法兰4片、无缝弯头1个;300/150异径三通3个125/100异径三通1个Φ159:法兰10片无缝弯头1个Φ125:法兰4片无缝弯头8个Φ108:法兰6片、无缝弯头8个Φ89:法兰6片、无缝弯头5个Φ57:法兰10片、无缝弯头21个;Φ32:无缝弯头25个;Φ45:不锈钢弯22个;Φ22:不锈钢弯头44个;Φ15:不锈钢弯头4个;检查评定施工单位监理单位建设单位单位公章项目负责人:年月日单位公章项目负责人:年月日单位公章项目负责人:年月日竣工报告工程开工报审表工程名称:营口大石桥府前路加气母站安装工程致:辽宁辽河石油工程建设监理有限责任公司我方承担的营口大石桥府前路加气母站安装工程,已完成了以下各项工作,具备了开工条件,特此申请施工,请核查并签发开工指令。
天然气输配工程竣工资料审核表
交工资料目录
工程竣工报验单
工程名称:营口大石桥府前路加气母站安装工程
工程名称:营口大石桥府前路加气母站安装工程
施工技术交底记录
(二)保证资料
管道试压检查记录GY09
说明:本表适用于站内管道试压检查;结果一栏由监理人员填写,其余内容由施工单位填写。
阀门试压记录 GY03
管道焊接工作记录
GY04
管道焊接工作记录
GY04
管道焊接工作记录
GY04
管道焊接工作记录
GY04
管道焊接工作记录
GY04
GY04
管道焊接工作记录
GY04
管道焊接工作记录
GY04
管道焊接工作记录
管道焊接工作记录
GY04
管道焊接工作记录
GY04
管道焊接工作记录
管道焊接工作记录
管道焊接工作记录
GY04
道焊接工作记录
GY04
管道焊接工作记录
GY04
GY04
GY04
管道焊接工作记录
GY04
管道焊接工作记录
GY04
管道焊接工作记录
GY04
管道焊接工作记录
GY04
管道焊接工作记录。
天然气加气站竣工资料天然气加气站竣工资料是指在建成并通过验收的加气站所需提交的文件资料。
由于天然气加气站是一项关系到能源利用和环境保护的重要工程,因此其建设和运行需要严格的监管和管理。
竣工资料的准备工作可以帮助相关部门对加气站的建设情况、安全问题、节能情况等进行全面的评估和检查。
本文将就天然气加气站竣工资料的内容和意义进行一番探讨。
一、天然气加气站竣工资料的内容(一)竣工报告书:包括加气站的工程名称、工程地点、总投资、建设单位、施工单位、设计单位、监理单位、施工人员等基本信息,以及加气站的建设情况、产能、生产设备、运行技术等详细情况的介绍。
(二)设计文件:包括施工图、工程概算、设计说明、图纸等。
(三)验收证明:包括竣工验收报告、检测报告、检测合格证、环境影响评价报告、用地审批文件等。
(四)安全生产管理规定:包括安全生产管理制度、应急预案、安全防护措施等。
(五)环保管理规定:包括环保管理制度、环境监测措施、环境保护措施等。
(六)人员培训记录:包括员工的安全培训、技能培训等记录。
(七)营业执照、法人证书等证明文件。
二、天然气加气站竣工资料的意义(一)为了确保加气站的安全性。
天然气是易燃易爆的物质,加气站的建设和运营涉及到安全问题,因此需要严格控制,严格按照规定的标准建设。
竣工资料可以帮助监管部门全面了解建设情况,掌握站内设备的状态和漏洞,及时发现和解决安全问题。
(二)为了保证加气站的节能环保性。
天然气是清洁能源,建设天然气加气站是为了减少对环境的污染,提高能源利用效率。
竣工资料可以帮助监管部门了解加气站的节能和环保情况,评估其对环境的影响,并对加气站的环保措施进行监督和管理。
(三)为了规范管理和提高服务质量。
加气站竣工资料中包括了加气站的营业执照、法人证书等证明文件,这些资料可以确保加气站的经营合法性和规范性。
此外,加气站的人员培训记录可以帮助加气站提高服务质量,增强员工安全意识和技能素质。
总之,天然气加气站竣工资料是关系到加气站的安全、节能、环保和管理等多个方面的重要资料文件。
来文转抄来文单位:中国石油天然气股份有限公司来文文号:油炼销函字[2005]69号来文标题:关于统一加油(气)站和油库工程建设项目竣工验收资料的通知发往单位:各直属企业内发:胡副总经理、投资与建设管理处(6份)、审计监察处贯彻意见:请各单位认真组织学习文件精神,严格按照文件要求执行中国石油新疆销售公司二00五年五月二十六日中国石油天然气股份有限公司油炼销函字[2005]69号关于统一加油(气)站和油库工程建设项目竣工验收资料的通知各有关单位:炼油与销售分公司曾在二00一年下发了《中国石油天然气股份有限公司炼油与销售工程建设项目竣工验收管理办法》,对竣工验收的组织、竣工资料的内容、竣工验收程序等进行统一的规定,对加强工程建设项目竣工验收工作起到了促进作用。
经过几年的执行情况看,该管理办法所要求的竣工资料的表格和内容较全面而系统,但部分表格不能完成全体现加油(气)站和油库工程建设项目的特点,有些资料表格需简化,有些资料特别是项目前期资料的收集整理工作需要加强。
为此,炼油与销售分公司编制了加油(气)站和油库工程建设项目竣工资料内容规定,具体要求如下:1、本通知下发前已完工的加油(气)站和油库建设项目(含新建、改扩建和收购后需改造项目),应按照加油(气)站和油库工程建设项目竣工资料内容规定的要求,尽快补充完善每个项目的竣工资料。
2、本通知下发后正在实施或尚未实施的建设项目,必须严格按照加油(气)站和油库工程建设项目竣工资料内容规定的要求,在项目建设前期到完工的各个阶段中汇集和形成相应阶段的竣工资料,确保竣工资料的原始性、真实性、准确性,特别是签署要真实可信,不得事后补签。
3、加油(气)站和油库工程建设项目每个项目应建立一套完整的竣工资料,并按照加油(气)站和油库工程建设项目竣工资料内容规定中资料的先后顺序汇编成册,妥善保管。
4、竣工资料的收集整理是一项重要的工作,各单位应在加油(气)站和油库工程建设中指定专人负责。
**市天然气工程竣工资料工程名称:**街299#楼天然气管道工程工程地址:**市**街建设单位:**市天然气有限企业施工单位:**市天然气有限企业管道工程项目部动工时间:2023年10月15日竣工时间:2023年6 月20日2012年6月21日工程技术档案移交目录施工图设计文献会审记录施工组织设计(方案)报审表工程名称:**街299#楼天然气管道工程工程开工报告材料、购配件检查记录材料、购配件检查记录材料、购配件检查记录技术交底记录工程名称:**街299#楼天然气管道工程技术交底记录工程名称:**街299#楼天然气管道工程技术交底记录工程名称:**街299#楼天然气管道工程技术交底记录工程名称:**街299#楼天然气管道工程焊工上岗登记表焊条、焊剂烘烤记录焊接记录钢管管线焊接质量检查记录管道防腐施工记录燃气阀门气(水)压试验记录建设单位:**市天然气有限企业施工单位:**市天然气有限企业管道工程项目部建设单位安装单位质量负责人:负责人:监查员:施工员:作业人员:2012年6月19日阀门安装检查记录工程名称:**街299#楼天然气管道工程室内分项工程质量检查评估表(一)工程名称:**街299#楼天然气管道工程部位:**街299#楼室内分项工程质量检查评估表(二)工程名称:**街299#楼天然气管道工程部位:**街299#楼室外分项工程质量检查评估表(一)工程名称:**街299#楼天然气管道工程部位:**街299#楼室外管道安装分项工程质量检查评估表(二)工程名称:**街299#楼天然气管道工程部位:**街299#楼管道吹扫记录工程名称:**街299#楼天然气管道工程天然气管道系统工程气压试验记录建设单位:**市天然气有限企业施工单位:**市天然气有限企业管道工程项目部建设单位安装单位质量负责人:负责人:监检人员:施工员:班组长:2012年6月20日天然气管道系统工程气压试验记录建设单位:**市天然气有限企业施工单位:**市天然气有限企业管道工程项目部建设单位安装单位质量负责人:负责人:监检人员:施工员:班组长: 2011年10月17日安装户数表工程名称:**街299#楼天然气管道工程材料表工程名称:**街299#楼天然气管道工程材料表工程名称:**街299#楼天然气管道工程工程竣工汇报工程竣工验收表工程竣工验收签证书工程名称:**街299#楼天然气管道工程施工现场签证单**市天然气有限企业施工费预算书工程名称:**街299#楼燃气管道安装工程工程造价:2300.00 元建设单位:**市天然气有限企业施工单位:**市天然气有限企业管道工程项目部审核人:编制人:资格证号:资格证号:审核日期:编制日期:**街299#楼家眷楼天然气工程预算**市天然气有限企业施工费结算书工程名称:**街299#楼燃气管道安装工程工程造价:2105.00 元建设单位:**市天然气有限企业施工单位:**市天然气有限企业管道工程项目部审核人:编制人:资格证号:资格证号:审核日期:编制日期:**街299#楼家眷楼天然气工程结算**街299#楼工程结算单。
天然气输配工程竣工资料审核表
交工资料目录
工程竣工报验单
工程名称:营口大石桥府前路加气母站安装工程
工程名称:营口大石桥府前路加气母站安装工程
施工技术交底记录
特种作业人员操作资格证统计表 TY20
写,其余内容由施工单位填写。
管道焊接工作记录 GY04
管道焊接工作记录 GY04
管道焊接工作记录 GY04
管道焊接工作记录 GY04
管道焊接工作记录 GY04
管道焊接工作记录 GY04
管道焊接工作记录 GY04
管道焊接工作记录 GY04
管道焊接工作记录 GY04
管道焊接工作记录 GY04
管道焊接工作记录 GY04
管道焊接工作记录 GY04
管道焊接工作记录 GY04
管道焊接工作记录 GY04
管道焊接工作记录 GY04
管道焊接工作记录 GY04
管道焊接工作记录 GY04
设备基础检查验收记录 GY13。
天然气输配工程竣工资料审核表
交工资料目录
工程竣工报验单
工程名称:营口大石桥府前路加气母站安装工程
工程名称:营口大石桥府前路加气母站安装工程
施工技术交底记录
特种作业人员操作资格证统计表 TY20
写,其余内容由施工单位填写。
管道焊接工作记录 GY04
管道焊接工作记录 GY04
管道焊接工作记录 GY04
管道焊接工作记录 GY04
管道焊接工作记录 GY04
管道焊接工作记录 GY04
管道焊接工作记录 GY04
管道焊接工作记录 GY04
管道焊接工作记录 GY04
管道焊接工作记录 GY04
管道焊接工作记录 GY04
管道焊
接工作记录 GY04
管道焊接工作记录 GY04
管道焊接工作记录 GY04
管道焊接工作记录 GY04
管道焊接工作记录 GY04
管道焊接工作记录 GY04
管道焊接工作记录 GY04
管道焊接工作记录 GY04。
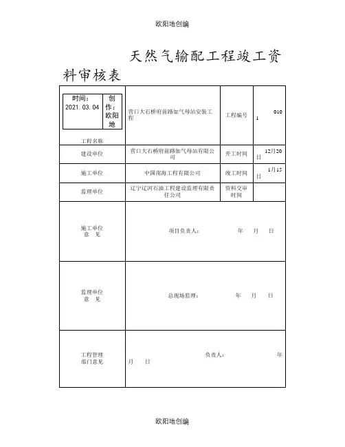
天然气输配工程竣工资料审核表
工程竣工报验单
工程名称:营口大石桥府前路加气母站安装工程工程编号:CNG1010
致:(监理单位)辽宁辽河石油工程建设监理有限责任公司
我单位已完成营口大石桥府前路加气母站安装工程,按设计文件和有关规范进行了自检,质检合格,请予以附件: 1、工程竣工报告
承包单位(盖章)
项目经理
日期
审查意见:
经初步验收,该工程
•符合/不符合我国现行法律、法规要求;
•符合/不符合我国现行工程建设标准;
•符合/不符合设计文件要求;
•符合/不符合施工合同要求。
综上所述,该工程初步验收合格/不合格,可以/不可以组织正式验收。
项目监理机构(章)
总监理工程师
日期
工程名称:营口大石桥府前路加气母站安装工程
焊工登记表 TY21
说明:本表适用于站内管道试压检查;结果一栏由监理人员填写,其余内容由施工单位填写。
管道焊接工作记录 GY04
道焊接工作记录 GY04
管道焊接工作记录 GY04。
天然气输配工程竣工资料审核表交工资料目录交工资料目录(一)施工管理资料工程竣工报验单工程名称:营口大石桥府前路加气母站安装工程工程编号:CNG1010致:(监理单位)辽宁辽河石油工程建设监理有限责任公司我单位已完成营口大石桥府前路加气母站安装工程,按设计文件和有关规范进行了自检,质检合格,请予以审查和验收。
附件: 1、工程竣工报告承包单位(盖章)项目经理日期审查意见:经初步验收,该工程•符合/不符合我国现行法律、法规要求;•符合/不符合我国现行工程建设标准;•符合/不符合设计文件要求;•符合/不符合施工合同要求。
综上所述,该工程初步验收合格/不合格,可以/不可以组织正式验收。
竣工报告竣工工程内容一、设备安装:1、工艺设备:11台/套。
(脱水装置,优先顺序控制盘,加臭装置,调压计量撬,地上储气瓶组机,压缩机1,2,3、回收罐、缓冲罐、排污罐);2、加气设备:6台/套。
(加气机-1、加气机-2、加气机柱1;加气柱-2、加气柱-3、加气柱-4)二、工艺管道安装:(米)1、16Mn无缝钢管安装:Φ325×10 20米、Φ159×.米Φ133×6 12米Φ108×6 米、Φ89×5 23米Φ57×5 75米、Φ32×4 米、Φ18× 22米.Φ45×4 40米2、OCr18Ni9不锈钢管:Φ45×5 米、Φ25×4 米、Φ18×3 米。
3、阀门安装:77台。
球阀(Dn300×2台、Dn150×3台Dn80×3台、Dn100×3台Dn125×3台Dn50×5台、Dn45×12台Dn40×9台Dn32×4台Dn20×15台、Dn8×6台、安全阀Dn40×3台、止回阀阀Dn45×3台、阻火器Dn50×2台、安全阀Dn50×1台、针阀Dn10×3台);4、管件安装:Φ325:法兰4片、无缝弯头1个;300/150异径三通3个125/100异径三通1个Φ159:法兰10片无缝弯头1个Φ125:法兰4片无缝弯头8个Φ108:法兰6片、无缝弯头8个Φ89:法兰6片、无缝弯头5个Φ57:法兰10片、无缝弯头21个;Φ32:无缝弯头25个;Φ45:不锈钢弯22个;Φ22:不锈钢弯头44个;Φ15:不锈钢弯头4个;竣工报告工程开工报审表工程名称:营口大石桥府前路加气母站安装工程致:辽宁辽河石油工程建设监理有限责任公司我方承担的营口大石桥府前路加气母站安装工程,已完成了以下各项工作,具备了开工条件,特此申请施工,请核查并签发开工指令。
天然气工程竣工资料
天然气工程竣工资料通常包括以下内容:
1. 工程竣工报告:包括工程概况、工程进度、工作量统计等内容。
2. 工程竣工图:包括工程设计图纸、设备布置图等。
3. 工程竣工验收报告:包括工程验收过程、验收结果、存在的问题及处理措施等。
4. 工程质量检测报告:包括工程施工过程中的质量检测结果。
5. 工程设备清单:包括工程安装的设备清单及相关参数等。
6. 工程安全文明施工资料:包括安全施工方案、安全监督记录等。
7. 工程竣工图纸归档资料:包括归档的工程图纸等。
此外,还应提供相关单位出具的竣工验收文件、环保部门出具的环保验收文件、相关
单位出具的工程质量鉴定文件等。
具体需要提供的资料还需要根据实际情况进行确认。
燃气竣工资料样本一、前言在燃气施工过程中,竣工资料是必备的一部分。
本文将介绍燃气竣工资料的相关内容,以及样本参考。
二、燃气竣工资料包含内容燃气竣工资料包含以下主要内容:1. 管路图燃气管线图是燃气竣工资料中最重要的部分,其内容应该包含整个燃气管线的走向和连接方式。
同时,需要标注管道口径、管材、管件和接头的规格,并对连接点进行特别标注。
2. 压力试验报告燃气管线敷设完毕后,需要进行压力试验,以确保燃气管路的安全性能。
压力试验报告应该详细描述试验过程、试验结果以及试验设备等信息。
3. 燃气灶连接图燃气灶连接图应该清晰显示燃气管线与灶具之间的连接方式,并标注灶具型号和厂家信息。
同时,需要按照燃气灶的使用说明书要求进行正确连接和使用。
4. 安全标识安全标识是燃气竣工资料中非常重要的一部分,其主要作用是提醒用户在使用燃气过程中需要注意的安全事项。
因此,安全标识应该包含以下内容:燃气灶、阀门、燃气报警器等必备的安全设备,以及明确的操作要求、紧急处理方式等。
5. 竣工验收表竣工验收表记录了燃气管线的竣工验收结果。
其中包括各项竣工验收指标、验收结论、验收日期等内容。
在燃气工程完工后,竣工验收表需要经过施工、监理、业主等多个方面的审核确认后方可生效,保证燃气质量和安全性能。
6. 其他燃气竣工资料中还包括建议书、注意事项、售后服务电话等内容。
三、燃气竣工资料样本以下是燃气竣工资料样本示例:序号内容操作1 管路图附图2 压力试验报告附报告3 燃气灶连接图附图4 安全标识附图5 竣工验收表附表格6 售后服务电话填写四、结语燃气竣工资料在燃气工程中扮演着至关重要的角色,因此,必须认真填写、拍照、归档,以保证燃气工程的安全以及用户的正常使用。
天然气输配工程竣工资料审核表
交工资料目录
(一)施工管理资料
工程竣工报验单
工程名称:营口大石桥府前路加气母站安装工程
工程开工报审表
工程名称:营口大石桥府前路加气母站安装工程
致:辽宁辽河石油工程建设监理有限责任公司
我方承担的营口大石桥府前路加气母站安装工程,已完成了以下各项工作,具备了开工条件,特此申请施工,请核查并签发开工指令。
附件:1、开工报告
承包单位(章)
项目经理:
日期:
审核意见:
项目监理机构:
总监理工程师:
日期:
开工报告
图纸审核记录
设
计交
底内
容及议定事项 一、工程概况:
本工程为营口大石桥府前路加气母站安装工程,主要工程量为天然气压缩机3台、计量撬1台、脱水装置1台,储气瓶组1台,加药1机台,回收罐1台、缓冲罐1台、排污罐1台、加气机2台、卸气柱4台及工艺管道安装
管道焊接方式采用氩电联焊,100%X 射线探伤 ,工程定于2013年12月20日开工。
施工内容包括:管道焊接,焊口探伤,管道试压。
三、主要技术要求:管道焊接采用氩电联焊,焊口进行100%X 射线探伤,Ⅱ级合
格。
四、管道进行强度及严密性试验。
五、施工过程中执行的规范及标准:
GB50251-94、SY0401-98、GB50028-06、
CJJ33-2005、SY4056-93、SY4058-93
施工单位:
负责人:
(盖章)
年 月 日
设计单位:
代表:
(盖章)
年 月
日
建设单位:
代表:
(盖章)
年
月 日
监理单位:
总监工程师:
(盖章)
年 月 日
施 工 技 术 交 底 记 录
施工安全交底记录
(二)保证资料
合格证汇总表
合格证汇总表
合格证汇总表
合格证汇总表
(三)施工技术资料
TY-20
TY-21
GY-09
GY-09
GY-09
GY-09
GY-09
管道试压检查记录GY-09
GY-09
管道系统压力试验报告GY-11
阀门试压记录 GY-
结
GY-结
管道焊接工作记录
管道焊接工作记录
管道焊接工作记录
管道焊接工作记录
管道焊接工作记录
管道焊接工作记录
管 道 焊 接 工 作 记
录
管道焊接工作记录
管道焊接工作记录
管道焊接工作记录
管道焊接工作记录
GY-04
管道焊接工作记录
管道焊接工作记录
管道焊接工作记录
管道焊接工作记录
管道焊接工作记录
管道焊接工作记录
管道焊接工作记录。