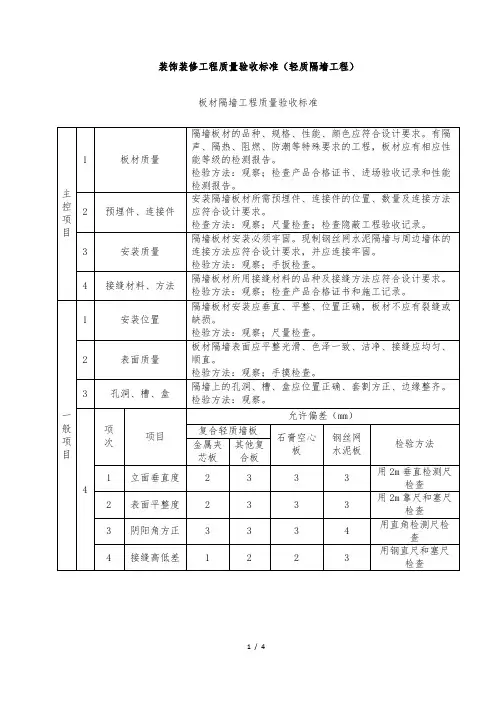
表B.2__预埋件安装质量标准和检验方法
- 格式:doc
- 大小:56.00 KB
- 文档页数:2
中国工程建设协会标准预制混凝土构件质量验收标准Standard for quality acceptance of precast concrete members(征求意见稿)前言根据中国工程建设标准化协会《关于印发<2016年第二批工程建设协会标准制订、修订计划>的通知》(建标协字[2016]084号)的要求,制订本标准。
本规程的主要内容包括:总则、术语和符号、基本规定、模板工程、钢筋工程、预应力工程、预埋件、混凝土工程、构件外观质量、构件性能检验、构件质量验收和附录等。
本规程由中国工程建设标准化协会混凝土结构专业委员会归口管理,由建研科技股份有限公司负责具体内容的解释(地址:北京市北三环东路30号;邮政编码:100013)。
在使用过程中如发现需要修改或补充之处,请将意见和资料直接寄解释单位。
主编单位:建研科技股份有限公司参编单位:主要起草人员:主要审查人员:目次1总则 (1)2术语 (2)3基本规定 (3)4模板 (5)4.1一般规定 (5)4.2模板安装 (5)5钢筋工程 (7)5.1一般规定 (7)5.2材料 (7)5.3钢筋加工 (8)5.4钢筋连接 (12)5.5钢筋安装 (13)6预应力工程 (15)6.1一般规定 (15)6.2材料 (15)6.3制作与安装 (17)6.4张拉和放张 (19)6.5灌浆及封锚 (20)7预埋件 (22)7.1一般规定 (22)7.2材料 (22)7.3预埋件安装 (24)8混凝土 (27)8.1一般规定 (27)8.2原材料 (28)8.3混凝土拌合物 (29)8.4混凝土浇筑与养护 (31)9构件外观质量 (34)9.1一般规定 (34)9.2主控项目 (35)9.3一般项目 (35)10构件性能检验 (38)10.1一般规定 (38)10.2结构性能检验 (39)10.3其他性能检验 (40)11构件质量验收 (42)11.1构件实体质量检验 (42)11.2构件质量验收 (43)附录A预制构件质量验收记录表 (45)附录B拉接件力学性能检验 (47)附录C预埋吊装件力学性能检验 (51)附录D预制墙与预制柱结构性能检验方法 (54)附录E受弯预制构件结构性能检验方法 (56)附录F梁板类预制构件结构性能检验要求 (60)附录G构件钢筋保护层厚度检验 (64)附录H构件混凝土同条件养护试件强度检验 (66)附录J构件混凝土回弹-取芯法强度检验 (67)附录K构件尺寸偏差检验 (69)本标准用词说明 (70)引用标准名录 (71)CONTENTS1General Provisions (1)2Terminlogies (2)3Basic Requirements (3)4Formwork (5)4.1General Requirements (5)4.2Formwork Installation (5)5Reinforcement (7)5.1General Requirements (7)5.2Materials (7)5.3Reinforcement Fabrication (8)5.4Reinforcement Connection (12)5.5Reinforcement Fixing (13)6Prestressed Concrete (15)6.1General Requirements (15)6.2Materials (15)6.3Fabrication and Installation (17)6.4Post-tensioning and Pre-tensioning (19)6.5Grouting and Anchorage Protection (20)7Embedded Parts (22)7.1General Requirements (22)7.2Materials (22)7.3Installation (24)8Concrete (27)8.1General Requirements (27)8.2Materials (28)8.3Admixture (29)8.4Pouring and Curing (31)9Surface Characteristics (34)9.1General Requirements (34)9.2Critical Items (35)9.3Common Items (35)10Performance Inspection (38)10.1General Requirements (38)10.2Structural Performance Inspection (39)10.3Additional Performance Inspection (40)11Quality Acceptance (42)11.1Entitative Inspection of Precast Member (42)11.2Quality Acceptance of Precast Member (43)Appendix A Records of Quality Acceptance (45)Appendix B Mechanical Properties Test of Connector (47)Appendix C Mechanical Properties Test of Embedded Hoisting Part (51)Appendix D Test Method for Structural Performance of Precast Wall and Column (54)Appendix E Test Method for Structural Performance of Flexual Precast Member (56)Appendix F Test Requirement for Structural Performance of Precast Beam and Slab Member (60)Appendix G Inspection of Concrete Cover of Reinforcement (64)Appendix H Inspection of Concrete Compressive Strength Cured under the SameCondition (66)67 Appendix J Inspection of Concrete Compressive Strength by Rebound-Drill Core Method..............................................................................Appendix K Entitative Inspection of Tolerances of Dimensions (69)Explanation of Wording in This Standard (70)List of Quoted Standards (71)1.0.1为加强预制混凝土构件生产过程中的质量管理,保证预制混凝土构件的生产质量,使预制混凝土构件生产各环节处于有序的受控状态,促进预制混凝土构件在建设工程中的应用,制定本标准。
安装预埋工程施工质量控制标准1 范围2 职责3 安装预埋工程质量控制基本要求3.1 工程管理人员应熟悉国家、行业、地方相关标准(特别是强制性条文),必须事先对安装各专业施工图纸(给排水、电气、暖通、智能化、电梯)进行审核,对图纸中不符合标准、规范要求的应及时与设计人员沟通。
3.2 工程管理人员应掌握工程施工过程中容易出现的质量通病及防治措施,如:镀锌钢管焊接、一般钢套管代替防水钢套管、电气管路密集敷设等。
3.3 项目公司工程管理人员应加强现场巡查,抽查进场的电管、接线盒(开关、插座盒)、镀锌园钢及扁钢、防水钢套管等原材料的质量及质量保证文件,检查电管敷设及连接、避雷接地系统焊接、套管敷设的安装质量和混凝土浇筑时的保护措施。
3.4 埋入砼内的导管、盒(箱)及预埋板等预埋件,应在砼浇筑前埋设;埋入砖墙等砌体内的导管及预埋件宜在砌体施工时同步埋设。
3.5 预留孔、预埋件的位置、规格和尺寸应符合设计要求,预埋件应埋设牢固。
在砼浇筑前,应复核建筑工程施工图中标明的预留孔、预埋件的位置、规格和尺寸。
3.6 当预埋材料的型号或规格需作变更时,应执行设计变更流程。
3.7 浇筑混凝土之前,应进行安装预埋隐蔽工程验收,其内容包括:a)避雷接地系统的焊接是否牢固可靠;b)电气管路(含智能化专业)的型号、规格、敷设路线及点位是否符合图纸要求及满足规范规定,接地跨接是否良好可靠;c)各专业预留孔的部位是否符合图纸要求、套管敷设是否满足规范规定;d)安装各专业预埋隐蔽记录是否与施工现场实际情况相符。
4 安装预埋工程质量控制要点4.1 避雷接地系统施工质量控制要点4.1.1 用于避雷接地系统的镀锌园钢、镀锌扁钢、镀锌角钢必须是热镀锌件,品种规格应符合设计图及型材标准要求,具有材质检验证明书及出厂合格证。
4.1.2 施工前应熟知基础接地施工图中接地引上极的柱位号及设计要求,并与现场柱位图及配筋比对清楚。
14.1.3 避雷引上极选取柱内对角的2根≥φ16mm的钢筋,如<φ16mm,可选用四角的4根钢筋作避雷接地引上极;在柱底部桩基处,采用—40×4mm镀锌扁钢与接地引上极焊接,并引出建筑外墙不小于1.2m处,当接地电阻测试达不到设计要求时,此接地扁钢可用于增加人工接地网、降低接地电阻值。
2023年二级建造师之二建矿业工程实务精选试题及答案二单选题(共40题)1、岩浆岩一般被视为均质、各向同性体(除部分喷出岩),物理力学指标比较高,下列关于其基本特点的说法错误的是()。
A.深成岩一浅成岩一喷出岩之间的强度和抗风化能力形成从高到低排列B.岩浆岩体经过侵入或构造运动后形成复杂的岩体构造,并会形成较多的节理、裂隙,从而更易风化破坏C.岩浆岩根据成因分为火山岩和喷出岩D.岩浆岩的侵入常使周围岩性变坏,成为重要的软弱结构【答案】 C2、煤矿许用炸药的要求包括()。
A.炸药的爆热、爆温、爆压都要高一些B.炸药的起爆感度低,以保证安全爆破C.炸药的爆速要高D.炸药配比应接近零氧平衡【答案】 D3、深基坑支护水泥土粧应在施工后()进行开挖检查或采用钻孔取芯等手段检查成桩质量,若不符合设计要求应及时调整施工工艺。
A. 一周内B.十天内C.半月内D. 一月内【答案】 A4、某工程施工过程中遭受山体滑坡,事故给已建分部工程造成破坏,损失总计18万元人民币,应()。
A.由业主承担修复的经济责任B.由施工单位承担修复的经济责任C.由双方共同承担修复的经济责任D.根据合同判断修复的责任。
【答案】 A5、关于巷道施工采用混合式通风方式的正确说法是()。
A.混合式通风可有效保证巷道内风流主要为新鲜风流B.工作面只要布置一台风机即可实现混合式通风工作C.通风设备风筒可以选用柔性风筒,轻便、经济D.瓦斯巷道掘进时选用混合式通风方式效果好【答案】 A6、关于爆炸器材使用管理规定的说法,错误的是()。
A.严禁转借爆炸器材B.领取爆炸器材的数量不得超过当班用量C.领取、发放爆炸器材的原始记录应至少保存1年D.爆炸作业后剩余的爆炸器材必须当班清退回库【答案】 C7、矿业工程在颁发工程接受证书前的(),业主(监理工程师)可以发布变更指示或以要求承包商递交建议书的任何一种方式提出变更。
A. 1个月内B.半年内C. 1年内D.任何时间【答案】 D8、当采用爆破作业时,必须采用安全炸药和瞬发雷管,当采用毫秒雷管时,其总延期的时间必须少于()。
----预埋件工程作业指导书1、施工依据(1)混凝土结构工程施工质量验收规范GB50204-2002;(2)钢结构工程施工质量验收规范GB50205-2001;(3)火电施工质量检验及评定标准—土建工程篇1995-4-1);(4)钢结构加工相关操作规程;(5)建筑钢结构焊接技术规程JGJ81。
2、施工准备2.1材料及主要机具2.1.1材料按设计要求备料,一般包括钢板、型钢、钢筋,焊条等,原材料质量必须符合验收规范要求。
钢板、型钢材质为Q235钢;钢筋为Ⅰ级、Ⅱ级钢筋。
2.1.2主要机具a)钢筋加工设备:钢筋断料机、弯料机;b)砂轮锯、砂轮机(手提式和座式)、气割(1-2套)、调直机、摇臂钻床、手提钻机、弯管机;c)电焊机BX3-300(500)、埋弧焊机MZ2-1500、烘干箱(70℃~400℃)、钢卷尺、直尺。
d)剪板机(必要时)、滚压机(必要时)3施工作业条件3.1埋件制作业条件a)加工车间内生产,作业环境应有良好的防雨、干燥和通风排气、照明等条件;b)供电、供水、起重设备满足最大负荷要求,灭火器具满足要求;c)作业人员熟悉施工图和技术交底或作业指导书的要求;----d)从业人员持证上岗,并有效穿戴劳保用品;e) 机电设备、机具齐备、完好,计量器具检验合格有效。
3.2埋件安装作业条件a)作业人员熟识施工图和上级技术交底或作业指导书的要求;b)焊工持证上岗,作业人员有效穿戴安全防护用品;c)作业面安全防护设施齐全、稳固;d)机电设备、机具齐备、完好,计量器具检验合格有效。
4、工艺流程4.1埋件制作工艺流程:4.2埋件安装工艺流程:5、施工方法5.1埋件制作施工方法5.1.1号料:a)检查核对材料,清除原材料上的铁锈、油污;b)根据加工图尺寸要求在母材上实物放样,划出切割、弯曲、钻孔等加工位置,划线或打冲孔定位,形状复杂的预埋件应制作样板或比例模型定尺放样。
c)放样配料应尽可能节约材料和有利于切割和保证质量,加工精度要求较高的预埋件应考虑切割、气割和边缘加工的损失量。
标准允许结构偏差混凝土结构工程施工质量验收标准一、模板分项工程注检查中央线位置时,应沿纵、横两个方向量测,并取其中的较大值. 现浇结构模.注:检查轴线位置时,应沿纵、横两个方向量测,并取其中的较大值注:4.3 模板撤除主控工程说明:4.3.1由于过早拆模、混凝土强度缺乏而造成混凝土结构构件沉降变形、缺棱掉角、开裂、甚至塌陷的情况时有发生.为保证结构的平安和作用功能,提出了拆模时混凝土强度的要求.该强度通常反映为同条件养护混凝土试件的强度.考虑到悬臂构件更容易因混凝土强度缺乏而引发事故,对其拆模时的混凝土强度应从严要求.二、钢筋分项工程钢筋加工的允许偏差说明:5.3.4本条提出了钢筋加工形状、尺寸偏差的要求.其中,箍筋内净尺寸是新增工程,对保证受力钢筋和箍筋本身的受力性能都较为重要钢筋安装位置的允许偏差和检验方法注:1检查预埋件中央线位置时,应沿纵、横两个方向量测,并到其中的较大值;3表中梁类、板类构件上部纵向受力钢筋保护层厚度的合格点率应到达90%及以上,且不得有超过表中数值1.5倍的尺寸偏差.三.预应力分项工程束形限制点的竖向位置允许偏差件均不少于5束,每束不应少于5处.检验方法:钢尺检查.注:束形限制点的竖向位置偏差合格点率应到达90%及以上,且不得有超过表中数值1.5的尺寸偏差.四、混凝土分项工程五、现浇结构分项工程现浇结构尺寸偏差和检验方法注:检查轴线、中央线位置时,应沿纵、横两个方向量测,并取其中的较大值. 混凝土设备根底六、装配式结构工程预制构件尺寸的允许偏差及检验方法2检查中央线、螺栓和孔道位置时,应沿纵、横两个方向量测,并取其中的较大值;3对开头复杂或特殊要求的构件,其尺寸偏差应符合标准图基设计的要求.砌体工程施工质量验收标准一、根本规定放线尺寸的允许偏差砖砌体工程一般规定5.1.1本章适用于烧结普通砖、烧结多孔砖、混凝土多孔砖、煤灰砖体工程.5.1.2用于清水墙、柱外表的砖,应边角整洁,色泽均匀.5.1.3有冻胀环境和条件的地区,地面以下或防潮层以下的砌体,不宜采用多孔砖.主控工程拉结筋的种类:1、临时施工洞口拉结筋:数量每120mm墙厚放置1①6拉结筋,沿墙高不应超过500mm, 埋入长度不小于500mm,末端有90°弯钩.2、临时间断处拉结筋:数量每120mm墙厚放置1①6拉结筋,间距沿墙高不超过500mm,, 埋入长度不小于1000mm,末端有90°弯钩.3、框架填充墙拉结筋:沿墙高不应超过500mm设2①6拉结筋,埋入长度不小于墙长的1/5且不小于700mm,末端有90°弯钩.4、墙长大于5m时,墙顶与梁宜有拉结;当墙长超过层高2倍时,宜设置钢筋混凝土构造柱;当墙高超过4m时,墙体半高宜设置与柱连接且沿墙全长贯穿的钢筋混凝土水平系梁.5.2.5砖砌体的位置及垂直度允许偏差应符合表5.2.5的规定.砖砌体的位置及垂直度允许偏差般工程砖砌体一般尺寸允许偏差混凝土小型空心砌块砌体工程一般规定6.1.1本章适用于普通混凝土小型空心砌块和轻骨料混凝土小型空心砌块〔以下简称小砌块〕工程的施工质量验收.石砌体工程主控工程石砌体的轴线位置及垂直度允许偏差般工程1内外搭砌,上下错缝,拉结石、丁砌石交错设置;2毛石墙拉结石每0.7m2墙面不应少于1块.配筋砌体工程一般规定8.1.3设置在砌体水平灰缝中钢筋的锚固长度不宜小于50d,且其水平或垂直弯折段的长度不宜小于20d和150mm;钢筋的搭接长度不应小于55d.主控工程构造柱尺寸允许偏差般工程8.3.1设置在砌体水平灰缝内的钢筋防腐保护置于灰缝中.水平灰缝厚度应大于钢筋直径4mm以上.砌体外露面砂浆保护层的厚度不应小于15mm.填充墙砌体工程一般规定9.1.1本章适用于房屋建筑采用空心砖、蒸压加气混凝土砌块、轻骨料混凝土小型空心砌块等砌筑填充墙砌体的施工质量验收.一般工程填充墙砌体一般尺寸允许偏差填充墙砌体的砂浆饱满度及检验方法9.3.6填充墙砌体的灰缝厚度和宽度应正确.空心砖、轻骨料混凝土小型空心砌块的砌体灰缝应为8-12mm.蒸压加气混凝土砌块砌体的水平灰缝厚度及竖向灰缝宽度分别宜为15mm 和20mm 9.3.5填充墙砌筑时应错缝搭砌,蒸压加气混凝土砌块搭砌长度不应小于砌块长度的1/3;轻骨料混凝土小型空心砌块搭砌长度不应小于90mm;竖向通缝不应大于2皮.。
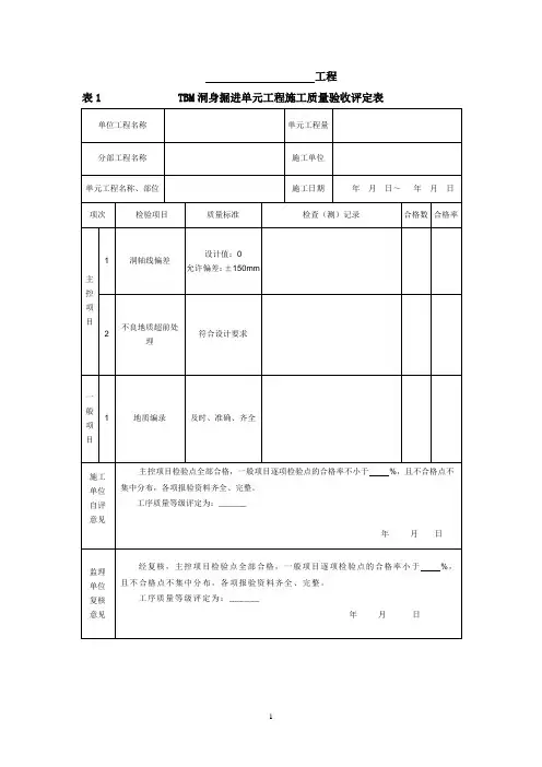
工程表1 TBM洞身掘进单元工程施工质量验收评定表表1 TBM洞身掘进单元工程施工质量验收评定表填表要求填表时必须遵守“填表基本规定”,并符合以下要求:1、单元工程划分:TBM掘进单元工程宜按照长度划分验收范围,以50~100环为一个单元工程。
2、单元工程量:本单元工程量TBM掘进土石方工程量(m3)。
3、检验(检查、检测)记录应真实、准确,检测结果中的数据为终检数据,并在施工单位自评意见栏中由终检负责人签字。
检测结果可以是实测值,也可以是偏差值,填写偏差值时必须附实测记录。
有允许偏差的,应均衡布置检测点,各检验项目的检验方法及检验数量按下表的要求执行。
4、单元工程施工质量验收评定应提交下列资料:(1)施工单位应提交单元工程中所含工序(检验项目)验收评定的检验资料,原材料与各项实体检验项目的检验记录资料。
(2)监理单位应提交对单元工程施工质量的平行检测资料。
5、单元工程质量标准(1)合格等级标准:主控项目,检验结果应全部符合验收评定标准。
一般项目,逐项应有70%及以上的检验点合格,且不合格点不应集中。
各项报验资料应齐全、完整。
(2)优良等级标准:主控项目,检验结果应全部符合验收评定标准。
一般项目,逐项应有90%及以上的检验点合格,且不合格点不应集中。
各项报验资料应齐全、完整。
工程表2 TBM预制混凝土管片单元工程施工质量验收评定表表2 TBM预制混凝土管片单元工程施工质量验收评定表填表要求填表时必须遵守“填表基本规定”,并符合以下要求:1、单元工程划分:TBM预制混凝土管片单元工程宜按照预制管片环数划分单元工程,以100~150环为一个单元工程。
2、单元工程量:本单元工程量TBM预制混凝土管片工程量(环或m3)。
3、 TBM预制混凝土管片单元宜划分为管片模具检查、钢筋笼制作及预埋件安装、预制混凝土管片外观3个工序。
其中钢筋笼制作及预埋件安装、预制混凝土管片外观为重要工序,用△标注。
本表在表2.1、表2.2、表2.3工序施工质量验收评定合格的基础上进行。
预埋件施工方案预埋件的检验1)预埋件到工地后首先检查是否有质量保证书。
a. 钢材保质书(钢板、钢筋)b. 镀锌质保书,镀锌厚度不得<45um。
2)检查外观质量,以及焊缝高度必须达到设计及规范要求,焊角没有咬边现象。
上述两点达到后报监理验收,验收通过后才可进行埋设。
预埋件的埋设预埋件埋设之前,首先进行技术交底,特别要说明转角位置埋件之间的相互关系,并填写技术交底表备案,认真审核并掌握埋件施工图。
根据埋件施工图埋件分布的情况,对埋件以主轴线右边起第一个埋件进行编号,从1至若干个进行埋设并以埋件检查表填写埋件埋设的情况。
上下、左右、前后将埋设的情况记录下来,埋件埋设后填写隐藏单并附检查表报监理验收。
预埋件埋设的要求1)埋件在埋设过程中,要以多轴线进行埋设,相对来说轴线之间的精确度足以满足埋件的几何尺寸,若以单轴线定位,丈量过程中尺寸误差会积累,造成预埋件的偏位。
2)预埋件在埋设过程中,一定要紧贴模板,上下、左右偏差到25mm影响不大,而前后倾斜将造成角码与埋件之间接触减少,施工难度加大。
采取措施,加垫铁块等均为点接触,受力将受影响。
除非采用楔型铁块,这样势必造成施工周期长、成本增加。
3)埋件埋设好以后,在浇捣砼时,需派专人进行看护,随时观察浇注时埋件的位置,并随时调整,要小心埋件。
埋件周边的砼一定浇捣密实,不得有缺陷。
因本工程属我司自行埋置埋板,主楼施工速度很快,要积极配合,提前做好准备,打好招呼,避免漏埋现象。
1.1.定位和测量放线施工方案1.1.1.准备工作1)熟悉图纸和有关资料。
2)掌握质量标准、熟练使用仪器。
3)检查测量仪器是否有年检合格证。
检查测量仪器的精度及有效性。
4)初拟弹线方案(进行会议讨论)。
5)总承包方基线、控制线、设置的情况,需配合交底签认。
6)清理出总承包方原弹各种基线,及时与相关方沟通。
1.1.2.进行技术交底和安全交底1)由设计人员对施工图进行交底(附技术交底记录)。
2)施工过程中安全交底。
编制说明
1工序质量控制点分为A(AR)、B(BR)、C(CR)三个等级,其中:
1)A(AR)级为最重要的质量控制点,由施工、监理和业主各方质检人员检查确认;
2) B(BR)级为重要的质量控制点,由施工、监理双方质检人员检查确认;
3) C(CR)级为一般质量控制点,由施工方质检人员检查确认;
4) 对各工序质量控制点进行检查时,施工单位均应首先提供必要的有关见证资料或自检记录。
对于必须由施工单位使用规定的表格格式提供施工记录或检(试)验报告的控制等级加R,如AR、BR、CR级。
建筑安装工程施工工序质量控制点表
工业安装工程施工工序质量控制点表
学习资料
仅供学习与参考。
混凝土工程填表说明1.本章表格适用于大中型水利水电工程混凝土工程的单元工程施工质量验收评定,小型水利水电工程可参照执行。
2.划分工序的单元工程,其施工质量验收评定在各工序验收评定合格和施工项目实体质量检验合格的基础上进行。
不划分工序的单元工程,其施工质量验收评定在单元工程中所包含的检验项目检验合格和施工项目实体质量检验合格的基础上进行。
3.工序施工质量具备下列条件后进行验收评定:①工序中所有施工项目(或施工内容)已完成,现场具备验收条件;②工序中所包含的施工质量检验项目经施工单位自检全部合格。
4.工序施工质量按下列程序进行验收评定:①施工单位首先对已经完成的工序施工质量按《水利水电工程单元工程施工质量验收评定标准——混凝土工程》(SL 632—2012)进行自检,并做好检验记录;②自检合格后,填写工序施工质量验收评定表,质量责任人履行相应签认手续后,向监理单位申请复核;③监理单位收到申请后,应在4h内进行复核。
5.监理复核包括下列内容:①核查施工.单位报验资料是否真实、齐全;②结合平行检测和跟踪检测结果等,复核工序施工质量检验项目是否符合SL 632—2012标准的要求,在工序施工质量验收评定表中填写复核记录,并签署工序施工质量评定意见,核定工序施工质量等级,相关责任人履行相应签认手续。
6.单元工程施工质量具备下列条件后验收评定:①单元工程所含工序(或所有施工项目)已完成,施工现场具备验收条件;②已完工序施工质量经验收评定全部合格,有关质量缺陷已处理完毕或有监理单位批准的处理意见。
7.单元工程施工质量按下列程序进行验收评定:①施工单位首先对已经完成的单元工程施工质量进行自检,并填写检验记录;②自检合格后,填写单元工程施工质量验收评定表,向监理单位申请复核;③监理单位收到申报后,应在一个工作日内进行复核。
8.监理复核包括下列内容:①核查施工单位报验资料是否真实、齐全;②对照施工图纸及施工技术要求,结合平行检测和跟踪检测结果等,复核单元工程质量是否达到SL 632—2012的要求;③检查已完单元工程遗留问题的处理情况,在单元工程施工质量验收评定表中填写复核记录,并签署单元工程施工质量评定意见,核定单元工程施工质量等级,相关责任人履行相应签认手续;④对验收中发现的问题提出处理意见。
1. 入渗池塘的入渗面积应按以下哪个公式计算:A.水平投影面积+侧壁面积B.水平投影面积+侧壁面积/2C.水平投影面积+侧壁面积*2D.水平投影面积正确答案:B 您的答案:B2. 2014年11月,住房和城乡建设部出台了《海绵城市建设技术指南》,12月,住建部、财政部、水利部三部委联合启动了全国首批海绵城市建设试点城市申报工作。
2015年4月,从130多个申请城市中选出试点城市()座。
A.13.0B.14.0C.15.0D.16.0正确答案:D 您的答案:D3. 装配整体式混凝土结构由预制混凝土构件或部件通过各种可靠的方式进行连接,并与现场浇筑的混凝土形成整体的混凝土结构,其期望的效果是什么?()A.使装配式混凝土结构比现浇混凝土结构有更低的成本B.使装配式混凝土结构比现浇混凝土结构有更高的效率C.使装配式混凝土结构比现浇混凝土结构更加节省能源和有利于环境的保护D.使装配式混凝土结构具有与现浇混凝土结构完全等同的整体性、稳定性和延性正确答案:D 您的答案:D4. 在PC工法中柱筋采用( )方式进行连接。
A.焊接B.浆锚套筒C.绑扎连接D.机械连接正确答案:B 您的答案:B5. 建筑设计时选定结构形式,等于基本确定了“原材料和机械成本”,对“劳动成本”起决定作用的是()。
A.工人的数量B.机械的先进程度C.工期的长短D.技术路线和工法正确答案:D 您的答案:D6. ( ),国家计委、城乡建设环境保护部联合下发了《建设工程招标投标暂行规定》,倡导实行建设工程招投标,我国由此开始推行招投标制度。
A.1991年B.1992年C.2000年D.1984年正确答案:D 您的答案:D7. 各省市、自治区关于建筑工业化的政策中,出台了针对装配式建筑的奖励、补贴政策并且提出以土地源头实行“两个强制比率”的是()。
A. 上海B.安徽C.江苏D.山东正确答案:A 您的答案:A8. 20世纪70~80年代北京16层高层大板住宅研究工作中有一项是考虑到高层建筑在地震力作用下的()加强了屋顶结构的整体连接。
工程质量验收标准(总119页) -CAL-FENGHAI.-(YICAI)-Company One1-CAL-本页仅作为文档封面,使用请直接删除目录一、构件式幕墙...................................... 错误!未定义书签。
二、单元幕墙........................................ 错误!未定义书签。
三、半单元幕墙验收标准.............................. 错误!未定义书签。
四、独立单元幕墙验收标准............................ 错误!未定义书签。
五、全玻璃幕墙检查、验收标准........................ 错误!未定义书签。
六、双层单元幕墙验收标准............................ 错误!未定义书签。
七、金属幕墙验收标准................................ 错误!未定义书签。
八、点支式玻璃幕墙检查、验收标准.................... 错误!未定义书签。
九、人造板材幕墙检查,验收标准...................... 错误!未定义书签。
十、石材幕墙检查,验收标准.......................... 错误!未定义书签。
十一、幕墙门窗检查、验收标准........................ 错误!未定义书签。
十二、雨蓬检查验收标准.............................. 错误!未定义书签。
十三、门头检查、验收标准............................ 错误!未定义书签。
十四、采光顶检查、验收标准.......................... 错误!未定义书签。
十五、封修检查验收标准.............................. 错误!未定义书签。
幕墙试验及检验一、幕墙试验内容,要求及时间安排××楼玻璃幕墙,按照合同要求,在××幕墙检测和研究中心进行,计划试验在×年×月×旬进行,×月×旬进行试验件安装,×月×旬完成试验件制作和试验前的一切准备工作,现就试验内容要求列述如下:试验内容和要求按中华人民共和国行业标准《玻璃幕墙工程技术规范》JGJ102-96中的有关规定执行。
该工程幕墙试验件的检测项目为风压变形性能,雨水渗漏性能,空气渗透性能和平面内变形性能四项。
1、风压变性能检测:风荷载标准值 2.1kPa风荷载设计值 3. 0kPa风荷载标准值 2. 1kPa作用下,竖挺之变形量不大于 19. 4mm。
2、雨水渗漏性能检测:幕墙不可开启部分的雨水渗漏压力为≥940Pa,可开启部分的雨水渗漏压力为≥250Pa。
3、空气渗透性能检测:幕墙的空气渗透性能应在 10Pa的内外压力差下,其不可开启部分的空气渗透量不应大于10m3/m·h;可开启部分的空气渗透量不应大于 2 5m3/m·h4 平面内变形性能检测:平面内变形性能要求为±17 .5mm,达到此变形时,幕墙玻璃,铝板没有损坏,恢复后,开启部分仍可正常开启。
二、试验计划1、序言1.1 本计划书详述有关由北京江河幕墙装饰工程有限公司承建的××楼的玻璃幕墙试验规范及方法。
1.2 为确保以上的幕墙工程能符合设计性能的要求,特作以下的试验:a 空气渗透性能测试b 雨水渗漏性能测试 - (稳定加压)c 抗风压性能测试 - (稳定加压)d 抗震性能测试2 .有关试验的安排2.1 试验地点:本试验将于××建筑幕墙测试及研究有限公司的试验场地进行。
2.2 有关试验样板的装造及安装将由北京江河幕墙装饰工程有限公司负责。
2.3 ××幕墙顾问及试验有限公司,将负责主持模拟试验及编制实验报告。
干挂花岗岩的施工方法方法一:1.干挂花岗石幕墙制作安装包括如下主要工序:花岗石板材加工(切割。
磨光或抛光。
倒棱倒角.开槽.拓孔),花岗石幕墙预埋件安装,花岗石幕墙龙骨安装,花岗石幕墙防雷装置安装,花岗石幕墙防火带安装,花岗石幕墙板材安装,注密封胶.2。
工艺操作流程:施工准备→检查验收石材板块→将板块按顺序堆放→初安装→加固→验收.3。
基本操作说明:(1)。
施工准备,由于板块安装是整个幕墙安装中最后的成品环节.在施工前要做好充分的准备工作。
准备工作包括人员准备。
材料机具准备。
施工现场准备.在安排计划时首先根据实际情况及工程进度计划要求排好人员.一般情况下每组安排生产3—6人。
安排时要注意新老搭配.保证正常施工及老带新的原则。
材料工器具准备是否充分.要检查施工工作面的板块是否到场。
是否有没有到场或损坏的板块.另外要检查扣件。
石材胶等材料及易耗品是否满足使用。
施工现场准备要在施工段留有足够的场所满足安装需要.同时要对排栅进行清理并调整排栅满足安装要求.(2).检查验收石材板块,检查的内容有:A。
规格数量是否正确,B。
各层间是否有错位,C.堆放是否安全.可靠,D.是否有误差超过标准的板块,E.是否有色差超过标准的板块,F.是否有已经损坏的板块,验收的内容有:A。
三维误差是否在控制范围内,B.是否有损伤.该更换的要更换,C.胶是否有异常现象,D。
抽样做结构胶粘接测试,检查验收要做好详细的记录并装订成册签注参加验收检查人员名单.4。
石材板块按安装顺序规格堆放:在安装板块前要按安装顺序进行堆放。
堆放时要适当倾斜。
以免板块倾覆.5.初安装:(1).吊幕墙平面基准线幕墙龙骨安装调整完毕后.自石材幕墙顶部吊幕墙纵向平面线。
此平面线一般选在幕墙平面右侧转角位置.吊线要综合考虑花岗石幕墙与其他种类幕墙的配合。
同时要考虑石材幕墙本身平面的调节能力。
每个平面的转角均应吊竖直线。
(2)。
拉水平线根据设计及施工实际情况确定石材幕墙的底边位置.在两条竖直线之间拉一条水平线.水平线和竖直线确定幕墙平面.(3).装石材板块A。
规范允许结构偏差混凝土结构工程施工质量验收规范一、模板分项工程预埋件和预留孔洞的允许偏差注:检查中心线位置时,应沿纵、横两个方向量测,并取其中的较大值。
现浇结构模板安装的允许偏差及检验方法注:检查轴线位置时,应沿纵、横两个方向量测,并取其中的较大值。
预制构件模板安装的允许偏差及检验方法注:l为构件长度(mm)。
4.3 模板拆除主控项目底模拆除时的混凝土强度要求说明:4.3.1 由于过早拆模、混凝土强度不足而造成混凝土结构构件沉降变形、缺棱掉角、开裂、甚至塌陷的情况时有发生。
为保证结构的安全和作用功能,提出了拆模时混凝土强度的要求。
该强度通常反映为同条件养护混凝土试件的强度。
考虑到悬臂构件更容易因混凝土强度不足而引发事故,对其拆模时的混凝土强度应从严要求。
二、钢筋分项工程钢筋加工的允许偏差说明:5.3.4 本条提出了钢筋加工形状、尺寸偏差的要求。
其中,箍筋内净尺寸是新增项目,对保证受力钢筋和箍筋本身的受力性能都较为重要钢筋安装位置的允许偏差和检验方法注:1 检查预埋件中心线位置时,应沿纵、横两个方向量测,并到其中的较大值;3表中梁类、板类构件上部纵向受力钢筋保护层厚度的合格点率应达到90%及以上,且不得有超过表中数值1.5倍的尺寸偏差。
三. 预应力分项工程束形控制点的竖向位置允许偏差检查数量:在同一检验批内,抽查各类型构件中预应力筋总数的5%,且对各类型构件均不少于5束,每束不应少于5处。
检验方法:钢尺检查。
注:束形控制点的竖向位置偏差合格点率应达到90%及以上,且不得有超过表中数值1.5的尺寸偏差。
四、混凝土分项工程混凝土试件尺寸及强度的尺寸换算系数注:对强度等级为C60及以上的混凝土试件,其强度的尺寸换算系数可通过试验确定。
五、现浇结构分项工程现浇结构尺寸偏差和检验方法注:检查轴线、中心线位置时,应沿纵、横两个方向量测,并取其中的较大值。
混凝土设备基础尺寸允许偏差和检验方法注:检查坐标、中心线位置时,应沿纵、横两个方向量测,并取其中的较大值。
金属幕墙质量标准规范1、现场材料检验(1)一般规定1)材料现场的检验,应将同一厂家生产的同一型号、规格。
批号的材料作为一个检验批,每批应随机抽取3%且不少于5件。
2)金属幕墙工程中所用的材料除应符合本标准的规定外,尚应符合国家现行的有关产品标准的有关规定。
(2)铝合金型材金属幕墙工程使用的铝合金型材,应进行壁厚、膜厚、硬度和表面质量的检验。
1)主控项目(A)型材壁厚的检验,应采用分辨率为0.5mm的游标卡尺或分辨率为0.1mm的金属测厚仪在杆件同一截面的不同部位测量,测点不应少于5个,取最小值,用于横梁、立柱等主要受力杆件的截面受力部位壁厚实测值不得少于3mm。
(B)检验膜厚,应采用分辨率为0.5/的膜厚检测仪检测。
每个杆件在装饰面不同部位的测点不少干5个,同一测点应测量5次,取平均值,修约整数。
铝合金型材膜厚的检验指标,应符合下列规定:①阳极氧化膜最小平均膜厚不应小于15,最小膜厚不应小于12。
②粉未静电喷涂层厚度平均值不应小于60,其局部厚度不应大于120,且不应小于40。
③电泳涂漆复合膜局部膜厚不应小于21。
④氟碳喷涂层平均厚度不应小于30。
最小局部厚度不应小于25。
(C)硬度的检验,应采用韦氏硬度计测量型材表面硬度,测量前,型材表面的涂层应清洁干净,测点不应少于3个,并应以至少3点的测值取平均值,修约0.5个单位值。
2)一般项目型材表面质量的检验,应在自然散射光条件下目测检查,并应符合下列规定:①型材表面应清洁,色泽应均匀。
②型材表面不应有皱纹、裂纹、起皮、腐蚀斑点、气泡、划伤、擦伤、电的伤、流痕、发粘以及膜(涂)层脱落、毛刺等缺陷存在。
3)质量保证资料(A)型材产品合格证、年限质量保证书。
(B)型材的力学性能检验报告。
(3)钢材金属幕墙工程所使用的钢材,应现场进行厚度、长度、膜厚和表面质量的检验。
1)主控项目(A)钢材厚度的检验,应采用分辨率为0.5mm的游标卡尺或分辨率为0.1mm的金属测厚仪在杆件同一截面的不同部位测量,测点不应少于5个并取最小值。
预埋件施工方案一、编制依据:《建筑施工手册》《建筑施工工艺标准》《电力建设施工、验收及质量验评标准汇编》业主提供的预埋铁件图集各部位结构施工图、建筑施工图二、编制目的:本工程预埋件数量大、种类多,加工质量要求高,预埋安装位置要求精确,加工制作和预埋安装都比较困难。
因此,结合现场施工情况编制此方案,提出各项技术措施,以指导施工,达到保质保量的完成预埋件的加工制作和安装的目的。
三、加工前准备:1、材料准备:预埋件主要使用材料有: 8~16mm 厚 Q235B 钢板,直径 10~25mm 螺纹钢,业主提供的预埋螺栓、钢构件, E43XX 、E50XX 型焊条等。
钢材进场应对钢材进行全面检查,钢材必须具备出厂牌号、同一炉罐号及供货商提供的详细实验资料。
钢板表面不得有裂纹、拉裂、气泡、折叠、夹杂、结疤和压入氧化铁皮,钢板不得有分层。
钢板表面不允许有妨碍检查表面缺陷的薄层氧化铁皮或铁锈及凹凸度不大于钢板厚度公差之半的麻点、凹面、划痕及其它局部缺陷,且应保证钢板允许的最小厚度。
焊条需有供货商提供的性能资料,严禁使用药皮脱落或焊芯生锈的焊条、受潮结块或已熔烧过的焊剂及生锈的焊丝。
螺纹钢的入场要求同钢筋工程施工方案中的要求,详细见主厂房钢筋工程施工方案。
钢材除需要进场检查外,还需实验室对钢材各方面性能进行取样实验。
钢板一般需进行焊接实验、摩擦面的抗滑移系数实验、工艺性实验等。
实验完成后实验员需将实验数据资料送检,合格后将资料发给铁件加工主管,铁件加工主管凭实验资料进行预埋件加工,严禁使用未经实验检测的钢材加工预埋件。
2、人员准备:预埋件加工人员需持有特殊工种(焊工)上岗证,有一定的铁件加工经验,入场后经培训一周,熟悉预埋件加工的各项技术、操作要求后方可进行埋件的加工制作。
由于预埋件加工工程量较大,因此加工人员人数需配备足够,避免因埋件加工缓慢而影响现场主体施工进度。
3、机具准备:页脚内容1规格额定容量 100kVA钢筋成型设备1.对焊机出厂日期2000.12型号UN1-10数量1 台4、 技术准备施工人员、安装、质检人员要熟悉图纸,对埋件数量、位置进行统计,并画出加工详图 。
预埋件安装质量检查记录
表B.2 工程编号:06-057-00-0400-03-01-01
单位(子单位)工程名称2号冷却塔
分部(子分部)
工程名称
零米平台
分项工程名称钢筋验收部位零米平台预埋件
施工单位中国能源建设集团山西电建四公司项目经理苏永红
施工执行标准名称及编号电力建设施工质量验收及评定规程:土建工程(DL/T5210.1-2005)
专业工长
(施工员)
舒欣
分包单位分包项目经理施工班组长葛怿星
施工质量验收规范的规定
施工单位自检记录监理(建设)单位验收记录
类别序
号
检查项目质量标准单位
一般项目1 预埋件
中心位移≤3 mm
与模板的间隙紧贴
相邻预埋件高差≤4或(1.5)a mm
水平偏差≤2 mm
标高偏差+2~-10mm 2 预埋螺栓
中心位移≤2 mm
垂直偏差≤5 mm
标高偏差+10~+5mm 3 预埋管
中心位移≤3 mm 水平或垂直偏差≤5 mm
a 括号内数字为支撑盘柜设备预埋件安装允许偏差。
施工单位检查结果主控项目经抽样检查合格,一般项目经抽样检查合格,其中允许偏差的项目,每项均80%及以上的检查点符合要求。
项目专业质量检查员:项目专业技术负责人:年月日
监理(建设)单
位
验收结论
专业监理工程师:
(建设单位项目专业技术负责人)年月日。