避雷器测试仪的性能介绍
- 格式:doc
- 大小:84.00 KB
- 文档页数:4
SAT-212氧化锌避雷器带电测试仪使用说明书SAT-212氧化锌避雷器带电测试仪以先进的微型计算机为控制部件,全智能操作,具有抗干扰能力强,测量准确可靠等优点,是现场和实验室检测氧化锌避雷器各项相关电气参数的理想测试仪器。
使用仪器前,请仔细阅读本说明书,以免造成不必要的损失。
一、仪器特点1)本机采用大屏幕液晶显示,全汉字菜单操作,使用简便;2)高精度采样、处理电路,先进的付里叶谐波分析技术,确保数据的可靠性;3)参考电压输入端有O.1A保险管,在仪器内部还有隔离互感器,将仪器与现场PT彻底隔离,双重保险确保PT安全;4)具有阻性电流基波峰值输出、边相校正等功能;5)仪器配有可充电电池、日历时钟、微型打印机,能存储210组测量数据;6)配有RS-232通信接口,可将数据上传至计算机进行处理。
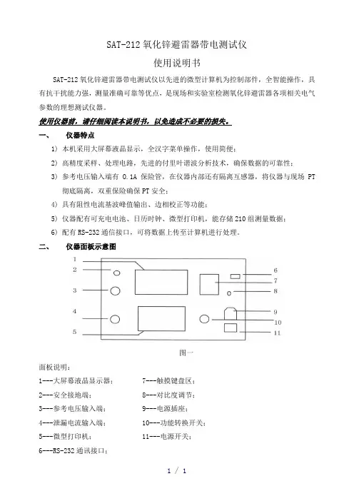
二、仪器面板示意图图一面板说明:1---大屏幕液晶显示器; 7---触摸键盘区;2---安全接地端; 8---对比度调节;3---参考电压输入端; 9---电源插座;4---泄漏电流输入端; 10---功能转换开关;5---微型打印机; 11---电源开关;6---RS-232通讯接口;三、主要技术参数参考电压输入范围(峰值): 10-300V全泄漏电流测量范围(峰值): O-10mA系统测量准确度:±(读数×3%+1个字)交流电源:AC 220V±10%,50Hz±1%内部电池连续工作时间: 3小时以上内部电池充电时间: 6小时以上仪器尺寸:34cm×22cm×20cm仪器重量: 5kg(不含电缆箱)四、使用方法1.现场带电(户外)检测:如果是现场带电检测,按图二所示方式接线。
开机前将仪器的地线与现场地线接好,电压互感器的二次侧信号接仪器的“参考电压输入”端子,红夹子接正端,黑夹子接中性点;由避雷器计数器两端取出的信号接仪器的“泄漏电流输入”端,红夹子接计数器上端,黑夹子接地。
JS-II避雷放电计数器检测仪一、适用范围1、本仪器适用于阀型避雷器(包括炭化硅普通阀型(FZ和FS),炭化硅磁吹阀型(FCZ和FCD)及氧化锌避雷器中放电记录器放电动作的检查和校验。
该仪器符合中华人民共和国电力行业标准DL474.5-92“现场绝缘试验实施导则一避雷器试验”标准的要求,适用于在发电厂、变电所现场及修理车间、试验室等到条件下的试验用。
2、仪器能在下列条件下正常工作环境温度:-10℃~50℃环境湿度:40℃(20~90)%RH大气压强:86~106KPA二、主要技术数据放电试验电压:在于2KV充电时间:小于1分钟输出冲击电流波形:8/20uS,输出电流:≥100A仪器的供电电源:AC220±10%50HZ消耗功率小于30V A仪器尺寸:300×220×180(mm)仪器重量:6K三、仪器的使用(a)仪器操作机构位置和作用:见图1图1 面板布位图1-电源插座(代熔断器)2-电源开关3-合闸按键4-分闸按键5-放电检测按键6-合闸状态指示类7-分闸状态指示灯8-放电检测指示灯9-电压表10-输出插座11-按地装置(b)仪器的使用1)仪器在使用之前,操作者应先仔细阅读使用说明书,熟悉仪器各种操作机构的布局和作用。
每次使用前,仪器电源开关均应置于断开位置。
2)将仪器的输出端用联接线与被检避雷器的放电记录器的输入端相连。
3)供电电源核对无误后,将仪器电源线接入。
4)接通仪器的电源开关,电源指示灯亮,此时分闸指示灯亮,仪器处于分闸状态。
5)按合闸按钮后,合闸灯亮,仪器开始充电工作,电压表指示开始上升;待电压表指示数值大于2.0KV值时,即可按下放电检测按钮,观察和记录放电记录器的动作情况,每按支一次,记录器动作一次,放电检测后,充电回路能自动进行充电。
6)放电记录器计数试验检测完毕后,按动分闸按钮,合闸灯灭,分闸灯亮,此时仪器充电回路停止工作。
试验结束,待输出电压完全零时关断电源开关才能拆除接线。
一、概述本仪器主要用于对电力系统中广泛使用的6、10kV氧化锌避雷器的直流参数进行测试,具有接线简单,体积小,重量轻,便于携带的特点。
二、主要特征1、采用自动控制原理对1mA电流和0.75倍直流参考电压进行精密闭环调整,从而获得稳定的1mA电流时的直流参考电压和0.75倍直流参考电压下的泄漏电流。
2、采用微电脑控制测量过程,将繁杂的手动调节过程自动化,只需要一个按钮就可以自动地测量氧化锌避雷器1mA时的直流参考电压和0.75倍直流参考电压时的泄漏电流,整个过程只需几秒,十分适合批量测试。
3、完善的保护措施,确保操作人员的人身安全。
只在测量过程中有高压输出,测量完成后自动切断高压输出。
4、采用带夜视背光灯的液晶显示器,在各种光线条件下均可以清晰观察测量数据。
三、技术参数最高输出电压:30kV最大输出电流:1.2mA最大输出功率:36W最大脉动系数:0.5%电压测量精度:±0.5%±5个字0.75倍电压精度:1%电流测量精度:±0.5%±5个字使用环境:温度25 ±10℃体积重量:ABS工程塑料箱320 ×140 ×140mm3,4kg 四、使用说明1、面板示意图“高压输出”:通过专用高压连接线接避雷器高压端;“”接避雷器下端;“电源开关”:仪器电源开关。
“电源插座”:接AC220V电源。
“测试”键:测试时用。
“复位”键:测试结束后,使程序复位,准备下一次测量;“显示屏”:显示被测避雷器的直流参数及测试结果。
2、操作说明:(1)准备:将仪器高压输出端通过专用高压线接避雷器高压端,避雷器应放在绝缘性能良好的支架上,然后,将仪器的“”端接避雷器的下端,并且避雷器下端可靠接地,如下图示:(2)接线无误后,接通仪器电源,显示如下图所示测试界面,(2) 按“测试”键不放直到I=1000µA ±10µA ,且基本稳时,松开按键,此时仪器显示如下所示:此时显示器会自动完成0.75倍参考电压时的泄漏电流的测量,测量结果如下图所示:五、注意事项1、必需确保避雷器接触良好才能开始测量。
防雷元件测试仪的介绍及使用方法防雷元件测试仪是一种用来测试防雷元件(如避雷针、避雷网等)工作状态和性能的专用仪器。
它能够检测元件的放电能力、引导能力和接地能力等重要指标,确保防雷装置的有效工作。
本文将介绍防雷元件测试仪的原理、主要功能和使用方法。
一、防雷元件测试仪的原理1.电涌波法:这种测试方法通过模拟雷击引起的电涌波,向防雷元件注入高电压的电流。
在测试中,测试仪会产生特定波形的电压,然后通过元件进行放电和击穿测试。
通过检测放电波形和波幅,可以评估防雷元件是否能够有效抵御雷击。
2.电流作用法:这种测试方法是将测试仪输出的电流注入到元件中,在预定时间内进行测试。
测试仪通过检测测试电流和元件导通电流之间的差异,来评估防雷元件的导通能力。
二、防雷元件测试仪的主要功能1.高压输出:测试仪可以提供一定的高电压输出,以进行放电和击穿测试。
输出电压一般可调节,以适应不同元件的测试需求。
2.波形检测:测试仪可以监测放电波形和波幅,并通过显示屏或其他输出方式展示测试结果。
这些信息可以帮助用户评估元件的放电能力。
3.时间控制:测试仪可以设定测试时间,以确保测试过程的稳定和可重复性。
4.数据记录:测试仪通常具有数据记录功能,可以将测试结果保存下来,方便后续数据分析和比较。
5.报警提示:测试仪通常会设有报警功能,当测试结果超出预设的范围时,会发出警报提示用户。
6.多种测试模式:测试仪通常具有不同的测试模式,可根据不同的防雷元件类型选择适用的测试模式。
三、防雷元件测试仪的使用方法使用防雷元件测试仪进行测试时,需要按照以下步骤进行:1.准备工作:首先,确认测试仪的电源已连接,并处于正常工作状态。
然后连接测试仪和防雷元件,确保连接线路良好。
2.参数设定:根据实际需求,设定测试仪的测试参数,包括输出电压、测试时间等。
根据元件类型选择相应的测试模式。
3.开始测试:确认参数设定无误后,点击“开始测试”按钮,测试仪将开始向防雷元件注入电流。
PH2803避雷器特性测试仪PH2803氧化锌避雷器特性测试仪是用于现场和实验室检测避雷器各项相关电气参数的专用仪器,广泛应用于氧化锌避雷器的现场在线监测(带电测试)和实验室(停电检测)的测试中。
符合中华人民共和国电力行业标准《DL474.5-92现场绝缘试验实施导则—避雷器试验》的要求。
氧化锌避雷器测试仪采用微电脑进行采样、控制等先进技术,可测量氧化锌避雷器在工频电压下的全电流、三次谐波、阻性电流、阻性电流峰值、容性电流、有功功率等。
并显示电压、电流的波形及打印输出。
采用大屏幕液晶显示,汉字菜单提示操作,使人机交换功能更强。
同时,提供现场的接线显示。
仪器具有接线简单、测量精度高、可靠性强等特点。
氧化锌避雷器特性测试仪是用于现场和实验室检测避雷器各项相关电气参数的专用测试仪器。
氧化锌避雷器特性测试仪以先进的微型计算机为控制及运算核心,采用精确的数学模型,充分考虑了外界对仪器测量的干扰,软件自身测量准确可靠。
氧化锌避雷器特性测试仪由于采用了特制的微弱信号传感器,与被测的避雷器进行了完全隔离,保证了仪器与使用者的自身安全。
仪器采用大屏幕液晶显示器,可提供充分的文字提示,使人机对话更便捷,同时提供现场的接线显示,仪器提供的背光功能使其在室外显示依然清晰,使用更简便氧化锌避雷器主要由氧化锌电阻片、压力释放装置、瓷套等组成。
氧化锌电阻片以氧化锌为主体,添加少量其它金属氧化物,在100℃以上的高温下烧结而成的电阻。
不同额定电压等级的避雷器选用不同形状的若干电阻片,组装时将电阻片在瓷套内叠置而成,结构简单方便。
每个电阻片上下端喷涂金属层,侧面涂以绝缘釉。
1. 本机采用大屏幕液晶显示,全汉字菜单操作,使用简便;2. 多种测量方式,可用PT二次法、实验室测量法、在线电流法等测量方法;3. 高精度采样、处理电路,先进的付里叶谐波分析技术,确保数据的可靠性;4. 参考电压输入端有0.1A保险管,在仪器内部还有隔离互感器,将仪器与现场PT彻底隔离,双重保险确保PT安全;5. 具有阻性电流基波峰值输出、基波电流与基波电压间夹角等参数,输出参数稳定,易于判断避雷器的好坏;6. 具有边相校正功能,可消除现场带电测试的干扰;7. 仪器自带可充电电池,不用220V交流电可连续工作3小时以上;8. 有日历时钟、微型打印机;9. 能存储1024组测量数据;10. 配有RS-232通信接口,可将数据上传至计算机进行处理。
防雷元件测试仪的介绍及使用方法Document serial number【UU89WT-UU98YT-UU8CB-UUUT-UUT108】防雷元件测试仪的介绍及使用方法1. 适用于氧化锌避雷器(压敏电阻),金属陶瓷二、三电极放电管、真空避雷管等过压防护元件直流参数的测量。
也可作稳压、恒流电源, 使用于其它方面。
2.具有高压短路保护、过流保护、高压预置、量程调节等功能,高压自泄放时间小于秒。
3.具有自检功能。
4.测量数据由三位半LCD 数字显示,准确度高、可靠性好。
5.测量时,可以预先设定量程,并在测量过程中对超量程测试发出声响提示,适用于器件分组和检验判别。
6.选择连续测量,可以对批量试品进行不间断测试。
7.面板功能简单,易于操作。
8.重量轻,便于携带。
1. 压敏电阻测量技术指标测量范围工作误差测试条件起始动作电压U1mA 0~1700V ≤±2%±1d 1mA±5μA漏电流 0~μA ≤±2μA±1d2. 放电管测量技术指标测量范围工作误差测试条件直流击穿电Vsdc 20~1700V ≤±2%±1d电压上升速率100V/S±10%3. 其它指标绝缘电阻:6MΩ(500V)耐压: 50HZ 1min工作温度和湿度:0~+40℃,≤85%RH储存温度和湿度:-10℃~+50℃,≤90%RH电源:DC12V 专用电源功耗:8W仪器尺寸:208×190×78mm重量:≤1kg1.压敏电阻测试“压敏电阻/放电管”选择开关置高位(压敏电阻), “单次/连续”开关置高位(单次),按所述接入被试品。
按下“高压启停”键,开启高压后按下“测试”键,显示屏立即显示的是被测压敏电阻的击穿电压(U1mA),单位为“V”,约2 秒钟后显示屏自动显示漏电流(),单位为“μA”,绿色指示灯随漏流显示同步点亮,持续约2秒后自行消失。
FS3012避雷器计数器测试仪概述:避雷器计数器测试仪是检测雷击动作次数的一种装置。
计数器动作的可靠性对于电力系统非常重要,它是记录避雷器在正常运行中受到雷击次数统计的一个重要参数。
它能为电力系统的工作人员提供有针对性对避雷器进行检验的重要依据。
工作原理仪器由微电脑、液晶、高压储能电容和切换继电器等组成。
高压模块产生1000V以上的高压,并储存在高压储能电容里,由微电脑控制切换继电器把电容中的电能输出到计数器,产生大于100A(8/20μs)的冲击电流作用于雷击计数器使其动作计数产品特点1、仪器电路高度集成化,外观小巧便于携带,主机仅重900克,是同类产品中最轻的。
2、仪器选用液晶显示,显示界面友好直观,操作极为简便。
3、测试高度自动化,按一个键即可自动对计数器测试10次。
4、仪器内置大容量锂电池,充一次电可以连续使用10小时以上。
5、标配专用耐高压测试线夹,保证操作人员安全。
6、仪器尺寸重量:7、尺寸:222×113×808、重量:0.9kg(主机),1.55kg(包装重量)使用说明1.充电在使用前先对仪器充电,充电时将专用充电器的电源插头插入仪器的充电孔,电池未充满时充电器状态指示灯为红色,充满电后指示灯为绿色,如充电器输出短路,则指示灯为红绿交替闪烁,此时请检查电源插头是否短路,直到故障排除。
仪器正常充电时间为2个小时到3个小时。
建议在充电指示灯变绿后再充电半小时,以保证仪器有足够的电量及使用时间。
2.测试1)将仪器输出端与避雷器计数器两端用专用测试线相连,红色端接上端,黑色端接地端。
2)确认接线无误后,按一下面板上的电源开关,欢迎界面过后即进入测试界面,可开始检测。
3)按下启动键,开始检测,可以看到液晶屏上的检测次数从1开始依次增加,直到第十次后自动停止检测。
4)观察计数器动作计数是否计数10次。
如果正好动作计数10次,说明该计数器工作正常,否则就有故障。
5)测试完成后关闭测试仪电源,拆除测试接线。
FS3012避雷器动作计数器测试仪
一、详细介绍
FS3012在输变电设备中,避雷器是较为昂贵的大型设备,避雷器动作计数器起着监测避雷器泄漏电流和用作雷击次数统计的作用。
避雷器泄漏电流的大小直接反映的性能好坏,工作人员一般都将泄漏电流值当作避雷器是否正常工作的重要依据。
另外,每当雷雨季节来临之前,工作人员都要测试动作计数器能否可靠动作。
因此,现场工作人员迫切需要一种能测能检验动作计数器可靠性的实用仪器。
避雷器现场动作计数器检验仪正好能很好解决这一难题。
二、基本原理和结构
本测试仪内置一个电状态校验雷击计数器的原理是放电棒产生一个直流高压,瞬间加在氧化锌避雷器泄漏电流表两端,模拟发生雷击时的状态,即可检验雷击计数器的动作可靠性。
避雷器现场动作计数器检验仪采用便携式铝合金箱体结构,放电棒放置在同一个箱体内,携带和操作都十分方便。
三、技术指标
☆ 输入电压:220±10%,50±0.5Hz
☆ 输出电流:8/20μs 、100A 的冲击电流
☆ 输出电压:0~1200V
☆ 仪器重量:5kg
四、 仪器别称
避雷器放电计数器测试仪,避雷器动作计数器测试仪。
目录一、产品概述 1二、技术特点 1二、技术参数 2四、仪器面板 3五、操作方式 3六、仪器操作步骤 9七、测量原理 12八、测试数据说明 14九、常见故障分析 15十、注意事项 15JTBL-V 氧化锌避雷器测试仪一、产品概述JTBL-V型氧化锌避雷器测试仪是用于检测氧化锌避雷器电气性能的专用仪器,该仪器适用于各种电压等级的氧化锌避雷器的带电或停电检测,从而及时发现设备内部绝缘受潮及阀片老化等危险缺陷。
仪器操作简单、使用方便,测量全过程由单片机控制,可测量氧化锌避雷器的全电流、阻性电流及其谐波、工频参考电压及其谐波、有功功率和相位差,大屏幕可显示电压和电流的真实波形。
仪器运用数字波形分析技术,采用谐波分析和数字滤波等软件抗干扰方法使测量结果准确、稳定,可准确分析出基波和3~7次谐波的含量,并能克服相间干扰影响,正确测量边相避雷器的阻性电流。
本机配有高速面板式打印机,可充电电池,试验人员在现场使用十分方便。
仪器采用独特的高速磁隔离数字传感器直接采集输入的电压、电流信号,保证了数据的可靠性和安全性。
二、技术特点1、本机采用大屏幕液晶显示,全中文菜单操作,使用简便。
2、高精度采样、处理电路,先进的付里叶谐波分析技术,确保数据更加可靠。
3、仪器采用独特的高速磁隔离数字传感器直接采集输入的电压、电流信号,保证了数据的可靠性和安全性。
4、本仪器可以使用电场感应的方法代替PT二次接线。
5、本仪器可以使用无线传输的方法代替PT二次接线。
6、本仪器可以不接PT二次,直接测量阻性电流。
7、本仪器共有六种测试方法,给测试人员提供了非常多的选择余地。
8、本仪器可以三相同测,自动补偿。
使用特别方便9、具有阻性电流基波峰值输出、边相校正等功能。
10仪器配有可充电电池、日历时钟、微型打印机,可存储120组测量数据;二、技术参数1. 电源:220V/50Hz或内部电源。
2. 参考电压输入范围(电压基准信号):50Hz 、30V~100V。
氧化锌避雷器测试仪的性能参数氧化锌避雷器测试仪是一种专门用于检测和测试氧化锌避雷器性能参数的设备。
在实际使用中,氧化锌避雷器测试仪除了能够对氧化锌避雷器进行测试外,还能够对各种类型的避雷器进行测试。
本文主要介绍氧化锌避雷器测试仪的性能参数。
测试仪的电源氧化锌避雷器测试仪的电源一般为市电220V交流电源或者内置电池。
市电供电的测试仪其电源线一般为2.5mm2及以上电线,内置电池的测试仪则需要根据电池的容量选择不同的电缆。
电压测试范围氧化锌避雷器测试仪一般具有多档电压测试范围,不同的测试仪器其测试范围会有所不同。
如果需要测试高压避雷器的话,那么测试仪器的测试范围最好要达到1000kV以上。
而对于普通的氧化锌避雷器而言,一般的测试仪的测试范围为0~300kV。
测试仪的输出电流氧化锌避雷器测试仪的输出电流是检测避雷器电流流过状态转换器时的表观电流。
一般的测试仪器输出电流的范围为0~2000A,如果需要测试更大电流的避雷器,则需要在选择测试仪器时特别注意。
测试仪的精度氧化锌避雷器测试仪的精度是指测试仪器在测量的过程中所存在的误差。
一般的测试仪器在测量时具有很高的精度,能够满足大部分使用需求。
如果对于测试精度要求较高的话,则可以选择更高精度的测试仪器。
测试仪的工作环境要求氧化锌避雷器测试仪通常需要在一定的环境条件下使用。
一般情况下,测试仪器需要在10℃~35℃的温度范围内工作,并且要避免震动、潮湿、阳光直射和电磁干扰等影响测试精度的因素。
结论综上所述,氧化锌避雷器测试仪是一种功能强大的测试设备,能够满足大部分避雷器的测试需求。
在选择测试仪器时,需要特别注意测试仪器的电源、电压测试范围、输出电流、精度以及工作环境要求等方面的性能参数,以确保测试精度和使用效果的稳定和可靠。
防雷器件测试仪
北京群菱能源科技有限公司
一、防雷器件测试仪AOP-350产品特点
1、大屏幕液晶显示器,全中文菜单界面,操作简便。
2、测量简便。
自动测量能在10秒钟内测量出防雷元件的导通电压和漏电流。
3、可以设定已知型号防雷元件相关指标的门限值,测试时直接判断指标是否合格,无需人为比对。
尤其在新品验收时,可以大大提高测试速度。
4、具有实时时钟显示功能。
5、具有记忆存储功能。
能够存储1000条记录。
可以按照序号或者时间查找历史测量记录。
6、高容量充电电池工作,并有电池电量显示。
7、数据接口,可以将测试结果导入PC进行分析、管理。
8、配有中文后台管理软件,方便进行数据管理,分析各种型号防雷元器件性能二、防雷器件测试仪AOP-350技术参数
1、导通电压Un(V1mA)测量范围:0~1200V
2、模块ABC三相导通电压测量:交流导通电压与直流导通电压同时显示
3、漏电流测量范围:0~199.9μA
4、误差:≤±2%
5、导通电压最小分辨率:1V
6、漏电流最小分辨率:0.1μA
7、是有N-PE模块测量功能,低于50ML时发出声光报警8、存储容量:1000组测量记录9、工作温度:0oC~50oC
10、电源:4节5号镍氢充电电池11、重量:0.6kg不含附件12、尺寸:230mm某120mm某42mm。
SAT-202避雷器动作计数器测试仪一、仪器简介根据DL/T596--1996标准要求,发电厂、变电所的避雷器在每年雷雨季前,其它避雷器在大修后和必要时均要进行计数器动作情况的检查,我公司在广泛征求现场技术人员意见后,开发生产了SAT--202型避雷器动作计数器测试仪,以期快速方便地解决现场测试问题。
二、仪器性能及特点该仪器不仅设计有蓄电池供电和交流200V电源供电两种工作方式任君选择,而且还设计有使用交流220V对蓄电池进行充电的充电系统,使用非常方便;同时,仪器体积小、重量轻、便于携带,非常适合野外现场使用。
·仪器输出电压:300V~800V连续可调,以适应不同品种避雷器的要求。
·仪器显示:采用同步数字显示,直观方便。
·仪器重量:≤2.5kg·外形尺寸:250*220*110mm3三、面板简介前面板示意图1输出电压指示表 2输出电压调节旋钮3复位开关 4启动开关5 工作方式选择开关,共有“充电”、“交流”、“电池”三个互锁键6充电时的红色指示灯7交流电源供电工作时的绿色指示灯8 正常工作时的绿色指示灯9 工作欠压时的红色指示灯10数字显示器仪器后面板有输出的Q9插座、交流220V输入电源插座(内有保险丝管)及其开关。
四、使用方法1、将仪器输出线连至待测避雷器之动作计数器。
2、若选用交流电源供电工作,则给仪器接上交流220V(50Hz)电源,按下后面板的电源开关锁住,再按下工作方式选择开关的“交流”键锁住,此时“交流”和“工作”的两个绿色指示灯都亮;若选用仪器内部的蓄电池供电工作,则不需要给仪器接交流电源,只按下工作方式选择开关的“电池”键锁住,此时“工作”的绿色指示灯亮。
然后可根据所测避雷器动作计数器的要求,慢慢地调节输出电压使其达到所要求的电压(一般在500V左右),按一下启动开关,就开始进行测试。
当仪器显示值到预定次数时,此时动作计数器指示值与该测试仪显示值相一致,则待测计数器合格。
HTYB-3H氧化锌避雷器特性测试仪HTYB-3H氧化锌避雷器特性测试仪基本概述一、概述本仪器用于氧化锌[MOA] 泄漏电流的测量分析。
主要是用于测量阻性电流,从而分析氧化锌老化和受潮的程度。
现场带电测试符合中华人民共和国电力行业标准《DL474.5—92现场绝缘试验实施导则—避雷器试验》的要术。
也可用于实验室做出厂和验收试验。
二、仪器面板结构图图1三、主要技术指标参考电压输入范围(峰值):10V-200V全泄漏电流测量范围(峰值):100uA-8mA阻性电流测量范围(峰值):100uA-8mA HTYB-3H 氧化锌避雷器特性测试仪容性电流测量范围(峰值):100uA-8mA 角度测量范围:0°~90° 功耗:4W系统测量准确度:±(读数⨯5% + 5个字)(谐波电流不大于2mA) 交流电源:AC 220V ±10%,50Hz ±1% 四、接线图1、实验室接线图注意事项:电流线上标有 避雷器下端和接地端,请按上面标示接线~220V图2本方法需配可调交流高压电源,电压信号输入接到试验变压器的测量仪表端,氧化锌避雷器一端接高压,另一端经一保护器接地,与仪器的地和高压电源地在联接在一起。
交流电流信号输入端接到避雷器的下端和地。
升压值 HTYB-3H氧化锌避雷器特性测试仪2、在线接线图(带电测试)图3在线测量时电压信号输入端接到与被测避雷器位于同相PT的二次测,电流信号输入端接到避雷器的计数器两端,仪器的接地端接至计数器的下端并与地相联。
根据现场的要求,参照上述接线方式正确联线五、仪器的操作1、接好联线和仪器电源,打开电源,屏幕上显示如下图4所示:注:数据导出功能为选配 HTYB-3H氧化锌避雷器特性测试仪图4 主菜单2、点击系统设定菜单,出现下图5所示菜单:图5 系统设定菜单在此菜单下,可以设定变比值和补偿角。
数字的输入为:- 1 2 3 4 5 6 7 8 9 0 . 循环. 变比的输入不能有负数, 补偿角的输入只能笫一位数选择负号, 其余的输入为错误的输入. 数据中间只能用一个小数点.↑:循环数字。
MOA-30kV避雷器检测仪使用说明书一、用途及特点:该检测仪用于检查10kV及以下电力系统用无间隙金属氧化物避雷器(MOA)阀片间接触不良的内部缺陷(在一定范围内替代局放仪),测量MOA的直流参考电压(U1mA)和0.75U1mA下的泄漏电流(I d)该检测仪充分考虑了其实用性,它集直流高压电源、测量、控制系统为一体,将全部元器件浓缩在一个机箱内,体积小,重量轻,可携带到任何地方使用,现场只需接一根地线,一根高压线,按一下检测钮,即可完成全部项目的测量,方便致极,是批量生产和现场试验的理想选择。
二、简要工作原理:人工按一下检测钮,便启动直流高压电源,由程序控制器从FL上采样,产生1mA 恒流通过MOA,经FY自动测量U1mA值,然后又由程序控制器发出指令产生0.75 U1mA 的恒定电压加在MOA上,进而从FL上测得流过MOA的电流I d。
此两值U1mA和I d以LED数码分别显示在两块表头上,并可长时间保存,以便读数。
最后,程序控制器关闭直流高压电源,自动放电,发出安全指示,告知测量完毕。
- 1 - / 4三、主要技术指标:1、测量范围:电流0-1000μA 电压:0-30kV2、精度:1%+个字3、分辨力:电流1μA 电压:0.1 kV4、工作电源:220V±10%,50H z5、外形尺寸:375×255×275mm6、重量:5kg四、操作规程1、将仪器外壳牢固接地。
2、接试品:将避雷器的一端插入高压(H端)座内,另一端用低压线夹(L端)夹住。
或者用插头将高压引线引出机外接试品,但必须保证高压引线对地有足够的绝缘裕度。
3、接通电源,按下电源开关,检测仪内部自检后显示:报警灯亮,放电灯亮,两块表头指示值为零±1个字。
如不为零,按一下检测钮,示值复零。
4、复位,按一下复位钮,报警灯灭,仪器进入检测待机状态。
5、检测:按下检测钮约1秒钟后松开,检测仪便自动完成MOA的全部检测项目,其结果显示如下:①如果报警灯亮,表明MOA内部有接触不良缺陷,或者是外部接线不牢。
防雷元件测试仪特性产品特性
防雷元件测试仪适用于氧化锌避雷器(压敏电阻),金属陶瓷二、三电极放电管、真空避管等过压防护元件直流参数的测量
防雷元件测试仪特性:
1 .防雷元件测试仪具有高压短路保护、过流保护、高压预置、量程调节等功能,高压自泄放时间小于0.5秒。
2 .具有自检功能。
3 .测量数据由31/21CD数字显示,准确度高、可靠性好。
4 .测量时,可以预先设定量程,并在测量过程中对超量程测试发出声响提示,适用于器件分组和检验判别。
5 .选择连续测量,可以对批量试品进行不间断测试。
6 .面板功能简单,易于操作。
7 .重量轻,便于携带。
放电管测试:
测量时按下“类型选择”键将测试类型选定为“放电管”,夹好被测放电管。
按下“启动测试”按键即可启动测试,此时可以看到电压值在不断上升,当电压值停下来时表示测试完成,此时电压为被测放电管的点火电压(直流击穿电压)。
背光控制:
开机后,长按“退出”键可以进入背光亮度调节页面,按左“<”、右“>”方向键可以调节背光亮度。
尊敬的客户:感谢您关注我们的产品,本公司除了有此产品介绍以外,还有IoKV高压绝缘垫,ZGF-2mA∕60KV'直流高压发生器,硅橡胶高压线,继电保护试验装置,微水测试仪,安全工器具力学性能试验机,双钳相位伏安表,IOoA1可路电阻测试仪等等的介绍,您如果对我们的产品有兴趣,咨询。
谢谢!。
氧化锌避雷器直流参数测试仪的基本概述及性能特点
根据实地测量需求对仪器进行改进,将直流高压电源、测量和控制系统有机结合,缩小仪器体积,减轻重量。
操作设置人性化,通过遥控器实现远程遥控测量,并根据测量规程要求增加了自动测量环境温度功能,带有大容量存储器,可存储50组测试数据,掉电不丢失。
配备高速热敏打印机大大提高了测试结果打印速度。
是电力系统以及氧化锌避雷器生产厂现场检验必不可少的设备。
仪天成电力设备有限公司就此推出了YTC620B氧化锌避雷器直流参数测试仪,本文就次产品的性能特点做以下的讲解。
性能特点:
1、温度测量:自动感应环境温度并记入测试结果。
2、内部电源:可使用AC220V交流电,也可由内置充电电池供电使用。
3、使用方便:中文菜单操作,测量数据显示直观,内置前换纸打印机换纸方便,打印速度快。
4、测量准确:全数字化处理,内建精密数学模型,测量精度高,测试结果重复性好。
5、可存储50组测试数据,掉电不丢失,并能随时查看打印。
6、携带方便:高度、体积、重量仅为同类产品的3 0 %~7 0 % ,携带方便。
7、功能齐全:测量、显示、时钟、温度、结果打印一步到位。
售后服务:1、我们保证产品在3年内免费保修,终身维护。
保修期内凡因产品质量引起的产品维修,元器件费用由我公司承担。
2、我们保证为贵单位建立详细的客户档案,定期对贵单位所使用的仪器设备进行跟踪服务。
●因公司产品不断更新和改进,本公司保留更改产品外观和技术参数的权利,如有变动,恕不另行通知。
订货前请仔细确认。
湖北圣德威科技有限公司 027-********8压敏电阻测量技术指标放电管测量技术指标11、性能特点技术指标测量范围工作误差测试条件动作电压U1mA16~1600V ≤±2%±1d 1mA±5μA 漏电流I0.75U1mA0~199.9μA≤±2μA±1d0.75U1mA≤±1%±1d技术指标测量范围工作误差测试条件放电电压16~1600V ≤±2%±1d电压上升率100±8V/秒放电电压记忆显示时间 1.5~3.5秒尊敬的用户:欢迎您使用FC-2GA电源⏹适用于氧化锌避雷器(压敏电阻.)等过压防护元件直流参数的测量和放电管点火电压的测量,也可作稳压、恒流电源使用。
⏹具有高压短路保护、过流保护,高压预置、自动升压等功能。
⏹高压自放电时间小于0.5秒。
⏹测量数据由3 1/2LCD分别显示电压、电流,读数方便,准确性高。
⏹面板功能简单,易于操作。
⏹重量轻,便于携带。
2、技术指标2.1 绝缘电阻:6MΩ(500V)2.2 耐压:AC1.5kV 50Hz 1min2.3工作温度和湿度:0~+40℃≤+85%RH2.4 储存温度和湿度:-10~+45℃≤+90%RH2.5 电源:AC220V 50HZ2.6 外形尺寸:198mm(L)×176mm(W)×70mm(H)2.7重量:≈2kg27 服务承诺售前服务:1、提供专业咨询:我们保证在24小时内回复您所提出的专业技术问题。
2、提供详细的资料:我们保证在24小时内将您所需要的相关技术资料邮出。
避雷器测试仪的性能介绍
避雷器测试仪是用于现场和实验室检测避雷器各项相关电气参数的专用仪器,广泛应用于氧化锌避雷器的现场在线监测(带电测试)和实验室(停电检修)的测试中。
本文以华迪特电气系列产品:ZMOA-Ⅲ氧化锌避雷器直流参数测试仪、ZMOA-Ⅱ氧化锌避雷器直流参数测试仪、FCZ-Ⅳ避雷器放电计数器校验仪产、ZLCD301氧化锌避雷器带电测试仪、ZLCD201氧化锌避雷器带电测试仪的性能特点给大家具体介绍下相关仪器的产品性能。
避雷器测试仪的性能介绍
一、ZMOA-Ⅲ氧化锌避雷器直流参数测试仪
华迪特ZMOA-Ⅲ避雷器直流参数测试仪产品概述:
ZMOA-Ⅲ氧化锌避雷器直流参数测试仪是专门用于检测
10kV及以下电力系统用无间隙氧化锌避雷器MOA阀电间接
触不良的内部缺陷,根据《电力设备预防性试验规程》
DL/T596-1996中14.2的规定,发电厂、变电所在每年雷雨
季前和必要时应该对金属氧化物避雷器做直流1mA电压(U1mA)和0.75 U1mA下泄漏电流的检测。
本公司根据实地测量需求对仪器进行了改进,将直流高压电源、测量和控制系统有机结合,缩小仪器体积,减轻重量。
操作设置人性化,通过遥控器实现远程遥控测量,并根据测量规程要求增加了自动测量环境温度功能,带有大容量存储器,可存储50组测试数据,掉电不丢失。
配备高速热敏打印机大大提高了测试结果打印速度。
是电力系统以及氧化锌避雷器生产厂现场检验必不可少的设备。
ZMOA-Ⅲ避雷器直流参数测试仪产品特点:
1、温度测量:自动感应环境温度并记入测试结果。
2、遥控测试:通过遥控器实现远程遥控测试,让测试更加安全、方便、快捷。
好,好
3、内部电源:可使用AC220V交流电,也可由内置充电电池供电使用。
4、使用方便:中文菜单,测量数据显示直观,内置前换纸打印机换纸方便,打印速度快。
5、测量准确:全数字化处理,内建精密数学模型,测量精度高,测试结果重复性好。
6、可存储50组测试数据,掉电不丢失,并能随时查看打印。
7、携带方便:高度、体积、重量仅为同类产品的3 0 %~7 0 % ,携带方便。
8、功能齐全:测量、显示、时钟、温度、结果打印一步到位。
二、ZMOA-Ⅱ氧化锌避雷器直流参数测试仪
ZMOA-Ⅱ氧化锌避雷器直流参数测试仪产品概述:
ZMOA-Ⅱ氧化锌避雷器直流参数测试仪是专门用于检
测10kV及以下电力系统用无间隙氧化锌避雷器MOA阀电
间接触不良的内部缺陷,测量MOA的直流参考电压(U1mA)
和0.75 U1mA下的泄漏电流。
该仪器将直流高压电源、测
量和控制系统组成一体,全部元件浓缩在一个机箱内,具有体积小,重量轻等特点,是电力系统以及氧化锌避雷器生产厂现场试验必不可少的设备。
ZMOA-Ⅱ氧化锌避雷器直流参数测试仪产品特点:仪器将直流高压电源、测量和控制系统组成一体,全部元件浓缩在一个机箱内,具有体积小,重量轻等特点。
三、FCZ-Ⅳ避雷器放电计数器校验仪
华迪特FCZ-Ⅳ避雷器放电计数器校验仪产品概述:
本仪器可用于校验各种避雷器计数器动作的可靠性。
计数器动作的可靠性对于电力系统非常重要,它是记录避雷器在正常运行中受到雷击次数统计的一个重要参数。
它能为电力系
统的工作人员提供有针对性对避雷器进行检验的重要依据。
本仪器主要用于35kV以上的高压避雷器。
华迪特FCZ-Ⅳ避雷器放电计数器校验仪产品特点:本仪器具有体积小、重量轻、携带方便、可靠性强、操作简单等特点。
四、ZLCD301氧化锌避雷器带电测试仪
华迪特ZLCD301氧化锌避雷器带电测试仪产品概述:
ZLCD301氧化锌避雷器带电测试仪是用于检测氧化锌
避雷器电气性能的专用仪器,该仪器适用于各种电压等级
的氧化锌避雷器的带电或停电检测,从而及时发现设备内
部绝缘受潮及阀片老化等危险缺陷。
仪器操作简单、使用方便,测量全过程由工控机控制,可测量氧化锌避雷器的全电流、阻性电流及其谐波、工频参考电压及其谐波、有功功率和相位差,大屏幕可显示电压和电流的真实波形。
仪器运用数字波形分析技术,采用谐波分析和数字滤波等软件抗干扰方法使测量结果准确、稳定,可准确分析出基波和3~7次谐波的含量,并能克服相间干扰影响,正确测量边相避雷器的阻性电流。
ZLCD301氧化锌避雷器带电测试仪产品特点:
1、800×480彩色液晶触摸屏,高速热敏打印机;图文显示,界面直观,便于现场人员操作和使用。
2、无线传输PT信号超过400米,按需配置可达到2000米。
3、适用于避雷器带电、停电或试验室等场所使用。
4、真正做到三相电流、三相电压同时测试,提高工作效率;仪器内部只带弱电,电压不超过12V;电流、电压传感器完全隔离,安全可靠。
5、支持有线同步、无线同步两种电压基准信号取样方式;也支持无电压方式,通过软件计算找到电压基准。
6、内带高性能大容量锂离子电池,特别适合无电源场合。
7、仪器采用嵌入式硬件平台及嵌入式操作系统,可扩展音视频播放功能及游戏娱乐功能。
8、仪器可随时开关机比以工控机为硬件平台的仪器更稳定,不易死机及系统崩溃。
9、可随时随地按客户要求进行软件功能的扩展
10、配有一个USB接口,支持U盘导出数据;可外挂USB鼠标、键盘使用,操作方便。
11、内部配置4GB容量的SD卡可存储海量试验数据,具备数据管理、保存等功能。
12、配套上位机管理软件,具备历史数据管理、数据分析、报告打印等功能。
13、高速的采样频率,先进的数字信号处理技术,抗干扰性能强,测量结果精度极高。
14、采用防尘、防水、防腐工程塑料密封箱,体积小,重量轻,便于携带。
五、ZLCD201氧化锌避雷器带电测试仪
ZLCD201氧化锌避雷器带电测试仪产品概述及特点:
1、仪器标准配置不带高能锂离子电池,可选配内置。
2、5.7寸320×240液晶显示器,高速热敏打印机;图
文显示,界面直观,便于现场人员操作和使用。
3、适用于避雷器带电、停电或试验室等场所使用。
4、电流、电压传感器完全隔离,安全可靠。
分三次测试A、B、C三相氧化锌避雷器可保存为一组试验数据。
5、仪器可连续测试,显示电压电流曲线,并可快速打印数据和曲线。
6、内部配置存储器,可掉RS232通讯接口,可通过上位机进行试验,导出试验数据。
7、选配RS232通讯接口,可通过上位机进行试验,导出试验数。
8、可进行抗干扰计算,补偿A、C两相电流受B相偏差。
好,好
9、高速的采样频率,先进的数字信号处理技术,抗干扰性能强,测量结果精度极高。
10、选配置内带高能锂离子电池,特别适合无电源场合。
仪器内部只带弱电,电压不超过12V,充电状态亦可工作。
11、采用防尘、防水、防腐工程塑料密封箱,体积小,重量轻,便于携带。