三氯化铝的理化性质及危险特性表
- 格式:docx
- 大小:40.35 KB
- 文档页数:3
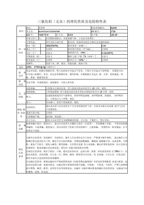
三氯化铝的理化性质及危险特性表一、三氯化铝的化学式、分子量、外观与性状1. 化学式:AlCl32. 分子量:133.343. 外观与性状:三氯化铝是一种白色或黄色晶体,可以吸收水分、空气中的水分和二氧化碳,并在水中迅速水解并放出大量氢氯酸气体。
在空气中,三氯化铝可以与氧气、二氧化硫和硝酸反应,产生剧烈的爆炸性混合物,具有很强的腐蚀性和危险性。
二、三氯化铝的物理性质1. 熔点:192.4℃2. 沸点:180℃(分解)3. 相对密度:2.444. 折射率:1.43三、三氯化铝的化学性质1. 三氯化铝在空气中可以与氧气、二氧化硫和硝酸反应,产生剧烈的爆炸性混合物;2. 三氯化铝可以与水反应,放出大量氢氯酸气体,生成氢氧化铝和氯离子;3. 三氯化铝可以与醇类、酸类、丙酮等有机物反应,产生热量并放出氢氯酸气体;4. 三氯化铝可以与碱类反应,产生氯化铝和相应的盐。
四、三氯化铝的毒性和危险性1. 中毒症状三氯化铝会引起严重的化学灼伤,接触皮肤会导致皮肤、眼睛、口腔、呼吸道和胃等部位的灼伤和刺激,严重的时候甚至会导致气道阻塞和呼吸衰竭等严重后果。
三氯化铝毒性较强,对人体的损害主要体现在皮肤、眼睛、呼吸道和胃部等部位。
2. 危险特性(1)易爆:三氯化铝和许多有机物反应时会生成剧烈的能量,导致爆炸或火灾。
(2)刺激性:三氯化铝极具刺激性,接触皮肤、眼睛、口腔、呼吸道和胃等部位会导致不同程度的化学灼伤。
(3)腐蚀性:三氯化铝的腐蚀性很强,可损伤大多数金属、橡胶和有机物等材料,危及设备和设施的安全。
(4)易吸气:三氯化铝在空气中易吸收水分并水解,在水解过程中放出大量氢氯酸气体,对呼吸道有强烈的刺激作用。
(5)易燃:三氯化铝易于与氧气、二氧化硫、硝酸等反应产生热量,导致爆炸或火灾。
五、三氯化铝的应用方面1. 三氯化铝是一种重要的无机化学品,广泛用于催化剂、染料、杀菌剂、医药、化工和电子工业等领域。
2. 在有机合成中,三氯化铝可以用作芳香烃的取代反应和催化加成反应的催化剂。