三菱伺服驱动器说明书
- 格式:pdf
- 大小:36.32 KB
- 文档页数:10
三菱伺服MR-MR-E-A伺服放大器使用手册plcworld MR-E- Aplcworldplcworldplcworld 环境周围温度周围湿度空气标高振动运行保存运行保存条件伺服放大器 0℃~+55℃(无冰冻-20℃~+65℃(无冰冻伺服电机 0℃~+40℃(无冰冻-15℃~+70℃(无冰冻 80%RH 以下(不结露 90%RH 以下(不结露 90%RH 以下(不结露室内(不受直射阳光照射)无腐蚀性气体、无可燃性气体、无油雾、无尘埃海拔 1000 米以下 HC-KFE 系列 X·Y:49m/s2 HC-SFE52~152 X·Y:24.5m/s2 5.9m/s2 以下 X:24.5m/s2 HC-SFE202 Y:49m/s2plcworldplcworldplcworldplcworldplcworldplcworld 伺服放大器 MR-E-10A/AG~20A/AG MR-E-40A/AG MR-E-70A/AG~200A/AG 放电时间[分] 1 2 3 手册名称安全使用 MR-E 系列 AC 伺服系统(与伺服放大器包装在一起 EMC 设置指南手册编号 IB(名0300056 IB(名67303plcworld○ ○ ○ ○ ○ ○ ○ ○ ○ ○ ○ ○ ○ ○ ○ ○ ○ ○ ○ ○ ○ ○ ○ ○ ○ ○ ○ ○ ○ ○ ○ ○ ○ ○ ○ ○ ○ ○ ○ ○ ○ ○ ○ ○ ○ ○ ○ ○ ○ ○ ○ ○ ○ ○ ○ ○ ○ ○ ○ ○ ○ ○ ○ ○ ○ ○ ○ ○ ○ ○ ○ ○ ○ ○ ○ ○ ○ ○ ○ ○ ○ ○ ○ ○ ○ ○ ○ ○ ○ ○ ○ ○ ○ ○ ○ ○ ○ ○ ○ ○ ○ ○ ○ ○ ○ ○ ○ ○ ○ ○ ○ ○ ○ ○ ○ ○ ○ ○ ○ ○ ○ ○ ○ ○ ○ ○ ○ ○ ○ ○ ○ ○ ○ ○ ○ ○ ○ ○ ○ ○ ○ ○ ○ ○ ○ ○ ○ ○ ○ ○ ○ ○ ○ ○ ○ ○ ○ ○ ○ ○ ○ ○ ○ ○ ○ ○○ ○ ○ ○ ○ ○ ○ ○ ○ ○ ○ ○ ○ ○ ○ ○ ○ ○ ○ ○ ○ ○ ○ ○ ○ ○ ○ ○ ○ ○ ○ ○ ○ ○ ○ ○ ○ ○ ○ ○ ○ ○ ○ ○ ○ ○ ○ ○ ○ ○ ○ ○ ○ ○ ○ ○ ○ ○ ○ ○ ○ ○ ○ ○ ○ ○ ○ ○ ○ ○ ○ ○ ○ ○ ○ ○ ○ ○ ○ ○ ○ ○ ○ ○ ○ ○ ○ ○ ○ ○ ○ ○ ○ ○ ○ ○ ○ ○ ○ ○ ○ ○ ○ ○ ○ ○ ○ ○ ○ ○ ○ ○ ○ ○ ○ ○ ○ ○ ○ ○ ○ ○ ○ ○ ○ ○ ○ ○ ○ ○ ○ ○ ○ ○ ○ ○ ○ ○ ○ ○ ○ ○ ○ ○ ○ ○ ○ ○ ○ ○ ○ ○ ○ ○ ○ ○ ○ ○ ○ ○ ○ ○ ○ ○ ○ ○ ○ ○ ○ ○ ○ ○ ○ ○ ○ ○ ○ ○ ○ ○ ○ ○ ○ ○ ○ ○ ○ ○ ○ ○ ○ ○ ○ ○ ○ ○ ○ ○ ○ ○ ○ ○ ○ ○ ○ ○ ○ ○ ○ ○ ○ ○ ○ ○ ○ ○ ○ ○ ○ ○ ○ ○ ○ ○ ○ ○ ○ ○ ○ ○ ○ ○ ○ ○ ○ ○ ○ ○ ○ ○ ○ ○ ○ ○ ○ ○ ○ ○ ○ ○ ○ ○ ○ ○ ○ ○ ○ ○ ○ ○ ○ ○ ○ ○ ○ ○ ○ ○ ○ ○ ○ ○ ○ ○ ○ ○ ○ ○ ○ ○ ○ ○ ○ ○ ○ ○ ○ ○ ○ ○ ○ ○ ○ ○ ○ ○ ○ ○ ○ ○ ○ ○ ○ ○ ○ ○ ○ ○ ○ ○ ○ ○ ○ ○ ○ ○ ○ ○ ○ ○ ○ ○ ○ ○ ○ ○ ○ ○ ○ ○ ○ ○ ○ ○ ○ ○ ○ ○ ○ ○ ○ ○ ○ ○ ○ ○ ○ ○ ○ ○ ○ ○ ○ ○ ○ ○ ○ ○ ○ ○ ○ ○ ○ ○ ○ ○ ○ ○ ○ ○ ○ ○ ○ ○ ○ ○ ○ ○ ○ ○ ○ ○ ○ ○ ○ ○ ○ ○ ○ ○ ○ ○ ○ ○ ○ ○ ○ ○ ○ ○ ○ ○ ○ ○ ○ ○ ○ ○ ○ ○ ○ ○ ○ ○ ○ ○ ○ ○ ○ ○ ○ ○ ○ ○ ○ ○ ○ ○ ○ ○ ○ ○ ○ ○ ○ ○ ○ ○ ○ ○ plcworld○ ○ ○ ○ ○ ○ ○ ○ ○ ○ ○ ○ ○ ○ ○ ○ ○ ○ ○ ○ ○ ○ ○ ○ ○ ○ ○ ○ ○ ○ ○ ○ ○ ○ ○ ○ ○ ○ ○ ○ ○ ○ ○ ○ ○ ○ ○ ○ ○ ○ ○ ○ ○ ○ ○ ○ ○ ○ ○ ○ ○ ○ ○ ○ ○ ○ ○ ○ ○ ○ ○ ○ ○ ○ ○ ○ ○ ○ ○ ○ ○ ○ ○ ○ ○ ○ ○ ○ ○ ○ ○ ○ ○ ○ ○ ○ ○ ○ ○ ○ ○ ○ ○ ○ ○ ○ ○ ○ ○ ○ ○ ○○ ○ ○ ○ ○ ○ ○ ○ ○ ○ ○ ○ ○ ○ ○ ○ ○ ○ ○ ○ ○ ○ ○ ○ ○ ○ ○ ○ ○ ○ ○ ○ ○ ○ ○ ○ ○ ○ ○ ○ ○ ○ ○ ○ ○ ○ ○ ○ ○ ○ ○ ○ ○ ○ ○ ○ ○ ○ ○ ○ ○ ○ ○ ○ ○ ○ ○ ○ ○ ○ ○ ○ ○ ○ ○ ○ ○ ○ ○ ○ ○ ○ ○ ○ ○ ○ ○ ○ ○ ○ ○ ○ ○ ○ ○ ○ ○ ○ ○ ○ ○ ○ ○ ○ ○ ○ ○ ○ ○ ○ ○ ○ ○ ○ ○ ○ ○ ○ ○ ○ ○ ○ ○ ○ ○ ○ ○ ○○ ○ ○ ○ ○ ○ ○ ○ ○ ○ ○ ○ ○ ○ ○ ○ ○ ○ ○ ○ ○ ○ ○ ○ ○ ○ ○ ○ ○ ○ ○ ○ ○ ○ ○ ○ ○ ○ ○ ○ ○ ○ ○ ○ ○ ○ ○ ○ ○ ○ ○ ○ ○ ○ ○ ○ ○ ○ ○ ○ ○ ○ ○ ○ ○ ○ ○ ○ ○ ○ ○ ○ ○ ○ ○ ○ ○ ○ ○ ○ ○ ○ ○ ○ ○ ○ ○ ○ ○ ○ ○ ○ ○ ○ ○ ○ ○ ○ plcworldplcworld AC MR-E AC 2 MR-J2-Super RS-232C MR-E 10000 / 500kpps 10000 / 2 7plcworld 1.MR-E-10A 20A 2.MR-E-70A L1 L2 L3 AC230V伺服放大器HC-SFE52控制模式下的输入输出信号2.P:位置控制模式,S:速度控制模式,P/S:位置/速度控制切换模式信号信号1:ON(SG间短路~(注外部输入信号1:SG间ON(短路~~~(注外部输入1:SG间ON(短路~转速的指令值 1:SG间ON(短路1:SG间ON(短路仪表放大器的应用技巧(摘)长期以来,为仪表放大器供电的传统方法是采用双电源或双极性电源,这具有允许正负输入摆幅和输出摆幅的明显优势。
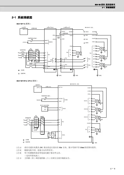
三菱 通用 AC伺服SSCNETⅢ/H接口型号MR-JE-_B伺服放大器技术资料集使用前请务必阅读。
在安装、运行、维护及检查前,请务必熟读本技术资料集、使用手册及相关资料,以便正确使用。
请在熟读机器的相关知识、安全信息及注意事项的所有内容后进行使用。
本技术资料集中,分为“危险”与“注意”两类安全注意事项。
危险 操作错误时,可能引起危险,造成死亡或重伤。
注意 操作错误时,可能引起危险,造成中度伤害、轻度伤害或财产损失。
此外,即使注意事项中记载的内容,有时也有造成严重后果的可能性。
两者所记均为重要内容,请务必遵守。
禁止及强制图表的表示内容如下所示。
表示禁止(严禁采取的行为)。
比如“严禁烟火”为。
表示强制(必须采取的行为)。
比如需要接地为。
在本技术资料集中,对不会造成财产损失的注意事项及其它功能等的注意事项作为“要点”进行区分。
仔细阅读本手册后请妥善保管,以便使用者可以随时取阅。
1.防止触电危险因为有触电的危险,所以请在关闭电源并经过15分钟以上,请确认充电指示灯熄灭后再进行接线作业或检查。
而且,确认充电指示灯是否熄灭时,请务必在伺服放大器的正面进行。
伺服放大器及伺服电机必须确保接地良好。
接线作业或检查应由专业技术人员进行。
伺服放大器及伺服电机请在安装后再接线。
否则会造成触电。
请勿用湿手操作开关。
否则会造成触电。
请勿损伤电缆、对其施加过大应力、在其上放置重物或挤压等。
否则会造成触电。
为了防止触电,请务必将伺服放大器的保护接地(PE)端子(带有符号的端子)连接到控制柜的保护接地(PE)上。
使用漏电断路器(RCD)时,请选用B型。
为避免触电,请在电源端子的连接部进行绝缘处理。
2.防止火灾注意请将伺服放大器、伺服电机、再生电阻安装在不可燃物上。
直接安装在可燃物上或安装在靠近可燃物的地方,可能会造成冒烟及火灾。
在电源和伺服放大器的电源(L1・L2・L3)间请务必连接电磁接触器,在伺服放大器的电源侧形成可以切断电源的结构。
文书No.JXC※-OMT0005CN DeviceNet直接输入型步进电机控制器(伺服DC24V)JXCD11.安全注意事项 (4)2.产品概要 (6)2.1. 产品特点 (6)2.2.型号表示方法 (7)2.3 产品构成 (8)2.4 步骤(直到执行元件作动为止) (9)(1)捆包内容的确认 (9)(2)控制器的安装 (9)(3)控制器的设定 (9)(4)PLC的设定 (9)(5)控制器的配线.连接 (9)(6)电源连接 (10)(7)参数设定 (10)(8)设定数据(运行模块)的设定 (11)(9)试运行 (11)3.产品规格 (12)3.1.规格 (12)3.2 各部位详解 (13)3.3. 外形尺寸图 (14)3.4.安装方法 (16)(1) 安装方法 (16)(2) 接地线的安装 (16)(3) 安装位置 (17)4.初期设定方法 (18)4.1 Node Address/Data Rate设定开关 (18)4.2 硬件配置 (19)4.3 DeviceNet对象 (19)(1)Step Data 对象(Class : 67h) (19)(2)IO 对象(Class : 68h) (20)(3)IO组件接口 (21)(4)IO组件数据格式 (21)5.外部连接图 (23)5.1 PWR:电源插头 (23)5.2 MOT:电机动力插头、ENC:编码器插头 (23)5.3 SI:串行I/O插头 (23)(1)连接示教盒的场合 (23)(2)连接电脑的场合 (24)5.4 DeviceNet通信插头 (24)6.CN1:电源插头详细内容 (25)6.1 电源插头规格 (25)6.2 电线规格 (25)6.3 电源插头的配线 (26)(1)电源部的配线(C24V,M24V,0V) (26)(2)停止开关的配线(EMG) (26)(3)强制解锁开关的配线(LK RLS) (26)6.4 停止回路的配线 (27)(1)停止(推荐回路例) (27)(2)停止(继电器触点(1)) (28)(3)电机动力电源的切断(继电器触点(2)) (29)7.DeviceNet通信插头接口信号配线及通信配线详细内容 308.LED显示详细内容 (31)8.1 LED显示内容 (31)8.2 控制器状态及LED显示内容 (31)9.运行方法 (32)9.1. 概要 (32)9.2 步骤No.指示运行功能 (32)9.3 位置/速度监控功能 (32)9.4 数值指示运行功能 (32)10.存储器地图详细内容 (33)10.1 存储器分配 (33)11.设定数据输入 (42)11.1 步骤数据 (42)11.2 基本参数 (45)11.3 原点复位参数 (47)12.运行说明 (48)12.1 原点复位 (48)12.2 定位运行 (48)12.3 推压运行 (49)(1)推压作动成功时 (49)(2) 推压作动失败时(空转) (49)(3) 推压作动完成后工件仍然移动的场合 (49)12.4 对控制器输入信号的响应时间 (50)12.5 关于运行中的中断方法 (50)13.运行(例) (51)13.1 定位运行 (51)13.2 推压运行 (52)14.运行指示方法 (53)14.1 运行指示方法概要 (53)14.2 步骤No.指示运行功能的运行步骤 (53)[1]电源连接~原点复位 (53)[2] 定位运行 (54)[3]推压运行 (55)[4]短暂停止(HOLD) (55)[5] 复位 (56)[6] 停止 (56)(7) 区域输出 (57)14.3 数值指示运行功能的运行步骤 (58)15.可选项 (59)15.1 执行元件电缆[5m以下] (59)15.2 执行元件电缆[8~20m] (59)15.3 执行元件电缆(传感器.锁对应)[5m以下] (60)15.4 执行元件电缆(传感器.锁对应)[8~20m] (60)15.5 控制器设定组件 (62)15.6 变换电缆 (62)15.7 电源插头 (62)15.8 DeviceNet用通信插头接口 (62)15.9 示教盒 (63)16.与电机控制相关的报警检测详细内容 (64)16.1 报警组的信号输出 (64)16.2 报警内容.对策 (65)17.配线.电缆的注意事项/共通注意事项 (70)18.电动执行器/共通注意事项 (71)18.1 设计注意事项 (71)18.2 安装 (72)18.3 使用注意事项 (73)18.4 使用环境 (74)18.5 维修保养的注意事项 (75)18.6 带锁执行元件的注意事项 (75)19.控制器及其周边设备/个别注意事项 (76)19.1 设计注意事项/选型 (76)19.2 使用注意事项 (77)19.3 安装 (78)19.4 配线 (78)19.5 电源 (79)19.6 接地 (79)19.7 维修保养 (79)20.故障一览表 (80)21. 关于数据接收发送的处理 (85)22.用语集 (86)1.安全注意事项此处所示的注意事项是为了确保您能安全正确地使用本产品,预先防止对您和他人造成危害和伤害而制定的。
MR-J-4说明书MR-J4是三菱电机公司的一款高性能交流伺服驱动器。
本说明书将详细介绍MR-J4的基本特性、结构和功能,以及安装、调试和维护等方面的内容。
一、基本特性1.高性能:MR-J4具有高速响应和精确控制的特点,能够满足高性能和高精度的运动控制需求。
2. 多种通信接口:支持多种通信接口,包括RS-485、CC-Link、以太网等,方便与其他设备进行联网控制。
3.多种控制模式:支持位置控制、速度控制和力矩控制等多种控制模式,以适应不同的应用需求。
4.多种运动方式:支持点位运动、连续运动和同步运动等多种运动方式,具有较强的灵活性和通用性。
5.多种保护功能:具备过电流保护、过热保护、过压保护等多种保护功能,保障MR-J4的安全运行。
二、结构和功能1.外部接口:MR-J4的外部接口包括电源接口、电机接口、I/O接口等,方便与其他设备进行连接和通信。
2.控制芯片:MR-J4采用高性能的控制芯片,能够实现快速、精确的运动控制。
3. 参数设置:通过MR Configurator软件可以对MR-J4进行参数设置,实现对各种运动控制参数的调整和优化。
4.诊断和故障排除:MR-J4具有自动诊断和故障显示功能,能够准确地检测并显示故障信息,方便用户进行故障排除。
三、安装和调试1.安装:安装MR-J4时,应确保设备在良好的通风环境下,并保持稳定的电源供应。
同时,应根据实际需求选择适当的安装位置和固定方式。
2.电机连接:将电机与MR-J4的电机接口相连,并确保连接稳固可靠。
根据电机类型和参数进行正确的接线和调整。
3. 参数设置:使用MR Configurator软件对MR-J4进行参数设置,包括电机参数、控制模式和运动参数等。
按照实际应用需求进行设置,并进行适当的调试和优化。
4.联机操作:将MR-J4与上位机或其他设备进行联机操作,通过通信接口实现数据传输和控制指令的发送。
确保设备之间的通信正常和可靠。
四、维护保养1.定期检查:定期检查MR-J4的电源线、接线端子和通风口等部件,确保其正常工作和良好的通风散热。
三菱mrJE300伺服说明书
MR-JE-300A三菱详细说明
1.常规接口的伺服放大器,多可对应4Mpps脉冲频率。
2.针对运动控制网络SSCNETⅢ/H的驱动器。
标配全闭环控制,可以驱动旋转伺服电机,直线伺服电机。
3.针对运动控制网络SSCNETⅢ/H的驱动器。
可同时驱动2台伺服电机,节省安装空间和接线。
标配全闭环控制,可以驱动旋转伺服电机,直线伺服电机。
专业提供三菱伺服编码器电缆:
MR-JCCBL5M-L/H,MR-JHSCBL5M-L/H
MR-J3ENCBL5M-A1-L/H,MR-J3ENSCBL5M-L/H
MR-ENCBL5M-L/H,MR-EKCBL5M-L/H,MR-ESCBL5M-L/H
电源电缆:MR-PWS1CBL5M-A1-L/H
电源接头:MR-PWCNK1,MR-PWCNK2,MR-ECNP1-B,MR-ECNP2-B,MR-ENCP1-B1,MR-ECNP2-B1
航空插头:MR-PWCNS1,MR-PWCNS2,MR-PWCNS3,MR-PWCNS4,MR-PWCNS5。
信号接头:MR-J2CN1,MR-J3CN1,MR-ECN1,MR-A-TM
端子台:MR-TB20,MR-TB50,A6TBXY36
端子电缆:
MR-J2TBL05M(可提供0.3-15米长度)
MR-J2M-CN1TBL05M(可提供0.3米-5米长度)MR-J2S-B驱动器通信电缆:
MR-J2HBUS05M(可提供0.3-30米长度)
MR-J3-B驱动器通信电缆:
MR-J3BUS03M(可提供0.3-30米长度)。
三菱伺服说明书MR-J2-B伺服放大器手册(英文)8 - 1 Alarm and warning lists 报警和警告名单When a fault occurs during operation, the corresponding alarm or warning is displayed. If any alarm or warning has occurred, refer to Section 8.2 or 8.3 and take the appropriate s Warnings:当故障发生在操作过程中,相应的报警或显示警告。
如果任何警报或警告发生,请参阅第8.2或8.3,并采取适当的行动。
报警警告Display Name 显示名称10 Undervoltage 10欠压11 Board error 1 11 局错误112 Memory error 12内存错误113 Clock error 14时钟误差15 Memory error 2 15 内存错误216 Encoder error 1 16 编码器错误117 Board error 2 17局错误218 Board error 3 18局的错误320 Encoder error 2 20编码器错误224 Ground fault 24接地故障25 Absolute position erase 25绝对位置擦除30 Regenerative error 3 0再生错误31 Overspeed 31超速32 Overcurrent 32过流33 Overvoltage 33过压保护34 CRC error 34 CRC错误35 Command F T error 35指挥F t误差36 Transfer error 36传输错误37 Parameter error 37参数错误46 Servo motor overheat 46伺服电机过热50 Overload 1 50超载151 Overload 2 51超载252 Error excessive 52错误过多8E RS-232C error 8E型的RS - 232错误88 Watchdog 88看门狗92 Open battery cable warning 92打开电池电缆警告96 Zero setting error 96零设定错误过度负荷的E0 Excessive regenerative load warning E0再生警告E1 Overload warning E1超载警告E3 Absolute position counter warning E3展绝对位置计数器警告E4 Parameter warning E4类参数警告E6 Servo emergency stop E6伺服紧急停止E7 Controller emergency stop E7的紧急停止控制器E9 Main circuit off warning E9主回路关闭警告。
MITSUBISHI三菱J2S数字交流伺服安装调试说明书(2003.11版本目录1.三菱J2S连接示意图2.通电前的检查3.通电时的检查4.三菱J2S伺服驱动器的参数设定方法5.三菱J2S伺服驱动器的参数表6.三菱J2S伺服驱动器的参数和性能优化调整1.三菱J2S连接示意图重要提示:由于电机和编码器是同轴连接,因此,在电机轴端安装带轮或连轴器时,请勿敲击。
否则,会损坏编码器。
(此种情况,不在三菱的保修范围!2.通电前的检查1确认三菱J2S伺服驱动器和电机插头的连接,相序是否正确:A.中惯量电机HC-SFS52(0.5KW~152(1.5KW的连接:伺服驱动器电机插头U AVBWC接地D刹车电源B1G刹车电源B2HB.中惯量电机HC-SFS202(2.0KW以上的连接:伺服驱动器电机插头U AVBWC接地D制动器插头刹车电源B1A刹车电源B2B注:电机相序错误,通电时会发生电机抖动现象。
刹车电源B1、B2无极性。
2确认三菱J2S伺服驱动器CN2和伺服电机编码器联接正确,接插件螺丝拧紧。
3确认三菱J2S伺服驱动器CN1A和数控系统的插头联接正确,接插件螺丝拧紧。
4确认三菱J2S伺服驱动器CN1B接插件螺丝拧紧,和外部控制连接正确。
3.通电时的检查1确认三相主电路输入电压在200V-220V 范围内,单相主电路输入电压在200V-220V 范围内。
建议用户选用380V/200V 的三相伺服变压器。
2确认接地可靠。
4.三菱J2S 伺服驱动器的参数设定方法三菱J2S 伺服驱动器修改参数的操作方法,如下:1按“MODE”按钮,可切换显示以下6种方式,2切换到显示基本参数画面:2按○・UP和○・DOWN键,选择想修改参数的参数号(例修改2号参3按2次○・SET键(想修改参数的参数值显示并闪烁。
4按○・UP键和○・DOWN键,改变参数值。
(只有闪烁部分的参数值,才可以改变5按○・SET键,确认修改的参数值。
重复以上2~5步骤,输入所有想改变的参数(按5.三菱J2S伺服驱动器的参数表。
三菱伺服说明书MR-J2-B伺服放大器手册英文三菱伺服说明书MR-J2-B伺服放大器手册(英文)8 - 1 Alarm and warning lists 报警和警告名单When a fault occurs during operation, the corresponding alarm or warning is displayed. If any alarm or warning has occurred, refer to Section 8.2 or 8.3 and take the appropriate s Warnings:当故障发生在操作过程中,相应的报警或显示警告。
如果任何警报或警告发生,请参阅第8.2或8.3,并采取适当的行动。
报警警告Display Name 显示名称10 Undervoltage 10欠压11 Board error 1 11 局错误112 Memory error 12内存错误113 Clock error 14时钟误差15 Memory error 2 15 内存错误216 Encoder error 1 16 编码器错误117 Board error 2 17局错误218 Board error 3 18局的错误320 Encoder error 2 20编码器错误224 Ground fault 24接地故障25 Absolute position erase 25绝对位置擦除30 Regenerative error 3 0再生错误31 Overspeed 31超速32 Overcurrent 32过流33 Overvoltage 33过压保护34 CRC error 34 CRC错误35 Command F T error 35指挥F t误差36 Transfer error 36传输错误37 Parameter error 37参数错误46 Servo motor overheat 46伺服电机过热50 Overload 1 50超载151 Overload 2 51超载252 Error excessive 52错误过多8E RS-232C error 8E型的RS - 232错误88 Watchdog 88看门狗92 Open battery cable warning 92打开电池电缆警告96 Zero setting error 96零设定错误过度负荷的E0 Excessive regenerative load warning E0再生警告E1 Overload warning E1超载警告E3 Absolute position counter warning E3展绝对位置计数器警告E4 Parameter warning E4类参数警告E6 Servo emergency stop E6伺服紧急停止E7 Controller emergency stop E7的紧急停止控制器E9 Main circuit off warning E9主回路关闭警告。
___伺服MR-J4中文说明书本文档旨在对《三菱伺服MR-J4中文说明书》进行简要介绍,并阐述其在使用和维护___伺服MR-J4产品中的重要性。
根据用户需求,我们为___伺服MR-J4产品编写了详尽的中文说明书,旨在帮助用户更好地了解和使用该产品。
这份中文说明书将提供有关MR-J4伺服驱动器的基本知识、使用方法、调试流程、故障诊断与排除以及注意事项等内容。
三菱伺服MR-J4是一款高性能的伺服驱动器,具有出色的运动控制和定位性能。
它可广泛应用于数控机床、工业自动化和机器人等领域,以满足各种应用的需求。
这份中文说明书对于用户正确操作和维护___伺服MR-J4产品至关重要。
用户可以通过阅读说明书来了解该产品的各种功能和特性,掌握正确的安装流程、参数设置和操作方法,以确保伺服驱动器的高效运行和稳定性能。
无论是新用户还是有经验的操作人员,本中文说明书都将为他们提供有价值的信息和指导。
对于新用户来说,它是快速入门和上手的好帮手;对于有经验的操作人员来说,它是解决问题和优化性能的有益参考。
因此,我们鼓励用户详细阅读《三菱伺服MR-J4中文说明书》,并在实际操作中遵循说明书中的指导和建议。
只有正确理解和正确使用该产品,才能最大程度地发挥它的功能和性能,为用户提供良好的应用体验。
无论是在工作中还是研究中,我们相信《三菱伺服MR-J4中文说明书》将成为使用该产品的重要参考资料,并对用户的工作和研究产生积极而直接的影响。
介绍《三菱伺服MR-J4中文说明书》所涵盖的产品范围和功能特点。
本文为《三菱伺服MR-J4中文说明书》的使用指南,旨在为读者提供正确合理地使用该产品的步骤和注意事项。
准备工作:确保已正确安装和连接好伺服MR-J4.准备工作:确保已正确安装和连接好伺服MR-J4.电源连接:将伺服MR-J4与电源进行连接,确保电源电压符合要求,并确保接线正确无误。
电源连接:将伺服MR-J4与电源进行连接,确保电源电压符合要求,并确保接线正确无误。
MR-E Super上海:上海市南京西路288号创兴金融中心17F 邮编: 200003 电话: (021) 2322 3030 传真: (021) 2322 3000北京:北京市建国门内大街18号恒基中心办公楼第一座908室 邮编: 100005 电话: (010) 6518 8830 传真: (010) 6518 8030成都:成都市人民南路二段18号川信大厦23楼C-1座 邮编: 610016 电话: (028) 8619 9730 传真: (028) 8619 9805深圳:深圳市福田区金田南路大中华国际交易广场25层2512-2516室 邮编: 518034 电话: (0755) 2399 8272 传真: (0755) 8218 4776大连:大连经济技术开发区东北三街5号 邮编: 116600 电话: (0411) 8765 5951 传真: (0411) 8765 5952天津:天津市河西区友谊路50号友谊大厦B区2门801-802室 邮编: 300061 电话: (022) 2813 1015 传真: (022) 2813 1017南京:南京市中山东路90号华泰大厦18楼S1座 邮编: 210002 电话: (025) 8445 3228 传真:(025) 8445 3808西安:西安市南二环西段21号华融国际商务大厦A座16-F 邮编: 710061 电话: (029) 8230 9930 传真: (029) 8230 9630广州:广州市海珠区新港东路1068号中洲中心北塔1609室 邮编: 510335 电话: (020) 8923 6730 传真: (020) 8923 6715东莞:东莞市长安镇锦厦路段镇安大道聚和国际机械五金城C308室 邮编: 523852 电话: (0769) 8547 9675 传真: (0769) 8535 9682沈阳:沈阳市沈河区团结路9号华府天地第5幢1单元14层6号 邮编: 110013 电话: (024) 22598830 传真: (024) 22598030用户友好、易于操作的伺服系统三菱通用交流伺服3.国际标准2.易于使用1.高性能高精度定位(伺服电机编码器分辨率:131072)高响应性通过适应性振动抑制控制功能抑制振动采用个人电脑和可选的设置软件能够进行优化调谐具有2种类型接口:脉冲串接口用于位置控制和内部速度控制(MR-E-A-KH003)模拟输入接口用于速度控制和转矩控制(MR-E-AG-KH003)伺服放大器端子排采用连接器,减少所需接线时间连接器位于伺服放大器前面,易于链接电缆通过实时自动调谐功能可以方便地进行增益调节符合国际标准MR-E Super符合EN,UL,cUL标准。
三菱伺服说明书三菱伺服说明书篇一:三菱伺服报警代码三菱伺服说明书 MR-J2-B伺服放大器手册(英文)8 - 1 Alarm and warning lists 报警和警告名单When a fault occurs during operation, the corresponding alarm or warning is displayed. If any alarm or warning has occurred, refer to Section 8.2 or 8.3 and take the appropriate action.AlarmsWarnings:当故障发生在操作过程中,相应的报警或显示警告。
如果任何警报或警告发生,请参阅第8.2或8.3,并采取适当的行动。
报警警告Display Name 显示名称10 Undervoltage10欠压11 Board error 1 11 局错误112 Memory error13 Clock error15 Memory error 216 Encoder error 117 Board error 218 Board error 320 Encoder error 224 Ground fault25 Absolute position erase30 Regenerative error31 Overspeed32 Overcurrent33 Overvoltage34 CRC error35 Command F T error36 Transfer error37 Parameter error46 Servo motor overheat50 Overload 151 Overload 252 Error excessive8E RS-232C error88 Watchdog92 Open battery cable warning96 Zero setting errorE0 Excessive regenerative load warningE1 Overload warningE3 Absolute position counter warningE4 Parameter warningE6 Servo emergency stopE7 Controller emergency stopE9 Main circuit off warning12内存错误1 14时钟误差 15 内存错误2 16 编码器错误117局错误2 18局的错误3 20编码器错误2 24接地故障 25绝对位置擦除 3 0再生错误31超速32过流33过压保护 34 CRC错误 35指挥F t误差 36传输错误 37参数错误 46伺服电机过热 50超载1 51超载2 52错误过多 8E型的RS - 232错误88看门狗92打开电池电缆警告96零设定错误过度负荷的 E0再生警告E1超载警告E3展绝对位置计数器警告E4类参数警告E6伺服紧急停止 E7的紧急停止控制器 E9主回路关闭警告三菱伺服说明书篇二:最新三菱PLC编程最新手册三菱PLC 编程手册目录第一章 FX1N PLC编程简介1.1 FX1N PLC 简介 (1)1.1.1 FX1N PLC 的提出 (1)1.1.2 FX1N PLC 的特点 (1)1.1.3 FX1N PLC 产品举例 (1)1.1.4 关于本手册 (1)1.2 编程简介 (1)1.2.1 指令集简介 (2)1.2.2 资源集简介 (7)1.2.3 编程及应用简介 (9)第二章基本逻辑指令说明及应用2.1 基本逻辑指令一览表 (10)2.1 [LD],[LDI],[LDP],[LDF],[OUT,指令 (10)2.2.1 指令解说 (10)2.2.2 编程示例 (10)2.3[AND],[ANI],[ANDP],[NDF,指令 (11)2.3.1 指令解说 (11)2.3.2 编程示例 (12)2.4 [OR],[ORI],[ORP],[ORF,指令 (13)2.4.1 指令解说 (13)2.4.2 编程示例 (13)2.5 [ANB],[ORB,指令 (14)2.5.1 指令解说 (14)2.5.2 编程示例 (14)2.6 [INV,指令 (15)2.6.1 指令解说.............................. (15)2.6.2 编程示例 (15)2.7 [PLS],[PLF,指令 (16)2.7.1 指令解说 (16)2.7.2 编程示例 (17)2.8 [SET],[RST]指令 (17)2.8.1 指令解说 (17)2.8.2 编程示例 (18)2.9 [NOP],[END]指令 (18)2.9.1 指令解说 (18)2.9.2 编程示例 (18)2.10 [MPS],[MRD],[MPP] 指令 (18)2.10.1 指令解说 (18)2.10.2 编程示例 (19)2.11[MC],[MCR]指令 (21)2.11.1指令解说 (21)2.11.2 编程示例 (21)第三章步进顺控指令说明及应用3.1步进顺控指令说明 (22)3.1.1 指令解 (22)3.1.2 编程示例 (25)3.2 步进顺控指令应用 (25)3.2.1 单一流程示例 (25)3.2.2 选择性分支与汇合示例 (26)3.2.3 并行分支与汇合示例 (27)3.2.4 循环和跳转示例 (29)第四章功能指令说明及应用4.1 功能指令一览表 (31)4.2 程序流程 (33)4.2.1 条件跳转[CJ] (33)4.2.2 子程序调用[CALL] (35)4.2.3 子程序返回[SRET] (35)4.2.4 主程序结束[FEND] (36)4.2.5 循环范围开始,FOR] (37)4.2.6 循环范围结束「NEXT] (37)4.3 传送与比较 (38)4.3.1 比较指令[CMP] (39)4.3.2 区域比较,ZCP] (40)4.3.3 传送指令[MOV] (41)4.3.4 反向传送,CML] (43)4.3.5 BCD 转换,BCD] (44)4.3.6 BIN 转换,BIN] (45)4.4 四则逻辑运算 (46)4.4.1 BIN 加法运算[ADD] (46)4.4.2 BIN 减法运算[SUB] (47)4.4.3 BIN 乘法运算[MUL] (48)4.4.4 BIN 除法运算,DIV] (49)4.4.5 BIN 1 [INC]................................... .. (50)4.4.6 BIN 减1[DEC] (50)4.4.7 逻辑与[WAND] (51)4.4.8 逻辑或[WOR] (51)4.4.9 逻辑异或[WXOR] (52)4.4.10 求补,NEG] (53)4.4.11 BIN 开方运算[SQR] (53)4.5 循环与移位 (54)4.5.1 循环右移[ROR] (54)4.5.2 循环左移[ROL] (55)4.5.3带进位循环右移,RCR] .............................................. (56)4.5.4 带进位循环左移[RCL] (58)4.6 浮点数运算 (59)4.6.1 二进制浮点数比较「DECMP] (59)4.6.2二进制浮点数区域比较[DEZCP] (60)4.6.3 二进制浮点数转十进制浮点数[DEBCD] (61)4.6.3 十进制浮点数转二进制浮点数[DEBIN] (62)4.6.5 二进制浮点数加法[DEADD] (62)4.6.6 二进制浮点数减法[DESUB] (63)4.6.7 二进制浮点数乘法「DEMUL] (64)4.6.8 二进制浮点数除法「DEDIV] (65)4.6.9 二进制浮点数开方「DESQR] (66)4.6.10 二进制浮点数转BIN 整数变换「INT] (67)4.6.11 BIN 整数转二进制浮点数「FLT] (68)4.7 触点比较指令 (69)4.7.1 接点比较指令「LD※, (69)4.7.2 接点比较指令「AND※, (70)4.7.3接点比较指令「OR※, (72)4.8 功能指令的基本规则 (73)4.8.1 (功能指令的表示与执行形式................................ . (73)4.8.2 功能指令内的数值处理 (75)4.8.3 利用变址寄存器的操作数修改 (77)第五章资源说明及应用5.1变址寄存器V 、Z 说明及应用 (80)5.1.1 变址寄存器V 、Z 说明 (80)5.1.2 变址寄存器在梯形图中的应用 (80)5.1.3 使用变址功能的注意事项 (81)5.2 输入输出继电器X 、Y 说明及应用 (82)5.2.1 输入输出继电器X 、Y 说明 (82)5.2.2输入输出继电器应用 (83)5.3 辅助中间继电器M 说明及应用 (85)5.3.1 辅助中间继电器M 说明 (85)5.3.2 辅助中间继电器M 应用 (85)5.4 状杰继申器S 说明及应用 (87)5.4.1 状态继电器S 说明 (87)5.4.2 状态继电器S 应用 (88)5.5 定时器T 说明及应用 (88)5.5.1 定时器T 说明 (88)5.5.2 定时器T 应用...................................................905.6计数器C 说明及应用 (92)5.6.1 16 bit 计数器C 说明............................................925.6.2 32 bit 计数器C 说明............................................935.6.3 16 bit 计数器C 应用............................................955.6.4 32 bit 计数器应用 (96)5.7数据寄存器D 说明及应用 (97)5.7.1 数据寄存器D 说明...............................................975.7.2 数据寄存器D 应用...............................................995.8程序位置指针P 说明及应用 (100)5.8.1 程序位置指针P 说明 (100)5.8.2 程序位置指针P 应用 (100)5.9常数标记K 、H 详细说明 (102)5.9.1 常数标记K (102)5.9.2 常数标记H (103)5.10 特殊软元件说明 (103)第六章 PID指令说明及应用6.1 PID 运算 (104)6.1.1............................................................... ..1046.1.2 应用示例 (110)第一章FX1N PLC 编程简介1.1 FX1N PLC 简介1.1.1 FX1N PLC 的提出基于以下观点,提出FX1N PLC 的概念:? 、软件和硬件独立设计。
MITSUBISHI
三菱J2S数字交流伺服
安装调试说明书
(2003.11版本)
目 录
1. 三菱J2S连接示意图
2. 通电前的检查
3. 通电时的检查
4. 三菱J2S伺服驱动器的参数设定方法 5. 三菱J2S伺服驱动器的参数表
6. 三菱J2S伺服驱动器的参数和性能优化调整
1.三菱J2S连接示意图
重要提示: 由于电机和编码器是同轴连接,因此,在电机轴端安装带轮或连轴器时,请勿敲击。
否则,会损坏编码器。
(此种 情况,不在三菱的保修范围!)
2. 通电前的检查
1) 确认三菱J2S伺服驱动器和电机插头的连接,相序是否正确: A. 中惯量电机HC-SFS 52(0.5KW)~152(1.5KW)的连接:
伺服驱动器 电机插头
U A
V B
W C
接地 D 刹车电源 B1 G
刹车电源 B2 H
B. 中惯量电机HC-SFS 202(2.0KW)以上的连接:
伺服驱动器 电机插头
U A
V B
W C
接地 D
制动器插头
刹车电源 B1 A
刹车电源 B2 B
注: 电机相序错误,通电时会发生电机抖动现象。
刹车电源 B1、B2无极性。
2)确认三菱J2S伺服驱动器CN2和伺服电机编码器联接正确,
接插件螺丝拧紧。
3)确认三菱J2S伺服驱动器CN1A和数控系统的插头联接正确, 接插件螺丝拧紧。
4) 确认三菱J2S伺服驱动器CN1B接插件螺丝拧紧,和外部控制连接正确。
3.通电时的检查
1) 确认三相主电路输入电压在200V-220V范围内,单相主电路输入
电压在200V-220V范围内。
建议用户选用380V/200V的三相伺服变压器。
2)确认接地可靠。
4.三菱J2S伺服驱动器的参数设定方法
三菱J2S伺服驱动器修改参数的操作方法,如下: 1) 按“MODE”按钮,可切换显示以下6种方式,
2
切换到显示基本参数画面:
2) 按○·UP和○· DOWN键,选择想修改参数的参数号(例修改2号参
3) 按2次○·SET键(想修改参数的参数值显示并闪烁)。
4) 按○·UP键和○·DOWN键,改变参数值。
(只有闪烁部分的参数值,才可以改变)
5) 按○·SET键,确认修改的参数值。
重复以上2)~5)步骤,输入所有想改变的参数(按5.三菱J2S伺服驱动器的参数表)。
注1:三菱J2S伺服驱动参数分为基本参数(NO.0~NO.19),扩展参数1(NO.20~NO.49), 扩展参数2(NO.50~NO.84)。
大部分参数无需用户设定,只需按“5.三菱J2S伺服驱动器的参数表”设置即可。
注2:参数符号前带“*”的参数,改变数值后,需关电源,再开电源才能有效。
(详细请参见三菱J2S伺服驱动说明书)
5.三菱J2S伺服驱动器的参数表:
三菱J2S伺服驱动器和凯恩帝数控系统相配时,只需设定以下参数(见参数表);其余参数,一般情况下,不用修改。
参数表
参数号 参数
符号
名 称 和 功 能 初始
值
设置
值
0 *STY 控制模式设定 0000
0000
6. 三菱及J2S伺服驱动器的参数和性能优化调整 根据上表设置好三菱J2S伺服驱动器参数后, 开始精确调整伺服性能(机床有二根轴以上,需要调整各轴的位置增益并使之匹配,所以采用采用三菱的“插补模式增益调整”),步骤如下:
(1) 开关一次驱动器电源,参数有效。
(2) 用数控系统手动方式来回反复加减速运行该运动轴,(由于NO.2参数已设为“0105”,此时运动轴伺服驱动器按“自动调谐模式1”方法,自动确定驱动器参数)
(3) 如果伺服性能较稳,调整NO.2号参数,逐步增加它,
NO.2
(此值越大,机床响应速度越快,系统的跟踪性能越好。
但是此值太大,机床可能发生振荡)
(4) 重复(2)~(3)步骤。
一直到电机没有异常的响声或振荡为止的最大限度的数值。
(5) 读出N0.6参数(PG1位置环增益1)和N0.36参数(VG1速度环增益1)的数值(此值作为N0.6参数和N0.36参数最大范围的数值)。
(6) 将NO.2号参数左边第二位改为“0”(即设定为“000X”), NO.2 :
“1改为
(这样,三菱J2S伺服驱动器按“插补模式增益调整”方法,
自动确定驱动器参数)。
(7) 把第(5)步读出N0.6参数(PG1位置环增益1) 的数值,输入到驱动器中。
用数控系统手动方式来回反复加减速运行该运动轴,修正N0.6参数。
(8) 设置N0.36参数(VG1速度环增益1)的数值为第(7)步设定的N0.6参数的三倍以上(不超过 第(5)步读出N0.36参数(VG1速度环增益1)的数值)。
(9) 运行机床,观察插补特性和运行状态,细微调整。
说明: 自动增益调整是较为简单方便的调整方法,如果此方法无法使机床调整得非常好,请采用“手动调整”方法,详细请参
阅:三菱使用说明书。
。