柱内力组合
- 格式:doc
- 大小:639.76 KB
- 文档页数:9
底层柱、墙最大组合内力(WDCNL·OUT)该文件主要用于基础设计,给基础计算提供上部结构的各种组合内力,以满足基础设计的要求。
格式:The Combined Forces of Columns,Braces and Shear—Wall on First Floor底层柱、墙、斜柱(支撑)的组合内力Total—Columns= Total—wall columns= Total Braces=底层柱数底层剪力墙—柱数底层支撑数Rlive ——活荷载折减系数1. 底层柱组合内力格式: N-C(LoadCase), Node No, Shear-X, Shear-Y, Axial, Moment-X, Moment-Y,NE, Critical Condition其中:N-C ——表示柱单元号LoadCase ——表示组合号Node No ——柱节点号Shear-X,Shear-Y——分别表示该柱x、y方向的剪力Axial ——表示该柱底的轴力Moment-X,Moment-Y——分别表示该柱X、Y方向的弯矩NE ——该项组合力是否有地震力参与的标志,0表示没有地震参与;1表示有地震参与Critical Condition ——表示荷载组合代号(1) Vxmax ——为最大剪力组合(X向)(2) V ymax ——为最大剪力组合(Y向)(3) Nmin ——为最小轴力组合(4) Nmax ——为最大轴力组合(5) Mxmax ——为最大弯矩组合(X向)(6) Mymax ——为最大弯矩组合(Y向)(7) D+L ——为(1.2恒+1.4活)组合2. 底层斜柱或支撑组合内力斜柱或支撑的组合内力与柱完全一样,可以参考柱的格式阅读3. 底层墙组合内力格式: N-Wc(LoadCase), (I,J), Shear, Axial, Moment, NE, Critical Condition其中:N-Wc ——表示剪力墙配筋墙-柱号LoadCase ——表示组合工况号,0的含义同柱I,J ——表示该墙-柱的左右节点号Shear ——表示该墙-柱的剪力Axial ——表示该墙-柱的轴力Moment ——表示该墙-柱的弯矩NE ——含义同柱Critical Condition ——含义同柱4. 各荷载组合下的合力及合力点座标该合力点Mx=0, My=0格式:Xod, Y od, Sum of Axial, Critical Condition其中:Sum of Axial ——表示合力。
四、内力组合
1、梁的内力组和合
梁的内力组合按:
① 1.2恒荷载+1.4活荷载;
② 1.2恒荷载+1.4风荷载
③ 1.2恒荷载-1.4风荷载
④ 1.2恒荷载+1.4×0.8×(风荷载+活荷载)
⑤ 1.2恒荷载+1.4×0.8×(活荷载-风荷载)
其中风荷载作用考虑左右2种组合,在表中只用+.-取值
5种不同情况取最大值恒荷载取值见表3-4,活荷载取值见表3-8,风荷载取值见表3-12;注意一:梁端弯矩组合时考虑折减0.8的系数,跨中最大弯矩取调幅后的值,风荷载考虑左右风正负弯矩的影响不进行调幅;
注意二:梁端弯距左正右负,剪力左正右负,风荷载正负无所谓;组合表4-1
2、柱的内力组合
柱的轴力计算:N=P+V,N柱顶=N上柱底+V上层梁,N柱底=N柱顶+P
P为结点集中荷载加柱自重
V为主梁传给柱的剪力
柱A的内力组合: 表4-2
柱B的内力组合:表4-3
柱C的内力组合:表3-4。
表一层柱内力组合杆件名称A0A1B0B1截面位置上端下端剪力上端下端剪力内力种类M N M N V M N M N V 竖向恒载①竖向活载(满跨)②重力荷载代表值③水平地震作用(左向)④水平地震作用(右向)⑤内力组合1.2①+1.4②1.35①+1.4×0.7②1.2③+1.3④(或⑤)M maxN maxN min表二层柱内力组合杆件名称A1A2B1B2截面位置上端下端剪力上端下端剪力内力种类M N M N V M N M N V 竖向恒载①竖向活载(满跨)②重力荷载代表值③水平地震作用(左向)④水平地震作用(右向)⑤内力组合1.2①+1.4②1.35①+1.4×0.7②1.2③+1.3④(或⑤)M maxN maxN min表三层柱内力组合杆件名称A2A3B2B3截面位置上端下端剪力上端下端剪力内力种类M N M N V M N M N V 竖向恒载①竖向活载(满跨)②重力荷载代表值③水平地震作用(左向)④水平地震作用(右向)⑤内力组合1.2①+1.4②1.35①+1.4×0.7②1.2③+1.3④(或⑤)M maxN maxN min表四层柱内力组合杆件名称A3A4B3B4截面位置上端下端剪力上端下端剪力内力种类M N M N V M N M N V 竖向恒载①竖向活载(满跨)②重力荷载代表值③水平地震作用(左向)④水平地震作用(右向)⑤内力组合1.2①+1.4②1.35①+1.4×0.7②1.2③+1.3④(或⑤)M maxN maxN min表五层柱内力组合杆件名称A4A5B4B5截面位置上端下端剪力上端下端剪力内力种类M N M N V M N M N V 竖向恒载①竖向活载(满跨)②重力荷载代表值③水平地震作用(左向)④水平地震作用(右向)⑤内力组合1.2①+1.4②1.35①+1.4×0.7②1.2③+1.3④(或⑤)M maxN maxN min表六层柱内力组合杆件名称A5A6B5B6截面位置上端下端剪力上端下端剪力内力种类M N M N V M N M N V 竖向恒载①竖向活载(满跨)②重力荷载代表值③水平地震作用(左向)④水平地震作用(右向)⑤内力组合1.2①+1.4②1.35①+1.4×0.7②1.2③+1.3④(或⑤)M maxN maxN min。
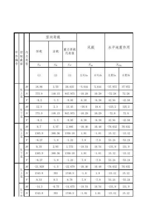
表6-2(a)横向框架B柱弯矩和轴力组合
注:表中M以左侧受拉为正,单位为KN.m,N以受压为正,S QK一列中括号内的数值为屋面上雪荷载,其他层楼面作用活荷载对应的内力值。
表6-2(b)横向框架B柱柱端弯矩设计值的调整
注:表中弯矩为相应于本层柱净高上、下两端的弯矩设计值。
表6-2(c)横向框架B柱剪力组合(KN)
柱:表中V以绕柱端顺时针为正。
表6-3(a)横向框架C柱弯矩和轴力组合
注:表中M以左侧受拉为正,单位为KN.m,N以受压为正,S QK一列中括号内的数值为屋面上雪荷载,其他层楼面作用活荷载对应的内力值。
表6-3(b)横向框架C柱柱端弯矩设计值的调整
注:表中弯矩为相应于本层柱净高上、下两端的弯矩设计值。
表6-3(c)横向框架C柱剪力组合(KN)
柱:表中V以绕柱端顺时针为正。
表6-4(a)横向框架D柱弯矩和轴力组合
注:表中M以左侧受拉为正,单位为KN.m,N以受压为正,S QK一列中括号内的数值为屋面上雪荷载,其他层楼面作用活荷载对应的内力值。
表6-4(b)横向框架D柱柱端弯矩设计值的调整
注:表中弯矩为相应于本层柱净高上、下两端的弯矩设计值。
表6-4(c)横向框架D柱剪力组合(KN)
柱:表中V以绕柱端顺时针为正。
表6-5(a)横向框架E柱弯矩和轴力组合
注:表中M以左侧受拉为正,单位为KN.m,N以受压为正,S QK一列中括号内的数值为屋面上雪荷载,其他层楼面作用活荷载对应的内力值。
表6-5(b)横向框架E柱柱端弯矩设计值的调整
注:表中弯矩为相应于本层柱净高上、下两端的弯矩设计值。
表6-5(c)横向框架E柱剪力组合(KN)
柱:表中V以绕柱端顺时针为正。