预防性试验收费标准
- 格式:doc
- 大小:28.00 KB
- 文档页数:2
【经营服务价格政策】德清县电力设备试验等收费项目和收费标准自2005年6月1起,德清县电力实业有限责任公司为客户提供电力设备试验、维修等服务的收费项目和收费标准如下:1、继电保护试验收费标准2、预防性试验收费标准设备4、配变试验收费标准10Kv配变试验收费标准35Kv配变试验收费标准2、现场试验不含汽车费;现场试验用户可自行解决车辆,公司派车费用另计3、变压器调档只做直流电阻试验5、配变维修收费标准10Kv配变维修收费标准35Kv配变维修收费标准2、现场试验不含汽车费;现场试验用户可自行解决车辆,公司派车费用另计3、以上费用不含维修材料费;维修材料费另算(详见材料费标准)6、变压器材料收费标准10KV变压器材料收费标准2.汽车费200.00元/辆.次3.干燥费以0.95元/度计算4.维修、试验费用必须填写在结算清单上5.结算清单一式三份,用户、供电营业厅(95598)、公司各一份7、其它试验收费标准8、变压器租借收费标准1、客户租借变压器需预付押金,标准为该租借变压器的销售价。
2、自出借之日起至归还时累计计算,不足 15 天部分按半月收费,超出 15 天部分按全月收费,租金结清后出租方一次性归还承租方押金,出借日、归还日按 实际从甲方仓库提取和归还日期计算。
3、承租方使用结束,应及时向有关部门提出拆除申请,并通知出租方,如因出租方原因未 能在承租方提出申请后十天内拆除,超时部分不再收取租借费用。
4、承租方对租借的变压器应妥善使用和管理,如有损坏,应负责全部修复或赔偿费用。
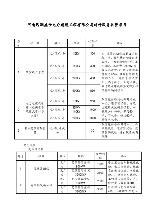
河南远翔盛世电力建设工程有限公司对外服务收费项目
电气试验
八、变压器修理
1、10KV配电变压器修理(单位:元/次•台)
2、35KV及以上变压器修理(单位:元/次•台)
说明:1、小修指一般渗漏油处理;添加油;更换硅胶、配置部分铜罗母、垫圈;外壳一般性清洗;预防性试验(含油简化)。
2、吊芯检修指芯体吊芯检查、缺陷处理及清洗;渗漏油处理;更换硅胶、配置部分铜罗母、垫圈;外壳一般性清洗;油过滤、添加油;吊芯前、后试验共二次(含油简化);场内起吊、运输。
3、一般大修指芯体检查、检修及清洗;芯体干燥;更换所有密封垫及部分配件;换油;外壳清洗、检漏、油漆;检修前、后试验二次(含油简化);4、现场大修指芯体大修、缺陷处理及清洗;渗漏油处理;渗漏油处理;更换所有密封垫及部分配件;油过滤、添加油;检修前后试验二次(含油简化)。
附表:电力服务(涉电维护、检测等)收费项目与标准一、代管费
二.电气试验
1、变压器试验
2、避雷器.电容器试验
3、电缆试验
4、开关试验
5、接地装置试验
6、互感器试验
7、母线试验
8、消弧线圈试验
10.高压电机试验
11、互感器二次通电与特性试验、仪表、二次回路测绝缘
12、继电器校验
13、继电保护二次回路正确性检查.绝缘试验.整组传动、定校
14、UOKVGIS 设备
15、微机保护以上保护的基数上乘以2系数;进口保护在以上保护的基数上乘以3系数。
三、工程安全技术措施与安全用具试验
四、油样化验
五.用户内部盘表检、校、修理
六、10KV配电变压器修理(单位:元/次台)
七、客户内部计量装置维护收费标准
供电部门对客户内部.属客户资产的计量等装置开展有偿检验、维护
和修理等服务。
1、10KV0. 2级互感器城内运输费为64元/台。
2、35KV0. 2级互感器城内运输费为160元/台。
八、客户内部继电保护整定等项目收费标准
九、带电作业
电力服务收费标准
21 / 20。
公司电器试验检验收费标准
电气设备试验附加收费说明:
一、以上收费标准为预防性试验,如果为交接试验按预防性试验收费的定额乘以系数1.2.
二、同步电动机和绕线式电动机按交流电动机定额乘以系数1.5。
三、三绕组电力变压器的定额乘以系数1。
2。
四、有载调压变压器的定额乘以系数1.1。
五、三相干式变压器、整流变压器的定额乘以系数0.8。
六、电容式互感器按相应的定额乘以系数1。
2。
七、三相式电压互感器按相应的定额乘以系数2.0。
八、负荷开关按隔离开关定额乘以系数2.0。
电器试验检验收费标准
m3。
【经营服务价格政策】德清县电力设备试验等收费项目和收费标准自2005年6月1起,德清县电力实业有限责任公司为客户提供电力设备试验、维修等服务的收费项目和收费标准如下:1、继电保护试验收费标准2、预防性试验收费标准3、投产大修试验收费标准4、配变试验收费标准10Kv配变试验收费标准35Kv配变试验收费标准注:1、以上收费标准均含人工费2、现场试验不含汽车费;现场试验用户可自行解决车辆,公司派车费用另计3、变压器调档只做直流电阻试验5、配变维修收费标准10Kv配变维修收费标准35Kv配变维修收费标准注:1、以上收费标准均含人工费及检查费2、现场试验不含汽车费;现场试验用户可自行解决车辆,公司派车费用另计3、以上费用不含维修材料费;维修材料费另算(详见材料费标准)6、变压器材料收费标准10KV变压器材料收费标准注:1.人工费20.00元/小时2.汽车费200.00元/辆.次3.干燥费以0.95元/度计算4.维修、试验费用必须填写在结算清单上5.结算清单一式三份,用户、供电营业厅(95598)、公司各一份7、其它试验收费标准8、变压器租借收费标准注:有关情况说明1、客户租借变压器需预付押金,标准为该租借变压器的销售价。
2、自出借之日起至归还时累计计算,不足15天部分按半月收费,超出15天部分按全月收费,租金结清后出租方一次性归还承租方押金,出借日、归还日按实际从甲方仓库提取和归还日期计算。
3、承租方使用结束,应及时向有关部门提出拆除申请,并通知出租方,如因出租方原因未能在承租方提出申请后十天内拆除,超时部分不再收取租借费用。
4、承租方对租借的变压器应妥善使用和管理,如有损坏,应负责全部修复或赔偿费用。
本通知自1999年4月1日起执行。
附件:1.《福建省卫生防疫收费标准》2.有关规定附件一、微生物、免疫、寄生虫检验类序号项目计算单位收费标准(元) 备注1 细菌涂片检查项 3.52 常见细菌或真菌分离鉴定项 353 菌落或菌群测定项 404 水产养殖致病菌分离鉴定项 1205 疑难病原菌分离鉴定(包括非发酵菌、厌氧菌、少见的致病性球菌、杆菌、弧菌)项 1206 螺旋体分离与鉴定项 1007 衣原体检查次/人 308 衣原体培养次/人 709 支原体培养次/人 6010 药敏试验项 1011 菌株质粒检测株 2012 病毒分离或鉴定项 8013 霉菌分离或鉴定项 6014 黄曲霉产毒试验项 30015 血清抗原或抗体检测型/份 7016 艾滋病确认试验次 200017 寄生虫涂片检查份 318 寄生虫培养份 819 寄生虫抗原或抗体检测份 5020 寄生虫鉴定份 1021 螨计数份 3022 商业无菌试验份 100卫生防疫收费包括检验过程中所需的材料、试剂、实验动物及饲料等所有费用(本标准另有特别说明的除外)以下各类各项收费均同。
进口试剂80元。
特殊寄生虫培养30元二、消毒、杀虫、灭鼠检测类序号项目计算单位收费标准(元) 备注23 消毒剂或消毒器械实验项 100024 消毒药械现场或模拟现场杀菌实验项 150025 一次性医疗用品灭菌检验批号 30026 卫生用品细菌学检测批号 20027 高压锅灭菌效果检测生物法锅次 40物理或化学法锅次 2028 紫外线灭菌质量检测支 3029 溶血试验项/次 4530 热源检验项/次 4531 异常毒性试验项/次 3032 无菌检验项/次 3633 杀虫剂效果检测虫/次 50034 蚊香类效果检测虫/次 15035 驱避剂效果检测虫/次 80036 杀虫剂稳定性或残效期试验项 100037 杀虫剂适口性或粘捕效果测定次 45038 杀虫药械现场或模拟现场杀灭效果次 200039 灭鼠药室内灭效试验份 100040 灭鼠药适口性测定份 60041 灭鼠剂定性检测项 3042 灭鼠药现场灭效试验份 300043 鼠患测定 100粉块 20按杀微生物实验、有机物影响杀菌效果、稳定性实验、破坏HBsAg试验、金属腐蚀性实验进行情况单项计费。
电力服务收费项目及标准电力服务收费项目及标准一、代管费代管费包括涉电维护、检测等服务,收费标准如下:序号项目单位收费标准(元/百米、年)1 架空线代管费元/百米、年 2~42 电力电缆代管元/百米、年 9~153 变压器 10kV 元/年、千伏安 12035kV 元/年、千伏安 260110kV 元/年、千伏安 320220kV 元/年、千伏安 360配电变压器元/年、千伏安 700~900箱式变压器元/年、千伏安 800~9004 配电站收费代管 - 按固定资产2~4%计取 -备注:1.代管费包括每年检修调试一次,特巡二次,及24小时事故抢修等。
2.代管费包括线路的每月巡视一次、每年特巡和夜巡二次等。
不足50米不收费;超过50米按百米收费。
3.代管费包括线路的每月巡视一次、避雷试验、电缆预防性试验。
不足50米不收费;超过50米按百米收费。
二、电气试验电气试验包括变压器试验、避雷器、电试验等服务,收费标准如下:1.变压器试验序号项目单位规格(变压器容量≤)收费标准(元/台)1 变压器预试元/台 500~20002 变压器交接试验元/台 2700~35003 变压器预试(35kV)元/台 800~27004 变压器预试(110kV)元/台 3500~65005 变压器检查元/次 120~4006 变压器调档元/次不含电压器试验备注:1.变压器试验包括绝缘试验、电压比试验、线圈直流电阴试验、空载试验等。
特种变压器加收50%;有载调压变压器加收20%;三绕组电力变压器乘以系数1.2;单项电力变压器组如配有备用相变压器乘以系数1.2;若为三相干式变压器、整流变压器乘以系数0.8.2.变压器预试包括绝缘试验、电压比试验、线圈直流电阴试验、空载试验等。
3.变压器检查和调档的收费标准根据变压器容量不同而有所不同。
2.避雷器、电试验序号项目规格单位收费标准(元/组)1 避雷器 10kV(普通型)元/组 500010kV(氧化锌型)元/组 650035kV(普通型)元/组 900035kV(氧化锌型)元/组2 电 - - -备注:避雷器、电试验的收费标准根据规格不同而有所不同。
本通知自1999年4月1日起执行。
附件:1.《福建省卫生防疫收费标准》2.有关规定附件一、微生物、免疫、寄生虫检验类序号项目计算单位收费标准(元) 备注1 细菌涂片检查项 3.52 常见细菌或真菌分离鉴定项 353 菌落或菌群测定项 404 水产养殖致病菌分离鉴定项 1205 疑难病原菌分离鉴定(包括非发酵菌、厌氧菌、少见的致病性球菌、杆菌、弧菌)项 1206 螺旋体分离与鉴定项 1007 衣原体检查次/人 308 衣原体培养次/人 709 支原体培养次/人 6010 药敏试验项 1011 菌株质粒检测株 2012 病毒分离或鉴定项 8013 霉菌分离或鉴定项 6014 黄曲霉产毒试验项 30015 血清抗原或抗体检测型/份 7016 艾滋病确认试验次 200017 寄生虫涂片检查份 318 寄生虫培养份 819 寄生虫抗原或抗体检测份 5020 寄生虫鉴定份 1021 螨计数份 3022 商业无菌试验份 100卫生防疫收费包括检验过程中所需的材料、试剂、实验动物及饲料等所有费用(本标准另有特别说明的除外)以下各类各项收费均同。
进口试剂80元。
特殊寄生虫培养30元二、消毒、杀虫、灭鼠检测类序号项目计算单位收费标准(元) 备注23 消毒剂或消毒器械实验项 100024 消毒药械现场或模拟现场杀菌实验项 150025 一次性医疗用品灭菌检验批号 30026 卫生用品细菌学检测批号 20027 高压锅灭菌效果检测生物法锅次 40物理或化学法锅次 2028 紫外线灭菌质量检测支 3029 溶血试验项/次 4530 热源检验项/次 4531 异常毒性试验项/次 3032 无菌检验项/次 3633 杀虫剂效果检测虫/次 50034 蚊香类效果检测虫/次 15035 驱避剂效果检测虫/次 80036 杀虫剂稳定性或残效期试验项 100037 杀虫剂适口性或粘捕效果测定次 45038 杀虫药械现场或模拟现场杀灭效果次 200039 灭鼠药室内灭效试验份 100040 灭鼠药适口性测定份 60041 灭鼠剂定性检测项 3042 灭鼠药现场灭效试验份 300043 鼠患测定 100粉块 20按杀微生物实验、有机物影响杀菌效果、稳定性实验、破坏HBsAg试验、金属腐蚀性实验进行情况单项计费。
电力设备试验等收费项目和收费标准【经营服务价格政策】德清县电力设备试验等收费项目和收费标准自2005年6月1起,德清县电力实业有限责任公司为客户提供电力设备试验、维修等服务的收费项目和收费标准如下:1、继电保护试验收费标准试验设备试验性质试验费(元) 备注 10KV主变保护交流电流回路定校 350/台交流电压回路定校 100/台直流回路定校 350/台信号回路定校 100/台升流试验 300/台改定值 350/台传动试验 250/台故障检查 200-500/台根据故障性质 10KV(6.3KV)线路保护交流电流回路定校 350/条直流回路定校 300/条信号回路定校 100/条升流试验 300/条改定值 300/条传动试验 200/条故障检查 200-400/条根据故障性质 35KV主变保护交流电流回路定校 450/台交流电压回路定校 150/台直流回路定校 450/台信号回路定校 200/台升流试验 400/台改定值 450/台传动试验 300/台故障检查 200-600/台根据故障性质 35KV线路保护交流电流回路定校 400/条交流电压回路定校 100/条直流回路定校 400/条信号回路定校 150/条升流试验 400/条改定值 400/条传动试验 300/条故障检查 200-500/条根据故障性质直流、中央信号保护定校 600/套故障检查 200-400/套根据故障性质指示仪表校验或更换 30/只注:在保护定校中发现回路故障则不再重复算故障检查费2、预防性试验收费标准试验设备试验项目试验费(元) 备注 35KV主变绝缘电阻及吸收比100直流电阻 400直流泄漏 400介损试验 1000有载开关大修 1000 含直流电阻预试绝缘电阻 100 35KV少油开关直流泄漏300回路电阻 100 预试 500 35KVSF6开关绝缘电阻 100回路电阻 100耐压试验 300 预试 500 35KV真空开关绝缘电阻 100回路电阻 100耐压试验 300 预试 500 35KV多油开关绝缘电阻 100回路电阻 100介损试验 1500 预试 1700 10KV真空开关绝缘电阻 100回路电阻 100真空度试验 200 预试 400 10KV少油开关绝缘电阻 100回路电阻 100耐压试验 200 预试 400 35KV互感器绝缘电阻 100介损试验 500 预试 600 10KV电缆预试 150 35KV电缆预试 150 10KV母线耐压(次) 500 测零值(次) 35KV变电所 500110KV变电所 1000 电流互感器 35KV干式 300/台10KV干式 200/台3、投产大修试验收费标准试验设备试验项目试验费(元) 备注 35KV主变绝缘电阻及吸收比100直流电阻 400直流泄漏 400介损试验 1000极化指数 200变比试验 500空载试验 800短路阻抗 500交流耐压(大) 1300有载开关大修 1000 含直流电阻投产 5100 35KV少油开关绝缘电阻 100 直流泄漏 300回路电阻 100机械特性 500耐压试验 300 投产、大修 1300 35KVSF6开关绝缘电阻 100回路电阻 100机械特性 500耐压试验 300检漏 300 投产、大修 1300 35KV真空开关绝缘电阻 100回路电阻 100机械特性 500耐压试验 300 试验设备试验项目试验费(元) 备注投产、大修1000 35KV多油开关绝缘电阻 100回路电阻 100机械特性 500耐压试验 300介损试验 1500 投产、大修 2500 10KV真空开关绝缘电阻 100回路电阻 100机械特性 500真空度试验 200 投产、大修 900 10KV油开关绝缘电阻 100回路电阻 100耐压试验 200 投产、大修 400 35KV互感器绝缘电阻 100介损试验 500耐压试验 300 投产、大修 90010KV电缆 750 35KV电缆 900 10KV电容器组投产 2500 10KV母线耐压(次) 500 测零值(次) 35KV变电所 500110KV变电所 10004、配变试验收费标准10Kv配变试验收费标准全套试验简化试验现场分接开关车间试现场试车间试现场试容量(KVA) 调档试验费验费验费备注:试验项目验费验费备注:试验项目 (元) (元) (元) (元) (元)30--80 350 490 1.绝缘电阻试验 245 310 1.绝缘电阻试验 270 100--200 390 530 2.直流电阻试验 265 335 2.直流电阻试验 275 250--400 420 560 3.变比试验 280 350 3.变比试验 285 500--800 470 610 4.空载和短路试验 305 375 4.耐压试验 290 1000--1600 560 700 5.耐压试验 350 420 31035Kv配变试验收费标准全套试验简化试验现场分接开关车间试现场试车间试现场试容量(KVA) 调档试验费验费验费备注:试验项目验费验费备注:试验项目 (元) (元) (元) (元) (元)50--100 380 520 1.绝缘电阻试验 260 330 1.绝缘电阻试验 290 125--315 420 560 2.直流电阻试验 280 350 2.直流电阻试验 310 400--630 460 600 3.变比试验 300 370 3.变比试验 330 800--1250 500 640 4.空载和短路试验 320 390 4.耐压试验 350 注:1、以上收费标准均含人工费2、现场试验不含汽车费;现场试验用户可自行解决车辆,公司派车费用另计3、变压器调档只做直流电阻试验5、配变维修收费标准10Kv配变维修收费标准不吊芯维修费(元) 吊芯维修费(元) 容量(KVA) 车间现场备注: 车间现场备注:30--80 300 300 390 390100--200 350 350 450 450250--400 450 450 510 510500--800 500 500 700 7001000--1600 900 900 1500 150035Kv配变维修收费标准不吊芯维修费(元) 吊芯维修费(元) 容量(KVA) 车间现场备注车间现场备注 50--100 320 320 390 390 125--315 380 380 480 480 400--630 480 480 580 580 800--1250 620 620 820 820 注:1、以上收费标准均含人工费及检查费2、现场试验不含汽车费;现场试验用户可自行解决车辆,公司派车费用另计3、以上费用不含维修材料费;维修材料费另算(详见材料费标准)6、变压器材料收费标准10KV变压器材料收费标准材料名称规格数量单价备注硅胶 1瓶 30.00 变压器油 10# 1Kg 12.0025# 1Kg 12.00 油位玻璃 1套 68.00 高压套管φ12 1套 120.00 低压桩头φ12 1套 120.00φ16 1套 180.00φ18 1套 260.00φ20 1套 320.00 低压耐油圆珠φ12 1只 3.00φ16 1只 4.50φ18 1只 6.00φ20 1只 8.00φ22 1只 12.00φ24 1只 13.00 低压桩头耐油橡皮圈φ12 1只 3.50φ16 1只 5.00φ18 1只 6.00φ20 1只 8.00 高压套管橡皮圈φ12 1只 16.00 注:1.人工费20.00元/小时2.汽车费200.00元/辆.次3.干燥费以0.95元/度计算4.维修、试验费用必须填写在结算清单上5.结算清单一式三份,用户、供电营业厅(95598)、公司各一份7、其它试验收费标准试验项目试验设备试验费(元) 备注绝缘电阻 50吸收比 100极化指数 200直流泄漏 10KV氧化锌避雷器 150*310KV阀型避雷器 100*335KV氧化锌避雷器 200*335KV阀型避雷器 150*335KV少油开关 300/台35KV主变 400/台10KV电缆 750/根制作900/根(三相)35KV电缆 900/根制作1200/根(三相) 介损试验互感器 500/台35KV主变 1000/台交流耐压 10KV设备 200/次35KV设备 300/次主变耐压(大) 10KV侧 500/次35KV侧 800/次直流电阻 35KV主变 400/台所用变 200/台回路电阻 100/台短路阻抗 500/台空载试验 800/台变比试验 500/台有载开关 1000/台含直流电阻安全工器具 30/件开关机械特性 500/台接地电阻 200/次油化试验油样简化 180/次油样色谱 250/次瓦斯继电器校验 300/只安装350/只8、变压器租借收费标准序号变压器容量月/KVA/元备注 1 160KVA以下 6 2 160KVA及以上 4 注:有关情况说明1、客户租借变压器需预付押金,标准为该租借变压器的销售价。
电力服务(涉电维护、检测等)收费项目及标准附表: 电力服务(涉电维护、检测等)收费项目及标准一、代管费序号项目单位规格收费标准备注元/百米、年 10KV 120 代管包括线路的每月巡视元/百米、年 35KV 260 一次、每年特巡和夜巡二次1 架空线代管费元/百米、年 110KV 320 等.。
不足50米,不收费;元/百米、年 220KV 360 超过50米,按百米收费.代管包括线路的每月巡视元/百米、年 10KV 700一次、避雷器试验、电缆预元/百米、年 35KV 800 2 电力电缆代管费防性试验.。
不足50米,不元/百米、年收费;超过50米,按百米收110KV 900 费.代管包括线路的每月箱式变压器元/年、千伏安 15 变巡视六次、年油化试3 压验、避雷器试验、变压器器油试验、进出线开调配电变压器元/年、千伏安 9试等。
根据固定资产价代管包括每年检修调值、设备投运年配电站 4 试一次~特巡二次~及限、设备所处环代管费境情况按固定资24小时事故抢修等。
产2-4%计取二、电气试验1、变压器试验序号项目单位规格收费标准备注变压器容量?800 500KVA元/台变压器容量?1 变压器预试 1500 800KVA 变压器试验包括绝缘试验、元/台变压器容量?电压比试验、线圈直流电阴2000 3200KVA 试验、空载试验等。
另:特变压器容量?种变压器加收50%,有载调压元/台 2000 800KVA 变压器加收20%,三绕组电力2 变压器交接试验变压器乘以系数1.2,单项电变压器容量?元/台2700 力变压器组如配有备用相变3200KVA压器乘以系数1.2,若为三相变压器容量?变压器预试,35KV, 元/台 3500 干式变压器、整流变压器乘6300KVA以系数0.8。
变压器容3 变压器预试,35KV, 元/台 5000 量>6300KVA变压器容量?变压器预试,110KV, 元/台 6500 31500KVA变压器容变压器预试,110KV, 元/台 9000 量>31500KVA4 变压器检查元/次 120 不含变压器试验5 变压器调档元/次 400 2、避雷器、电容器试验序号项目规格单位收费标准,元,10KV,普通型, 元/组 15010KV,氧化锌型, 元/组 20035KV,普通型, 元/组 30035KV,氧化锌型, 元/组 600 1 避雷器试验 110KV,普通型, 元/组 700110KV,氧化锌型, 元/组 900220KV,普通型, 元/组 1100220KV,氧化锌型, 元/组 1300计数器元/组 2010KV,普通型, 元/组 15010KV,氧化锌型, 元/组 20035KV,普通型, 元/组 50035KV,氧化锌型, 元/组 900 2 避雷器交接试验 110KV,普通型, 元/组 950 110KV,氧化锌型, 元/组 1300220KV,普通型, 元/组 1400220KV,氧化锌型, 元/组 1800计数器元/组 3035KV 元/组 250 3 耦合电容器试验 110KV 元/组 400220KV 元/组 90035KV 元/组 500 4 耦合电容器交接试验 110KV 元/组 900220KV 元/组 200010KV及以下元/组 1800 5 静电电容器试验 35KV 元/组 4200 备注:电容器试验包括:绝缘电阻、介质损测量、并联电容器交流耐压试验、配合冲击合闸检查试验。
预防性试验收费标准1.收费原则:a.供电部门的变电设备、公用变压器、电力电缆、避雷器等电气设备的试验及其费用由供电部门承担。
b.客户用电项目配套的变电设备、配电变压器、电力电缆、避雷器等电气设备的试验及其费用由客户自行承担。
2.收费标准:a.变压器容量在315kVA及以下,电压等级为10kV的,按300元/台收取试验费,电压等级为35kV的按400元/台收取。
b.变压器容量在315kVA以上,电压等级为10kV的,按550元/台收取试验费,电压等级为35kV的按600元/台收取。
c.10kV电力电缆长度在50米以内的,按300元/次收取试验费,长度50 米以上的每增加一米加收2元的试验费。
d.10kV避雷器按30元/只收取试验。
一、高压电气设备预防性试验:10KV室内电气设备每两年试验一次。
二、10KV避雷器每一年试验一次,变电所的要求在4月1日—11月30日期间投入运行。
三、0.4KV避雷器每年试验一次。
四、电力电缆项目:绝缘电阻每一年一次。
五、电力变压器项目:绕组绝缘电阻和系数比两年一次。
六、绝缘工具(绝缘鞋、绝缘手套、高压试电笔、高压绝缘棒等)每半年试验一次。
七、电流互感器、电压互感器项目:绕组的绝缘电阻和变比两年一次。
八、油开关项目:绝缘电阻一年一次。
九、继电保护装置项目:10KV两年一次。
十、10KV变电所设备三年测量一次;接地体每五年开挖检查一次;变压器10KV以上接地电阻值不得大于10欧姆。
三、预防性试验费1 绝缘工具耐压试验元/件·次502 接地电阻测量试验元/处3003 高压避雷器试验元/组9004 变压器系统调试250KVA及以下元/台1800 315KVA及以下元/台2200800KVA及以下元/台29002000KVA及以下元/台59005 电缆泄漏试验元/根次1006 电缆故障点测试元/点20007 高压开关调试元/只22008 继保调试元/套2000。
附件:重庆市疾病预防控制机构行政事业性项目收费标准一、预防性体检费1、本项包括食品、化妆品、饮用水从业人员体检费,公共场所从业人员体检费,共2个子项。
2、体检机构必须按照项目内涵包括的所有项目作全项体检,并按人次收费。
当国家法律法规要求增减体检项目时,应参照现行《重庆市医疗服务价格》执行。
12二、卫生监测费及卫生质量检验费1、本项共427个子项目,包括:(1)卫生微生物、疾病控制、寄生虫病监测、检验94个子项;(2)消毒、杀虫、灭鼠监测67个子项;(3)食品卫生监测、检验18个子项;(4)环境卫生监测、检验30个子项;(5)职业卫生监测、检验43个子项;(6)放射卫生监测、检验86个子项;(7)学校卫生监测、检验7个子项;(8)毒理试验25个子项;(9)仪器方法监测、检验24个;(10)医学实验动物和放射免疫检测16个子项;(11)公共场所集中空调通风系统检测费9个子项;(12)证书工本费3个子项;(13)安全性评价5个子项。
3456789101112131415161718192021222324252627282930三、疫情处理费本项共13个子项目,包括中毒、事故10个子项,污染、超期、不符合卫生要求、标准的健康相关产品3个子项。
3132四、委托性卫生防疫服务费本项共51个子项目,包括卫生业务咨询、资料费3个子项,卫生学评价31个子项,职业病危害17个子项.33343536注:项目编码说明一级分类编码为1、2、3、4,如“预防性体检费”编码为37“1”,“监测费、卫生质量检验费等”编码为“2”;二级分类编码,如“卫生微生物、疾病控制、寄生虫病检测检验”编码为“201”;三级分类编码,如“卫生微生物”编码为“20101”;四级分类编码,如“细菌总数"编码为“20101001”;子项目编码,如“O157:H7免疫磁珠法培养鉴定”编码为“20101018a”。
38。
1.收费原则:
a.供电部门的变电设备、公用变压器、电力电缆、避雷器等电气
设备的试验及其费用由供电部门承担。
b.客户用电项目配套的变电设备、配电变压器、电力电缆、避雷
器等电气设备的试验及其费用由客户自行承担。
2.收费标准:
a.变压器容量在315kVA及以下,电压等级为10kV的,按300元/台收取试验费,电压等级为35kV的按400元/台收取。
b.变压器容量在315kVA以上,电压等级为10kV的,按550元/台收取试验费,电压等级为35kV的按600元/台收取。
c.10kV电力电缆长度在50米以内的,按300元/次收取试验费,长度50 米以上的每增加一米加收2元的试验费。
d.10kV避雷器按30元/只收取试验。
一、高压电气设备预防性试验:
10KV室内电气设备每两年试验一次。
二、10KV避雷器每一年试验一次,变电所的要求在4月1日—11月30日期间投入运行。
三、0.4KV避雷器每年试验一次。
四、电力电缆项目:绝缘电阻每一年一次。
五、电力变压器项目:绕组绝缘电阻和系数比两年一次。
六、绝缘工具(绝缘鞋、绝缘手套、高压试电笔、高压绝缘棒等)每半年试验一次。
七、电流互感器、电压互感器项目:绕组的绝缘电阻和变比两年一次。
八、油开关项目:绝缘电阻一年一次。
九、继电保护装置项目:10KV两年一次。
十、10KV变电所设备三年测量一次;接地体每五年开挖检查一次;变压器10KV以上接地电阻值不得大于10欧姆。
三、预防性试验费
1 绝缘工具耐压试验元/件·次50
2 接地电阻测量试验元/处300
3 高压避雷器试验元/组900
4 变压器系统调试250KVA及以下元/台1800
315KVA及以下元/台2200
800KVA及以下元/台2900
2000KVA及以下元/台5900
5 电缆泄漏试验元/根次100
6 电缆故障点测试元/点2000
7 高压开关调试元/只2200
8 继保调试元/套2000。